perlos模具设计规范(欧洲标准)
- 格式:pdf
- 大小:1.99 MB
- 文档页数:36
出口注塑模具设计标准及流程(一)出口注塑模具设计标准及流程(一),连载,欢迎下载学习。
出口注塑模具设计标准及流程(一)Carlos.Liu1. 引言我们通常所说的出口模具一般分为三类:一是出口欧洲的模具;二是出口日本、韩国的模具;三是出口北美地区的模具。
这样分类的主要依据就是按照现有的国际模具标准体系来分类。
2. 标准体系目前在塑胶模具行业,国际上模具标准体系有三大类:日本模具标准体系,北美模具标准体系,欧洲模具标准体系。
日本模具标准体系即 JIS STANDARD,最常用的标准是 MISUMI 塑胶模具零件标准、 PUNCH 塑胶模具零件标准、池上金型塑胶模具零件标准、富得巴模胚标准,以及佳利来标准件、东发紫弹簧等等配套的标准件。
北美模具标准体系主要指美国、哥伦比亚和加拿大等北美国家应用的模具标准,美国塑料工业协会(Society of the Plastics Industry)制定的模具分类标准(SPI AN-102-78),将塑胶模具分为 5 个等级。
出口美国的塑胶模具属于高端的商品模具,最著名的模具标准件供应商是 DME、 PCS 和 Progressive,这三大标准件体系广泛应用在美国、加拿大和哥伦比亚等北美国家,具体的选用需要按照客户的指定。
欧洲模具标准体系主要指德国、英国、法国、意大利、荷兰和西班牙等欧洲主要工业发达国家的塑胶模具标准体系,欧洲注塑模具最常用的是德国的 HASCO 标准,德国的 STRACK 标准,德国的 EOC标准,英国的 DMS标准,美国的 DME 欧洲规格(公制标准件),法国的 ROUBARDIN 标准和奥地利的 MEUSBURGER 标准, 其中最著名的就是德国的 HASCO 标准。
2.1 模具等级美国塑胶工业学会 (SPI AN-102-78),将模具分为五大类。
这五大类型模具各有其不同的要求标准,而这种模具分类只适用于配400 吨或以下的注塑机的模具。
歐美模具設計規範1. 模胚:採用“LKM”模架。
2. 導柱倒裝(前模導柱,後模導套)。
3. 面板和A板之間必須有兩枚管釘作管位。
4. 頂針板必須要有導柱(即中托司)。
5. 鋼材:常用加硬材料:LKM2083、LKM2344、LKM2767.一般加硬至52~54HRC。
6. 定位環:定位環要高出面板4mm,若有隔熱板時定位環要高出隔熱板4mm。
常用定位環直徑:Ø90、Ø100、Ø110、Ø120、Ø125、Ø150、Ø160。
7. 唧嘴圓弧:常用FLAT(即平的)和R15.5 兩種。
唧嘴圓弧的開口最小保證:Ø3.5mm。
8. 頂針、司筒采有“DME”“HASCO”標準。
9. 水口:常用潛水和熱流道(常用DME、MasterFlow)10. 滑塊: 滑塊要做定位、限位.(常用波珠螺絲、彈簧定位,杯頭螺絲限位)。
11. 壓塊:壓塊螺絲常用杯頭螺絲和平頭螺絲。
12. 斜頂:斜頂要做導滑塊和耐磨塊,材料採用青銅。
13. 連接塊:見圖示。
14. 運水塞:采有“HASCO”的1/4”BRS和1/8”BRS兩種。
15. 運水內接孔:模具上下要加工, 模具左右不要加工.常用規格:Ø20x20、Ø25x20.。
16. 標識:常有零件名稱、零件號、公司名稱、型腔標識、材料標識、可回收標識、日期章。
17. 模具表面要求:Sparkerusion(火花紋)、Polished(省模)、Photo etched (蝕紋)。
18. 模胚A、B板之間要有鎖模組(兩個)。
19. 模具包裝採用黃油、透明塑膠袋、消毒木箱。
20. 模具標簽:模具號、零件號、産品名稱、製造日期、模具重量。
(模架圖例)澆注系統:1. 所有水口都必須自動切斷,自動掉落.澆口一般採用”潛水”或熱流道,如採用頂針位進膠,必須如圖例.2. 唧嘴必須用加硬材如SKD62,硬度必須HRC52左右, 唧嘴圓弧有”平” ; “R15.5”等,公差爲(+1.0,-0.5), 唧嘴圓弧的開口大小最小應保證:3.5mm.(離端面的參考尺寸爲3mm)3. 唧嘴如自己製作,請用加硬材料如” ASSAB8407, LKM2767,LKM2083”等,硬度必須HRC52左右,並且內孔一定要抛光,4. 定位環尺寸有“ø90”;”ø110” ; “ø125”;”ø160” ,離碼模板高度一般爲: 4.0mm,公差爲(+/-0.5) , 詳情請見”技術要求”,最大倒角爲1 X 1mm5. 澆口離零件膠位元的最小距離應保證:1.5mm6. 如用可旋轉澆口,分流道形狀請用“梯形”7. 膠口設計請注意佈局合理,頂出平衡.(澆口圖例)(定位環圖例)(唧嘴圖例)頂出系統:1. 頂針應採用HASCO標準, 頂針孔應有避空位, 前端配合位長度可設計爲15mm.在頂針板內每邊至少須避空0.25mm,見圖例. 頂針必須能用手輕鬆可推動.頂針離型芯邊緣的距離最小爲:1mm2. 特別是”扁頂”需要加避空位.3. 頂針板必須有四根導柱,不需用彈簧. 並且在頂針板上固定一個如”M16”的連接塊, 見圖,螺紋孔一定要頂針板垂直. 如模具比較大,必須採用球軸承,如HASCO Z系列.4. 頂針頂出時不能有變形或翹起.即整個零件需平衡頂出.5. 頂針痕所形成的階梯通常必須控制在0.10mm以內.(頂針避空圖例)(連接塊圖例) 冷卻系統:1. 冷卻儘量採用大的管徑”如能用”ø10”,就必須用”ø10”,不能用”ø8”.2. 冷卻管徑最小可採用”ø3”3. 所有産品熱量集中的地方,如深孔,深槽, 滑塊.原則是儘量加多運水. 如果太小或窄,則需考慮用”鈹青銅”做鑲塊.4. 冷卻管端部沈孔和鏍紋孔必須同心,而且不能鑽歪.5. 堵水螺栓必須爲英制1/8BSP或1/4BSP,外形爲錐行。
1. 使用FUTABA标准模座结构组模座。
2. 使用正钢或同规格标准模具零件、配件。
3. 所有导销(GUIDE PIN),衬套(BUSHING)必须在尾端有凸型。
4. 所有模具设计图面纸张尺寸需统一使用全开规格尺寸,并等核准后,才开始制作。
5. 模具上成品部分加工时,应以成品图中尺寸公差的半值来做为加工公差,不得使用成品图上之公差来加工。
6. 所有度量单位以英制为准,长度使用毫米,重量使用公斤,温度使用摄氏(C)。
7. 压力以英制PSI为单位,1PSI=1磅/平方英寸=14.2公斤/平方公分。
8. 确认模厚,夹模板行程,顶出行程。
9. 公母模四侧面吊模孔位置,“A”“B”板每一相邻两侧最少有一吊模孔,其他模板最少有一侧面有吊模孔。
10. 四支导销中之任一支,必须做成偏心,即不与其他三支对称,以防止公、母模反向合模。
11. 打印钢材规格及硬度於模仁底面。
12. 详列材料表并标示材料与表面处理规格,并标示电热器瓦数规格与电压大小。
13. 打印,编号所有模具零件。
14. 模具两侧面,应与装箱前以铁条固定,以免模面分开。
15. 同一成品模穴超过一个穴时,应采用连续编号以便识别模穴。
16. 在模座上需有一吊模孔於模具重心位置,以避免吊模时模具倾斜,并确定螺纹与深度足够负荷模重。
17. 除模仁有大面积梯阶靠破外,均应装置模面锁定块(PARTING LINE LOCKS)。
18. 肋片深度超过5mm时,需於肋底部加逸气销或以镶件制作,以利塑料充填。
19. 以销子做平面靠破时,应将销子顶端加长伸入钢材内,避免销子顶面压损或变形。
20. 成品重要处,应稍预留尺寸,避免加工尺寸过大而导致补焊。
21. 模仁未经许可不准补焊。
22. 在特殊情况下以补焊修补模具时,应选用模具同材料做焊条,以免材质不同影响成品之外观及留下痕迹。
23. 各项装配组立均应确实控制公差,不得有敲击之痕迹留下。
24. 所有的模板除分模面外,其余角落应倒角。
薄壁模具设计标准规范薄壁模具设计标准规范是指在设计薄壁模具时需要遵守的一系列标准和规范。
下面是我为您总结的薄壁模具设计标准规范的内容,共700字。
1.模具设计基本要求薄壁模具设计要满足使用寿命长、高生产效率、良好的产品质量等基本要求。
模具材料应选择高强度、高硬度、高耐磨损的材料,模具结构要简单、紧凑,以减少生产过程中的变形和缺陷。
2.模具结构设计薄壁模具结构要尽量减少模具零件数量,减少模具组装和调试的时间。
模具应考虑便于加工和维修,并且要具有足够的刚性和稳定性以保证模具在生产过程中不变形。
3.薄壁模具壁厚设计薄壁模具的设计要注意壁厚的控制,壁厚过厚则会导致产品重量增加和加工难度提高,壁厚过薄则容易产生缺陷。
在设计过程中要考虑产品的用途和要求,合理确定壁厚。
4.薄壁模具的冷却系统设计薄壁模具在生产过程中容易产生热变形和热应力,因此冷却系统的设计至关重要。
冷却系统的设计应满足工艺要求,有效地降低模具温度,以提高模具寿命和产品质量。
5.模具表面处理为了减少产品的摩擦阻力和磨损,模具表面需要进行适当的处理。
常用的表面处理方法有热处理、电火花抛光、镜面抛光等,根据实际需要选择合适的方法进行处理。
6.薄壁模具的自动化设计薄壁模具的自动化设计可以提高生产效率,降低成本。
可以考虑引入自动送料装置、自动脱模装置、自动清理装置等,提高生产线的自动化程度。
7.薄壁模具的检测与质量控制薄壁模具制造完成后,需要进行一系列的检测与质量控制,以保证模具的质量。
常用的方法有三坐标测量、硬度测量、裂纹检测等,合格的模具才能进入生产环节。
总结起来,薄壁模具设计标准规范是在设计薄壁模具时需要遵循的一系列准则和规范。
它涵盖了模具基本要求、结构设计、壁厚设计、冷却系统设计、模具表面处理、自动化设计和质量控制等方面的内容,旨在保证薄壁模具的质量和性能,提高生产效率,减少生产成本,满足市场需求。
欧美模具标准欧美模具标准,讲比较完整.分好几个模块一、设计规范二、浇注系统三、顶出系统四、冷却系统五、图纸要求六、试模要求七、样品检验要求八、其它一、设计规范1.模胚:采用“LKM” 模架。
2.导柱倒装(前模导柱,后模导套)。
3.面板和A板之间必须有两枚管钉作管位。
4.顶针板必须要有导柱(即中托司)。
5.钢材:常用加硬材料:LKM2083、LKM2344、LKM2767.一般加硬至52~54HRC。
6.定位环:定位环要高出面板4mm,若有隔热板时定位环要高出隔热板4mm。
常用定位环直径:Ø90、Ø100、Ø110、Ø120、Ø125、Ø150、Ø160。
7.唧嘴圆弧:常用FLAT(即平的)和R15.5 两种。
唧嘴圆弧的开口最小保证:Ø3.5mm。
8.顶针、司筒采有“DME”“HASCO”标准。
9.水口:常用潜水和热流道(常用DME、MasterFlow)10.滑块: 滑块要做定位、限位.(常用波珠螺丝、弹簧定位,杯头螺丝限位)。
11.压块:压块螺丝常用杯头螺丝和平头螺丝。
12.斜顶:斜顶要做导滑块和耐磨块,材料采用青铜。
13.连接块:见图示。
14.运水塞:采有“HASCO”的1/4”BRS和1/8”BRS两种。
15.运水内接孔:模具上下要加工, 模具左右不要加工.常用规格:Ø20x20、Ø25x20.。
16.标识:常有零件名称、零件号、公司名称、型腔标识、材料标识、可回收标识、日期章。
17.模具表面要求:Sparkerusion(火花纹)、Polished(省模)、Photo etched(蚀纹)。
18.模胚A、B板之间要有锁模块(两个)。
19.模具包装采用黄油、透明塑胶袋、消毒木箱。
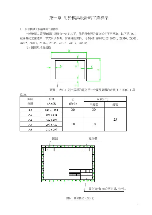
第一章用於模具設計的工業標準1.1 用於機械工程繪圖的工業標準一般繪圖人員對繪圖的經驗有一定的水平, 他們所參照的圖方式有不同標準. 以下是JIS工程繪圖的工業標準. 本文只供參考, 有關細節資料, 可參照JIS標準(JIS B0001, Z8310, Z8311, Z8312, Z8313, Z8314, Z8315, Z8316, Z8317, Z8318).(JIS B0001) 單圖則資料; 如公司名稱, 物料...圖1-1 圖紙格式 (Z8311)(2) 圖則比例圖則比例的表示方法為: A:BA: 在圖則上的繪劃之尺寸.B: 物件的真實尺寸.例: 圖則比例縮小 -- 1:2 (與真實尺寸小一半)圖則比例相同 -- 1:1 (與真實相同大小)圖則比例放大 -- 5:1 (比真實尺寸大五倍)(3) 線段的分類表1-2 綜合列出了不同的線段種類及應用作為參考之用.例1: 多種線段例圖1粗實線 8徒手線2曲折線 9 點劃線3剖面切線 10幼實線4粗實線 11雙點劃線5幼實線 12幼實線6虛線 13幼實線7剖面位置切線例2:例3: R的中心尺寸及位置例4: 表示屈曲前尺寸點劃線雙點劃線例5: 表示延長物件(4) 文字的使用圖1-2 為常用的文字格式及尺寸可供參考使用(非1:1比例)高9mm1 2 3 4 5 6 7 8 9 0高4.5mm1 2 3 4 5 6 7 8 9 0高6.3mm A B C D E F G H I JK L M N O P Q RS T U V W X Y Za b c d e f g h i j k l mn o p q r s t u v w x y z圖1-2 文字規格 ( JIS Z8313 )(5)投影方法圖1-3及1-4分別表示第三角投影方法所得出的投影面及用於表示第三角投影的標記.A: 前視 B: 上視 C: 左視D: 右視 E: 底視 F: 背視圖1-3第三角投影方法(JIS Z 8315)圖1-4用於第三角投影的標記 (JIS Z8315 )(6) 視圖方法圖1-5及1-6為切面視圖的繪劃方法 ( JIS Z8316)圖1-6(7) 尺寸標示法圖1-7表示常用的尺寸標注方式(1) 邊長 (2) 弦長 (3) 弧長 (4) 角度(a) 箭頭式(b) 斜線式(c) 點式圖1-7不同類型的尺寸標注方式 (JIS Z8317)注: 在同一張圖紙上. 除非有特別情形, 如空間太少放不下箭頭等, 否則不應該將(a), (b), (c) 三種不同的尺寸標示混合來用.例6: 機械工程繪圖--尺寸標注(8) 零件編碼 (JIS B0001)常用的零件編碼方式有下列兩種:(9) 圖則更新如圖則於發出後, 尺寸或工差有所更改, 必需將圖紙更新及重新發放, 更新方法可參閱如下:圖紙上更改欄圖1-8圖則更新方法一般更改方式有二. 一為直接將舊有尺寸劃去, 然後在旁寫上正確尺寸及更新記號. 二為把舊的尺寸擦去, 寫上新的尺寸並且在旁邊加上更新記號. 不管是使用第一種或第二種更改方式, 都要在圖紙的更改欄上寫上第幾次更改的符號. 更改日期, 由誰人更改等. 若使用第二種更改方法. 則更改欄上的更改項目要注明更改前的日期.1.2 公差系統在模具零件的加工過程中, 因為機械上的誤差, 刀具損耗及機械本身的加工條件或能力所限製, 加工後的零件尺寸往往未能達至均一的. 又因為零件的本身很多時要和別的零件相配或互換, 所以公差系統的應用在模具設計及製造中擔當了很重要的角色.公差系統可分為三大類. 它們分別是形狀公差, 位置公差及配合公差, 本文只供參考, 有關細節資料, 可參照JIS 標準(JIS B0021, B0022, B0023)(I) 形狀及位置公差位置公差又可分為三類: 分別是定向, 定位及跳動. 定向公差用於表示形狀之間的定向關系: 如平行及垂直等. 定位公差用於表示形狀間的位置相差值: 如同軸及同心等. 偏轉公差用於圓形物體在轉動時的公差偏離. 表1-4為標準的位置公差符號及名稱.(a) 形狀及位置公差標注方法共有三種,如圖1-10 (1).公差符號 公差數值 (2)公差符號 公差數值 基準面字母代號(3)基準面字母代號(第一格為主要的基準面,第二格為次要的基準面,如此類推)公差符號 公差數值(b) 引線 -- 公差方框與所要管製之幾何形態間用一帶有箭頭之引線相連. 有如下方法:(1)指在輪廓線或延長線上 (2)指在延長線對正尺寸線 (3)指在中心線上延長線上圖1-10引線表示方法(c) 基準面與基準線-----引線引至基準面或基準線處, 用一個實三角形表示, 三角形之底邊放法有如下方法:(1)放在輪廓線或延長線上 (2)放在延長線對正尺寸線 (3) 放在中心線上圖1-11基準面及基準線表示方法若公差方框與基準因相距過遠而不適宜用引線相連時, 可用一個大字線加一個方框以識別之, 同時應在公差方框之第三格寫入該基準面的大寫字.(1)在基準面上的表示 (2)公差方框與距離之基準面圖1-12 基準面與公差方框距離遠之表示方法 (JIS B0021)(II) 一般的應用公差數值在模具設計期間, 當需要標注公差於圖則上時, 必須考慮其零件之基本尺寸, 準確要求及加工技術的規限. 又當在加工期間, 如圖則上沒有特別注明公差數值時, 亦可根據零件的大小和要求來生產出合理的零件. 本文只供參考, 有關細節資料, 可參照DIN 標準 (DIN 7168).(a) 直線及角度一般的公差數值表1-5 及1-6列出一般五金切削加工後的直線和角度公差數值.表1-6五金切削加工後角度公差數值 (DIN 7168)(b) 直線度及平直度一般的公差數值表1-7列出五金切削加工後直線度及平直度的普遍公差數值. 直線度的數值是根據所標示平面的直線長度為準. 平面度則根據所標示平面的最長一邊或直徑來設定.(c) 圓柱度, 平行度及垂直度圓柱度, 平行度及垂直度都是沒有特定的普遍公差數值. 圓柱度可根據圓柱本身的直徑公差,但在一般情況下, 數值不應高於直徑公差及偏轉公差, 平行度則可根據表1-7直線度及平直度的數值來設定. 垂直度的公差設定則可參考表1-6的角度普遍公差數值.(d)五金切削後偏轉度一般公差的數值(DIN 7168)(III) 配合公差為使模具零件得到互換性, 模具設計師應依循特定的設計標準及誤差範圍設計. 生產者需根據設計要求確保產品質量. 本文只供參考, 有關細節資料, 可參照JIS標準(JIS B0401).(a) 公差的基本概念(1) 基本尺寸(Basic size): 設計時確定的尺寸.(2)實際尺寸(Autual size): 零件製成後實際量度得的尺寸. 實際尺寸可能大於或小於基本尺寸.(3)極限尺寸(Limits of size): 允許零件實際尺寸變化所取兩個界限值.(4)最大極限尺寸(Maxmun limit of size): 允許實際尺寸的最大值.(5)最小極限尺寸(Minimum limit of size): 允許實際尺寸的最小值.(6)偏差(Deviation of size): 一個尺寸(實際尺寸或最大尺寸等)與基本尺寸之相差值.(7)實際偏差(Actual deviation of size): 實際尺寸與基本尺寸之相差值.(8)上偏差(Upper deviation): 最大極限尺寸與基本尺寸的相差值.(9)下偏差(Lower deviation): 最小極限尺寸與基本尺寸的相差值.(10)零線(Zero line): 代表基本尺寸. 習慣零線水平上方為正偏差, 下方為負偏差.例: 公差配合之計算零線基本尺寸圖1-13基本尺寸時: 100mm最大極限尺寸: 100.05mm最小極限尺寸: 99.95mm實際尺寸: 應介於99.95-100.05mm之間為合上偏差: 最大極限公差 - 基本尺寸100.05-100 = 0.05 mm下偏差: 最小極限公差 - 基本尺寸99.95 -100 = - 0.05 mm公差: 0.05(b) 配合的基本概念在基本尺寸相同, 相互結合的孔和軸的公差之間的關系, 稱為配合. 孔的尺寸減去與之相配合的軸的尺寸所得的差值為正時稱為間隙, 為負時則稱為過盈.(c) 配合的種類分為: 間隙配合, 過盈配合及過渡配合(1) 間隙配合具有間隙(包括最小間隙等於零)的配合. 孔的公差區在軸的公差區之上.如圖1-14.最小間隙最大極限尺寸最小間隙最小極限尺寸軸公差區(a)示意圖 (b)公差區圖圖1-14間隙配合(JIS B0401)(2) 過盈配合具有過盈(包括最小過盈等於零)的配合. 孔的公差區在軸的公差區之下. 如圖1-15所示.最大過盈軸公差區最小過盈最大極限尺寸最大過盈最小極限尺寸孔公差區(a)示意圖(b)公差區圖圖1-15過盈配合 (JIS B0401)(3) 過渡配合可能具有間隙或過盈的配合. 此時, 孔的公差區與軸的公差區相互交疊. 如圖1-16所示.最小極限尺寸最大間隙最大極限尺寸最大過盈孔公差區最大極限尺寸 最大過盈 最小極限尺寸 軸公差區(a)示意圖 (b)公差區圖圖1-16過渡配合 ( JIS B0401)表1-9為標準公差數值, 共分為18級, 每級根據不同的基本尺寸而有不同的數值. 等級越高, 表示尺寸越精確. IT1為最高等級而IT18為最低等級.(1) 等級IT 14 - 18不應使用於1mm以下(2) 等級IT 1 - 5 於500mm以上只適用於測試或實驗室內用 (IV) 配合基準製公差的配合方法, 可分為基孔製及基軸製兩種. 以下是配合的有關資料, 有關細節, 可參照 JIS 標準 (JIS B0401).(a) 基孔製將孔的公差區固定不變, 使它與不同位置的軸的公差區形成各種配合的製度, 稱為基孔製, 如圖 1-17 所示. 基孔製的孔稱為基準孔, 用英文字母大寫 H 表示. 其公差區在零線上面; 下偏差為零, 上偏差為正值.圖1-17 基孔製的孔與軸公差區 (JIS B0401)基孔製示例:孔: ∅30H8軸: ∅30f7圖1-18 基孔製示例(JIS B0401)(b) 基軸製將軸的公差區固定不變, 使它與不同位置的孔的公差區形成各種配合的製度, 稱為基軸製, 如圖1-19 所示. 基軸製的軸稱為基準軸, 用英文字母小寫 h表示. 其公差區在零線下面; 上偏差為零, 下偏差為正值.軸的公差區圖1-19 基軸製的孔與軸公差區(JIS B0401)基軸製示例:孔: ∅30F8軸: ∅30h7圖1-20 基軸製示例(c) 基本偏差系列圖表基本偏差系統規定了軸, 孔各28個基本偏差, 形成基本偏差系列. 基本偏差的代號用英文字母表示, 系統按字母順序排列. 英文字母大寫為孔, 英文字母小寫為軸. 圖1-21表示出該系列的確定的軸, 孔公差區的位置.孔基本尺寸軸基本尺寸圖1-21 孔與軸各28個基本偏差系列圖(JIS B0401)(d) 常用配合一般常用配合會先選定以孔為基楚或以軸為基楚. 然後再決定用間隙配合或過盈配合. 表1-10及表1-11分別列出基本尺寸在500mm以下的孔和軸的常見組合.注: 有關孔及軸的基楚偏差數值表資料,可參考(JIS B0401)標準1.3 螺紋類別(I) 螺紋的作用及形成螺紋是在圓柱上的導紋, 作用是要將螺帽或工件接起來. 在一些工具機中, 螺紋可作為傳遞動力之用. 連接螺紋為三角形, 傳動螺紋為梯形或鋸齒形. 螺紋的作用是令工件在旋轉且有導紋的圓柱上, 作垂直於圓周連動方向與所旋轉之角度成正比例的直線連動.則圓柱轉了πd(直徑)的距離, 工件上升了L(導程)的行程. 參考圖1-22.L: 導程λ: 螺旋升角β: 螺旋角圖1-22 螺紋的概念(II) 標準螺紋的標示方式一般螺紋有公製與英製, 其標示方法可參考圖1-23 及表1-12.X (螺旋線數)圖1-23 螺紋的標示方式一般螺紋符號及螺紋標示例子:例1: 公製M10 x 4 - 6g ( 2螺紋)2條螺紋線M: 螺紋符號10: 螺紋外徑4: 螺距(mm)6: 加工精度6級(參考表1-9)g: 加工偏差區(參考 JIS B0410軸基楚偏差數值表)例2: 英製10 - 32UNG - 2A - LH ( 3螺紋)3條螺紋線10: 螺紋外徑32: 每英寸螺紋數32UNG: 英製螺紋2: 加工精度2級(參考表1-9)A: 加工偏差區(參考 JIS B0410軸基楚偏差數值表)LH: 左旋方向第二章用於模具製造的工業標準要製造某一種產品,必須要有一定規格標準,根據所要求的標準,才能生產出合格之產品. 因此在工業之中幾乎任何一種製造方式皆有指定的準則,熱處理是製造模具所必會遇到的加工過程.不同鋼材的製造商有不同的熱處理方式,製造商一般會有這方面的資料提供.一般熱處理有哪幾種,如何在熱處理後測量出鋼材的要求硬度,用甚麼的方式加工鋼材可得到那一種光潔範圍使表面處理為最方便, 又買某種鋼材時對於另一種標準是甚麼等級. 凡此幾中均在本章介紹.2.1 模具鋼材製造模具所使用的模具材料很多, 慣常使用碳鋼, 合金鋼, 合金銅, 合金鋁, 矽膠或合成樹脂等等. 矽膠及合成樹脂只適合用於小批量生產或首辦之用, 在此省之.(I) 規格分類模具鋼材大部份只用幾個標準, 而不同鋼材製造商亦只會根據幾個標準或稍為改變一些成份,製造出一系列的模具鋼材.(a) 冷作鋼此種鋼材有良好切削性, 高含碳量提供良好耐磨性, 但韌性低. 多用於切料, 彎曲, 壓形, 螺紋滾壓, 量度規等.(b) 熱作鋼熱作鋼材有延伸性好, 有較低的硬度, 中度抗熱軟化阻力,能乘受高工作溫度. 多用於壓鑄模, 擠壓模, 塑膠模等.(c) 注塑鋼鋼材硬度低, 易切削, 尺寸穩定, 拋光性佳, 容易加工. 多用於注塑模內模. 生產出來的注塑產品可有一定的光澤.(d) 高速鋼此類鋼材是主要用來切削其它鋼材的刀具鋼, 能耐高溫, 耐磨耗, 高溫之下不易軟化.(II) 主要模具鋼材生產廠商與國家標準對照表2-2.1至2-2.2列出主要的模具鋼材生產商的產品編號及其相對之其它國家標準對照. (注: 代表相近之國家標準)(III) 模具鋼材在香港主要供應商以下為主要的模具鋼材生產商在香港的供應商資料, 此外, 表2-3.1至2-3.7列出其鋼材之特性, 出廠狀態及用途供參考. (所有資料由供應商提供)(a) 樂嘉文洋行(Rieckermann (Hong Kong ) Ltd.)地址:有限公司九龍尖沙咀廣東道30號新港中心第二座1201-3室Rm 1201-3, Silvercord Tower 2. 30 Canton Rd., TST Kowloon電話: 23759911 傳真: 23758947(b) 瑞典一勝百鋼材有限公司 ( Assab Steels (H.K) Ltd.)地址:葵芳與芳路223號新都會廣場第一座2908-2914室.Rm 2908-2914. Metroplaza Tower, 223 Hing Fong Rd, Kwai Fong, N.T 電話: 24871991 傳真: 24890938(c) 德勝鋼材有限公司 ( German Steels Co (H.K) Ltd.)地址:沙田火炭黃竹洋街14-18號華生工業大廈1座號地下.G/F., Unit 1. Wah Sang Ind Bldg., 14-18 Wong Chuk Yeung St., Fo Tan Shatin,N.T電話: 26990339 傳真: 26024765(d) 龍記五金有限公司 (Lung Kee Metal Ltd.)地址:香港官塘興業街4號長江電子大廈1樓1/F., Cheung Kong Electronic Bldg., 4 Hing Yip St,Kwun Tong .Kowloon 電話: 23422248 傳真: 234185442.2 模具的熱處理方法不論注塑模具, 沖壓模具或壓鑄模具等, 都有一定的材料處理方式來符合某種製造方法, 例如: 經常受到磨擦, 拉伸, 沖擊的地方, 熱處理是其中一種材料改變機械性質的處理方式, 雖然是同一樣成份的鋼材, 熱處理的方法不同時, 所出現的性質也有顯著的差異, 熱處理是一項非常複雜的學問, 所牽涉的不同金相組織也很多, 難以短短數語可以淺釋之, 且看熱處理的方法, 在此只略述常用幾種.(a) 退火加熱至適當溫度, 保持一段時間後, 在爐中或在隔熱材料內慢慢冷卻, 正確的退火溫度應向不同鋼料的製造商取得. 退火的主要目的是將鋼料軟化, 除去殘留應力,增加可切削性.(b) 正常化將鋼料加熱至超過硬化溫度約100 ℃左右然後放置在靜止空氣中自然冷卻. 正常化過程後, 鋼料的組織變得微細化, 切削性改善, 可使鍛造或鑄造後的鋼製成品結構更穩定, 對進一步的熱處理反應有預期的效果.(c) 淬火將鋼材在高溫之下急速冷卻至室溫, 此一過程是使鋼料內的組織結構變得很硬和很脆.(d) 回火回火是做淬火後必須做的操作. 回火目的是除去鋼料的內應力, 預防淬火後會出現的裂紋, 調整某些硬度及增加韌性, 使到鋼料不會在受輕微的踫撞時會破裂. 回火溫度從1000C左右起至硬化溫度以下,視鋼料的含碳量而定.(e) 火焰淬火用氧乙炔的火焰, 迅速加熱鋼材表面至淬火溫度而材料中心部份還未達到淬火溫度之前, 噴射冷水冷卻使表面硬化.(f) 滲碳將低碳鋼(0.1-0.3%C)加熱至850-9300C使活化的碳原子滲入鋼材表面. 經淬火及回火後得到表面層堅硬, 內部仍然具韌性的工作.(g) 氮化將充滿氮氣的爐加熱至500-5500 C使氨氣分解所得的氮滲入鋼料表層. 冷卻之後鋼材上得到一層氮化層. 氮化層具高硬度, 高耐磨性, 抗腐蝕等.2.3 硬度測試方法及對照(i) 硬度測試方法一般鋼材的使用, 是使用材料表面的硬度, 耐磨性, 耐磨蝕性等機械特質, 而鋼材表面硬度測試有不同方式. 常見的硬度測試有以下幾種:(a) 勃氏硬度 (Brinell Hardness.HB)勃氏硬度測試方法為, 使用一硬鋼珠壓入已磨光滑的材料水平面上, 令材料在施壓處充份塑性變形, 於測試材料表面上形成一半球形凹痕. 所施壓力與鋼球嵌入材料表積比為勃氏硬度.圖2-1勃氏硬度測試HB:勃氏硬度P:施加壓力A:鋼球嵌入面積D: 鋼球直徑d: 凹痕直徑h: 凹痕高度(b) 洛氏硬度(Rockwell Hardness HRB, HRC)洛氏硬度測試方法有二種. 一為用直徑1.588mm(1/16in)之硬鋼球或頂角120O, 尖端0.2mm半徑之鑽石. 兩者所施之壓力也不同. 讀取洛氏硬度首先加一10kg之重量於測試頭. 目的是減少污積, 油膜或其它表面影響讀數的因素. 再將重量加至100kg或150kg. 測試頭所嵌入鋼料深度與預加重量時嵌入深度之差. 其讀數為洛氏硬度.的嵌入深度為洛氏硬度的嵌入深度圖2-2洛氏硬度測試(c) 維氏硬度 (Vickers Hardness, HV)維氏硬度測試方式與勃氏測試方式原理相同, 但維氏是使用一粒四邊金字塔形鑽石壓頭, 施壓於測試工件上, 再用顯微鏡來量度凹痕尺寸, 與勃氏相同, 維氏硬度數值是施壓的重量與壓入試件表面凹痕的面積之比, 在勃氏硬度300以下時, 勃氏與維氏所測出之硬度大致相同, 在此硬度以上則互相分歧. 這是由於勃氏所用的鋼球在使用在更硬的材料測試時變形之故.(d) 蕭氏硬度 (Shore Hardness, HS)是將尖端附有鑽石針的小槌, 從一定高度下到測試工件表面. 再看其反彈之高度來表示硬度.(e) 超薄面洛氏硬度 (Superficial Hardness, HRC)測試方式與洛氏無大分別, 但此處用於非常薄的表面硬度層的測試. 所用之鑽石壓頭高度準確, 而施壓重量比較輕, 分別為15, 30, 45kg.(ii) 硬度對照表表2-4至表2-5為硬度對照表用於硬鋼及合金材料和軟鋼, 鑄鐵及非鐵金屬材料.C: 150kg 鑽石壓頭HV: 維克氏硬度(Vickers Hardness) A: 60kg 鑽石壓頭HB: 勃氏硬度(Brinell Hardness) D: 100kg 鑽石壓頭G: 150kg 1/16“鋼球15N: 15kg 鑽石壓頭30N: 30kg 鑽石壓頭45N: 45kg 鑽石壓頭B: 100kg 1/16“鋼球A: 60kg 鑽石壓頭F: 60kg 1/16“鋼球15T: 15kg 1/16“鋼球G: 150kg 1/16“鋼球30T: 30kg 1/16“鋼球E: 100kg 1/8“鋼球45T: 45kg 1/16“鋼球K: 150kg 1/8“鋼球示例:64HRC =洛氏C硬度6481HR30N =洛氏30N表面硬度81201HB =勃氏硬度201(10mm鋼球,300kgf荷重. 載荷時間10-15秒) 63HB10/500/30=勃氏硬度63(10mm鋼球,500kgf荷重.載荷時間30秒)440HV30 =維氏硬度440(荷重30kgf)。
ES-200 DIE DESIGN AND BUILD STANDARDSI. GENERAL CONDITIONSA. It is the vendor’s responsibility to read and understandthese standards. 阅读并理解模具标准是模具供应商的责任B. All Tools must comply with O.S.H.A. Federal SafetyStandards and MIOSHA State Safety Standards.C. All corrections to the tool necessary to meet approval arethe responsibility of the vendor and to be made prior todelivery to E&E.D. It is the vendor’s responsibility to be aware of part printtolerances, critical characteristics, and important featuresthat must be addressed in the design of the tool.E. E&E engineering must approve the strip, 50% and finaldesign before tool build is started.F. Part print revisions affecting the die build will becommunicated to vendor as soon as is practical.Subsequent tool design changes must be reviewed andapproved by E&E engineering prior to implementation.G. We rely on our vendors to follow "Good Die Practices",keeping in mind that E&E is a High Volume ProductionHouse, requiring high quality durable tools.E&E 工厂是一个高产量的生产厂家,所以模具需要用高质量的模具H. The tool source will generate a "Time Line" immediatelyfollowing the reward of the job or receipt of P.O. ; it shall beaccurately updated and sent by 12:00 noon every Thursday.I. All materials needed to build the tool, including purchaseditems, are the responsibility of the vendor to supply unlessotherwise specified in writing by E&E Manufacturing.J. Dies are to be designed to feed per E&E Manufacturing engineering specifications.K. Dies must be capable of running at the cycle rate asspecified by E&E. In the request for quotation and/orpurchase order.L. Parallels are to be supplied to suit press. (Pressspecification will be furnished by E&E Manufacturing.) Forkwidth opening will be determined during die design review.M. One (1) complete set of replacements for purchasedpunches, pilots and buttons are to be shipped with die. Etchwith E&E job numbering system if possible.Perishable/Purchased Tooling as defined during Die Designreview process. A Perishable Tooling Book including aPerishable Tooling List (page one) followed by drawings ofeach perishable component to correlate with the list must be supplied with aforementioned set of replacements uponreceipt of tool at E&E.N. All perishable details, such as cutting and forming sections are to be completely detailed to allow for interchanging.1. Detail prints are to be updated as changes are madeduring assembly and tryout.所有的易损件,比如切边,成形部件要完全说明其材质等详细信息以便互换。
Design Specifications 模具设计规范Contents1 General总则 (3)documents.设计文档 (3)2 Designdesignation模具标识 (4)3 Toolrepairs维护 (4)4 Facilitating5 Stocking of spare parts备品 (4)6 Tool retention device for progressive dies and transfer tools级进模和多工位模的固定装置 (5)7 Waste and finished parts slides / scrap metal separator废料和成品件滑槽/废料分离装置 (7)construction模具制造 (7)8 Toolbushes模钮 (10)9 Perforated10 Punches冲头 (11)punches落料冲头 (12)11 Blanking12 Material材料 (12)13 Markingdies字模 (14)14 Painting the tool模具涂装 (14)life模具寿命 (14)15 Tool16 Standards标准 (14)specifications送样规格 (15)17 Sampling1. General 总则The design specification is an integral part of the written ordering of tools for all future tool orders. Changes to or deviations from the items described here are subject to written approval from NEEF GmbH & Co. KG. In confirming the order, the manufacturer assumesresponsibility for the functionality of the tool, the dimensional accuracy of the part, compliance with the deadline and cost targets and the output.本设计规范为今后模具定购合同不可或缺的一部分。
仅适用于GUTBROD 项目的模具This die specification is for the instruction of the die specification between the company Gutbrod (mentioned as follows "principal") and the die supplier (mentioned as follows "sup plier―) onto the Gutbrod-specified demands.本标准是用于Gutbrod 公司(以下简称委托人)和模具供应商(以下简称供应商)之间,作为模具制作标准和Gutbrod 公司的特殊要求Design 设计The design must be done according to the agreement with the Co. Gutbrod.设计必须按照与Co.Gutbrod 的协议为准。
Before the start of the die design for 模具设计必须在以下几点完成之前∙ Transfer dies - the die process and the concept for the flow direction of the partsincluding gripper concept 传送模—工程和产品送料方向概念(含机械手)∙ Progressive dies - the strip layout 连续模-料带图∙ Trim- and forming dies - the sequence of operation 切边和成型模---工程顺序must be submitted for the release.以上设计确认之后才能开始模具设计Following statements must be contained: 以下内容必须包含∙ Feed and bandwidth resp. blank size 送料和料宽,开料尺寸∙ Chosen press 选择的冲床∙ Flow direction 送料方向∙ Part- as well as scrap disposal 出件和排废料General attention is to be paid during the design of the die process and the strip layout to reach the most economical and low-maintenance design.一般情况下在模具工程设计和排样的时候要考虑最经济省料和最低维护费用。
Table of ContentsI. Purpose 目的II. Scope 适用范围III. Die classification 模具类型IV. Metal stamping dies-General Requirements 五金模具一般要求Die design and construction data sheet 模具设计及组装时间表Die design approval 模具设计审核Die design ownership 模具设计所有权Die noise 模具噪音Die design responsibilities 模具设计责任Die performance 模具性能V. Die design criteria 模具设计标准A. Preferred components 优先配件B. Production material 产品材质C. Calculating operating tonnage of die 模具工作吨位D. General die life and construction 模具寿命及构造E. Safety 安全F. Scrap removal 废料移出装置G. Die sets 模具安装H. Die mountingI. Maintenance requirements 维修要求J. Die lubricants 模具润滑K. Die protection 模具保护装置L. Shear clearances 冲裁间隙M. Stock guiding and control 材料导向及定位N. Die material 模具材料O. Parallels 垫脚P. Dowels 合销Q. Punches, buttons, and retainers 冲头,镶件以及固定器R. Springs 弹簧S. Strippers 脱料装置T. Nitrogen systems 氮气系统U. Positive knockouts 正面取出V. Pressure pins 顶料销X. Forming and drawing dies 成型及拉伸模具Y. Cam and slide type diesVI. Stamping and marking 钢印及标记VII. Tryout and approval to ship 试模及船运VIII. Tryout, recertification, and final approval 试模,证明及最终承认IX. Payment terms 付款条约X. Substitutions 备件XI. Changes 设变Any deviation from this Die Building Requirements & Specifications willrequire a written request from vendor to the Su-dan Corporation Project Engineer.如有任何违背本份模具制造要求及规范,供应商都需向 Su-dan项目工程师提供一份书面要求。
塑胶模具设计标准一、目的1.规范本部门设计工作、统一设计风格、完善设计工艺,真正实现设计指导生产并为生产服务;2.实现本公司的模具质量上一个新的台阶。
二、内容一、对产品图的分析:工程师接到工作指令后,首先必须认真阅读用于开模的产品图和客户所提供的相关资料,对产品的材料,胶位的厚度及均匀情况,出模方向和拔模角度进行分析,结合客户所提供的相关资料和主管的具体要求,草拟一个简短的报告,内容包括产品能否开模,开模后有无不良现象产生,产品能否满足客户的要求等等,并将此报告于第一时间反馈给主管。
二、浇注系统的设计浇注系统是注射模具熔体填充模具型腔的通道和入口,由主流道、分流道、冷料井和浇口等部分组成。
浇注系统设计得合理与否,对制品的质量、精度和生产时的效率有直接的影响。
在模具设计中,构成浇注系统的零件主要有定位圈(法兰)、唧嘴、唧嘴衫套、水口套、拉料杆等。
根据本部的习惯和风格,结合客户要求对这些零件选用作如下规定:1.设计美国公司的模具时:定位圈选用英制φ3.99”(内孔径为φ2”)的DME 英制NO.6501系列和英制φ4.99” (内孔径为φ2”)DME英制NO.6502两个系列。
唧嘴用英制DME.B-6600 SR=1/2"、B-6600 SR=3/4"、U-6600 SR=1/2"、U-6600 SR=3/4"这两个系列。
2.设计欧洲客户和升宁的模具:定位圈用φ125或φ100的公制标准。
唧嘴用φ12、φ16、φ20、SR=15.5的公制标准。
3.设计浇注系统时要注意以下几个方面:a)、流道截面首选圆形,其次是半圆形和梯形,大小根据产品的大小和材质的性能等确定,通常选用φ4、φ5、φ6、φ8、φ10或相当尺寸,如果产品不大或者材料的流动性较好时,(如POM、PP、软PVC、PA66等)流道截面尺寸选φ4、φ5;如ABS、PS、ASA等,流动性中等到的材料流道截面尺寸选φ5、φ6;如PC、硬质PVC、PMMA等流动性较差的材料,流道流道截面尺寸选用φ8、φ10或设计得更大些。
欧洲压铸模具设计标准是什么
欧洲压铸模具设计标准主要参考以下两个标准:EN 12844:2000 和
EN 12845:2018。
EN 12844:2000 标准是针对压铸模具设计和制造的一般要求。
该标准涵盖了各个方面的设计要求,包括模具材料的选择、构造和安装、尺寸和公差、模型设计和制造等。
在模具材料选择方面,标准要求使用高质量的材料,如工具钢、合金钢或特殊材料,以提供足够的刚度和耐用性。
同时还需要考虑材料的热膨胀系数,以避免在制造过程中出现尺寸变化问题。
构造和安装方面,标准要求模具结构必须稳固且易于安装和拆卸。
它还指导了模具的冷却系统设计,以确保在铸造过程中能够有效地控制温度。
尺寸和公差方面,标准规定了模具中各个部件的尺寸公差。
这有助于确保模具制造的精度和准确性。
模型设计和制造方面,标准要求模型必须符合铸件设计的要求,并能够满足铸造过程中的流动和凝固特性。
此外,标准还规定了模具表面处理的要求,以提高铸件的质量和外观。
EN 12845:2018 标准则是针对铸造模具的材料选择和铸造参
数进行指导的。
该标准包含了模具材料的分类和性能要求,根
据铸造材料的种类和特性,指导了合适的模具材料选择和使用。
此外,该标准还着重强调了模具的制造过程控制要求,包括温度控制、浇注和冷却过程的参数控制等。
这些要求旨在保证铸造过程中的质量和稳定性。
总结起来,欧洲压铸模具设计标准主要关注模具的材料选择、构造和安装、尺寸和公差、模型设计和制造,以及铸造模具的材料选择和铸造参数控制。
这些标准的遵循有助于确保模具制造的质量和稳定性,并最终提高铸件的质量和生产效率。