水库环评报告书环境概况
- 格式:doc
- 大小:47.50 KB
- 文档页数:7
水库环境影响评价报告一、引言水库的建设对周边环境有着深远的影响。
为了评估这种影响,我们进行了水库环境影响评价。
本报告旨在总结水库建设对环境的影响,并提供相应的评价结果和建议。
二、水库概况水库名称:XXX水库所在地区:XXX省XXX市建设单位:XXX公司设计容量:XXX万立方米建设时间:20XX年-20XX年三、环境影响评价方法在本次评价中,我们采用了以下方法评估水库的环境影响:1. 地理信息系统(GIS)分析:利用GIS技术,对水库周边的土地利用、地貌、水文等信息进行全面分析,以评估水库对地区环境的影响。
2. 生态学调查:通过野外实地考察和样本采集,调查水库建设对当地生态系统的影响,包括野生动植物的迁徙、栖息地破坏等。
3. 水质监测:对水库及其周边水域进行水质监测,评估水库建设对水质的影响,包括水体富营养化、水生态系统的改变等。
4. 社会经济调查:通过问卷调查和专家访谈,了解水库建设对周边居民、生产活动和社会经济发展的影响,分析社会经济效益与环境影响的关系。
四、环境影响评价结果1. 土地资源影响通过GIS分析,水库建设对周边土地资源的利用产生了一定的影响。
大量土地被水库淹没,导致失耕地面积增加,对农业生产和生态系统的恢复产生了一定的负面影响。
2. 生态系统影响水库的建设破坏了原有的生态系统,对生物多样性和陆地生态系统功能造成了损失。
同时,水库的蓄水也改变了周边地区的水循环,对湿地和河流生态系统造成了一定的破坏。
3. 水质影响水库对周边水体的水质产生了深远的影响。
在水库蓄水过程中,大量的底泥和悬浮物被堆积,导致水体富营养化的风险增加。
同时,水库的存在也影响了下游水生态系统的水质和生物多样性。
4. 社会经济影响水库建设为当地带来了一定的经济效益,提供了水资源和电力供应。
然而,水库的蓄水对周边居民和经济活动产生了一定的影响,包括居民搬迁、农业生产受限等。
五、环境管理建议基于以上评价结果,我们提出以下环境管理建议:1. 建立水库周边生态保护区,恢复和保护受影响的生态系统。
水库建设环评报告书一、背景和目的随着城市化进程的加快和经济的快速发展,对水资源的需求逐渐增加。
为了满足人民生活和经济发展的需要,我公司计划在XXX地区建设一个水库,以储存和调配水资源。
为了保证水库建设的合法性和环境友好性,特进行本次水库建设环境影响评价,旨在全面评估水库建设对环境的影响,提出相应的环境保护措施和建设规划,确保水库建设过程中的可持续发展。
二、项目概况1. 项目名称:XXX水库建设项目2. 项目位置:XXX地区3. 建设规模:水库总容量XXX立方米4. 建设目的:满足当地城市和农业用水需求,提供防洪保护,促进区域经济发展5. 建设内容:建设大坝、泄洪闸等基础设施三、环境评价1. 自然环境影响评价考虑到项目建设将对当地自然环境造成一定影响,我们进行了详细的评估。
主要包括水库水文水资源影响、土壤侵蚀和沉积、生态系统破坏等方面。
评价结果显示,在合理控制和管理下,水库建设对自然环境的影响可以得到有效控制,不会对水文水资源、土壤和生态系统造成重大损害。
2. 生态环境影响评价水库建设对当地生态环境的影响也是我们需要重点关注的问题。
在评估过程中,我们考虑了水库建设对植被、野生动物和水生生物等方面的影响。
通过合理的水库管理方案和生态修复措施,我们可以有效减轻对生态系统的不良影响,并最大限度地保护当地自然生态环境的完整性。
3. 社会环境影响评价水库建设对当地居民生活和社会经济发展的影响也是我们考虑的重要因素。
在评估中,我们分析了水库建设对就业、生活条件和社会文化等方面的影响。
通过引入合理的就业机会和社会保障政策,我们将确保项目建设对当地居民的积极影响,进一步推动当地社会经济的发展。
四、环境保护措施和建设规划基于以上环境评价结果,我们制定了一系列环境保护措施和合理的建设规划,以确保水库建设过程中的环境友好性和可持续发展。
1. 水库管理措施:建立合理的水库管理制度,确保水库的水文水资源有序利用,防止过度放水和过度排放。
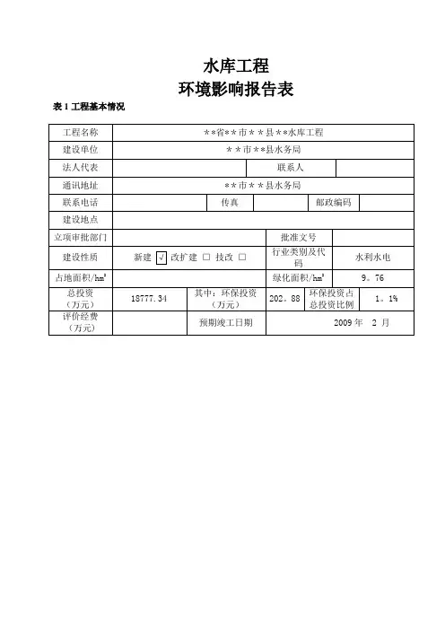
水库工程
环境影响报告表表1工程基本情况
工程主要特性表
注释
一、本报告表应附以下附件、附图:
附件1 立项批准文件
附件2 其他与环评有关的行政管理文件
附图1 工程总布置图
附图2 工程地理位置图(应反映行政区划、水系、标明排污口、取水口位置和地形地貌等)
附图3 工程施工总布置图
附图4 环境保护措施布置图(包括环境监测内容)
二、环境影响报告表需详细说明工程对环境的影响时,应进行专项评价.根据工程的特点和当地环境特征,应选下列1——2项进行专项评价。
1、工程对水环境的影响
2、工程对生态环境的影响
3、工程施工对环境的影响(包括水环境、大气环境、固体废物、声环境等)
4、淹没与移民对环境的影响
5、其他
以上专项评价未包括的可另列专项,专项评价按照《环境影响评价技术导则》中的要求进行。
建设项目环境影响报告表
(试行)
项目名称:汽车维修有限公司汽车维修厂建设单位(盖章): 汽车维修有限公司
编制日期日
国家环境保护总局制
建设项目基本情况。
水库环境情况汇报近年来,我国水库环境问题备受关注,各地水库环境情况也是时常受到关注。
为了更好地了解和掌握水库环境情况,我对我所在地区的水库环境进行了调查和汇报,以下是具体情况汇报:一、水库水质情况。
经过多次水质监测,我所在水库水质总体情况良好。
水质监测结果显示,水库水质指标均在国家规定的水质标准范围内,水质无明显异常情况。
但是,需要注意的是,由于水库周边农业、工业等活动的影响,水库水质存在一定程度的波动,需要进一步加强水质监测和管理。
二、水库生态环境情况。
水库周边生态环境总体良好,植被覆盖率较高,生物多样性丰富。
但是,近年来,随着人类活动的不断扩大,水库周边生态环境受到了一定程度的破坏,部分植被减少,野生动物栖息地受到威胁。
因此,需要加强对水库周边生态环境的保护和修复工作,确保水库生态环境的持续稳定。
三、水库周边环境保护措施。
为了加强对水库周边环境的保护,我们采取了一系列措施。
首先,加强水库周边植被保护工作,禁止乱砍滥伐,保护野生动植物栖息地。
其次,加强水库周边的环境监测,及时发现和解决环境问题。
同时,加强对水库周边农业、工业等活动的监管,减少对水库环境的影响。
此外,我们还积极开展环境教育宣传工作,提高周边居民的环保意识,共同保护好水库环境。
四、未来工作展望。
在今后的工作中,我们将进一步加强对水库环境的监测和管理,建立健全水库环境保护长效机制,确保水库环境的持续稳定。
同时,我们还将加大环境保护宣传力度,提高全社会对水库环境保护的重视程度,共同保护好我们的水库环境。
以上就是我对水库环境情况的汇报,希望相关部门和社会各界能够共同关注和支持水库环境保护工作,共同努力,共同保护好我们的水库环境。
谢谢!。
第二章项目概况2.1 地理位置七都溪发源于宁德市境内的虎贝乡第一旗,由西向东贯穿全境,于七都镇入海,属单独入海的河流,干流全长58km,总流域面积333.5km2,为宁德蕉城区境内仅次于霍童溪的第二大河。
流域内大部分为中等切割构造侵蚀的中低山区,植被覆盖良好,沿溪除河源地区的虎贝、中游的洋中两块盆地外,河流多穿行于崇山峻岭之中,河床陡竣,水流湍急,水力资源十分丰富。
河道平均坡降为14.13%,天然落差达820m,可利用落差774.75m,其水电资源理论蕴藏量为6.87万kW,可开发量达5.17万kW。
七都溪流域规划六级开发,前五级电站已得到开发,从上游到下游分别为白岩电站、长潭电站、洋中电站、大泽电站、大港电站和官昌电站,以在充分利用水能资源与可承受的淹没损失中取得平衡。
拟开发的官昌水库为七都溪流域开发的最后一级,其主要功能是供水、灌溉,在此基础上兼顾发电。
官昌水库处于七都溪干流河段上。
通过相距约1700米的上、下两个坝址比较分析,所选取的上坝址位于七都镇外洋村,七都镇仅8 公里,坝址以上流域面积312.6平方公里,水库正常蓄水位为69米,水库回水与上游大港电站相衔接。
工程地理条件较好,对外交通方便。
工程地理位置见图2-1。
2.2 工程规模官昌水库工程预计总投资为15707.62万元,静态总投资额14892.98万元,总装机8000Kw,共装二台水轮发电机组,单机容量4000Kw,多年平均发电量为2754万Kw·h,保证出力(P=90%)为1146Kw,装机利用小时数为3442小时。
该水电站建成后电力将直接送入福建省电网,并主要向宁德供电。
该电站水库为河道型水库,正常蓄水位69m,总库容3030万m3,兴利库容为2254万m3。
死库容为505万m3官昌水库的主要任务是供水、灌溉,在此基础上兼顾发电。
供水保证率为P=97%。
供水对象为宁德第三水厂(规模为10万t/d)及海鑫钢铁厂用水(钢铁厂近期用水量为1.5m3/s,远期为4m3/s)。
水利工程环境影响评估报告一、项目概述1.1 项目名称:XXX水利工程1.2 项目地点:XXX地区1.3 项目规模:XXX立方米/秒,XXX米坝高1.4 工程投资:XXX亿元1.5 工程进度:已立项,正在进行环境影响评估二、项目背景与目的2.1 项目背景- 地区水资源紧张,需建设水利工程以满足供水需求- 地区防洪标准低,需建设水利工程以提高防洪能力- 地区灌溉需求大,需建设水利工程以改善农业灌溉条件2.2 项目目的- 提高地区供水能力,满足居民生活、工业和农业用水需求- 提高地区防洪能力,减轻洪水灾害风险- 改善农业灌溉条件,提高农业生产效率三、环境影响评估方法与标准3.1 评估方法- 文献分析法- 现场调查法- 专家访谈法- 环境影响预测模型3.2 评估标准- 中华人民共和国环境保护部《环境影响评价技术导则》- 中华人民共和国水利部《水利工程环境影响评价规范》- 地区环境保护相关法规和标准四、环境影响评估结果4.1 水环境- 施工期:建设期可能产生临时性水污染,需采取施工期水污染防治措施- 运营期:水库运行后,可能对下游水体产生一定稀释影响,需进行稀释能力评估4.2 生态系统- 施工期:建设期可能对周边生态环境产生不利影响,需采取生态保护和修复措施- 运营期:水库运行后,可能对周边生态系统产生一定影响,需进行生态系统影响评估4.3 社会经济- 施工期:建设期可能对周边居民生活和经济发展产生一定影响,需采取社会经济影响评估- 运营期:水库运行后,可能对周边地区产生一定经济效益,需进行经济效益评估4.4 非饮用地下水- 施工期:建设期可能对周边非饮用地下水产生一定影响,需进行非饮用地下水影响评估五、环境保护措施及建议5.1 施工期水污染防治措施- 施工期废水处理设施建设- 施工期废水排放管理5.2 生态保护和修复措施- 施工期生态保护和修复设施建设- 施工期生态保护和修复管理5.3 社会经济影响缓解措施- 施工期居民搬迁和补偿- 施工期经济损失补偿5.4 非饮用地下水保护措施- 施工期非饮用地下水监测和管理六、结论本报告对XXX水利工程的环境影响进行了详细评估,根据评估结果,建议项目方在施工和运营期间采取相应环境保护措施,以减轻项目对周边环境、生态系统和社会经济的影响。
水库环评报告报告编号:XXXXXX编制单位:XXX环保有限公司报告编制人:XXX报告审核人:XXX审核日期:XXXX年XX月XX日1.项目名称本项目名称为XXX水库。
2.项目概况XXX水库位于XXX市XXX区,主要用于灌溉和防洪。
该水库总库容为XXX万立方米,最大坝高为XXX米,建设总投资为XXX万元。
3.环境影响评价(1)环境影响评价范围本次环境影响评价范围包括水库建设区和周边半径XXX公里的区域。
(2)环境影响评价方法本次环境影响评价采用限界分析法和因果关系分析法。
(3)环境影响评价结论通过对影响因素进行分析,结合区域环境特点,本次水库工程建设对环境的影响主要集中在以下方面:气象:水库工程建设将对当地气象条件产生一定影响,包括降雨量、温度、风向、湿度等。
水质:水库建设后,水体总体水质将发生变化,水位和流速变化可能会影响水生动物和植物的生态环境,对饮用水源地、河流生态等会产生一定影响。
土地资源:水库建设将会占用一定土地资源,对当地土地、生态,和植被覆盖水平等产生较大影响。
生态环境:水库建设对当地生态环境会产生较大影响,例如对植物生长、野生动物栖息等影响。
其他环境影响:水库建设会对当地社会、经济等方面产生影响。
4.环境保护措施(1)气象影响监测降雨量、温度、风向、湿度等气象条件,对需加强管理的影响极端天气预警,及时出动应急抢险队伍。
(2)水质保护水库周边设置监测站,定期监测水体水质变化,并采取技术措施,如活性炭吸附、电解氧化、紫外线消毒等改善水体水质。
(3)土地资源保护对占用土地资源进行合理规划,尽量减少占用并采取恢复措施,控制对当地生态环境的影响。
(4)生态环境保护根据不同生态系统类型,采取不同措施,保护当地生态环境。
(5)其他环境保护进一步加强项目管理,开展科学合理的环境影响评价,并在现场施工过程中加强环境管控和监测。
5.环境监测与监管(1)环境监测计划制定全面的环境监测计划,对因水库建设而可能出现的环境问题实施定期监测。
水利工程项目环境影响评估报告一、引言水利工程项目的规划和建设对环境有着重要的影响。
为了评估这些影响并确保项目的可持续性发展,进行水利工程项目环境影响评估是必要的。
本报告旨在对xxx水利工程项目的环境影响进行全面评估,并提供可行的环境保护措施。
二、项目概述1.1 项目背景xxx水利工程项目位于某某地区,旨在解决当地水资源供应不足的问题。
项目规模包括水库建设、渠道修建和水资源管理系统的优化升级,预计将对当地环境产生一定影响。
1.2 评估目标本评估报告的目标是全面了解xxx水利工程项目对环境的影响,并在此基础上提出合理的环境保护措施,确保项目建设过程中环境的可持续性。
三、环境影响评估3.1 自然环境影响评估根据对项目周边地区自然环境的调查和研究,预计xxx水利工程项目的建设将对当地的生态系统、土壤质量和水资源分布等方面产生影响。
具体包括:(1)生态系统影响:施工期间,可能会破坏部分动植物栖息地,导致生物多样性丧失。
同时,水利工程的运行可能会改变水体流量和水温,对鱼类的繁殖产生一定影响。
(2)土壤质量影响:工程建设过程中可能产生大量的土地平整和开挖,对原有土壤质量造成不可逆转的影响。
(3)水资源分布影响:水库的建设和水资源调配可能会对周边地区的水资源分布产生影响,一些地区可能会面临水资源供应不足的问题。
3.2 社会经济环境影响评估水利工程项目的建设将对当地的社会经济环境产生一系列的影响,具体包括:(1)就业机会:工程建设期间,将提供大量的就业机会,带动当地经济的发展。
(2)交通影响:由于工程建设需要大量的运输设备和材料,可能会对周边交通产生一定的影响,包括道路堵塞和交通事故风险增加等。
(3)社区影响:由于项目的规模较大,可能会涉及到一些社区的迁移和重建问题,对当地社区产生一定的影响。
四、环境保护措施基于上述环境影响评估,本报告提出以下环境保护措施,以减少项目对环境的不利影响:4.1 生态系统保护(1)建立生态保护区:对于受影响较大的动植物栖息地,建立生态保护区,禁止或限制人为干扰。
水利工程环境影响评价报告一、引言水利工程对环境的影响在当今社会引起了广泛的关注。
本报告旨在对某项水利工程进行环境影响评价,从而为工程建设提供科学的依据和指导。
二、评价范围本次环境影响评价主要包括以下方面:水资源、生态环境、土壤质量、大气污染、噪音污染等。
在评价过程中,我们采集了大量的实地数据,并结合相关的环境监测资料进行综合分析。
三、水资源评价水资源是水利工程建设最核心的环境因素之一。
通过对工程区域的水资源调查和监测,我们发现该工程建设对当地水资源的利用和保护具有重要意义。
该工程规划合理,对水源地的保护措施得到了充分采取。
四、生态环境评价生态环境是水利工程建设中另一个重要的关注点。
该工程对周边生态环境的影响进行了全面的评估。
我们通过实地调查和数据分析,发现该工程建设不仅没有破坏周边的生态系统,反而对生态环境的保护起到了一定的促进作用。
五、土壤质量评价水利工程建设对土壤质量的影响也是本次评价的一个关键点。
通过对工程区域的土壤采样和实验室测试,我们发现该工程建设对土壤质量没有显著的不良影响。
工程建设前后的土壤质量变化可以在可接受范围内。
六、大气污染评价水利工程建设可能导致的大气污染是一个需要关注的问题。
通过对工程施工过程中的大气污染源进行监测和分析,我们发现工程建设期间的大气污染物排放达到了国家相关标准,并未对周边地区的大气环境质量产生明显不良影响。
七、噪音污染评价水利工程建设过程中产生的噪音污染可能对周边居民的生活造成不良影响。
通过实地监测和分析,我们发现工程建设期间的噪音水平在可接受范围内,并未对周边居民及野生动物的生活产生明显干扰。
八、结论与建议根据对该水利工程环境影响的评价,我们得出以下结论:1. 该工程建设对水资源的利用和保护具有重要意义;2. 该工程建设对周边生态环境没有破坏,反而起到了促进作用;3. 该工程对土壤质量、大气污染和噪音污染等方面未产生明显不良影响。
基于以上结论,我们提出以下建议:1. 在工程建设过程中,继续加强对水资源的保护措施,确保合理利用;2. 加强对周边生态环境的监测和保护,确保生态系统的可持续发展;3. 在施工过程中,控制大气污染物的排放,以确保周边地区的空气质量;4. 采取有效的噪音防护措施,减少对周边居民生活的干扰。
水利工程环评报告书一、引言水利工程是为了解决水资源的合理开发和利用,确保社会经济的可持续发展而进行的工程项目。
为了保护生态环境、防止水资源的过度开发和污染,水利工程环评成为了水利工程项目必不可少的程序之一。
本报告旨在对xxx水利工程进行环境影响评价,为项目的实施提供科学依据。
二、项目背景1. 项目概述:xxx水利工程位于某某省某某市,主要包括水库、渠道和泵站等设施,目的是为了解决该地区的灌溉用水和农田排水问题。
2. 项目规模:水库总库容为xxx万立方米,渠道总长度为xxx公里,泵站总装机容量为xxx千瓦。
3. 项目效益:该水利工程将解决当地农田的灌溉和排水问题,提高农作物产量和品质,促进农村经济发展。
三、环境影响评价1. 自然环境影响评价:- 水库建设:水库的建设将会占用一定的土地,并改变当地地形和植被分布,对自然环境造成一定影响。
- 渠道建设:渠道的修建将会影响附近的土地利用结构和生物多样性,同时对周边水质和水生态状况产生一定影响。
- 泵站建设:泵站的运行会产生一定的噪音和振动以及排放废气等,对周边的生物和人类居民造成一定的影响。
2. 社会经济影响评价:- 经济效益:该水利工程的实施将为当地农村带来灌溉和农田排水的便利,提升农作物产量,增加农民收入,促进农村经济发展。
- 就业机会:水利工程建设和运行期间将创造大量的就业机会,有利于改善当地居民的就业状况。
- 社会影响:该工程的实施将改善农村用水条件,提高农村居民的生活质量,并促进城乡差距的缩小。
四、环境保护措施1. 水库建设阶段:- 在水库建设前,进行详细的植被调查,采取合理的植被保护措施,以减少土壤侵蚀和水土流失。
- 建设过程中,加强对土壤和水体的监测,及时处理施工期间产生的污水和废弃物。
2. 渠道建设阶段:- 在渠道建设过程中,合理规划渠道的位置和走向,减少对农田的占用,并保留一定的生态廊道。
- 加强对施工期间土壤侵蚀和水体污染的监测,及时采取控制措施。
文峪河水库清淤工程环评1. 环评背景文峪河水库是位于某省某市的一座重要水利工程,承担着供水、灌溉和防洪等多项功能。
由于长期的泥沙淤积和水质恶化,水库的正常运行受到了严重影响。
为了恢复水库的功能和提高水质,计划进行一次清淤工程,以清除积存的泥沙,并对环境进行评估,确保工程的合理性和可行性。
2. 工程概况2.1 工程位置文峪河水库位于某省某市某区,距离市中心约30公里,总占地面积约500平方公里。
2.2 工程目标清淤工程的主要目标是清除水库内的泥沙,恢复水库的有效蓄水容量,提高水库的供水和防洪能力。
同时,通过清除泥沙,改善水质,减少水库寿命期间的淤积速度。
2.3 工程规模清淤工程将涉及整个水库的泥沙清理工作,包括水库底部和两岸的泥沙清除。
预计清淤总量为XXX万立方米。
2.4 工程时间清淤工程计划于XXXX年X月开始,历时X年完成。
3. 环境影响评价3.1 水质影响评价清淤工程将对水库水质产生一定的影响,主要包括清淤过程中悬浮物的释放和水体的搅动。
为了减少对水质的不利影响,将采取以下措施:•在清淤工程期间,设置水质监测站点,对水质进行实时监测,确保水质指标符合相关标准要求。
•通过合理的施工工艺和控制泥沙的搅动,减少悬浮物的释放。
•在清淤工程完成后,进行水质恢复监测,确保水库水质恢复到清淤前的水平。
3.2 生态环境影响评价清淤工程对水库周边的生态环境也会产生一定的影响,主要包括水生植物、水生动物和湿地生态系统。
为了减少对生态环境的不利影响,将采取以下措施:•在清淤工程前,进行生态调查,了解水生植物和水生动物的分布情况,并制定相应的保护措施。
•在清淤工程期间,禁止捕捞和破坏水生植物,保护水生动物的栖息地。
•清淤工程完成后,进行生态恢复工作,重新植被,恢复湿地生态系统。
3.3 社会影响评价清淤工程对当地社会经济和居民生活也会有一定的影响,主要包括以下几个方面:•清淤工程将提供就业机会,促进当地经济发展。
•清淤工程期间,需要占用一定的土地和资源,可能会对当地居民的生活造成一定的干扰。
第九章一般环境影响分析9.1 环境空气质量影响分析施工期的工程施工爆破、骨料加工筛分、水泥仓库装卸、混凝土拌和、施工材料运输、施工机械运行等,造成施工场地扬尘、施工道路扬尘,影响大气环境质量。
施工营地生活排放废气和悬浮颗粒物等对大气环境质量造成影响。
在营运期,对环境空气质量基本没有影响。
根据工程分析,施工期主要废气有:汽车、装卸设备、挖掘机等施工机械运行时产生的燃油废气;汽车运输、料场及基础开挖、围堰及坝体填筑、水泥装卸等产生的扬尘和逸散尘;施工人员生活排放废气等。
其主要的污染物有TSP、SO2、NO2和粉尘等。
营运期主要有施工人员食堂油烟废气等。
由于该水电站项目开发运行期没有生产废气产生;职工生活燃料采用液化气等清洁燃料,燃烧废气污染物浓度很低、数量很少,故对周围环境影响不大。
该坝址远离宁德市七都镇,且坝区周边无重要保护目标,因此坝区施工对敏感目标影响不大。
因此,施工过程中应采用先进的施工方法,如岩石开挖多用潜钻、水钻以及混凝土拌和使用散装水泥等,尽量减少扬尘量。
施工人员应该严格遵守施工规则,佩戴防尘罩,做好必要的保护措施,减少粉尘对施工人员的健康影响,施工期公路运输量较大,道路两侧居民受其产生的扬尘的影响较大,应经常洒水,以减少扬尘。
在营运期职工食堂炒采烹饪时会产生少量的餐饮油烟,可采用油烟净化设施处理,以保持外观环境清洁。
9.2 固体废物影响分析施工期固体废弃物主要包括生活垃圾、建筑垃圾和工程弃碴等。
根据工程分析施工高峰期日生活垃圾产生量为1.6吨/日,施工期日均生活垃圾产生量为1.0吨/日,年生活垃圾产生总量为365吨。
生活垃圾必须集中堆放,及时清运,以减少污染。
施工作业固体废物一小部分是少数民房及其附属建筑物拆除过程中产生的建筑垃圾,另一大部分是大坝、厂房及其辅助工程施工作业过程中产生的废弃土石和建筑垃圾以及辅助企业运行作业过程中产生的工业垃圾和废水处理沉渣油渣。
对于可资源化利用的生活垃圾、工业垃圾、废弃建材和废弃石油,应予以回收利用或出售;对于生活垃圾,应在各施工区适当部位设置保洁容器进行集中收集,并委托环卫部门及时清运到城镇生活垃圾卫生填埋场进行处置;对于建筑垃圾、废弃土石、工业垃圾和泥沙沉渣,应运至合理指定地点进行妥善处置;对于生产废水隔油池废弃油渣,应在适宜地点进行焚烧处理。
文峪河水库清淤工程环评一、项目概况文峪河水库清淤工程旨在解决文峪河水库底泥淤积的问题,提高水库蓄水容量和运行效能。
工程位于XXX市文峪河流域,涉及清淤面积约XXX亩。
本项目拟采取XXXXX工艺进行清淤作业,包括施工准备、淤泥运输、处理和处置等步骤。
二、环评范围本环评报告主要针对文峪河水库清淤工程及其可能对环境产生的影响进行评估,包括空气质量、水质负荷、水生态系统、土壤和生物多样性等方面。
三、环境影响评估1. 空气质量影响:根据文峪河水库清淤工程的施工准备和运输过程,一些尘埃和气体有可能产生。
但通过采取相应的防尘、防护措施,尽量减少扬尘和气体排放,不会对周边空气质量产生显著影响。
2. 水质负荷影响:清淤作业可能导致底泥中的含污物质被释放到水体中,进一步影响水质。
采取适当的处理工艺和处置措施能够减少这种影响。
在施工期间,将严格监控水体的水质,及时处理可能出现的污染,确保水质不受严重影响。
3. 水生态系统影响:清淤工程可能会破坏水生态系统的一部分,如水生植被、底栖生物和鱼类栖息地。
为减少对水生态系统的影响,将制定相应的生态保护措施和补偿方案,确保水生态系统的生态功能得到有效恢复和保护。
4. 土壤影响:在施工过程中,部分土壤可能会被挖掘和清理,但这种变动范围有限,不会对整体土壤质量产生显著影响。
5. 生物多样性影响:清淤工程可能对河流生物多样性产生短期影响,如水生植物、底栖生物和鱼类等。
为减少对生物多样性的不利影响,将进行合理的保护措施,如及时移除和托运珍稀物种,以避免其受到损害。
四、环境保护措施为减少清淤工程对环境的不利影响,本项目将采取以下环境保护措施:1. 严格按照环境保护法规执行,制定合理的施工方案和环境管理计划。
2. 在运输和处理底泥的过程中,采取粉尘防控措施,减少尘埃扬尘对周边空气的污染。
3. 加强水质监测和管理,确保施工期间水质符合相关排放标准。
4. 采用生态修复措施,如植被恢复、鱼种放流等,促进水生态系统的恢复。
水库建设项目环评报告一、项目背景及概况水库建设项目的环评报告,旨在评估该项目对环境的潜在影响,并提出相应的防治措施,以确保项目在建设和运营过程中对环境的可持续性保护。
本报告将详细介绍水库建设项目的背景和概况,包括项目的目的、规模、地理位置等基本信息。
二、项目目的与意义水库建设项目的主要目的是解决当地水资源供应不足的问题,提供稳定的水资源供应。
该项目将建设一座大型水库,具备蓄水、发电和灌溉等多种功能,为周边居民提供生活用水、工业用水以及农田灌溉所需的水资源。
水库建设不仅可以改善水生态环境,还可以促进区域经济的可持续发展。
三、项目规模与设计方案1. 水库规模:水库总库容为X亿立方米,年发电量为X万千瓦时,灌溉面积为X万亩。
2. 水库结构:水库主体采用X型混凝土重力坝,坝高X米,坝顶宽X米,坝顶长度X米。
3. 水库工程设施:水库将配备X台水轮发电机组和X个灌溉水泵站,以满足不同用水需求。
4. 生态环境保护:按照生态优先、修复保护的原则,对水库周边的生态环境进行规划和保护,确保项目对生物多样性的影响最小化。
四、环境影响评价1. 土地利用方面:水库建设将占用一定面积的土地,导致一部分耕地损失,但在规划过程中已充分考虑到耕地的合理利用和保护。
2. 水资源方面:水库蓄水后将影响下游河道水量,但通过合理的水库调度和水资源管理措施,可以最大限度地减少对下游水资源的影响。
3. 水质方面:水库将引起水流停滞和水质变化,导致一定程度的水生态环境破坏。
但在建设过程中,我们将采取水质净化技术和生态修复措施,以保证水库水质的改善。
4. 生态环境方面:项目建设对周边生态环境将产生一定影响,破坏植被和栖息地。
因此,我们将采取相应的植被修复和生态保护措施,以减少对生态环境的不利影响。
五、环境保护计划与措施1. 水土保持:通过合理护坡、梯田建设等水土保持工程,减少水库蓄水对土壤侵蚀和泥沙淤积的影响。
2. 水质保护:采用有效的水质净化技术,对进入水库的污水进行处理,并定期监测水库水质,确保水质稳定。
水库改造环评报告1. 引言本文旨在对水库改造项目进行环境影响评价报告,以帮助决策者了解项目对环境的潜在影响。
2. 项目背景水库改造是指对现有水库进行改建、扩容或修复,以提高水库的功能和效能。
本项目涉及对某水库进行改造,旨在满足日益增长的用水需求、改善水库的水资源利用效率,并提供更可持续的水资源管理方案。
3. 环境影响评价方法为评估水库改造项目对环境的潜在影响,我们采用了以下方法:3.1 资料收集收集与水库改造项目相关的资料,包括现有水库的建设资料、水文气象数据、生态环境状况等,以全面了解项目背景和环境现状。
3.2 现场调查对水库改造项目所在地进行实地调查,以了解现场的地理、生态、气象等情况,并采集必要的环境数据和样本。
3.3 数据分析对收集到的数据进行统计和分析,包括水资源利用情况、水质状况、生态系统等方面的评估,以确定项目可能产生的环境影响。
3.4 模拟与预测基于现有数据和模型,对水库改造项目进行模拟与预测,以评估不同方案对环境的可能影响,并提出相应的风险评估和管理建议。
4. 环境影响评价结果基于前述的数据分析和模拟预测,我们得出了以下环境影响评价结果:4.1 水资源利用效率提高水库改造项目将增加水库蓄水量和调节能力,改善水库的水资源利用效率,有助于提高水资源的可持续利用能力。
4.2 生态系统影响水库改造可能对当地的生态系统产生一定的影响。
例如,水库蓄水量的增加可能导致湿地和河流生态系统的变化,对植物和动物的生存环境造成一定的影响。
4.3 社会影响水库改造项目的实施可能对当地社会造成一定的影响。
例如,工程施工期间可能会引发噪音、振动等问题,对周边居民的生活造成一定的干扰。
5. 环境风险评估与管理建议基于对水库改造项目的环境影响评价,我们提出了以下环境风险评估与管理建议:5.1 水资源管理建议加强对水库改造后的水资源管理,确保合理的水资源分配和利用,以减少对当地生态系统的不利影响。
5.2 生态保护建议在项目实施过程中,加强对生态系统的保护和监测,及时发现和采取措施应对潜在的生态风险。
水库环境影响评估报告一、引言水库建设对周边环境产生了重要影响,为了全面了解和评估水库建设对环境的潜在影响,本报告将对水库环境影响进行评估,并提供合理的建议和措施以减轻可能的负面影响。
二、评估方法本次评估主要使用以下方法和指标进行:1. 环境监测:通过对周边地区进行环境监测,包括水质、土壤、空气等方面的采样和测试,以了解水库建设前的环境状况。
2. 生态学调查:对水库周边的生态系统进行详细调查,包括植物、动物、微生物等方面的调查,以评估水库对生态系统的影响。
3. 社会经济调查:通过问卷调查、访谈等方式,调查水库建设对周边居民生活和经济的影响情况。
4. 模型模拟:借助环境模型模拟水库建设后可能出现的环境变化,如水质变化、土壤侵蚀等,以预测潜在的环境影响。
三、评估结果1. 水质影响通过对水库周边水质的监测和模型模拟,我们发现水库建设对水质可能产生以下影响:(1)水库蓄水后,水体的溶解氧含量可能下降,对水生生物产生负面影响。
(2)水库蓄水后,水中浮游植物生长迅速,可能导致富营养化问题的产生。
为减轻水质影响,我们建议在水库建设后实施水体净化措施,包括水质监测与治理,合理控制养殖和农业活动对水库的污染等。
2. 生态系统影响水库建设对周边生态系统可能产生以下影响:(1)水库蓄水后,淹没了大面积的土地,导致了生境破坏和物种灭绝的风险。
(2)水库蓄水后,改变了河流的水文动力学特征,可能导致河道水生态系统的变化。
为保护生态系统,我们建议在水库建设前进行充分的生态评估,并在建设过程中采取适当的生态补偿和恢复措施,保护濒危物种和生态环境的平衡。
3. 社会经济影响水库建设对周边社会经济可能产生以下影响:(1)水库蓄水后,可能导致移民和土地流转,影响居民的生活和收入来源。
(2)水库的建设可能带动了附近地区的旅游业发展,为当地经济带来了机遇。
为解决社会经济问题,我们建议在水库建设前进行社会经济调查,根据调查结果制定合理的移民和土地流转政策,同时通过水库旅游开发来促进当地经济的可持续发展。
第四章环境概况
4.1自然环境
4.1.1地理位置
官昌水电站处于七都溪下游河段的七都镇外洋村,坝址地理位置处于东经119°30′~119°28′,北纬26°46′~26°45′间。
七都溪流域干流全长58km,总流域面积333.5km2,规划六级开发,前五级电站已得到开发,官昌水库为七都溪流域开发的最后一级。
4.1.2气候
七都溪流域气候温暖湿润,属亚热带海洋性季风气候。
据宁德市城关气象站资料统计,城关多年平均气温在19℃左右,极端最高气温39.4℃,(1979年7月18日),最热月平均气温28.7℃,极端最低温-2.4℃,最冷月平均温度9.7℃。
多年平均无霜期313天。
台风多出现在7~9月,出现大风的机率只有33%,风力7~8级,阵风10级,多年平均最大风速22m/s,最大风速达40m/s。
年平均相对湿度81%,月最大相对湿度91%
4.1.3水文泥沙
根据资料——《宁德官昌水库工程可行性研究报告》,七都溪流域缺乏实测泥沙资料,经查水文图集,得流域悬移质泥沙侵蚀模数为150t/Km2,推移质泥沙取悬移质泥沙为30%,泥沙容重为1.5t/m3,水库泥沙淤积年限根据工程等级采用50年。
由于上游桥头水库为多年调节水库,该水库集雨
面积范围内得泥沙由预留的淤沙库容承担,其余日调节水库拦截沙量有限,故官昌水库泥沙淤积计算时,考虑桥头水库拦截其控制流域面积的全部泥沙,不考虑其他水库对泥沙的影响。
经计算,官昌水库坝址多年平均输沙量为5.53万t,泥沙淤积库容为184.4万m3,相应平淤高程41.24m。
4.1.4地形地貌
流域内大部分为中等切割构造侵蚀的中低山区,植被覆盖良好,沿溪除河区的虎贝、中游的洋中两块盆地外,河流多穿行于崇山峻岭之中,河床陡竣,水流湍急,水力资源十分丰富。
河道平均坡降为14.13‰,天然落差达820m,可利用落差774.75m,其中水电资源理论蕴藏量为6.87万kW,可开发量达5.17万kW。
4.1.5地质概况
4.1.
5.1库区地质概况
官昌水库大地构造位处闽东断拗带东北段,福安-南靖北东向断裂带与松溪-宁德断裂交汇地区。
分布的地层主要是晚侏罗系南园组火山岩系列,其次为早白垩石帽山群火山碎屑沉积—火山岩系列。
在七都溪中有小面积的第四纪松散冲洪积物及两岸山坡上堆积的坡残积含碎石粘性土、粉质粘土。
区内岩浆侵入活动自早白垩系—晚白垩系均有发生,以中酸性花岗闪长岩为主,酸性花岗
岩次之。
4.1.
5.2工程区地质构造
坝址位于外洋村下游约350m的峡谷段内,河谷呈“V”型。
上游即外洋小盆地。
河流流向由南东东折向南南东到坝址下游又变成北东东向,河道呈反“S”型。
枯水位高程29m时,河谷宽30~68m。
正常高水位69m高程时,河谷宽212m。
河床中河槽偏左岸。
左岸地形陡峭,坡度35。
~60。
,局部近直立,基岩广泛裸露,第四系覆盖层主要分布在60m高程以上,在地质Ⅰ—Ⅰ剖面线上游(东)20m处高程45-30m间有一小的岩石滑坡体。
右岸地形下缓上较陡,坡度25。
~35。
植被较发育、第四系覆盖层分布较广,局部有基岩成片裸露。
4.1.
5.3地下水
本区地下水以基岩裂隙水为主,河谷阶地及盆地则为潜水区。
地下水主要接受雨水补给,并向低处冲沟河道排泄。
在构造断裂带及岩土层透水性不同的交界处常见下降泉出露。
4.1.
5.4渗漏及滑坡影响
水库坝基属弱透水~中等透水(断层破碎带)。
在上游水头压力作用下,通过断层,裂隙向下游渗漏及产生的扬压力及断层带的泥沙将影响大坝稳定,但除对断裂构造按常规处理外,再在坝基处设置帷幕灌浆及排水孔,
使推测断层F1-2与河流走向在坝肩处近平行,距左坝端70余m,高程100米附近出露,高于正常蓄水位,不会产生经绕坝渗漏。
左坝肩相对隔水层顶板深埋在40m高程左右,存在着绕坝渗漏问题,左岸的防渗帷幕需相应加长。
4.1.6土壤概况
项目所在地蕉城区七都镇土壤主要是红壤和黄壤,分别占土地总面积的60.52%、18.78%;其次是水稻土占7.47%;紫色土(0.32%)、潮土(0.24%)、盐土(0.11%)很少。
低山、低中山地多发育红壤、黄红壤、渗育型水稻土,是林地、荒草地主要分布区;丘陵、低海拔的山间盆地、河谷多分布红壤、潴育型水稻土,是园地主要分布地段;山前冲洪平原、海积平原、冲积平原、围垦地主要是耕作红壤、水稻土、潮土为主要耕地、园地分布区。
4.1.7植被概况
在福建植被区划中,宁德市属于两个植被区的过渡地段。
大部分属中亚热带常绿阔叶林区,小部分为南亚热带雨林区,后者面积很小,且原有植被破坏殆尽,几乎为人工栽培植被及灌丛代替,仅有残留雨林特征。
主要植被有
1.阔叶林
常绿阔叶林:米槠林、甜槠林、罗浮栲、丝栗栲、表风栎、木荷林、闽粤栲林。
常绿落叶阔叶混交林主要有枫香冈栎甜槠林。
2.针叶林
常绿针叶林:马尾松林、黄山松林、湿地松林、杉木林、杉木马尾松林、柳杉林、杉木建柏林、建柏林。
针阔混交林:马尾松丝栗栲林、马尾松甜槠林、马尾松木荷林、杉阔混交林、马尾松枫香林。
3.竹林:毛竹林、竹和针阔混交林、绿竹林。
4.灌丛
低山丘陵次生灌丛:黄瑞木、胡枝子、乌饭、十八变、小叶赤楠、桃金娘。
中山灌丛:马银花、乌药、乌饭、棱木、刺毛杜鹃。
5.草丛:芒萁、芒草、茅草、金脉金茅、野古草。
6.经济林:油茶林、茶树林、果树林、肉桂林、厚朴林。
7.海岸红树林主要有秋茄林
全市野生植物有113科,517种,其中,蕨类17科,30种;裸子枝梧科,17种,被子植物90科,470种(详见宁德市植物名录)。
其中有野生药用植物:黄连、百合、何首乌、乌药、葛根、金毛狗、白茅、金樱子、枳壳、海金沙、银杏、山仓子、枸树、蒲公英、淡竹、吊兰、马鞭草、鱼腥草、千里光、红豆树、女贞、厚朴、鸡血藤、桑、侧柏、梧桐、忍冬等
几百种。
4.1.8野生动物
本市中低山植被里生活的兽类80多种,鸟类300多种,爬行类100多种,两栖类10多种。
主要有:山麂、野猪、山羊、金钱豹、松鼠、穿山甲、黄鼠狼、水獭、狐狸、野兔、刺猬、蟒蛇、青竹蛇、眼镜蛇、银环蛇、山鸠、老鹰、乌鸦、野鸭、麻雀、及蛙类和各种昆虫。
4.1.9其它生物
其它生物主要有香菇、竹荪、猴头菇、草菇、金针菇、风尾菇、蘑菇、灵芝、毛木耳、黑木耳、白木耳等已进行广泛人工栽培,成为本市经济的支柱产业之一。
野生菌类物种尚缺乏系统调查资料。
4.2社会经济环境
宁德市是1999年新成立的设区城市,辖8市(县)一区,蕉城区面积1537平方公里,2001年蕉城区共有人口414636人,以当年价格计算,该地区2001年国内生产总值413120万元,其中第一产业90698万元,占22.0%;第二产业121684万元,占29.4%;第三产业200738万元,占48.6%,人均国内生产总值9888元,人均社会消费品零售总额2828元,农民人均纯收入2970元。
2001年蕉城区的农林牧渔业总产值165671万元,其中农业37161万元,种植业32398万元,林业7461万元,牧业12958万元,渔业108091万元。
拟建项目所在地七都镇2002年总人口26831人,改革开放以来,七都镇的经济取得了较快发展,城镇居民可支配收入7546元,农民人均纯收入3088元。
4.2.1库区涉及村庄及下游水产养殖现状
(一)库区:鱼塘9口3.3公顷,年产值40万元。
(二)库区下游:
1.七都溪流域淡水养殖:香鱼养殖500万尾,年产40万吨,产值280万元;河蟹养殖100万只,年产10.9吨,产值70万元;倒刺耙100万尾,年产17.5吨,产值67万元;鳖10万只,年产
2.13吨,产值50万元;鳗鱼20万尾,年产1.7吨,产值18万元;威鱼、黄鱼、竹高头等野生名贵淡水鱼,年产值50万元。
合计年产值535万元。
2.南美白对虾养殖
3.3公顷,年产值30万元;
3.蟹养殖塘2口2公顷,年头值50万元;
(三)水渠供水
1.官亭养殖场:养殖倒刺耙、虎蚊蛙、香鱼等6.7公顷,年产值500万元;
2.鳗场4个150亩,年产值450万元;。