PLC-2B调节器使用说明书
- 格式:doc
- 大小:1.67 MB
- 文档页数:13
PLC控制柜操作说明书(EG069-08-00)1.主画面在该画面中给出了整个系统的操作模式,通过触摸不同的按钮,可进入相对应的画面。
1.1 点击按钮,可进入运转图画面。
1.2 点击按钮,可进入趋势图画面。
1.3点击按钮,可进入趋势图画面。
1.4点击按钮,会跳出Password设定画面,(口令缺省为:******;每次输入口令后,待最后一次操作结束1分钟之后,自动登出)。
当正确输入口令后,需再次点击按钮,将进入参数设定画面。
1.5点击按钮将复位报警。
1.6点击按钮将使报警静音。
2. 运转图画面2.1 在该画面中给出了整个系统的运转图,可以观察系统中所以设备的运行情况。
2.2 锅炉汽包水位有两种显示方式:一是数值显示,显示范围为-175mm至175mm;二是棒形图显示,显示范围顶部为175mm,底部为-175mm,红色部分为水位高度。
2.3 与锅炉对应的发电机运行状态将以动画的方式指示。
2.4 锅炉给水泵的运行状态将以动画的方式指示,图标红色和绿色交替闪烁为运行状态,暗灰色且不闪烁则为停止状态。
2.5 锅炉出口压力为数值显示,显示范围为0.0Bar至16.0Bar。
2.6 锅炉进口烟温为数值显示,显示范围为0℃至600℃。
2.7 变频器输出值为数值显示,显示范围为0Hz至50Hz。
2.8 三通风门控制方式,自动时显示红色的自动,手动时为黑色的手动。
2.9 给水泵的控制方式,变频时显示红色的变频,工频时为黑色的工频。
2.10 点击按钮,将返回主画面。
2.11 点击锅炉区域将翻页至相对应的锅炉控制回路画面。
3. 各锅炉控制回路画面3.1 锅炉汽包水位有两种显示方式:一是数值显示,显示范围为-175mm至175mm;二是棒形图显示,显示范围顶部为175mm,底部为-175mm,红色部分为水位高度。
3.2 与锅炉对应的发电机运行状态将以动画的方式指示。
3.3 锅炉给水泵的运行状态将以动画的方式指示,图标红色和绿色交替闪烁为运行状态,暗灰色且不闪烁则为停止状态。
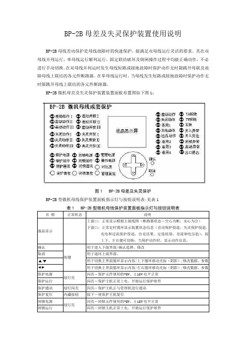
BP-2B 母差及失灵保护装置使用说明BP-2B 母线差动保护是母线故障时的快速保护,能满足双母线运行灵活的要求。
其在双母线并列运行,单母线运行解列运行,固定联结破坏及倒闸操作过程中均能正确动作,不必进行手动切换。
在双母线并列运时发生母线短路或接地故障时保护动作无时限跳开母联及故障母线上联结的各元件断路器。
在单母线运行时,当母线发生短路或接地故障时保护动作无时限跳开母线上联结的各元件断路器。
BP-2B 微机母差及失灵保护装置装置面板布置图如下图1:图1 BP-2B 母差及失灵保护BP-2B 型微机母线保护装置面板指示灯与按钮说明表:见表1表1 BP-2B 型微机母线保护装置面板指示灯与按钮说明表BP-2B保护装置运行或操作时相应的信号指示灯和界面显示表:见表2BP-2B微机母线保护装置异常信息含义及菜单操作BP-2B微机母线保护装置自检信息含义及处理建议:见下表3表3 BP-2B微机母线保护装置自检信息含义及处理建议BP-2B保护插件异常信息含义及处理建议:见下表4BP-2B母线保护装置告警信号灯处理表:见下表5表5 BP-2B母线保护装置告警信号灯处理表BP-2B微机母线成套保护液晶显示画面总体结构示意图,如下图2:图2 BP-2B微机母线成套保护液晶显示画面总体结构示意图保护插件刀闸辅助接点与一次设备状态不对应时强制对应的步骤:a)由主界面按“确认”键进入一级菜单;b)按“←”键选中“参数”,后按“↓”键选中“运行方式设置”,按“确认”键,后按“↑”、“↓”键输入密码后进入下一级菜单,按“确认”键,间隔数变成灰色;c)利用“↓”、“↑”,从界面中找到相应线路所对应的间隔,再按“确认”键,此时间隔数灰色消失;d)按“↓”键选中所要改变的刀闸,再按“确认”键此时又变灰色;e)按“↓”改变刀闸位置(合、断、自动)后,按“取消”键提示是否保存,按确认键保存改变的设置(此时主接线图上,被强制的刀闸上有一实心矩形块);f)按下保护屏上的信号复归按钮,复归信号。
一、ZBL-II型微机励磁调节器操作规程本微机励磁调节器设有自动运行和手动运行可供选择。
发电机并网运行发电时,以自动方式运行,一般不采用手动运行方式,励磁调节器操作分就地操作和远方操作。
一)远方操作1、检查调节器柜上的1QF(可控硅交流输入开关)、FMK灭磁开关,微机电源+5V、12V、24V开关是否在分位,并将FMK灭磁开关复位一下,控制屏上的QK转换开关打到“自动”位置。
2、操作面板上“主控/就地”、“运行/退出”、“自动/手动”、“PID/P”、“恒COSФ/恒压”、“置位投/置位退”、“起励投/起励退”拨码开关分别打到“主控”、“退出”、“自动”、“P”、“恒压”、“置位退”、“起励退”位置。
“起励投/切”、“置位投/切”为就地操作时用,现在都放到“切除”位置。
3、送上调节器控制电源直流220V、厂用交流380V电源。
送上微机电源,注意送微机电源时,要先送5V、12V电源,后送24V电源,关微机电源时要先关24V电源,后关5V、12V电源。
4、合上1QF开关,将控制屏上的QK转换开关打到“自动”位置,合上FMK灭磁开关,操作“起励”开关,,发电机电压应升到30%左右,用“增励”开关继续升压,或用“置位”开关升至90%额定电压,用“增励”开关继续升压到额定时并网带负荷。
“增励”、“减励”开关是调节无功用的。
5、需要微机励磁调节器退出时,将有功、无功减到最小,系统解列。
6、减励到发电机电压最低,跳FMK灭磁开关,将“QK”转换开关打到“切除”位置。
根据需要断开1QF开关。
根据需要断开微机电源(注意关微机电源时要先关24V电源,后关5V、12V电源。
)、厂用交流380V电源、调节器控制电源直流220V。
二)就地操作1、检查调节器柜上的1QF、FMK灭磁开关,微机电源+5V、12V开关、24V开关是否在断位,不在断位将其打到断开的位置。
控制屏上的QK转换开关打到“切除”位置。
2、将操作面板上“主控/就地”、“运行/退出”、“自动/手动”、“PID/P”、“恒COSФ/恒压”、“置位投/置位退”、“起励投/起励退”拨码开关分别打到“就地”、“退出”、“自动”、“P”、“恒压”、“置位退”、“起励退”位置。
可编程微机调速器说明书可编程微机调速器说明书目第一章 总体概论录一、 概述…………………………………………………………………3 二、 型号说明……………………………………………………………3 三、 主要功能 四、 主要参数和技术性能………………………………………………6 五、 主要特点……………………………………………………………7第二章“四无”型可编程微机调速器的系统结构和工作原理 四无”一、 系统结构框图………………………………………………………8 二、 系统工作原理………………………………………………………8第三章“四无”型可编程微机调速器系统配置 四无”一、 电气系统配置………………………………………………………15 二、 机械系统配置………………………………………………………16第四章“四无”型可编程微机调速器电气系统 四无”一、 概述…………………………………………………………………17 二、 电气部分主要系统配置简单介绍…………………………………19 三、 人机界面(智能显示单元)………………………………………21 四、 运行操作……………………………………………………………26 五、 电气部分维护及故障处理…………………………………………29第五章“四无”型可编程微机调速器机械液压系统 四无”一、 概述…………………………………………………………………32 二、 主要部件介绍………………………………………………………34 三、 装配和调整…………………………………………………………38-1-可编程微机调速器说明书第一章 总体概论一、概述水轮机微机调速器是在二十世纪七十年代电液调速器的基础上发民起来的 新型水轮机调速器。
随着计算机技术和控制理论的发展,水轮机调速器技术也不 断的发展和提高,可靠性和调节品质已完全能够满足电厂无人值班、少人职守的 要求。
WW(S)T 系列“四无”型可编程微机调速器是本公司的最新产品,它是在本 公司生产的 KZW(S)T 系列块式直连型微机调速器的基础上,应用了本公司发明 的最新国家重点专利技术——无油 “电液转换器” 改进而成。
BW(S)T-PLC系列步进式无油电转可编程微机调速器说明书武汉四创自动控制技术有限责任公司目录第一章概述 (4)第二章系统结构 (5)2.1 系统结构框图 (5)2.2 框图说明 (5)2.3 系统工作原理 (6)第三章系统配置 (8)3.1 电气系统配置 (8)3.1.1 硬件配置 (8)3.1.2 软件基本配置 (9)3.1.3 功能增强软件配置 (9)3.1.4 调试设备及软件(不属于调速器设备内) (9)3.1.5 试验设备(不属于调速器设备内) (9)3.2 机械系统配置 (9)第四章主要功能及特点 (10)4.1 主要功能 (10)4.1.1 调节与控制功能 (10)4.1.2 诊断及容错功能 (11)4.1.3 开发调试功能 (12)4.2 主要特点 (12)第五章主要技术数据及性能指标 (13)5.1 主要技术数据 (13)5.2 主要性能指标 (14)第六章硬件构成 (15)6.1 PLC简介 (15)6.2 操作终端 (15)6.3 步进电机驱动模块 (16)6.4 步进电机 (20)第七章软件编程说明 (25)7.1 主程序流程框图 (25)7.2 调节模式 (26)7.3 开机、停机规律 (27)7.4 数字协联 (29)7.4.1 双调节水轮机的协联特性 (29)7.4.2 协联插值算法 (29)7.5 自动、手动运行及相互切换 (30)第八章面板说明 (31)8.1 机电分柜面板说明 (31)8.2 机电合柜面板说明 (31)第九章机械液压系统 (32)9.1 概述 (32)9.2 主要部件介绍 (33)第十章安装调试维护说明 (37)10.1 机械安装调试 (37)10.2 电气安装调试 (37)10.3 调速器的检修与维护 (41)第十一章运行操作说明 (45)11.1 调速器上电或复位 (45)11.2 模式切换 (45)11.3 增加、减少操作 (46)11.4 机械部分操作 (46)11.5 调速器运行操作 (46)第一章概述水轮机微机调速器是本世纪七十年代在电液调速器的基础上发展起来的新型水轮机调速器。
9.1.1调节器的使用及投用9.1.1.1调节器使用说明化工生产过程中,正确使用仪表设备是保证生产正常安全运行的重要条件。
所有工艺操作参数都从仪表指示读数中反映出来,生产过程的控制都依赖于仪表设备的正确调节。
因此,调节回路的正确使用非常重要。
9.1.1.2简单调节回路说明由调节对象,测量变送器,调节器及执行机构四个部分组成一个调节回路,且该回路是一个调节器,一个执行机构(调节阀),调节器的输出直接控制执行机构(调节阀),这样所构成的控制回路就是简单调节回路。
举例说明,如图9.2.2.1所示:简单的液位调节系统,其中C是调节对象罐的液位,A 是液位测量变送器,B是调节器,D是执行机构调节阀。
液位变送器测量液位信号,送到调节器,测量信号和给定值比较,经调节器运算后输出信号到执行机构,这样就构成简单的调节回路。
图9.2.2.1简单调节回路示意图图9.2.2.2简单调节回路逻辑框图对于简单调节系统,其调节器的投用可按下列顺序进行:1 将调节器模式置于MAN(手动)状态,然后手动改变输出值MV(即改变调节阀的开度),使测量值PV达到所要求的数值。
2 手动调整设定值指针到测量值的位置(即让给定值SP等于测量值PV)。
3 把调节模式置于AUTO(自动)位置。
此时系统进入了自动调节过程。
9.1.1.3串级调节回路说明1. 串级调节回路原理采用多个调节器,而且调节器之间相串接,一个调节器的输出作为下一个调节器的设定值。
一般有主变量和副变量,主变量在串级控制系统中是起主导作用的变量,副变量是为了稳定主变量或因某种需要而引入的辅助变量。
主调节器的输出作为副调节器的给定值,系统通过副调节器的输出去操纵执行器,实现对主控变量的控制,主副调节器是串级工作的。
举例说明串级回路的操作:如图,主回路:液位仪表---液位调节器A副回路:流量仪表---流量调节器B---控制阀。
主回路和副回路都可以分别实现手动操作主回路和副回路都可以分别实现自动操作。
LYW LYWT T -PLC 全数字可编程全数字可编程微机微机微机调调速器说 明 书西安博泰电力自动化工程有限公司XI’AN BESTECH POWER AUTOMATION CO.,LTD目 录第一章 概述 (4)一、产品简介二、主要特点三、型号说明第二章 技术条件 (5)一、主要电气参数二、主要技术指标三、主要调节参数四、主要功能第三章 系统结构 (7)一、调节器部分二、机械液压随动部分三、系统结构图第四章 运行操作 (9)一、人机界面二、运行操作说明第五章 维护及问题处理 (21)一、日常巡视二、调速器维护三、问题及处理第六章 安装调试 (23)一、电气接线二、静态试验三、动态试验附录 (28)一、通讯协议二、电气图第一章概述一、产品简介LYWT系列数字阀式微机调速器适用于中小型水轮发电机组。
该系列调速器是在充分考虑现场需求和用户使用习惯的基础上,集多年调速器开发和现场运行经验开发完成的。
各项技术指标均达到或优于国标GB/T9652.1-1997《水轮机调速器与油压装置技术条件》的要求。
该系列调速器电气部分采用具有高可靠性的可编程控制器,机械部分采用高油压,数字化,标准化设计,使用性能优良的标准液压元件数字阀作为执行部件,易于更换,便于系统升级。
机械结构和供油管路大为简化,解决了以前调速器存在的结构复杂,可靠性差等缺点,是传统调速器理想的升级换代产品。
具有可靠性高,性能优良,结构简单,便于使用,调试方便等优点。
结构形式为机电合柜式,电气部分与机械液压系统和油压装置组合为一体。
二、主要特点主要特点主控部分采用进口可编程控制器,可靠性高、抗干扰能力强,能适应恶劣的工业环境,平均无故障时间达30万小时以上。
测频电路稳定可靠,从残压到2倍额定电压均能保证准确测频。
独有的通讯协议组态方式,可以按照用户需求提供多种不同通信协议,可接入所有电厂监控系统,实现网络化控制,满足电站少人或无人职守要求。
人机界面友好,简单易懂,使用5.7寸彩色中文触摸屏,实时显示各种运行参数、调节器状态、故障告警信息,完成运行方式和参数的设定。
生活自动变频控制柜(配套无负压设备时,将水箱换成稳流罐)使用说明书目录目录 (1)一、概述 (2)二、设备特点、适用范围 (3)1、功能与优点 (3)2、适用范围 (3)三、设备主要技术指标及使用条件 (4)1、主要技术指标 (4)2、设备使用条件 (4)四、设备主要构成及工作原理 (4)五、变频恒压供水设备的安装接线 (5)1、控制柜外型 (5)2、控制柜规格 (7)3、禁止事项 (7)4、控制柜端子接线图 (7)5、控制设备电气安装接线要求 (8)六、设备的调试与使用 (9)1、设备的调试 (9)2、控制柜操作说明 (10)3、使用与维护………………………………………………………………………………………………。
11七、故障原因及对策 (11)一、概述ZHK系列变频恒压供水自动控制设备系运用当今最先进的交流变频调速和微电脑控制技术,将变频调速器与电机水泵组合而成的新一代机电一体化高科技节能供水设备。
一般给水管网中的水压(自来水厂的一次供水压力)已很难满足用户的用水需求,除建筑低层可由市政管网直接供水外,其余高层用户均须“增”压供水.无论是水塔、高位水箱,还是气压罐,都必须由水泵以高出用户实际所需水压的压力进行“提升”,从而造成能源的浪费.水箱式供水的用户管网水压较稳定,具有一定的贮水能力.但水箱(或水塔)的存在,增加了建筑物结构的承重和建筑造价,同时造成了水质的二次污染,且最高层不利水点水压不能满足用户需要.气压式供水其实是把高位水箱移到了地面。
它虽可减少污染,并一定程度上消除“水锤”现象和管网中的噪音,但气压罐的有效容积有限,水泵电机启停十分频繁,管网压力波动较大;气压罐为钢制压力容器,还需使用胶囊隔膜或补气装置,运营费用高,潜在费用较高。
变频调速恒压供水设备以管网水压(或用户用水流量)为设定参数,通过微机控制变频器的输出频率从而自动调节水泵电机的转速,实现管网水压的闭环调节(PID),使供水系统自动恒稳于设定的压力值:即用水量增加时,频率提高,水泵转速加快,水泵供水量相应增大;用水量减少时,频率降低,水泵转速减慢,水泵供水量亦相应减小。
PLC-2B型励磁调节器使用说明书PLC-2B/SS重庆西南水电控制设备厂2003年1月目录第一章概述 3 §1-1 适用范围§1-2 使用环境§1-3 主要特点§1-4 主要功能§1-5 调节器装设下列信号§1-6 性能指标第二章硬件系统7 §2-1 简介与接口一§2-2 可编程序控制器一主要功能二输入输出原理三输入输出定义§2-3 图形操作终端GOT§2-4 电源系统第三章软件系统16 §3-1 程序方框图§3-2 开停机命令§3-3 软件限制功能一过励二欠励三V/F限制四软件调差第四章使用与操作19 §4-1起励操作§4-2 励磁调节§4-3 停机操作§4-4 运行方式选择§4-5 投入运行操作§4-6 图形操作终端GOT第一章概述同步发电机的可控硅励磁装置一般是由励磁功率单元和励磁调节器两部分构成,励磁调节器的作用就是跟据发电机运行状态自动调节功率单元输出的励磁电流,以满足发电机运行的要求。
可编程序控制器简称PLC(Programmable Logic Controller),它是一种数字运算操作的电子系统,专为在工业环境下应用而设计。
它采用可编程序的存储器,用来在其内部存贮执行逻辑运算,顺序控制,定时,计数和算术运算等操作的指令,并通过数字式,模拟式的输入和输出,控制各种类型的生产过程。
我厂最新研制的PLC-2B型双可编程励磁调节器,调节器为A、B双通道调节器,双通道互为备用,备用通道自动跟踪运行通道工况,在检测到主通道故障时自行切换至备用通道运行并提示。
比第一代PLC-1型可编程励磁调节器采用的可编程控制器,运算速度更快,功能更强,指令更丰富,程序容量更大,能满足更多功能软件化,由于采用模块化设计,使功能扩展更方便。
PLC操作规程范文PLC(可编程逻辑控制器)是工业控制领域常用的自动化设备,广泛应用于生产线、工厂和机械设备等各个行业。
对于PLC的操作规程,可以从以下几个方面进行详细说明。
一、安全操作规程1.维护设备安全:在操作PLC之前,必须确保设备的电源和主要部件已经正确连接并处于良好状态,防止发生电击、起火等意外事故。
2.使用合适的工具:操作PLC应该使用专门的工具,如编程软件、编程线缆,确保能够正确地读取和修改PLC的程序。
3.严禁擅自更改设备设置:未经授权人员不得擅自更改PLC的参数和程序,以免造成设备故障或生产事故。
4.定期检查和维护:定期对PLC进行检查和维护,保持其正常运行,并采取措施防止电源中断、操作误差等情况。
二、操作步骤规程1.启动PLC:按下PLC的启动按钮,等待设备的自检程序运行完毕,并确保设备处于正常工作状态。
2.编写或修改程序:使用合适的编程软件,编写或修改PLC的程序,确保所编写的程序逻辑正确、简洁,并与实际要求相匹配。
4.测试程序:对修改后的程序进行测试,确保PLC能够按照编写好的程序进行运行,并对程序中可能存在的问题进行排除和调整。
5.监控PLC状态:通过监控显示屏或相应的软件工具,实时监测PLC 的状态和运行情况,及时发现和解决可能存在的故障和问题。
6.停止PLC:在不需要使用PLC的情况下,及时停止设备的运行,关闭电源并清理现场。
三、应急处理规程1.故障排除:当PLC设备发生故障时,应迅速找出故障原因,并采取相应的措施进行修复。
同时,记录故障情况和处理结果,以备后续参考。
2.警报和通知:在出现严重故障或紧急情况时,应立即发出警报,并通知相关人员参与故障排除和应急处理。
3.备份程序:定期将PLC的程序进行备份,防止因为意外情况造成程序丢失,以确保设备能够迅速恢复运行。
四、培训和交流规程1.培训:针对PLC操作人员进行培训,使其熟练掌握PLC的基本操作和维护知识,并定期进行进一步的培训,以保持其专业技能。
PLC控制器使用说明书承德承申自动化计量仪器有限责任公司本套系统适用于定量给料机,固体流量计,皮带秤。
采用了德国西门子S7-200系列PLC,具有运行稳定,精度高,扩展能力强的优点。
采用西门子大屏幕触摸屏,使的操作画面更加清晰直观易于操作。
数据输入全部采用屏幕软键盘,用户更加方便操作。
本系统可完全替代原装申克系列仪表应用的场合,其部分性能已超越原装仪表且价格低廉,扩展性能强。
以下部分是整个系统的操作解释,用户务必连续阅读。
首先是系统上电后的主画面:Array上电后触摸屏有一个自检过程过几十秒后与PLC连接成功,出现主画面。
在主画面中显示了两台给料机的工作画面。
如果此时有报警则在画面的右上角出现报警提示,用手点击报警提示,即可看到具体的报警信息。
主画面介绍:画面分为左右两台给料机,左边为一号给料机,右边为二号给料机。
我们以一号给料机为例进行介绍。
“#1启动”键用于启动给料机。
“#1停车”键用于停止给料机。
“ON/OFF”用于表示当前给料机的运行状态是处于启动状态或者停止状态下。
“G-MODE/V-MODE”用于表示当前给料机的运行模式是处于称量状态或者容积状态下。
“设定流量”表示当前给料机的设定值,用手按“设定流量”后面的数字即可出现一幅由数字和部分字母构成的屏幕键盘,在键盘上按相应的数字键和确认键即可完成对“设定流量”的修改。
(B07中的设定值为“触摸屏”时有效)“实际流量”表示当前给料机的实际流量值。
“皮带负荷”表示当前给料机的称量端负荷值。
“皮带速度”表示当前给料机的皮带速度值。
“累计流量”表示当前给料机的累计流量值。
主画面介绍完了,下面介绍功能画面:“功能键”位于主画面的左上角,点击“功能键”即可出现“功能画面”如下图:主画面介绍:“系统功能画面”分仍为左右两台给料机,左边为一号给料机,右边为二号给料机。
我们仍以一号给料机为例进行介绍。
1、标定功能:根据实际应用参数对程序进行必要的设置,以便精确的应用在实际现场中。
WZTS—1型可编程微机调速器说明书目录A 总体概论一、概述 (4)二、主要功能 (4)三、主要参数和技术性能 (5)四、主要特点 (6)B 电气部分一、概述 (6)1 整机的主要性能 (6)2 电气部分主要技术性能 (7)3 结构形式 (7)4 调速器电气部分主要特点 (7)二、电气部分硬件构成 (8)1 电气部分系统配置 (8)2 PLC主机模块CPU 224XP CN (9)3触摸式字符型操作终端E-view MD204L (9)4集成智能可控整流模块MJYS-QKZL-30 (9)三、简单原理 (10)1 调速器的调节特性 (11)2 开机特性 (12)3 停机特性 (13)四、人机界面(智能显示单元) (14)1 触摸式字符型显示操作终端 (14)2 指示灯显示 (16)3 开关按钮操作 (16)五、运行操作 (17)1 微机调速器的运行状态 (17)2 电气部分操作介绍 (18)六、电气部分维护及故障处理 (18)1 一般维护 (18)2 故障类型与处理 (19)C 相关图纸1、直流电动机控制回路接线2、WZTS—1型调速器屏后接线及端子图3、WZTS—1型调速器机箱内部接线图A 总体概论一、概述:WZTS—1型微机调速器是适用于高校模拟实验电厂发电机组数字监控平台的配套装置。
主要部件均采用知名厂家产品,技术成熟、可靠。
调速器具有较为完备的功能,技术先进,抗干扰能力强,可靠性较高,完全满足高校模拟实验电厂发电机组对调速器的各项技术要求。
此外,该微机调速器采用高性能可编程控制器——德国西门子公司的S7-200系列PLC作为硬件主体,平均无故障时间MTBF≥50000小时,装置可靠性高;以触摸式字符型带背光源操作终端作为人机界面,现场操作简便;采用先进的集成静止变流模块,实现了微机调速器的全数字式控制;具有485总线接口,可实现远方监控功能。
二、主要功能1、自动调节与控制功能:◆转速调节:在同步发电机空载运行时,可实现机组转速的调整,与自动准同期装置配合,能实现快速并网。
完整PLC调节PID是比例、积分、微分的简称,PID控制的难点不是编程,而是控制器的参数整定。
参数整定的关键是正确地理解各参数的物理意义,PID控制的原理可以用人对炉温的手动控制来理解。
阅读本文不需要高深的数学知识。
1.比例控制有经验的操作人员手动控制电加热炉的炉温,可以获得非常好的控制品质,PID控制与人工控制的控制策略有很多相似的地方。
下面介绍操作人员怎样用比例控制的思想来手动控制电加热炉的炉温。
假设用热电偶检测炉温,用数字仪表显示温度值。
在控制过程中,操作人员用眼睛读取炉温,并与炉温给定值比较,得到温度的误差值。
然后用手操作电位器,调节加热的电流,使炉温保持在给定值附近。
操作人员知道炉温稳定在给定值时电位器的大致位置(我们将它称为位置L),并根据当时的温度误差值调整控制加热电流的电位器的转角。
炉温小于给定值时,误差为正,在位置L的基础上顺时针增大电位器的转角,以增大加热的电流。
炉温大于给定值时,误差为负,在位置L的基础上反时针减小电位器的转角,并令转角与位置L的差值与误差成正比。
上述控制策略就是比例控制,即PID控制器输出中的比例部分与误差成正比。
闭环中存在着各种各样的延迟作用。
例如调节电位器转角后,到温度上升到新的转角对应的稳态值时有较大的时间延迟。
由于延迟因素的存在,调节电位器转角后不能马上看到调节的效果,因此闭环控制系统调节困难的主要原因是系统中的延迟作用。
比例控制的比例系数如果太小,即调节后的电位器转角与位置L 的差值太小,调节的力度不够,使系统输出量变化缓慢,调节所需的总时间过长。
比例系数如果过大,即调节后电位器转角与位置L的差值过大,调节力度太强,将造成调节过头,甚至使温度忽高忽低,来回震荡。
增大比例系数使系统反应灵敏,调节速度加快,并且可以减小稳态误差。
但是比例系数过大会使超调量增大,振荡次数增加,调节时间加长,动态性能变坏,比例系数太大甚至会使闭环系统不稳定。
单纯的比例控制很难保证调节得恰到好处,完全消除误差。
敏控®自动化中文PLC一体机说明书——简易操作型PLC一体机(二代)佛山市敏控科技有限公司目录前言 (3)第一章技术规格(必看一遍): (3)1.1、控制器供电: (3)1.2、负载供电: (4)1.3、输入输出 (4)1.4、性能参数表 (4)第二章人机界面及使用说明(必看一遍) (4)2.1、面板按键功能描述 (5)2.2、“总菜单”说明 (5)2.3、监视界面 (6)2.4、程序拷贝 (6)第三章指令集 (7)3.1、程序运行架构说明(重要,必看一遍) (7)3.2、程序00~17包含的指令 (7)3.3、程序18包含的指令 (12)3.4、程序19:系统时间校准 (12)3.5、程序20:定时功能 (12)3.6、程序21:快捷界面 (13)第四章编程举例: (13)一、基础部分(必学,逐个案例学透) (13)案例1自动运行 (13)案例2扫描型与顺序执行程序组的区别(输入信号互锁) (13)案例3多个信号分别执行不同程序 (14)案例4启动、暂停、急停(停止)功能 (14)案例5与、或逻辑指令 (14)二、编程进阶部分(按需学习) (14)1、开关量 (14)案例6点动模式 (14)案例7计数器用法(逻辑运算之加、减) (15)案例8定时器的用法 (15)案例9计时器的用法 (15)案例10日历定时功能 (16)案例11变频器、电机正反转案例 (16)2、模拟量 (16)案例12模拟量输入检测定值检测 (16)案例13模拟量输入检测范围检测 (16)案例14模拟量输出案例 (16)3、485通信及触摸屏 (17)案例15上位机通讯实例(触摸屏) (18)案例16控制485继电器模组 (19)案例17读取485输入模块 (20)4、高速脉冲 (20)案例18步进电机、伺服电机(简单案例) (20)案例19控制步进电机(复杂案例) (21)第五章接线方法 (21)附录一常见问题 (22)附录二保修条例 (23)简易PLC一体机说明书前言本产品在第一代一体机的基础上对硬件架构进行了全面升级,系统架构也全面重写,既改进了原有功能,也增加了更多功能,并依然保持中文编程、简单易学的特色,一般电气工程师依然可以看懂并进行现场编程,乃至零基础的人也能学会,大大降低了使用成本。
PLC-2B型励磁调节器使用说明书PLC-2B/SS重庆西南水电控制设备厂2003年1月目录第一章概述 3 §1-1 适用范围§1-2 使用环境§1-3 主要特点§1-4 主要功能§1-5 调节器装设下列信号§1-6 性能指标第二章硬件系统7 §2-1 简介与接口一§2-2 可编程序控制器一主要功能二输入输出原理三输入输出定义§2-3 图形操作终端GOT§2-4 电源系统第三章软件系统16 §3-1 程序方框图§3-2 开停机命令§3-3 软件限制功能一过励二欠励三V/F限制四软件调差第四章使用与操作19 §4-1起励操作§4-2 励磁调节§4-3 停机操作§4-4 运行方式选择§4-5 投入运行操作§4-6 图形操作终端GOT第一章概述同步发电机的可控硅励磁装置一般是由励磁功率单元和励磁调节器两部分构成,励磁调节器的作用就是跟据发电机运行状态自动调节功率单元输出的励磁电流,以满足发电机运行的要求。
可编程序控制器简称PLC(Programmable Logic Controller),它是一种数字运算操作的电子系统,专为在工业环境下应用而设计。
它采用可编程序的存储器,用来在其内部存贮执行逻辑运算,顺序控制,定时,计数和算术运算等操作的指令,并通过数字式,模拟式的输入和输出,控制各种类型的生产过程。
我厂最新研制的PLC-2B型双可编程励磁调节器,调节器为A、B双通道调节器,双通道互为备用,备用通道自动跟踪运行通道工况,在检测到主通道故障时自行切换至备用通道运行并提示。
比第一代PLC-1型可编程励磁调节器采用的可编程控制器,运算速度更快,功能更强,指令更丰富,程序容量更大,能满足更多功能软件化,由于采用模块化设计,使功能扩展更方便。
其软件特有的梯形图编程比其它计算机语言更简单,易学。
PLC-2B型双可编程励磁调节器配有汉化显示触摸屏,方便在线修改,设置参数。
具有美观方便的人机操作界面。
§ 1-1 适用范围PLC-2B型励磁调节器可用于不同容量机组,不同励磁方式的励磁调节。
适用于从几千千瓦到5万千瓦不同类型的同步发电机的励磁系统,包括全控桥和半控桥整流系统。
§ 1-2 使用环境1.海拔高度不超过4000米。
2.环境空气温度:最高温度为+40℃;最低温度为-10℃。
3.最湿月的月平均最高相对湿度为90%,同时该月的月平均最低温度不高于25℃。
4.在无爆炸危险及空气清洁的环境中,及周围空气中无足以腐蚀金属和破坏绝缘的气体及导电尘埃以及在无较大振动及颠簸的地方。
5.特殊要求由用户与厂方协商确定。
§ 1-3 主要特点1.采用日本三菱公司近年来推出的高性能小型整体式FX2n系列PLC,它具有运算速度快,功能扩展方便,程序容量大等特点。
2.多通道模式,无扰动切换机旁设置双通道模式,恒压,恒流通道。
通过与上位机通讯,可实现恒功率因数模式和恒无功功率模式。
3.简洁的硬件结构调节器由PLC,检测板,触发板,电源,监测变压器组成,结构简单,维护方便。
4.操作简单PLC-2B型励磁调节器设计了近方,远方操作方式,无论是在现场还是在中控室,均能实现励磁系统的全方位控制。
5.标准通讯可选配RS485通讯模块,把PLC采集的发电机组参数,励磁系统参数实时传送出来,实现计算机监控。
6.硬件“看门狗”FX2N系列可编程控制器自带硬件“看门狗”,实现PLC永不“死机”。
7.美观的人机操作界面采用大屏幕触摸屏,方便通过触摸屏监视设备运行状态,在线更改参数。
§ 1-4 主要功能1.按发电机端电压偏差的恒压调节功能。
2.以励磁电流为反馈量的恒流调节功能。
3.发电机恒功率因数运行(需监控系统配合)。
4.发电机恒无功功率运行(需监控系统配合)。
5.负调差和调差率大小选择。
6.欠励限制。
7.过励限制。
8.电压/频率(V/F)限制。
9.空载过电压保护。
10.PT断线保护。
§ 1-5 调节器装设下列信号1.各通道状态信号。
2.增磁,减磁信号。
3.空载过压信号。
4.电压/频率(V/F)限制动作信号。
5.过励限制器动作信号。
6.欠励限制器动作信号。
7.失磁信号。
8.逆变失败信号。
9.起励失败信号。
§ 1-6 性能指标1.同步发电机的励磁电压和电流为发电机额定励磁电压和电流的110%时,励磁系统保证连续运行。
2.励磁系统电压响应时间:上升(强行励磁)不大于0.08S;下降(快速减磁)不大于0.15S。
3.励磁系统对电源的要求:交流380/220V系统,电压偏差为额定值的±15%,频率偏差则为-3HZ~+2HZ;直流220/110V系统,电压偏差为额定值的-20%~+10%。
4.发电机静态调压精度优于0.5%5.发电机空载时,频率变化1%时,发电机电压变化不大于额定值的0.25%。
6.调节范围:发电机空载电压40%~110%额定电压。
7.调差系数整定范围为0~10%,可调。
8.调节器动态性能:a.零起升压超调不大于10%,调节时间不大于5秒,振荡次数不大于3次;b.发电机甩额定负荷,超调量不大于15%,调节时间不大于5秒,振荡次数不大于3次;9.符合标准GB/T 7409.3-1997第二章硬件系统§ 2-1 原理与接口励磁调节器根据发电机端的电压及无功负荷调节和控制发电机的励磁电流,它是励磁系统最重要的组成部分。
本励磁调节器对励磁电流的控制有两种方式,一是按发电机端电压的偏差进行控制,恒定发电机端电压;二是按发电机励磁电流偏差进行控制,恒定发电机励磁电流,用恒流模式运行时无恒机端电压能力,在起励和甩负荷停机时应注意操作,防治发电机过电压。
一.外部接口§ 2-2 可编程序控制器一.输入输出原理1.输入继电器X输入继电器是PLC接收外部输入的开关量信号的窗口。
PLC通过光电耦合器,将外部信号的状态读入并存贮在输入映象寄存器内,外部触点接通时对应的寄存器为“1”状态。
输入端外接的触点可以是常开的,也可以是常闭的。
图2-22.输出继电器Y输出继电器用来将PLC的输出信号传至输出端子上,驱动外部负载。
如图2-3图2-3 PLC输出接线简图§ 2-3图形操作终端GOT一.主要功能图形操作终端(以下简称GOT)安装在操作面板上,与可编程控制器连接。
可对运行状态检测,数据变化的显示,参数的设置。
二.画面显示1.菜单画面2.调试画面3.起励画面4.空载画面5.并网画面6.故障指示画面7.参数设定画面(包括功能设定,PID参数设定,时钟设定,机组参数设定,通讯设定)§ 2-4 电源系统PLC-2B型励磁调节器工作电源可由交流厂用电源或直流控制电源供电。
电源系统框图如图2-6图2-6 调节器电源系统框图第三章软件系统§ 3-1 程序方框图程序方框图见图3-1图3-1 控制程序框图§ 3-2 开停机命令1.开机命令PLC-2B型励磁调节器在满足以下条件,即可进入开机程序。
FMK合闸,PLC的X5有输入信号。
起励动作,PLC的X6有输入信号2.停机命令有以下情况,调节器进入停机程序,完成逆变(续流)灭磁。
调节器切除按钮动作。
正常停机信号动作。
远方切除操作§ 3-3 软件限制功能一.过励1.对于转子热容量曲线,美国ANSI。
C50建议,可以用数字表达式: (If-1.05)t=12K If 励磁电流标么值t 过励延时K 此值可根据机组允许值来设定3.同时满足以下条件,过励限制器投入:。
机组并网。
励磁电流过1.1倍额定(出厂时整定)二.欠励为防止发电机在低励进相区域时超过允许的进相容量,对相应的最小励磁电流加以限制。
1.欠励限制特性为功率圆P2+(Q-B)2=r2P 有功功率Q 无功功率B 圆心纵坐标r 半径2.同时满足以下条件,欠励限制器投入:。
机组并网。
进相运行V/f限制实质上是最大磁通限制。
1.当V/f>55HZ时,限制低励2.当V/f 45HZ时,逆变(续流)灭磁3.当发电机空载运行时,V/f限制功能有效四.软件调差调差的功能是实现并联运行的发电机之间无功互载合理分配的一种无功补偿机制。
当无功电流增加时,使得发电机电压具有下垂特性,防止发电机负载大于分配的无功功率。
1.出厂整定为负调差2.调差档位共十档,改变调差系数K,可改变调差率大小。
第四章使用与操作§ 4-1起励操作给接近同步转速的水轮发电机以初始励磁电流称为起励。
起励方式有外接电源起励和残压起励两种方式。
自动或人工起励,发电机建压在设定值。
起励切除可由电压继电器61YJ自动切除起励回路(整定值为40%额定值)。
在起励过程中由于某些故障起励时间过长而失败,发出起励失败信号。
起励建压设定值在GOT的“远行参数”画面上设定。
起励条件为:。
FMK合闸。
起励信号动作§ 4-2励磁调节1.自动通道时,恒压,恒流模式共用增减磁按钮。
在中控室或现场操作“增”,“减”按钮,可对发电机的电压或无功功率进行调节。
2.在调试状态时,“增”,“减”作用为反方向。
§ 4-3停机操作1.正常停机。
停机继电器接点控制调节器自动逆变(续流)灭磁。
2.人工切除。
发电机解列后,按“切除”按钮,则发电机逆变(续流)灭磁。
3.事故停机。
事故停机时,分灭磁开关灭磁。
§ 4-4运行方式选择PLC-2B型励磁调节器的运行方式有有恒压模式和恒流模式。
A、B通道互为备用,从机自动跟踪主机,当出现PT断线时,而另一通道正常时切换到另一通道。
恒压模式是以自动恒定发电机端电压方式运行,恒流模式是以自动恒定发电机励磁电流方式运行。
两模式可以无扰动切换。
正常运行应以恒压模式为主,恒压模式故障和需恒定发电机励磁电流的特殊工况时用恒压模式。
当以下故障发生时,自行切换到恒流模式;。
过励动作。
欠励动作§ 4-5投入运行操作1.合灭磁开关2.选定调节器运行方式3.起励建压4.增减磁调节,升压至额定值,并配合同期并列调节机端电压5.机组并网后,增减磁调节,带无功负荷正常运行§ 4-6图形操作终端GOT1.参数设定(密码保护)第一次开机,必须设定“机组参数”,其它参数按出厂设置即可。
在任意画面,按“菜单”进入主菜单画面,再按“参数设定”,首先按“请输入密码”,弹出键盘,输入密码后,按“ENT”确认或按“CLR”取消。
输入密码后,如果密码正确,可选择进入“运行参数”“功能设定”“PID设定”“机组参数”“通讯设置”。
2.画面切换通过“主菜单”按“画面选择”,可进入:根据状态开关进入各画面。