机关事业单位差旅费报销单
- 格式:doc
- 大小:44.00 KB
- 文档页数:1
事业单位差旅报销规定(最新版)编制人:__________________审核人:__________________审批人:__________________编制单位:__________________编制时间:____年____月____日事业单位差旅报销规定篇11、差旅报销单必须在回单位一星期内填写并报批,否则作实效处理。
特殊情况(如连续出差除外)。
2、出差人员原则上以火车或汽车为主要交通方式;特殊情况下(如时间紧,地点偏僻等)可以乘出租车。
乘飞机或火车软卧(包括动车组硬卧、软卧),须电话或当面请示报批。
3、当次车票遗失,可口头提出声明,经领导核实并批准后方予报销,票额参照里程推算。
4、所有与行程无关的票据不予报销。
5、所有票据必须真实有效;对于弄虚作假,依情节轻重,处以口头警告,50元以内罚款,交上级部门处理等处罚。
6、出差补贴:超过8小时路程的火车票、汽车票,享受票面的60%车贴;火车软座享受40%的车贴;硬卧票不享受车贴待遇;动车组硬座不享受车票补贴科员出差享受100元/天的生活补贴;苏锡常(苏州、无锡、常州)及周边地区,当日往返的,享受30元/天的生活补贴;出差天数累计以当次车票票面日期为准累计;出差期间请事假、病假符合规定,仅享受30元/天的生活补贴,其他费用自理。
(关于事假、病假的“规定”见《制度》 )7、对于当次漏填车票票据,不予补批;对于当次漏填采购材料、发货等有关工作的其他票据,经须书面申请,报领导批准后方可报销。
8、差旅报销单报批前,必须按照《制度》规定上交有关书面材料:《工作日志》、《反馈单》或《客户满意调查表》,材料要按照有关规定真实填写(不得虚构、作假、代写)。
9、以上规定适应于无锡环宇电气有限责任公司售后服务组。
10、以上规定暂时为试行阶段。
事业单位差旅报销规定篇2第一章总则第一条为加强和规范中央和国家机关国内差旅费管理,推进厉行节约反对浪费,根据《党政机关厉行节约反对浪费条例》,制定本办法。
差旅费报销单格式一、引言差旅费报销单是一个重要的文件,用于记录员工因公出差所产生的各项费用,并申请报销。
正确和规范的填写差旅费报销单对于企业的财务管理和预算控制非常重要。
本文将介绍差旅费报销单的格式,包括表格设计和填写要求。
二、差旅费报销单的表格设计差旅费报销单通常分为以下几个部分:头部信息、费用明细、总计及备注。
1. 头部信息头部信息包括以下内容:(1)单位名称:填写报销单位的全称。
(2)报销单编号:报销单的唯一编号,用于进行识别和查询。
(3)报销日期:填写提交报销的日期。
(4)报销人员:填写报销申请人的姓名。
(5)部门:填写报销申请人所属的部门名称。
(6)职务:填写报销申请人的职务。
(7)联系方式:填写报销申请人的电话号码或邮箱。
2. 费用明细费用明细部分是差旅费报销单的核心,用于详细记录各项费用。
常见的费用明细包括交通费、住宿费、餐饮费、通讯费等。
每个费用明细应包括以下内容:(1)日期:填写费用产生的日期。
(2)费用种类:填写费用所属的种类,如交通费、住宿费等。
(3)费用明细:填写具体的费用明细,如出租车费、酒店房费等。
(4)金额:填写对应费用明细的金额。
(5)票据附单:如果有相关票据,应标明票据附单以备查验。
3. 总计及备注总计及备注部分用于统计各项费用的总和,并填写一些特殊情况说明。
总计包括报销总金额和已付现金金额。
备注部分可以填写报销事由、特殊说明等内容。
三、差旅费报销单的填写要求正确填写差旅费报销单是保证报销顺利进行的前提。
以下是一些填写要求:1. 仔细核对信息:在填写差旅费报销单时,务必仔细核对每个字段的信息,确保准确无误。
2. 完整记录费用明细:在费用明细部分,要详细记录每项费用的明细,包括日期、费用种类、金额等信息,以便审核和核对。
3. 提供票据和单据:如有相关票据和单据,应当提交并标明票据附单。
票据和单据可以作为审核和核对的依据。
4. 规范填写字迹:填写差旅费报销单时,应使用规范的字迹,以免造成信息的模糊或错误。
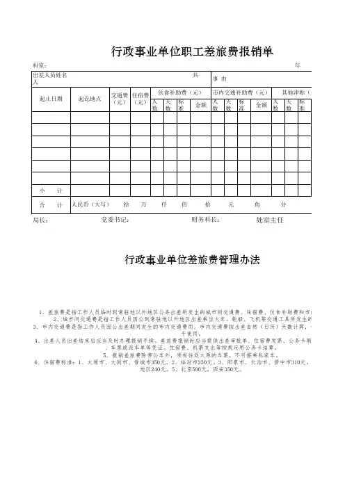
局长:1、差旅费是指工作人员临时到常驻地以外地区公务出差所发生的城市间交通费、住宿费、伙食补助费和市内交
2、城市间交通费是指工作人员因公到常驻地以外地区出差乘坐火车、轮船、飞机等交通工具所发生的费用。
3、市内交通费是指工作人员因公出差期间发生的市内交通费用。
市内交通费按出差自然(日历)天数计算,每人每天80元
干使用。
4、出差人员出差结束后应当及时办理报销手续。
差旅费报销时应当提供出差审批单、住宿费发票、公务卡刷卡POS票、机票
、车票或派车单等凭证。
住宿费、机票支出等按规定用公务卡结算。
5、报销差旅费除带公车外,须有往返太原的车票,不可搭乘私家车。
6、住宿费标准:1、太原市、大同市、晋城市350元。
2、临汾市330元。
3、阳泉市、长治市、晋中市310元。
4、山西省其他
地区240元。
5、北京500元,西安350元。
¥
党委书记:财务科长: 处室主任
行政事业单位差旅费管理办法
行政事业单位职工差旅费报销单
科室: 年
市内交通费等。
工具所发生的费用。
)天数计算,每人每天80元包票、公务卡刷卡POS票、机票。
中市310元。
4、山西省其他
报领人: 月 日。
行政事业单位差旅费报销制度及流程下载温馨提示:该文档是我店铺精心编制而成,希望大家下载以后,能够帮助大家解决实际的问题。
文档下载后可定制随意修改,请根据实际需要进行相应的调整和使用,谢谢!并且,本店铺为大家提供各种各样类型的实用资料,如教育随笔、日记赏析、句子摘抄、古诗大全、经典美文、话题作文、工作总结、词语解析、文案摘录、其他资料等等,如想了解不同资料格式和写法,敬请关注!Download tips: This document is carefully compiled by theeditor.I hope that after you download them,they can help yousolve practical problems. The document can be customized andmodified after downloading,please adjust and use it according toactual needs, thank you!In addition, our shop provides you with various types ofpractical materials,such as educational essays, diaryappreciation,sentence excerpts,ancient poems,classic articles,topic composition,work summary,word parsing,copy excerpts,other materials and so on,want to know different data formats andwriting methods,please pay attention!行政事业单位差旅费报销制度与流程详解在行政事业单位的日常运营中,差旅费用的报销是一项重要的财务活动。
中国邮政储蓄银行股份有限公司邵阳市分行差旅费报销单
报销单位:部(室)报账人:同行人:出差事由:报销日期:年月日
月
日
-
日
由何地至何地
交通工
具
交通工
具票价
住宿费交通费培训费杂费补助合计备注
行领导审批:
主管领导审批:
财务部门审批:
经办部门审批:
财务审核:小计填报人:
报销金额合计小写:¥大写:报销附件数:张
收款人户名/开户行名称/账号开户行:邮储银行城步支行营业部
账号:6217995550003975799
收款人户名:张志明
收款方式
□银行汇款/现金收款人:
□支票
□其他方式。