动力照明配电箱安装工艺
- 格式:doc
- 大小:22.50 KB
- 文档页数:1
动力照明系统施工方案施工方法及技术要点动力配电与照明系统包括配电箱、桥架、灯具、小电器安装和电缆、电线敷设及相关调试等。
(一)低压开关柜安装a.施工工艺流程:预留孔洞、地沟清理一柜体稳装固定一母排连接安装一一二次侧检查接线一柜内元件手动试验一进出线连接f通电调试运行b.各种屏、柜在安装前应认真查对所需的技术资料是否齐全。
如设计院所提出的设备基础图、设备安装位置图,设备制造厂所提供的出厂合格证书、设备清单及装配图、使用说明书等,设备应有铭牌。
c.认真做好设备的开箱检验工作,开箱应在干燥及不淋雨的场合,开箱检验工作应由负责设备安装的工程师会同建设和监理单位代表共同进行。
对设备质量及其相配套备品、附件等进行认真检查,发现缺损应及时进行处理,并认真做好设备开箱检查记录。
拆箱时,应注意保护产品避免箱体元件损伤。
运输装卸过程中,不应有腐蚀、承重、碰撞及受剧烈振动情况,设专人防护,必要时进行加固措施。
运至现场后,及时进行外观检查和试验,检查设备型号规格是否符合设计要求,随机资料是否齐全。
安装前对设备基础及孔、沟、管、构件进行检查、疏通、清理、修正,防止发生误差。
d.屏、柜等电气设备在搬运和安装时,应有防震、防潮、防止柜架变形和漆面受损等措施。
将易损元件拆下单独包装运输。
f.基础型钢按设计要求进行安装,确保安装牢固且平、正、直,并接地良好。
柜体接地,以每台柜单独与基础型钢架连接。
在每台柜后面的左下部的型钢架的侧面上焊上鼻子,用6m2铜线与柜上的接地端子连接牢固。
g∙按施工图纸的布局,按顺序将柜坐落在基础型钢架上。
单体独立的柜体应控制柜面和侧面的垂直度。
成排组合柜体就位之后,首先,找正两端的柜,由柜的下面向上2/3高度挂通线,找准调正,使组合柜体正面平顺为准。
找正时采用0.5mm铁片进行调整,每组垫片不能超过三片。
调整后及时做临时固定,按柜固定螺孔尺寸,用手电钻在基础型钢架上钻孔,分别用MI2、M16镀锌螺栓固定。
配电箱安装施工方案及工艺方法1、工艺流程配电箱安装要求→弹线定位→明(暗)装配电箱→绝缘摇测2、操作工艺2.1配电箱安装要求(1)配电箱应安装在安全、干燥、易操作的场所,如设计无特殊要求,配电箱底边距地高度应为1.5m.照明配电板底边距地高度不应小于1.8m。
(2)导线剥削处不应损伤线芯或线芯过长,导线压头应牢固可靠,如多股导线与端子排连接时,应加装压线端子(鼻子),然后一起涮锡,再压按在端子排上。
如与压线孔连接时,应把多股导线涮锡后穿孔用顶丝压接,注意不得减少导线股数。
(3)导线引出面板时,面板线孔应光滑无毛刺,金属面板应装设绝缘保护套。
一般情况一孔只穿一线,但下列情况除外:1)指示灯配线;2)控制两个分闸的总闸配线线号相同;3)一孔进多线的配线。
(4)配电箱内装设的螺旋熔断器,其电源线应接在中间触点的端子上,负荷线应接在螺丝的端子上。
(5)配电箱内盘面闸具位置应与支路相对应,其下面应装设卡片框,标明回路名称。
(6)配电箱内的交流、直流或不同电压等级电源,应具有明显的标志。
(7)配电箱盘面上安装的各种刀闸及自动开关等,当处于断路状态时,刀片可动部分均不应带电(特殊情况除外)。
(8)配电箱上的小母线应带有黄(Ll相)、绿(.L2相)、红(L3相)、淡蓝(N零线)等颜色,黄绿相间双色线为保护地线。
(9)配电箱上电具、仪表应牢固平正整洁、间距均匀,铜端子无松动,启闭灵活,零部件齐全。
(10)在照明配电工程中,当采用TN一C系统时,N线干线不应设接线端子板(排)。
当采用TN~C~S系统时,一般应在建筑物进线π接配电箱内分别设置N母线和PE母线,并自此分开。
电源进线的PEN线应先接到PE母线上,再以连接板或其他方式与N母线相连,N 线应与地绝缘,PE线应采用专门的导线,并应尽量靠近相线敷设。
(11)配电箱内应分别设置零线(N)和保护地线(PE线)汇流排,各支路零线和保护地线应在汇流排上连接,不得绞接,并应有编号。
xx建筑工程建筑电气工程施工作业指导书成套配电柜、控制柜、(屏台)和动力、照明配电箱(盘)安装牵头单位:xx建筑分公司参编单位:xx**公司xx**分公司目录4 电气照明工程 (1)4.1 成套配电柜、控制柜、(屏台)和动力、照明配电箱(盘)安装14.1.1 适用范围 (1)4.1.2 施工准备 (1)4.1.3 技术要求 (1)4.1.4 安装程序与工艺流程 (2)4.1.5 工艺要求和施工方法 (3)4.1.6 质量控制及检验 (5)4.1.7 安全、职业健康和绿色施工要求 (5)4 电气照明工程4.1 成套配电柜、控制柜、(屏台)和动力、照明配电箱(盘)安装4.1.1 适用范围适用于一般工业与民用建筑电气照明工程成套配电柜、控制柜、(屏台)和动力、照明配电箱(盘)安装的施工。
4.1.2施工准备(1)作业面要求1)建筑结构工程必须经过结构验收,墙面、地面、抹灰作业完成,符合设计要求和规范的规定;2)线管、线槽、电箱、电盒安装完毕符合设计要求,且完好无损无污染;3)设备基础和构架应达到允许设备安装的强度,焊接构件的质量应符合要求,基础槽钢应固定可靠;4)预埋件及预留孔的位置和尺寸,应符合设计要求,预埋件应牢固。
施工图纸及技术齐全;5)施工图纸技术齐全;6)环境湿度应达到设计要求或产品技术文件的规定。
(2)人员准备1)本作业施工人员需要有电气作业操作证,操作证项目和所操作的项目要一致,且在有效期内;2)施工操作人员应接受三级安全教育培训、技术交底、安全技术交底、应急演练等教育培训,考核合格后才能上岗;在施工作业前应认真学习施工组织设计和施工方案,熟悉施工图纸和规范标准,消除有关技术问题;3)施工人员必须按要求佩戴安全防护用品。
(3)机械设备要求1)主要施工机械:电焊机、电动锤、钢卷尺、水平尺、万用表、母线煨弯器、力矩扳手、钢锯等;2)主要检测机具:万用表、兆欧表、卷尺等。
(4)材料要求设备及器材到达现场后,应作下列验收检查:1)包装完整,密封件密封应良好。
第三章 成套配电柜、控制柜(屏、台)和动力、照明配电箱(盘)安装第一节 施工准备(1级 2级)对主要器材要求:1.设备及材料均符合国家或部颁发现行技术标准,符合设计要求,并有出厂合格证。
设备应有铭牌,并注明厂家名称,附件、备件齐全。
2.铁制配电箱(盘):箱体应有一定的机械强度,周边平整无损伤,油漆无脱落,夹层底板厚度不小于 1.5mm,箱内各种器具应安装牢固,导线排列整齐,压接牢固、并为合格供货商定点厂产品,并有产品合格证。
3.塑料配电箱(盘):箱体应有一定的机械强度,周边平整无损伤,塑料二层底板厚度不应小于8mm,并有产品合格证。
4.木制配电箱(盘):应刷防腐、防火涂料,木制板盘面厚度不应小于20mm。
5.必须采用镀锌型钢和板材、镀锌螺栓、螺母、垫圈、机螺丝符合规范要求,并有材质证明。
6.绝缘导线:导线的型号规格必须符合设计要求,并有产品合格证。
第二节 工艺流程和施工要领(1级 2级 3级)一、成套配电柜、控制柜(屏、台)(三级)设备开箱检查 → 设备搬运 → 柜(盘)就位 → → 柜(盘)上方母线配制 →柜(盘)二次回路结线 →→ 柜(盘)试验调整 → 送电运行验收1. 设备开箱检查:1.1 按照设备清单、施工图纸及设备技术资料,核对设备本体及附件、备件的规格型号应符合设计图纸要求;附件、备件齐全;产品合格证件、技术资料、说明书齐全。
1.2 柜(盘)本体外观检查应无损伤及变形,油漆完整无损。
1.3 柜(盘)内部检查:电器装置及元件、绝缘瓷件齐全、无损伤、裂纹等缺陷。
2. 设备搬运2.1 设备运输:由起重工作业,电工配合。
根据设备重量、距离长短可采用汽车、汽车吊配合运输、人力推车运输或卷扬机滚杠运输。
2.2 设备运输、吊装时注意事项:2.2.1 道路要事先清理,保证平整畅通。
2.2.2 设备吊点:柜(盘)顶部有吊环者,吊索应穿在吊环内,无吊环者吊索应挂在四角主要承力结构处,不得将吊索吊在设备部件上。
一、电气工程施工方案施工方法:(1). 电气配管:施工工艺:预制加工→测定盒、箱位置→固定盒、箱→管路连接→焊跨接线→管路固定→箱、线盒、管路保护电线管敷设A、认真熟悉工程图纸,将强弱电、消防、综合布线等项目统筹考虑,确定管线的数量、走向、位置,箱、盒定位要准确。
B、配合土建留洞槽,在现浇砼楼板、墙内的暗配管敷设时,必须有专业电气人员配合预埋或预留,由专业质检员与监理、甲方检验后,方可浇灌砼。
C、电线管进入各种照明器具、箱(盒)。
管口露出箱(盒)5mm,管口必须齐平。
D、注意成品保护。
管子进入箱(盒)内要堵塞严密,以防进入异物堵塞管路。
(2)管内穿线:施工顺序:扫管→穿带线→管口带护口→导管与带线绑扎→放线与断线→导线连接→导线搪锡→导线包扎→导线绝缘电阻摇测管内穿线及导线连接:A、在穿线前应清扫管路,在管端戴好护帽,方可进行穿线。
穿入管中的导线不能有接头和扭曲。
穿线后应做绝缘测试,并做好记录。
B、导线穿管后,在导线出口处,应装护线套保护导线。
不同回路的导线不得穿在同一根管内,相线统一使用红、黄、绿色,零线为淡蓝色,地线为黄绿双色线且截面不得小于2.5mm2。
(3)开关、插座安装A、安装高度与设计相符B、成排安装高度的开关、插座高度差不大于2㎜,同一室内要求同高度的误差不大于2㎜。
C、安装开关的面板应端正、严密并与墙面平D、落地插座用安全型插座E、接地(PE)和接零(N)线在插座间不能串联连接F、插座的接线方法:右火左零上地线(4)动力照明配电箱安装A、配电箱位置正确,部件齐全,箱体开孔与导管管径适配。
暗装配电箱箱盖紧贴墙面,箱涂层完整。
B、配电箱安装垂直度允许偏差为1.5‰C、配电箱内配线整齐,无铰接现象,导线连接紧密,不伤芯线,不断股。
垫圈下螺丝两侧压的导线截面积相同,同一端子上导线连接不多于两根,防松垫圈等零件齐全。
D、配电箱内开关动作灵活可靠。
E、配电箱内分别设置零线和保护接地线汇流排,零线(N)和保护地线(PEN)经汇流排配出。
易安防配电箱照明开关插座安装工艺The following text is amended on 12 November 2020.易安防配电箱、照明、开关插座安装工艺1、成套配电柜、控制柜(屏、台)和动力、照明配电箱安装1)操作工艺2)配电箱(盘)安装要求配电箱(盘)应安装在安全、干燥、易操作的场所、配电箱(盘)安装时,其底口距地一般为;明装时底口距地;明装电度表板底口距地不得小于。
在同一建筑物内,同类盘的高度应一致,允许偏差为10mm。
安装配电箱(盘)所需的木砖及铁件等均应预埋。
挂式配电箱(盘)应采用金属膨胀螺栓固定。
铁制配电箱(盘)均需先刷一遍防锈漆,再刷灰油漆二道。
预埋的各种铁件均应刷防锈漆,并做好明显可靠的接地。
导线引出面板时,面板线孔应光滑无毛刺,金属面板应装设绝缘保护套。
配电箱(盘)带有器具的铁制盘面和装有器具的门及电器的金属外壳均有明显可靠的PE保护地线(PE线为黄绿相间的双色线也可采用纺织软裸铜线),但PE保护地线不允许利用箱体或盒体串接。
配电箱(盘)配线排列整齐,并绑扎成束,在活动部位应固定。
盘面引出及引进的导线应留有适当余度,以便于检修。
导线剥削处不应伤线芯或线芯过长,导线压头应牢固可靠,多股导线不应盘圈压接,应加装压线端子(有压线孔者除外)。
如必须穿孔用顶丝压接时,多股线应涮锡后再压接,不得减少导线股数。
配电箱(盘)的盘面上安装的各种刀闸及自动开关等,当处于断路状态时,刀片可动部分均不应带电(特殊情况除外)。
垂直装设的刀闸及熔断器等电器上端接电源,不得减少导线股数。
配电箱(盘)上的电源指示灯,其电源应接至总开关的外侧,并应装单独熔断器(电源侧)。
盘面闸具位置应与支路相对应,其下面应装设卡片框,标明路别及容量。
TN-S低压配电系统中的中性线N应在箱体或盘面上,引入接地干线处做好重复接地。
照明配电箱(板)内的交流,直流或不同电压等级的电源,并具有明显标志。
照明配电箱(板)不应采用可燃材料制作,在干燥无尘场所采用的木制配电箱(板)应阻燃处理。
动力照明工程施工工艺一、工程概述动力照明工程是现代建筑工程中不可或缺的电气工程部分,主要包括电力设备的安装、照明设备的安装以及配电线路的布置等。
本工艺标准适用于一般工业、民用建筑工程1kV及其以下照明与动力配线的钢管明、暗敷设及吊顶内和护墙板内钢管敷设安装工程。
二、施工准备1. 材料要求(1)使用的管材、器材应符合国家现行技术标准的规定,并应有产品合格证。
(2)管材及器材的规格型号应符合本标准及设计要求;钢质接线盒、分线盒、直管接头、爪型螺纹管接头、直角弯管、金属线管管卡、开关盒、插座盒等的规格应与面板、盖板相配套。
(3)管卡、支架、吊杆及箱盒等黑色金属件,均应镀锌或刷防腐漆;紧固件均应镀锌。
(4)所需材料包括电线钢管、弯管、可挠金属管,配电箱、接线箱、灯头盒、插座盒、直管接头、爪型螺纹管接头、管卡、圆钢、角钢、扁钢、支架,吊杆,镀锌螺栓、螺母、垫圈、膨胀螺栓、镀锌木螺丝、自攻螺钉、铁钉、射钉及子弹、防腐漆、调和漆、沥青油、机油、水泥、砂子、铅丝、地线卡子等。
2. 机具准备扣压器、手扳弯管器、液压开孔器、砂轮锯、无齿锯、台钻、手电钻、电锤、电焊机、气焊工具、射钉枪等。
专用搬子、活搬子、钢锯、切割刀、铣子、扁锉、半圆锉、圆锉、木锉、平锉、手锤、錾子、钻头、管钳子等。
水平尺、角尺、卷尺、尺杆、红铅笔、铁画笔、点冲子等。
三、施工工艺1. 钢管明敷设(1)钢管的敷设应符合设计要求,管材应平整、无损伤,管内应清洁、无铁屑、毛刺等。
(2)钢管的固定应使用管卡或支架,固定点间距应符合设计要求。
(3)钢管的弯曲应采用手扳弯管器或液压开孔器,弯曲处应光滑、无裂纹、无变形。
(4)钢管与设备的连接应使用专用的接头,连接处应牢固、密封。
2. 钢管暗敷设(1)钢管的敷设应在墙体砌筑或浇筑混凝土时进行,管材应平整、无损伤,管内应清洁、无铁屑、毛刺等。
(2)钢管的固定应使用管卡或支架,固定点间距应符合设计要求。
(3)钢管的弯曲应采用手扳弯管器或液压开孔器,弯曲处应光滑、无裂纹、无变形。
强电工程施工工艺主要施工程序预留预埋→支架制安→线槽、桥架安装→防雷接地安装→动力、照明配电箱安装→配管、管内穿线、电缆敷设→设备基础安装→高压开关柜安装→低压出线柜、变压器安装→低压配电屏、电容器屏安装→用电设备的电气安装→各层照明、插座等的安装→变配电工程系统调试、验收、开通→动力系统单机试运行、验收、开通→照明系统调试、开通→竣工验收。
主要设备、材料、成品和半成品的进场验收1.所有发放到班组的主要设备、材料、成品和半成品必须有合格的检验结论记录。
所有发放到班组的主要设备、材料、成品和半成品报监理工程师检验。
2.经批准的免检产品或认定的名牌产品,进场验收时,可不做抽样检测。
3.变压器、高压电器及电瓷制品检查项目有:产品带有合格证和随机文件,变压器有出厂试验记录;外观检查:有符合设计的铭牌,附件齐全,绝缘件无缺损、裂纹。
高低压成套配电柜、不间断电源柜、控制柜及动力、照明配电箱检查项目有:(1)产品带有合格证和随机文件,生产许可证和安全认证制度的产品,有许可证编号和安全认证标志。
不间断电源柜有出厂试验记录。
(2)外观检查:有符合设计的铭牌,柜内元器件无损坏丢失、接线无脱落脱焊,涂层完整,无明碰撞凹陷。
电动机和低压开关设备等检查项目有:(1)产品带有合格证和随机文件,实行生产许可证和安全认证制度的产品,有许可证编号和安全认证标志。
(2)外观检查:有符合设计的铭牌,附件齐全,电气接线端子完好,设备器件无缺损,涂层完整。
照明灯具及附件检查项目有:(1)检验合格证及随机文件;(2)灯具涂层完整,无损伤,附件齐全。
防爆灯具铭牌上有防爆标志和防爆合格证号,普通灯具有安全认证标志;(3)现场抽样检查成套灯具的绝缘电阻、内部接线等性能。
灯具的绝缘电阻不小于2兆欧,内部接线为铜芯绝缘电线,芯线截面积不小于0.5㎜2,橡胶或PVC绝缘电线的绝缘层厚度不小于0.6mm。
开关、插座、接线盒及其附件检查项目有:(1)查验合格证,防爆产品有防爆标志和防爆合格证号,实行安全认证制度的产品,有安全认证标志。
电气动力工艺流程及施工方案
本工程电源为三相四线制220/380V,由变电所采用电缆引入至车间各总配电柜,电缆采用埋地敷设,进户处中性线做重复接地;重复接地线与本车间防雷接地系统相连。
配电室内GCK型柜落地安装;工艺及暖通专业设备配套的控制箱柜应以其要求,嵌墙安装的配电箱与墙角接合处做成圆弧型。
防雷接地系统在屋面建避雷带,利用框架柱做引下线,利用基础做接地极。
2.1、工艺流程
2.1.1、动力配电施工工序
2.1.2、桥架、线槽安装
2.1.3、线管安装工艺流程图
2.1.4、电线、缆敷设及电缆头制作工艺流程
2.1.5、低压配电(屏)柜
2.2、电气系统工程重点工艺控制措施
2.3、建筑电气系统工程安装、测试、调试标准
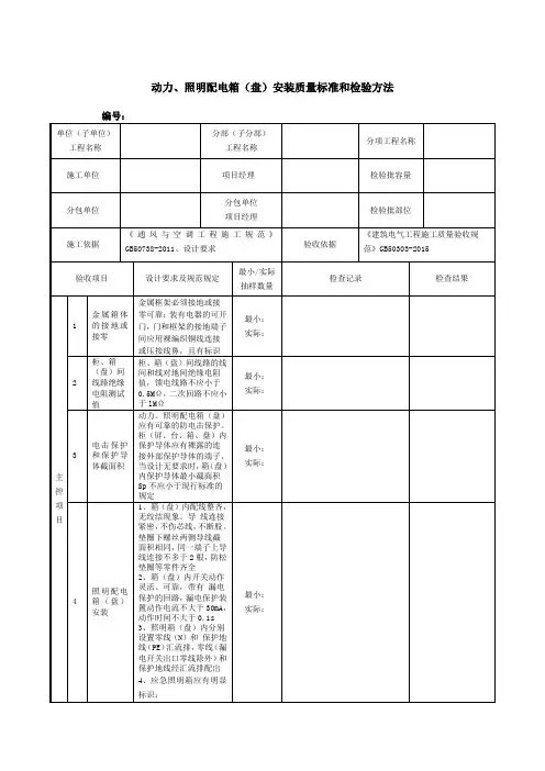
1、成套配电柜、控制柜(屏、台)和动力、照明配电箱(盘)安装技术要求
2、低压电动机、电加热器及电动执行机构检查接线
3、低压电器动力设备试验和试运行
4、电缆桥架安装和桥架内电缆敷设
5、电线导管、电缆导管和线槽敷设
6、电线、电缆穿管和线槽敷线
7、电缆头制作、接线和线路绝缘测试。
配电柜配电箱安装施工方案配电柜安装主要指C2楼建筑物内的动力、照明配电箱、控制柜的安装。
成套配电柜安装前,配电柜所处环境要具备条件,所有的配电柜安装室内内装饰施工已完成,室内洁净安全。
1具体安装工艺流程图1如下:图1 配电箱、柜安装工艺流程图2配电柜安装固定安装前要进行整体槽钢焊接制作、防腐及安装调整。
配电柜安装所用连接螺栓均为镀锌螺栓。
配电柜的安装最大允许偏差见表3.3.2-1所示:表2 配电柜的安装最大允许偏差表配电柜安装完成后,安装配电室内的桥架和母线。
配电柜进出电缆开孔使用线锯或开孔钻。
电缆敷设完成后封闭。
母线金属外壳、桥架与柜内接地母排用专用接地线可靠接地。
桥架与配电箱(柜)连接处采用橡胶板连接,以保护导线和电缆。
对安装于电缆沟上的下进、出线开关柜其安装示意图见图2.2.4-3所示:1——配电柜; 2——螺栓、螺母、垫圈; 3——槽钢底座图2.2.4-3配电柜螺栓固定安装图3配电箱安装电力配电箱、电气控制箱除电气竖井、设备机房明装外,其它均为暗装。
1)落地明装部分出线回路多的配电箱,重量大,为了保证配电箱安装牢固,须制作成落地安装的配电箱。
本工程中应急照明配电箱与箱体高度大于1200m 以上配电箱均落地明装。
落地配电箱安装用10#基础槽钢做支架固定,支架在打垫层以前安装并调整平整,支架的顶部距垫层表面4cm ,落地配电箱安装见图4。
配电箱电气导管4 落地配电箱安装示意图2)挂壁明装①①节点11232 3对电气竖井及设备机房内配电箱均采用明装方式,照明配电箱电气竖井内安装高度1.4m,箱体高度600mm以下,底距地1.4m,600mm~800mm高,底距地1.2m;800~1000mm高,底距地1m;1000~1200m高,底距地0.8m。
根据进出电缆电线的方向及桥架的规格,在配电箱的顶部或底部开孔。
配电箱的所有开孔处须用橡胶皮保护孔的边缘,以防止损坏电线电缆。
配电箱采用膨胀螺栓在墙上固定。
XXXXX建筑工程总公司施工技术标准(建筑电气)文件名称.成套配电柜、控制柜(屏、台)和动力、照明配电(盘)安装施工操作规程及质量要求文件编号:版号:受控号:生效日期:XXXXX建筑工程总公司XXXXX建筑工程总公司施工技术标准文件名称:成套配电柜、控制柜(屏、台)和动力、照明配电箱(盘)安装施工操作规程及质量要求归口管理部门:文件编号:编制人/日期:版号:审核人/日期:受控号:批准人/日期:生效日期:备注:执行己有文件成套配电柜、控制柜(屏、台)和动力、照明配电箱(盘)安装施工操作规程及质量要求本操作规程及质量要求适用于公司承建的成套配电柜、控制柜和动力、照明配电箱(盘)安装工tn性。
1施工准备1.1材料要求1.1.1成套定型配电柜应根据设计要求的型号,规格选用合格产品。
并有产品合格证。
1.1.2铁制配电箱(盘):箱体应有一定的机械强度,周边平整无损伤,油漆无脱落,二层底板厚度不小于1. 5mm箱内各种器具应安装牢固,导线排列整齐,压接牢固,并有产品合格证。
1.1.3塑料配电箱(盘):箱体应有一定的机械强度。
周边平整无损伤,塑料二层底板厚度不应小于8mm,并有产品合格主。
1・1.4色缘导线:导线的规格型号必须符合设计要求,并有产品合格证。
1.2主要机具1.2.1电锤、手电钻、电焊机1.2.2压绞钳、手锤、扳手、钢锯123画笔、卷尺、水平尺、线坠1・3作业条件1. 3. 1埋设基础槽钢或地脚螺栓时,须有地面的基准线。
132预埋件及预留孔洞符合设计要求,预埋件应牢固。
1.3.3必须在基础台、沟槽及地面抹灰完,顶棚、墙面喷完浆,门窗安装齐全(应向外开门)并符合防火要求后才允许进行配电柜的安装。
1.3.4随土建结构预留好暗装配电箱的安装位置。
1.3.5八埋铁架或螺栓时,墙体结构应弹出施工水平线。
1.3.6安装配电箱盘面时,抹灰、喷浆及油漆应全部完成。
2操作工艺2. 1配电柜安装2. 1. IX艺流程:查阅安装要求基础制作检查配电柜配电柜安装调试运行2. 1・2配电柜安装要求2. 1.2.1配电柜的布置必须遵循安全、可靠、适用和经济等原则,并应注意便于操作、搬运维修、试验监测和接线工作的进行。
配电箱安装工艺1施工程序,配电箱安装工艺流程图如下:2施工准备配电箱安装所需机具满足施工需要、材料充足、人员配备齐全,同时完成配电箱安装技术交底。
3配电箱检查验收配电箱安装前,要按设计图纸检查其箱号、箱内回路号,并对照安装设计说明进行检查,满足设计规范要求。
4 配电箱安装明装配电箱安装详见下图所示:配电箱电气导管(1)配电箱应安装在安全、干燥、易操作的场所,暗装时底口距地1.5m,明装时底口距地1.5m。
在同一建筑物内,同类箱的高度应一致。
(2)安装配电箱所需的木砖及铁件等均应预埋。
挂式配电箱应采用金属膨胀螺栓固定。
(3)配电箱带有器具的铁制盘面和装有器具的门及电器的金属外壳均应有明显可靠的PE线接地。
PE线不允许利用盒、箱体串接。
(4)配电箱上配线需排列整齐,并绑扎成束,在活动部位应该两端固定。
盘面引出及引进的导线应留有适当余量,以便于检修。
(5)导线剥削处不应伤及线芯,导线压头应牢固可靠,多股导线不应盘圈压接,应加装压线端子(有压线孔者除外)。
如必须穿孔用顶丝压接时,多股线应搪锡后再压接,不得减少导线股数。
(6)配电箱上的母线应套上有黄(A相),绿(B相),红(C相),淡蓝(N相)等颜色色带,双色线为保护地线(黄绿,也称PE线)。
5弹线定位根据设计要求现场找出配电箱位置,并按照箱的外形尺寸进行弹线定位。
通过弹线定位,可以更准确的找出预埋件或者金属膨胀管螺栓的位置。
(1)明装配电箱的安装在混凝土墙或砖墙上固定明装配电箱时,采用明配管及暗分线盒两种方式。
如有分线盒,先将盒内杂物清理干净,然后将导线理顺,分清支路和相序,按支路绑扎成束。
待配电箱找准位置后,将导线端头引至箱内,逐个剥削导线端头,再逐个压接在器具上,同时将保护地线压在明显的地方,并将配电箱调整平直后进行固定。
(2)暗装配电箱的安装先将箱体放在预留洞内,找好标高及水平尺寸,并将箱体固定好,然后用水泥砂浆填实周边并抹平齐,待水泥砂浆凝固后再安装盘面和贴脸。
配电柜、成套控制柜(屏、台)和动力、照明配电箱(盘)安装施工工艺标准1.适用范围本工艺标准适用于电压为10kV以下及一般工业与民用建筑电气安装工程配套电柜及动力开关柜、控制柜、电源柜、动力配电箱的安装。
2.施工准备2.1 原材料半成品的要求2.1.1 设备及材料均应符合国家或部颁发的现行技术标准,符合设计要求,并有出厂合格证。
实行生产许可证和安全认证制度的产品,有许可证编号和安全认证标志,相关材证资料齐全。
设备有铭牌,注明厂家、型号,附件、备件齐全。
2.1.2 安全使用材料:⑴型钢表面无严重锈斑,无过度扭曲、弯折变形,焊条无锈蚀,有合格证和材质证明书。
⑵镀锌制品螺栓、热圈、支架、横担表面无锈斑,有合格证和质量证明书。
⑶其它材料,铅丝、酚醛板、油漆、绝缘胶垫标志牌等均应符合质量要求。
⑷配电箱体应有一定的机械强度,周边平整无损伤。
铁制箱体二层底板厚度不小于1.5mm,但不得采用阻燃型塑料板做二层底板,配电箱油漆无脱落,阻燃型塑料箱体二层底板厚度不小于8mm,⑸导线电缆的规格型号必须符合设计要求,有产品合格证。
2.2 主要工机具2.2.1 吊装搬运机具:汽车吊、汽车、叉车、卷扬机、吊装龙门架、倒链、钢丝绳、麻绳索具等。
2.2.2 安装工具:台钻、手电钻、电锤、砂轮、电焊机具、气焊机具、台钳、锉刀、钢锯、扳手、锤子、电工刀、改锥、克丝钳、压接钳、电炉、喷灯、锡锅、锡勺、锒头等。
2.2.3 测试检验工具:兆欧表、万用表、水平尺、试电笔、钢卷尺、方尺、水平尺、钢板尺、线坠、塞尺、水准仪等。
2.2.4 防护用具:高压绝缘靴、绝缘手套、粉末灭火器等。
2.3 作业条件2.3.1 盘柜屏台所在房间土建施工完,且土建工程施工标高、尺寸、结构及埋件符合设计要求,门窗封闭,墙面、屋顶油漆喷刷完,室内无漏水,地面工程完,场地干净。
2.3.2 暗装配电箱随土建结构预留好安装位置。
2.3.3 明装配电箱及暗装配电箱盘面安装时,抹灰、喷浆及油漆应全部完工。
动力照明配电箱安装工艺
动力照明配电箱安装工艺
1.材料进场检验要求
1)铁制配电箱箱体应有一定的机械强度,周边平整无损伤,油漆无脱落,二层底板厚度不小于 1.5mm,箱内各种器具应安装牢固,导线排列整齐,压接牢固,并附有产品合格证、”CCC”认证。
2)绝缘导线的规格型号必须符合设计要求,并附有产品合格证。
2.作业条件
1)随土建结构预留好暗装配电箱的安装位置。
2)预埋铁件架或螺栓时,墙体结构应弹出施工水平线。
3)安装配电箱盘面时,抹灰、喷浆及油漆应全部完成。
3.操作工艺
1)工艺流程图
2)配电箱安装要求
a.设备开箱检查
设备开箱点件检查,应与建设单位或供货单位共同进行,并做好记录。
b.配电箱应安装在安全、干燥、易操作的场所,暗装时底边距地1.4m。
明装时底边距地
1.2m,在同一房间内,同类箱的高度应一致,允许偏10mm。
配电箱接线时,导线剥削处不应伤着线芯和线芯过长。
导线压头应牢固可靠,多股导线不应盘圈压接,多股线应涮锡后再压接,并不得减少导线股数。
配电箱上的母线涂有黄(A相)、绿(B相)、红(C相)、黑(N零线)等颜色,双色线为保护地线(黄绿也称PE线)。
c.弹线定位
根据设计要求找出配电箱位置,并按照箱的外形尺寸进行弹线定位,弹线定位的目的是对有预埋木砖或铁件的情况,可以更准确的找出预埋件。
d.配电箱在配电间内安装详图
配电间内明装配电箱安装方法
感谢您的阅读!。