机械设备报验资料
- 格式:doc
- 大小:24.50 KB
- 文档页数:3
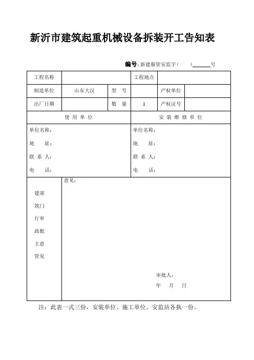
新沂市建筑起重机械设备拆装开工告知表编号:新建服管安监字()号注:此表一式三份,安装单位、施工单位、安监站各执一份。
徐州市建筑施工起重机械设备使用登记注销表徐州市建筑施工起重机械设备使用登记申报表徐州市建筑施工起重机械设备验收单塔式起重机安装拆卸方案贯彻执行国家、省、地市有关塔吊安(拆)管理规定和安全检查标准,针对本项目工程所使用塔吊的安(拆)制定以下施工措施:1、塔吊基础施工;1.1根据塔吊作用说明书中基础尺寸图放线挖土,土方挖完针对每个基坑应钎探,查看土质是否均匀,然后根据使用说明书中的钢筋砼基础尺寸浇筑基础,且钢筋砼基础深≥1m,重量≥20t(基础见图);1.2钢筋砼基础内的钢筋,预埋螺栓(件)必须按塔机使用说明规定执行,埋件尺寸必须按图示尺寸要求安装准确,并固定牢实以免震捣砼时出现位移,且预埋螺栓、垫板等材料材质必须按塔机使用说明要求制作(基础钢筋埋件见图);1.3基础砼标号≥C25,砼基础表面应校验平整,平整度应<1/1500误差,砼基座上表面应高出周围自然地坪≥100㎜,砼的承载力≥90%以上时方可进行整机安装;1.4塔机基础必须由建设(监理)验收合格后,填写验收。
2、塔吊接地:塔机的接地和保护接地电阻值≯10Ω,接地导线用黄绿双色不小于10㎜2铜芯线联接在塔机底架上(对角各接一根)用螺栓固定、紧固,紧固前应清除干净底架和螺栓表面的油污、油柒,接地导线引下线与建筑基础中的接地相接,且埋深>1m,在塔帽上部设避雷针,长>1m<2m,引下线与任一根主弦杆连接。
在塔机的使用过程中应定期检测接地线和电阻。
3、塔机安装的准备工作:3.1安装前的准备工作:塔机进入施工现场后,由建设(监理)和公司设备科安检员检查验收选定专业装(拆)施工队伍,并有行业颁发的《许可证》,备齐起重机具选择好安装位置,对标准件和零部件进行清点、清理、保养等,其它机具的准备,如有缺件和不合格的应配置和原配件材质规格相同的配件。
施工起重机械设备进场使用报验单项目名称:__________________________项目地点:__________________________承包单位:__________________________报验日期:__________________________一、施工起重机械设备的基本信息1.设备名称:___________________________2.设备型号:___________________________3.施工起重机械设备进场时间:_____________(购入/租赁/自有)5.设备的制造单位:_______________________6.设备的制造日期:_______________________7.设备的检验合格日期:___________________8.设备的维护保养记录:___________________(包括保养日期、保养内容等)二、施工起重机械设备进场前的准备工作1.设备启动前的检查内容及结果:_____________(包括外观、机械系统、电气系统等方面的检查)2.设备运输过程中的要求和注意事项:____________(包括装卸、运输过程中的防护、固定等措施)3.设备的安装和调试工作:_____________________(包括设备组装、试运行等过程)三、施工起重机械设备的安全标志和安全装置1.设备的安全标志是否完整齐全:________________(包括警告标志、禁止标志、指示标志等)2.设备的安全防护装置是否完好有效:____________(包括防护门、防护网、限位器等)3.设备的安全绳索和安全装置是否完好:__________(包括安全绳、安全链等)四、施工起重机械设备的操作证件和操作人员培训情况1.施工起重机械设备的操作证件是否齐全:__________________(包括操作证、驾驶证等)2.施工起重机械设备操作人员的资质和培训情况:______________(包括操作人员的培训证书、岗位资质等)五、施工起重机械设备的日常维护和保养情况1.设备的日常维护和保养工作是否按要求进行:______________(包括清洁、润滑、紧固、调试等方面的维护工作)2.设备的维修和更换配件情况:_________________________六、施工起重机械设备的使用安全情况1.设备的使用是否符合安全操作规程:___________________(包括操作时的注意事项、安全防范措施等)2.设备的使用过程中是否出现安全事故:_________________(包括安全事故的具体情况、处理结果等)七、施工起重机械设备的退场和保管情况1.设备的退场和拆卸工作:_______________________(包括设备的拆卸过程、验收等)2.设备的保管和维护情况:_______________________(包括设备的包装、贮存条件等)八、施工起重机械设备进场使用报验结论根据对施工起重机械设备进场使用情况的检查和验收,确认以下结论:1.施工起重机械设备符合使用要求,可正常投入使用。
施工现场机械设备进场报验流程那日,阳光正好,微风不燥,我背着手,溜达到了咱这施工现场。
一眼望去,钢筋水泥,错落有致,心里头那个激动啊,就跟看着自家孩子一点点长大似的。
不过,今儿个的重点可不是欣赏这现代化的建筑艺术,而是得聊聊那机械设备进场报验的流程,这可是个大学问,马虎不得。
我先是绕了一圈,看了看那些大家伙——塔吊、挖掘机、装载机,一个个精神抖擞,仿佛随时准备大干一场。
可光有精神头儿不行啊,得让它们合法合规地进场,这才能安心让它们施展身手。
我走到老李那儿,老李是我们这儿的安全总监,一脸严肃,跟那包青天似的。
我拍了拍他的肩膀,笑道:“老李啊,今儿这机械设备进场报验,你可得给我把把关。
”老李抬头一看是我,眉头稍微舒展了些,说:“放心吧,刘工,这事儿我盯着呢。
”我们先从资料开始审起。
一台台机器的出厂合格证、检验报告、操作手册,堆得跟小山似的。
老李戴上老花镜,一页页翻得那叫一个仔细,嘴里还念叨着:“这个日期得对上,那个型号也不能错。
”我在一旁看着,心里头暗自佩服,这工作态度,真是没得挑。
资料审完了,接下来是现场检查。
老李带着我,还有几位技术人员,一个个地去验看那些机器。
塔吊高耸入云,我们爬上去,检查了各个部件,从钢丝绳到齿轮,再到操作室里的仪表盘,每一处都不放过。
老李一边检查,一边还跟塔吊司机聊天:“小伙子,你这操作熟练不?可得注意安全啊!”司机小伙子憨厚一笑:“放心吧,师傅,我这技术杠杠的。
”检查挖掘机的时候,我们遇到了点小麻烦。
一台挖掘机的履带有点松动,老李眉头一皱,严肃地说:“这可不行,得赶紧修理,安全第一。
”我忙点头,心里头也捏了一把汗,幸好发现得早,不然真出了事儿,那可就是大事了。
等所有的机器都检查完毕,我们开了个简短的会议,总结了检查情况,确定了哪些机器可以立即投入使用,哪些需要维修后再验收。
老李在会上反复强调:“安全无小事,咱们得时刻绷紧这根弦。
”大家都点头称是,我心里也暗暗佩服老李的责任心。
工程设备、电缆等进场报验需提供资料:(1)产品合格证(2)产品质量检测报告(3)3C认证(4)产品报关单(进口产品)(5)厂家资质(企业营业执照,厂家生产合格证,税务登记证,组织机构代码)钣金机箱机柜结构件适用范围本标准适用于钣金机箱机柜结构件的检验验收。
它是对那些在设计文件上未能详尽标列的或没有必要特别指出的基本性及常规性的技术要求进行的归纳和补充说明。
本标准应与设计文件上所标识的技术要求一起并列参照执行,对哪些超出标准规定的精度以外的条款,就由该设计者提出,质检部贯彻执行,也可在征求设计者同意基础上按本标准执行。
检验、验收场地可在承造厂或甲方指定的产品到货地,其结果应一致,且以终到地结果为最终结果。
2.引用标准企业标准 Q/DMBM307-1997: 检验抽样规则。
3.机柜3.1 外形尺寸公差3.2 形位公差钣金机柜不允许有肉眼可见倾斜或局部歪、扭现象存在。
框架立柱与底座垂直度为小于1.5mm。
检测时以底座上表面为基准,以立柱上端内沿面为测量点。
顶框与底座平行度为小于1mm。
检测点为底座上表面及顶框下表面,且互为基准。
也可通过测量六面之对角线的长度,相差不得超过2.5mm来检测。
有中隔板者,顶框与底座平行度可放宽至1.5mm,中隔板与顶框或底座平行度为小于1mm。
上、下围框的对角线之差的绝对值小于1.5mm。
立柱不能有扭曲现象,各立柱与上、下围框相连的两端交接线与围框相邻平面的平行度为小于0.5mm。
3.3 支撑插箱的滑道,同一层的左、右滑道所组成的工作面相对底座上表面的平行度为1mm,且应保证插箱装入后相邻两面板之间间隙之差的绝对值不得超过0.6mm。
3.4 前、后及左、右侧门不允许有鼓胀、扭曲等现象,其平面度为小于2mm。
局部100mmX100mm之内不得超过0.4mm。
所有门板装入机柜后,其外表面与它所在的机柜侧面平行度不得超过1.5mm,平行缝隙各处之差的绝对值小于2mm,且与框架贴合良好。
主要施工机械、设备进场报审资料
1、质量证明文件(如产品质量保证书、产品检验报告、出厂合格证书等);
2、检定证书(整机或关键部件检验检测合格的有效检验报告);
3、使用许可证书;
4、定期维修保养记录:记录设备的维修保养情况,包括维修保养的时间、内容、人员等信息;
5、行车证,人员操作证,驾驶证,安检证;
6、设备名称、型号、数量一览表;
7、计量设备的定期检定证明。
大型起重机械报验
1、大型机械、设备进场(塔吊)需分为两次报验
(1)进场报验应包含:塔吊产权登记证、产品出厂合格证、塔吊技术参数(使用说明书)、起重机械特种设备制造许可证、备案证明、塔吊安装单位的安装合同、安全协议、营业执照、资质证书、安全生产许可证、装拆方案、装拆人员上岗证。
(2)使用报验应包含:检测报告、准用证、维修保养制度、司机、司索、指挥工上岗证.
施工安全防护用具、设备、器材报审资料
1、施工安全防护用具、设备、器材报审一览表(包括名称、数量、单位、自检状况等);
2、检定报告(如悬挂安全带检验报告(在有效期内的));
3、验收文件等。
设备进场使用报验单
一、报验项目
本报验单用于对新进场的设备进行验收,确保设备符合规定要求,并能正常投入使用。
二、报验设备信息
设备名称设备型号生产厂家进场日期检验结果
设备1 型号1 厂家1 日期1 合格
设备2 型号2 厂家2 日期2 合格
设备3 型号3 厂家3 日期3 合格
三、验收标准
设备的验收标准应符合以下要求:
1.设备的外观应完好无损,无明显的损坏、变形等;
2.设备的标志标识应清晰,无模糊、掉落等情况;
3.设备应具备相应的功效,能够正常运行;
4.设备的安全性能应符合国家相关标准;
5.设备的配套文件完整齐全。
四、检验方法
1.外观检查:检查设备的外观是否完好无损,包括外壳、标识标志等;
2.功能检测:检测设备的各项功效是否符合要求,包括开关、按钮、屏
幕、通讯等;
3.安全性能检验:检查设备的安全性能是否符合标准,包括电气安全、
防护等;
4.文件审核:对设备的配套文件进行审核,包括说明书、合格证、检测
报告等。
五、检验结果
设备名称检验结果备注
设备1 合格
设备2 合格
设备3 不合格电源线有磨损迹象
六、不合格处理
对于不合格的设备,应进行如下处理:
1.根据具体情况,联系设备厂家进行维修或更换;
2.在设备使用前,确保设备经过修理和测试后重新进行报验。
七、报验人员
报验人员:(签名)
报验日期:(日期)
八、备注
(填写备注信息)
以上是设备进场使用报验单的范例。
根据实际情况,可酌情修改内容以适应具体需求。
设备报验制度实施导则1.目的为做到现场所用设备均符合安全要求,并做到所用设备安全可控,同时杜绝不合格或手续不全的设备进入现场使用,加强了针对设备的安全管理,规范设备进场的流程。
2.范围适用于各级单位设备报验制度的策划、实施、监督和检查。
3.定义设备报验制度是指各级单位在设备入场时有关报验的制度要求,设备必须将相关报验材料报送审核部门并经审核部门验证合格后才可进行入场使用。
4.管理要求4.1.设备报验制度编制要求设备报验制度需参照《特种设备安全监察条例》及《建筑机械使用安全技术规程》等相关国家法规进行编制。
设备报验制度需满足集团相关程序要求。
4.2.设备报验制度适用范围要求各公司参照国家法规及集团公司相关程序确定需进行报验的设备范围。
一般需要执行报验制度的设备范围为:大、中型施工机械及设备、特种设备、单位要求的其他施工机械、设备、工机具等。
4.3.报验内容要求4.3.1.报验起重机械、设备时,必须由报验单位填写《起重机械/工具验收核查表》(附件一),并提供相应报验材料,报验材料内容至少包括(不限于)以下内容: 吊车安装方案铭牌产品合格证生产厂家资质证明操作/安全手册承包商自检验收记录正面照片和侧面照片质量技术检验合格报告起重机安装施工日志起重机安装人员清单及资质安全施工交底记录机动车年度检验合格证负荷试验记录或厂家相关保证基础或轨道验收记录租赁双方安全协议4.3.2.各单位报验其它施工机械、设备时,必须由报验单位填写《施工机械/设备验收核查表》(附件二),并同时提交报验材料,报验材料内容包括(不限于)以下内容:出厂合格证检验报告检验合格标志年检记录标定记录其他须有的证书设备安全操作手册/说明书设备本体状况检查及记录设备正面照片和侧面照片其他需要的内容4.4.设备报验制度其他要求完成报验手续的施工机械、设备离开后重新入场施工的,所属单位须对设备进行自检,自检合格后报相关审核单位复查,复查合格后方可作业。
塔式起重机报审资料清单
1、施工组织设计/方案报审表A3.1
2、专项施工方案审批表(总包)表5.1.3-2
3、施工组织设计、施工方案审批表(附施工组织设计、施工方案)
4、塔式起重机安装、拆除方案。
5、施工起重机械设备进场/使用报验单(进场)A3.4
6、材料清单、产品合格证、中华人民共和国特种设备制造许可证、
起重机械制造监督检验证书、建筑施工起重机械设备产权登记
证、企业法人营业执照、安全生产许可证、机械员、安全员、
塔机操作员证、安装拆除工证、司索工证、建筑电工证、安装
质量检验工证、
7、施工起重机械设备进场/使用报验单(使用)A3.4
8、塔式起重机安装质量检验报告书
9、建筑施工起重设备使用登记证
10、司机、司索工证
11、塔吊操作规程
12、施工升降机定期检验报告
13、建筑起重机械定检申报资料(委托检测合同书、建筑起生设备
报验申请表、产品生产许可证、产品合格证、设备备案证、设
备上次检测报告、设备自检记录、防坠器安全检测报告、产品
主要技术参数)。
A3.2材料(构配件)、设备进场使用报验单进场施工机械、设备报验单施工合同段:SWZQ-1标编号:注:1、对性能、数量不符合要求要更换或补充的原因另附说明;2、本表一式3份,施工单位2份,监理单位1份。
进场施工机械、设备报验单施工合同段:SWZQ-1标编号:注:1、对性能、数量不符合要求要更换或补充的原因另附说明;2、本表一式3份,施工单位2份,监理单位1份。
进场施工机械、设备报验单施工合同段:SWZQ-1标编号:注:1、对性能、数量不符合要求要更换或补充的原因另附说明;2、本表一式3份,施工单位2份,监理单位1份。
进场施工机械、设备报验单施工合同段:SWZQ-1标编号:注:1、对性能、数量不符合要求要更换或补充的原因另附说明;2、本表一式3份,施工单位2份,监理单位1份。
进场施工机械、设备报验单施工合同段:SWZQ-1标编号:注:1、对性能、数量不符合要求要更换或补充的原因另附说明;2、本表一式3份,施工单位2份,监理单位1份。
进场施工机械、设备报验单施工合同段:SWZQ-1标编号:注:1、对性能、数量不符合要求要更换或补充的原因另附说明;2、本表一式3份,施工单位2份,监理单位1份。
进场施工机械、设备报验单施工合同段:SWZQ-1标编号:注:1、对性能、数量不符合要求要更换或补充的原因另附说明;2、本表一式3份,施工单位2份,监理单位1份。
进场施工机械、设备报验单施工合同段:SWZQ-1标编号:注:1、对性能、数量不符合要求要更换或补充的原因另附说明;2、本表一式3份,施工单位2份,监理单位1份。
进场施工机械、设备报验单施工合同段:SWZQ-1标编号:注:1、对性能、数量不符合要求要更换或补充的原因另附说明;2、本表一式3份,施工单位2份,监理单位1份。
TA4进场施工机械、设备报验单施工合同段:SWZQ-1标编号:注:1、对性能、数量不符合要求要更换或补充的原因另附说明;2、本表一式3份,施工单位2份,监理单位1份。