数控加工工艺过程卡
- 格式:doc
- 大小:908.50 KB
- 文档页数:7
机械加工工艺过程卡片与工序卡片一、机械加工工艺过程卡片机械加工工艺过程卡片是根据零件的工艺要求和加工顺序编制的一种工作文件。
它主要描述了零件的加工过程,包括工艺路线、工艺参数、工装夹具、工艺手段以及工艺规程等内容。
该卡片是工序卡片的上层次,对于机械加工车间而言,是指导生产和管理的重要文档。
1.零件加工工艺路线:根据零件的结构特点和工艺要求,确定加工过程中的各个环节和顺序。
包括粗加工、精加工、合理的工序布置等内容。
2.工艺参数:描述了加工过程中一些重要的参数,如切削速度、进给量、切削深度等。
这些参数是确定工件加工质量和生产效率的关键因素。
3.工装夹具:指导机械加工过程中的夹具选择和使用。
包括夹具类型、夹具位置和夹具调整等内容。
4.工艺手段:描述了机械加工中所具备的各种工艺手段,如车削、铣削、钻削等。
并根据具体的工件要求,选择合适的工艺手段进行加工。
5.工艺规程:详细描述了机械加工过程中具体的操作方法和步骤。
包括加工精度要求、刀具选择、刀具切削角度以及刀具切削顺序等内容。
1.指导生产:工艺过程卡片能够对加工过程进行规范化和标准化管理,确保生产过程的准确性和可控性。
2.提高生产效率:通过合理规划和布置加工过程,避免生产中的重复操作和浪费,提高加工效率和生产能力。
3.保证加工质量:工艺过程卡片详细描述了加工过程中的参数和要求,可以及时发现和解决加工中的问题,确保零件的生产质量。
4.节约成本:通过合理设置工艺参数和工装夹具,可以降低加工成本,提高资源利用率。
二、工序卡片工序卡片是机械加工过程中的一种重要记录和指导工具。
它是对机械加工工艺过程卡片的细化和补充,更加具体地描述了每个工序的加工方法、操作顺序和操作要点等内容。
工序卡片的主要内容包括以下几个方面:1.工序顺序:描述了每个工序的顺序和次序。
2.加工设备:说明了该工序需要使用的设备和机床。
3.刀具选择:选择适合于该工序的刀具,并给出刀具的尺寸和规格。
4.工装夹具:描述该工序中使用的夹具类型和夹具的调整方法。
数控加工工艺流程数控加工是一种通过计算机控制机床进行加工的工艺,它可以实现高精度、高效率的加工,广泛应用于航空航天、汽车制造、电子设备等领域。
数控加工工艺流程是指在数控加工过程中所涉及到的各项工艺步骤和操作流程,下面将详细介绍数控加工的工艺流程。
1. 零件设计与编程。
数控加工的第一步是进行零件设计与编程。
在进行数控加工之前,首先需要对待加工的零件进行设计,确定其尺寸、形状和加工要求。
然后利用专业的CAD/CAM软件进行编程,将设计好的零件转化为数控加工程序,包括刀具路径、加工顺序、切削参数等内容。
2. 材料准备与上机。
在进行数控加工之前,需要准备好待加工零件所需的材料,并进行相应的检验和清洗工作。
然后将材料固定在机床工作台上,并进行工件和刀具的装夹,调整好各个工件的位置和夹紧力,确保加工过程中不会出现移位或松动的情况。
3. 加工工艺参数设置。
在上机之后,需要根据零件的材料、形状和加工要求,设置相应的加工工艺参数。
包括切削速度、进给速度、切削深度、切削宽度等参数,这些参数的设置将直接影响到加工质量和加工效率。
4. 数控加工操作。
经过以上准备工作之后,就可以进行数控加工操作了。
操作人员通过数控系统输入预先编好的加工程序,机床将按照程序中设定的路径和参数进行自动加工,实现对工件的精密加工。
在加工过程中,操作人员需要随时监控加工状态,及时调整加工参数,确保加工质量和安全。
5. 加工质量检验。
在数控加工完成之后,需要对加工零件进行质量检验。
通过测量工件的尺寸、形状和表面粗糙度等指标,判断加工质量是否符合要求。
如果发现有缺陷或不合格的地方,需要及时调整加工参数,重新加工或修复工件。
6. 零件清洗与包装。
经过质量检验合格的零件,需要进行清洗和包装工作。
清洗可以去除加工过程中产生的切屑和油污,保持零件的表面清洁。
然后根据客户要求进行包装,以防止零件在运输和储存过程中受到损坏。
7. 加工记录与数据归档。
在数控加工过程中,需要对加工过程进行记录和数据归档。
数控加工的工艺流程
《数控加工的工艺流程》
数控加工是一种通过程序控制机床进行加工的工艺,它的工艺流程通常包括以下几个步骤:
1. 设计产品图纸:在进行数控加工之前,首先需要进行产品的设计,包括产品的尺寸、形状等参数。
设计人员通常会使用CAD软件进行产品的三维建模,并生成产品的加工路径。
2. 编写加工程序:编写数控加工的加工程序是非常重要的一步。
程序员需要根据产品的图纸和加工要求,使用CAM软件进行
加工路径的生成和优化,然后将加工程序上传到数控机床的控制系统中。
3. 装夹工件:在进行数控加工之前,需要将工件装夹到数控机床的工作台上。
通常会使用夹具来固定工件,以确保在加工过程中工件不会发生移动或者变形。
4. 加工工件:一切准备就绪后,就可以开始数控加工了。
程序员将加工程序上传到数控机床的控制系统中,机床根据程序自动进行加工。
在加工过程中,需要注意监控加工情况,确保加工质量和安全。
5. 完成加工:一旦工件加工完成,就可以进行检验和清洗工件,保证产品达到设计要求。
总的来说,数控加工工艺流程包括产品设计、加工程序编写、工件装夹、加工和产品检验等步骤。
这种工艺流程不仅提高了加工效率和精度,也极大地减少了人工操作的需求,是现代制造业中不可或缺的一部分。
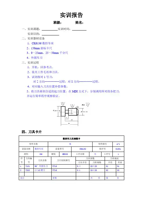
数控加工电子教案之车削工艺分析过程及工艺卡片和刀具卡片车削工艺分析学习任务一:工艺分析【步骤一】:数控加工内容的选择该零件所有内容选择在同一台数控车床上完成。
零件有内外圆柱面、内外圆锥面和螺纹等,适合在数控车床上完成全部加工。
【步骤二】:零件的工艺性分析该零件表面由圆柱、圆锥等构成。
件1和件2之间1:5锥面配合要求配作,孔与轴为间隙配合,要求两处径向同时配合,轴向配合均允许留有较大间隙,属于“径向过定位”问题。
经分析,本例将采取用修配法首先保证1:5锥面的配合,而孔与轴通过加工过程中的测量来控制其尺寸精度,从而保证其配合精度。
件1和件3是通过螺纹配合。
主要表面粗糙度要求均是Ra1.6。
件1和两圆柱面有同轴度公差要求,件2锥孔和之间也有同轴度公差要求,两端面之间有平行度公差要求。
尺寸标注完整,轮廓描述清楚。
零件材料为45号钢,无其他热处理和硬度要求。
该零件各台阶直径相差不大,力学性能要求不高,并为小批量生产,因此毛坯选用普通型材?50mm×155mm。
学习任务二:工艺路线的设计【步骤一】:加工方法及加工方案的选择本配合零件主要采用车端面、车外圆和车内孔的加工方法,外圆采用采用粗车→精车的加工方案。
内孔加工采用钻→粗镗→精镗的加工方案。
1:5锥面配合采用修配法保证尺寸精度,其他尺寸经粗、精车后能达到加工要求。
零件内、外圆尺寸精度达到IT9级,表面粗糙度要求达到Ra1.6,粗车后余量较均匀,不需安排半精加工。
【步骤二】:加工阶段的划分划分成粗加工和精加工二个加工阶段。
因为粗车时因加工余量大、切削力和夹紧力大等因素造成较大的加工误差,如果粗、精加工混在一起,就无法避免由上述原因引起的加工误差。
划分成粗、精加工二个加工阶段,粗加工造成的加工误差可通过精加工得到纠正,从而保证加工质量。
【步骤三】:工序的划分采用按安装次数来划分工序,共分六个工序。
第一次装夹:夹φ50毛坯,加工零件2外轮廓并切断零点在右端面中心;第二次装夹:夹零件φ50毛坯,加工零件3外轮廓并切断零点在左端面中心;第三次装夹:夹φ50毛坯,加工零件1左端外轮廓并切断;第四次装夹:夹零件1φ35外圆,加工右端外轮廓;第五次装夹:加工零件2内孔至尺寸要求零点在左端面中心;第六次装夹:加工零件3内孔及内螺纹至尺寸要求零点在右端面中心。
数控加工工艺过程卡数控加工是一种通过数控机床实现零件加工的技术,它具有高精度、高效率、高稳定性等优点,在现代制造业中得到广泛应用。
而数控加工工艺过程卡是对数控加工过程的描述和规范,它包含了零件的工艺流程、机床设备的参数设置、刀具的选用和刀具路径规划等信息。
以下是一个关于数控加工工艺过程卡的示例,供参考:零件名称:薄壁零件材料:铝合金6061加工精度:0.01mm加工工艺:铣削、钻孔、螺纹加工设备:数控铣床、数控钻床刀具:铣刀、钻孔刀、螺纹攻丝刀1.工艺流程:1.1首先根据图纸进行零件的准备和标记1.2将工件夹紧于数控铣床工作台1.3调整数控铣床的零点和坐标轴1.4选择合适的铣刀,装夹在数控铣床刀柄上1.5设置加工参数,确定切削速度和进给速度1.6进行主体加工,包括铣削外形和加工孔位1.7检验零件尺寸和形状是否满足要求2.设备参数设置(数控铣床):2.1设置工件夹具和工作台的夹紧力2.2调整数控铣床的零点和坐标轴2.3根据刀具类型和材料确定切削速度和进给速度2.4调整刀具的位置和切削深度2.5检查数控铣床的润滑系统是否正常运行3.刀具选用:3.1铣削外形:选择合适的面铣刀,刀径根据零件尺寸确定3.2钻孔:选择合适的钻孔刀,直径根据零件需求确定3.3螺纹加工:选择合适的螺纹攻丝刀,根据螺纹尺寸和规格确定4.刀具路径规划:4.1铣削外形:根据零件几何形状和加工要求,确定铣刀的切削路径和铣削方向4.2钻孔:根据孔位和孔径确定钻孔的位置和顺序4.3螺纹加工:根据螺纹的要求,确定攻丝刀的加工路径和攻丝顺序5.加工注意事项:5.1在加工过程中,保持加工液的供给和润滑系统的正常工作5.2在加工过程中,及时清理切削屑和切屑槽,以保证切削效果和切屑排出5.3加工前要检查工具刀具是否完好,并及时更换磨损或损坏的刀具通过对数控加工工艺过程的规范和描述,可以确保零件的加工质量和生产效率,提高工艺流程的标准化和规范化,为企业的生产制造提供有力的支持。
第3章数控加工中工件的定位与装夹作业答案思考与练习题1、车削薄壁零件如何夹紧工件?答:轴向夹紧或增加夹紧力作用点面积。
2、确定工件在夹具中应限制自由度数目的依据是什么?答:根据工件加工精度要求。
3、试简述定位与夹紧之间的关系。
答:任务不同,定位使加工前工件在机床上占有正确的位置,而夹紧则使工件在加工过程中始终保持在原先确定的位置上。
两者相辅相成,缺一不可。
4、采用夹具装夹工件有何优点?答:a. 易于保证工件的加工精度。
b. 使用夹具可改变和扩大原机床的功能,实现“一机多用”。
c. 使用夹具后,不仅省去划线找正等辅助时间,而且有时还可采用高效率的多件、多位、机动夹紧装置,缩短辅助时间,从而大大提高劳动生产率。
d. 用夹具装夹工件方便、省力、安全。
e. 在批量生产中使用夹具时,由于劳动生产率的提高和允许使用技术等级较低的工人操作,故可明显地降低生产成本。
5、当基准重合原则和基准统一原则发生矛盾时,怎么解决?答:以保证工件加工精度为原则,若采用统一定位基准能够保证加工表面的尺寸精度,则应遵循基准统一原则;若不能保证尺寸精度,则应遵循基准重合原则,以免使工序尺寸的实际公差值减小,增加加工难度。
6、什么情况下才需要计算定位误差?答:用夹具装夹、调整法加工一批工件的条件下,基准不重合时,需要计算定位误差。
若采用试切法加工,不存在定位误差,因而也不需要计算定位误差。
7、如何理解定位面与定位基准的区别?答:工件在夹具中的位置是以其定位基面与定位元件的相互接触(配合)来确定的,工件以平面定位时,定位面就是定位基准;工件以内、外圆柱面定位时,定位面是内、外圆柱面,而定位基准则是中心线。
8、车床上装夹轴类零件时,如何找正?答:工件外圆上选择相距较远的两点,用百分表找正。
模拟自测题一、单项选择题1、过定位是指定位时,工件的同一(B)被多个定位元件重复限制的定位方式。
(A)平面(B)自由度(C)圆柱面(D)方向2、若工件采取一面两销定位,限制的自由度数目为( A )(A)六个(B)二个(C)三个(D)四个3、在磨一个轴套时,先以内孔为基准磨外圆,再以外圆为基准磨内孔,这是遵循( D )的原则。
数控机简卡没有落日般的瑰丽,没有流云般的飘逸,但可以有水晶般的清纯与透明。
没有大山般的巍峨,没有湖水般的轻柔,但可以有岩石般的坚毅与稳重。
没有大海般的浩瀚,没有瀑布般的飞泻,但可以有泥土般的朴素与随和。
数控机床工艺简卡没有落日般的瑰丽,没有流云般的飘逸,但可以有水晶般的清纯与透明。
没有大山般的巍峨,没有湖水般的轻柔,但可以有岩石般的坚毅与稳重。
没有大海般的浩瀚,没有瀑布般的飞泻,但可以 有泥土般的朴素与随和。
以A B 平■面为基准数控机床工艺简卡没有落日般的瑰丽,没有流云般的飘逸,但可以有水晶般的清纯与透明。
没有大山般的巍峨,没有湖水般的轻柔,但可以有岩石般的坚毅与稳重。
没有大海般的浩瀚,没有瀑布般的飞泻,但可以有泥土般的朴素与随和。
风从水上走过,留下粼粼波纹;骆驼从沙漠上走过,留下深深的脚印 ;哨鸽从天空飞过,留下串串欢韵 ;岁月从树林穿过,留下圈圈年轮。
啊,朋友,我们从时代的舞台走过,将给社会留下些什么花从春走过,留下缕缕花香;叶从夏走过,留下片片荫凉;风从秋走过,留下阵阵金浪;雪从冬走过,留下种种希望。
啊,朋友,我们从人生的四季走过,将给人生留下些什么鲤各配合孔钻孔 攻螺数控机床工艺简卡没有落日般的瑰丽,没有流云般的飘逸,但可以有水晶般的清纯与透明。
没有大山般的巍峨,没有湖水般的轻柔,但可以有岩石般的坚毅与稳重。
没有大海般的浩瀚,没有瀑布般的飞泻,但可以 有泥土般的朴素与随和。
50一面两孔定位数控机床工艺简卡没有落日般的瑰丽,没有流云般的飘逸,但可以有水晶般的清纯与透明。
没有大山般的巍峨,没有湖水般的轻柔,但可以有岩石般的坚毅与稳重。
没有大海般的浩瀚,没有瀑布般的飞泻,但可以 有泥土般的朴素与随和。
50 鲤各配合 孔钻孔 攻螺纹一面两孔定位60 铢面枕槽倒角钻孔以平■面B F定位没有落日般的瑰丽,没有流云般的飘逸,但可以有水晶般的清纯与透明。
没有大山般的巍峨,没有湖水般的轻柔,但可以有岩石般的坚毅与稳重。
2.2 数控加工工艺设计过程2.2.1数控加工工艺一般过程图2-2-1 数控加工工艺过程示意图用数控机床上加工工件时,首先应先根据工件图样,分析工件的结构形状、尺寸和技术要求,以此作为制定工件数控加工工艺的依据。
制订数控加工工艺过程,首先,要确定工件数控加工的内容、要求;然后,设计加工过程,选择机床和刀具,确定工件定位装夹,确定数控工序中工步和次序,确定每个工步的刀具路线、切削参数;最后,填写工艺文件和加工程序及程序校验等。
数控加工工艺过程如图2-2-1所示。
2.2.2数控加工内容的选择当选择并决定对某个零件进行数控加工后,并非其全部加工内容都采用数控加工,宜选择那些适合、需要的内容和工序进行数控加工,注意充分发挥数控的优势。
1.选择数控加工内容:(1)选择普通机床无法加工的复杂异形零件结构作为数控加工内容。
如,数控机床依靠数控系统实现多坐标控制和多坐标联动,形成复合运动,可以进行复杂型面的加工.。
(2) 选择普通机床加工质量难以保证的内容作为数控加工内容。
如,尺寸精度、形位精度和表面粗糙度等要求高的零件(3) 选择普通机床加工效率低、工人手工操作劳动强度大的内容作为数控加工内容。
如,形状复杂,尺寸繁多,划线与检测困难,普通机床上加工难以观察和控制的零件。
(4) 选择一致性要求好的零件作为数控加工内容。
在批量生产中,由于数控机床本身的定位精度和重复定位精度都较高,能够避免在普通机床加工时人为因素造成的多种误差,数控机床容易保证成批零件的一致性,使其加工精度得到提高,质量更加稳定。
2.不宜选择数控加工内容:(1) 需要用较长时间占机调整的加工内容。
(2) 加工余量极不稳定,且数控机床上又无法自动调整零件坐标位置的加工内容。
(3) 不能在一次安装中加工完成的零星分散部位,采用数控加工很不方便,效果不明显,可以安排普通机床补充加工。
此外,在选择数控加工内容时,还要考虑生产批量、生产周期、工序间周转情况等因素,合理使用数控机床.2.2.3数控加工要求分析对适合数控加工的工件图样进行分析,以明确数控机床加工内容的加工要求。
数控零件加工编程及机床夹具设计说明书毕业设计目录1 专用夹具设计任务 (3)2 夹具设计 (5)2.1零件分析及夹具方案对比 (5)2.2定位基准的选择 (5)2.3切削力及夹紧力计算 (5)2.4定位误差分析 (5)2.5夹具设计及操作说明 (6)二、手工编程 (7)1、工艺分析 (7)2、加工程序 (8)3:机床模拟 (10)(1)设置毛坯 (10)(2)刀具选择 (11)(3)刀具补正设置 (12)(4):坐标系设置 (13)(5):程序输入 (13)(6):模拟结果 (14)三、自动编程 (14)1:任务来源 (14)2:加工工艺分析及规划 (15)3:参数设置 (16)4:软件模拟 (19)5:后置处理 (20)6:NC代码(部分) (21)1 专用夹具设计任务本次专用夹具设计任务是建立在被加工零件的工艺流程已经确定的前提下进行的专用夹具设计,具体零件及工艺加工工艺过程卡片如下:此零件为(零件简要说明),其具体结构及工程图如下:夹具设计零件图经指导老师指导了解到此零件夹具为钻夹具,其工程图如下2 夹具设计2.1零件分析及夹具方案对比采用6点定位原理固定零件,用一个滑动V型块固定他在水平方向的移动。
用定位套固定他在垂直方向的移动。
滑动V型块是用螺纹螺旋夹紧的方式来控制的,在固定后,利用螺纹的自锁,防止由于加工过程中受力,是滑动V型块滑动,造成误差和工件的损坏。
2.2 定位基准的选择零件的下端面。
2.3 切削力及夹紧力计算V型块的加紧力和刀具进给时的切削力。
根据静力学平衡原理列出静力平衡方程式,就可以计算出夹紧力。
2.4 定位误差分析(1)定位误差(Δdw)的计算:Δjb :∵定位基准重合∴Δjb=0Δdb:Δdb=1/2(ΔD+Δd+Δmin)=1/2(0.027+0.009+0)=0.018Δdw:∵Δjb和Δdb相关∴Δdw=0.018∵Δdw≤1/3 T ∴满足要求。
孔的内壁和下底面的垂直度要求2.5 夹具设计及操作说明夹具底座固定轴轴套轴套滑动V型块转动手柄夹具三维装配图二、手工编程任务来源:已知毛坯是外径φ40mm的铝棒,割刀宽4mm。
一、实习目的及要求(一)实习目的:生产实习的目的是使学生进行理论与实践的结合,引导提高学生分析问题和解决问题的能力,生产实习是结合本专业机械制造技术基础、机电控制系统、液压传动等专业课程和工程技术基础课程进行,通过实习完成以下任务:1.使学生了解本专业生产实际知识,巩固己学过的工程技术基础与部分专业课;为后续专业课的学习、课程设计以及毕业设计打下基础;2.培养工程实践能力,利用所学知识分析和解决具体生产工艺技术问题的能力;3.开拓视野、了解工业控制技术计算机技术、自动控制技术、传感技术、先进制造技术在机械制造中的具体应用;4.了解生产厂家的生产过程、机械制造中的物质流、信息流和能量流;(二)基本要求:1.通过实习,须掌握机械加工工艺知识,能够根据现场进行工艺分析与应用;指定2-3个典型零件的加工工艺轴、箱体、齿轮等,根据制造工艺规程的基本要求,从以下几方面分析与应用:1零件的功用、结构特点和工作条件:2零件的材料和毛坯制作方法:3零件的技术要求;4零件的加工工艺过程,各工序所用设备型号、规格、工作性能等;工艺装备刀具、夹具、量具的结构、性能、使用方法和检查方法;5零件机械加工工艺过程分析及典型夹具,包括:定位基准的选择,加工阶段的划分,工序的集中与分散,主要工序夹具的定位夹紧;2.了解装配工艺实习1了解机械产品的装配过程与方法,了解装配工艺规程;2分析装配精度的保障措施;3了解装配精度和零件精度的关系;4了解互换装配法、分组装配法和修配装配法的概念;3.掌握数控机床实习1了解数控机床的基本组成和工作原理2了解数控机床的特点和应用:3了解数控机床的机械结构和运动部件的结构特点;4了解有关零部件的间隙消除、调整及预紧的基本原理;了解光电编码器光栅及旋转变压器等检测元件;5了解数控编程技术与数控加工工艺的特点6了解数控机床的精度检验;4.实习现场:要求统一工作服,统一工作帽。
数控加工工艺文件有哪些?各文件主要内容和编写方法数控加工工艺文件既是数控加工、产品验收的依据,也是操作者要遵守、执行的规程,同时还为产品零件重复生产做了技术上的必要工艺资料积累和储备。
它是编程员在编制加工程序单时作出的与程序单相关的技术文件。
该文件主要包括数控加工工序卡、数控刀具调整单、机床调整单、零件加工程序单等。
不同的数控机床,工艺文件的内容有所不同,为了加强技术文件管理,数控加工工艺文件也应向标准化、规范化的方向发展。
但目前由于种种原因国家尚未制定统一的标准,各企业应根据本单位的特点制定上述必要的工艺文件,现简介如下,仅供参考。
一、工序卡数控加工工序卡与普通加工工序卡有许多相似之处,但不同的是该卡中应反映使用的辅具、刃具切削参数、切削液等,它是操作人员配合数控程序进行数控加工的主要指导性工艺资料。
工序卡应按已确定的工步顺序填写。
若在数控机床上只加工零件的一个工步时,也可不填写工序卡。
在工序加工内容不十分复杂时,可把零件草图反应在工序卡上,并注明编程原点和对刀点等。
二、数控刀具调整单数控刀具调整单主要包括数控刀具卡片(简称刀具卡)和数控刀具明细表.(简称刀具表)两部分。
数控加工时,对刀具的要求十分严格,一般要在机外对刀仪上,事先调整好刀具直径长度。
刀具卡主要反映刀具编号、刀具结构、尾柄规格、组合件名称代号、刀片型号和材料等,它是组装刀具和调整刀具的依据。
数控刀具明细表是调刀人员调整刀具输入的主要依据。
三、机床调整单机床调整单是机床操作人员在加工前调整机床的依据。
它主要包括机床控制面板开关调整单和数控加工零件安装、零点设定卡片两部分。
机床控制面板开关调整单,主要记有机床控制面板上有关“开关”的位置,如进给速度f、调整旋钮位置或超调(倍率)旋钮位置、刀具半径补偿旋钮位置或刀具补偿拨码开关组数值表、垂直校验开关及冷却方式等内容。
几点说明:1)对于由程序中给出速度代码(如给出F1,F2等)而其进给速度由拨盘拨入的情况,在机床调整单中应给出各代码的进给速度值。