[支承垫石]混凝土(拌和、浇筑)检验批质量验收记录表(Ⅰ)
- 格式:xls
- 大小:24.50 KB
- 文档页数:6
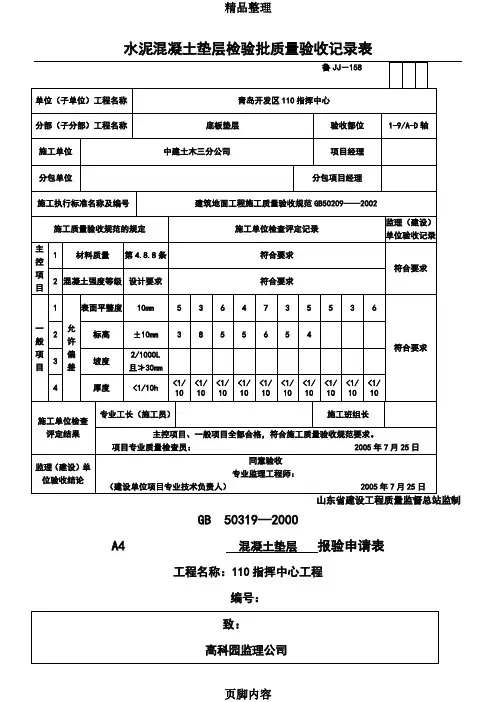
水泥混凝土垫层检验批质量验收记录表
GB 50319—2000
A4 混凝土垫层报验申请表工程名称:110指挥中心工程
编号:
山东省建设监理协会统一印制
水泥混凝土垫层检验批质量验收记录表
GB 50319—2000
A4 混凝土垫层报验申请表工程名称:110指挥中心工程
编号:
山东省建设监理协会统一印制水泥混凝土垫层检验批质量验收记录表
鲁JJ-158
GB 50319—2000
A4 混凝土垫层报验申请表工程名称:110指挥中心工程
编号:
山东省建设监理协会统一印制水泥混凝土垫层检验批质量验收记录表
鲁JJ-158
GB 50319—2000
A4 混凝土垫层报验申请表工程名称:110指挥中心工程
编号:
山东省建设监理协会统一印制水泥混凝土垫层检验批质量验收记录表
鲁JJ-158
GB 50319—2000
A4 混凝土垫层报验申请表工程名称:110指挥中心工程
编号:
山东省建设监理协会统一印制。
混凝土施工工程检验批质量验收记录二、建设单位:________三、工程名称:________四、施工单位:________五、工程地点:________六、工程规模及内容:________七、施工周期:____年___月___日至____年___月___日八、检验期:____年___月___日至____年___月___日一、检验批编号:_____二、本批施工工程主要项目:1.工程进度按照合同约定进行。
2.工程质量按照国家相关标准进行控制。
3.构筑物的混凝土强度等级为____。
4.施工现场安全管理符合国家相关要求。
5.相关材料符合国家相关标准。
三、检验结果1.检验人员及资格:_______;_______;_______。
2.检验方法:符合相关国家标准。
3.检验地点:_______。
4.检验日期:____年___月___日。
四、检验项目及结论1.混凝土原材料:1)水泥项目:外观、硫酸盐含量、标号、包装、生产厂家等。
结论:______。
2)砂项目:颗粒分析、含水率、杂质含量等。
结论:______。
3)石子项目:颗粒分析、强度、杂质含量等。
结论:______。
4)水项目:外观、浊度、酸碱度等。
结论:______。
2.混凝土配合比:项目:水灰比、砂率、粗细配合、坍落度等。
结论:______。
3.施工工艺:1)浇注前准备项目:模板安装、钢筋绑扎、通风、浇注前的清场等。
结论:______。
2)浇注过程项目:泵送机设备状况、混凝土浇注方式、掺合料的使用等。
结论:______。
3)浇注后处理项目:养护期、养护温度、养护湿度等。
结论:______。
4.混凝土强度:项目:试块制作、试块养护、试块试验等。
结论:______。
五、质检工程师意见:_______。
六、结论:经检验,本批施工工程质量符合相关标准和要求。
七、备注:_______。
附:检测报告、试验原始记录、试验设备校准证书、质量证明文件等。
注:本记录一式两份,建设单位、施工单位各保存一份。
水泥混凝土垫层检验批质量验收记录表
山东省建设工程质量监督总站监制.
GB 50319—2000
A4 报验申请表混凝土垫层
工程名称:110指挥中心工程编号:
山东省建设监理协会统一印制.
水泥混凝土垫层检验批质量验收记录表
山东省建设工程质量监督总站监制.
GB 50319—2000
A4 报验申请表混凝土垫层
工程名称:110指挥中心工程编号:
山东省建设监理协会统一印制.
水泥混凝土垫层检验批质量验收记录表
山东省建设工程质量监督总站监制.
GB 50319—2000
A4 报验申请表混凝土垫层
工程名称:110指挥中心工程编号:
山东省建设监理协会统一印制.
水泥混凝土垫层检验批质量验收记录表
山东省建设工程质量监督总站监制.
GB 50319—2000
A4 报验申请表混凝土垫层
工程名称:110指挥中心工程编号:
山东省建设监理协会统一印制.
水泥混凝土垫层检验批质量验收记录表
山东省建设工程质量监督总站监制.
GB 50319—2000
A4 报验申请表混凝土垫层
工程名称:110指挥中心工程编号:
山东省建设监理协会统一印制.。
工程报验申请表(工序报验)工程名称:山西中南部铁路通道工程ZNTJ-1标编号:致华铁监理工程咨询有限公司山西中南部铁路通道工程ZNTJ-1标监理站:根据施工承包合同和设计文件的要求,我单位已完成刘家峁大桥3#墩1#桩基混凝土工程并自验合格,报请检查。
附件:1、混凝土(原材料及配合比)检验批质量验收记录表(Ⅰ)2、混凝土(施工)检验批质量验收记录表(Ⅱ)3、钻孔桩灌注水下砼施工记录4、工程检查证(检查桥梁桩基水下混凝土灌注前桩孔及钢筋笼情况)主管工程师:质检工程师:日期:监理工程师意见:专业监理工程师:年月日注:本表一式三份,施工单位二份,监理单位一份。
混凝土(原材料及配合比)检验批质量验收记录表(Ⅰ)03010405□□□单位工程名称山西中南部铁路通道工程 DK6+556.87 刘家峁大桥分部工程名称钻孔桩和挖孔桩分项工程名称混凝土验收部位3号墩1#桩施工单位中铁十二局集团有限公司项目负责人张德生施工质量验收标准名称及编号[A]:《铁路混凝土与砌体工程施工质量验收标准》TB10424—2003[B]:《铁路桥涵工程施工质量验收标准》TB10415—2003施工质量验收标准的规定施工单位检查评定记录监理单位验收记录主控项目1 水泥质量[A]第6.2.1条[A]第9.3.4条合格证1份,编号:P.O-075-B,试验报告1份,编号:4-6-SNS-20090320-1,质量合格2 细骨料质量[A]第6.2.2条试验报告1份,编号:4-6-FMH-20090313-1,质量合格3 粗骨料质量[A]第6.2.3条[A]第9.3.5条试验报告1份,编号:4-6-FMH-20090313-1,质量合格4 外加剂质量[A]第6.2.4条合格证1份,编号:90120N72,检验报告1份,编号:4-6-WJJ-20090210-1,质量合格5 拌合用水质量[A]第6.2.5条分析报告1份,编号:NO.08建0504,质量合格6 掺和料质量[A]第6.2.6条合格证1份,编号:;试验报告1份,编号:。
混凝土施工检验批质量验收记录表GB50204-2002(Ⅱ)010603□□020103□□单位(子单位)工程名称邵东县金旺农贸大市场分部(子分部)工程名称主体工程验收部位农贸市场东边车道施工单位海南联合建工集团有限公司项目经理符若施工执行标准名称及编号GB50204-2002施工质量验收规范的规定施工单位检查评定记录监理(建设)单位验收记录主控项目1 混凝土强度等级及试件的取样和留置第7.4.1条符合要求2 混凝土抗渗及试件取样和留置第7.4.2条3 原材料每盘称量的偏差第7.4.3条4 初凝时间控制第7.4.4条符合要求一般项目1 施工缝的位置和处理第7.4.5条2 后浇带的位置和浇筑第7.4.6条3 混凝土的养护第7.4.7条符合要求施工单位检查评定结果专业工长(施工员)施工班组长项目专业质量检查员:年月日监理(建设)单位验收结论专业监理工程师(建设单位项目专业技术负责人):年月日说明:1、主控项目:①结构混凝土的强度等级必须符合设计要求。
用于检查结构构件混凝土强度的试件,应在混凝土的浇筑地点随机抽取。
取样与试件留置应符合下列规定:每拌制100盘且不超过100m3的同配合比的混凝土,取样不得少于一次;每工作班拌制的同一配合比的混凝土不足100盘时,取样不得少于一次;当一次连续浇筑超过1000 m3时,同一配合比的混凝土每200 m3取样不得少于一次;每一楼层、同一配合比的混凝土,取样不得少于一次;每次取样应至少留置一组标准养护试件,同条件养护试件的留置组数应根据实际需要确定。
检查施工记录及试件强度试验报告。
②对有抗渗要求的混凝土结构,其混凝土试件应在浇筑地点随机取样。
同一工程、同一配合比的混凝土,取样不应少于一次,留置组数可根据实际需要确定。
检查试件抗渗试验报告。
③混凝土原材料每盘称量的偏差应符合水泥、掺料±2%,粗细管料±3%,水、外加剂±2%。
每工作班抽查不少于一次,检查后形成记录。
新建蒙西至华中地域铁路煤运通道工程之南宫帮珍创
作
钢筋(原资料及加工)检验批质量验收记录表(Ⅰ)
钢筋(连接及装置)检验批质量验收记录表(Ⅱ)
模板及支(拱)架工程检验批质量验收记录表
新建蒙西至华中地域铁路煤运通道工程
混凝土(原资料及配合比)检验批质量验收记录表(Ⅰ)
新建蒙西至华中地域铁路煤运通道工程
混凝土(施工)检验批质量验收记录表(Ⅱ)
混凝土(养护及检测)检验批质量验收记录表(Ⅲ)
03010803□□□
混凝土(结构外观和尺寸偏差)检验批质量验收记录表(Ⅳ)
03010803□□□。
(Ⅶ)030101 单位(子单位)工程名称贵州省六盘水市盘县人民医院建设项目门急诊综合大楼建设工程分部(子分部)工程名称基础工程验收部位A~H~1/H交10~15轴基础承台混凝土垫层浇筑施工单位遵义建工(集团)有限公司项目经理范建辉分包单位/ 分包项目经理/ 施工执行标准名称及编号施工质量验收规范的规定施工单位检查评定记录监理(建设)单位验收记录主控项目1 材料质量设计要求2 混凝土强度等级设计要求一般项目1允许偏差表面平整度10mm2 标高±10mm3 坡度2/1000,且≯30mm4 厚度<1/10施工单位检查评定结果专业工长(施工员)施工班组长项目专业质量检查员:年月日监理(建设)单位验收结论专业监理工程师:(建设单位项目专业技术负责人):年月日(Ⅶ)030101 单位(子单位)工程名称贵州省六盘水市盘县人民医院建设项目门急诊综合大楼建设工程分部(子分部)工程名称基础工程验收部位A~H~1/H交10~15轴基础底板混凝土垫层浇筑施工单位遵义建工(集团)有限公司项目经理范建辉分包单位/ 分包项目经理/ 施工执行标准名称及编号施工质量验收规范的规定施工单位检查评定记录监理(建设)单位验收记录主控项目1 材料质量设计要求2 混凝土强度等级设计要求一般项目1允许偏差表面平整度10mm2 标高±10mm3 坡度2/1000,且≯30mm4 厚度<1/10施工单位检查评定结果专业工长(施工员)施工班组长项目专业质量检查员:年月日监理(建设)单位验收结论专业监理工程师:(建设单位项目专业技术负责人):年月日250(Ⅶ)030101 单位(子单位)工程名称贵州省六盘水市盘县人民医院建设项目门急诊综合大楼建设工程分部(子分部)工程名称基础工程验收部位A~H~1/H交5~10轴基础承台混凝土垫层浇筑施工单位遵义建工(集团)有限公司项目经理范建辉分包单位/ 分包项目经理/ 施工执行标准名称及编号施工质量验收规范的规定施工单位检查评定记录监理(建设)单位验收记录主控项目1 材料质量设计要求2 混凝土强度等级设计要求一般项目1允许偏差表面平整度10mm2 标高±10mm3 坡度2/1000,且≯30mm4 厚度<1/10施工单位检查评定结果专业工长(施工员)施工班组长项目专业质量检查员:年月日监理(建设)单位验收结论专业监理工程师:(建设单位项目专业技术负责人):年月日(Ⅶ)030101 单位(子单位)工程名称贵州省六盘水市盘县人民医院建设项目门急诊综合大楼建设工程分部(子分部)工程名称基础工程验收部位A~H~1/H交5~10轴基础底板混凝土垫层浇筑施工单位遵义建工(集团)有限公司项目经理范建辉分包单位/ 分包项目经理/ 施工执行标准名称及编号施工质量验收规范的规定施工单位检查评定记录监理(建设)单位验收记录主控项目1 材料质量设计要求2 混凝土强度等级设计要求一般项目1允许偏差表面平整度10mm2 标高±10mm3 坡度2/1000,且≯30mm4 厚度<1/10施工单位检查评定结果专业工长(施工员)施工班组长项目专业质量检查员:年月日监理(建设)单位验收结论专业监理工程师:(建设单位项目专业技术负责人):年月日252(Ⅶ)030101 单位(子单位)工程名称贵州省六盘水市盘县人民医院建设项目门急诊综合大楼建设工程分部(子分部)工程名称基础工程验收部位A~H~1/H交1-1~5轴基础承台混凝土垫层浇筑施工单位遵义建工(集团)有限公司项目经理范建辉分包单位/ 分包项目经理/ 施工执行标准名称及编号施工质量验收规范的规定施工单位检查评定记录监理(建设)单位验收记录主控项目1 材料质量设计要求2 混凝土强度等级设计要求一般项目1允许偏差表面平整度10mm2 标高±10mm3 坡度2/1000,且≯30mm4 厚度<1/10施工单位检查评定结果专业工长(施工员)施工班组长项目专业质量检查员:年月日监理(建设)单位验收结论专业监理工程师:(建设单位项目专业技术负责人):年月日(Ⅶ)030101 单位(子单位)工程名称贵州省六盘水市盘县人民医院建设项目门急诊综合大楼建设工程分部(子分部)工程名称基础工程验收部位A~H~1/H交1-1~5轴基础底板混凝土垫层浇筑施工单位遵义建工(集团)有限公司项目经理范建辉分包单位/ 分包项目经理/ 施工执行标准名称及编号施工质量验收规范的规定施工单位检查评定记录监理(建设)单位验收记录主控项目1 材料质量设计要求2 混凝土强度等级设计要求一般项目1允许偏差表面平整度10mm2 标高±10mm3 坡度2/1000,且≯30mm4 厚度<1/10施工单位检查评定结果专业工长(施工员)施工班组长项目专业质量检查员:年月日监理(建设)单位验收结论专业监理工程师:(建设单位项目专业技术负责人):年月日254(Ⅶ)030101 单位(子单位)工程名称贵州省六盘水市盘县人民医院建设项目门急诊综合大楼建设工程分部(子分部)工程名称基础工程验收部位A~H~1/H交10~15轴基础地梁混凝土垫层浇筑施工单位遵义建工(集团)有限公司项目经理范建辉分包单位/ 分包项目经理/ 施工执行标准名称及编号施工质量验收规范的规定施工单位检查评定记录监理(建设)单位验收记录主控项目1 材料质量设计要求2 混凝土强度等级设计要求一般项目1允许偏差表面平整度10mm2 标高±10mm3 坡度2/1000,且≯30mm4 厚度<1/10施工单位检查评定结果专业工长(施工员)施工班组长项目专业质量检查员:年月日监理(建设)单位验收结论专业监理工程师:(建设单位项目专业技术负责人):年月日(Ⅶ)030101 单位(子单位)工程名称贵州省六盘水市盘县人民医院建设项目门急诊综合大楼建设工程分部(子分部)工程名称基础工程验收部位A~H~1/H交5~10轴基础地梁混凝土垫层浇筑施工单位遵义建工(集团)有限公司项目经理范建辉分包单位/ 分包项目经理/ 施工执行标准名称及编号施工质量验收规范的规定施工单位检查评定记录监理(建设)单位验收记录主控项目1 材料质量设计要求2 混凝土强度等级设计要求一般项目1允许偏差表面平整度10mm2 标高±10mm3 坡度2/1000,且≯30mm4 厚度<1/10施工单位检查评定结果专业工长(施工员)施工班组长项目专业质量检查员:年月日监理(建设)单位验收结论专业监理工程师:(建设单位项目专业技术负责人):年月日256(Ⅶ)030101 单位(子单位)工程名称贵州省六盘水市盘县人民医院建设项目门急诊综合大楼建设工程分部(子分部)工程名称基础工程验收部位A~H~1/H交1-1~5轴基础地梁混凝土垫层浇筑施工单位遵义建工(集团)有限公司项目经理范建辉分包单位/ 分包项目经理/ 施工执行标准名称及编号施工质量验收规范的规定施工单位检查评定记录监理(建设)单位验收记录主控项目1 材料质量设计要求2 混凝土强度等级设计要求一般项目1允许偏差表面平整度10mm2 标高±10mm3 坡度2/1000,且≯30mm4 厚度<1/10施工单位检查评定结果专业工长(施工员)施工班组长项目专业质量检查员:年月日监理(建设)单位验收结论专业监理工程师:(建设单位项目专业技术负责人):年月日(Ⅶ)030101 单位(子单位)工程名称贵州省六盘水市盘县人民医院建设项目门急诊综合大楼建设工程分部(子分部)工程名称基础工程验收部位H~1/H~P交10~15轴基础地梁混凝土垫层浇筑施工单位遵义建工(集团)有限公司项目经理范建辉分包单位/ 分包项目经理/ 施工执行标准名称及编号施工质量验收规范的规定施工单位检查评定记录监理(建设)单位验收记录主控项目1 材料质量设计要求2 混凝土强度等级设计要求一般项目1允许偏差表面平整度10mm2 标高±10mm3 坡度2/1000,且≯30mm4 厚度<1/10施工单位检查评定结果专业工长(施工员)施工班组长项目专业质量检查员:年月日监理(建设)单位验收结论专业监理工程师:(建设单位项目专业技术负责人):年月日258(Ⅶ)030101 单位(子单位)工程名称贵州省六盘水市盘县人民医院建设项目门急诊综合大楼建设工程分部(子分部)工程名称基础工程验收部位H~1/H~P交5~10轴基础地梁混凝土垫层浇筑施工单位遵义建工(集团)有限公司项目经理范建辉分包单位/ 分包项目经理/ 施工执行标准名称及编号施工质量验收规范的规定施工单位检查评定记录监理(建设)单位验收记录主控项目1 材料质量设计要求2 混凝土强度等级设计要求一般项目1允许偏差表面平整度10mm2 标高±10mm3 坡度2/1000,且≯30mm4 厚度<1/10施工单位检查评定结果专业工长(施工员)施工班组长项目专业质量检查员:年月日监理(建设)单位验收结论专业监理工程师:(建设单位项目专业技术负责人):年月日(Ⅶ)030101 单位(子单位)工程名称贵州省六盘水市盘县人民医院建设项目门急诊综合大楼建设工程分部(子分部)工程名称基础工程验收部位H~1/H~P交1-1~5轴基础地梁混凝土垫层浇筑施工单位遵义建工(集团)有限公司项目经理范建辉分包单位/ 分包项目经理/ 施工执行标准名称及编号施工质量验收规范的规定施工单位检查评定记录监理(建设)单位验收记录主控项目1 材料质量设计要求2 混凝土强度等级设计要求一般项目1允许偏差表面平整度10mm2 标高±10mm3 坡度2/1000,且≯30mm4 厚度<1/10施工单位检查评定结果专业工长(施工员)施工班组长项目专业质量检查员:年月日监理(建设)单位验收结论专业监理工程师:(建设单位项目专业技术负责人):年月日260(Ⅶ)030101 单位(子单位)工程名称贵州省六盘水市盘县人民医院建设项目门急诊综合大楼建设工程分部(子分部)工程名称基础工程验收部位H~1/H~P交10~15轴基础承台混凝土垫层浇筑施工单位遵义建工(集团)有限公司项目经理范建辉分包单位/ 分包项目经理/ 施工执行标准名称及编号施工质量验收规范的规定施工单位检查评定记录监理(建设)单位验收记录主控项目1 材料质量设计要求2 混凝土强度等级设计要求一般项目1允许偏差表面平整度10mm2 标高±10mm3 坡度2/1000,且≯30mm4 厚度<1/10施工单位检查评定结果专业工长(施工员)施工班组长项目专业质量检查员:年月日监理(建设)单位验收结论专业监理工程师:(建设单位项目专业技术负责人):年月日(Ⅶ)030101 单位(子单位)工程名称贵州省六盘水市盘县人民医院建设项目门急诊综合大楼建设工程分部(子分部)工程名称基础工程验收部位H~1/H~P交10~15轴基础底板混凝土垫层浇筑施工单位遵义建工(集团)有限公司项目经理范建辉分包单位/ 分包项目经理/ 施工执行标准名称及编号施工质量验收规范的规定施工单位检查评定记录监理(建设)单位验收记录主控项目1 材料质量设计要求2 混凝土强度等级设计要求一般项目1允许偏差表面平整度10mm2 标高±10mm3 坡度2/1000,且≯30mm4 厚度<1/10施工单位检查评定结果专业工长(施工员)施工班组长项目专业质量检查员:年月日监理(建设)单位验收结论专业监理工程师:(建设单位项目专业技术负责人):年月日262(Ⅶ)030101 单位(子单位)工程名称贵州省六盘水市盘县人民医院建设项目门急诊综合大楼建设工程分部(子分部)工程名称基础工程验收部位H~1/H~P交5~10轴基础承台混凝土垫层浇筑施工单位遵义建工(集团)有限公司项目经理范建辉分包单位/ 分包项目经理/ 施工执行标准名称及编号施工质量验收规范的规定施工单位检查评定记录监理(建设)单位验收记录主控项目1 材料质量设计要求2 混凝土强度等级设计要求一般项目1允许偏差表面平整度10mm2 标高±10mm3 坡度2/1000,且≯30mm4 厚度<1/10施工单位检查评定结果专业工长(施工员)施工班组长项目专业质量检查员:年月日监理(建设)单位验收结论专业监理工程师:(建设单位项目专业技术负责人):年月日(Ⅶ)030101 单位(子单位)工程名称贵州省六盘水市盘县人民医院建设项目门急诊综合大楼建设工程分部(子分部)工程名称基础工程验收部位H~1/H~P交5~10轴基础底板混凝土垫层浇筑施工单位遵义建工(集团)有限公司项目经理范建辉分包单位/ 分包项目经理/ 施工执行标准名称及编号施工质量验收规范的规定施工单位检查评定记录监理(建设)单位验收记录主控项目1 材料质量设计要求2 混凝土强度等级设计要求一般项目1允许偏差表面平整度10mm2 标高±10mm3 坡度2/1000,且≯30mm4 厚度<1/10施工单位检查评定结果专业工长(施工员)施工班组长项目专业质量检查员:年月日监理(建设)单位验收结论专业监理工程师:(建设单位项目专业技术负责人):年月日264(Ⅶ)030101 单位(子单位)工程名称贵州省六盘水市盘县人民医院建设项目门急诊综合大楼建设工程分部(子分部)工程名称基础工程验收部位H~1/H~P交1-1~5轴基础承台混凝土垫层浇筑施工单位遵义建工(集团)有限公司项目经理范建辉分包单位/ 分包项目经理/ 施工执行标准名称及编号施工质量验收规范的规定施工单位检查评定记录监理(建设)单位验收记录主控项目1 材料质量设计要求2 混凝土强度等级设计要求一般项目1允许偏差表面平整度10mm2 标高±10mm3 坡度2/1000,且≯30mm4 厚度<1/10施工单位检查评定结果专业工长(施工员)施工班组长项目专业质量检查员:年月日监理(建设)单位验收结论专业监理工程师:(建设单位项目专业技术负责人):年月日(Ⅶ)030101 单位(子单位)工程名称贵州省六盘水市盘县人民医院建设项目门急诊综合大楼建设工程分部(子分部)工程名称基础工程验收部位D交11、E交13轴集水坑混凝土垫层浇筑施工单位遵义建工(集团)有限公司项目经理范建辉分包单位/ 分包项目经理/施工执行标准名称及编号施工质量验收规范的规定施工单位检查评定记录监理(建设)单位验收记录主控项目1 材料质量设计要求2 混凝土强度等级设计要求一般项目1允许偏差表面平整度10mm2 标高±10mm3 坡度2/1000,且≯30mm4 厚度<1/10施工单位检查评定结果专业工长(施工员)施工班组长项目专业质量检查员:年月日监理(建设)单位验收结论专业监理工程师:(建设单位项目专业技术负责人):年月日266(Ⅶ)030101 单位(子单位)工程名称贵州省六盘水市盘县人民医院建设项目门急诊综合大楼建设工程分部(子分部)工程名称基础工程验收部位E交8轴集水坑混凝土垫层浇筑施工单位遵义建工(集团)有限公司项目经理范建辉分包单位/ 分包项目经理/施工执行标准名称及编号施工质量验收规范的规定施工单位检查评定记录监理(建设)单位验收记录主控项目1 材料质量设计要求2 混凝土强度等级设计要求一般项目1允许偏差表面平整度10mm2 标高±10mm3 坡度2/1000,且≯30mm4 厚度<1/10施工单位检查评定结果专业工长(施工员)施工班组长项目专业质量检查员:年月日监理(建设)单位验收结论专业监理工程师:(建设单位项目专业技术负责人):年月日(Ⅶ)030101 单位(子单位)工程名称贵州省六盘水市盘县人民医院建设项目门急诊综合大楼建设工程分部(子分部)工程名称基础工程验收部位E交2、5轴集水坑混凝土垫层浇筑施工单位遵义建工(集团)有限公司项目经理范建辉分包单位/ 分包项目经理/施工执行标准名称及编号施工质量验收规范的规定施工单位检查评定记录监理(建设)单位验收记录主控项目1 材料质量设计要求2 混凝土强度等级设计要求一般项目1允许偏差表面平整度10mm2 标高±10mm3 坡度2/1000,且≯30mm4 厚度<1/10施工单位检查评定结果专业工长(施工员)施工班组长项目专业质量检查员:年月日监理(建设)单位验收结论专业监理工程师:(建设单位项目专业技术负责人):年月日268(Ⅶ)030101 单位(子单位)工程名称贵州省六盘水市盘县人民医院建设项目门急诊综合大楼建设工程分部(子分部)工程名称基础工程验收部位K交11、L交13轴集水坑混凝土垫层浇筑施工单位遵义建工(集团)有限公司项目经理范建辉分包单位/ 分包项目经理/施工执行标准名称及编号施工质量验收规范的规定施工单位检查评定记录监理(建设)单位验收记录主控项目1 材料质量设计要求2 混凝土强度等级设计要求一般项目1允许偏差表面平整度10mm2 标高±10mm3 坡度2/1000,且≯30mm4 厚度<1/10施工单位检查评定结果专业工长(施工员)施工班组长项目专业质量检查员:年月日监理(建设)单位验收结论专业监理工程师:(建设单位项目专业技术负责人):年月日(Ⅶ)030101 单位(子单位)工程名称贵州省六盘水市盘县人民医院建设项目门急诊综合大楼建设工程分部(子分部)工程名称基础工程验收部位K交8轴集水坑及L 交6轴电梯井混凝土垫层浇筑施工单位遵义建工(集团)有限公司项目经理范建辉分包单位/ 分包项目经理/ 施工执行标准名称及编号施工质量验收规范的规定施工单位检查评定记录监理(建设)单位验收记录主控项目1 材料质量设计要求2 混凝土强度等级设计要求一般项目1允许偏差表面平整度10mm2 标高±10mm3 坡度2/1000,且≯30mm4 厚度<1/10施工单位检查评定结果专业工长(施工员)施工班组长项目专业质量检查员:年月日监理(建设)单位验收结论专业监理工程师:(建设单位项目专业技术负责人):年月日270(Ⅶ)030101 单位(子单位)工程名称贵州省六盘水市盘县人民医院建设项目门急诊综合大楼建设工程分部(子分部)工程名称基础工程验收部位K交2、5轴集水坑混凝土垫层浇筑施工单位遵义建工(集团)有限公司项目经理范建辉分包单位/ 分包项目经理/施工执行标准名称及编号施工质量验收规范的规定施工单位检查评定记录监理(建设)单位验收记录主控项目1 材料质量设计要求2 混凝土强度等级设计要求一般项目1允许偏差表面平整度10mm2 标高±10mm3 坡度2/1000,且≯30mm4 厚度<1/10施工单位检查评定结果专业工长(施工员)施工班组长项目专业质量检查员:年月日监理(建设)单位验收结论专业监理工程师:(建设单位项目专业技术负责人):年月日272。
验收结论
详见试验报告,符合要求
详见试验报告,符合要求
详见试验报告,符合要求
实测温度**次,分别为**℃
与邻接介质温差及介质温度实测邻接介质温度**次,分别为**℃,介质温施工缝位置和连接形式施工缝的预留位置和连接形式符合设计要求
采用**凿毛,凿毛面积**%
报告,符合要求
报告,符合要求
报告,符合要求
*次,分别为**℃
介质温度**次,分别为**℃,介质温差分别为**℃。
预留位置和连接形式符合设计要求
毛,凿毛面积**%
详见试验报告,符合要求
详见试验报告,符合要求
详见试验报告,符合要求
实测温度**次,分别为**℃
与邻接介质温差及介质温度实测邻接介质温度**次,分别为**℃,介质温施工缝位置和连接形式施工缝的预留位置和连接形式符合设计要求
采用**凿毛,凿毛面积**%
报告,符合要求
报告,符合要求
报告,符合要求
*次,分别为**℃
介质温度**次,分别为**℃,介质温差分别为**℃。
预留位置和连接形式符合设计要求
毛,凿毛面积**%。