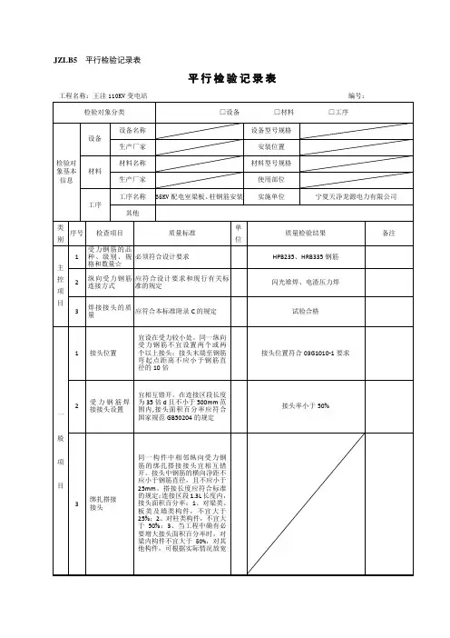
平行检验记录表
- 格式:doc
- 大小:360.00 KB
- 文档页数:18
监理平行检查记录表(最新全套)XXX开挖、回填工程监理平行检验记录表单位(子单位)工程名称:乐清市中心区B-c5地块监理平行检验部位:桩基、基坑、基槽、挖方场、地平整、人工、机械、管、沟、地(路)面基层施工单位自检及报验情况:施工单位于年月日完成了自检、交接检、专检,并自检合格。
项目监理部于年月日时收到其报验资料,审查合格,于月日到现场进行平行检验,检验情况如下:现行施工质量验收规范的规定:允许偏差或允许值(mm):桩基:±30基坑:±50基槽:-50挖方场:1地(路)面基层:2,3开挖一般项目:主控项目1-5回填一般项目:主控项目1-5监理平行检验记录实测值:桩基、基坑、基槽、挖方场、地平整、人工、机械、管、沟、地(路)面基层的实测值均符合规定的允许偏差或允许值范围内。
监理单位平行检验结论:符合规定。
地下、屋面卷材防水层监理平行检验记录表单位(子单位)工程名称:监理平行检验部位:施工单位自检及报验情况:施工单位于年月日完成了自检、交接检、专检,并自检合格。
项目监理部于年月日时收到其报验资料,审查合格,于月日到现场进行平行检验,其检验情况如下:现行施工质量验收规范的规定:卷材防水层所用卷材及配套材料质量必须符合设计要求。
监理平行检验记录实测值:1.卷材防水层无渗漏或积水现象。
2.卷材防水层及其转角处、变形缝、穿墙管道、屋面的天沟、檐沟、檐口、水落口、泛水和伸出屋面管道的防水构造,均符合设计要求。
3.卷材防水层的基层牢固,基面洁净、平整,无空鼓、松动、起砂和脱破现象;基层阴阳角处做圆弧形。
4.卷材防水层上的搭接缝粘(焊)牢固,密封严密,无皱折、翘边和鼓泡等缺陷;防水层的收头与基层粘结并固定牢固,缝口封严,无翘边。
监理单位平行检验结论:符合规定。
卷材铺贴时,应确保方向正确,且搭接宽度的允许偏差不超过-10mm。
屋面防水中的排气通道应纵横贯通,不得出现堵塞现象。
排气管应安装牢固,位置正确,封闭严密。
土方开挖、回填工程监理平行检验记录表
注:“允许偏差”栏中有数据规定的填写实测值,其余可用“√”表示合格;“×”表示不合格。
渝天骄监平检-2表地下、屋面卷材防水层监理平行检验记录表
注:“允许偏差”栏中有数据规定的填写实测值,其余可用“√”表示合格;“×”表示不合格。
钢管承重支模架平行检验监理记录
工程名称:编号:
本表一式一份,项目监理机构留存
模板安装工程监理平行检验记录表
工程名称:编号:
注:“允许偏差”栏中有数据规定的填写实测值,其余可用“√”表示合格;“×”表示不合格。
钻孔灌注桩单桩工程质量监理平行检查
人工挖孔桩(钢筋笼)工程监理平行检验记录表
注:“允许偏差”栏中有数据规定的填写实测值,其余可用“√”表示合格;“×”表示不合格。
钢筋加工、连接、安装工程监理平行检验记录表
注:“允许偏差”栏中有数据规定的填写实测值,其余可用“√”表示合格;“×”表示不合格。
混凝土外观质量及现浇结构工程监理平行检验记录表
注:“允许偏差”栏中有数据规定的填写实测值,其余可用“√”表示合格;“×”表示不合格。
砖砌体(混水)、填充墙工程监理平行检验记录表
注:“允许偏差”栏中有数据规定的填写实测值,其余可用“√”表示合格;“×”表示不合格。
一般(普通)抹灰工程监理平行检验记录表
注:“允许偏差”栏中有数据规定的填写实测值,其余可用“√”表示合格;“×”表示不合格。
外墙饰面砖粘贴工程监理平行检验记录表
注:“允许偏差”栏中有数据规定的填写实测值,其余可用“√”表示合格;“×”表示不合格。
土方开挖分项工程平行(píngxíng)检验记录
土方(tǔfāng)回填分项工程平行检验记录
模板分项工程(现浇结构(jiégòu)模板安装)检验批质量平行检验记录
模板分项工程(模板拆除(chāichú))检验批质量
平行检验记录
钢筋分项工程(原材料、钢筋加工)检验批质量(zhìliàng)平行检验记录
混凝土分项工程(gōngchéng)(原材料配合比设计)检验批质量
平行(píngxíng)检验记录
混凝土分项工程(混凝土施工)检验批质量(zhìli
àng)平行检验记录
现浇结构分项工程(结构施工)检验批质量(zhìli
àng)平行检验记录
砖砌体分项工程检验批质量平行(píngxíng)检验记录
水泥砂浆防水层分项工程检验(jiǎnyàn)批质量平
填充墙砌体分项工程(gōngchéng)检验批质量平行检验(jiǎnyàn)记录
内容总结。
土方开挖、回填工程监理平行检验记录表注:“允许偏差”栏中有数据规定的填写实测值,其余可用“√”表示合格;“×”表示不合格。
渝天骄监平检-2表地下、屋面卷材防水层监理平行检验记录表注:“允许偏差”栏中有数据规定的填写实测值,其余可用“√”表示合格;“×”表示不合格。
钢管承重支模架平行检验监理记录工程名称:编号:本表一式一份,项目监理机构留存。
模板安装工程监理平行检验记录表工程名称:编号:注:“允许偏差”栏中有数据规定的填写实测值,其余可用“√”表示合格;“×”表示不合格。
钻孔灌注桩单桩工程质量监理平行检查注:标有△为主要检测项目。
人工挖孔桩(钢筋笼)工程监理平行检验记录表注:“允许偏差”栏中有数据规定的填写实测值,其余可用“√”表示合格;“×”表示不合格。
钢筋加工、连接、安装工程监理平行检验记录表注:“允许偏差”栏中有数据规定的填写实测值,其余可用“√”表示合格;“×”表示不合格。
混凝土外观质量及现浇结构工程监理平行检验记录表注:“允许偏差”栏中有数据规定的填写实测值,其余可用“√”表示合格;“×”表示不合格。
砖砌体(混水)、填充墙工程监理平行检验记录表注:“允许偏差”栏中有数据规定的填写实测值,其余可用“√”表示合格;“×”表示不合格。
一般(普通)抹灰工程监理平行检验记录表注:“允许偏差”栏中有数据规定的填写实测值,其余可用“√”表示合格;“×”表示不合格。
外墙饰面砖粘贴工程监理平行检验记录表注:“允许偏差”栏中有数据规定的填写实测值,其余可用“√”表示合格;“×”表示不合格。
平行检验记录表
单位工程名称:
编号
工序名称及部位:模板安装工序报验单编号:
工序名称及部位:钢筋原材料加工工序报验单编号
工序名称及部位:钢筋连接安装工序报验单编号:
工序名称及部位:砼原材料工序报验单编号:
单位工程名称:编号
工序名称及部位:砼施工工序报验单编号:
工序名称及部位:现浇结构工序报验单编号:________
工序名称及部位:防水砼工序报验单编号:
工序名称及部位:卷材防水工序报验单编号:-
工序名称及部位:防水砼细部构造工序报验单编号:
建筑物垂直度、标高、全高测量记录表
建筑物沉降观测检查记录表
时间:
混凝土质量缺陷处理检查记录表
单位工程名称:编号: 质量缺陷处理部位:
单位工程名称:编号
工序名称及部位:填充墙砌体部位工序报验单编号:-
平行检验记录表
平行检验记录表
单位工程名称:编号
工序名称及部位:内墙抹灰工序报验单编号:-
平行检验记录表
单位工程名称:滁州市城东花园二期安置工程编号
工序名称及部位:内墙抹灰、地坪、空鼓工序报验单编号:_。
监理单位平行检验记录表平行检验是项目监理机构在施工单位自检的同时,按有关规定和建设工程监理合同约定对同一检验项目进行的检测试验活动。
(一)平行检验的要求1.住宅工程和重点工程的结构混凝土强度应进行抽样检验;可由项目监理机构采用回弹法对混凝土强度进行检验,每个混凝土强度等级、每楼层至少检验一次,也可委托具有资质的检测机构按照相关标准规定的方法进行检测。
填写《 混凝土强度回弹平行检验记录》、《 混凝土强度回弹平行检验记录》见表1。
2.承重结构的钢筋机械连接,应对螺纹接头拧紧力矩进行抽样检验,每楼层每种规格的钢筋至少检验5个接头,应均匀分布。
填写 钢筋螺纹接头平行检验记录》、 钢筋螺纹接头平行检验记录》见表2。
3.承重结构的钢筋焊接连接,应对焊缝的尺寸外观质量等项目进行抽样检验,每楼层至少检验5处。
填写 钢筋焊接接头平行检验记录》、 钢筋焊接接头平行检验记录》见表3.4.采用砌体结构的住宅工程,应对承重墙体(柱)的砂浆饱满度进行抽样检验,每楼层至少检验三处,每处三个砌体,取平均值。
填写 承重砌体砂浆饱满度平行检验记录》, 承重砌体砂浆饱满度平行检验记录》见表4。
(二)平行检验监理方案平行检验是项目监理机构在施工单位自检的同时,按有关规定和建设工程监理合同约定对同一检验项目进行的检测试验活动。
1.平行检验监理方案编制的原则(1)根据本工程特点、专业要求及行业主管部门的相关规定确定平行检验项目,使其具有针对性。
(2)按照建设工程监理合同的约定,写明工程材料、构配件、设备等平行检验的项目数量、频率,使其具有可操作性。
(3)应明确平行检验工作要求和监理人员的职责,平行检验不代替施工单位的质量检验。
(4)对于平行检验中发现有不合格的,项目监理机构应要求施工单位对平行检验所涉及范围的项目进行100%检查。
(5)由总监理工程师组织专业监理工程师编制,由总监理工程师审核批准。
(6)平行检验监理实施细则的编写时限、编审程序、签章要求、数量要求、调整要求及基本格式应符合监理实施细则的要求。
平行检验记录表样板Prepared on 21 November 2021附表1:××××工程监理咨询有限公司混凝土坍落度监理平行检验记录工程名称:×××××××××工程Ⅱ标段表格编号:附表2:××××工程监理咨询有限公司钢筋外观质量平行检测记录工程名称:×××××××××工程Ⅱ标段表格编号:土方路基(路床)平行检验记录工程名称:×××××××××工程Ⅱ标段表格编号:道路基层、底基层平行检验记录工程名称:×××××××××工程Ⅱ标段表格编号:附表5:××××工程监理咨询有限公司热拌沥青混合料面层平行检验记录工程名称:×××××××××工程Ⅱ标段表格编号:附表6:××××工程监理咨询有限公司沟槽开挖工程检验批平行检验记录工程名称:×××××××××工程Ⅱ标段表格编号:附表7:××××工程监理咨询有限公司管道铺设工程检验批平行检验记录工程名称:×××××××××工程Ⅱ标段表格编号:附表8:××××工程监理咨询有限公司混凝土灌注桩工程检验批平行检验记录工程名称:×××××××××工程Ⅱ标段表格编号:附表9:××××工程监理咨询有限公司后张法预应力管道定位平行检验记录工程名称:×××××××××工程Ⅱ标段表格编号:附表10:××××工程监理咨询有限公司桥梁支座安装平行检验记录工程名称:×××××××××工程Ⅱ标段表格编号:附表11:××××工程监理咨询有限公司人行道外观质量平行检验记录工程名称:×××××××××工程Ⅱ标段表格编号:附表12:××××工程监理咨询有限公司路缘石安砌平行检验记录工程名称:×××××××××工程Ⅱ标段表格编号:附表13:××××工程监理咨询有限公司混凝土强度回弹平行检验记录工程名称:×××××××××工程Ⅱ标段表格编号:附表14:××××工程监理咨询有限公司钢筋保护层厚度平行检测记录工程名称:×××××××××工程Ⅱ标段表格编号:附表15:××××工程监理咨询有限公司附表16:××××工程监理咨询有限公司附表17:××××工程监理咨询有限公司钢筋安装平行检查记录编号:附表18:××××工程监理咨询有限公司混凝土外观平行检查记录编号:。
监理平行检验记录表监理平行检验记录表检验日期: ______________检验地点: ______________监理人员: ______________被检验单位: ______________项目名称: ______________项目编号: ______________1. 检验目的:确保施工过程中的质量控制能够满足标准和规范的要求,提供可靠的数据和依据,确保项目的质量可控。
2. 检验内容:a) 施工过程中的关键节点和关键部位;b) 施工材料的质量和合规性;c) 施工工序的操作和技术要求;d) 施工设备和工具的安装和使用情况。
3. 检验方法:a) 抽样检验:按照规定的比例和数量,从施工现场中随机抽取样品进行检验;b) 观察检验:监理人员通过观察施工现场的情况,判断施工质量是否符合要求;c) 测试检验:使用合适的仪器和设备对施工材料和施工工序进行测试和检验。
4. 检验记录:| 序号 | 施工环节 | 检验内容 | 检验结果 | 备注 ||------|----------|----------|----------|------|| 1 | | | | || 2 | | | | || 3 | | | | || ... | | | | |5. 检验结果:根据检验记录,对每个施工环节进行评估和判定,标明是否合格,如有不合格情况,应记录具体的不合格项和处理措施。
6. 处理措施:对于不合格的施工环节,应及时通知被检验单位进行整改和修复,确保问题得到解决并符合质量要求。
7. 备注:可以记录一些重要的情况、发现的问题以及处理结果等。
以上是监理平行检验记录表的基本内容,具体可根据实际项目情况进行拓展和修改。
该记录表可以作为监理人员对施工过程进行监督和评估的重要工具,能够帮助发现和解决施工中的质量问题,确保项目的顺利进行和质量可控。
工程名称:编号:A—检验的工程部位及检验的内容商品砼承包单位日期、天气检验手段目测、塌落度桶承包单位自检情况自检合格检查的具体项目及具体数据记录:1、各种相关资料齐全,且检测合格,检测报告编号为:配合比通知单编号:水泥检验报告编号:2、控制砼运输、浇筑及间歇的全部时间不得超过砼的初凝时间。
3、现场检查使用的商品砼符合规范和设计要求。
4、本工程考虑到施工过程中砼振捣的难度,采取了140±40mm塌落度,经现场检查符合要求。
检查发现的问题及处理结果:检查结论:经验收认定(合格/不合格)平行检验人员(签名):日期:1、“平行检验”分为“材料类、测量类、隐蔽类、实体质量类”等。
2、表中“()”内为留空时则由监理人员根据平行检验活动情况据实填写。
“()”内有不同选项时,监理人员应根据平行检验活动情况据实以打“√”选用。
工程名称:编号:A—检验的工程部位及检验的内容屋面瓦工程检验批验收承包单位日期、天气检验手段目测承包单位自检情况自检合格检查的具体项目及具体数据记录:1、平瓦及脊瓦的质量符合设计要求,质保资料齐全,已送检测中心检测合格。
2、挂瓦条(是/不是)分档均匀,铺钉平整、牢固,瓦面平整,行列整齐,搭接紧密。
3、脊瓦搭盖(是/不是)正确,间距均匀,封固严密。
4、泛水做法(是/不是)符合设计要求,顺直整齐,结合严密,无渗漏。
检查发现的问题及处理结果:检查结论:经验收认定(合格/不合格)平行检验人员(签名):日期:1、“平行检验”分为“材料类、测量类、隐蔽类、实体质量类”等。
2、表中“()”内为留空时则由监理人员根据平行检验活动情况据实填写。
“()”内有不同选项时,监理人员应根据平行检验活动情况据实以打“√”选用。
工程名称:编号:B-检验的工程部位及检验的内容定位放线验收承包单位日期、天气检验手段水准仪承包单位自检情况自检合格检查的具体项目及具体数据记录:1、经现场复核水准点的引测符合设计及规范要求,具体偏差为:2、定位轴线尺寸符合设计要求,具体偏差为:检查发现的问题及处理结果:检查结论:经验收认定(合格/不合格)平行检验人员(签名):日期:1、“平行检验”分为“材料类、测量类、隐蔽类、实体质量类”等。
混凝土坍落度监理平行检验记录
工程名称:×××××××××工程Ⅱ标段表格编号:
钢筋外观质量平行检测记录
工程名称:×××××××××工程Ⅱ标段表格编号:
附表3:××××工程监理咨询有限公司
土方路基(路床)平行检验记录
工程名称:×××××××××工程Ⅱ标段表格编号:
附表4:××××工程监理咨询有限公司
道路基层、底基层平行检验记录
工程名称:×××××××××工程Ⅱ标段表格编号:
热拌沥青混合料面层平行检验记录
工程名称:×××××××××工程Ⅱ标段表格编号:
沟槽开挖工程检验批平行检验记录
工程名称:×××××××××工程Ⅱ标段表格编号:
管道铺设工程检验批平行检验记录
工程名称:×××××××××工程Ⅱ标段表格编号:
混凝土灌注桩工程检验批平行检验记录
工程名称:×××××××××工程Ⅱ标段表格编号:
后张法预应力管道定位平行检验记录
工程名称:×××××××××工程Ⅱ标段表格编号:
桥梁支座安装平行检验记录
工程名称:×××××××××工程Ⅱ标段表格编号:
人行道外观质量平行检验记录
工程名称:×××××××××工程Ⅱ标段表格编号:
附表12:××××工程监理咨询有限公司
路缘石安砌平行检验记录
工程名称:×××××××××工程Ⅱ标段表格编号:
附表13:××××工程监理咨询有限公司
混凝土强度回弹平行检验记录
工程名称:×××××××××工程Ⅱ标段表格编号:
附表14:××××工程监理咨询有限公司
钢筋保护层厚度平行检测记录
工程名称:×××××××××工程Ⅱ标段表格编号:
附表15:××××工程监理咨询有限公司
附表16:××××工程监理咨询有限公司
附表17:××××工程监理咨询有限公司
钢筋安装平行检查记录
编号:
附表18:××××工程监理咨询有限公司
混凝土外观平行检查记录
编号:。