地系梁模板计算书(1)
- 格式:doc
- 大小:429.50 KB
- 文档页数:7
目录1、编制依据 (1)2、工程概况 (1)3、方案综述 (2)4、结构计算 (2)4.1、荷载计算 (2)4.2、面板计算 (3)4.3、横肋计算 (4)4.4、竖肋计算 (5)4.5、拉杆计算 (6)5、结论 (6)系梁模板计算书1、编制依据⑴现行施工设计标准⑵现行施工安全技术标准⑶公路施工手册《桥涵》(人民交通出版社2000.10)⑷两阶段施工图⑸《路桥施工计算手册》⑹《钢结构设计规范》(GB50017—2003)⑺《公路桥涵施工技术规范》(JTG/T F50-2011)2、工程概况白洋长江公路大桥是宜昌至张家界公路在湖北省宜昌市境内跨越长江的通道。
本项目起点里程桩号K40+985,终点里程桩号K49+180,路线全长8.195Km。
本合同段共有常规桥13座,其中主线桥梁8座,互通匝道桥2座,天桥3座。
地系梁共计14个,左幅为互通加宽渐变段,因此系梁结构尺寸根据桥面宽变化,具体结构尺寸:宜都互通主线2号桥结构形式统计表3、方案综述系梁均采用大块钢模板施工,根据不同结构尺寸中部设置调节块模板,竖向设两层拉杆。
模板采用分块吊装组拼就位的方法施工。
根据模板重量选择合适的起吊设备立模、拆模。
4、结构计算模板采用A3材料,A3钢轴向允许应力[σ]=215pa,弯曲应力[σw]=215 Mpa。
4.1、荷载计算混凝土侧压力根据公式: Pm=Kγh计算:h=0.22+24.9v/TPm—新浇筑砼对侧面模板的最大压力,KPa;h—有效压头高度;T—砼入模时的温度,取32℃;v—砼的浇筑速度,取0.75m/h;H—混凝土浇筑层的高度,取1.5m;γ混凝土的重度,取24KN/m³经计算:Pm=K γh=19.3KPa4.2、面板计算面板采用δ=6mm 厚钢板,[10 横带间距0.3m ,[14 竖带间距1.2m ,取1m 板宽按三跨连续梁进行计算。
4.2.1、荷载计算q=19.3×1=19.3m kN /有效压头高度:h=γΡ=0.8m4.2.2、材料力学性能参数及指标3322100.6610006161W mm bh ⨯=⨯⨯== 4433108.161000121121mm bh I ⨯=⨯⨯==Α=bh=1000×6=60002mmEI=2.1×1110× 1.8×410×12_10=3.78×2310NmEA=2.1×1110×6×310×6_10=1.26×N 9104.2.3、力学模型(单位:m )4.2.4、结构计算采用迈达斯进行结构分析。
盖梁、系梁模板设计计算书一、1、设计依据⑴《公路工程技术标准》(JTJ001-97);⑵《公路桥涵施工技术规范》(JTJ041-2000);⑶《公路桥涵钢结构木结构设计规范》(JTJ025-86)。
2、设计要求混凝土施工时,模板强度和刚度满足《公路桥涵钢结构木结构设计规范》(JTJ025-86)。
二.盖梁、系梁1、侧模与端模支撑侧模为特制大钢模,面模厚度为δ6mm,肋板高为8cm,在肋板外设[12背带。
在侧模外侧采用间距为1m的[12竖带;在竖带上下各设一条Ф20的拉杆。
端模为特制大钢模,面模厚度为δ6mm,肋板高为8cm,在肋板外设[12背带。
端模外则由特制三角架背带支撑,空隙用木楔填塞。
2、底模支撑底模为特制大钢模,面模厚度为δ6mm,肋板高为8cm。
在底模下部采用间距0.4m大型工字钢作横梁,横梁长为4.5m。
盖梁悬出端底模下设三角支架支撑,三角架放在横梁上。
横梁底下设纵梁。
横梁上设钢垫块以调整盖梁底2%的横向坡度与安装误差。
与墩柱相交部位采用特制钢支架作支撑。
四.盖梁及系梁设计计算(一)侧模支撑计算1、力学模型假定砼浇筑时的侧压力由拉杆和竖带承受,Pm为砼浇筑时的侧压力,T1、T2为拉杆承受的拉力,计算图式如图4-1所示。
2、荷载计算砼浇筑时的侧压力:Pm=Kγh式中:K---外加剂影响系数,取1.2;γ---砼容重,取26kN/m3;h---有效压头高度。
砼浇筑速度v按0.3m/h,入模温度按20℃考虑。
则:v/T=0.3/20=0.015<0.035h=0.22+24.9v/T=0.22+24.9×0.015=0.6mPm= Kγh=1.2×26×0.6=19kPa图4-1 侧模支撑计算砼振捣对模板产生的侧压力按4kPa考虑。
则:Pm=19+4=23kPa盖梁长度每延米上产生的侧压力按最不利情况考虑(即砼浇筑至盖梁顶时):P=Pm×(H-h)+Pm×h/2=23×1.2+23×0.6/2=34.5KN3、拉杆拉力验算拉杆(φ20圆钢)间距1.0m,1.0m范围砼浇筑时的侧压力由上、下两根拉杆承受。
系梁计算现浇柱间系梁底模采用高强度竹胶板,板厚t=18mm 。
用工16作为次梁,每隔30cm 布置一道。
次梁下设置两道H588大梁,大梁用抱箍支撑。
具体结构附图:按柱间系梁最大尺寸为:长×宽×高=9.3m ×1.8m ×2.1m=35.154方计算: 砼荷载:21/6.54261.2m kN p =⨯=模板荷载:222/5.1/150m kN m Kg p ==设备及人工荷载:23/5.2/250m kN m Kg p ==砼浇注时振捣荷载:2/0.4/4004m kN m Kg p ==则有24321/6.6245.25.16.54m kN p p p p p =+++=+++=模板(t=18mm )计算模板为 18mm 厚覆面竹胶板,根据次梁的布置,按单向板计算。
取B=10mm ,取荷载2/6.62m kN p =则 m kN m kN p B q /626.0/6.6201.02=⨯=⨯=m kN ql M ⋅⨯=⨯⨯==-3221005.73.0626.0125.081 32254.06/8.116/cm bh W =⨯==应力为:[]MPa MPa W M w 451.13)1054.0/(05.76max =<=⨯==-σσ强度满足要求由规范可知,刚度验算荷载取值只考虑砼、模板、施工人员及机具荷载,不考虑振捣所产生的荷载。
偏安全考虑,其取值大小同强度计算(以下相同,不另说明),由《路桥施工计算手册》周水兴 何兆益 邹毅松 等编著附录二得挠度系数0.677。
MPa E 5101.0⨯= 4331086.412/mm bh I ⨯==则[]mm l f mm EI ql f 75.04007.01086.41011003.010626.0677.0100677.0910434m ax ==<=⨯⨯⨯⨯⨯⨯⨯=⨯=-挠度完全满足要求。
次梁(工16)计算每隔30cm 布置一道,m kN q /78.183.06.62=⨯=,根据墩柱尺寸取计算长度2.5m 。
盖梁、系梁模板设计计算书一、1、设计依据⑴《公路工程技术标准》(JTJ001-97);⑵《公路桥涵施工技术规范》(JTJ041-2000);⑶《公路桥涵钢结构木结构设计规范》(JTJ025-86)。
2、设计要求混凝土施工时,模板强度和刚度满足《公路桥涵钢结构木结构设计规范》(JTJ025-86)。
二.盖梁、系梁1、侧模与端模支撑侧模为特制大钢模,面模厚度为δ6mm,肋板高为8cm,在肋板外设[12背带。
在侧模外侧采用间距为1m的[12竖带;在竖带上下各设一条Ф20的拉杆。
端模为特制大钢模,面模厚度为δ6mm,肋板高为8cm,在肋板外设[12背带。
端模外则由特制三角架背带支撑,空隙用木楔填塞。
2、底模支撑底模为特制大钢模,面模厚度为δ6mm,肋板高为8cm。
在底模下部采用间距0.4m大型工字钢作横梁,横梁长为4.5m。
盖梁悬出端底模下设三角支架支撑,三角架放在横梁上。
横梁底下设纵梁。
横梁上设钢垫块以调整盖梁底2%的横向坡度与安装误差。
与墩柱相交部位采用特制钢支架作支撑。
四.盖梁及系梁设计计算(一)侧模支撑计算1、力学模型假定砼浇筑时的侧压力由拉杆和竖带承受,Pm为砼浇筑时的侧压力,T1、T2为拉杆承受的拉力,计算图式如图4-1所示。
2、荷载计算砼浇筑时的侧压力:Pm=Kγh式中:K---外加剂影响系数,取1.2;γ---砼容重,取26kN/m3;h---有效压头高度。
砼浇筑速度v按0.3m/h,入模温度按20℃考虑。
则:v/T=0.3/20=0.015<0.035h=0.22+24.9v/T=0.22+24.9×0.015=0.6mPm= Kγh=1.2×26×0.6=19kPa图4-1 侧模支撑计算砼振捣对模板产生的侧压力按4kPa考虑。
则:Pm=19+4=23kPa盖梁长度每延米上产生的侧压力按最不利情况考虑(即砼浇筑至盖梁顶时):P=Pm×(H-h)+Pm×h/2=23×1.2+23×0.6/2=34.5KN3、拉杆拉力验算拉杆(φ20圆钢)间距1.0m,1.0m范围砼浇筑时的侧压力由上、下两根拉杆承受。
梁模板计算书梁模板的计算主要包括:①底板下内楞、底板下外楞和底板下支撑;②梁侧模板、侧模板内楞、梁侧模板外楞和对拉钢片。
1、梁模底板及内楞计算(1)梁截面≤350×600梁底板按350×600计算①强度验算:底板承受标准荷载:恒载:混凝土自重力 24KN/m3×0.35m×0.6m×1.2=6.048KN/m底板自重力 5KN/m3×0.015m×0.35m×1.2=0.0315KN/m钢筋自重力 1.5KN/m3×0.35m×0.6m×1.2=0.378KN/m动载:振捣混凝土荷载 2.0KN/m3×0.35m×1.4=0.98KN/m施工人员及机械荷载 2.5KN/m3×0.35m×1.4=1.225KN/m合计 q1=8.663KN/m木模板需乘折减系数0.9:则q=q1×0.9=7.8KN/m梁模板下内楞的间距相等,设为L,是一个等跨多跨连续梁,可按四等跨连续梁来计算:所用公式:δ=M/W≤fmM=Km×qL2W=bh2/6式中:δ—计算最大应力M—计算最大内力Km—弯距系数W—截面抵抗矩Fm—木材抗弯强度设计值b×h—模板横截面的宽度与厚度L—内楞间距一般按4跨连续梁计算,按最不利荷载布置,查附表2得:Km=0.121δ=0.121×7.8×L2×6/(350×152)≤13N/mm2解得:L≤425mm②剪应力验算所用公式:τ=3V/2bh≤fv V=Kvql查表得Kv=0.620τ=3×0.620×7.8×L/(2×600×15)≤fv=1.4N/mm2解得:L≤510mm③挠度验算所用公式:w=Kwql4/100EI≤L/250查表得:Kw=0.967w=0.967×7.8×L4×12/(100×9000×350×153)≤L/250解得:L≤361mm综合以上三种情况,L≤361mm,底板可满足要求,可取L=350mm(2)350×600<梁截面≤350×1100梁底板按350×1100计算①强度验算:底板承受标准荷载:恒载:混凝土自重力 24KN/m3×0.35m×1.1m×1.2=11.088KN/m底板自重力 5KN/m3×0.015m×0.35m×1.2=0.0315KN/m钢筋自重力 1.5KN/m3×0.35m×1.1m×1.2=0.693KN/m动载:振捣混凝土荷载 2.0KN/m3×0.35m×1.4=0.98KN/m施工人员及机械荷载 2.5KN/m3×0.35m×1.4=1.225KN/m合计 q1=14.018KN/m木模板需乘折减系数0.9:则q=q1×0.9=12.616KN/m梁模板下内楞的间距相等,设为L,是一个等跨多跨连续梁,可按四等跨连续梁来计算:所用公式:δ=M/W≤fmM=Km×qL2W=bh2/6式中:δ—计算最大应力M—计算最大内力Km—弯距系数W—截面抵抗矩Fm—木材抗弯强度设计值b×h—模板横截面的宽度与厚度L—内楞间距一般按4跨连续梁计算,按最不利荷载布置,查附表2得:Km=0.121δ=0.121×12.616×L2×6/(350×152)≤13N/mm2解得:L≤334mm②剪应力验算所用公式:τ=3V/2bh≤fv V=Kvql查表得Kv=0.620τ=3×0.620×12.616×L/(2×1100×15)≤fv=1.4N/mm2解得:L≤444mm③挠度验算所用公式:w=Kwql4/100EI≤L/250查表得:Kw=0.967w=0.967×12.616×L4×12/(100×9000×350×153)≤L/250解得:L≤307mm综合以上三种情况,L≤307mm,底板可满足要求,可取L=300mm(3)梁截面>350×1100梁底板计算按350×2600计算①强度验算:底板承受标准荷载:恒载:混凝土自重力 24KN/m3×0.35m×2.6m×1.2=26.208KN/m底板自重力 5KN/m3×0.015m×0.35m×1.2=0.0315KN/m钢筋自重力 1.5KN/m3×0.35m×2.6m×1.2=1.638KN/m动载:振捣混凝土荷载 2.0KN/m3×0.35m×1.4=0.98KN/m施工人员及机械荷载 2.5KN/m3×0.35m×1.4=1.225KN/m合计 q1=30.083KN/m木模板需乘折减系数0.9:则q=q1×0.9=27.074KN/m梁模板下内楞的间距相等,设为L,是一个等跨多跨连续梁,可按四等跨连续梁来计算:所用公式:δ=M/W≤fmM=Km×qL2W=bh2/6式中:δ—计算最大应力M—计算最大内力Km—弯距系数W—截面抵抗矩Fm—木材抗弯强度设计值b×h—模板横截面的宽度与厚度L—内楞间距一般按4跨连续梁计算,按最不利荷载布置,查附表2得:Km=0.121δ=0.121×27.04×L2×6/(350×152)≤13N/mm2解得:L≤228mm②剪应力验算所用公式:τ=3V/2bh≤fv V=Kvql查表得Kv=0.620τ=3×0.620×27.074×L/(2×2600×15)≤fv=1.4N/mm2解得:L≤466mm③挠度验算所用公式:w=Kwql4/100EI≤L/250查表得:Kw=0.967w=0.967×27.074×L4×12/(100×9000×350×153)≤L/250解得:L≤238mm综合以上三种情况,L≤228mm,底板可满足要求,可取L=200mm2、梁底外楞验算(1)梁截面≤350×600梁底外楞计算①强度验算:外楞下钢管的纵向间距设为L2,沿纵向为三排。
梁模板计算书梁模板(盘扣式)计算书计算依据:1、《混凝⼟结构设计规范》GB50010-20102、《建筑结构荷载规范》GB 50009-20123、《钢结构设计规范》GB 50017-20034、《建筑施⼯承插型盘扣式钢管⽀架安全技术规程》JGJ231-2010⼀、⼯程属性⼆、荷载设计三、模板体系设计新浇混凝⼟梁⽀撑⽅式梁两侧有板,梁板⽴柱不共⽤A梁跨度⽅向⽴柱间距l a(mm) 500梁底两侧⽴柱间距l b(mm) 1200 ⽀撑架中间层⽔平杆最⼤竖向步距h(mm)1500⽀撑架顶层⽔平杆步距h'(mm) 500 可调托座伸出顶层⽔平杆的悬臂长度a(mm)500新浇混凝⼟楼板⽴柱间距l 'a(mm)、l'b(mm)900、900 混凝⼟梁居梁底两侧⽴柱中的位置居中梁底左侧⽴柱距梁中⼼线距离(mm) 600 板底左侧⽴柱距梁中⼼线距离s1(mm) 750 板底右侧⽴柱距梁中⼼线距离s2(mm) 750 梁底增加⽴柱根数 2梁底增加⽴柱布置⽅式按梁两侧⽴柱间距均分梁底增加⽴柱依次距梁底左侧⽴柱距离(mm)400,800梁底⽀撑⼩梁根数 6 ⼩梁两侧悬挑长度(mm) 100,100结构表⾯的要求结构表⾯外露模板及⽀架计算依据《建筑施⼯承插盘扣式钢管⽀架安全技术规程》JGJ231-2010 设计简图如下:平⾯图⽴⾯图四、⾯板验算⾯板类型覆⾯⽊胶合板⾯板厚度(mm)15 ⾯板抗弯强度设计值[f](N/mm 2)15⾯板弹性模量E(N/mm 2)10000取单位宽度1000mm ,按四等跨连续梁计算,计算简图如下:W =bh 2/6=1000×15×15/6=37500mm 3,I =bh 3/12=1000×15×15×15/12=281250mm 4q 1=[1.2(G 1k + (G 2k +G 3k )×h)+1.4Q 1k ]×b=[1.2×(0.1+(24+1.5)×2.2)+1.4×3]×1=71.64kN/m q 2=(G 1k + (G 2k +G 3k )×h)×b=[0.1+(24+1.5)×2.2]×1=56.2kN/m 1、强度验算M max =0.107q 1L 2=0.107×71.64×0.242=0.442kN·mσ=M max /W =0.442×106/37500=11.774N/mm 2≤[f]=15N/mm 2 满⾜要求! 2、挠度验算νmax =0.632q 2L 4/(100EI)=0.632×56.2×2404/(100×10000×281250)=0.419mm≤[ν]=l/400=240/400=0.6mm 满⾜要求!3、⽀座反⼒计算设计值(承载能⼒极限状态)R 1=R 5=0.393 q 1l=0.393×71.64×0.24=6.757kN R 2=R 4=1.143 q 1l=1.143×71.64×0.24=19.652kN R 3=0.928 q1l=0.928×71.64×0.24=15.956kN 标准值(正常使⽤极限状态)R 1'=R 5'=0.393 q 2l=0.393×56.2×0.24=5.301kN R 2'=R 4'=1.143 q 2l=1.143×56.2×0.24=15.417kN R 3'=0.928 q2l=0.928×56.2×0.24=12.517kN五、⼩梁验算⼩梁类型⽅⽊⼩梁材料规格(mm)50×100 ⼩梁抗弯强度设计值[f](N/mm 2) 15.44 ⼩梁抗剪强度设计值[τ](N/mm 2) 1.78 ⼩梁弹性模量E(N/mm 2) 9350 ⼩梁截⾯抵抗矩W(cm 3) 83.333 ⼩梁截⾯惯性矩I(cm 4)416.667验算⽅式三等跨连续梁为简化计算,按三等跨连续梁和悬臂梁分别计算,如下图:q1=max{6.757+1.2×[(0.3-0.1)×1.2/5+0.5×(2.2-0.18)]+[1.2×(0.5+(24+1.1)×0.18)+1.4×3]×max[0. 75-1.2/2,0.75-1.2/2]/2×1,19.652+1.2×(0.3-0.1)×1.2/5}=19.71kN/mq2=max[5.301+(0.3-0.1)×1.2/5+0.5×(2.2-0.18)+(0.5+(24+1.1)×0.18)×max[0.75-1.2/2,0.75-1.2/2]/2×1,15.417+(0.3-0.1)×1.2/5]=15.465kN/m1、抗弯验算M max=max[0.1q1l12,0.5q1l22]=max[0.1×19.71×0.52,0.5×19.71×0.12]=0.493kN·m σ=M max/W=0.493×106/83333=5.913N/mm2≤[f]=15.44N/mm2满⾜要求!2、抗剪验算V max=max[0.6q1l1,q1l2]=max[0.6×19.71×0.5,19.71×0.1]=5.913kNτmax=3V max/(2bh0)=3×5.913×1000/(2×50×100)=1.774N/mm2≤[τ]=1.78N/mm2满⾜要求!3、挠度验算ν1=0.677q2l14/(100EI)=0.677×15.465×5004/(100×9350×4166670)=0.168mm≤[ν]=l 1/400=500/400=1.25mmν2=q 2l 24/(8EI)=15.465×1004/(8×9350×4166670)=0.005mm≤[ν]=2l 2/400=2×100/400=0.5mm 满⾜要求! 4、⽀座反⼒计算梁头处(即梁底⽀撑⼩梁悬挑段根部) 承载能⼒极限状态R max =max[1.1q 1l 1,0.4q 1l 1+q 1l 2]=max[1.1×19.71×0.5,0.4×19.71×0.5+19.71×0.1]=10.84kN同理可得,梁底⽀撑⼩梁所受最⼤⽀座反⼒依次为R 1=R 6=4.724kN ,R 2=R 5=10.84kN ,R 3=R 4=8.804kN 正常使⽤极限状态R'max =max[1.1q 2l 1,0.4q 2l 1+q 2l 2]=max[1.1×15.465×0.5,0.4×15.465×0.5+15.465×0.1]=8.506kN同理可得,梁底⽀撑⼩梁所受最⼤⽀座反⼒依次为R'1=R'6=3.923kN ,R'2=R'5=8.506kN ,R'3=R'4=6.913kN六、主梁验算主梁类型钢管主梁材料规格(mm) Ф48×3.5 可调托座内主梁根数2 主梁弹性模量E(N/mm 2) 206000 主梁抗弯强度设计值[f](N/mm 2) 205 主梁抗剪强度设计值[τ](N/mm 2) 125 主梁截⾯惯性矩I(cm 4)12.19主梁截⾯抵抗矩W(cm 3)5.08主梁⾃重忽略不计,因主梁2根合并,则抗弯、抗剪、挠度验算荷载值取半,计算简图如下:1、抗弯验算主梁弯矩图(kN·m)σ=M max/W=0.336×106/5080=66.052N/mm2≤[f]=205N/mm2满⾜要求!2、抗剪验算主梁剪⼒图(kN)V max=4.402kNτmax=2V max/A=2×4.402×1000/489=18.004N/mm2≤[τ]=125N/mm2 满⾜要求!3、挠度验算主梁变形图(mm)νmax =0.108mm≤[ν]=l/400=400/400=1mm 满⾜要求!七、⽴柱验算钢管类型B-LG-2500(Φ48X3.2X2500)⽴柱截⾯⾯积A(mm 2)450回转半径i(mm)15.9 ⽴柱截⾯抵抗矩W(cm 3) 4730 抗压强度设计值f(N/mm 2)300⽀架⾃重标准值q(kN/m)0.15h max =max(ηh,h'+2ka)=max(1.2×1500,500+2×0.7×500)=1800mm λ=h max /i=1800/15.9=113.208≤[λ]=150 长细⽐满⾜要求!查表得,υ=0.386 1、风荷载计算M w =0.9×1.4×ωk ×l a ×h 2/10=0.9×1.4×0.32×0.5×1.52/10=0.045kN·m 2、稳定性计算根据《建筑施⼯承插型盘扣式钢管⽀架安全技术规程》JGJ231-2010公式5.3.1-2: q 1=[1.2×(0.1+(24+1.5)×2.2)+0.9×1.4×3]×1=71.22kN/m 同上四~六计算过程,可得:R 1=7.343kN ,R 2=16.883kN ,R 3=16.883kN ,R 4=7.343kN⽴柱最⼤受⼒N w =max[R 1,R 2,R 3,R 4]+0.15×(4.4-2.2)+M w /l b =max[7.343,16.883,16.883,7.343]+0.33+0.045/1.2=17.288kNf=N/(υA)+M w/W=17288.423/(0.386×450)+0.045×106/4730000=99.54N/mm2≤[f]=300N/mm2满⾜要求!⼋、可调托座验算由"主梁验算"⼀节计算可知可调托座最⼤受⼒N=max[R1,R2,R3,R4]×2=16.986kN≤[N]=30kN满⾜要求!。
系梁模板计算书1、设计依据1、JTJ041-2000《公路桥涵施工技术规范》2、JGJ162-2008《建筑施工模板安全技术规范》3、JGJ81-2002《建筑钢结构焊接技术规程》4、GB50205-2001《钢结构工程施工质量验收规范》2、设计要求混凝土施工时,模板强度和刚度满足《公路桥涵钢结构木结构设计规范》(JTJ025-86)。
3、基本资料该系梁模板直径1.6米。
采用混凝土泵车下灰,浇筑混凝土速度2m/h,混凝土入模温度约25℃,采用定型钢模板:面板采用6mm钢板;法兰采用厚12×100mm 扁钢,竖肋采用普通[10槽钢,间距400mm;背楞采用普通[10槽钢,间距600mm。
4、模板的基本受力情况当采用内部振捣器,混凝土的浇筑速度在6m/h 以下,所以新浇筑的混凝土作用于模板的水平方向的侧压力可按下式计算(《路桥施工计算手册》P173:m P k h γ=(1)当v/T<0.035时,h=0.22+24.9v/T;当v/T>0.035时,h=1.53+3.8v/T;式中:P -新浇筑混凝土对侧面模板产生的最大压力(kPa ); h -有效压头高度(m );v -混凝土浇筑速度(m/h );T -混凝土入模时的温度(℃);γ-混凝土的容重(kN/m3);K -外加剂影响修正系数,不加时k=1.0,掺缓凝外加剂时k=1.2; 根据前述已知条件:因为: v/T=2.0/25=0.08<0.035,所以 h =0.22+24.9v/T =0.22+24.9×0.08=2.212最大水平侧压力为: 21.226 2.21269.01(/)m P k h kN m γ==⨯⨯= 考虑振动荷载 24/kN m 验算强度时荷载设计值为:21.4 4.074.61(/)m P p kN m =+⨯=5、面板计算由于竖肋通长,间距l=400mm ,面板在竖肋上的长宽比>3,故面板按单向板计算。
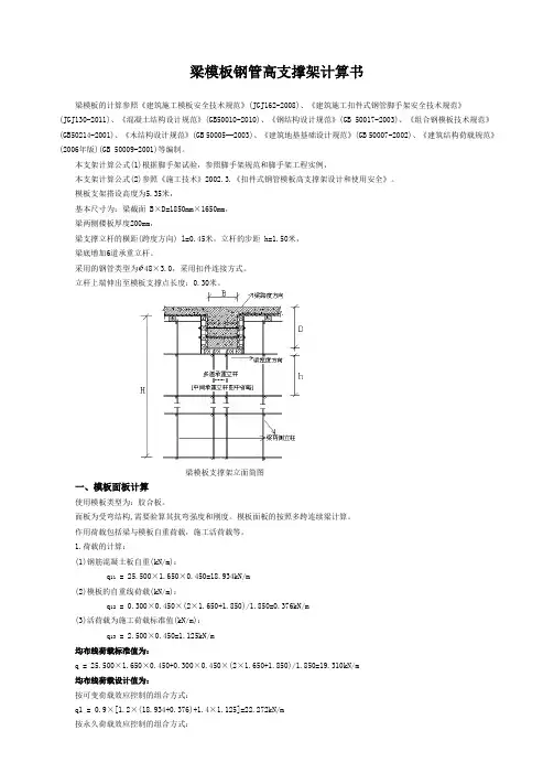
梁模板扣件钢管高支撑架计算书依据规范:《建筑施工模板安全技术规范》JGJ 162-2008《建筑结构荷载规范》GB50009-2012《钢结构设计规范》GB50017-2003《混凝土结构设计规范》GB50010-2010《建筑地基基础设计规范》GB50007-2011《建筑施工木脚手架安全技术规范》JGJ 164-2008计算参数:钢管强度为205.0 N/mm2,钢管强度折减系数取1。
模板支架搭设高度为6.8m,梁截面B×D=350mm×900mm,立杆的纵距(跨度方向) l=0.8m,立杆的步距 h=1.8m,梁底增加1道承重立杆。
面板厚度18mm,剪切强度1.4N/mm2,抗弯强度15N/mm2,弹性模量6000N/mm2。
木方40×80mm,剪切强度1.3N/mm2,抗弯强度15N/mm2,弹性模量9000N/mm2。
梁两侧立杆间距 1.20m。
梁底按照均匀布置承重杆3根计算。
模板自重0.2kN/m2,混凝土钢筋自重25.5kN/m3。
倾倒混凝土荷载标准值2kN/m2,施工均布荷载标准值0kN/m2。
地基承载力标准值170kN/m2,基础底面扩展面积0.25m2,地基承载力调整系数0.4。
扣件计算折减系数取1。
6800图1 梁模板支撑架立面简图按照模板规范4.3.1条规定确定荷载组合分项系数如下:由可变荷载效应控制的组合S=1.2×(25.5×0.9+0.2)+1.4×2=30.58kN/m 2 由永久荷载效应控制的组合S=1.35×25.5×0.9+0.7×1.4×2=32.943kN/m 2由于永久荷载效应控制的组合S 最大,永久荷载分项系数取 1.35,可变荷载分项系数取0.7×1.4=0.979999983310699采用的钢管类型为φ48×2.8。
钢管惯性矩计算采用 I=π(D 4-d 4)/64,抵抗距计算采用 W=π(D 4-d 4)/32D 。
梁模板木支撑计算书梁模板(木支撑)计算书本工程为广西金桂林物资公司综合楼工程,框架结构,地上13层,地下1层。
建筑总高度48.1米,建筑面积约8600㎡总工期:365天建设单位:广西桂林地建建设有限公司项目由广西金桂林物资有限公司投资建设,中国建筑北京研究设计院设计,南方地质勘察监理,广西桂林土方建设有限公司组织建设,项目经理为洪志强,技术负责人为文长林。
1,参数信息1,模板参数木支撑纵向距离Lb(m):0.500;;立杆计算高度H(m):2.600;;立柱由原木制成;圆木头直径r(mm):80.000;直立原木小端直径r(mm):80.000;梁底撑方木截面宽度B1(mm):40.000;;梁底撑方木截面高度h1(mm):60.000;;帽长la(m):1.000;帽木截面宽度B2(mm):60.000;;帽木斜撑方木截面高度H2(mm):80.000;;从斜撑和竖杆连接处到盖木的距离H0(mm):500.000;梁截面宽度b(m):0.250;梁截面高度d(m):0.700;2,荷载参数模板自重(kN/m2):0.350;混凝土和钢筋重量(kN/m2):25.000;振捣混凝土荷载(kN/m2):1.000;新浇混凝土荷载侧压力(kN/m2):12.000;3、梁侧模板参数主楞间距(mm):400;次生根数:3;螺栓水平间距(mm):400;穿过横梁的垂直螺栓数量:3个;支撑点的垂直间距为50毫米和100毫米;;横梁螺栓直径(mm):M12;主楞龙骨材料:木楞,宽80毫米,高100毫米;;次龙骨材料:木龙骨,宽60毫米,高80毫米;;4,面板参数面板选择类型:胶合面板;面板弹性模量e (n/mm2): 9500.000。
面板厚度(毫米):18.000;;面板抗弯设计值FM(n/mm2):13.000;5和圆木参数:速生马尾松;圆木弹性模量e(n/mm2):9000.000;圆木抗压强度设计值Fv(n/mm2):10.000;6,支撑方木参数支撑方木为速生马尾松;斜撑方木的弹性模量e(n/mm2):9000.000;支撑方木抗压强度设计值Fv(n/mm2):10.000;7,帽木方木参数帽木方木选择木材:速生马尾松;弹性模量e(n/mm2):9000.000;抗剪强度设计值Fv(n/mm2):1.200;抗弯强度设计值FM(n/mm2):11.000;8,梁侧后沿参数梁侧后沿选择类型:速生马尾松;梁侧后缘弹性模量e(n/mm2):9000.000;梁侧后缘抗弯强度设计值FM(n/mm2):11.000;2,梁模板荷载标准值计算1。
柱系梁计算书1、设计依据《钢结构设计规范<GB 50017-2014>》、《公路桥涵施工技术规范(JTG/T F50-2011)》、《建筑结构荷载规范<GB 50009-2012>》、《建筑施工碗扣式脚手架安全技术规范》和桥梁施工图。
2、总体方案本标段桥梁上系梁采用钢模板、和系梁以下部分墩柱同时施工。
在墩柱模板上焊接牛腿,采用QL32型千斤顶支撑I45a工字钢,工字钢上利用[14b槽钢搭设系梁底模平台施工。
上系梁施工设计图:3、设计参数[14b槽钢:理论重量16.73kg/m 弹性模量2E=N/206000mm惯性力矩I=609.4cm4 设计抗弯强度2=f215mm/NmI45a工字钢:理论重量80.4kg/m 弹性模量2E=N206000mm/惯性力矩I=32240 cm4 设计抗弯强度2fN215mm/m4、荷载分析4.1、永久荷载钢筋砼重量G1:标段内柱系梁尺寸为1.8×1.5m,砼数量12.7m3,钢筋砼比重按2.6t/m3(按《公路桥涵施工技术规范》的规定)。
上系梁钢筋砼重量G1: G1=12.7m3×2.6 t/m3×10KN=330.2KN。
系梁模板重量G2:根据模型设计图得知,系梁模板采用钢模板,重量(侧模和底模部分)为2.38t,即G2=23.8KN。
槽钢重量G3:根据上系梁设计图,采用[14b槽钢,槽钢按0.45m间距设置,每根长度4m,放置11根。
密度16.73kg/m。
槽钢重量G3:G3=11×4×16.73×10÷1000=7.36KNI45a工字钢重量G4:采用两根长12m I45a工字钢,理论重量80.4kg/m。
I45a工字钢的重量G4:G4=12×2×80.4×10÷1000=19.296 KN根据以上分析计算永久荷载G为:G=G1+G2+G3+G4=330.2KN+23.8KN+7.36KN+19.296 KN=380.656KN4.2、可变荷载可变荷载包括施工荷载、风荷载、雪荷载等,根据系梁施工搭设结构及施工地点气候特点,不考虑雪荷载和水平风荷载;施工荷载(作业层人员、器具、材料的重量)根据《建筑施工扣件式钢管脚手架安全技术规范》取3KN/m2;砼振捣附加荷载根据《公路桥涵施工技术规范》取2KN/m2;砼采用吊车入模,不考虑砼入模的冲击荷载。
梁模板(扣件式)计算书计算依据:1、《建筑施工模板安全技术规范》JGJ162-20082、《建筑施工扣件式钢管脚手架安全技术规范》JGJ 130-20113、《混凝土结构设计规范》GB50010-20104、《建筑结构荷载规范》GB 50009-20125、《钢结构设计规范》GB 50017-2003一、工程属性三、模板体系设计平面图剖面图四、面板验算面板类型覆面木胶合板面板厚度(mm) 18面板抗弯强度设计值[f](N/mm2) 15 面板弹性模量E(N/mm2) 10000W=bh2/6=1000×18×18/6=54000mm3,I=bh3/12=1000×18×18×18/12=486000mm4q1=0.9max[1.2(G1k+ (G2k+G3k)×h)+1.4Q2k,1.35(G1k+(G2k+G3k)×h)+1.4×0.7Q2k]×b=0.9max[1.2×(0.1+(24+1.5)×0.8)+1.4×2,1.35×(0.1+(24+1.5)×0.8)+1.4×0.7×2]×1=26.672kN/mq1静=0.9×1.35×[G1k+(G2k+G3k)×h]×b=0.9×1.35×[0.1+(24+1.5)×0.8]×1=24.908kN/mq1活=0.9×1.4×0.7×Q2k×b=0.9×1.4×0.7×2×1=1.764kN/mq2=(G1k+ (G2k+G3k)×h)×b=[0.1+(24+1.5)×0.8]×1=20.5kN/m1、强度验算M max=0.125q1L2=0.125q1l2=0.125×26.672×0.152=0.075kN·mσ=M max/W=0.075×106/54000=1.389N/mm2≤[f]=15N/mm2满足要求!2、挠度验算νmax=0.521q2L4/(100EI)=0.521×20.5×1504/(100×10000×486000)=0.011mm≤[ν]=l/250=150/250=0.6mm满足要求!3、支座反力计算设计值(承载能力极限状态)R1=R3=0.375 q1静l +0.437 q1活l=0.375×24.908×0.15+0.437×1.764×0.15=1.517kN R2=1.25q1l=1.25×26.672×0.15=5.001kN标准值(正常使用极限状态)R1'=R3'=0.375 q2l=0.375×20.5×0.15=1.153kNR2'=1.25q2l=1.25×20.5×0.15=3.844kN五、小梁验算小梁类型方木小梁材料规格(mm) 50×100小梁抗弯强度设计值[f](N/mm2) 15.44 小梁抗剪强度设计值[τ](N/mm2) 1.78小梁弹性模量E(N/mm2) 9350 小梁截面抵抗矩W(cm3) 83.33小梁截面惯性矩I(cm4) 416.67q1=max{1.517+0.9×1.35×[(0.3-0.1)×0.3/2+0.5×(0.8-0.12)]+0.9max[1.2×(0.5+(24+1.1)×0.12 )+1.4×2,1.35×(0.5+(24+1.1)×0.12)+1.4×0.7×2]×max[0.45-0.3/2,(0.9-0.45)-0.3/2]/2×1,5.001+0.9×1.35×(0.3-0.1)×0.3/2}=5.037kN/mq2=max[1.153+(0.3-0.1)×0.3/2+0.5×(0.8-0.12)+(0.5+(24+1.1)×0.12)×max[0.45-0.3/2,(0.9-0.45)-0.3/2]/2×1,3.844+(0.3-0.1)×0.3/2]=3.874kN/m1、抗弯验算M max=max[0.107q1l12,0.5q1l22]=max[0.107×5.037×0.92,0.5×5.037×0.32]=0.437kN·mσ=M max/W=0.437×106/83330=5.239N/mm2≤[f]=15.44N/mm2满足要求!2、抗剪验算V max=max[0.607q1l1,q1l2]=max[0.607×5.037×0.9,5.037×0.3]=2.752kNτmax=3V max/(2bh0)=3×2.752×1000/(2×50×100)=0.826N/mm2≤[τ]=1.78N/mm2满足要求!3、挠度验算ν1=0.632q2l14/(100EI)=0.632×3.874×9004/(100×9350×4166700)=0.412mm≤[ν]=l/250=900/250=3.6mmν2=q2l24/(8EI)=3.874×3004/(8×9350×4166700)=0.101mm≤[ν]=l/250=300/250=1.2mm满足要求!4、支座反力计算梁头处(即梁底支撑小梁悬挑段根部)承载能力极限状态R max=max[1.143q1l1,0.393q1l1+q1l2]=max[1.143×5.037×0.9,0.393×5.037×0.9+5.037×0.3]=5.182kN同理可得,梁底支撑小梁所受最大支座反力依次为R1=R3=2.997kN,R2=5.182kN正常使用极限状态R'max=max[1.143q2l1,0.393q2l1+q2l2]=max[1.143×3.874×0.9,0.393×3.874×0.9+3.874×0.3]=3.985kN同理可得,梁底支撑小梁所受最大支座反力依次为R'1=R'3=2.623kN,R'2=3.985kN六、主梁验算主梁类型方木主梁材料规格(mm) 50×100可调托座内主梁根数 1 主梁弹性模量E(N/mm2) 206000主梁抗弯强度设计值[f](N/mm2) 205 主梁抗剪强度设计值[τ](N/mm2) 125主梁截面惯性矩I(cm4) 416.67 主梁截面抵抗矩W(cm3) 83.331、抗弯验算主梁弯矩图(kN·m)σ=M max/W=0.25×106/83330=2.997N/mm2≤[f]=205N/mm2满足要求!2、抗剪验算主梁剪力图(kN)V max=2.554kNτmax=3V max/(2bh0)=3×2.554×1000/(2×50×100)=0.766N/mm2≤[τ]=125N/mm2 满足要求!3、挠度验算主梁变形图(mm)νmax=0.002mm≤[ν]=l/250=450/250=1.8mm满足要求!4、扣件抗滑计算R=max[R1,R3]=0.443kN≤1×8=8kN单扣件在扭矩达到40~65N·m且无质量缺陷的情况下,单扣件能满足要求!同理可知,左侧立柱扣件受力R=0.443kN≤1×8=8kN单扣件在扭矩达到40~65N·m且无质量缺陷的情况下,单扣件能满足要求!七、立柱验算顶部立杆段:l01=kμ1(h d+2a)=1×1.386×(1500+2×200)=2633.4mm非顶部立杆段:l02=kμ2h =1×1.755×1500=2632.5mmλ=l0/i=2633.4/15.9=165.623≤[λ]=210长细比满足要求!1、风荷载计算M w=0.9×1.4×ωk×l a×h2/10=0.9×1.4×0.18×0.9×1.52/10=0.046kN·m2、稳定性计算根据《建筑施工模板安全技术规范》公式5.2.5-14,荷载设计值q1有所不同:1)面板验算q1=[1.2×(0.1+(24+1.5)×0.8)+0.9×1.4×2]×1=27.12kN/m2)小梁验算q1=max{1.394+(0.3-0.1)×0.3/2+[1.2×(0.5+(24+1.1)×0.12)+0.9×1.4×1]×max[0.45-0.3/2,(0.9-0.45)-0.3/2]/2×1,5.085+(0.3-0.1)×0.3/2}=5.115kN/m同上四~六计算过程,可得:R1=0.424kN,R2=10.155kN,R3=0.425kN顶部立杆段:l01=kμ1(h d+2a)=1.185×1.386×(1500+2×200)=3120.579mmλ1=l01/i=3120.579/15.9=196.263,查表得,φ1=0.188立柱最大受力N w=max[R1+N边1,R2,R3+N边2]+M w/l b=max[0.424+[1.2×(0.5+(24+1.1)×0.12)+0.9×1.4×1]×(0.9+0.45-0.3/2)/2×0.9,10.155,0.425+[1.2×(0.5+(24+1.1)×0.12)+0.9×1.4×1]×(0.9+0.9-0.45-0.3/2)/2×0.9]+0.046/0.9=10.257kNf=N/(φA)+M w/W=10256.988/(0.188×424)+0.046×106/4490=138.904N/mm2≤[f]=205N/mm2满足要求!非顶部立杆段:l02=kμ2h =1.185×1.755×1500=3119.512mmλ2=l02/i=3119.512/15.9=196.196,查表得,φ2=0.188立柱最大受力N w=max[R1+N边1,R2,R3+N边2]+0.15×(9.3-0.8)+M w/l b=max[0.424+[1.2×(0.75+(24+1.1)×0.12)+0.9×1.4×1]×(0.9+0.45-0.3/2)/2×0.9,10.155,0.425+[1.2×(0.75+(24+1.1)×0.12)+0.9×1.4×1]×(0.9+0.9-0.45-0.3/2)/2×0.9]+1.275+0.04 6/0.9=11.481kNf=N/(φA)+M w/W=11480.958/(0.188×424)+0.046×106/4490=154.259N/mm2≤[f]=205N/mm2满足要求!八、可调托座验算230kN满足要求!。
梁板支撑体系计算书一、梁模板计算(以300×900框架梁为例)其传力系统为:现浇砼及施工等荷载、梁底模板、横方木、纵方木、水平钢管、承接层。
1、荷载(底板承受的标准荷载)1)静载模板自重:0.3×0.3=0.09KN/M钢筋砼自重:0.3×0.9×25=6.75KN/M钢筋自重:1.5×0.3×0.9=0.405 KN/M总重:0.09+6.75+0.405=7.25 KN/M2)活载振捣砼动载:2×0.3×0.9=0.54 KN/M3)竖向设计荷载q=18.7×1.2+0.9×1=23.34 KN/M2、内力计算梁静跨8.8m,因跨度校长,按四跨连梁简化计算,按最不利荷载布置,查《建筑施工手册》附录二附表2-14得:Km=-0.121;Kv=-0.62;Kw=0.967。
另模板底横方木间距在250,查《建筑施工手册》表2-54得18mm胶合模板设计强度Fv=1.2N/mm2,Fm=20N/mm2。
弹性模量:E=6500N/mm2。
受力简图如下:①强度验算:M max =2ql K v =-0.121×23.34×0.25²=-0.177KN/m需要截面抵抗矩:W n =mf M =2010177.06⨯=8850mm ³ 选用底板截面为500×18mm ,W n =61bh ²=61×500×18²=27000 mm ³> W n1 可满足要求。
②剪应力验算 V=ql K v =0.62×23.34×0.25=3.62KN剪应力=0.62N/ mm ²< f v =1.2N/mm 2满足要求③刚度验算刚度验算时按标准荷载,同时不考虑振动荷载,所以q=8.04KN/m挠度 ωA =EI ql k m 1004=3418500121650010025004.8967.0⨯⨯⨯⨯⨯⨯=0.45mm <[ω]=400l =400330=0.83mm 可以满足要求。
梁模板计算书梁高600mm~1000mm(梁截面400*1000mm)梁模板(扣件钢管架)计算书梁段:L1。
一、参数信息1.模板支撑及构造参数梁截面宽度 B(m):0.40;梁截面高度 D(m):1.00;混凝土板厚度(mm):120.00;立杆沿梁跨度方向间距La(m):1.00;立杆上端伸出至模板支撑点长度a(m):0.10;立杆步距h(m):1.50;板底承重立杆横向间距或排距Lb(m):1.00;梁支撑架搭设高度H(m):12.05;梁两侧立杆间距(m):0.70;承重架支撑形式:梁底支撑小楞垂直梁截面方向;梁底增加承重立杆根数:1;采用的钢管类型为Φ48*3;立杆承重连接方式:可调托座;2.荷载参数模板自重(kN/m2):0.35;钢筋自重(kN/m3):1.50;施工均布荷载标准值(kN/m2):2.5;新浇混凝土侧压力标准值(kN/m2):18.0;倾倒混凝土侧压力(kN/m2):2.0;振捣混凝土荷载标准值(kN/m2):2.0;3.材料参数木材品种:柏木;木材弹性模量E(N/mm2):10000.0;木材抗弯强度设计值fm(N/mm2):17.0;木材抗剪强度设计值fv(N/mm2):1.7;面板类型:胶合面板;面板弹性模量E(N/mm2):9500.0;面板抗弯强度设计值fm(N/mm2):13.0;4.梁底模板参数梁底纵向支撑根数:3;面板厚度(mm):14.0;5.梁侧模板参数主楞间距(mm):500;次楞根数:4;主楞竖向支撑点数量为:2;支撑点竖向间距为:250mm;穿梁螺栓水平间距(mm):500;穿梁螺栓直径(mm):M14;主楞龙骨材料:木楞,,宽度38mm,高度88mm;主楞合并根数:2;次楞龙骨材料:钢楞截面类型为矩形,宽度50mm,高度50mm,壁厚为4mm;次楞合并根数:2;二、梁模板荷载标准值计算1.梁侧模板荷载强度验算要考虑新浇混凝土侧压力和倾倒混凝土时产生的荷载;挠度验算只考虑新浇混凝土侧压力。
地下室大梁模板(扣件式,梁板立柱不共用)计算书地下室400*2410梁模板计算书计算依据:1、《建筑施工模板安全技术规范》JGJ162-20082、《建筑施工扣件式钢管脚手架安全技术规范》JGJ 130-20113、《混凝土结构设计规范》GB50010-20104、《建筑结构荷载规范》GB 50009-20125、《钢结构设计规范》GB 50017-2003一、工程属性二、荷载设计三、模板体系设计平面图立面图四、面板验算面板类型覆面木胶合板面板厚度(mm) 18面板抗弯强度设计值[f](N/mm2) 15 面板弹性模量E(N/mm2) 10000W=bh2/6=1000×18×18/6=54000mm3,I=bh3/12=1000×18×18×18/12=486000mm4q1=γ0×max[1.2(G1k+(G2k+G3k)×h)+1.4Q2k,1.35(G1k+(G2k+G3k)×h)+1.4ψc Q2k]×b=0.9×max[1.2×(0.1+(24+1.5)×2.41)+1.4×2,1.35×(0.1+(24+1.5)×2.41)+1.4×0.7×2]×1=76.553kN/mq1静=0.9×1.35×[G1k+(G2k+G3k)×h]×b=0.9×1.35×[0.1+(24+1.5)×2.41]×1=74.789kN/mq1活=0.9×1.4×0.7×Q2k×b=0.9×1.4×0.7×2×1=1.764kN/mq2=[G1k+(G2k+G3k)×h]×b=[0.1+(24+1.5)×2.41]×1=61.555kN/m1、强度验算M max=0.125q1L2=0.125q1l2=0.125×76.553×0.22=0.383kN·mσ=M max/W=0.383×106/54000=7.088N/mm2≤[f]=15N/mm2满足要求!2、挠度验算νmax=0.521q2L4/(100EI)=0.521×61.555×2004/(100×10000×486000)=0.106mm≤[ν]=l/250=200/250=0.8mm满足要求!3、支座反力计算设计值(承载能力极限状态)R1=R3=0.375 q1静l +0.437 q1活l=0.375×74.789×0.2+0.437×1.764×0.2=5.763kN R2=1.25q1l=1.25×76.553×0.2=19.138kN标准值(正常使用极限状态)R1'=R3'=0.375 q2l=0.375×61.555×0.2=4.617kNR2'=1.25q2l=1.25×61.555×0.2=15.389kN五、小梁验算小梁截面抵抗矩W(cm3)4.49 小梁弹性模量E(N/mm2) 206000小梁截面惯性矩I(cm4) 10.78 小梁验算方式三等跨连续梁q1=max{5.763+0.9×1.35×[(0.3-0.1)×0.4/2+0.5×(2.41-0.36)]+0.9×max[1.2×(0.5+(24+1.1)×0 .36)+1.4×2,1.35×(0.5+(24+1.1)×0.36)+1.4×0.7×2]×max[0.6-0.4/2,0.6-0.4/2]/2×1,19.138+0.9×1.35×(0.3-0.1)×0.4/2}=19.187kN/mq2=max{4.617+(0.3-0.1)×0.4/2+0.5×(2.41-0.36)+(0.5+(24+1.1)×0.36)×max[0.6-0.4/2,0.6-0.4/2]/2×1,15.389+(0.3-0.1)×0.4/2}=15.429kN/m1、抗弯验算M max=max[0.1q1l12,0.5q1l22]=max[0.1×19.187×0.2332,0.5×19.187×0.152]=0.216kN·mσ=M max/W=0.216×106/4490=48.074N/mm2≤[f]=205N/mm2满足要求!2、抗剪验算V max=max[0.6q1l1,q1l2]=max[0.6×19.187×0.233,19.187×0.15]=2.878kN τmax=2V max/A=2×2.878×1000/424=13.576N/mm2≤[τ]=125N/mm2满足要求!3、挠度验算ν1=0.677q2l14/(100EI)=0.677×15.429×233.3334/(100×206000×107800)=0.014mm≤[ν]=l1/250=233.333/250=0.933mmν2=q2l24/(8EI)=15.429×1504/(8×206000×107800)=0.044mm≤[ν]=2l2/250=2×150/250=1.2mm满足要求!4、支座反力计算梁头处(即梁底支撑主梁悬挑段根部)承载能力极限状态R max=max[1.1q1l1,0.4q1l1+q1l2]=max[1.1×19.187×0.233,0.4×19.187×0.233+19.187×0.15]=4.925kN同理可得,梁底支撑小梁所受最大支座反力依次为R1=R3=2.497kN,R2=4.925kN正常使用极限状态R'max=max[1.1q2l1,0.4q2l1+q2l2]=max[1.1×15.429×0.233,0.4×15.429×0.233+15.429×0.15]=3.96kN同理可得,梁底支撑小梁所受最大支座反力依次为R'1=R'3=2.202kN,R'2=3.96kN六、主梁验算主梁截面抵抗矩W(cm3)5.08 主梁弹性模量E(N/mm2) 206000主梁截面惯性矩I(cm4) 12.19 可调托座内主梁根数 21、抗弯验算主梁弯矩图(kN·m)σ=M max/W=0.131×106/5080=25.706N/mm2≤[f]=205N/mm2满足要求!2、抗剪验算主梁剪力图(kN)V max=2.462kNτmax=2V max/A=2×2.462×1000/489=10.072N/mm2≤[τ]=125N/mm2满足要求!3、挠度验算主梁变形图(mm)νmax=0.032mm≤[ν]=l/250=333/250=1.332mm满足要求!4、支座反力计算承载能力极限状态支座反力依次为R1=0.604kN,R2=4.355kN,R3=4.355kN,R4=0.604kN 正常使用极限状态支座反力依次为R'1=0.54kN,R'2=3.642kN,R'3=3.642kN,R'4=0.54kN 七、2号主梁验算2号主梁类型钢管2号主梁材料规格(mm) Ф48×32号主梁抗弯强度设计值[f](N/mm2) 205 2号主梁抗剪强度设计值[τ](N/mm2) 1252号主梁截面抵抗矩W(cm3) 4.49 2号主梁弹性模量E(N/mm2) 2060002号主梁截面惯性矩I(cm4) 10.78 2号主梁验算方式简支梁可调托座内主梁根数 2计算简图如下:R=max[R1,R2,R3,R4]/2=[0.604,4.355,4.355,0.604]/2=2.178kN,R'=max[R1',R2',R3',R4']/2=[0.54,3.642,3.642,0.54]/2=1.821kN1、抗弯验算2号主梁弯矩图(kN·m)σ=M max/W=0.508×106/4490=113.077N/mm2≤[f]=205N/mm2满足要求!2、抗剪验算2号主梁剪力图(kN)V max=2.178kNτmax=2V max/A=2×2.178×1000/424=10.274N/mm2≤[τ]=125N/mm2满足要求!3、挠度验算2号主梁变形图(mm)νmax=0.998mm≤[ν]=l/250=700/250=2.8mm满足要求!4、支座反力计算支座反力依次为R1=8.712kN,R2=8.712kN八、可调托座验算荷载传递至立杆方式可调托座2 可调托座内2号主梁根数 2 可调托座承载力容许值[N](kN) 301234满足要求!九、立柱验算顶部立杆段:l01=kμ1(h d+2a)=1×1.386×(600+2×200)=1386mm非顶部立杆段:l02=kμ2h =1×1.755×1600=2808mmλ=l0/i=2808/15.9=176.604≤[λ]=210长细比满足要求!2、风荷载计算M w=1.4××ωk×l a×h2/10=1.4×0.9×0.13×0.7×1.62/10=0.029kN·m3、稳定性计算根据《建筑施工扣件式钢管脚手架安全技术规范》JGJ130-2011,荷载设计值q1有所不同:1)面板验算q1=[1.2×(0.1+(24+1.5)×2.41)+1.4×0.9×2]×1=76.386kN/m2)小梁验算q1=max{5.76+1.2×[(0.3-0.1)×0.4/2+0.5×(2.41-0.36)]+[1.2×(0.5+(24+1.1)×0.36)+1.4×0.9×1 ]×max[0.6-0.4/2,0.6-0.4/2]/2×1,19.096+1.2×(0.3-0.1)×0.4/2}=19.144kN/m 同上四~七计算过程,可得:R1=1.208kN,R2=8.696kN,R3=8.698kN,R4=1.208kN顶部立杆段:l01=kμ1(h d+2a)=1.155×1.386×(600+2×200)=1600.83mmλ1=l01/i=1600.83/15.9=100.681,查表得,φ1=0.588立柱最大受力N w=max[R1,R2,R3,R4]+M w/l b=max[1.208,8.696,8.698,1.208]+0.029/0.8=8.735kNf=N/(φA)+M w/W=8734.687/(0.588×424)+0.029×106/4490=41.573N/mm2≤[f]=205N/mm2满足要求!非顶部立杆段:l02=kμ2h =1.155×1.755×1600=3243.24mmλ2=l02/i=3243.24/15.9=203.977,查表得,φ2=0.175立柱最大受力N w=max[R1,R2,R3,R4]+1.2×0.15×(4.25-2.41)+M w/l b=max[1.208,8.696,8.698,1.208]+0.331+0.029/0.8=9.066kNf=N/(φA)+M w/W=9065.887/(0.175×424)+0.029×106/4490=128.719N/mm2≤[f]=205N/mm2满足要求!十、立柱地基基础计算f ak 140kPa满足要求!。
系梁模板计算书2024年2月目录一、计算条件 (1)1、模板参数 (1)2、计算荷载 (1)3、检算标准 (3)4、钢材强度设计值 (3)5、计算方法 (3)二、模板计算模型 (3)三、模板计算结果 (5)1、面板计算结果 (5)2、法兰、横肋计算结果 (6)3、背楞计算结果 (8)4、拉杆计算结果 (9)四、结论 (10)系梁模板计算书一、计算条件1、模板参数模板采用全钢模板,根据施工方提供的施工图设计模板,模板高度1.5m。
面板为δ=6mm 厚钢板,横肋[10,间距300mm,背楞双[12槽钢,间距700mm。
拉杆采用φ25精轧螺纹钢.材料的性能参数模板全部采用国标合格钢材。
根据《混凝土结构工程施工规范》(GB50666-2011)的规定,取:砼的重力密度:3m 4KN/ 2;砼浇筑速度:1m/h浇注温度:不小于5℃初凝时间:0t =8℃掺外加剂;钢材用Q235钢,重力密度:78.5kN/m 3;弹性模量为206Gpa。
2、计算荷载对模板产生侧压力的水平荷载主要有:1)混凝土下料产生的水平荷载:4.0kN/m 2;2)新浇混凝土对模板的侧压力;荷载组合为:强度检算:1+2;刚度检算:2(不乘荷载分项系数)采用内部振捣器时,新浇筑的混凝土作用于模板的最大侧压力标准值F 可按下列公式计算,并应取其中的较小值:21028.0Vt F C βλ=H F C λ=式中:F—新浇混凝土对模板产生的最大侧压力(2m KN/ )λC —混凝土重力密度(3m 4KN/ 2);0t —新浇混凝土的初凝时间(h t 80=),可按实测确定;当缺乏试验资料时可;采用0t =200/(T+15)计算,T 为混凝土的温度(℃);β—混凝土坍落度影响修正系数:当坍落度在50mm-90mm 时,β取0.85;坍落度在100mm-130mm 时,β取0.9;坍落度在140mm-180mm 时,β取1.0;v—混凝土浇筑高度(厚度)与浇筑时间的比值,即浇筑速度(m/h);H—混凝土侧压力计算位置处至新浇筑混凝土顶面的总高度(m);根据前述已知条件:221210m KN/ 541182428.028.0===X X X X V t F C βλ2m KN/ 361.524===X H F C λ取最小值F 1=43.22m KN/ 有效压力高头:h=36/24=1.5m因此:荷载标准值为:F 1=36KN/m 2;荷载设计值为:F=1.3×36+1.5×4=53KN/m2;23、检算标准1)强度要求满足钢结构设计规范;2)结构表面外露的模板,挠度为模板构件计算跨度的1/400;3)结构表面隐蔽的模板,挠度为模板构件计算跨度的1/250;4)支架的压缩变形货弹性挠度,韦相应的结构计算跨度的1/1000;5)钢模板面板的变形为3mm;4、钢材强度设计值5、计算方法采用有限元法(midas civil)进行计算;二、模板计算模型取2x1.5m模板建模计算,圆弧部分参考圆柱模,此处不再计算。
目录
1、编制依据 (1)
2、工程概况 (1)
3、方案综述 (2)
4、结构计算 (2)
4.1、荷载计算 (2)
4.2、面板计算 (3)
4.3、横肋计算 (4)
4.4、竖肋计算 (5)
4.5、拉杆计算 (6)
5、结论 (6)
系梁模板计算书
1、编制依据
⑴现行施工设计标准
⑵现行施工安全技术标准
⑶公路施工手册《桥涵》(人民交通出版社2000.10)
⑷两阶段施工图
⑸《路桥施工计算手册》
⑹《钢结构设计规范》(GB50017—2003)
⑺《公路桥涵施工技术规范》(JTG/T F50-2011)
2、工程概况
白洋长江公路大桥是宜昌至张家界公路在湖北省宜昌市境内跨越长江的通道。
本项目起点里程桩号K40+985,终点里程桩号K49+180,路线全长8.195Km。
本合同段共有常规桥13座,其中主线桥梁8座,互通匝道桥2座,天桥3座。
地系梁共计14个,左幅为互通加宽渐变段,因此系梁结构尺寸根据桥面宽变化,具体结构尺寸:
宜都互通主线2号桥结构形式统计表
3、方案综述
系梁均采用大块钢模板施工,根据不同结构尺寸中部设置调节块模板,竖向设两层拉杆。
模板采用分块吊装组拼就位的方法施工。
根据模板重量选择合适的起吊设备立模、拆模。
4、结构计算
模板采用A3材料,A3钢轴向允许应力[σ]=215pa,弯曲应力[σw]=215 Mpa。
4.1、荷载计算
混凝土侧压力根据公式: Pm=Kγh计算:
h=0.22+24.9v/T
Pm—新浇筑砼对侧面模板的最大压力,KPa;
h—有效压头高度;
T—砼入模时的温度,取32℃;
v—砼的浇筑速度,取0.75m/h;
H—混凝土浇筑层的高度,取1.5m;
γ混凝土的重度,取24KN/m³
经计算:Pm=K γh=19.3KPa
4.2、面板计算
面板采用δ=6mm 厚钢板,[10 横带间距0.3m ,[14 竖带间距
1.2m ,取1m 板宽按三跨连续梁进行计算。
4.2.1、荷载计算
q=19.3×1=19.3m kN /
有效压头高度:h=γΡ=0.8m
4.2.2、材料力学性能参数及指标
3
322100.6610006161W mm bh ⨯=⨯⨯== 4
433108.161000121121mm bh I ⨯=⨯⨯==
Α=bh=1000×6=60002mm
EI=2.1×1110× 1.8×410×12_10=3.78×2310Nm
EA=2.1×1110×6×310×6_10=1.26×N 910
4.2.3、力学模型
(单位:m )
4.2.4、结构计算
采用迈达斯进行结构分析。
M max =0.2m kN .. Q max =1.2kN
a 、强度计算
σ=ωM =3610*610*15.0=25Mpa<[σ]=145Mpa ,合格。
τ=A Q =6000
10*2.13=0.2Mpa<[τ]=85Mpa ,合格。
b 、刚度计算
f=0.4mm<l/400=0.75mm ,合格。
4.3、横肋计算
竖肋采用[10槽钢,间距30cm ,竖肋采用[12槽钢,间距100cm 。
4.3.1、荷载计算
按最大荷载计算:m kN p q /8.53.03.193.0=⨯=⨯=。
4.3.2、材料力学性能参数及指标
I=1.98×4610mm
W=3.96×4103mm
A=12742mm
EI=2.1×1110× 1.98×610×12_10=4.15×2510Nm
EA=2.1×1110×1.274×310×6_10=2.67×N 810
4.3.3、力学模型
4.3.4、结构计算
采用迈达斯进行结构分析。
M max =0.6kNm Q max =3.5kN
a 、强度计算
σ=ωM =4610
*96.310*6.0=14Mpa<[σ]=145Mpa ,合格。
τ=A Q =1274
10*5.33=3Mpa<[τ]=85Mpa ,合格。
b 、刚度检算
f=0.01mm<l/400=2.5mm ,合格。
最大支反力R max =2R =3R =7.1kN 。
4.4、竖肋计算
竖肋采用2[14a 工字钢,拉杆间距130cm 。
4.4.1、荷载计算
将竖肋槽钢支反力作为集中荷载计算,P =6.4kN 。
4.4.2、材料力学性能参数及指标
I=2×5.63×610=1.12×7104mm
W=2×8.05×410=1.61×3510mm
Α=bh=2×1851=37022mm
EI=2.1×1110× 1.12×710×12_10=2.35×2610Nm
EA=2.1×1110×3.702×310×6_10=7.77×N 810
4.4.3、力学模型
4.4.4、结构计算
采用迈达斯进行结构分析。
M max =3.8kNm Q max =9.6kN
a 、 强度计算
[]MPa MPa w M 1452310
61.1108.356max =<=⨯⨯==σσ,合格。
[]MPa MPa A Q 855.23702
106.93
=<=⨯==ττ,合格。
b 、 刚度计算
mm l mm f 75.31.0=<=,合格。
最大支反力:R =16kN 。
4.5、拉杆计算
拉杆采用φ20圆钢,按最大拉力计算(即4.4节中最大支反力)。
[]MPa MPa 14595.50314
10163
=<=⨯=σσ,合格。
5、结论
根据计算,各种材料受力均满足设计要求!。