梁侧模板计算书.
- 格式:doc
- 大小:204.50 KB
- 文档页数:17
梁模板(盘扣式,梁板立柱不共用)计算书计算依据:1、《建筑施工承插型盘扣式钢管脚手架安全技术标准》JGJ/T 231-20212、《混凝土结构设计规范》GB 50010-20103、《建筑结构荷载规范》GB 50009-20124、《钢结构设计标准》GB 50017-2017一、工程属性平面图立面图四、面板验算W=bh2/6=1000×15×15/6=37500mm3,I=bh3/12=1000×15×15×15/12=281250mm4 面板承受梁截面方向线荷载设计值:q1=γ0×[1.3×(G1k+(G2k+G3k)×h)+1.5×Q1k]×b=1.1×[1.3×(0.1+(24+1.5)×1.35)+1.5×3]×1=54.321kN/m计算简图如下:1、强度验算q1静=γ0×1.3×(G1k+(G2k+G3k)×h)×b=1.1×1.3×(0.1+(24+1.5)×1.35)×1=49.371kN/m q1活=γ0×1.5×Q1k×b=1.1×1.5×3×1=4.95kN/mM max=0.107q1静L2+0.121q1活L2=0.107×49.371×0.152+0.121×4.95×0.152=0.132kN·m σ=M max/W=0.132×106/37500=3.529N/mm2≤[f]/γR=15/1=15N/mm2满足要求!2、挠度验算面板承受梁截面方向线荷载标准值:q2=[1×(G1k+(G2k+G3k)×h)+1×Q1k]×b=[1×(0.1+(24+1.5)×1.35)+1×3]×1=37.525kN/mνmax=0.632q2L4/(100EI)=0.632×37.525×1504/(100×10000×281250)=0.043mm≤[ν]=m in[L/150,10]=min[150/150,10]=1mm满足要求!3、支座反力计算设计值(承载能力极限状态)R1=R5=0.393q1静L+0.446q1活L=0.393×49.371×0.15+0.446×4.95×0.15=3.242kN R2=R4=1.143q1静L+1.223q1活L=1.143×49.371×0.15+1.223×4.95×0.15=9.373kN R3=0.928q1静L+1.142q1活L=0.928×49.371×0.15+1.142×4.95×0.15=7.72kN标准值(正常使用极限状态)R1'=R5'=0.393q2L=0.393×37.525×0.15=2.212kNR2'=R4'=1.143q2L=1.143×37.525×0.15=6.434kNR3'=0.928q2L=0.928×37.525×0.15=5.223kN五、小梁验算分别计算梁底各道小梁所受线荷载,其中梁侧楼板的荷载取板底立杆至梁侧边一半的荷载。
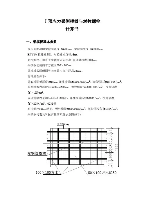
Ⅰ预应力梁侧模板与对拉螺栓计算书一、梁模板基本参数预应力混凝图梁截面宽度 B=700mm,梁截面高度 H=2000mm,H方向对拉螺栓5道,对拉螺栓直径16mm,对拉螺栓在垂直于梁截面方向距离(即计算跨度)300mm。
梁模板使用的木方截面500×100mm,梁模板截面侧面竖向布置木方净距离250mm。
材料属性如下:梁底模面板厚度h=15mm,弹性模量E=6000.00N/mm2,抗弯强[f]=15.00N/mm2。
梁侧模木楞厚度b*h=50mm*100mm,弹性模量E=6000.00N/mm2,抗弯强度[f]=13N/mm2。
双钢管横楞采用2*¢48*3.0钢管,弹性模量E=206000N/mm2,抗弯强度[f]=205N/mm2。
Q235钢对拉螺栓¢16mm钢筋,弹性模量E=206000N/mm2,抗拉强度[f]=195N/mm2。
梁模板构造及对拉罗拴的布置示意图如下:梁侧模板木方及双管布置示意图 450间距300mm450450梁模板对拉螺栓布置示意图二、梁模板荷载标准值计算模板自重 N 1= 0.340kN/m 2;钢筋混凝土自重 N 2 = 25.000kN/m 3;施工荷载标准值 N 3= 3.000kN/m 2。
新浇混凝土侧压力标准值F GK1.新浇混凝土侧压力计算公式为下式中的较小值:2/121022.0V t F c ββγ=H F c γ=其中 c —— 混凝土的重力密度,取24.000kN/m 3;t —— 新浇混凝土的初凝时间, (表示无资料)取200/(T+15),取6h ; T —— 混凝土的入模温度,取20.000℃;V —— 混凝土的浇筑速度,取1.500m/h ;H —— 混凝土侧压力计算位置处至新浇混凝土顶面总高度,取2.500m ; 1——外加剂影响修正系数,不掺外加剂时取1.0;掺缓凝外加剂取1.2,该工程取1.2。
2——混凝土坍落度影响系数,当坍落度小于100mm 时,取1.10不小于100mm ,取1.15。
梁侧模板计算书计算依据:1、《建筑施工模板安全技术规范》JGJ162-20082、《混凝土结构设计规范》GB50010-20103、《建筑结构荷载规范》GB 50009-20124、《钢结构设计规范》GB 50017-2003一、工程属性新浇混凝梁名称KL7 混凝土梁截面尺寸(mmxmm) 700×1400 梁板结构情况见下图楼板厚度(mm) 120 二、荷载组合侧压力计算依据规范《建筑施工模板安全技术规范》JGJ162-2008混凝土重力密度γc(kN/m3) 25混凝土侧压力计算位置处至新浇混凝土顶面总高度H(m)1.4 混凝土侧压力折减系数ξ0.8新浇混凝土对模板的侧压力标准值G4k(kN/m2)ζγc H=0.8×25×1.4=28kN/m2振捣混凝土时对垂直面模板荷载标准值Q2k(kN/m2)4新浇混凝土对模板的侧压力标准值G4k=ζγc H=0.8×25×1.4=28kN/m2承载能力极限状态设计值S承=0.9max[1.2G4k+1.4Q2k,1.35G4k+1.4×0.7Q2k]=0.9max[1.2×28+1.4×4,1.35×28+1.4×0.7×4]=0.9max[39.2,41.72]=0.9×41.72=37.548kN/m2 正常使用极限状态设计值S正=G4k=28 kN/m2三、支撑体系设计小梁布置方式水平向布置小梁道数7 主梁间距(mm) 500 主梁合并根数2 小梁最大悬挑长度(mm) 250结构表面的要求结构表面外露 对拉螺栓水平向间距(mm) 500支撑距梁底距离依次为200,650,1100设计简图如下:模板设计剖面图四、面板验算面板类型覆面木胶合板 面板厚度(mm) 15 面板抗弯强度设计值[f](N/m m 2)13面板弹性模量E(N/mm 2)9000梁截面宽度取单位长度,b =1000mm 。
附件一梁底支撑架及梁侧模板计算书以酒店最大梁KZL3(1):梁截面为1400mmx2900mm为计算依据,其余梁可参考此梁进行支撑架搭设,转换层层高为5.6m。
材料选用:模板:梁底模采用12mm厚竹胶板,梁侧模采用18mm厚木模胶合板,木枋截面:60mm*80mm,钢管:Φ48*2.8mm(实测值)钢管。
φ12对拉螺杆,U型顶托。
采用2.5m的立杆,在梁截面方向正中增加4排立杆,立杆间距500,沿梁长度方向立杆间距600,离地150高设置纵横向扫脚杆,第二道水平连系杆离地1.25m,第三道水平连系杆离地2.35m,立杆上口采用U型顶托(质量必须可靠),U型顶托上设置短向双钢管用于支承梁底模,在搭设梁底支模架时,短向双钢管均需与大梁两侧立杆上的水平杆扣件连接。
梁侧模距梁底200高设置第一道对拉螺杆,底下3排螺杆纵横间距控制在460mm以内。
梁内严禁穿竹筒(大梁易在此处开裂),改用φ16PVC管,在大梁上口采用一排一次性螺杆,用以确保梁截面。
设置纵向连续剪力撑,将荷载往框架柱传递。
横向每隔4根立杆设置剪刀撑,剪力撑采用6m钢管。
梁支模架与浇捣成型的框支柱用钢管抱箍连接成整体,增加其整体稳定性。
为防止立杆集中力过大,抵抗对楼面砼产生冲切破坏,在梁截面方向立杆下铺设槽钢,槽口向上,或采用50mm~60mm厚松木板塞在靠近立杆的扫脚杆下方,以增大受力面积。
KZL3(1)框支梁支模示意图一、底板模板计算:底板模计算跨度为150mm,取计算单元为0.6m,现进行强度及挠度验算,按四跨连续梁计算。
荷载统计:模板自重:q1=0.35*0.6*(2*2.7+1.4)/1.4=1.02kn/m梁钢筋砼自重:q2=25.5*0.6*2.9=44.4kn/m振捣砼时产生的荷载标准值:q3=2*0.6=1.2kn/m合计:Q=1.2*(q1+q2)+1.4*q3=1.2*(1.02+44.4)+1.4*1.2=56.2kn/m强度验算:验算式:W≥M/ fmM=0.121*QL2=0.121*56.2*0.15*0.15=0.15kn.m板模板截面抵抗矩:W=600*12*12/6=14400mm3=13 N/mm2f=M/W=0.15*106/14400=10.4N/mm2<fm=13 N/mm2木材抗弯强度设计值fm强度符合要求挠度验算:验算式:ωA=KwqL4/100EI≤L/400Q=1.02+44.4=45.4kn/mE=9.5*103N/mm2I=600*12*12*12/12=86400mm4Kw=0.967ωA=KwqL4/100EI=0.967*45.4*1504/100*9.5*103*86400=0.27mm≤L/400=150/400=0.375mm挠度符合要求二、梁底木楞验算梁底木楞采用60*80木枋,计算跨度为600mm,计算单元为150mm,按四跨连续梁进行验算。
梁模板(套扣式,梁板立柱不共用)计算书计算依据:1、《混凝土结构设计规范》GB 50010-20102、《建筑结构荷载规范》GB 50009-20123、《钢结构设计标准》GB 50017-20174、《建筑施工承插型套扣式钢管脚手架安全技术规程》DBJ15-98-2014一、工程属性二、荷载设计三、模板体系设计设计简图如下:平面图立面图四、面板验算取单位宽度b=1000mm,按四等跨连续梁计算:截面抵抗矩:W=bt2/6=1000×15×15/6=37500mm3,截面惯性矩:I=bt3/12=1000×15×15×15/12=281250mm4根据《建筑施工承插型套扣式钢管脚手架安全技术规程》DBJ15-98-2014第4.3节规定可知:q1=γ0×max[1.2(G1k+(G2k+G3k)×h)+1.4Q1k,1.35(G1k+(G2k+G3k)×h)+1.4ψc Q1k]×b=1×m ax[1.2×(0.1+(24+1.5)×1.8)+1.4×2.5,1.35×(0.1+(24+1.5)×1.8)+1.4×0.9×2.5]×1=65.25 kN/mq1静=γ0×1.35×[G1k+(G2k+G3k)×h]×b=1×1.35×[0.1+(24+1.5)×1.8]×1=62.1kN/m q1活=γ0×1.4×0.9×Q1k×b=1×1.4×0.9×2.5×1=3.15kN/mq2=[1×(G1k+(G2k+G3k)×h)+1×Q1k]×b=[1×(0.1+(24+1.5)×1.8)+1×2.5]×1=48.5kN/m 计算简图如下:1、强度验算M max=0.107q1静L2+0.121q1活L2=0.107×62.1×0.22+0.121×3.15×0.22=0.281kN·m σ=M max/W=0.281×106/37500=7.494N/mm2≤[f]=15N/mm2满足要求!2、挠度验算νmax=0.632q2L4/(100EI)=0.632×48.5×2004/(100×10000×281250)=0.174mm≤[ν]=min[ L/150,10]=min[200/150,10]=1.333mm满足要求!3、支座反力计算设计值(承载能力极限状态)R1=R5=0.393q1静L+0.446q1活L=0.393×62.1×0.2+0.446×3.15×0.2=5.162kNR2=R4=1.143q1静L+1.223q1活L=1.143×62.1×0.2+1.223×3.15×0.2=14.967kNR3=0.928q1静L+1.142q1活L=0.928×62.1×0.2+1.142×3.15×0.2=12.245kN标准值(正常使用极限状态)R1'=R5'=0.393q2L=0.393×48.5×0.2=3.812kNR2'=R4'=1.143q2L=1.143×48.5×0.2=11.087kNR3'=0.928q2L=0.928×48.5×0.2=9.002kN五、小梁验算梁侧存在混凝土板,故梁底支撑区域内楼板荷载需附加传递:承载能力极限状态:梁底面板传递给左边小梁线荷载:q1左=R1/b=5.162/1=5.162kN/m梁底面板传递给中间小梁最大线荷载:q1中=Max[R2,R3,R4]/b =Max[14.967,12.245,14.967]/1= 14.967kN/m梁底面板传递给右边小梁线荷载:q1右=R5/b=5.162/1=5.162kN/m小梁自重:q2=1×1.35×(0.3-0.1)×0.8/4 =0.054kN/m梁左侧模板传递给左边小梁荷载q3左=1×1.35×0.5×(1.8-0.1)=1.147kN/m梁右侧模板传递给右边小梁荷载q3右=1×1.35×0.5×(1.8-0.1)=1.147kN/m梁左侧楼板传递给左边小梁荷载q4左=1×Max[1.2×(0.5+(24+1.1)×0.1)+1.4×2.5,1.35×(0.5+(24+1.1)×0.1)+1.4×0.9×2.5]×(0.65-0.8/2)/2×1=0.902kN/m梁右侧楼板传递给右边小梁荷载q4右=1×Max[1.2×(0.5+(24+1.1)×0.1)+1.4×2.5,1.35×(0.5+(24+1.1)×0.1)+1.4×0.9×2.5]×(0.65-0.8/2)/2×1=0.902kN/m左侧小梁荷载q左=q1左+q2+q3左+q4左 =5.162+0.054+1.147+0.902=7.265kN/m中间小梁荷载q中= q1中+ q2=14.967+0.054=15.021kN/m右侧小梁荷载q右=q1右+q2+q3右+q4右 =5.162+0.054+1.147+0.902=7.265kN/m小梁最大荷载q=Max[q左,q中,q右]=Max[7.265,15.021,7.265]=15.021kN/m正常使用极限状态:梁底面板传递给左边小梁线荷载:q1左'=R1'/b=3.812/1=3.812kN/m梁底面板传递给中间小梁最大线荷载:q1中'=Max[R2',R3',R4']/b =Max[11.087,9.002,11.087]/1= 11.087kN/m梁底面板传递给右边小梁线荷载:q1右'=R5'/b=3.812/1=3.812kN/m小梁自重:q2'=1×(0.3-0.1)×0.8/4 =0.04kN/m梁左侧模板传递给左边小梁荷载q3左'=1×0.5×(1.8-0.1)=0.85kN/m梁右侧模板传递给右边小梁荷载q3右'=1×0.5×(1.8-0.1)=0.85kN/m梁左侧楼板传递给左边小梁荷载q4左'=[1×(0.5+(24+1.1)×0.1)+1×2.5]×(0.65-0.8/2)/2×1=0.689kN/m梁右侧楼板传递给右边小梁荷载q4右'=[1×(0.5+(24+1.1)×0.1)+1×2.5]×(0.65-0.8/2)/2×1=0.689kN/m左侧小梁荷载q左'=q1左'+q2'+q3左'+q4左'=3.812+0.04+0.85+0.689=5.391kN/m中间小梁荷载q中'= q1中'+ q2'=11.087+0.04=11.127kN/m右侧小梁荷载q右'=q1右'+q2'+q3右'+q4右' =3.812+0.04+0.85+0.689=5.391kN/m小梁最大荷载q'=Max[q左',q中',q右']=Max[5.391,11.127,5.391]=11.127kN/m为简化计算,按简支梁和悬臂梁分别计算,如下图:1、抗弯验算M max=max[0.125ql12,0.5ql22]=max[0.125×15.021×0.62,0.5×15.021×0.152]=0.676k N·mσ=M max/W=0.676×106/74667=9.053N/mm2≤[f]=16N/mm2满足要求!2、抗剪验算V max=max[0.5ql1,ql2]=max[0.5×15.021×0.6,15.021×0.15]=4.506kNτmax=3V max/(2bh0)=3×4.506×1000/(2×70×80)=1.207N/mm2≤[τ]=1.5N/mm2满足要求!3、挠度验算ν1=5q'l14/(384EI)=5×11.127×6004/(384×10000×298.667×104)=0.629mm≤[ν]=min[l1/150,10]=min[600/150,10]=4mmν2=q'l24/(8EI)=11.127×1504/(8×10000×298.667×104)=0.024mm≤[ν]=min[2l2/150,1 0]=min[300/150,10]=2mm满足要求!4、支座反力计算承载能力极限状态R max=max[qL1,0.5qL1+qL2]=max[15.021×0.6,0.5×15.021×0.6+15.021×0.15]=9.013kN 同理可得:梁底支撑小梁所受最大支座反力依次为R1=4.359kN,R2=9.013kN,R3=7.379kN,R4=9.0 13kN,R5=4.359kN正常使用极限状态R max'=max[q'L1,0.5q'L1+q'L2]=max[11.127×0.6,0.5×11.127×0.6+11.127×0.15]=6.676kN 同理可得:梁底支撑小梁所受最大支座反力依次为R1'=3.235kN,R2'=6.676kN,R3'=5.425kN,R4'=6. 676kN,R5'=3.235kN六、主梁验算主梁自重忽略不计,主梁2根合并,其主梁受力不均匀系数=0.6,则单根主梁所受集中力为Ks×Rn,Rn为各小梁所受最大支座反力1、抗弯验算主梁弯矩图(kN·m)σ=M max/W=0.262×106/4490=58.241N/mm2≤[f]=205N/mm2满足要求!2、抗剪验算主梁剪力图(kN)V max=4.114kNτmax=2V max/A=2×4.114×1000/424=19.406N/mm2≤[τ]=125N/mm2满足要求!3、挠度验算主梁变形图(mm)νmax=0.035mm≤[ν]=min[L/150,10]=min[300/150,10]=2mm满足要求!4、支座反力计算承载能力极限状态支座反力依次为R1=6.729kN,R2=7.016kN,R3=6.729kN立柱所受主梁支座反力依次为P1=6.729/0.6=11.215kN,P2=7.016/0.6=11.693kN,P3= 6.729/0.6=11.215kN七、可调托座验算可调托座最大受力N=max[P1,P2,P3]=11.693kN≤[N]=30kN满足要求!八、立柱验算1、长细比验算h max=max(ηh,h'+2a)=max(1.1×1500,1200+2×200)=1650mmλ=h max/i=1650/15.9=103.774≤[λ]=150长细比满足要求!查表得:φ=0.5662、风荷载计算M w=γ0×φc×1.4×ωk×l a×h2/10=1×0.9×1.4×0.281×0.6×1.52/10=0.048kN·m3、稳定性计算P1=11.215kN,P2=11.693kN,P3=11.215kN立柱最大受力N w=max[P1,P2,P3]+1×1.35×0.15×(7.5-1.8)+M w/l b=max[11.215,11. 693,11.215]+1.154+0.048/0.6=12.927kNf=N/(φA)+M w/W=12927.073/(0.566×424)+0.048×106/4490=64.557N/mm2≤[f]=205 N/mm2满足要求!九、高宽比验算根据《建筑施工承插型套扣式钢管脚手架安全技术规程》DBJ15-98-2014第6.1.5:模板支撑架的高宽比不宜大于3H/B=7.5/30=0.25≤3满足要求!十、架体抗倾覆验算混凝土浇筑前,倾覆力矩主要由风荷载产生,抗倾覆力矩主要由模板及支架自重产生M T=γ0×ψc×γQ(ωk LHh2)=1×0.9×1.4×(0.281×40×7.5×6)=637.308kN·mM R=γG[G1k+0.15×H/(l a'×l b')]LB2/2=0.9×[0.5+0.15×7.5/(0.9×0.9)]×40×302/2=30600kN·m M T=637.308kN·m≤M R=30600kN·m满足要求!混凝土浇筑时,倾覆力矩主要由泵送、倾倒混凝土等因素产生的水平荷载产生,抗倾覆力矩主要由钢筋、混凝土、模板及支架自重产生M T=γ0×ψc×γQ(Q2k LH2)=1×0.9×1.4×(0.06×40×7.52)=170.1kN·mM R=γG[G1k+(G2k+G3k)h0+0.15×H/(l a'×l b')]LB2/2=0.9×[0.5+(24+1.1)×0.1+0.15×7.5/(0.9×0.9)]×40×302/2=71262kN·mM T=170.1kN·m≤M R=71262kN·m满足要求!十一、立柱支承面承载力验算F1=N=12.927kN1、受冲切承载力计算根据《混凝土结构设计规范》GB50010-2010第6.5.1条规定,见下表可得:βh=1,f t=0.638N/mm2,η=1,h0=h-20=130mm,u m =2[(a+h0)+(b+h0)]=960mmF=(0.7βh f t+0.25σpc,m)ηu m h0=(0.7×1×0.638+0.25×0)×1×960×130/1000=55.736kN≥F1=1 2.927kN满足要求!2、局部受压承载力计算根据《混凝土结构设计规范》GB50010-2010第6.6.1条规定,见下表可得:f c=5.568N/mm2,βc=1,βl=(A b/A l)1/2=[(a+2b)×(b+2b)/(ab)]1/2=[(320)×(300)/(120×100)]1/2=2.828,A ln=ab=1200 0mm2F=1.35βcβl f c A ln=1.35×1×2.828×5.568×12000/1000=255.129kN≥F1=12.927kN满足要求!。
梁侧模板计算书计算依据:1、《建筑施工模板安全技术规范》JGJ162-20082、《混凝土结构设计规范》GB50010-20103、《建筑结构荷载规范》GB 50009-20124、《钢结构设计规范》GB 50017-2003一、工程属性二、荷载组合新浇混凝土对模板的侧压力标准值G4k=min[0.22γc t0β1β2v1/2,γc H]=min[0.22×24×4×1×1.15×21/2,24×1.6]=min[34.35,38.4]=34.35kN/m2 承载能力极限状态设计值S承=0.9max[1.2G4k+1.4Q2k,1.35G4k+1.4×0.7Q2k]=0.9max[1.2×34.35+1.4×4,1.35×34.35+1.4×0.7×4]=0.9max[46.82,50.29]=0.9×50.29=45.26kN/m2正常使用极限状态设计值S正=G4k=34.35 kN/m2三、支撑体系设计小梁布置方式水平向布置小梁道数 6主梁间距(mm) 600主梁合并根数 2小梁最大悬挑长度(mm) 300对拉螺栓水平向间距(mm) 600支撑距梁底距离依次为200,725,1250设计简图如下:模板设计剖面图四、面板验算面板类型覆面木胶合板面板厚度(mm) 18面板抗弯强度设计值[f](N/mm2) 15 面板弹性模量E(N/mm2) 10000 梁截面宽度取单位长度,b=1000mm。
W=bh2/6=1000×182/6=54000mm3,I=bh3/12=1000×183/12=486000mm4。
面板计算简图如下:1、抗弯验算q1=bS承=1×45.26=45.26kN/mq1静=0.9×1.35×G4k×b=0.9×1.35×34.35×1=41.74kN/mq1活=0.9×1.4×0.7×Q2k×b=0.9×1.4×0.7×4×1=3.53kN/mM max=0.107q1静L2+0.121q1活L2=0.107×41.74×0.32+0.121×3.53×0.32=0.43kN·m σ=M max/W=0.43×106/54000=7.94N/mm2≤[f]=15N/mm2满足要求!2、挠度验算q=bS正=1×34.35=34.35kN/mνmax=0.632qL4/(100EI)=0.632×34.35×2964/(100×10000×486000)=0.34mm≤296/400=0.74mm满足要求!3、最大支座反力计算承载能力极限状态R max=1.143×q1静×l左+1.223×q1活×l左=1.143×41.74×0.3+1.223×3.53×0.3=15.4kN 正常使用极限状态R'max=1.143×l左×q=1.143×0.3×34.35=11.62kN五、小梁验算小梁最大悬挑长度(mm) 300 小梁计算方式三等跨连续梁小梁类型方木小梁材料规格(mm) 100×50小梁弹性模量E(N/mm2) 9350 小梁抗剪强度设计值[τ](N/mm2) 1.78小梁截面抵抗矩W(cm3) 83.33 小梁抗弯强度设计值[f](N/mm2) 15.44小梁截面惯性矩I(cm4) 416.67计算简图如下:跨中段计算简图悬挑段计算简图1、抗弯验算q=15.4kN/mM max=max[0.1×q×l2,0.5×q×l12]=max[0.1×15.4×0.62,0.5×15.4×0.32]=0.69kN·m σ=M max/W=0.69×106/83330=8.31N/mm2≤[f]=15.44N/mm2满足要求!2、抗剪验算V max=max[0.6×q×l,q×l1]=max[0.6×15.4×0.6,15.4×0.3]=5.54kNτmax=3V max/(2bh0)=3×5.54×1000/(2×50×100)=1.66N/mm2≤[τ]=1.78N/mm2满足要求!3、挠度验算q=11.62kN/mν1max=0.677qL4/(100EI)=0.677×11.62×6004/(100×9350×4166700)=0.26mm≤600/400=1.5mmν2max=qL4/(8EI)=11.62×3004/(8×9350×4166700)=0.3mm≤300/400=0.75mm满足要求!4、最大支座反力计算承载能力极限状态R max=max[1.1×15.4×0.6,0.4×15.4×0.6+15.4×0.3]=10.16kN正常使用极限状态R'max=max[1.1×11.62×0.6,0.4×11.62×0.6+11.62×0.3]=7.67kN六、主梁验算对拉螺栓水平向间距(mm) 600 主梁最大悬挑长度(mm) 300主梁类型钢管主梁材料规格(mm) Ф48×3主梁合并根数 2 主梁弹性模量E(N/mm2) 206000 主梁抗弯强度设计值[f](N/mm2) 205 主梁抗剪强度设计值[τ](N/mm2) 120主梁截面惯性矩I(cm4) 10.78 主梁截面抵抗矩W(cm3) 4.49 因主梁2根合并,则抗弯、抗剪、挠度验算荷载值取半。
梁模板计算书梁模板的计算主要包括:①底板下内楞、底板下外楞和底板下支撑;②梁侧模板、侧模板内楞、梁侧模板外楞和对拉钢片。
1、梁模底板及内楞计算(1)梁截面≤350×600梁底板按350×600计算①强度验算:底板承受标准荷载:恒载:混凝土自重力 24KN/m3×0.35m×0.6m×1.2=6.048KN/m底板自重力 5KN/m3×0.015m×0.35m×1.2=0.0315KN/m钢筋自重力 1.5KN/m3×0.35m×0.6m×1.2=0.378KN/m动载:振捣混凝土荷载 2.0KN/m3×0.35m×1.4=0.98KN/m施工人员及机械荷载 2.5KN/m3×0.35m×1.4=1.225KN/m合计 q1=8.663KN/m木模板需乘折减系数0.9:则q=q1×0.9=7.8KN/m梁模板下内楞的间距相等,设为L,是一个等跨多跨连续梁,可按四等跨连续梁来计算:所用公式:δ=M/W≤fmM=Km×qL2W=bh2/6式中:δ—计算最大应力M—计算最大内力Km—弯距系数W—截面抵抗矩Fm—木材抗弯强度设计值b×h—模板横截面的宽度与厚度L—内楞间距一般按4跨连续梁计算,按最不利荷载布置,查附表2得:Km=0.121δ=0.121×7.8×L2×6/(350×152)≤13N/mm2解得:L≤425mm②剪应力验算所用公式:τ=3V/2bh≤fv V=Kvql查表得Kv=0.620τ=3×0.620×7.8×L/(2×600×15)≤fv=1.4N/mm2解得:L≤510mm③挠度验算所用公式:w=Kwql4/100EI≤L/250查表得:Kw=0.967w=0.967×7.8×L4×12/(100×9000×350×153)≤L/250解得:L≤361mm综合以上三种情况,L≤361mm,底板可满足要求,可取L=350mm(2)350×600<梁截面≤350×1100梁底板按350×1100计算①强度验算:底板承受标准荷载:恒载:混凝土自重力 24KN/m3×0.35m×1.1m×1.2=11.088KN/m底板自重力 5KN/m3×0.015m×0.35m×1.2=0.0315KN/m钢筋自重力 1.5KN/m3×0.35m×1.1m×1.2=0.693KN/m动载:振捣混凝土荷载 2.0KN/m3×0.35m×1.4=0.98KN/m施工人员及机械荷载 2.5KN/m3×0.35m×1.4=1.225KN/m合计 q1=14.018KN/m木模板需乘折减系数0.9:则q=q1×0.9=12.616KN/m梁模板下内楞的间距相等,设为L,是一个等跨多跨连续梁,可按四等跨连续梁来计算:所用公式:δ=M/W≤fmM=Km×qL2W=bh2/6式中:δ—计算最大应力M—计算最大内力Km—弯距系数W—截面抵抗矩Fm—木材抗弯强度设计值b×h—模板横截面的宽度与厚度L—内楞间距一般按4跨连续梁计算,按最不利荷载布置,查附表2得:Km=0.121δ=0.121×12.616×L2×6/(350×152)≤13N/mm2解得:L≤334mm②剪应力验算所用公式:τ=3V/2bh≤fv V=Kvql查表得Kv=0.620τ=3×0.620×12.616×L/(2×1100×15)≤fv=1.4N/mm2解得:L≤444mm③挠度验算所用公式:w=Kwql4/100EI≤L/250查表得:Kw=0.967w=0.967×12.616×L4×12/(100×9000×350×153)≤L/250解得:L≤307mm综合以上三种情况,L≤307mm,底板可满足要求,可取L=300mm(3)梁截面>350×1100梁底板计算按350×2600计算①强度验算:底板承受标准荷载:恒载:混凝土自重力 24KN/m3×0.35m×2.6m×1.2=26.208KN/m底板自重力 5KN/m3×0.015m×0.35m×1.2=0.0315KN/m钢筋自重力 1.5KN/m3×0.35m×2.6m×1.2=1.638KN/m动载:振捣混凝土荷载 2.0KN/m3×0.35m×1.4=0.98KN/m施工人员及机械荷载 2.5KN/m3×0.35m×1.4=1.225KN/m合计 q1=30.083KN/m木模板需乘折减系数0.9:则q=q1×0.9=27.074KN/m梁模板下内楞的间距相等,设为L,是一个等跨多跨连续梁,可按四等跨连续梁来计算:所用公式:δ=M/W≤fmM=Km×qL2W=bh2/6式中:δ—计算最大应力M—计算最大内力Km—弯距系数W—截面抵抗矩Fm—木材抗弯强度设计值b×h—模板横截面的宽度与厚度L—内楞间距一般按4跨连续梁计算,按最不利荷载布置,查附表2得:Km=0.121δ=0.121×27.04×L2×6/(350×152)≤13N/mm2解得:L≤228mm②剪应力验算所用公式:τ=3V/2bh≤fv V=Kvql查表得Kv=0.620τ=3×0.620×27.074×L/(2×2600×15)≤fv=1.4N/mm2解得:L≤466mm③挠度验算所用公式:w=Kwql4/100EI≤L/250查表得:Kw=0.967w=0.967×27.074×L4×12/(100×9000×350×153)≤L/250解得:L≤238mm综合以上三种情况,L≤228mm,底板可满足要求,可取L=200mm2、梁底外楞验算(1)梁截面≤350×600梁底外楞计算①强度验算:外楞下钢管的纵向间距设为L2,沿纵向为三排。
梁侧模板计算书1、《混凝土结构工程施工规范》GB50666-20112、《混凝土结构设计规范》GB50010-20103、《建筑结构荷载规范》GB 50009-20124、《钢结构设计规范》GB 50017-2003一、工程属性二、荷载组合4k c0c min{0.28×24×4×0.9×21/2,24×3.75}=min{34.213,90}=34.213kN/m2 承载能力极限状态设计值S承=γ0[1.35×0.9×G4k+1.4×φc Q4k]=1×[1.35×0.9×32.4+1.4×0.9×2]=41.886kN/m2正常使用极限状态设计值S正=G4k=32.4 kN/m2三、支撑体系设计设计简图如下:模板设计剖面图四、面板验算bh3/12=1000×153/12=281250mm4。
计算简图如下:1、抗弯验算q1=bS承=1×41.886=41.886kN/mM max=0.125q1l2=0.125×41.886×0.2252=0.265kN·mσ=M max/W=0.265×106/37500=7.068N/mm2≤[f]=15N/mm2满足要求!2、挠度验算q=bS正=1×32.4=32.4kN/mνmax=5×32.4×2254/(384×10000×281250)=0.384mm≤225/250=0.9mm 满足要求!3、支座反力验算承载能力极限状态R=q1l=41.886×0.225=9.424kN正常使用极限状态R'=ql=32.4×0.225=7.29kN五、小梁验算1、抗弯验算小梁弯矩图(kN·m)q=9.424kN/mσ=M max/W=0.369×106/32062=11.522N/mm2≤[f]=15.44N/mm2 满足要求!2、抗剪验算小梁剪力图(kN)τmax=3 V max/(2bh)=3×2.713×1000/(2×45×95)=0.952N/mm2≤[τ]=1.78N/mm2 满足要求!3、挠度验算小梁变形图(mm)q=7.29kN/mνmax=1.708mm≤450/250=1.8mm满足要求!4、主梁所受支座反力计算承载能力极限状态R max=5.352kN正常使用极限状态R'max=4.14kN六、主梁验算计算简图如下:1、抗弯验算主梁弯矩图(kN·m)q=5.352kN/mσ=M max/W=0.542×106/4490=120.688N/mm2≤[f]=205N/mm2满足要求!2、抗剪验算主梁剪力图(kN)τmax=2V max/A=2×2.713×1000/424=30.925N/mm2≤[τ]=120N/mm2 满足要求!3、挠度验算主梁变形图(mm)q=4.14kN/mνmax=0.253mm≤450/250=1.8mm满足要求!4、最大支座反力计算R max=11.908/1=11.908kN七、对拉螺栓验算t 满足要求!梁侧模板计算书1、《混凝土结构工程施工规范》GB50666-20112、《混凝土结构设计规范》GB50010-20103、《建筑结构荷载规范》GB 50009-20124、《钢结构设计规范》GB 50017-2003一、工程属性二、荷载组合4k c0c min{0.28×24×4×0.9×21/2,24×3.75}=min{34.213,90}=34.213kN/m2 承载能力极限状态设计值S承=γ0[1.35×0.9×G4k+1.4×φc Q4k]=1×[1.35×0.9×32.4+1.4×0.9×2]=41.886kN/m2正常使用极限状态设计值S正=G4k=32.4 kN/m2三、支撑体系设计设计简图如下:模板设计剖面图四、面板验算bh3/12=1000×153/12=281250mm4。
梁模板(扣件式,梁板立柱共用)计算书计算依据:1、《建筑结构荷载规范》GB 50009-20122、《混凝土结构设计规范》GB50010-20103、《钢结构设计规范》GB 50017-20034、《建筑施工扣件式钢管模板支架技术规程》DB33/1035-2006一、工程概况二、模板支撑体系设计模板设计立面图模板设计平面图三、荷载设计模板及支架自重标准值模板(kN/m2) 0.3 次楞(kN/m) 0.01 主楞(kN/m) 0.033 支架(kN/m) 0.15 梁侧模板自重标准值(kN/m2) 0.5新浇筑混凝土自重标准值(kN/m3) 24钢筋自重标准值(kN/m3)梁 1.5板 1.1 施工人员及设备荷载标准值(kN/m2) 1振捣混凝土时产生的荷载标准值(kN/m2)2风荷载标准值ωk(kN/m2 ) 基本风压ω0(kN/m2)重现期10年一遇0.40.12城市杭州市风荷载高度变化系数μz地面粗糙度C类(有密集建筑群的城市市区)0.88模板支架顶部离建筑物地面的高度(m)25风荷载体型系数μs支架模板支架状况敞开式0.487风荷载作用方向沿模板支架横向作用与风荷载在同面内的计算单元立杆数n70模板 1 0.246四、模板验算模板类型胶合板模板厚度t(mm) 15模板抗弯强度设计值[f](N/mm2) 15 模板抗剪强度设计值[τ](N/mm2) 1.4模板弹性模量E(N/mm2) 6000取1.0m单位宽度计算。
计算简图如下:W=bh2/6=1000×152/6=37500mm3,I=bh3/12=1000×153/12=281250mm4q=γGΣq Gk+1.4Σq Qk=1.35×[0.3+(24+1.5)×0.8]×1.0+1.4×(1+2)×1.0=32.145kN/m q`=Σq Gk+Σq Qk=[0.3+(24+1.5)×0.8]×1.0+(1+2)×1.0=23.7kN/m1、抗弯验算弯矩图(kN·m)M max=0.068kN·mσmax=M max/W=0.068×106/37500=1.826N/mm2≤[f]=15N/mm2符合要求!2、抗剪验算剪力图(kN)Q max=2.764kNτmax=3Q max/(2bh)=3×2.764×103/(2×1000×15)=0.276N/mm2≤[τ]=1.4N/mm2 符合要求!3、挠度验算变形图(mm)νmax=0.037mm≤[ν]=min[L/150,10]=min[142/150,10]=0.947mm符合要求!4、支座反力R1=1.8kN,R2=5.175kN,R3=4.404kN,R4=4.597kN,R5=4.597kN,R6=4.404kN,R7=5.175kN ,R8=1.8kNR`1=1.327kN,R`2=3.816kN,R`3=3.247kN,R`4=3.389kN,R`5=3.389kN,R`6=3.247kN,R`7=3.816kN,R`8=1.327kN五、次楞验算次楞验算方式三等跨连续梁次楞材质类型方木次楞截面类型(mm) 70×45 次楞材料自重(kN/m) 0.01次楞抗弯强度设计值[f](N/mm2) 13 次楞抗剪强度设计值[τ](N/mm2) 1.3次楞截面抵抗矩W(cm3) 23.625 次楞截面惯性矩I(cm4) 53.156次楞弹性模量E(N/mm2) 90001G梁左侧楼板传递给次楞荷载:q2=γGΣN Gk+1.4ΣN Qk=[1.35×(0.3+(24+1.1)×0.45)+1.4×(1+2)]×(0.9-1/2)/2=3.971kN/m梁右侧楼板传递给次楞荷载:q3=γGΣN Gk+1.4ΣN Qk=[1.35×(0.3+(24+1.1)×0.45)+1.4×(1+2)]×(1.8-0.9-1/2)/2=3.971kN/m梁左侧模板传递给次楞的荷载:q4=γGΣN Gk=1.35×0.5×(0.8-0.45)=0.236kN/m 梁右侧模板传递给次楞的荷载:q5=γGΣN Gk=1.35×0.5×(0.8-0.45)=0.236kN/m q=max[1.8/1.0+0.013+3.971+0.236, 5.175/1.0+0.013,1.8/1.0+0.013+3.971+0.236]=6.021kN/mq`=max[1.327/1.0+0.01+2.919+0.175, 3.816/1.0+0.01,1.327/1.0+0.01+2.919+0.175]=4.431kN/m计算简图如下:1、强度验算M max=0.1ql2=0.1×6.021×0.42=0.096kN·mσmax=M max/W=0.096×106/23625=4.077N/mm2≤[f]=13N/mm2符合要求!2、抗剪验算Q max=0.6ql=0.6×6.021×0.4=1.445kNτmax=3Q max/(2bh0)=3×1.445×1000/(2×70×45)=0.688N/mm2τmax=0.688N/mm2≤[τ]=1.3N/mm2符合要求!3、挠度验算νmax=0.677q`l4/(100EI)=0.677×4.431×4004/(100×9000×531560)=0.161mmνmax=0.161mm≤[ν]=min[L/150,10]=min[400/150,10]=2.667mm符合要求!4、支座反力计算梁底次楞依次最大支座反力为:R1=1.1×(1.8+0.013+3.971+0.236)×0.4=2.649kNR2=1.1×(5.175+0.013)×0.4=2.283kNR3=1.1×(4.404+0.013)×0.4=1.944kNR4=1.1×(4.597+0.013)×0.4=2.029kNR5=1.1×(4.597+0.013)×0.4=2.029kNR6=1.1×(4.404+0.013)×0.4=1.944kNR7=1.1×(5.175+0.013)×0.4=2.283kNR8=1.1×(1.8+0.013+3.971+0.236)×0.4=2.649kNR`1=1.1×(1.327+0.01+2.919+0.175)×0.4=1.95kN R`2=1.1×(3.816+0.01)×0.4=1.683kNR`3=1.1×(3.247+0.01)×0.4=1.433kNR`4=1.1×(3.389+0.01)×0.4=1.496kNR`5=1.1×(3.389+0.01)×0.4=1.496kNR`6=1.1×(3.247+0.01)×0.4=1.433kNR`7=1.1×(3.816+0.01)×0.4=1.683kNR`8=1.1×(1.327+0.01+2.919+0.175)×0.4=1.95kN 六、主楞验算1G计算简图如下:1、强度验算主楞弯矩图(kN·m)M max=0.422kN·mσmax=M max/W=0.422×106/4490=94.02N/mm2≤[f]=205N/mm2 符合要求!2、抗剪验算主楞剪力图(kN)Q max=4.55kNτmax=2Q max/A=2×4.55×1000/424=21.462N/mm2τmax=21.462N/mm2≤[τ]=125N/mm2符合要求!3、挠度验算主楞变形图(mm)νmax=0.173mm≤[ν]=min[L/150,10]=min[600/150,10]=4mm符合要求!4、支座反力支座反力依次为R1=0.409kN,R2=8.536kN,R3=8.536kN,R4=0.409kN支座反力依次为R`1=0.301kN,R`2=6.291kN,R`3=6.291kN,R`4=0.301kN七、2号主楞验算2号主楞材质类型钢管2号主楞截面类型(mm) Ф48×3.22号主楞计算截面类型(mm) Ф48×32号主楞材料自重(kN/m) 0.0332号主楞截面面积(mm2) 424 2号主楞抗弯强度设计值[f](N/mm2) 2052号主楞抗剪强度设计值[τ](N/mm2) 205 2号主楞截面抵抗矩W(cm3) 4.492号主楞截面惯性矩I(cm4) 10.78 2号主楞弹性模量E(N/mm2) 206000主楞受力不均匀系数0.6 验算方式三等跨连续梁R=max[R2,R3]×0.6=max[8.536,8.536]×0.6=5.121kN主楞自重荷载:q1=γG q=1.35×0.033=0.045kN/m计算简图如下:1、强度验算2号主楞弯矩图(kN·m)M max=0.719kN·mσmax=M max/W=0.719×106/4490=160.154N/mm2≤[f]=205N/mm2 符合要求!2、抗剪验算2号主楞剪力图(kN)Q max=3.35kNτmax=2Q max/A=2×3.35×1000/424=15.803N/mm2τmax=15.803N/mm2≤[τ]=205N/mm2符合要求!3、挠度验算2号主楞变形图(mm)νmax=1.01mm≤[ν]=min[L/150,10]=min[800/150,10]=5.333mm符合要求!4、支座反力支座反力依次为R1=6.928kN,R2=11.05kN,R3=11.05kN,R4=6.928kN 八、纵向水平钢管验算R=max[R1,R4]=max[0.409,0.409]=0.409kN计算简图如下:1、强度验算纵向水平钢管弯矩图(kN·m)M max=0.059kN·mσmax=M max/W=0.059×106/4490=13.234N/mm2≤[f]=205N/mm2 符合要求!2、抗剪验算纵向水平钢管剪力图(kN)Q max=0.287kNτmax=2Q max/A=2×0.287×103/424=1.356N/mm2τmax=1.356N/mm2≤[τ]=125N/mm2符合要求!3、挠度验算纵向水平钢管变形图(mm)νmax=0.084mm≤[ν]=min[L/150,10]=min[800/150,10]=5.333mm符合要求!4、支座反力支座反力依次为R1=0.567kN,R2=0.919kN,R3=0.919kN,R4=0.567kN九、扣件抗滑验算是否考虑荷载叠合效应是扣件抗滑承载力设计值折减系数 1max1.05×R max=1.05×0.919=0.965kN,0.965kN≤1×8.0=8kN在扭矩达到40~65N·m且无质量缺陷的情况下,单扣件能满足要求!十、可调托座验算是否考虑荷载叠合效应是可调托座内2号主楞根数 2可调托座承载力设计值[f](kN) 30max1.05×R max=1.05×18.416=19.337kN,19.337kN≤30kN符合要求!十一、模板支架整体高宽比验算根据《建筑施工扣件式钢管模板支架技术规程》DB33/1035-2006第6.4.4:模板支架的高宽比不应大于5H/L a=5.4/40=0.135<5符合要求!十二、立杆验算h/l a'=1800/800=2.25,h/l b'=1800/800=2.25,查附录D,得k=1.163,μ=1.272 l0=max[kμh,h+2a]=max[1.163×1.272×1800,1800+2×50]=2663mmλ=l0/i=2663/15.9=168≤[λ]=210长细比符合要求!查《浙江省模板支架规程》附录C得φ=0.2512、风荷载验算1) 模板支架风荷载标准值计算l a=0.8m,h=1.8m,《浙江省模板支架规程》表4.2.7得φw=0.123因风荷载沿模板支架横向作用,所以b=l a=0.8m,b/h=0.8/1.8=0.444通过插入法求η,得η=0.966μzω0d2=0.88×0.4×0.0482=0.001,h/d=1.8/0.048=37.5通过插入法求μs1,得μs1=1.2因此μstw=φwμs1(1-ηn)/( 1-η)=0.123×1.2×(1-0.96670)/(1-0.966)=3.956μs=φwμstw=0.123×3.956=0.487ωk=0.7μzμsω0=0.7×0.88×0.487×0.4=0.12kN/m22) 整体侧向力标准值计算ωk=0.7μzμsω0=0.7×0.88×1×0.4=0.246kN/m23、稳定性验算K H=1/[1+0.005×(5.4-4)]=0.9931) 不组合风荷载时立杆从左到右受力为(N ut=γG∑N Gk+1.4∑N Qk):R1=0.919+[1.35×(0.3+(24+1.1)×0.45)×0.8+1.4×(1+2)×0.8]×(0.8/2+(0.9-1/2)/2)+1.35×0.15×5.4=11.542kNR2=18.42+1.35×0.15×(5.4-0.8)=19.351kNR3=18.42+1.35×0.15×(5.4-0.8)=19.351kNR4=0.919+[1.35×(0.3+(24+1.1)×0.45)×0.8+1.4×(1+2)×0.8]×(0.8/2+(1.8-0.9-1/2)/2) +1.35×0.15×5.4=11.542kNN ut=max[R1,R2,R3,R4]=max[11.542, 19.351, 19.351, 11.542]=19.351kN1.05N ut/(φAK H)=1.05×19.351×103/(0.251×424×0.993)=192.26N/mm2≤[f]=205N/mm2符合要求!2) 组合风荷载时立杆从左到右受力为(N ut=γG∑N Gk+0.85×1.4∑N Qk):R1=9.82kN, R2=18.961kN, R3=18.961kN, R4=9.82kNN ut=max[R1,R2,R3,R4]=max[9.82, 18.961, 18.961, 9.82]=18.961kNM w=0.85×1.4ωk l a h2/10=0.85×1.4×0.12×0.8×1.82/10=0.037kN·m1.05N ut/(φAK H)+M w/W=1.05×18.961×103/(0.251×424×0.993)+0.037×106/(4.49×103)=196.623N/mm2≤[f]=205N/ mm2符合要求!4、整体侧向力验算F k a aN1=3FH/[(m+1)L b]=3×0.134×5.4/[(34+1)×40]=0.002kNσ=(1.05N ut+N1)/(φAK H)=(1.05×18.961+0.002)×103/(0.251×424×0.993)=188.394N/mm2≤[f]=205N/mm2符合要求!。
梁侧模板计算书一、梁模板基本参数梁截面宽度 B=600mm,梁截面高度 H=1700mm,H方向对拉螺栓4道,对拉螺栓直径12mm,对拉螺栓在垂直于梁截面方向距离(即计算跨度)600mm。
梁模板使用的方木截面60×80mm,梁模板截面侧面方木距离200mm。
梁底模面板厚度h=12mm,弹性模量E=6000N/mm2,抗弯强度[f]=15N/mm2。
梁侧模面板厚度h=12mm,弹性模量E=6000N/mm2,抗弯强度[f]=15N/mm2。
二、梁模板荷载标准值计算模板自重 = 0.340kN/m2;钢筋自重 = 2.000kN/m3;混凝土自重 = 24.000kN/m3;施工荷载标准值 = 2.500kN/m2。
强度验算要考虑新浇混凝土侧压力和倾倒混凝土时产生的荷载;挠度验算只考虑新浇混凝土侧压力。
新浇混凝土侧压力计算公式为下式中的较小值:其中——混凝土的重力密度,取24.000kN/m3;t ——新浇混凝土的初凝时间,为0时(表示无资料)取200/(T+15),取2.000h; T ——混凝土的入模温度,取20.000℃;V ——混凝土的浇筑速度,取5.000m/h;H ——混凝土侧压力计算位置处至新浇混凝土顶面总高度,取1.600m;1——外加剂影响修正系数,取1.200;2——混凝土坍落度影响修正系数,取1.150。
根据公式计算的新浇混凝土侧压力标准值 F1=32.580kN/m2实际计算中采用新浇混凝土侧压力标准值 F1=32.590kN/m2倒混凝土时产生的荷载标准值 F2= 6.000kN/m2。
三、梁模板侧模计算梁侧模板按照三跨连续梁计算,计算简图如下200200200 q图梁侧模板计算简图1.强度计算强度计算公式要求: = M/W < [f]其中——梁侧模板的强度计算值(N/mm2);M ——计算的最大弯矩 (kN.m);q ——作用在梁侧模板的均布荷载(N/mm);q=(1.2×32.59+1.4×6.00)×1.70=80.764N/mm最大弯矩计算公式如下:M=-0.10×80.764×0.2002=-0.323kN.m=0.323×106/40800.0=7.918N/mm2梁侧模面板计算强度小于15.00N/mm2,满足要求!2.抗剪计算最大剪力的计算公式如下:Q = 0.6ql截面抗剪强度必须满足:T = 3Q/2bh < [T]其中最大剪力 Q=0.6×0.200×80.764=9.692kN截面抗剪强度计算值 T=3×9692/(2×1700×12)=0.713N/mm2截面抗剪强度设计值 [T]=1.40N/mm2面板的抗剪强度计算满足要求!3.挠度计算最大挠度计算公式如下:其中 q = 32.59×1.70=55.40N/mm三跨连续梁均布荷载作用下的最大挠度v = 0.677×55.403×200.04/(100×6000.00×244800.0)=0.409mm梁侧模板的挠度计算值: v = 0.409mm小于 [v] = 200/250,满足要求!五、穿梁螺栓计算计算公式:N < [N] = fA其中 N ——穿梁螺栓所受的拉力;A ——穿梁螺栓有效面积 (mm2);f ——穿梁螺栓的抗拉强度设计值,取170N/mm2;穿梁螺栓承受最大拉力 N = (1.2×32.59+1.4×6.00)×1.70×0.60/4=12.12kN穿梁螺栓直径为12mm;穿梁螺栓有效直径为9.9mm;穿梁螺栓有效面积为 A=76.000mm2;穿梁螺栓最大容许拉力值为 [N]=12.920kN;穿梁螺栓承受拉力最大值为 N=12.115kN;穿梁螺栓的布置距离为侧龙骨的计算间距600mm。
梁模板设计计算书已知条件:梁高h=0.900m;梁宽b=0.400m(取最大截面);一. 荷载计算:①.模板自重 0.500KN/m2②.新浇混凝土自重标准值 0.900×24.0=21.600KN/m2③.钢筋自重 0.900×1.5=1.35KN/m2⑤.振捣对水平模板产生的压力标准值 2.0KN/m2⑥.新浇混凝土对模板侧面的压力标准值 21.600 KN/m2⑦倾倒混凝土时产生的水平荷载 4.0 KN/m2γc=24 KN/m3混凝土自重设混凝土的入模温度 T=20℃t=200/(T+15)=200/(20+15)=5.714设混凝土浇筑速度 V=0.6m/sβ1=1.2 外加剂修正系数β2=1 设塌落度80mm 塌落度修正系数F 1=0.22γctβ1β2V1/2=0.22×24×5.714×1.2×1.×6.0=28.04 KN/m2F 2=γcH=24×0.900=21.600 KN/m2取F=21.600 KN/m21.2×(①+②+③)+1.4×⑤=1.2×(0.500+21.600+1.425)+1.4×2.0=31.03KN/m2(用于计算梁底模板龙骨弯矩、应力)①+②+③=0.500+21.600+1.5=23.6KN/m2(用于计算梁底模板龙骨、挠度)1.2×⑥+1.4×⑦=1.2×21.600+1.4×4.0=31.52KN/m2(用于计算梁侧模板龙骨弯矩、应力)⑥=21.600KN/m2(用于计算梁侧模板龙骨挠度)二.底模计算:模板采用1.8cm厚多层板,荷载折减系数取0.90按模板宽度:0.001m单元计算;模板EI=3160000.0N·mm2模板W=54.00mm3;按四跨连续梁计算模板计算跨度L=0.300m模板允许应力[σ]=20.000 N/mm21.荷载q1=0.90×31.030×0.001=0.028KN/mq2=0.90×23.6×0.001=0.021KN/m2.抗弯强度验算:M=0.105ql2=0.105×0.028×0.3002=0.00026KN·mσ=M/W=0.00026×106/54.00=4.815N/mm2<20.000N/mm23.挠度验算:ω=0.632×ql4/100EI=0.632×0.021×(0.300×1000)4/(100×3160000.0)=0.360mm<[ω]=1.5mm允许挠度[ω]=1.5mm二.梁底小龙骨验算:小龙骨采用5CM×10CM木龙骨;间距0.300m;已知条件:截面抵抗矩: W=83333.00mm3截面刚度: EI=45800000000.00N·mm2=13.00N/mm2抗弯承载力:fm允许挠度: [w]=L/500mm2; 计算跨度: L=0.600m 按四跨连续梁计算q=31.03×0.400×0.300=3.723KN/m (用于计算弯矩)q’=23.6×0.400×0.300=2.832KN/m (用于计算挠度) 查内力计算手册=0.11×qL2=0.11×2.723×0.6002=0.108KN·mMmaxσ=M max/W=0.108×106/83333.00=1.298N/mm2<13.00N/mm2ω=0.6q’l4/100EI=0.6×2.832×(0.600×1000)4÷(100×45800000000.00) =0.05mm< [ω]=(0.600×1000)/500=1.200mm三、梁底大龙骨强度及挠度验算大龙骨采用10CM×10CM木龙骨;间距0.600mm按五跨连续梁计算已知条件:截面抵抗矩: W=166667.000cmm3截面刚度: EI=91700000000.000N·mm2=13.000N/mm2抗弯承载力:fm允许挠度: [w]=L/500mm计算跨度: L=1.200mq=0.607×3.732×0.600÷0.300=4.530KN/mq’=0.607×2.832×0.600÷0.300=3.43KN/m=0.105×ql2=0.105×4.530×1.2002=0.685KN·m Mmaxσ=M max/W=0.685×106/166667.000=4.1N/mm2<13.000N/mm2ω=0.632q’l4/100EI=0.632×3.43×(1.200×1000)4÷(100×91700000000.000) =0.5mm<[ω]=(1.200×1000)/500=2.400mm四.梁底支柱验算:采用φ48钢管脚手架;间距1.200m;计算长度L=150.000cm;=215.000N/mm2允许荷载fm已知:支柱面积A=489.000mm2回转半径i=15.78cmN=31.03×0.600×1.200=22.3KNλ=L/i =150.000×/15.78=95.1查表:φ=0.6σ=N/φA=22.3/(0.6×489.000)=76.5N/mm2〈215.000N/mm2=215.000N/mm2允许荷载fm五.梁侧模板计算:梁侧模板采用1.8cm厚多层板,荷载折减系数取0.90模板宽度:0.001m; 模板EI=3160000.0N·mm2模板W=54.00mm3;按单跨简支梁计算模板计算跨度L=0.300m模板允许应力[σ]=20.000 N/mm22.荷载荷载: q=0.90×(1.2×⑥+1.4×⑦) ×0.001=0.90×(1.2×21.600+1.4×4)×0.001=0.02836KN/m用于计算弯矩q’=0.90×⑥×0.001=0.90×21.600×0.001=0.01944KN/m用于计算挠度2.抗弯强度验算:M=0.125ql2=0.125×0.02836×0.3002=0.0003KN·mσ=M/W=0.0031×106/54.00=5.9N/mm2<20.000N/mm23.挠度验算:ω=0.013×q’l4/100EI=0.013×0.01944×(0.300×1000)4/(100×3160000.0)=0.006mm<[ω]=1.5mm允许挠度[ω]=1.5mm六.梁侧水平龙骨强度验算:梁侧水平龙骨采用1根5CM×10CM木龙骨;间距0.300mm水平龙骨截面抵抗矩W=83333.000; 水平龙骨允许应力[σ]=13.000N/mm2梁侧水平龙骨计算跨度l=0.300m按五跨连续梁计算; 荷载折减系数取0.90荷载: 0.90×(1.2×⑥+1.4×⑦)=0.90×31.52=28.360KN/m2q=28.36×0.300=8.508KN/m 用于计算弯矩q’=0.90×⑥×0.300=5.832 N/mm用于计算挠度M=0.105×ql2=0.105×8.508×0.3002=0.084KN·mmax/2W=0.084×106/(2×83333.000)σ=Mmax=0.5N/mm2<13.000N/mm2ω=0.00168q’l4/(2×100EI)=0.00168×5.832×(0.300×1000)4/(2×100×45800000000.000)=0.003mm< [ω]=L/500=(0.300×1000)/500=0.6mm七.梁侧竖向龙骨强度验算:竖向龙骨采用2根10CM×10CM木龙骨; 间距≤0.300mm竖向龙骨截面抵抗矩W=333334.00; 竖向龙骨允许应力[σ]=13.00 N/mm2竖向主龙骨计算跨度 l=0.300m;竖向龙骨刚度EI=183400000000.000; 按四跨连续梁计算:荷载: 0.90×(1.2×⑥+1.4×⑦)=0.90×(1.2×21.600+1.4×4)=28.36 KN/m2q=28.36×0.300=8.508KN/m 用于计算弯矩q’=0.90×⑥×0.300=6.156N/mm用于计算挠度=0.105×ql2=0.105×8.508×0.3002=0.084KN·mMmad/2W=0.084×106/(2×333334.00)σ=Mmax=0.126N/mm2<13.00N/mm2ω=0.632q’l4/(2×100EI)=0.632×5.832×(0.300×1000)4/(2×100×183400000000.000) =0.0008mm< [ω]=L/500=(0.300×1000)/500=0.600mm。
WKL5梁侧模板计算书计算依据:1、《建筑施工模板安全技术规范》JGJ162-20082、《混凝土结构设计规范》GB50010-20103、《建筑结构荷载规范》GB 50009-20124、《钢结构设计规范》GB 50017-2003一、工程属性二、荷载组合新浇混凝土对模板的侧压力标准值G4k=min[0.22γc t0β1β2v1/2,γc H]=min[0.22×24×4×1×1.15×21/2,24×1.6]=min[34.35,38.4]=34.35kN/m2 承载能力极限状态设计值S承=0.9max[1.2G4k+1.4Q2k,1.35G4k+1.4×0.7Q2k]=0.9max[1.2×34.35+1.4×4,1.35×34.35+1.4×0.7×4]=0.9max[46.82,50.29]=0.9×50.29=45.26kN/m2正常使用极限状态设计值S正=G4k=34.35 kN/m2三、支撑体系设计小梁布置方式水平向布置小梁道数 5主梁间距(mm) 600主梁合并根数 2小梁最大悬挑长度(mm) 200对拉螺栓水平向间距(mm) 600支撑距梁底距离依次为200,600,1000设计简图如下:模板设计剖面图四、面板验算面板类型覆面木胶合板面板厚度(mm) 18面板抗弯强度设计值[f](N/mm2) 15 面板弹性模量E(N/mm2) 10000 梁截面宽度取单位长度,b=1000mm。
W=bh2/6=1000×182/6=54000mm3,I=bh3/12=1000×183/12=486000mm4。
面板计算简图如下:1、抗弯验算q1=bS承=1×45.26=45.26kN/mq1静=0.9×1.35×G4k×b=0.9×1.35×34.35×1=41.74kN/mq1活=0.9×1.4×0.7×Q2k×b=0.9×1.4×0.7×4×1=3.53kN/mM max=0.107q1静L2+0.121q1活L2=0.107×41.74×0.292+0.121×3.53×0.292=0.43kN·m σ=M max/W=0.43×106/54000=7.88N/mm2≤[f]=15N/mm2满足要求!2、挠度验算q=bS正=1×34.35=34.35kN/mνmax=0.632qL4/(100EI)=0.632×34.35×2954/(100×10000×486000)=0.34mm≤295/400=0.74mm满足要求!3、最大支座反力计算承载能力极限状态R max=1.143×q1静×l左+1.223×q1活×l左=1.143×41.74×0.29+1.223×3.53×0.29=15.35kN 正常使用极限状态R'max=1.143×l左×q=1.143×0.29×34.35=11.58kN五、小梁验算小梁最大悬挑长度(mm) 200 小梁计算方式三等跨连续梁小梁类型方木小梁材料规格(mm) 100×50小梁弹性模量E(N/mm2) 9350 小梁抗剪强度设计值[τ](N/mm2) 1.78小梁截面抵抗矩W(cm3) 83.33 小梁抗弯强度设计值[f](N/mm2) 15.44小梁截面惯性矩I(cm4) 416.67计算简图如下:跨中段计算简图悬挑段计算简图1、抗弯验算q=15.35kN/mM max=max[0.1×q×l2,0.5×q×l12]=max[0.1×15.35×0.62,0.5×15.35×0.22]=0.55kN·m σ=M max/W=0.55×106/83330=6.63N/mm2≤[f]=15.44N/mm2满足要求!2、抗剪验算V max=max[0.6×q×l,q×l1]=max[0.6×15.35×0.6,15.35×0.2]=5.52kNτmax=3V max/(2bh0)=3×5.52×1000/(2×50×100)=1.66N/mm2≤[τ]=1.78N/mm2满足要求!3、挠度验算q=11.58kN/mν1max=0.677qL4/(100EI)=0.677×11.58×6004/(100×9350×4166700)=0.26mm≤600/400=1.5mmν2max=qL4/(8EI)=11.58×2004/(8×9350×4166700)=0.06mm≤200/400=0.5mm满足要求!4、最大支座反力计算承载能力极限状态R max=max[1.1×15.35×0.6,0.4×15.35×0.6+15.35×0.2]=10.13kN正常使用极限状态R'max=max[1.1×11.58×0.6,0.4×11.58×0.6+11.58×0.2]=7.64kN六、主梁验算对拉螺栓水平向间距(mm) 600 主梁最大悬挑长度(mm) 200主梁类型钢管主梁材料规格(mm) Ф48×3主梁合并根数 2 主梁弹性模量E(N/mm2) 206000 主梁抗弯强度设计值[f](N/mm2) 205 主梁抗剪强度设计值[τ](N/mm2) 120主梁截面惯性矩I(cm4) 10.78 主梁截面抵抗矩W(cm3) 4.49 因主梁2根合并,则抗弯、抗剪、挠度验算荷载值取半。
梁侧模板计算书(标准层)梁侧模板计算书(标准层)梁侧模板计算书计算依据:1、《混凝⼟结构⼯程施⼯规范》GB50666-20112、《混凝⼟结构设计规范》GB50010-20103、《建筑结构荷载规范》GB 50009-20124、《钢结构设计规范》GB 50017-2003、⼯程属性、荷载组合下挂部分:承载能⼒极限状态设计值S承=Y[1.35 (X9倉4k+1.4 X c Q4k]= 1>[1.35 X9 X4.4+1.4 X9 X]= 20.016kN/m2下挂部分:正常使⽤极限状态设计值S正⼆G4k⼆14.4 kN/m2三、⽀撑体系设计左侧⽀撑表:右侧⽀撑表:设计简图如下:200 z模板设计剖⾯图四、⾯板验算1下挂侧模梁截⾯宽度取单位长度,b= 1000mm。
W = bh2/6=1000兇右6= 24000mm3, I =bh3/12=1000 K23/12= 144000mm4。
⾯板计算简图如下:J ] ] JU [1 v v w 1 111 ] ] [ 111 ] ] [ 11!1、抗弯验算q i = bS 承=1 X20.016= 20.016kN/mq i 静=Y X 1.35 0.9 $4kX b = 1X1.35 E .9 >14.4 床=仃.496kN/m q i 活=Y > 1.4 >C>Q 4k >b = 1 ^.4 0.9 2/ = 2.52kN/m2 2 2 2M max = 0.1q i 静 L 2+0.117q i 活 L 2=0.1 >17.496 区162+0.117 2.52 0.162⼫ M max /W = 0.052 106/24000= 2.181N/mm 2< [f > 15N/mm 2满⾜要求!2、挠度验算q = bS 正=1 >14.4= 14.4kN/m44Vnax=0.677qL/(100EI)=0.677 14.4 160/(100 10000 >144000) =0.044mmC 160/400=0.4mm满⾜要求!3、最⼤⽀座反⼒计算承载能⼒极限状态R 下挂 max = 1.1 和静 X 左+1.2 >q i 活 X 左=1.1 >17.496 >0.16+1.2 2.52 >0.16= 3.563kN 正常使⽤极限状态R'下挂 max = 1.1 * 左 >q = 1.1 >0.16X4.4= 2.534kN五、⼩梁验算L- 竺I- JfLL160LrT r⑴②⑶⼩梁弹性模量E(N/mm 2) 8415 ⼩梁抗剪强度设计值[T KN/mn2) 1.6633 ⼩梁截⾯抵抗矩W(cm3) 20.833 2⼩梁抗弯强度设计值[f](N/mm)15.4444⼩梁截⾯惯性矩l(cm4)52.0831、下挂侧模计算简图如下:] ] ] ] U ] I ] ] [ ] ] I [ ] I []][]]] 徑co w 2*WT7V WT7V WT7V1- 旦L- 竺L 旦Lr r r跨中段计算简图、* \ ”l * F [ ” ] ] ] ” ] ] ?f \ r ] I r l [ [ :, ][ [IF] ] ] ] ]、F] ] \ j [ F \ F ] i r \ F ] ] \Irir] ] j j ]1、抗弯验算q = 3.563kN/mM max = max[0.1 >qxi2,0.5 ^Xl i2]=max[0.1 &563 B.620.5 3.563 0.32]=0.16kN m6 2 2⼫M max/W = 0.16 10 /20833= 7.696N/mm < [f> 15.444N/mm满⾜要求!£.3002、抗剪验算V max= max[0.6>qxi,q h]=max[0.6 &563 0.6, 3.563 ?.3]=1.283kN2 2T max=3V max/(2bh o)=3 >1.283 1000/(2 50 >50)= 0?77N/mm2w [宁].663N/mm2 满⾜要求!3、挠度验算q = 2.534kN/m4 4V max = 0.677qL4/(100EI)=0.677 2.534 6004/(100 8415 >520830) =0.507mm< 600/400=1.5mm4 4v max= qL4/(8EI)=2.534 3004/(8 x 8415 x 520830)=0.585mm< 300/400=0.75mm满⾜要求!4、最⼤⽀座反⼒计算承载能⼒极限状态R下挂max= max[1.1 >3.563 >0.6, 0.4 >3.563 >0.6+3.563 0.3]= 2.352kN正常使⽤极限状态R'下挂max= max[1.1 >2.534 >0.6, 0.4 >2.534 >0.6+2.534 0.3]= 1.673kN六、主梁验算1、下挂侧模因主梁2根合并,验算时主梁受⼒不均匀系数为0.6。
300mmx2150mm梁侧模板计算书一、梁侧模板基本参数计算断面宽度300mm,高度2150mm,两侧楼板厚度180mm。
模板面板采用普通胶合板。
内龙骨布置8道,内龙骨采用40.×80.mm木方。
外龙骨间距450mm,外龙骨采用双钢管48mm×3.0mm。
对拉螺栓布置5道,在断面内水平间距200+350+350+350+350mm,断面跨度方向间距450mm,直径14mm。
面板厚度15mm,剪切强度1.4N/mm 2,抗弯强度15.0N/mm2,弹性模量6000.0N/mm2。
木方剪切强度1.6N/mm 2,抗弯强度15.0N/mm2,弹性模量9000.0N/mm2。
276276276276276276276215mm模板组装示意图二、梁侧模板荷载标准值计算强度验算要考虑新浇混凝土侧压力和倾倒混凝土时产生的荷载设计值;挠度验算只考虑新浇混凝土侧压力产生荷载标准值。
当浇筑速度大于10m/h 或坍落度大于180mm 时,新浇混凝土侧压力按公式2计算;其他情况按两个公式计算,取较小值:其中 γc —— 混凝土的重力密度,取24.000kN/m 3;t —— 新浇混凝土的初凝时间,为0时(表示无资料)取200/(T+15),取5.714h ;T —— 混凝土的入模温度,取20.000℃; V —— 混凝土的浇筑速度,取2.500m/h ;H —— 混凝土侧压力计算位置处至新浇混凝土顶面总高度,取1.200m ; β—— 混凝土坍落度影响修正系数,取0.850。
根据公式计算的新浇混凝土侧压力标准值 F1=27.000kN/m 2考虑结构的重要性系数0.90,实际计算中采用新浇混凝土侧压力标准值: F1=0.90×27.000=24.300kN/m 2考虑结构的重要性系数0.90,倒混凝土时产生的荷载标准值: F2=0.90×4.000=3.600kN/m 2。
三、梁侧模板面板的计算面板为受弯结构,需要验算其抗弯强度和刚度。
梁模板计算书梁高600mm~1000mm(梁截面400*1000mm)梁模板(扣件钢管架)计算书梁段:L1。
一、参数信息1.模板支撑及构造参数梁截面宽度 B(m):0.40;梁截面高度 D(m):1.00;混凝土板厚度(mm):120.00;立杆沿梁跨度方向间距La(m):1.00;立杆上端伸出至模板支撑点长度a(m):0.10;立杆步距h(m):1.50;板底承重立杆横向间距或排距Lb(m):1.00;梁支撑架搭设高度H(m):12.05;梁两侧立杆间距(m):0.70;承重架支撑形式:梁底支撑小楞垂直梁截面方向;梁底增加承重立杆根数:1;采用的钢管类型为Φ48*3;立杆承重连接方式:可调托座;2.荷载参数模板自重(kN/m2):0.35;钢筋自重(kN/m3):1.50;施工均布荷载标准值(kN/m2):2.5;新浇混凝土侧压力标准值(kN/m2):18.0;倾倒混凝土侧压力(kN/m2):2.0;振捣混凝土荷载标准值(kN/m2):2.0;3.材料参数木材品种:柏木;木材弹性模量E(N/mm2):10000.0;木材抗弯强度设计值fm(N/mm2):17.0;木材抗剪强度设计值fv(N/mm2):1.7;面板类型:胶合面板;面板弹性模量E(N/mm2):9500.0;面板抗弯强度设计值fm(N/mm2):13.0;4.梁底模板参数梁底纵向支撑根数:3;面板厚度(mm):14.0;5.梁侧模板参数主楞间距(mm):500;次楞根数:4;主楞竖向支撑点数量为:2;支撑点竖向间距为:250mm;穿梁螺栓水平间距(mm):500;穿梁螺栓直径(mm):M14;主楞龙骨材料:木楞,,宽度38mm,高度88mm;主楞合并根数:2;次楞龙骨材料:钢楞截面类型为矩形,宽度50mm,高度50mm,壁厚为4mm;次楞合并根数:2;二、梁模板荷载标准值计算1.梁侧模板荷载强度验算要考虑新浇混凝土侧压力和倾倒混凝土时产生的荷载;挠度验算只考虑新浇混凝土侧压力。
梁侧模计算书一、计算依据1、《建筑施工模板安全技术规范》JGJ162-20082、《混凝土结构设计规范》GB50010-20103、《建筑结构荷载规范》GB50009-20124、《钢结构设计规范》GB50017-2003二、计算参数(图1)剖面图三、荷载统计新浇混凝土对模板的侧压力F1=0.22γc t0β1β2V0.5=0.22×24×4×1.2×1.15×20.5=41.218kN/m2F2=γc H=24×1000/1000=24kN/m2标准值G4k=min[F1,F2]=24kN/m2承载能力极限状态设计值S=0.9max[1.2G4k+1.4Q3k,1.35G4k+1.4×0.7Q3k]则:S=0.9×max(1.2×24+1.4×2,1.35×24+1.4×0.7×2)=30.924kN/m2正常使用极限状态设计值S k=G4k=24kN/m2四、面板验算根据规范规定面板可按单跨简支梁计算,取b=1m单位面板宽度为计算单元。
W=bh2/6=1000×122/6=24000mm3,I=bh3/12=1000×123/12=144000mm4其中的h为面板厚度。
面板的计算跨度为a=(H-h)/(n-1)=%a%1、强度验算(图2)面板强度验算受力简图q=bS=1×30.924=30.924kN/m(图3)面板弯矩图(kN·m) Mmax=0.112kN·mσ=Mmax/W=0.112×106/24000=4.655N/mm2≤[f]=31N/mm2满足要求2、挠度验算qk=bSk=1×24=24kN/m(图4)面板挠度计算受力简图(图5)面板变形图(mm) νmax=0.158mm≤[ν]=170/400=0.425mm满足要求五、次楞验算次楞承受的荷载为:q=aS=170×30.924=5257.08N/mq k=aS k=170×24=4080N/m由于次楞为水平向,所以可以按三跨连续梁计算,跨度取对拉螺栓横向间距。
梁侧模板计算书计算依据:1、《混凝土结构工程施工规范》GB50666-20112、《混凝土结构设计规范》GB50010-20103、《建筑结构荷载规范》GB 50009-20124、《钢结构设计规范》GB 50017-2003一、工程属性承04k c4k1×[1.35×0.9×34.213+1.4×0.9×2]=44.089kN/m2左上翻部分:承载能力极限状态设计值S承=γ0[1.35×0.9×G4k+1.4×φc Q4k]=1×[1.35×0.9×34.213+1.4×0.9×2]=44.089kN/m2下挂部分:正常使用极限状态设计值S正=G4k=34.213 kN/m2左上翻部分:正常使用极限状态设计值S正=G4k=34.213 kN/m2 三、支撑体系设计左侧支撑表:模板设计剖面图四、面板验算梁截面宽度取单位长度,b=1000mm。
W=bh2/6=1000×152/6=37500mm3,I=bh3/12=1000×153/12=281250mm4。
面板计算简图如下:1、抗弯验算q1=bS承=1×44.089=44.089kN/mq1静=γ0×1.35×0.9×G4k×b=1×1.35×0.9×34.213×1=41.569kN/mq1活=γ0×1.4×φc×Q4k×b=1×1.4×0.9×2×1=2.52kN/mM max=0.125q1L2=0.125×q1×0.32=0.496kN·mσ=M max/W=0.496×106/37500=13.227N/mm2≤[f]=15N/mm2满足要求!2、挠度验算q=bS正=1×34.213=34.213kN/mνmax=0.521qL4/(100EI)=0.521×34.213×3004/(100×10000×281250)=0.513mm≤300/400=0.75mm满足要求!3、最大支座反力计算承载能力极限状态R左下挂max=1.25×q1×l左=1.25×44.089×0.3=16.533kN正常使用极限状态R'左下挂max=1.25×l左×q=1.25×0.3×34.213=12.83kN2、右下挂侧模梁截面宽度取单位长度,b=1000mm。
W=bh2/6=1000×152/6=37500mm3,I=bh3/12=1000×153/12=281250mm4。
面板计算简图如下:1、抗弯验算q1=bS承=1×44.089=44.089kN/mq1静=γ0×1.35×0.9×G4k×b=1×1.35×0.9×34.213×1=41.569kN/mq1活=γ0×1.4×φc×Q4k×b=1×1.4×0.9×2×1=2.52kN/mM max=0.107q1静L2+0.121q1活L2=0.107×41.569×0.3022+0.121×2.52×0.3022=0.435kN·mσ=M max/W=0.435×106/37500=11.598N/mm2≤[f]=15N/mm2满足要求!2、挠度验算q=bS正=1×34.213=34.213kN/mνmax=0.632qL4/(100EI)=0.632×34.213×302.54/(100×10000×281250)=0.644mm≤302.5/400=0.756mm满足要求!3、最大支座反力计算承载能力极限状态R右下挂max=1.143×q1静×l左+1.223×q1活×l左=1.143×41.569×0.302+1.223×2.52×0.302=15.305kN正常使用极限状态R'右下挂max=1.143×l左×q=1.143×0.302×34.213=11.829kN3、左上翻侧模梁截面宽度取单位长度,b=1000mm。
W=bh2/6=1000×152/6=37500mm3,I=bh3/12=1000×153/12=281250mm4。
面板计算简图如下:1、抗弯验算q1=bS承=1×44.089=44.089kN/mq1静=γ0×1.35×0.9×G4k×b=1×1.35×0.9×34.213×1=41.569kN/mq1活=γ0×1.4×φc×Q4k×b=1×1.4×0.9×2×1=2.52kN/mM max=0.107q1静L2+0.121q1活L2=0.107×41.569×0.2922+0.121×2.52×0.2922=0.404kN·mσ=M max/W=0.404×106/37500=10.782N/mm2≤[f]=15N/mm2满足要求!2、挠度验算q=bS正=1×34.213=34.213kN/mνmax=0.632qL4/(100EI)=0.632×34.213×291.6674/(100×10000×281250)=0.556mm≤291.667/400=0.729mm满足要求!3、最大支座反力计算承载能力极限状态R左上翻max=1.143×q1静×l左+1.223×q1活×l左=1.143×41.569×0.292+1.223×2.52×0.292=14.757kN正常使用极限状态R'左上翻max=1.143×l左×q=1.143×0.292×34.213=11.406kN五、小梁验算计算简图如下:跨中段计算简图悬挑段计算简图1、抗弯验算q=16.533kN/mM max=max[0.1×q×l2,0.5×q×l12]=max[0.1×16.533×0.52,0.5×16.533×0.12]=0.413kN·mσ=M max/W=0.413×106/85330=4.844N/mm2≤[f]=15.444N/mm2满足要求!2、抗剪验算V max=max[0.6×q×l,q×l1]=max[0.6×16.533×0.5,16.533×0.1]=4.96kNτmax=3V max/(2bh0)=3×4.96×1000/(2×80×80)=1.162N/mm2≤[τ]=1.663N/mm2满足要求!3、挠度验算q=12.83kN/mν1max=0.677qL4/(100EI)=0.677×12.83×5004/(100×8415×3413300)=0.189mm≤500/400=1.25mmν2max=qL4/(8EI)=12.83×1004/(8×8415×3413300)=0.006mm≤100/400=0.25mm满足要求!4、最大支座反力计算承载能力极限状态R左下挂max=max[1.1×16.533×0.5,0.4×16.533×0.5+16.533×0.1]=9.093kN正常使用极限状态R'左下挂max=max[1.1×12.83×0.5,0.4×12.83×0.5+12.83×0.1]=7.056kN2、右下挂侧模计算简图如下:跨中段计算简图悬挑段计算简图1、抗弯验算q=15.305kN/mM max=max[0.1×q×l2,0.5×q×l12]=max[0.1×15.305×0.52,0.5×15.305×0.12]=0.383kN·mσ=M max/W=0.383×106/85330=4.484N/mm2≤[f]=15.444N/mm2满足要求!2、抗剪验算V max=max[0.6×q×l,q×l1]=max[0.6×15.305×0.5,15.305×0.1]=4.592kNτmax=3V max/(2bh0)=3×4.592×1000/(2×80×80)=1.076N/mm2≤[τ]=1.663N/mm2满足要求!3、挠度验算q=11.829kN/mν1max=0.677qL4/(100EI)=0.677×11.829×5004/(100×8415×3413300)=0.174mm≤500/400=1.25mmν2max=qL4/(8EI)=11.829×1004/(8×8415×3413300)=0.005mm≤100/400=0.25mm 满足要求!4、最大支座反力计算承载能力极限状态R右下挂max=max[1.1×15.305×0.5,0.4×15.305×0.5+15.305×0.1]=8.418kN正常使用极限状态R'右下挂max=max[1.1×11.829×0.5,0.4×11.829×0.5+11.829×0.1]=6.506kN3、左上翻侧模计算简图如下:跨中段计算简图悬挑段计算简图1、抗弯验算q=14.757kN/mM max=max[0.1×q×l2,0.5×q×l12]=max[0.1×14.757×0.52,0.5×14.757×0.12]=0.369kN·mσ=M max/W=0.369×106/85330=4.323N/mm2≤[f]=15.444N/mm2满足要求!2、抗剪验算V max=max[0.6×q×l,q×l1]=max[0.6×14.757×0.5,14.757×0.1]=4.427kNτmax=3V max/(2bh0)=3×4.427×1000/(2×80×80)=1.038N/mm2≤[τ]=1.663N/mm2满足要求!3、挠度验算q=11.406kN/mν1max=0.677qL4/(100EI)=0.677×11.406×5004/(100×8415×3413300)=0.168mm≤500/400=1.25mmν2max=qL4/(8EI)=11.406×1004/(8×8415×3413300)=0.005mm≤100/400=0.25mm 满足要求!4、最大支座反力计算承载能力极限状态R左上翻max=max[1.1×14.757×0.5,0.4×14.757×0.5+14.757×0.1]=8.116kN正常使用极限状态R'左上翻max=max[1.1×11.406×0.5,0.4×11.406×0.5+11.406×0.1]=6.273kN六、主梁验算因主梁2根合并,验算时主梁受力不均匀系数为0.6。