隧道结构力学分析计算书
- 格式:doc
- 大小:339.00 KB
- 文档页数:23
第一章绪论1.隧道:构筑在离地面一定深度的岩层或土层中用作通到底建筑物2.隧道分类:按周围介质分:岩石隧道和土层隧道;按用途不同分:交通隧道和市政工程隧道3.公路隧道:穿越公路路线障碍物的交通隧道4.公路隧道的主要特点:(1)断面形状复杂:宽而扁,高:宽<=1.;常有特殊构造:岔洞,紧急停车带回车区,以及双连拱隧道,小间距隧道,双层隧道;(2)荷载形式单一:主要是围岩压力,方向不会改变;(3)附属设施多:通风,照明,交通信号,消防,监控设施5.断面几何形状:考虑功能和经济的两方面:马蹄形,圆形(盾构开挖),拱形(山岭隧道),双连拱(浅埋土层,地形受限),矩形(沉管法,城市隧道)6..衬砌的结构类型分为四类:整体式砼衬砌;装配式衬砌;锚喷支护衬砌;复合式衬砌7..整体式砼衬砌又可分为:半衬砌;厚拱薄墙衬砌;直墙拱形衬砌;曲墙拱形衬砌(1)半衬砌:适用于岩石较坚硬并且整体稳定或基本稳定的围岩;对于侧压力很大的较软岩层或土层,为避免直墙承受较大压力,采用落地拱(2)厚拱薄衬砌:适用于水平压力很小的情况,拱脚较厚,边墙较薄(3)直墙拱形衬砌:铁路隧道常用,竖向压力较大,水平侧压力不大(4)曲墙拱形衬砌:地质条件差,岩石破碎松散和易于坍塌地段8.装配式衬砌:用于盾构法施工,深埋法施工,TBM法施工9.锚喷支护衬砌:喷混凝土和加锚杆两方法的统称。
常用方法:喷混凝土,钢筋网喷混凝土,锚杆喷混凝土,钢筋网锚杆混凝土,钢纤维喷混凝土;特点:有很强时效性,新奥法和挪威法10.复合式衬砌:主要应用于含水量较多的地段,外层为锚喷支护,中间有一层防水层,内层多为整体式衬砌,新奥法多采用11.初始地应力场由两种力系组成:自重应力分量;构造应力分量影响因素:一类是和地壳的运动,地下水的变化以及人类活动等因素有关12.构造应力场:区域性明显,测试方法:解析反演法,原位测试法(1)地质的构造过程不公改变了地质的重力应力场,而且还有一总分残余在岩体内(2)构造应力场在一定深度内普遍存在且多为水平分量(3)构造应力具有明显的区域性和时间性13.作用在隧道结构上的荷载分为三类:主要荷载(就是长期作用的荷载,包括地层压力,围岩弹性抗力,结构自重力,回填岩土重力,地下静水压力及使用荷载);附加荷载(指非经常作用的荷载,包括施工荷载,灌浆压力,局部落石以及有温度变化或砼收缩引起的温度应力和收缩用力);特殊荷载(一些偶然发生的荷载,如炮弹冲击力和爆炸时产生激波压力,地震力,车祸时冲撞力)14.形变压力:由岩体变形所产生的挤压力;15.松散压力:岩体坠落、滑移、坍塌所产生的重力16.围岩压力:形变压力和松散压力统称为围岩压力17.影响围岩压力的因素:a.岩土的重力b.岩体的结构c.地下水的分布d.隧道洞室的形状和尺寸e.初始地应力18.确定围岩压力的方法:a.现场量测b.理论估算c.工程类比法19.常用的围岩分类方法:a.岩石坚固系数分类法b.太沙基理论c.铁路围岩分类法d.人工岩石洞室围岩分类法e.水工隧道围岩分类法20.隧道结构计算的任务:就是采用数学力学的方法,计算分析在隧道修筑的整个过程中(包括竣工,运营)a.隧道围岩及衬砌的强度b.刚度和稳定性,为隧道的设计及施工提供具体设计参数21.隧道的计算方法可分为三大部分:a.刚体力学法b.结构力学法(荷载位移法)c.连续介质力学法(地层结构法)22.附:19世纪后期,砼材料与钢材料的出现,地下结构的建造于计算进入地下连续拱形框架结构阶段,而计算的理论基础为线弹性结构力学;地下连续拱形框架结构式一种超静定弹性结构系统,荷载为地层压力,优点:以结构力学原理为计算理论基础缺点:没有考虑地层对衬砌结构变形所产生的弹性抵抗力23.如果人工考虑隧道衬砌和地层的相互作用,地下结构的计算方法仅分为结构力学方法和连续介质力学方法24.造成隧道结构计算结果不能直接应用的主要原因:(1)围岩的物理力学参数无法准确确定(2)隧道的荷载量级很大,无法准确给出(3)围岩自承能力除受围岩自身条件影响外,还受施工方法、时间、支护形式、洞室几何尺寸等的影响(4)围岩本构关系复杂和屈服性准则不完善性,使围岩自承能力无法发挥第二章隧道结构计算的结构力学法1.在分析过程中首先要确定地层压力,然后计算衬砌在地层压力和其他荷载作用下的内力分布,最后根据内力分布对衬砌结构断面进行验算2.荷载结构法和计算地表结构所采用的结构力学方法基本相同,主要差别是衬砌结构在变形过程中要受到周围介质的限制,分为力法与位移法3.拱形半衬砌隧道的结构计算:(1)半衬砌结构可简化为弹性固定平面无铰拱(计算模型)(2)拱顶截面建立位移协调方程,由拱顶截面的位移协调方程得拱脚处的位移和转角(3)将拱脚位移和转角方程代入拱顶截面位移协调方程,得关于未知力X1,X2的线性代数方程组,可得拱顶截面未知力(4)各截面强度校核4.拱形曲墙隧道的结构计算:(1)假定弹性抗力为镰刀形分布,拱形曲墙式衬砌的计算模型为墙角弹性固定而两侧受周围约束的无铰拱(2)通过h点的变形协调条件计算弹性抗力σh(3)计算主动荷载作用下衬砌的内力(4)σh=1时衬砌的内力(5)求出最大抗力值σh(6)用叠加的方法求出衬砌内任一点的内力5.拱形曲墙隧道的结构计算模型:竖向荷载所引起的侧墙部分的变形,将受到侧面围岩的约束,形成一个抗力区,这里假定弹性抗力为镰刀形,其量值用3个特征值控制:抗力上零点对一般与对称中线夹角为40°-60°;抗力下零点在拱脚处;最大抗力点h在衬砌最大跨度处,一般在抗力区2/3处6.拱形直墙隧道的局部变形法:在分析拱形直墙式隧道结构时,需将拱圈与直墙分开考虑,拱圈是一个拱脚弹性固定的无铰拱,弹性抗力假定为二次抛物线分布,边墙视为弹性地基梁,全部抗力有文克勒假设确定,墙顶和拱脚弹性固结,墙脚与基岩间有较大的摩擦力,无水平位移发生,他在基岩的作用视为刚性体7.外荷载产生的位移μhp和直墙拱的结构计算:(1)由弹性地基梁公式,计算系数μ1,β1,μ2,β2(墙顶位移)(2)由主动荷载及单位弹性抗力所产生的h点位移计算单位弹性抗力所产生的位移μhσ(3)由μhp和μhσ求得弹性抗力σh(4)根据任一截面i处的内力表达式得拱的截面内力(5)求出直梁的内力(6)校核8.隧道衬砌结构计算的矩阵力法计算步骤:(1)计算[F0](2)计算[γSX]并将其转化为[γSX]’(3)计算[γSP]并将其转化为[γSP]’(4)计算[Fxx],[Fxp](5)计算赘余力{x}(6)计算衬砌单元节点{s}(7)计算衬砌节点位移{δ}9.隧道衬砌结结构计算的矩阵位移法计算步骤:(1)计算衬砌单元刚度位移矩阵(2)计算链杆刚度(3)计算墙底支座的刚度矩阵(4)集成总体刚度矩阵,并计算各元素值(5)消去已知位移(6)计算节点位移(7)计算单元节点力10.拱形直墙计算模型:拱圈是一个拱脚弹性固定的无铰拱,拱圈弹性抗力假定为二次抛物线分布,边墙视为弹性地基梁,全部抗力由文壳勒假设确定。
隧道结构力学计算
隧道结构力学计算是指对隧道结构进行力学分析和计算,以确定其受力状态和安全性。
隧道结构力学计算涉及以下几个方面的内容:
1. 隧道结构受力分析:通过分析隧道结构的受力情况,确定隧道在各个截面上的受力分布,包括截面内的轴力、弯矩、剪力等。
同时还需要考虑隧道的开挖和围岩的变形对结构的影响。
2. 结构稳定性计算:对隧道结构进行稳定性计算,包括抗滑稳定性、抗倾覆稳定性等。
通过确定结构的稳定性,可以评估结构的安全性。
3. 结构设计计算:根据受力分析和稳定性计算的结果,进行结构设计计算。
包括确定结构的截面尺寸、钢筋配筋等。
4. 结构材料力学性能计算:对结构材料的力学性能进行计算,包括混凝土的强度、钢筋的抗拉强度等。
在进行隧道结构力学计算时,需要应用力学原理和数学方法进行分析和计算。
通过合理的力学计算,可以评估隧道结构的安全性,并进行结构设计优化,确保隧道的运行安全。
计算书一 基本资料高速公路隧道,结构断面如附图1-1所示,围岩级别为III 类,容重324kN/m ϒ=,围岩的单行抗力系数630.510kN/K m =⨯,衬砌材料C20混凝土,弹性模量72.810kpa h E =⨯,容重324kN/m ϒ=。
二 荷载确定1 围岩竖向均布压力:13310.452s s=3; 20kN /;1i(5),B 10.5520.0610.67m,m B m i .0.452 1.56724s q m B q ωγλλωωω--=⨯==+-=+⨯=⨯=⨯⨯=式中: 围岩类别,围岩容重,跨度影响系数,隧道宽度式中0.06为一侧平均超挖量,=515时,=0.1,此处=1+0.1(10.67-5)=1.567所以 考虑到初期支护承担大部分围岩压力,而二次衬砌一般作为安全储备,故对围岩压力进行折减,对于本隧道按照35%折减,即q 35%s q kpa =⨯=2 围岩水平均布力:0.2e q k p a == 四 计算位移1单位位移用辛普生法近似计算,按计算列表进行。
单位位移的计算见附表1-4. 单位位移计算如下:1112221101221022201111M M s M Ms h h s M Ms h hss h hS d E IE I n S y d E IE I n y S d E I E I n δδδδ∆=≈=⨯∆==≈=⨯∆=≈=⨯∑⎰∑⎰∑⎰计算精度校核为:61112222()10δδδ-++=⨯26(1)110ss h y SE I nδ-+∆==⨯=∑ 闭合差0.∆≈ 单位位移计算表 附表1-4注:1. I —截面惯性矩,3b I ,12d b =取单位长度。
2.不考虑轴力的影响2 载位移——主动荷载在基本结构中引起的位移 (1)每一楔块上的作用力竖向力:Q i i qb =式中: 123456781h ,h ,h ,h ,h ,h ,h ,h .2i i ii hb m m m m m m m m d d G S γ---========+=⨯∆⨯表示衬砌外缘相邻两截面之间的竖直投影长度,由附图1-5量的:()2i Bb m m =≈=∑校核 水平压力:E e i i h =式中:12345678h ,h ,h ,h ,h ,h ,h ,h .,,,i q e g b m m m m m m m m a a a --========表示衬砌外缘相邻两截面之间的竖直投影长度,由附图1-5量的: 011sin ()cos ,y ip i i iii i i i i i i N a Q G a Ex x x y y y --=+-∆=-∆=-∆--∑∑相邻两接缝中心点的坐标增值自重力:12i ii h d d G S γ-+=⨯∆⨯ 式中:8hG i d γ--表示接缝i 衬砌截面厚度 。
1.1工程概况川藏公路二郎山隧道位于四川省雅安天全县与甘孜泸定县交界的二郎山地段, 东距成都约260km , 西至康定约97 km , 这里山势险峻雄伟, 地质条件复杂, 气候环境恶劣, 自然灾害频繁, 原有公路坡陡弯急, 交通事故不断, 使其成为千里川藏线上的第一个咽喉险道, 严重影响了川藏线的运输能力, 制约了川藏少数民族地区的经济发展。
二郎山隧道工程自天全县龙胆溪川藏公路K2734+ 560 (K256+ 560)处回头, 沿龙胆溪两侧缓坡展线进洞, 穿越二郎山北支山脉——干海子山, 于泸定县别托村和平沟左岸出洞, 跨和平沟经别托村展线至K2768+ 600 (K265+ 216) 与原川藏公路相接, 总长8166km , 其中二郎山隧道长4176 m , 别托隧道长104 m ,改建后可缩短运营里程2514 km , 使该路段公路达到三级公路标准, 满足了川藏线二郎山段的全天候行车。
1.2工程地质条件1.2.1 地形地貌二郎山段山高坡陡,地形险要,在地貌上位于四川盆地向青藏高原过渡的盆地边缘山区分水岭地带,隶属于龙门山深切割高中地区。
隧道中部地势较高。
隧址区地形地貌与地层岩性及构造条件密切相关。
由于区内地层为软硬相间的层状地层,构造为西倾的单斜构造,故地形呈现东陡西缓的单面山特征。
隧道轴线穿越部位,山体浑厚,东西两侧发育的沟谷多受构造裂隙展布方向的控制。
主沟龙胆溪、和平沟与支沟构成羽状或树枝状,横断面呈对称状和非对称状的“v ”型沟谷,纵坡顺直比降大,局部受岩性构造影响,形成陡崖跌水。
1.2.2 水文气象二郎山位于四川盆地亚热带季风湿润气候区与青藏高原大陆性干冷气候区的交接地带。
由于山系屏障,二郎山东西两侧气候有显著差异。
东坡潮湿多雨,西坡干燥多风,故有“康风雅雨”之称。
全年分早季和雨季。
夏、秋两季受东进的太平洋季风和南来的印度洋季风的控制,降雨量特别集中;冬春季节,则受青藏高原寒冷气候影响,多风少雨,气候严寒。
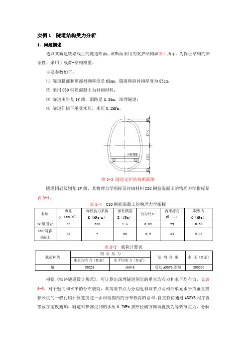
实例1 隧道结构受力分析1.问题描述选取某新建铁路线上的隧道断面,该断面采用的支护结构如图1所示。
为保证结构的安全性,采用了载荷-结构模型。
主要参数如下:⑴隧道腰部和顶部衬砌厚度是65mm,隧道仰拱衬砌厚度为85cm;⑵采用C30钢筋混凝土为衬砌材料;⑶隧道围岩是IV级,洞跨是5.36m,深埋隧道;⑷隧道仰拱下承受水压,水压0.2MPa。
图3-3 隧道支护结构断面图隧道围岩级别是IV级,其物理力学指标及衬砌材料C30钢筋混凝土的物理力学指标见表3-4。
根据《铁路隧道设计规范》,可计算出深埋隧道围岩的垂直均布力和水平均布力,见表3-5。
对于竖向和水平的分布载荷,其等效节点力分别近似取节点两相邻单元水平或垂直投影长度的一般衬砌计算宽度这一面积范围内的分布载荷的总和。
自重载荷通过ANSYS程序直接添加密度施加。
隧道仰拱部受到的水压0.2MPa按照径向方向再置换为等效节点力,分解为水平竖直方向加载。
2. 求解步骤第一步:定义工作文件名和工作标题⑴进入ANSYS/Multiphysics的程序界面后,选择菜单Utility Menu(菜单):File→Change Jobname,出现Change Jobname对话框。
在【/FILNAM】Enter new Jobname 输入框中输入工作名称Support,单击OK按钮关闭该对话框。
⑵选择菜单Utility Menu:File→Change Title(标题)命令,出现Change Title 对话框,在输入栏中输入Tunnel Support Structural Analysis,单击OK按钮关闭该对话框。
第二步:定义单元类型(衬砌类型)选择菜单Main Menu:Preprocessor(前处理)→Element Type(元素类型)→Add(添加)/Edit(编辑)/Delete(删除)命令,出现Element Types对话框,单击Add按钮,出现Library of Element Types(类型库)对话框。
1.1工程概况川藏公路二郎山隧道位于省天全县与甘孜泸定县交界的二郎山地段, 东距约260km , 西至约97 km , 这里山势险峻雄伟, 地质条件复杂, 气候环境恶劣, 自然灾害频繁, 原有公路坡陡弯急, 交通事故不断, 使其成为千里川藏线上的第一个咽喉险道, 严重影响了川藏线的运输能力, 制约了川藏少数民族地区的经济发展。
二郎山隧道工程自天全县龙胆溪川藏公路K2734+ 560 (K256+ 560)处回头, 沿龙胆溪两侧缓坡展线进洞, 穿越二郎山北支山脉——干海子山, 于泸定县别托村和平沟左岸出洞, 跨和平沟经别托村展线至K2768+ 600 (K265+ 216) 与原川藏公路相接, 总长8166km , 其中二郎山隧道长4176 m , 别托隧道长104 m ,改建后可缩短运营里程2514 km , 使该路段公路达到三级公路标准, 满足了川藏线二郎山段的全天候行车。
1.2工程地质条件1.2.1 地形地貌二郎山段山高坡陡,地形险要,在地貌上位于盆地向青藏高原过渡的盆地边缘山区分水岭地带,隶属于龙门山深切割高中地区。
隧道中部地势较高。
隧址区地形地貌与地层岩性及构造条件密切相关。
由于区地层为软硬相间的层状地层,构造为西倾的单斜构造,故地形呈现东陡西缓的单面山特征。
隧道轴线穿越部位,山体浑厚,东西两侧发育的沟谷多受构造裂隙展布方向的控制。
主沟龙胆溪、和平沟与支沟构成羽状或树枝状,横断面呈对称状和非对称状的“v ”型沟谷,纵坡顺直比降大,局部受岩性构造影响,形成陡崖跌水。
1.2.2 水文气象二郎山位于盆地亚热带季风湿润气候区与青藏高原大陆性干冷气候区的交接地带。
由于山系屏障,二郎西两侧气候有显著差异。
东坡潮湿多雨,西坡干燥多风,故有“康风雅雨”之称。
全年分早季和雨季。
夏、秋两季受东进的太平洋季风和南来的印度洋季风的控制,降雨量特别集中;冬春季节,则受青藏高原寒冷气候影响,多风少雨,气候严寒。
据沪定、天全两县21年(1960-1980年)气候资料,多年平均气温分别为16.6℃和15.1℃,沪定略高于天全,多年平均降雨量分别为636.8 mm和1730.0mm,多年平均蒸发量分别为1578.6和924.2mm,每年8级以上大风日数分别为14天和3天,沪定相对大风更多、更强烈。
1.1工程概况川藏公路二郎山隧道位于四川省雅安天全县与甘孜泸定县交界的二郎山地段, 东距成都约260km , 西至康定约97 km , 这里山势险峻雄伟, 地质条件复杂, 气候环境恶劣, 自然灾害频繁, 原有公路坡陡弯急, 交通事故不断, 使其成为千里川藏线上的第一个咽喉险道, 严重影响了川藏线的运输能力, 制约了川藏少数民族地区的经济发展。
二郎山隧道工程自天全县龙胆溪川藏公路K2734+ 560 (K256+ 560)处回头, 沿龙胆溪两侧缓坡展线进洞, 穿越二郎山北支山脉——干海子山, 于泸定县别托村和平沟左岸出洞, 跨和平沟经别托村展线至K2768+ 600 (K265+ 216) 与原川藏公路相接, 总长8166km , 其中二郎山隧道长4176 m , 别托隧道长104 m ,改建后可缩短运营里程2514 km , 使该路段公路达到三级公路标准, 满足了川藏线二郎山段的全天候行车。
1.2工程地质条件1.2.1 地形地貌二郎山段山高坡陡,地形险要,在地貌上位于四川盆地向青藏高原过渡的盆地边缘山区分水岭地带,隶属于龙门山深切割高中地区。
隧道中部地势较高。
隧址区地形地貌与地层岩性及构造条件密切相关。
由于区内地层为软硬相间的层状地层,构造为西倾的单斜构造,故地形呈现东陡西缓的单面山特征。
隧道轴线穿越部位,山体浑厚,东西两侧发育的沟谷多受构造裂隙展布方向的控制。
主沟龙胆溪、和平沟与支沟构成羽状或树枝状,横断面呈对称状和非对称状的“v ”型沟谷,纵坡顺直比降大,局部受岩性构造影响,形成陡崖跌水。
1.2.2 水文气象二郎山位于四川盆地亚热带季风湿润气候区与青藏高原大陆性干冷气候区的交接地带。
由于山系屏障,二郎山东西两侧气候有显著差异。
东坡潮湿多雨,西坡干燥多风,故有“康风雅雨”之称。
全年分早季和雨季。
夏、秋两季受东进的太平洋季风和南来的印度洋季风的控制,降雨量特别集中;冬春季节,则受青藏高原寒冷气候影响,多风少雨,气候严寒。
有限元基础理论与ANSYS应用—隧道结构力学分析专业:姓名:学号:指导教师:2014年12月隧道结构力学分析目录目录 (2)1. 问题的描述........................................................... 错误!未定义书签。
2. 建模....................................................................... 错误!未定义书签。
2.1 定义材料......................................................................... 错误!未定义书签。
2.2 建立几何模型................................................................. 错误!未定义书签。
2.3 单元网格划分 (5)3. 加载与求解 (6)3.1 施加重力加速度 (6)3.2 施加集中力、荷载位移边界条件 (6)4. 后处理 (8)4.1 初次查看变形结果 (8)4. 2 除去受拉弹簧网格.............. (9)4.3 除去弹簧单元网格 (10)4. 4 查看内力和变形结果 (11)4. 5 绘制变形图 (12)5. 计算结果对比分析 (14)6. 结语 (14)7. 在做题过程中遇到的问题及解决方法 (16)8. 附录 (16)山岭隧道结构力学分析1.问题的描述已知双线铁路隧道总宽为13.3米,高为11.08米,以III级围岩深埋段为例,隧道而衬厚度为35cm,带仰拱,采用钢筋混凝土C30,其重度为=25kN/m3,弹性模量为31GPa,泊松比为0.2,。
该段该隧道的埋深为5米,围岩平均重度为23kN/m3,侧压力系数为0.3,计算围岩高度为6.588m,地层弹性抗力系数为500MPa/m。
一、计算原则和依据1、采用ANSYS有限元通用程序(注:该程序是目前唯一通过ISO9001国际认证的有限元计算分析程序)对竹篱晒网隧道进行结构受力及变形分析。
2、采用地层-结构模型对暗挖隧道的受力和变形进行分析。
3、分析对象为纵向宽1m的隧道结构和地层。
4、依据《竹篱晒网隧道施工图设计文件》、《公路路隧道设计规范》等建立计算模型。
二、计算内容对竹篱晒网隧道的计算,分别取洞口段、洞身段中V、IV、III级围岩进行计算,取断面计算如下:1、出洞段KY2+760(V级围岩,采用双侧壁法施工);2、洞身段KY2+480(IV级围岩,采用环形台阶法施工);3、洞身段KY2+500(III级围岩,采用台阶法施工)。
三、结构计算模型、荷载1、计算模型采用隧道与地层共同作用的地层-结构模式,模拟分析施工过程地层和结构的受力及变形特点。
计算模型所取范围是:水平方向取隧道两侧3倍洞跨,而竖直方向,仰拱以下地层,以洞跨的3倍为限,即从仰拱至地层下3倍洞跨深度范围,隧道拱顶以上地层:V级围岩取至地面,IV 、III 级围岩根据计算高度取值。
计算中地层及初期支护(初衬喷砼及钢架除外)采用了DP 材料的弹塑性实体单元模拟,而初衬(钢架喷砼)、二次衬砌采用弹性梁模拟,为使点和点之间位移协调,初衬和地层之间用约束方程联系、初衬和二衬之间用只传递轴向压力的链杆连接。
ANSYS 程序中,采用单元的“生”(KILL )、“死”(ALIVE )来模拟衬砌和临时支撑的施作和拆除过程,当单元“死”时,受力体系不受其影响,“死”单元的应力、应变不计(即内力为0),而后被激“活”的单元不计以前自身应变,也就是说,“活”的单元只对以后应力发生变化时产生作用。
2、计算荷载模拟开挖过程中,先计算初始应力,每开挖一步形成“毛洞”时,释放一部分初始应力,施作支护时释放余下的初始应力。
有限元计算中,采用莫尔—库仑屈服准则对结构的开挖过程进行弹塑性分析。
也即采用 Drucker-Prager (DP )模型计算结构非线形的变形特性。
可编辑修改精选全文完整版一、设计资料 1、工程概况:安徽省铜汤高速公路要穿越黄山的焦家山,在该山建一隧道。
隧道址区属构造剥蚀低山区,海拔105.2m —231.1m ,相对高差125.9m 。
山脊走向35度左右,隧道轴线与山脊走向基本垂直。
2、地形地质等条件工作区属亚热带湿润季风气候区,梅雨区40天左右,年平均气温为15.2—17.3度,最高日平均气温为42度,最低日平均气温为-20度。
七、八月气温最高,一月气温最低。
区内雨量充沛,多年平均年降雨量为1673.5mm ,最大为2525.7mm ,最小为627.9mm ,多锋面雨及地形雨,山区冬季风速较大,一般为4~5级。
地层岩性主要为志留系畈村组粉砂岩(fn S 2)和第四系全新统崩坡积成因碎石土(14d e Q )。
3、设计标准设计等级:高速公路双向四车道; 地震设防烈度:7级 4、计算断面资料:桩号:K151+900.00; 地面高程:205.76m ; 设计高程:138.673m ; 围岩类别:Ⅲ类;复合式衬砌类型:Ⅲ类;工程地质条件及评价:该段隧道通过微风化粉砂岩地段,节理裂隙不发育,埋置较深,围岩稳定性较好。
5、设计计算内容(1)确定隧道开挖方式及隧道断面布置图; (2)围岩压力计算; (3)隧道支护设计图; (4)隧道衬砌设计图。
6、设计依据 (1)《公路隧道设计规范》(JTG D70-2004); (2)《公路隧道施工技术规范》(JTJ042-94); (3)《隧道工程》王毅才 主编 人民交通出版社; (4)《地下结构静力计算》 天津大学建筑工程系地下建筑工程教研室 编 中国建筑工业出版社。
二、隧道断面布置本公路设计等级为高速公路双向四车道,由《公路隧道设计规范》(JTG D70-2004)4.3.2有:高速公路、一级公路的隧道应设计为上、下行分离的独立双洞。
对于Ⅲ类围岩,分离式独立双洞间的最小净距为2.0B ,B 为隧道开挖断面的宽度。
1.1工程概况川藏公路二郎山隧道位于四川省雅安天全县与甘孜泸定县交界的二郎山地段, 东距成都约 260km , 西至康定约 97 km , 这里山势险峻雄伟, 地质条件复杂, 气候环境恶劣, 自然灾害频繁, 原有公路坡陡弯急, 交通事故不断, 使其成为千里川藏线上的第一个咽喉险道, 严重影响了川藏线的运输能力, 制约了川藏少数民族地区的经济发展。
二郎山隧道工程自天全县龙胆溪川藏公路K2734+ 560 (K256+ 560)处回头, 沿龙胆溪两侧缓坡展线进洞, 穿越二郎山北支山脉——干海子山, 于泸定县别托村和平沟左岸出洞, 跨和平沟经别托村展线至K2768+ 600 (K265+ 216) 与原川藏公路相接, 总长 8166km , 其中二郎山隧道长4176 m , 别托隧道长104 m ,改建后可缩短运营里程2514 km , 使该路段公路达到三级公路标准, 满足了川藏线二郎山段的全天候行车。
1.2 工程地质条件1.2.1 地形地貌二郎山段山高坡陡,地形险要,在地貌上位于四川盆地向青藏高原过渡的盆地边缘山区分水岭地带,隶属于龙门山深切割高中地区。
隧道中部地势较高。
隧址区地形地貌与地层岩性及构造条件密切相关。
由于区内地层为软硬相间的层状地层,构造为西倾的单斜构造,故地形呈现东陡西缓的单面山特征。
隧道轴线穿越部位,山体浑厚,东西两侧发育的沟谷多受构造裂隙展布方向的控制。
主沟龙胆溪、和平沟与支沟构成羽状或树枝状,横断面呈对称状和非对称状的“ v ”型沟谷,纵坡顺直比降大,局部受岩性构造影响,形成陡崖跌水。
1.2.2 水文气象二郎山位于四川盆地亚热带季风湿润气候区与青藏高原大陆性干冷气候区的交接地带。
由于山系屏障,二郎山东西两侧气候有显著差异。
东坡潮湿多雨,西坡干燥多风,故有“康风雅雨”之称。
全年分早季和雨季。
夏、秋两季受东进的太平洋季风和南来的印度洋季风的控制,降雨量特别集中;冬春季节,则受青藏高原寒冷气候影响,多风少雨,气候严寒。
有限元基础理论与ANSYS应用—隧道结构力学分析专业:姓名:学号:指导教师:2014年12月隧道结构力学分析目录目录 (2)1. 问题的描述........................................................... 错误!未定义书签。
2. 建模....................................................................... 错误!未定义书签。
2.1 定义材料......................................................................... 错误!未定义书签。
2.2 建立几何模型................................................................. 错误!未定义书签。
2.3 单元网格划分 (5)3. 加载与求解 (6)3.1 施加重力加速度 (6)3.2 施加集中力、荷载位移边界条件 (6)4. 后处理 (8)4.1 初次查看变形结果 (8)4. 2 除去受拉弹簧网格.............. (9)4.3 除去弹簧单元网格 (10)4. 4 查看内力和变形结果 (11)4. 5 绘制变形图 (12)5. 计算结果对比分析 (14)6. 结语 (14)7. 在做题过程中遇到的问题及解决方法 (16)8. 附录 (16)山岭隧道结构力学分析1.问题的描述已知双线铁路隧道总宽为13.3米,高为11.08米,以III级围岩深埋段为例,隧道而衬厚度为35cm,带仰拱,采用钢筋混凝土C30,其重度为=25kN/m3,弹性模量为31GPa,泊松比为0.2,。
该段该隧道的埋深为5米,围岩平均重度为23kN/m3,侧压力系数为0.3,计算围岩高度为6.588m,地层弹性抗力系数为500MPa/m。
试分析结构的应力和变形图1双线铁路隧道断面(cm)2.建模2.1.定义材料a.添加单元材料类型:添加两种单元材料,分别为beam3和combin14b.定义材料实常数:Beam3材料,截面积0.35,高0.35,惯性矩0.35*0.35*0.35/12 c.定义材料力学指标:Beam3材料,密度2500,弹性模量3.1e10,泊松比0.22.2建立几何模型建立关键点,通过关键点创建弧线,生成的模型如下:图2-1 生成的模型图2.3.单元网格划分a.设置单元大小并将所有直线划分单元,生成模型如下:图2-2 生成的模型图b.采用do循环命令进行创建弹簧单元操作,模型如下:图2-3 带弹簧单元的单元网格图3.加载与求解3.1.施加重力加速度生成模型如下:图3-1 生成的模型图3.2.施加集中力,荷载和位移边界条件在节点上施加集中力,加上荷载和位移边界条件后的几何模型如下:图3-2 带荷载和边界条件的有限元模型图4.后处理4.1.初次查看变形结果绘制变形图,未去除弹簧单元网格如下图所示:如下所示:图4-1 生成第一次变形模型图4.2.除去收拉弹簧单元网格如下图所示:图4-2 去除受拉弹簧单元后的网格图4.3.去除弹簧单元网格如下图所示:图4-3 “杀死”受拉弹簧65,66,67,126,127,128单元图4-4 “杀死”受拉弹簧68,69,70,123,124,125单元图4-5 “杀死”受拉弹簧71,72,73,121,122单元 4.4.查看内力和变形结果绘制变形图,如下图所示:图4-6 绘制变形模型图图4-7 生成的模型图 4.5.绘制变形图。
如下图所示:查看轴力、剪力、内力图,如下图所示:图4-8 生成的模型轴力图图4-9 生成的模型剪力图图4-10 生成的模型弯矩图5.计算结果对比分析结果对比:min maxM keben -56867 47746me -57547 48186N keben -860267 -494036me -865972 -495812V keben -37251 37251me -37197 37198从中可以看出存在的误差可能的原因是,在4.3去除弹簧单元网格中,可以看到“杀死”单元时顺序不同,操作时导致结果存在微小差异。
6.在做题过程中遇到的问题及解决方法。
在进行做题过程中遇到了一些问题总结主要有一下几点:(1)操作中出现命令流的输入错误,比如拼写错误导致不能识别,符号缺少与丢失等原因引起的错误。
(2)检查输入数据是,查到由于数据多,出现输入数据错误。
(3)在去除受拉弹簧时用到的程序未能给明白具体意思,因而没法操作。
(4)不同版本的ANSYS的识别也出现不能运行的情况。
解决的方法,对于(1)、(2)、(3)的情况通过在编写输入命令流时要细心的操作,完成后在进行检查与操作来验证,不明白不清楚的进行替换操作。
对于(4)是由于在ANSYS10.0中对中英文不区分,而ANSYS12.0区分中英文标点符号,要重新修改才行。
7.束语本题对采用暗挖法修建的双线铁路隧道,用荷载-结构模型进行山岭隧道结构力学分析。
通过问题的描述、建模、加载与求解、后处理和计算结果分析。
在设计应用中应进行衬砌结构内力和变形分析,然后根据规范进行结构承载能力和正常使用极限状态验算,并采取相应的结构构造处理措施。
通过本题的ANSYS实践操作,了解本方向即岩土与地下工程的一方面,关于隧道及地下工程结构设计中力学行为的有限元仿真分析。
在了解了基本原理的前提下,结合平时老师在课堂上的所教所学,再查找资料。
结合实际,在做书本的例题时,经过几天的实际操作,学到了许多东西,同时通过多次尝试,摸索出了一些平时不注意和很少用的东西,基本上完成了老师交给我的题目,但是还存在许多问题,出现了好多次的卡壳与重做。
在这过程中,明白自己在ANSYS的操作上熟练程度差,编写命令流好要找资料进行模仿,同时在本题中就有与书本不一样的地方,就是因为没有弄清楚,采用其他代替的方法,这些都需要自己在接下来的学习中不断提高,为将来的自己的毕业设计做准备。
感谢老师给我们这样的一次有意义的大作业,这次作业全面的锻炼了我们在ANSYS操作上的能力,同时促进了大家在学习中的交流,让教室的学习气氛瞬间活跃起来,也促进了大家与师兄们讨论交流与学习。
大家在这次交流学习中更加明白ANSYS在自己方向中有着重要的应用,为将来毕业设计打下了一定的基础。
附录源程序/NOPRKEYW,PR_STRUC,1/PREP7ET,1,BEAM3ET,2,COMBIN14R,1,0.35,0.35*0.35*0.35/12,0.35 SECTYPE,1,BEAM,RECT SECOFFSET,CENT SECDATA,1,0.4mp,ex,1,31e9mp,prxy,1,0.2mp,dens,1,2500SA VEK,1,0,6.85,K,2,-6.48947,-2.193,K,3,-4.76147,-3.8979,K,4,4.76147,-3.8979,K,5,6.48947,-2.193,K,6,-5.56527,3.99378,K,7,-5.82788,-3.25059,K,8,0,-4.64781,K,9,5.82788,-3.25059,K,10,5.56527,3.99378,K,100,0,0,K,200,-3.93158,-1.3286,K,300,3.93158,-1.3286,K,400,0,10.84328,Larc,1,2,6Larc,2,3,7Larc,3,4,8Larc,4,5,9Larc,5,1,10SA VElsel,s,line,,1,5,4lesize,all,,,20,,,,,1allsellsel,s,line,,2,4,2lesize,all,,,4,,,,,1allsellsel,s,line,,3,3,0lesize,all,,,16,,,,,1allseltype, 1mat, 1real, 1lmesh,all/PNUM,KP,0/PNUM,ELEM,1/REPLOTSA VElocal,12,1,0,0csys,12psprng,1,tran,776690100,1 *do,i,3,21psprng,i,tran,776690100,1 *enddolocal,13,1,-3.93158,-1.3286 csys,13psprng,2,tran,748320000,1 *do,i,23,25psprng,i,tran,748320000,1 *enddolocal,14,1,0,10.84329 csys,14psprng,22,tran,724800000,1 *do,i,27,41psprng,i,tran,724800000,1 *enddolocal,15,1,3.93158,-1.3286 csys,15psprng,26,tran,748320000,1 *do,i,43,45psprng,i,tran,748320000,1 *enddolocal,16,1,0,0csys,16psprng,42,tran,776690100,1 *do,i,46,64psprng,i,tran,776690100,1 *enddo/solACEL,0,10,0,F,1,FX,0F,3,FX,755.933618F,4,FX,1505.072207 F,5,FX,2240.685109 F,6,FX,2956.161569 F,7,FX,3645.071785 F,8,FX,4301.224706 F,9,FX,4918.723657 F,10,FX,5492.019340 F,11,FX,6015.959699 F,12,FX,6485.836217 F,13,FX,6897.426240 F,14,FX,7247.030915 F,15,FX,7531.508436 F,16,FX,7748.302289 F,17,FX,7895.464197 F,18,FX,7971.671655 F,19,FX,7976.239808 F,20,FX,7909.127603 F,21,FX,7770.938188 F,2,FX,7314.871320 F,23,FX,6471.525186 F,24,FX,5361.236243 F,25,FX,3960.902214 F,26,FX,2675.436205 F,27,FX,2013.784571 F,28,FX,1731.839234 F,29,FX,1447.252933 F,30,FX,1160.459647 F,31,FX,871.896721 F,32,FX,582.004198 F,33,FX,291.224150 F,34,FX,0F,35,FX,-291.224149 F,36,FX,-582.004197 F,37,FX,-871.896720 F,38,FX,-1160.459646 F,39,FX,-1447.252932 F,40,FX,-1731.839233 F,41,FX,-2013.784574 F,26,FX,-2675.436209 F,43,FX,-3960.902215 F,44,FX,-5361.236243 F,45,FX,-6471.525185 F,42,FX,-7314.871294 F,46,FX,-7770.938161F,47,FX,-7909.127604 F,48,FX,-7976.239805 F,49,FX,-7971.671654 F,50,FX,-7895.464197 F,51,FX,-7748.302291 F,52,FX,-7531.508441 F,53,FX,-7247.030916 F,54,FX,-6897.426243 F,55,FX,-6485.836220 F,56,FX,-6015.959703 F,57,FX,-5492.019344 F,58,FX,-4918.723659 F,59,FX,-4301.224710 F,60,FX,-3645.071790 F,61,FX,-2956.161574 F,62,FX,-2240.685116 F,63,FX,-1505.072212 F,64,FX,-755.933632 F,1,FY,-53220.491493 F,3,FY,-52981.351554 F,4,FY,-52266.081855 F,5,FY,-51081.110681 F,6,FY,-49437.087118 F,7,FY,-47348.785516 F,8,FY,-44834.972892 F,9,FY,-41918.240230 F,10,FY,-38624.799419 F,11,FY,-34984.247764 F,12,FY,-31029.301907 F,13,FY,-26795.503917 F,14,FY,-22320.901814 F,15,FY,-17645.707665 F,16,FY,-12811.936224 F,17,FY,-7863.027300 F,18,FY,-2843.455422 F,19,FY,-2523.285196 F,20,FY,0F,21,FY,0F,2,FY,0F,23,FY,0F,24,FY,0F,25,FY,0F,22,FY,0F,27,FY,0F,28,FY,0F,29,FY,0F,30,FY,0F,31,FY,0F,32,FY,0F,33,FY,0F,34,FY,0F,35,FY,0F,36,FY,0F,37,FY,0F,38,FY,0F,39,FY,0F,40,FY,0F,41,FY,0F,26,FY,0F,43,FY,0F,44,FY,0F,45,FY,0F,46,FY,0F,42,FY,0F,46,FY,0F,47,FY,0F,48,FY,-2523.285195 F,49,FY,-2843.455390 F,50,FY,-7863.027262 F,51,FY,-12811.936194 F,52,FY,-17645.707640 F,53,FY,-22320.901780 F,54,FY,-26795.503888 F,55,FY,-31029.301879 F,56,FY,-34984.247739 F,57,FY,-38624.799403 F,58,FY,-41918.240189 F,59,FY,-44834.972872 F,60,FY,-47348.785499 F,61,FY,-49437.087109 F,62,FY,-51081.110694 F,63,FY,-52266.081840 F,64,FY,-52981.351727 D,34,UX,0/SOLantype,static nlgeom,onnropt,fulloutres,all,all time1 solve/solutime2 ekill,65 solve/solutime3 ekill,66 solve/solutime4 ekill,67 solve/solutime5 ekill,128 solve/solutime6 ekill,127 solvetime7 ekill,126 solve/solutime8 ekill,68 solve/solutime9 ekill,69 solvetime10 ekill,70 solve/solutime11 ekill,125 solve/solutime12 ekill,124solvetime13ekill,123solve/solutime14ekill,71solve/solutime15ekill,72solvetime16ekill,73solve/solutime17ekill,122solve/solutime18ekill,121solve/DSCALE,1,AUTO ESEL,S,LIVEeplot/POST1PLDISP,1ESEL,S,TYPE,,1 PLESOL,U,X PLESOL,U,Y ETABLE,MZ_i,SMISC,6 ETABLE,MZ_j,SMISC,12 ETABLE,FX_i,SMISC,1 ETABLE,FX_j,SMISC,7 ETABLE,FY_i,SMISC,2 ETABLE,FY_j,SMISC,8 PLLS,FX_i,FX_j,1,0 PLLS,FY_i,FY_j,1,0 PLLS,MZ_i,MZ_j,-1。