品质异常处理流程.doc
- 格式:doc
- 大小:41.00 KB
- 文档页数:5
简要写出品质异常处理流程下载温馨提示:该文档是我店铺精心编制而成,希望大家下载以后,能够帮助大家解决实际的问题。
文档下载后可定制随意修改,请根据实际需要进行相应的调整和使用,谢谢!并且,本店铺为大家提供各种各样类型的实用资料,如教育随笔、日记赏析、句子摘抄、古诗大全、经典美文、话题作文、工作总结、词语解析、文案摘录、其他资料等等,如想了解不同资料格式和写法,敬请关注!Download tips: This document is carefully compiled by theeditor. I hope that after you download them,they can help yousolve practical problems. The document can be customized andmodified after downloading,please adjust and use it according toactual needs, thank you!In addition, our shop provides you with various types ofpractical materials,such as educational essays, diaryappreciation,sentence excerpts,ancient poems,classic articles,topic composition,work summary,word parsing,copy excerpts,other materials and so on,want to know different data formats andwriting methods,please pay attention!品质异常处理流程是指在生产过程中,当发现产品品质出现异常情况时,所采取的一系列措施和步骤。
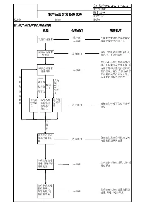
品质异常处理流程1.目的Purpose为规范公司制程品质异常处理流程,对制程中出现的品质异常及时处理,确保制程中的产品,品质得到有效控制,满足客户要求。
适用于制程品质异常处理3.定义Definitions3.1品质异常3.1.1IQC检验:超出允收水准,具体按照《进料检验作业规定》定义为准4.1.2巡检(单机台):外观单项不良:连续不良23pcs;尺寸单项不良:连续不良22pcs;功能单项不良:检验不良2Ipcs3.1.3全检:外观单项不良23%,尺寸单项不良21虬4.1.4抽检:违反3F(成型/适配/功能):检验不良21pcs.4.职责Responsibility4.1生产部4.1.1班组长:对不良品进行确认,对异常进行初步原因分析。
4.1.2课长:对生产管理人员作业层面等原因造成的异常,主导原因分析并推动改善。
5.2ME/生技:对非生产管理及作业层面的异常,主导原因分析并推动改善。
5.3品保单位4.3.1IPQC:对整个生产过程进行监控,将线上的异常向有关部门进行汇报,对改善行动进行跟踪,做好首件/巡检检查等。
4.3.2QE:对制程异常提出应急措施,并进行初步原因分析,跟进改善对策执行的有效性。
4.3.3SQE:对制程中确认的来料问题进行原因分析并推动供应商改善。
5.流程及说明ProcessFlowAndDescription5.1品质异常处理流程:6.2进料检验品质异常IQC进料检验发现的品质异常,依照《进料检验作业规定》处理。
6.3制程品质异常6.3.1作业员自检/互检发现之品质异常作业员依据作业指导书进行自检和互检,当发现品质异常时立即通知班组长进行确认处理。
6.3.2IPQC检验发现之制程异常6.3.2.1IPQC巡检发现品质异常时,通知生产单位确认并分析改善,将制程异常情况填写在《IPQC巡检记录表》和《IPQC尺寸检验记录表》中,初步统计不良数量,不良项目等信息,同时通知相关单位改善、处理。
品质异常处理流程7步
品质异常处理流程7步
品质异常处理流程是保证产品品质的基础。
有效的品质异常处理流程不但能够对问题进行有效的排查及跟踪,有效的管理故障结果,而且使得企业在面对问题时敢于采取行动,最终达到降低企业误解风险的目的。
一个完整的品质异常处理流程首先应具备7个步骤。
1、发现异常:在发现有可能存在品质异常的情况时,应立即启动品质异常处
理流程,解决异常的可能的潜在的隐患。
2、数据收集:收集有关品质异常的属性,记录品质异常的时间、人、地点和
条件,识别品质异常的发生原因。
3、处理决定:分析并确定故障可能的成因,围绕品质异常及其原因,采取必
要的措施,以解决问题。
4、根本原因分析:进行品质异常原因分析以及排查,以便找出底层根本原因。
5、可行性解决方案:由于处理时间有限,需要制定和分析可行的解决方案,
以解决此次品质异常。
6、实施改善:解决方案确定后,进行品质异常改善,以防止此类异常再次发生。
7、预防控制:通过分析和调整流程,确保品质异常得到持续改善,避免再次
发生品质异常。
以上便是品质异常处理流程的七个步骤:发现异常、数据收集、处理决定、根
本原因分析、可行性解决方案、实施改善及预防控制。
每个步骤都是对发现和处理品质异常的必要操作,完成这些步骤需要充分的组织能力和良好的沟通能力,是保证企业持续运转的重要保障。
品质异常处理流程首先,当发现产品或服务出现品质异常时,第一步是及时停止生产或服务,并立即启动品质异常处理流程。
这需要有专门的责任人负责监测产品或服务的品质状况,并在发现异常时能够迅速做出反应。
这样可以最大程度地减少不合格产品或服务流入市场,保护客户利益。
其次,一旦发现品质异常,需要立即展开调查,找出异常的原因。
这需要有专门的调查小组,能够全面、系统地分析异常发生的原因,从而有针对性地制定解决方案。
调查的结果需要详细记录,以便后续分析和总结经验教训。
接下来,根据调查结果,制定相应的处理方案。
这个过程需要有专门的团队负责,能够根据异常的性质和原因,制定出相应的应对措施。
这些措施需要具体、可操作,能够有效地解决品质异常问题。
同时,需要对相关责任人进行明确的分工,并设立明确的时间节点,以保证处理方案的及时实施。
在处理异常的过程中,需要保持与客户的及时沟通。
客户是企业的重要利益相关方,对于品质异常的处理过程和结果,客户有权知情。
因此,企业需要及时向客户通报异常情况,并说明处理方案和进展情况。
同时,需要接受客户的监督和建议,以增强客户对企业的信任。
最后,处理异常后需要进行全面的总结和反思。
这个过程需要有专门的团队负责,能够对处理异常的全过程进行回顾和总结。
这包括对异常原因的深入分析、处理方案的有效性评估、相关责任人的绩效考核等。
总结的结果需要形成正式的报告,并提交给企业的高层管理层,以便制定未来品质管理的改进方案。
总的来说,建立完善的品质异常处理流程对企业来说至关重要。
只有在发生品质异常时,能够迅速、有效地做出反应,及时制定出应对措施,最大程度地减少损失,才能保证企业的可持续发展和客户的满意度。
因此,企业需要高度重视品质异常处理流程的建立和执行,不断完善和提升自身的品质管理水平。
品质异常处理流程-标准化文件发布号:(9456-EUATWK-MWUB-WUNN-INNUL-DDQTY-KII品质异常处理流程1 目的:为了使品质异常发生时处理过程有据可依有规可循,使重大品质异常能在规定的时间内得到有效改善,防止相同问题重复发生,降低品质成本,确保产品质量符合本公司或客户需求2 范围:来料检验、制程控制、出货检验3 定义:重大品质异常是指品质问题严重有必要开具《品质异常报告》,并由品质部进行特别跟进的质量事件3.1来料检验3.1.1当进料检验需要品质工程师确认时开具《品质异常报告》3.2制程控制3.2.1 制程外观不良达10%时开具《品质异常报告》3.2.2 制程组装不良达8%时开具《品质异常报告》3.2.3 制程性能不良达3%时开具《品质异常报告》3.2.4 制程条件不能满足工艺需求而导致停线开具《品质异常报告》.3.2.5 制程连续3天重复出现的品质问题开具《品质异常报告》3.3出货检查3.3.1 出货检查外观不良达 5%时开具《品质异常报告》3.3.2 出货检查性能不良达2% 时开具《品质异常报告》3.3.3 出货检查连续3天同一款产品重复出现同一个的品质问题开具《品质异常报告》备注:以上描述的不良范围每个月月底按照品质异常汇总进行修订,逐步强化。
4 运作流程:4.1 在生产过程中,当作业人员发现产品出现品质异常时第一时间通知生产组长确认,由生产组长开出《品质异常报告》给到生产主管确认后交予生产文员进行编档之后交品质工程师。
4.2《品质异常报告》的填写必须清楚地写明事件发生的日期、时间、地点、批量数、批号、异常数量、不良率、异常状况的描述4.3 品质工程师对异常的现象进行初步确认,并在《品质异常报告》签收,然后找到PIE,由PIE对异常进行分析处理。
4.4 PIE接到《品质异常报告》后,需在一个小时内对原因进行分析及给出临时方案,如一个小时完成不了,需上报上级主管给予协助处理,现场原因分析清楚后,PIE针对生产实际状况制订临时方案,临时方案里面必须包括仓库原材料库存,生产在制品,成品的处理,并将临时方案填写至《品质异常报告》中;4.5 由PIE,品质,采购对临时方案进行评审确认是否可行,如异常是设计或者制程不良时,无需采购对临时方案进行评审,当异常为来料不良时,才需采购对此加工方案进行评审)。
品质异常处理流程品质异常处理流程1.⽬的为了使品质异常发⽣时,处理过程有据可依,使重⼤品质异常在规定的时间内得到有效改善,防⽌相同的问题重复发⽣,降低品质成本,确保产品质量符合要求。
2. 适⽤范围适⽤于公司制程控制。
3. 名词释义品质异常:因制程中出现了品质问题⽽导致的异常,也称制程异常。
停机:⽣产线⽣产出的产品不符合规定要求时或⽣产线不具备开机条件⽽已开机时,作停机处理,并下发《品质异常反馈单》。
4. 职责4.1检验科负责品质异常的反馈与跟进。
4.2责任部门负责对品质异常进⾏分析、改善与预防及不良品的处理。
5. 作业流程5.1 品质异常问题分类√5.2异常问题处理流程5.2.1当出现以上异常情况时,QC迅速对已发现的问题品作好标识并隔离。
5.2.2问题反馈5.2.2.1发现⼈员或QC⽴即向上级或责任部门报告。
5.2.2.2根据本流程5.2.6的要求填写《品质异常反馈单》并传递到责任部门。
5.2.2.3⼀般情况发《品质异常反馈单》即可,若某⼀问题多次发⽣,或问题较严重,可能会导致批量不合格或客户重⼤投诉时。
检验科发出《纠正和预防措施处理单》,要求责任部门改善。
5.2.3异常问题处理5.2.3.1当缺陷不影响产品的性能(上表不需停机的问题),仅外观不良、⾮关键尺⼨超差时或问题未最终确认时,在得到检验科长级或⼚长同意后,不需要停机,可进⼀步确认或执⾏在线分选。
5.2.3.2当⽣产线出现异常时(上表中需停机的问题),相关⼈员参照本流程5.2.4的要求,暂停有问题的机器或⼯位的操作。
5.2.4停机的时机5.2.4.1 出现上表中需要停机时,QC直接下达停机指令,即上述表中所致A类问题,员⼯/主操/领班应主动停机。
5.2.4.2 出现需要停机时,QC直接下达停机指令,相关部门不执⾏的,QC领班跟进处理。
即上升为B类问题。
5.2.4.3 出现需要停机时,QC及QC领班先后要求停机,相关部门仍不执⾏的,及时反馈到检验科长,由检验科长跟进处理,即上述的C类问题。
一.来料品质异常处理1.来料检验出现品质异常时,检验抽样按致命缺陷:AQL=1.5;严重缺陷:AQL=2.5;一般轻微缺陷:AQL=6.5的抽样计划执行。
由IQC检验人员通知组长及以上主管进行确认,做出拒收或有条件的接受的处理决定,IQC记录于《来料检验报告中》。
2.来料检验不合格则贴纸不合格标签,由仓库部将物料隔离至待处理区,由品质部联系供应商处理。
3.已经判定不合格的物料,品质部应根据严重程度采用口头形式或发行《品质异常通知单》通知供应商。
4.采购部督促供应商在规定的期限内提出改善措施,IQC应对供应商改善的情况进行跟进、确认。
二.制程品质异常处理一.1.制造单位在生产同一料号同一规格之机种数量为50台以上时,依如下条件可提出:a.组装制程:产品在组装过程中任何项目单项不良超过3%或总不良率的5%。
b.包胶制程:产品包胶过程中任何项目单项不良超过15%或总不良20%。
C.油压制程:产品油压过程中任何项目单项不良超过10%或总不良15%。
D.倒胶制程:产品倒胶过程中任何项目单项不良超过5%或总不良10%E.后处理:产品倒胶过程中任何项目单项不良超过10%或总不良20%2.投产数量小于50台时,出现3台以上不良品时,可以提出。
3.制程品质异常提出后,将详细情况写在“品质异常联络单”上,通知工程相关人员分析。
二.异常的确认及权责划分1.IPQC对不良现象,不良率进行确认.确认异常成立后,将“品质异常联络单”交给PE部,由PE初步分析后交给相关责任单位处理。
2.相关责任单位在接单后,应在30M内到现场进行确认分析。
所有异常单由相关部门处理完成后,交由IPQC认追踪,无问题后结案。
三.临时措施的提出实施及根本原因分析1.对于IPQC已确认的制品品质异常,制造部门应立即知会相关单位,由相应的单位给出临时处理措施;制造部按照异常之临时处理措施安排生产,或依工程单位的提供的临时SOP作业。
2.在生产单位执行临时措施的过程中,工程单位需尽快分析提供造成制程品质异常的根本原因并提供相应的分析报告,划分责任归属。
品质异常处理八个步骤
1. 确认问题:首先要确认品质异常的存在,以及其对产品或服务的影响程度。
2. 收集信息:收集相关的数据和信息,例如质量检测报告、客户反馈、供应商的原材料检验报告等。
3. 制定计划:根据问题的严重程度和影响范围,制定解决方案,并确定具体的实施计划和时间表。
4. 集中力量解决问题:组织相关人员集中精力解决问题,采取必要的措施和手段,例如调整生产流程、更换原材料等。
5. 问题原因分析:深入分析品质异常问题的根本原因,查找所有可能影响问题的因素。
6. 确定纠正措施:根据问题原因分析结果,制定并实施正确有效的纠正措施。
7. 预防措施:制定预防措施并实施以确保问题不再发生,例如调整工艺流程、提高员工技能培训等。
8. 监督和检查:建立监督和检查机制,及时发现品质异常问题的重新发生,持续跟进解决方案的效果。
品质异常处理流程1 目的:为了使品质异常发生时处理过程有据可依有规可循,使重大品质异常能在规定的时间内得到有效改善,防止相同问题重复发生,降低品质成本,确保产品质量符合需求 2 范围:制程控制、出货检验3 定义:重大品质异常是指品质问题严重有必要开具《品质异常联络单》,并由QE/IPQC进行特别跟进的质量事件3.1 制程外观不良达10%时开具《品质异常联络单》 3.2 制程性能不良达5%时开具《品质异常联络单》 3.3 制程尺寸不良达3%时开具《品质异常联络单》3.4 制程无作业指导书、无标准或制程条件不能满足工艺需求而导致停线 3.5 制程连续3天重复出现的品质问题开具《品质异常联络单》 4 运作流程:4.1 在生产制程过程中,当作业人员发现产品出现品质异常时第一时间通知现场IPQC、现场主管予以确认,无误由IPQC开《品质异常联络单》,若IPQC与现场主管对该异常项目发生分歧时则立即报告上级主管予以确认、属实IPQC继续开《品质异常联络单》;4.2 现场IPQC初步分析异常原因(必要时协同工艺、技术一起进行异常原因分析)后,填写《品质异常联络单》4.3 《品质异常联络单》的填写必须清楚地写明事件发生的日期、时间、地点、批量数、批号、异常数量、不良率、异常状况的描述及异常原因的分析4.4 由IPQC将《品质异常联络单》送本部门主管审核后,由主管将《品质异常联络单》统一编号后转送责任部门主管并在《品质异常跟进表》上签收,相关人员接到联络单后一个工作日之内给与回复4.5 现场原因分析清楚后,相关责任部门主管针对生产实际状况制订纠正措施,由责任部门主管将纠正措施规范填入《品质异常联络单》之纠正措施栏内,现场IPQC进行跟踪验证; 4.6 责任部门主管对品质异常的实质原因进行分析并将其填写在《纠正/预防措施报告》对应的原因分析栏中4.7 责任部门主管应在48小时内对《纠正/预防措施报告》的异常原因做出预防措施, 4.8 QE依《品质异常联络单》、《纠正、预防措施报告》进行跟踪验证、确认效果4.8.1 责任部门是否在规定时限内实施改进措施 4.8.2 责任部门是否在规定时限内完成改进措施4.8.3 涉及部门相关人员是否积极配合改进措施的实施;5 奖惩制度: 5.1 处罚制度:5.1.1 责任人必须在2个工作日内做出改进计划和明确完成时限,否则给以5元/次的处罚; 5.1.2 改进措施在限定时限内未能完成给以5元/次的处罚;5.1.3 责任部门未彻底执行改进措施导致改善无效给以责任人10元/次的处罚;5.1.4 同一个异常点在同一部门一个月内重复发生5次或以上给以20元/月的处罚。
iqc品质异常处理的流程下载温馨提示:该文档是我店铺精心编制而成,希望大家下载以后,能够帮助大家解决实际的问题。
文档下载后可定制随意修改,请根据实际需要进行相应的调整和使用,谢谢!并且,本店铺为大家提供各种各样类型的实用资料,如教育随笔、日记赏析、句子摘抄、古诗大全、经典美文、话题作文、工作总结、词语解析、文案摘录、其他资料等等,如想了解不同资料格式和写法,敬请关注!Download tips: This document is carefully compiled by theeditor. I hope that after you download them,they can help yousolve practical problems. The document can be customized andmodified after downloading,please adjust and use it according toactual needs, thank you!In addition, our shop provides you with various types ofpractical materials,such as educational essays, diaryappreciation,sentence excerpts,ancient poems,classic articles,topic composition,work summary,word parsing,copy excerpts,other materials and so on,want to know different data formats andwriting methods,please pay attention!IQC(Incoming Quality Control)即来料质量控制,是企业产品在生产前的第一个控制品质的关卡,如把不合格品放到制程中,则会导致制程或最终产品的不合格,造成巨大的损失。