新产品试制记录表格
- 格式:xls
- 大小:59.00 KB
- 文档页数:1
APQP表格填写要求:
1. APQP表格使用过程中,不允许私自修改表格格式,不允许自行增加或删减表格内容,严格按照表格要求进行编审批签字;
2. 表格中所有蓝色字为“提示”,不允许打印,表格使用时应删除;
3. 除“新产品立项评审”、“新设计零部件工艺路线评审”、“新设计零部件、材料供方评审”、“顾客工程规范及其更改评审”使用专属表格外,其它评审均使用《评审报告》。
其它评审包括:
设计输入
设计输出
阶段评审
设计方案评审
项目开发任务书评审
特殊特性评审
FMEA评审
试验项目评审
样件评审
设计验证评审
工艺验证评审
产品验证评审
产品包装规范
监视和测量装置开发计划评审
新产品设备设施需求计划评审
工装开发计划及评审
橙色图框:代表需要有评审过程;绿色图框:代表表格在企业标准化内管理;蓝色图框:代表表格在质量体系内管理。
一、项目计划和确认阶段
目小组艺中识别的特殊特性应一致。
五、反馈、评定和纠正措施阶段。
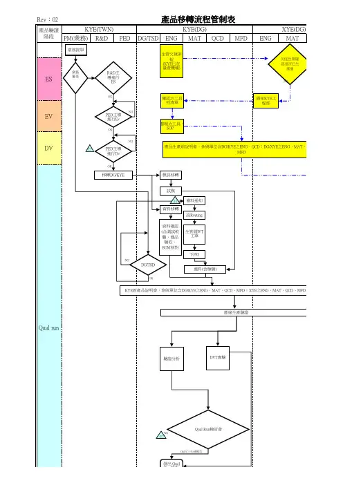
样品试制及⼩批量试产程序(含表格)
样品试制及⼩批量试产程序
(ISO9001-2015/IATF16949-2016)
1.0⽬的:
1.1、为了提⾼样件制造成功的机率,防⽌提交顾客的样品不符合顾客要求。
1.2、为了顺利的通过⼩批量⽣产,并在试产过程中暴露问题并得到及时的改善,为量产做好充分的准备,杜绝量产过程中发⽣质量事故。
2.0范围:
所有公司的新产品
3.0权责
4.0定义:
4.1样品:顾客需求或设计需求⽽提出试制确认的产品
4.2新产品:
4.2.1、新顾客或者顾客新开发的产品,且与公司之前⽣产的型号⽆100%重合
4.2.2、因顾客或者内部设计变更后的第⼀批产品
5.0作业内容:
6.0参考⽂件
6.1产品先期质量策划程序6.2产品检验试验控制程序6.3采购控制程序
6.4⼈⼒资源控制程序
7.0记录表格
7.1顾客要求清单
顾客要求识别清单.
xl s
7.2新产品开发⽬录
7.3设计评审表
新项⽬设计评审记
录表.xl s
7.4设计验证计划及确认报告
设计验证计划和报
告.d oc
7.5培训记录、内部联络单
7.6OTS样品检验报告、拉伸试验报告、⾦相报告、化学成份分析报告、疲劳测试报告7.7设计验证及设计确认记录表
设计验证报告
(2).d oc 设计和开发确认记
录.d oc
7.8产品⼯程偏差申请及整改记录表
偏差情况登记表.d
oc。
57 过程确认生产件批准(★)生产件批准--尺寸测量结果生产件批准--材料试验结果生产件准批--性能试验结果58 样品送样和确认(★)69 生产确认试验(★)试验报告记录表60 包装评价(★)产品包装评价表61 制定生产控制计划(★)(生产)控制计划62 控制计划检查表63 工厂设备设施策划评价工厂设备设施策划评价64 产品批量认可报告产品批量认可报告65 开发资金使用情况开发资金使用情况66 质量策划认定(★)产品质量策划总结和认定报告67 管理者支持管理者支持序号工作内容 / 项目负责部门负责人员开发时程需建立的资料1 2 3 4 5 6 7 8 9 10 11 1268第五阶段批量生产生产作业计划表69 减少变差X—R控制图70 顾客满意顾客满意度调查表71 交付和服务产品交付绩效统计表顾客服务反馈记录表备注1.“”表示预计完成日期,“”表示实际完成日期。
2.在该计划表的工作内容/项目栏中有“★”符号标识的项目,为新产品设计和开发过程中的关键路径。
新产品开发及设计进度一览表使用说明一、文件概述本《新产品开发及设计进度一览表》是一份详尽的项目管理工具,旨在全面跟踪和记录新产品从概念构思到批量生产的整个开发与设计流程。
该表格通过细致划分各个阶段的工作内容、负责部门、负责人员、预计及实际完成日期,并明确各步骤需建立的资料文件,为项目团队提供了一个清晰、透明的项目执行蓝图。
二、表格结构与内容表格采用多列布局,每行代表一个具体的工作任务或项目阶段,详细列明了以下几个关键要素:序号:唯一标识每个任务或项目阶段的编号,便于索引和引用。
工作内容/项目:具体描述当前行所涉及的工作任务或项目阶段,如“试生产作业”、“测量系统分析评价”等。
其中,带有“★”标记的项目表示其为新产品设计和开发过程中的关键路径,对项目的成功至关重要。
负责部门与人员:明确每项任务的执行主体,包括负责部门和具体负责人员,确保责任到人,促进跨部门协作与沟通。
、新产品开发计划表
表格一.产品开发计划表
表格二.新产品设计开发建议表
表格三.新产品设计开发会议记录表
五、新产品开发方案表
备注
编制人 审核人 批准人
新产品中试状况表
表格一.新产品中试状况表
'、、中试状况
部门
材料规范及质量 工作状况及质量 良好 其他情形 盖章及日期 良好 其他情形 日期 采取措施
研发部
生产部
产品名称 制造编号
中试开始日期 中试数量
表格二.新产品中试报告表
表格三.新产品中试总结报告表
七、新产品开发费用表。
新产品开发管理程序(IATF16949/ISO9001-2015)1、目的本办法规定了产品开发的流程及操作方式,达到符合客户之要求,旨在确保进行生产时有章可依可循。
2、适用范围适用于本公司所有的新产品开发及材料验证。
3、职责/权限3.1营销中心负责新品需求的提出,客户产品要求图纸等详细资料提供给工程部,与客户确认样品并留下记录。
3.2工程部负责新品开发、控制计划、作业指导书、材料的选择和验收;跟踪确认打样结果和打样进度,建立打样与量产资料整理与归档。
3.3生产计划负责试模和生产设备物资准备3.4生产部各车间负责执行试模过程和打样过程;品保负责检验和测量的活动以及过程接收准则的判定并保留记录。
4、工作程序4.1流程图见附件。
4.2实施步骤4.2报价4.2.1工程部根据营销中心提供的资料和客户样品进行相关技术评审确认设备、材料、加工工艺、外协加工、开发周期等方案进行评估输出《新品开发评审表》,客户标准及其他相关要求进行一并评审,营销人员必须全部提供齐全,工程才会主导评审会议,否则不可。
在能满足客户需求的情况下进行成本价、模具核价、开发费用等预估,预估完毕告知采购和营销中心核出最终报价.4.2.2当报价被客户接受后,营销中心提出《新品开发申请单》4.2.3新品开发申请单编号原则a.客户申请单编号为:年份+月份+客户的拼音首写字母+三位流水号+打样次数。
(例如:海信的新品为0809HX001-N,08代表2008年,09代表9月份,HX代表海信客户之拼音首写字母,001代表此月第1个打样之产品,N代表第几次打样。
)若为重复打样需注明重复打样的原因;b.公司内部打样申请编号同客户申请单编号,区别在于内部打样没有客户区分,即客户的拼音首写字母代码统一为NB,其它不变。
(例如:海信内部打样编号为0809NB001-N。
)4.3新品开发4.3.1工程部收到营销中心开发产品的相关需求及《新品开发申请单》后,工程部长同相关工程师进行产品开发方案设计,输出《新品追踪进度表》,并将输出结果告知营销中心和提报审批。
新产品试制记录表日期:______________
产品名称:______________
试制目的:
试制方法及流程:
试制步骤:
1. 确定产品设计和规格。
2. 准备所需材料和器具。
3. 按照设计图纸进行组装和制作。
4. 进行功能测试。
5. 检查产品外观和质量。
6. 记录测试结果和问题。
试制过程中的问题记录:
问题描述 | 解决方案
---------------------------------
|
|
|
试制结果及分析:
产品名称:______________
试制日期:______________
产品编号:______________
试制成功:[√] 试制失败:[ ]
试制产生的废品数量:______________
试制产品外观和质量评估:优秀(10分)____ 良好(8分)____ 一般(6分)____ 差(4分)____
问题及改进建议:
问题描述 | 改进方案
---------------------------------
|
|
|
试制人员签字:______________
产品经理签字:______________
审核人员签字:______________。
样品试制及小批量试产程序(ISO9001-2015/IATF16949-2016)1.0目的:1.1、为了提高样件制造成功的机率,防止提交顾客的样品不符合顾客要求。
1.2、为了顺利的通过小批量生产,并在试产过程中暴露问题并得到及时的改善,为量产做好充分的准备,杜绝量产过程中发生质量事故。
2.0范围:所有公司的新产品3.0权责序号责任部门权责技术部负责主导样品及小批量试产的设计、评审、确认工作,1归口管理本办法品质部负责样品试制及小批量试产过程、最终型式功能的检验2工作3 生产部负责样品及小批量试产的生产安排及生产执行工作4 销售部负责新产品的信息的传达与顾客沟通工作5 采购部负责新产品外购及与供应商沟通工作6 主管副总负责样品及试产最终的确认工作4.0定义:4.1样品:顾客需求或设计需求而提出试制确认的产品4.2新产品:4.2.1、新顾客或者顾客新开发的产品,且与公司之前生产的型号无100%重合4.2.2、因顾客或者内部设计变更后的第一批产品5.0作业内容:流程内容责任部门支持文件及记录1、销售部接到新顾客或者顾客新开发需要提交样品的需求时,遵守产品先期质量策划控制程序要求,填写顾客要求清单,并将所有与顾客沟通的信息,技术资料移转技术部销售部顾客要求清单2、技术部按产品先期质量策划控制程序要求,将新产品进行分类,依据新产品类型进行设计,组织多功能小组进行评审(I类产品会签评审。
Ⅱ、Ⅲ类产品会议评审),新产品设计信息记录于新产品开发目录3、设计评审结果为有修改要求的,技术部进行修改4、技术部提出设计验证计划及报告表,相关部门按验证计划在试制过程中进行验证。
技术部设计评审记录新产品开发目录设计验证计划及报告5、生产部负责安排样品试制及新产品试产的生产排期,确定好生产日期后提前三天以内部联络单通知相关部门做好相关试产,样品验证的准备6、样品及新产品试制时,必须由生产部现场负责人进行第一件的试制调试,并对员工进行培训教育,考核,技术部现场负责技术指导。
开发部所有输出文件6.1输出文件Q/YNS-JZ23-1 项目总体实施进度计划Q/YNS-JZ23-2 过程流程图Q/YNS-JZ23-3 场地平面布置图Q/YNS-JZ23-4 产品和过程特殊特性分级表Q/YNS-JZ23-5 制造过程FMEAQ/YNS-JZ23-6 样件制造/试生产控制计划Q/YNS-JZ23-7 产品工艺文件/作业指导书Q/YNS-JZ23-8 检验指导书/试验大纲Q/YNS-JZ23-9 产品包装规范Q/YNS-JZ23-10 小组可行性承诺Q/YNS-JZ23-11 产成品/在制品/材料包装设计指导书Q/YNS-JZ23-12 返工、返修作业指导书Q/YNS-JZ23-13 MSA计划Q/YNS-JZ23-14 过程批准接受准则、Ppk、Cpk计划Q/YNS-JZ23-15 《潜在失效模式及后果评价准则》Q/YNS-JZ23-16 《物料清单》Q/YNS-JZ23-17 《自制检具的使用说明》Q/YNS-JZ23-18 《自制检具的校准规定》Q/YNS-JZ23-19 《产品生产率目标和成本目标及分析》Q/YNS-JZ23-20 《产品特性矩阵图》ZLJH 2012—产品编号《质量计划》6.1输出文件《技术协议》(新设备、工装模具、检具、原材料/外协件)——设备科、采购部输出合格的试制样品5.1输出文件Q/YNS-JZ23-13 《测量系统评价》Q/YNS-JZ23-14 《初始过程能力研究及分析结果》Q/YNS-JZ25-1 《产品符合性策划总结和认定报告》/《项目后评价》Q/YNS-JZ25-2 《现有操作和过程有效性的评价准则》Q/YNS-JZ25-3 《对供方生产件批准(PPAP)要求细则》Q/YNS-JZ25-4 《**项目GP12作业指导书》Q/YNS-JZ25-5 《新产品交接规定》1.输入清单具体内容如下:1.1产品设计纲领、顾客要求(如特殊特性、标识、可追溯性和包装标准) 、产品设计输出数据(顾客样件、图纸、数模、产品标准、材料规范等)、顾客对以往产品的抱怨1.2试制协议1.3以往产品一次合格品率、含返修品合格率及产品主要缺陷模式1.4 车间产品解决的问题及措施、未解决的问题及原因1.5设备故障与产品缺陷模式有关的设备问题解决的清单1.6成本目标1.7生产率、过程能力1.8 以往的开发经验和类似设计提供的信息以及防错方法的使用1.9适用的法律法规要求;大众项目两日生产评价一汽大众需要的文件一汽大众需要的文件。