阀门型号说明1
- 格式:doc
- 大小:42.00 KB
- 文档页数:4
阀门型号通常表示阀门类型、驱动方式、连接形式、结构特点、密封面材料、公称压力、阀体材料等。
1、阀门类型代号
当阀门还具有其它功能作用或带有其他特异结构时,在阀门类型代号前加注一个汉语拼音字母,按下表的规定。
2、传动方式
安全阀、减压阀、疏水阀、手轮直接连接阀杆操作结构形式的阀门,本代号省略,不表示;对于气动或液动机构操作的阀门:常开式用6K、7K表示;常闭式用6B、7B表示;防爆电动装置的阀门用9B表示。
3、连接形式
4、结构形式
阀门的结构形式用阿拉伯数字表示,按下表规定。
闸阀结构形式代号:
截止阀、节流阀和柱塞阀结构形式代号
球阀结构形式代号
蝶阀结构形式代号
隔膜阀结构形式代号
旋塞阀结构形式代号
止回阀结构形式代号
安全阀结构形式代号
减压阀结构形式代号
蒸汽疏水阀结构形式代号
排污阀结构形式代号
五、密封副材料
六、公称压力数值用阿拉伯数字直接表示,它是MPa的10倍。
七、阀体材料
PL50-1.6RF (其中PL是指板式平焊钢制管法兰50是指公称通径DN50 1.6是指公称压力PN1.6 RF是指法兰密封面型式是突面)。
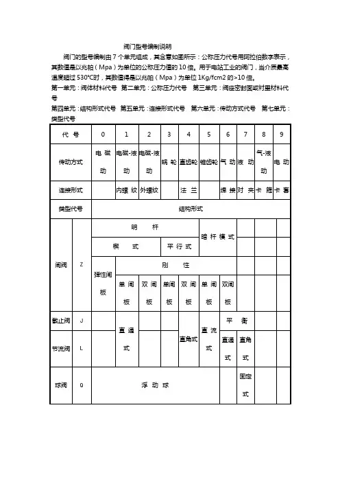
阀门型号编制说明
阀门的型号编制由7个单元组成,其含意如图所示:公称压力代号用阿拉伯数字表示,其数值是以兆帕(Mpa)为单位的公称压力值的10倍。
用于电站工业的阀门,当介质最高温度超过530℃时,其数值得是以兆帕(Mpa)为单位1Kg/fcm2的>10倍。
第一单元:阀体材料代号第二单元:公称压力代号第三单元:阀座密封面或衬里材料代号
第四单元:结构形式代号第五单元:连接形式代号第六单元:传动方式代号第七单元:
对于手轮、手柄和扳手驱动的阀门,弹簧安全阀、则省去第二单元。
蝶阀软密封材料选用及适用温度说明:(温度℃)
联络方式:
辽宁省铁岭高压阀门厂
厂址:辽宁省铁岭市工人街邮编:112000
电话:0410 - 4845162 4603601 4836791传真: 0410 - 4845168 4845169 E-mail:valve@
开户行:辽宁省铁岭市工商银行银州支行帐号: 0712002009245075389
阀门参考价格:
闸阀1
止回阀1仪表阀1煤气阀1
蝶阀2
给排水阀门群:浮球阀减压阀水泵控制阀防污隔断阀比例式减压阀静音式止回。
阀门型号表示方法阀门型号表示方法阀门作为工程中常用的控制设备,其型号表示方法对于工程师和用户来说十分重要。
正确的阀门型号表示方法可以确保选用到合适的阀门,满足工艺要求,提高工程的安全性和效率。
本文将介绍阀门型号的表示方法,帮助读者更好地理解和使用阀门。
一、阀门名称表示方法1. 阀门名称的结构阀门名称一般由多个关键词组成,关键词之间用“-”分隔。
例如,一个阀门的名称可能是“截止阀-气动执行机构-铸铁材质”,每个关键词代表着阀门的一个要素。
2. 阀门类型的表示阀门的类型通常以其功能和结构特点来表示。
例如,“截止阀”表示一种能够切断和调节介质流动的阀门,而“安全阀”表示一种能够在压力超过设定值时自动释放介质的阀门。
3. 阀门所属行业的表示为了便于区分不同领域中的阀门,阀门的名称中通常会包含其所属行业的信息。
例如,“船用阀”表示一种专门应用于船舶行业的阀门,而“石化阀”表示一种专门应用于石化行业的阀门。
二、阀门型号的表示方法1. 整体型号表示一种常见的表示方法是使用整体的编号来表示阀门型号。
这种方法通常将阀门的各个要素以一定的顺序组合起来,形成一个唯一的编号。
例如,一个阀门的型号可能是“Z45Y-16C”,其中“Z45Y”表示阀门的类型和结构特点,“16”表示阀门的压力等级,“C”表示阀门的材质。
2. 分级型号表示为了更加清晰地表示阀门的各个要素,有些型号表示方法会采用分级的方式。
例如,“Z45Y-16C”可以拆分为“Z型截止阀-Y型”、“16级”和“C材质”,分别表示阀门的类型和结构特点、压力等级和材质。
3. 编码型号表示为了方便记录和查询,有些阀门厂家会采用编码的方式来表示阀门型号。
编码型号通常由一串字符组成,每个字符代表着阀门的一个要素,如阀门类型、结构特点、压力等级、材质等。
阀门型号的编码要素通常在阀门的技术手册中有详细说明。
三、阀门型号表示的注意事项1. 确保准确性在表示阀门型号时,需要确保每个要素的准确性。
阀代号编制说明:
结构形式分类表示如下:
弹性闸板0
楔式
1. 闸阀:明杆单闸板1 单闸板5
钢性闸板暗杆楔式
双闸板2 双闸板6
单闸板3 单闸板7 平行式、钢性暗杆平行式
双闸板4 双闸板8
截止阀:直通式-1,Z形直通-2,三通式-3,角式-4,直流式-5,平衡直通式-6,平衡角式-7。
直通式 1 单瓣式 4
止回阀:升降式立式 2 旋启式多瓣式 5
角式 3 双瓣式 6
回转碟形止回阀-7,截止式止回式-8。
直通式7
直通式 1 四通式8
球阀:浮动球Y形三通式 2 固定球T形三通式9
L形三通式 4 L形三通式10
T形三通式 5 半球直通0
蝶阀:杠杆式-0,垂直板式-1,斜板式-3。
隔膜阀:屋脊式(堰式)-1,截止式-3,直流板式-5,直流式-6,闸板式-7,角式Y形-8,角式T形-9。
L形 1
直通 2 L形 6
旋塞阀:填料式T形三通 3 油封式直通7
四通 4 T形三通8
直通9
静配
T形三通0
说明:
阀门结构形式编号时,如果选用异于上述结构的阀门或特殊要求结构的阀门如夹套、带波纹管密封等,此序号可顺延,当编号超过10时,可用大写的英文之母A、B、C…依此类推进行编号。
阀门型号大全阀门型号大全SO、WN、PL——管法兰类型代号SO——带颈平焊法兰WN——带颈对焊法兰PL——板式平焊法兰RF——密封面形式代号,密封面形式为“突面”。
全平面是:FF凹凸面:MFM榫槽面;TG环连接面:RJ阀门型号编制方法、阀门编号说明阀门型号通常应表示阀门类型、驱动方式、连接形式、结构特点、公称压力、密封面材料、阀体材料等要素。
阀门型号的标准化对阀门的设计、选用、经销,提供了方便。
当今阀门的类型和材料种类越来越多,阀门型号的编制也愈来愈复杂。
我国虽然有阀门型号编制的统一标准,但逐渐不能适应阀门工业发展的需要。
目前,阀门制造厂一般采用统一的编号方法;不能采用统一编号方法的,各生产厂可按自己的情况制订出编号方法。
一单元二单元三单元四单元五单元-六单元七单元阀门类型传动方式连接型式结构形式密封副材料-公称压力阀体材料。
一单元:阀门类型代号类型代号:安全阀A,蝶阀D ,隔膜阀G ,止回阀H,截止阀J,节流阀L ,排污阀P ,球阀Q ,疏水阀S,柱塞阀U ,旋塞阀X,减压阀Y,闸阀Z。
二单元:传动方式传动方式代号:电磁动0,电磁-液动1 ,电-液动2 ,蜗轮3 ,正齿轮4 ,伞齿轮5,气动6 ,液动7 ,气-液动8,电动9,手柄手轮无代号三单元:连接型式连接方式代号:内螺纹1,外螺纹2,两不同连接3,法兰4焊接6 对夹7 卡箍8 卡套9,四单元:结构型式每种阀门的结构型式都不同,请点击下面相应的阀门结构型式编制方法闸阀结构形式代号明杆楔式弹性闸板0刚性单闸板1,双闸板2,平行式单闸板3,双闸板4,暗杆楔式单闸板5,双闸板6,平行式单闸板7,双闸板8安全阀结构形式代号弹簧封闭带散热片全启式0,微启式1,全启式2,不封闭双弹簧微启式3,带扳手全启式4,杠杆式5 ,带控制机构全启式6,微启式7,全启式8,脉冲式9减压阀结构形式代号直接作用波纹管式1直接作用薄膜式2先导活塞式3先导波纹管式4先导薄膜式5五单元:密封副材料材料锡基轴承合金(巴氏合金) 搪渗氮钢18-8系不锈钢氟塑料玻璃Cr13不锈钢B 衬胶C 蒙乃尔合金D尼龙塑料E 渗硼钢F衬铅G Mo2Ti H不锈钢塑料铜合金橡胶硬质合金阀体直接加工代号J M N P Q R S T X Y W当密封副的密封面材料不同时,以硬度低的材料代号表示。
一、如对夹式蝶阀型号D373H-25C-100,以此为例:1、D表示蝶阀。
2、3表示蜗轮操作,手柄操作默认不写,光杆即无执行器操作为0,气动为6,电动为9。
3、7表示对夹式连接,法兰连接的为4,对焊连接为6。
4、3表示三偏心结构,双偏心为2。
5、H表示密封面材质,PTFE为F,EPMD(三元乙丙橡胶)为X,合金钢为H,司太力为Y。
6、25表示阀门压力,单位25公斤压力,若是美标,直接写150LB,或者300LB,日标直接写成10K,16K。
7、C表示阀体材质为铸钢即WCB,304为P,316为R,若是美标,或者日标,通常忽略不写。
二、气动球阀型号表示方法:1、球阀附加代号:V表示阀芯带有V型结构、D表示低温、B表示保温、P表示偏心结构、U和S及DY多表示上装式;2、阀门代号:Q表示球阀;3、驱动代号:2表示电液动、3表示涡轮、6表示气动、7表示液动、9表示电动、手动无代号;4、连接方式代号:1表示内螺纹、4表示法兰式、6表示焊接、7表示对夹式;5、结构型式代号:浮动式:1表示直通流到、2表示Y型三通、4表示L型三通、5表示T型三通;固定式:0表示半球直通、6表示四通流道、7表示直通流到、8表示L型三通、9表示Y型三通;6、密封材质代号:B巴氏合金、F氟橡胶、F46衬氟、H锈钢、J衬胶、M蒙乃尔合金、N尼龙塑料、蒙乃尔P、Y 硬质合金、W阀体直接加工;7、压力等级代号:16表示压力为16公斤(1.6Mpa)最大可到64Mpa;150LB表示美标磅级压力,最大耐压等级可达2500LB;5K表示日级压力,最大压力63K;8、阀体材质代号:A钛及钛合金、C碳钢、I铬钼钢、P18-8系不锈钢、RMo2Ti系不锈钢、S塑料。
9、气动球阀型号编辑举例:VQ647F-16P气动V型球阀V:阀芯为V型结构Q:阀门代号为球阀6:驱动形式为气动控制4:连接方式为法兰式7:结构形式为固定直通式F:密封材料为氟塑料、16:公称压力十六公斤 1.6mpaP:阀体材质为不锈钢三、截止阀型号代表:截止阀附加代号:W波纹管、D低温、B保温;1)截止阀类别代号:J表示截止阀;2)截止阀传动方式:手动无代号、5伞齿轮、6气动、9电动;3)截止阀连接方式:4法兰连接、6焊接;4)截止阀结构形式:1直通式、2 Z型直通、3三通、4角式、5 Y型直流式、6平衡直通式、7平衡角式、8针型;5)截止阀密封材质:F氟橡胶、H不锈钢、N尼龙塑料、Y 硬质合金、M蒙乃尔合金、W阀体直接加工;6)截止阀公称压力:16表示压力1.6mpa十六公斤的意思,PN1.6-32mpa、IN150LB-1500LB、5-63K;7)截止阀阀体材料:A钛合金、C碳钢、I铬钼钢、P不锈钢304、R不锈钢316;如:WJ41H-16C波纹管截止阀,W波纹管、J截止阀、4法兰、1直通式、H不锈钢、16压力十六公斤、C碳钢。
各种阀门型号大全————————————————————————————————作者: ————————————————————————————————日期:1. 闸阀ﻫ闸阀也叫闸板阀,是一种广泛使用的阀门。
它的闭合原理是闸板密封面与阀座密封面高度光洁、平整一致, 相互贴合, 可阻止介质流过, 并依靠顶模、弹簧或闸板的模形,来增强密封效果。
它在管路中主要起切断作用。
ﻫ它的优点是: 流体阻力小, 启闭省劲, 可以在介质双向流动的情况下使用, 没有方向性, 全开时密封面不易冲蚀, 结构长度短, 不仅适合做小阀门, 而且适合做大阀门。
ﻫﻫ闸阀按阀杆螺纹分两类 , 一是明杆式 , 二是暗杆式。
按闸板构造分, 也分两类, 一是平行 , 二是模式。
ﻫﻫ2.截止阀ﻫﻫ截止阀, 也叫截门, 是使用最广泛的一种阀门,它之所以广受欢迎, 是由于开闭过程中密封面之间摩擦力小, 比较耐用, 开启高度不大, 制造容易,维修方便, 不仅适用于中低压,而且适用于高压。
ﻫ它的闭合原理是,依靠阀杠压力,使阀瓣密封面与阀座密封面紧密贴合,阻止介质流通。
ﻫ截止阀只许介质单向流动,安装时有方向性。
它的结构长度大于闸阀,同时流体阻力大,长期运行时, 密封可靠性不强。
ﻫﻫ截止阀分为三类: 直通式、直角式及直流式斜截止阀。
ﻫﻫ 3. 蝶阀ﻫ蝶阀也叫蝴蝶阀,顾名思义, 它的关键性部件好似蝴蝶迎风, 自由回旋。
ﻫ蝶阀的阀瓣是圆盘, 围绕阀座内的一个轴旋转,旋角的大小, 便是阀门的开闭度。
ﻫﻫ蝶阀具有轻巧的特点,比其他阀门要节省材料, 结构简单, 开闭迅速, 切断和节流都能用, 流体阻力小, 操作省力。
蝶阀, 可以做成很大口径。
能够使用蝶阀的地方,最好不要使闸阀,因为蝶阀比闸阀经济, 而且调节性好。
目前, 蝶阀在热水管路得到广泛的使用。
ﻫ 4.球阀ﻫ球阀的工作原理是靠旋转阀恋来使阀门畅通或闭塞。
球阀开关轻便, 体积小, 可以做成很大口径, 密封可靠, 结构简单, 维修方便,密封面与球面常在闭合状态, 不易被介质冲蚀,在各行业得到广泛的应用。
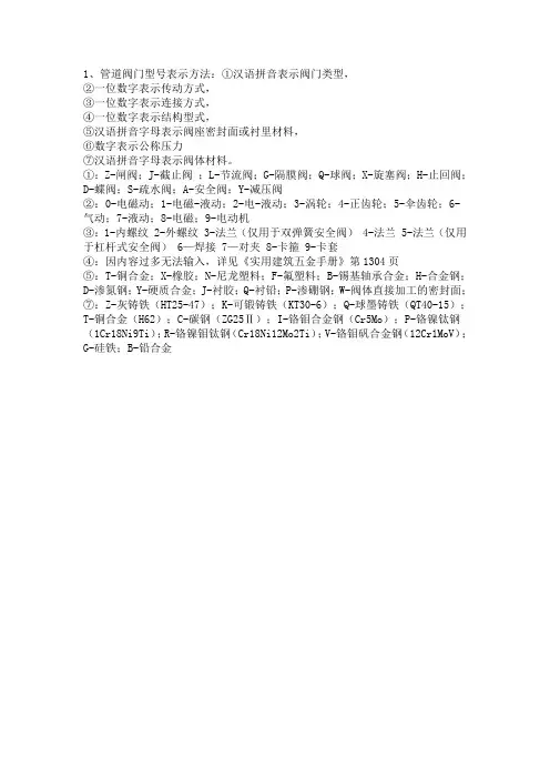
1、管道阀门型号表示方法:①汉语拼音表示阀门类型,
②一位数字表示传动方式,
③一位数字表示连接方式,
④一位数字表示结构型式,
⑤汉语拼音字母表示阀座密封面或衬里材料,
⑥数字表示公称压力
⑦汉语拼音字母表示阀体材料。
①:Z-闸阀;J-截止阀;L-节流阀;G-隔膜阀;Q-球阀;X-旋塞阀;H-止回阀;D-蝶阀;S-疏水阀;A-安全阀;Y-减压阀
②:0-电磁动;1-电磁-液动;2-电-液动;3-涡轮;4-正齿轮;5-伞齿轮;6-气动;7-液动;8-电磁;9-电动机
③:1-内螺纹 2-外螺纹 3-法兰(仅用于双弹簧安全阀) 4-法兰 5-法兰(仅用于杠杆式安全阀) 6—焊接 7—对夹 8-卡箍 9-卡套
④:因内容过多无法输入,详见《实用建筑五金手册》第1304页
⑤:T-铜合金;X-橡胶;N-尼龙塑料;F-氟塑料;B-锡基轴承合金;H-合金钢;D-渗氮钢;Y-硬质合金;J-衬胶;Q-衬铅;P-渗硼钢;W-阀体直接加工的密封面;
⑦:Z-灰铸铁(HT25-47);K-可锻铸铁(KT30-6);Q-球墨铸铁(QT40-15);T-铜合金(H62);C-碳钢(ZG25Ⅱ);I-铬钼合金钢(Cr5Mo);P-铬镍钛钢(1Cr18Ni9Ti);R-铬镍钼钛钢(Cr18Ni12Mo2Ti);V-铬钼矾合金钢(12Cr1MoV);G-硅铁;B-铅合金。
J代表截止阀,2代表外螺纹,1代表直通式,W表示阀体直接加工的阀座密封面-160代表工程压力是16Mpa,P代表阀门材阀门型号编制方法:JB308-75 《阀门型号编制方法》适用于工业管道用闸阀、截止阀、节流阀、球阀、蝶阀、隔膜阀、旋塞阀、止回阀、安全阀、减压阀、蒸汽疏水阀。
它包括阀门的型号编制和阀门的命名。
1、阀门的型号编制阀门的型号由7 各单元组成,其含义如下所示。
1)1)类型代号:类型代号用汉语拼音字母表示,如表1-39 所示。
2)传动方式代号:按表1-40 的规定,用阿拉伯数字表示。
3)连接形式代号:按表1-41 的规定,用阿拉伯数字表示。
4)结构形式代号:阀门的结构形式代号用阿拉伯数字表示。
闸阀按表1-42 的规定;截止阀、柱塞阀和节流阀按表1-43 的规定;球阀按表1-44 的规定;蝶阀按表1-45 的规定;隔膜阀按表1-46 的规定;旋塞阀按表1-47 的规定;止回阀按表1-48 的规定;安全阀按表1-49 的规定;减压阀按表1-50 的规定;蒸汽疏水阀按表1-51 的规定;排污阀按表1-52 的规定。
5)阀座密封面或衬里材料代号:阀座密封面或衬里材料代号用汉语拼音字母表示,按表1-53 的规定。
6)公称压力代号:用阿拉伯数字表示,其数值是以兆帕(MPa)为单位的公称压力值的10 倍。
用于电站工业的阀门,当介质最高温度超过530℃时,其数值是以兆帕(MPa)为单位的工作压力值的10 倍。
7)阀体材料代号:用汉语拼音字母表示,按表1-54 的规定,PN≤1.6MPa 的铸铁阀体和PN≥2.5MPa的碳素钢阀体省略本代号。
表1-39 阀门的类型代号表1-40 阀门的传动方式代号阀门类型代号阀门类型代号安全阀A 球阀Q料是不锈钢材质。
蝶阀D 疏水阀S隔膜阀G 柱塞阀R上回阀和底阀 H 旋塞阀X截止阀J 减压阀Y节流阀L 闸阀Z排污阀P注:低温(低于-40℃)、保温(带加热套)和带波纹管的阀门、抗硫的阀门,在类型代号前面分别加汉语拼音字母D、B、W和K。
阀门型号的表示方法阀门产品型号表示方法由七个单元组成,用来表示阀门类别、传动方式、连接形式、结构形式、密封面或衬里村料、公称压力及阀体材料。
1.阀门型号各单元表示意义第七单元表示材料 第五单元表示阀座密封或衬里材料(1)第一单元——阀门类型表示法(见表8—1) 表8—1 阀门类型表示法分别加注代号“D ”、“B ”和“W ”。
(2)第二单元——传动方式表示法(见表8-2)表8-2 传动方式表示法注1.用手轮、手柄或扳手传动的阀门以及安全阀、减压阀、疏水阀,省略本代号。
注2.对于气动或液动:常开式用6K 、7K 表示;常闭式用6B 、7B 表示;气动带手动用6s 表示;防爆电动用9B 表示。
(3)第三单元——连接形式表示方法表8-3 连接形式表示法 表8-4 闸阀结构形式表示方法表8-5 截止阀和节流阀结构形式表示法表8-7 蝶阀结构形式表示法表8-10 止回阀和底阀结构形式表示法(5)第五单元——阀座密封面或衬里材料表示法(见表8-14)表8-14 阀座密封面或衬里材料表示法注1.有*记号的材料代号是过去曾用过的代号注2.由阀体直接加工的阀座密封面材料代号用“W”表示。
注 3.当阀座和阀瓣(闸板)密封面材料不同时,用低硬密度材料代号表示(隔膜阀除外)。
(6)第六单元——公称压力表示法公称压力直接用压力数值表示,并用短横线与前五个单元分开。
(7)第七单元——阀体材料表示法(见表8-15)表8-15 阀体材料表示法阀体材料代号阀体材料代号阀体材料代号注1.有*记号的材料代号是过去曾用过的材料代号。
注2.对于PN≦1.6MPa的灰铸铁阀体和PN≧2.5MPa的碳素钢阀体,则省略本单元。
2.阀门型号的举例阀门产品的名称统一按传动方式、连接形式和结构形式三项确定,现举例如下:(1)Z944W——1.0型,表明电动机驱动,法兰连接,明杆平行式双闸板,密封面由阀体直接加工,公称压力为1.0MPa,阀体为灰铸铁的闸阀。
截止阀的代号是什么意思?问的有点奇怪!不好回答。
J41T-16 25应该是:J截止阀4法兰连接1直通式T铜合金密封面-(连接前后没有实质意义)16公称压力1.6Mpa25公称直径DN25型号里省略了阀体材料灰铸铁J41W-16P 40应该是:J截止阀4法兰连接1直通式W18-8系不锈钢密封面(W表示由阀体直接加工的密封面)-(连接前后没有实质意义)16公称压力1.6MpaP阀体材料18-8系不锈钢40公称直径DN40回答者:huaxindutu -江湖新秀五级11-1 17:27我来评论>>其他回答共 3 条J41T-16 25J截止阀4法兰连接1直通式T铜合金密封-无意义16公称压力PN16,也就是1.6Mpa16后无字母为灰铸铁C表示为WCB 碳钢\铸钢Q表示为球铁P和R 都是不锈钢25公称直径DN25J41W-16P 40J截止阀4法兰连接1直通式W表示由阀体直接加工的密封面-无意义)16公称压力PN16,也就是1.6Mpa40公称直径DN40P表示为不锈钢40公称直径DN40回答者:国产阀门- 千总四级11-5 13:39 前者是铸铁,后者是不锈钢J--截止阀4--法兰连接1--直通式H--合金钢密封面16--公称压力为16KgC--阀体材质为碳钢(阀体标WCB)P--阀体材质为不锈钢304(阀体标CF8)(另:不锈钢316标CF8M,不锈钢304L标CF3,不锈钢316L标CF3M)不锈钢阀体的阀芯密封面一般为阀体直接加工,型号中用W表示.Q41F-16P为不锈钢304法兰球阀,Q41F46-10则是衬氟法兰球阀.D343F-10C为碳钢(C)蜗轮(第一个3)法兰(4)偏心(3)四氟密封(F)蝶阀(D)压力10Kg太多说不完,看这个参考吧:/xwzx_cont.asp?id=2回答者:亨泉阀门- 经理四级12-29 11:07 JB2765 阀门名词术语2007-5-14 08:26JB/T 2765-1981 阀门名词术语本标准适用于工业管道(或机器、设备)的通用阀门.阀门famen 用来控制管道内介质流动的,具有可动机构的机械产品的总称通用阀门tongyong 各工业企业中管道上普遍采用的阀门编号名词术语相当的英语说明1-01 阀门Valve 用来控制管道内介质流动的具有可动机构的机械产品的总称。
阀门型号大全
阀门是一种用来控制流体通道的装置,其种类繁多,不同的场合需要选择不同
型号的阀门。
本文将对几种常见的阀门型号进行分类和介绍。
闸阀
闸阀是一种起关断作用的阀门,适用于需要完全关闭或完全打开流体通道的场合,如常见的自来水管道。
根据结构形式可分为平板闸阀、斜板闸阀、引导式闸阀等不同型号。
球阀
球阀是一种旋转开关的阀门,通过旋转球体实现通道的开关。
球阀结构简单、
密封性好,广泛用于管道系统的控制。
蝶阀
蝶阀是一种以阀芯为圆盘形状的阀门,适用于大口径管道系统,具有结构简单、开闭迅速等特点。
压力阀
压力阀是一种用来调节系统压力的阀门,根据不同的使用场合可分为减压阀、
增压阀、安全阀等不同型号。
止回阀
止回阀是一种用来防止流体倒流的阀门,常常安装在管道的出口处,有效防止
系统遭受逆流的影响。
蒸汽阀
蒸汽阀是一种用来控制蒸汽流量的阀门,主要应用于蒸汽系统中,确保系统正
常运行及安全性。
不同型号的阀门在工业及民用领域都有着重要的作用,正确选择适合的阀门型
号对系统的运行效率和安全性至关重要。
希望本文对阀门型号有一定的了解和认识,有助于读者在实际应用中做出正确选择。
各类阀门型号含义[1]各类阀门型号含义各类阀门结构形式阀门的其它参数电动阀: “B”为防爆电动装置。
“Y”“S”为未注代号的均为普通型电动装置。
首位前加“K”表示抗硫阀;“G”表示配金属棱型垫片及加接法兰,螺栓、螺母。
“G”表示联合设计的截止、节流阀门型号:阀。
“C”表示CVA标准。
“S”表示地下水门。
“W”高中压表示波纹管阀;“W”低压表示卧式安装。
“HD”表示止回蝶阀;“GD”表示高真空截止阀。
“D”表示低温阀。
材质:1)C4 C6表示耐浓硝酸的新钢种。
2)TI表示耐剧腐蚀的工业钝钛。
3)N表示铝铌铜氮钢。
4)RL表示超低碳的不锈钢。
阀门型号编制组合排列形式类型代号用汉语拼音字母表示如下表各类阀门型号含义各类阀门结构形式电动阀: 阀门型号:其它“B”为防爆电动装置。
“Y”“S”为未注代号的均为普通型电动装置。
首位前加“K”表示抗硫阀;“G”表示配金属棱型垫片及加接法兰,螺栓、螺母。
“G”表示联合设计的截止、节流阀。
“C”表示CVA标准。
“S”表示地下水门。
“W”高中压表示波纹管阀;“W”低压表示卧式安装。
“HD”表示止回蝶阀;“GD”表示高真空截止阀。
“D”表示低温阀。
材质:1 )C4 C6表示耐浓硝酸的新钢种。
2)TI表示耐剧腐蚀的工业钝钛。
3)N表示铝铌铜氮钢。
4)RL表示超低碳的不锈钢。
水力控制阀二、电缆型号编制方法电力电缆型号含义线芯数×线芯截面(毫米2)+中性线芯(用“1”表示)×中性线芯截面(毫米2)油浸纸绝缘电力电缆油浸纸绝缘电力电缆类产品,以绝缘纸的字母“Z”代号列为首位,其余各项型号编制及字母含义如下:注:a.数字涵义详见以下附表。
b.铜芯代表字母T一般省略不写。
例如: 铜芯不滴流油浸纸绝缘铅套聚氯乙烯套电力电缆铝芯粘性油浸纸绝缘铝套裸细钢铠装电力电缆电缆外护层的型号按铠装层和外被层的结构顺序用阿拉伯数字表示。
每一数字表示所采用的主要材料和意义见下表。
阀门型号说明书一、产品概述阀门作为流体控制设备,被广泛应用于工业、建筑和农业等领域。
阀门的型号不仅代表了其规格和性能特点,也是用户选择适合自身需求的阀门的重要参考指标。
本文档将详细介绍阀门型号的含义及其相关技术要素,以帮助用户更好地理解和正确选择阀门产品。
二、阀门型号的组成阀门的型号通常由一系列字符和数字组成,每个字符和数字都代表了不同的含义。
一般而言,阀门的型号可以分为以下几个部分:1.1 压力级别阀门的型号中通常会包含一个代表压力级别的字符或数字。
这一部分的含义是指阀门能够承受的最大工作压力,通常以单位MPa、Psi或Bar来表示。
不同压力级别的阀门适用于不同的工作环境和工作压力要求。
1.2 阀门类型阀门的型号中还会包含一个字符或数字,代表阀门的类型。
常见的阀门类型有闸阀、截止阀、球阀、蝶阀等。
不同类型的阀门具有不同的结构和工作原理,适用于不同的流体介质和流量要求。
1.3 连接方式阀门的型号中可能还会包含一个字符或数字,表示阀门的连接方式。
常见的连接方式有法兰连接、螺纹连接、焊接连接等。
不同的连接方式适用于不同的管道布局和安装需求。
1.4 阀门尺寸阀门的型号中一般会包含一个数字,表示阀门的尺寸。
阀门尺寸通常包括阀门的口径大小和长度等参数。
正确选择合适的阀门尺寸是确保阀门正常工作的关键。
1.5 阀门材质阀门的型号中可能还会包含一个字符或数字,代表阀门的材质。
阀门材质通常根据工作环境和介质的特性选择,常见的材质有铸铁、不锈钢、铜、塑料等。
三、如何选择合适的阀门型号选择合适的阀门型号是确保阀门在工作过程中能够正常运行的关键。
以下是一些选择阀门型号的重要因素:3.1 工作压力要求根据工作环境和工艺要求确定所需的阀门工作压力范围,选择合适的压力级别。
3.2 流体介质根据流体介质的特性选择适合的阀门类型和材质,确保阀门能够耐受介质的温度、压力和化学性质。
3.3 流量要求根据流量要求选择合适的阀门口径和流量特性,确保阀门能够满足所需的流量调节和控制要求。
阀门型号及含义说明一、通用阀门:所有阀门型号都有下面七个单元组成:1 2 3 4 5 ——6 7通常应表示阀门类型、驱动方式、连接形式、结构特点、密封面材料、公称压力、阀体材料等。
以以下图为例:1、阀门类型代号:即:Z 闸阀J截止阀L节流阀H止回阀和底阀Q球阀X旋塞阀D蝶阀A安全阀S蒸汽疏水阀Y减压阀G隔膜阀注明:当阀门还具有其它功能作用或带有其它特异结构时,在阀门类型代号前再加注一个汉语拼音字母(1)阀门类型代号前加“D”为低温阀门〔低于-40℃〕;代号前加“B”为保温的阀门〔带加热套〕;防火型F;缓闭型H。
〔2〕截止阀类型代号前加“W”,表示波纹管密封阀门。
〔3〕闸阀类型代号前加“P”表示用于排渣系统阀门,加“X”或“K”为排渣用泥浆阀。
〔4〕在地下水用闸阀类型代号前加“S”表示竖式安装,加“W”表示卧式安装。
〔5〕在地下水用闸阀类型代号前加“D1”、“D2”表示短系列,加“Q”表示球蝶阀,加“S”表示用于地下管网蝶阀。
2、传动方式代号:即:0电磁动1电磁-液动2电-液动3蜗轮〔蜗杆〕4正齿轮5锥齿轮6气动7液动8气-液动9电动假设为手动则省略注明:对于齿轮、手柄、扳手等直接传动或自动阀门〔安全阀、减压阀、疏水阀、手轮直接连接阀杆操作结构形式的阀门〕本代号省略,不表示;对于气动或液动机构操作的阀门,常开式用6K、7K表示,常闭式用6B、7B表示,气动带手动用6S表示。
防爆电动装置的阀门用9B表示,户外耐热式用9R表示。
3、连接方式代号:即:1内螺纹2外螺纹4法兰式6焊接式7对夹式8卡箍9卡套4、结构形式代号阀门结构形式用1位阿拉伯数字表示,如下:〔一〕闸阀结构形式代号:即:0楔式弹性闸板1楔式单闸板2楔式双闸板3平行式单闸板4平行式双闸板(二)截止阀、截流阀结构形式代号:即:1直通式4角式5直流式〔三〕止回阀结构形式代号:代号 1 2 3 4 5 6 7 8 9结构型式升降式阀瓣旋启式阀瓣升降式阀瓣蝶式直通流道立式结构角式结构单瓣结构多瓣结构双瓣结构直流式节流再循环式即:1直通式2升降立式3升降角式6旋启单瓣式〔四〕安全阀结构形式代号:〔五〕调节阀结构形式代号:〔六〕球阀结构形式代号:即:1浮球直通式7固定直通式〔七〕给水分配阀、减压阀、旋塞阀、蝶阀、输水阀、隔膜阀结构形式代号:注明:结构形式如为杠杆式安全阀,在结构形式代号前加“G”,1代表单杆微启,2代表单杆全启,3代表双杆微启,4代表双杆全启.5、密封面材质代号:〔用汉语拼音字母表示〕注:当阀座与阀瓣材质不同时,用底硬度材料代号表示〔隔膜阀除外〕即:H合金钢Y硬质合金F氟塑料T铜合金P渗硼钢X橡胶N尼龙塑料B锡基轴承合金〔巴氏合金〕Q衬铅J衬胶C、P 陶瓷、渗硼钢W本体材质( 碳化钨硬质合金)6、公称压力代号:公称压力数值用阿拉伯数字直接表示,并用短线与前五个单元分开。
1.4阀门及小型设备代号解释1.4.1闸阀(GATE VALVE)、截止阀(GLOBE VALVE)止回阀(CHECK VALVE)、针型阀(NEEDLE GLOBE VALVE)-/特殊代码(3位)见表1.4.1-8阀芯材质,见表1.4.1-7阀体材质,见表1.4.1-6连接型式,见表1.4.1-5接管壁厚,见表1.2.1-2*传动机构,见表1.4.1-4结构型式,见表1.4.1-3压力等级,见表1.4.1-2阀门类别,见表1.4.1-1注*:只有“连接型式”中为BW时才有此项表1.4.1-1,阀门类别代号类别及应用标准代号类别Z闸阀/GATE VALVE(API600/API602/API603)H止回阀/CHECK VALVE(API600M/API602M./API603M/API594)N针型阀/NEEDLE GLOBE VALVE(API602M)J截止阀/GLOBE VALVE(API600M/API602M/API603M)Y仪表测压阀(API602M)注:每个阀门采用什么标准由“结构型式”确定。
表1.4.1-2,压力等级代号压力等级应用垫片应用螺栓/螺母PN(公制)CL(磅制)(最低要求)(最低要求)1 1.0石棉垫片35#/25#;35CrMoA/35#1a 1.0石棉垫片35#/25#;35CrMoA/35#2 2.0150石棉垫片,缠绕垫片35#/25#;35CrMoA/35#2a 1.6石棉垫片,缠绕垫片35#/25#;35CrMoA/35#3 5.0300缠绕垫片35CrMoA/35#;25Cr2MoVA/35CrMo;0Cr18Ni9/0Cr18Ni93a 2.5缠绕垫片35CrMoA/35#;25Cr2MoVA/35CrMo;0Cr18Ni9/0Cr18Ni94 6.8400缠绕垫片35CrMoA/35#;25Cr2MoVA/35CrMo;0Cr18Ni9/0Cr18Ni94a 4.0缠绕垫片35CrMoA/35#;25Cr2MoVA/35CrMo;(MF)0Cr18Ni9/0Cr18Ni9 510.0600缠绕垫片,八角形金属垫片35CrMoA/35#;25Cr2MoVA/35CrMo;/OCTAGON TYPE RING0Cr18Ni9/0Cr18Ni95a 6.3600缠绕垫片,35CrMoA/35#;25Cr2MoVA/35CrMo;(MF)0Cr18Ni9/0Cr18Ni9 6800缠绕垫片35CrMoA/35#;25Cr2MoVA/35CrMo;0Cr18Ni9/0Cr18Ni9 715.0900八角形金属垫片/OCTAGON TYPE ASTM A194B7/A1942H;ASTM A194RING(或缺省)B16/A1944;ASTM A453660A/A1948C 825.01500八角形金属垫片/OCTAGON TYPE ASTM A194B7/A1942H;ASTM A194RING(或缺省)B16/A1944;ASTM A453660A/A1948C 942.02500八角形金属垫片/OCTAGON TYPE ASTM A194B7/A1942H;ASTM A194RING(或缺省)B16/A1944;ASTM A453660A/A1948CA CL150-CL800B注:每个阀门选用何种材料的垫片和螺栓、螺母由“阀体材料”确定。
阀门型号说明
金属阀门的型号在下表的阀门数据单上列出,其制造\结构尺寸和检验按API\ASME或BS标准,所有金属法兰面RF(A)为密纹水线Ra6.3~12.5微米。
所有金属法兰面RF为光滑面Ra3.2~6.3微米。
阀门代号由8个单元组成,含义如下:
Z 5 4 1 H –150Lb – C 1
(1)(2) (3) (4) (5) (6) (7) (8)
●第一位字母表示阀门形式:
Z = Gate Valve 闸阀
J = Globe Valve 截止阀
H = Check Valve 止回阀
NJ = Needle Valve 针形阀
X = PLUG Valve 旋塞阀
Q = Ball Valve 球阀
D = Butterfly Valve 蝶阀
G = Diaphragm Valve 隔膜阀
●第二位字母表示阀门传动形式:
3:worm wheel 涡轮传动
4:positive gear operation 正齿轮传动
5:umbrella gear operation 散齿轮传动
●第三位数字表示阀门的连接形式:
1:内螺纹
2:外螺纹
4:法兰
6:承插焊或对焊
7:对夹
●第四位数字表示结构形式:
按GB规定
●第五位数字表示阀门内件的材质:
X 橡胶
F 氟塑料
H 合金钢
Y 硬质合金
S 304SS不锈钢
P PPL(对位聚苯)
注:由阀体直接加工的阀座密封面材料代号用“W”表示。
●第六位数字的表示阀门的压力:
150Lb 300Lb 600Lb 900Lb
●第七位字母表示阀门的主体材质:
C C.S
P 304L SS
P1 304 SS
P2 316L SS
P3 316 SS
●第八位数字表示阀门中的特别材质或特别连接面形式,没有特别说明,该项可以忽
略。
C -- 表示法兰密封面为RF(A),即密纹水线密封面Ra6.3~12.5微米。
C1 -- 表示法兰密封面为RF,即光滑密封面Ra3.2~6.3微米。
P,P1,P2,P3------表示法兰密封面为RF(A),即密纹水线密封面Ra6.3~12.5微米。
PS,P1S,P2S,P3S-----表示法兰密封面为RF,即光滑密封面Ra3.2~6.3微米。
PJ,P1J,P2J,P3J-----表示法兰密封面为RJ,即环连接面Ra0.8~1.6微米。
CF8为304 CF8M为316 CF3为304L CF3M为316L 阀门检验标准GBT11170-1989
执行标准GBT12230-2005////////螺栓螺柱检验标准GBT4336-2002 执行标准HG20634-97
材控专业设计手册SER05-97
(1) 管道及管道组成件均应满足GB、HG等标准中要求的尺寸、材料及其它要求.
(2) DN32, DN65, DN90, DN125和 DN550应尽量避免使用。
如果设备管口采用上述尺寸时,
与其相接的管道应选用合适的管件。
(3) 管子壁厚应按照GB503160-2000计算。
壁厚计算应以设计压力—温度条件,以及腐蚀
或磨蚀裕量和机械加工附加量所要求的最小壁厚为依据。
壁厚计算应按设计压力和设计温度相偶合时最严重条件下某一条管道的压力和温度条件进行设计. 管子的尺寸和壁厚应执行GB/T17395-98标准.
(4) 直缝焊接不锈钢管应做100%无损检测。
1.4管件:
(1) 除特殊要求,金属管件连接一般为对焊,短半径弯头只在长短半径弯头(R=1.5D)或弯管使用空间受限时使用.
当必须采用短半径弯头时,其最高工作压力不宜超过长半径弯头的0.8倍,并应在管道安装图中注明.
(2) 承插连接管件应执行GB/T14383《钢制承插焊管件》
螺纹连接管件应执行GB/T14626《锻钢制螺纹管件》
(3) 异径管一般做到小端直径为大端直径的一半左右。
(4) 螺纹管件连接时加聚四氟乙烯。
1.5 法兰
(1) 采用标准《钢制管法兰、垫片、紧固件》(HG20606-97)。
(2) 对焊法兰的接管外径及壁厚应与其对接的管道的外径及壁厚相一致。
除非另有规定,
法兰焊接端的坡口应与管子一致。
(3) 对突面法兰, 当采用软密封垫片时, 法兰密封面为密纹水线RF(A):Ra6.3~12.5微米;
当采用金属缠绕垫垫片时,法兰密封面为光滑面为RF: Ra3.2~6.3微米.
1.6 阀门
(1) 阀门的详细说明详见”阀门数据表”,金属阀门端面至端面的尺寸及阀门的结构和制造均按GB标准。
(2) 法兰连接截止阀,闸阀,止回阀,球阀制造标准应执行GB12234~7“通用阀门法兰连接钢制截止阀,闸阀,止回阀,
球阀”标准。
(3)法兰连接截止阀,闸阀,止回阀,球阀结构长度执行GB12221《法兰连接金属阀门的结构
长度》标准。
(4) 对可燃,易爆介质用软密封球阀,要求具有火灾安全结构和防静电结构。
(5) 阀门的压力温度等级应按GB12224的规定。
(6) 球阀的密封件压力—温度额定值应按GB/T12237的规定,蝶阀的密封件压力—温度额
定值应按GB/T12238的规定。
(7)压力等级≥6.3MPa的蒸汽阀门的阀内件宜选用stellite硬质合金密封面。
(8) 配备手动齿轮操作机构的阀门压力等级和尺寸宜按下表规定。
压力等级(MPa)闸阀截止阀旋塞阀球阀蝶阀
1.6 ≥DN400 ≥DN250 ≥DN100 ≥DN250 ≥DN200
2.5 ≥DN400 ≥DN250 ≥DN100 ≥DN200
6.3 ≥DN300 ≥DN200
1.8 管道等级表、管道壁厚表、支管连接表见T08019-MC03
1.9 管道等级表内英文缩写字对照表
BE 斜坡口
BW 对焊
C.S 碳钢
ERW 电阻焊
FF 大平面法兰
Flg 法兰
FM 凹面法兰
Galv 镀锌
M 凸面法兰
PE 平坡口
RF 突面法兰
SF 承插粘接
TJ 螺纹
SMLS 无缝钢管
S.S 不锈钢
SW 承插焊
WN 对焊法兰
阀门温度压力等级选用GB/T12224,
阀门长度选用等级为GB/T12227.。