建筑设计画图规范
- 格式:doc
- 大小:25.00 KB
- 文档页数:3
最新建筑设计图纸规范标准建筑设计图纸是建筑项目实施过程中的重要技术文件,它详细记录了建筑物的尺寸、结构、材料以及施工要求等信息。
随着建筑技术的发展和建筑法规的更新,建筑设计图纸规范标准也在不断地进行调整和完善。
以下是最新建筑设计图纸规范标准的主要内容:1. 总则- 设计图纸应遵循国家和地方的建筑法规、标准以及行业规范。
- 图纸应清晰、准确、完整,便于施工人员理解和执行。
2. 图纸分类- 建筑施工图:包括平面图、立面图、剖面图等,展示建筑物的各个面和内部结构。
- 结构施工图:详细描述建筑物的结构系统、构件尺寸和材料要求。
- 电气施工图:包括电气系统的布局、设备安装和电缆布线等。
- 给排水施工图:展示给水、排水、雨水系统的设计和施工要求。
- 暖通空调施工图:描述暖通空调系统的布局、设备安装和管道布置等。
3. 图纸内容- 每个图纸应包含标题栏,注明工程名称、图纸编号、比例、设计单位、设计人等信息。
- 图纸应使用统一的图例和符号,以确保信息的一致性。
- 所有尺寸、标高和材料规格应清晰标注,避免歧义。
4. 图纸表达方式- 使用标准化的绘图工具和软件,确保图纸的规范性和准确性。
- 图纸应采用适当的比例,以便于阅读和施工。
- 对于复杂的结构或构件,应提供详细的放大图或剖面图。
5. 设计参数和计算书- 设计图纸应附有相应的设计参数表和计算书,以证明设计的合理性和安全性。
- 计算书应包括荷载分析、结构分析和材料选择等内容。
6. 施工说明- 图纸应附有施工说明,包括施工顺序、施工方法和特殊施工要求等。
- 施工说明应简洁明了,便于施工人员理解和执行。
7. 环保和节能要求- 建筑设计应符合环保和节能的相关标准,图纸中应体现绿色建筑的理念和措施。
8. 安全和健康要求- 设计图纸应考虑到施工人员的安全和健康,避免设计中存在安全隐患。
9. 审查和批准- 所有设计图纸在提交施工前,应经过专业审查,并取得相关部门的批准。
10. 更新和维护- 设计图纸在施工过程中如有变更,应及时更新,并通知所有相关人员。
建筑工程图纸设计规范1. 引言建筑工程图纸设计规范是为了确保建筑项目的顺利实施和施工质量的保证而制定的准则。
本文档旨在向建筑师、工程师、设计师和其他相关人员提供一系列标准和指导,以确保图纸设计的合理性、准确性和一致性。
2. 标准化术语在本文档中,以下术语应遵循统一定义:•建筑平面图:展示建筑物水平剖面的平面图。
•立面图:展示建筑物正面或侧面视图的图纸。
•剖面图:展示建筑物沿垂直方向切割后的视图。
•细部构造图:呈现建筑细节和连接方式的详细图纸。
3. 图纸设计规范3.1 页面设置•图纸尺寸应符合国际标准或相关行业标准,并定义清晰可见的边界线。
•图形及文字应与边界线之间有适当距离。
•应为每个页面提供唯一且说明性强的标题。
3.2 图形表示•应采用统一的符号和标注,遵循行业规范和标准。
•标注文字应清晰、易读,并保证与图纸比例一致。
•使用不同线型和颜色来区分不同元素,方便理解和辨认。
3.3 图纸标注•每个图纸应包含项目名称、图纸编号、版本号、绘图日期等关键信息。
•所有图纸上的文字应为统一字体,并至少具备两种不同字重以表达不同含义。
•应提供适当数量的尺寸标注,确保设计准确性。
3.4 图层设置•应为每个图纸设置适当的图层,以便于对构件进行独立编辑和控制。
•图层命名应明确且具有一定的层级结构,以方便查找和管理。
3.5 细部构造图•细部构造图应包含建筑物各组成部分、连接方式、材料明细等相关信息。
•构件连接细节必须展示清晰且准确,确保施工质量和安全性。
4. 结论本文档总结了建筑工程图纸设计规范的主要内容。
这些规范旨在确保建筑项目的顺利进行,并在施工过程中提供设计准确性和一致性。
建筑师、工程师和相关人员应遵循这些规范,以确保图纸设计的质量和可行性。
这将有助于提高建筑项目的成功完成率,并增加项目的可持续性发展。
建筑工程制图规范建筑工程制图规范是指在建筑设计和施工中,规范化制作和使用专业图纸的一套准则和要求。
以下是一套基本的建筑工程制图规范:一、图纸的纸张规格和图幅封面标准1. 图纸纸张规格一般采用A系列纸张,如A0、A1、A2等。
图纸应采用白纸编制,清晰明亮,纸张应平整,无皱、波纹等缺陷。
2. 图框封面标准应包括项目名称、编制部门、图号、图名、图纸比例、日期、审核和签字等信息。
二、图纸比例1. 建筑平面图一般采用1:100至1:500的比例;立面图一般采用1:50至1:200的比例;剖面图一般采用1:100至1:200的比例。
2. 比例尺应标注在图纸上,并经常检查比例标注是否正确。
三、图例和符号1. 图例应一致、简洁明了,图例中的图符和文字应有一定的大小和粗细要求。
2. 符号应按照国家和地区的标准规定使用,如建筑行业标准、国家标准等。
3. 符号应绘制规范,线条清晰,不得有重影、断线、缺角等情况。
四、线条和字体1. 线条的粗细应适度,避免过粗或过细,保持线条的清晰度。
常用线条的线型应按照标准规定使用,如实线、虚线、点线等。
2. 字体应统一,大小适中,清晰易读。
字体一般采用宋体或等线字体,不得使用艺术字体。
五、图纸格式1. 建筑平面图的编制应按照建筑设计规范要求,包括项目的布局、功能分区、空间尺寸、建筑结构等信息。
2. 立面图应清晰明了,包括建筑物的外立面形象、建筑材料和窗户等装饰元素。
3. 剖面图应能准确表示建筑物的内部结构,包括墙体、柱子、楼梯、管道等。
六、图纸质量要求1. 图纸应经过审核和审查,确保图纸的准确性和合理性。
2. 图纸应规范的保存和归档,并按照施工进度和需要及时更新和补充。
3. 图纸应按照标准的图纸抄写要求进行制作,确保图纸的清晰度和可读性。
七、图纸的编号和归档1. 图纸应按照一定的编号规则进行编制,确保图纸的唯一性和顺序性。
2. 图纸应严格按照项目的建设顺序进行归档,方便查找和使用。
对于已完成的图纸,应按照规定进行归档保存。
CAD建筑室内设计制图规范和技巧无规矩不成方圆,尤其是在工程建设行业,到处是规范,满眼都是标准。
当然这些都是工程建设的设计施工标准。
一、CAD制图规范1、基本要求1.所有设计室出的图纸都要配备图纸封皮、图纸说明、图纸目录。
A.图纸封皮须注明工程名称、图纸类别(施工图、竣工图、方案图)、制图日期。
B.图纸说明须对工程进一步说明工程概况、工程名称、建设单位、施工单位、设计单位或建筑设计单位等。
2.每张图纸须编制图名、图号、比例、时间。
3.打印图纸按需要,比例出图。
2、常用制图方式常用比例1:1,1:2,1:3,1:4,1:5,1:6,1:10,1:15,1:20,1:25,1:30,1:40,1:50,1:60,1:80,1:100,1:150,1:200,1:250,1:300,1:400,1:5003.细实线:0.1mm填充线、尺寸线、尺寸界限、索引符号、标高符号、分格线。
4.细虚线:0.1-0.13mm1)室内平面、顶面图中未剖切到的主要轮廓线。
2)建筑构造及建筑装饰构配件不可见的轮廓线。
3)拟扩建的建筑轮廓线。
4)外开门立面图开门表示方式。
5.细点划线:0.1-0.13mm中心线、对称线、定位轴线。
6.细折断线:0.1-0.13mm不需画全的断开界线。
二、打印出图笔号1-10号线宽设置1号红色 0.1mm 6号紫色 0.1-0.13mm2号黄色 0.1-0.13mm 7号白色 0.1-0.13mm3号绿色 0.1-0.13mm 8.9号灰色 0.05-0.1mm 4号浅兰色 0.15-0.18mm 10号红色 0.6-1mm5号深兰色 0.3-0.4mm10号特粗线:1)立面地坪线2)索引剖切符号3)图标上线4)索引图标中表示索引图在本图的短线四、剖切索引符号1. m: ø12mm(在A0、A1、A2、图纸)2. m: ø10mm(在A3、A4图纸)3.特粗线到索引线为剖视方向4. A: 字高5mm(在A0、A1、A2、图纸) 字高4mm(在A3、A4图纸)5. B-01:字高3mm(在A0、A1、A2、图纸) 字高2.5mm(在A3、A4图纸)6.A为索引图号,B-01为索引图纸号,B-01为“”表示索引在本图。
建筑设计制图规范建筑设计制图规范是为了保证建筑设计过程中的图纸编制规范化、标准化,确保设计图纸的质量和准确性。
它是建筑设计过程中的重要组成部分,对于各个专业的工程师、设计师和施工方都具有重要的指导意义。
下面是关于建筑设计制图规范的一些要点:1. 图幅和比例尺的选择:建筑设计图纸的图幅应根据项目的规模和要求来选择,在一定范围内要尽量缩小图纸的规格。
常用的图幅包括A0、A1、A2、A3、A4等,比例尺的选择应根据图幅和图纸内容来确定。
2. 图面的布局:图面应以纵向的方式进行布局,上方应标明项目名称、图纸名称和图号等详细信息,下方留出一定的空白区域用于标注图例和注释。
图纸的左侧应标明项目的北方向和比例尺,右侧应标示设计单位、设计人员和审核人员的名称和签名。
3. 图形的绘制:建筑设计图纸中的建筑平面、立面、剖面和细部等图形应按照标准的图形符号和线型进行绘制。
图形符号和线型的选择应符合国家标准,并根据具体需求进行适当的调整。
绘图的笔触要流畅、连续,避免出现断线、断笔现象。
4. 字体和文字的标注:建筑设计图纸中的字体应选用标准的工程字体,字体的尺寸、间距和粗细应适合图纸的比例尺。
文字的标注应符合国家标准和规范要求,在标准的文字排列格式基础上,要注意文字的对齐、居中和对称等布局。
5. 标志和图例的设置:建筑设计图纸中的标志和图例应清晰、明确,能够准确地表示图纸的内容和意图。
标志和图例的颜色要与图纸的背景色进行对比,保证其能够清晰可见。
图例的内容要包括图纸的编号、名称和比例尺等重要信息。
6. 注释和说明的编写:建筑设计图纸中的注释和说明要简明扼要,准确表达设计和施工要求。
注释和说明的文字要与绘图的线型进行区分,并于相关图形相隔一定距离。
注释和说明要表达的内容包括设计的具体要求、材料的规格和施工的注意事项等。
7. 图纸质量和保存:建筑设计图纸在编制过程中要保证其质量和准确性。
图纸上的尺寸要精确,图形要平衡和比例协调,符号要正确、清晰。
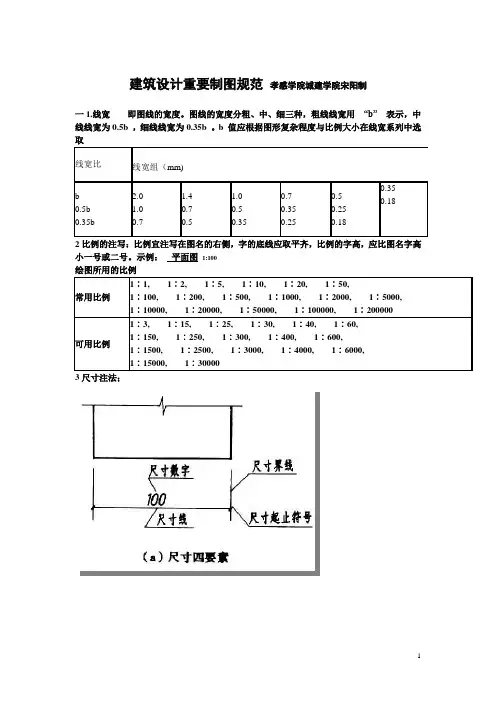
建筑设计重要制图规范 孝感学院城建学院宋阳制一1.线宽 即图线的宽度。
图线的宽度分粗、中、细三种,粗线线宽用 “b” 表示,中线线宽为0.5b ,细线线宽为0.35b 。
b 值应根据图形复杂程度与比例大小在线宽系列中选取2比例的注写:比例宜注写在图名的右侧,字的底线应取平齐,比例的字高,应比图名字高小一号或二号。
示例: 平面图 1:1003尺寸注法;⑷尺寸数字图样上所注写的尺寸数字是物体的实际尺寸。
尺寸单位除标高及总平面图以米(m)为单位外,其它均以毫米(mm)为单位。
尺寸数字的读取方向:水平方向字头朝上;竖直方向字头朝左;倾斜方向字头有朝上的趋势。
避免在30°斜线区内注写尺寸数字。
尺寸数字应依其读数方向写在尺寸线的上方中部,如没有足够的注写位置,最外面的数字可注写在尺寸界线的外侧,中间相邻的尺寸数字可错开注写。
任何图线不得穿过尺寸数字,不可避免时,应将图线断开。
(二)尺寸的排列与布置2.互相平行的尺寸线,应从被注的图样轮廓线由里向外整齐排列,小尺寸在里面,大尺寸在外面。
尺寸线距图样轮廓线的距离不小于10mm,平行排列的尺寸线的间距宜为7~10mm。
二、建筑平面图的表达内容1、剖切到的与未剖切到但可见部分的轮廓线其中被剖切到的墙柱轮廓线画成粗实线,剖切到的钢筋混凝土构件应涂黑。
其中被剖切的次要建筑构造(包括构配件)的轮廓线,如隔墙,门扇线(门开启线)等用中实线。
建筑构配件的可见轮廓线,如楼梯、踏步、台阶、厨房设施、卫生器具等用细线。
2、楼梯3、定位轴线在建筑平面图中各承重构件的位置应画出定位轴线。
定位轴线用细点画线绘制4、尺寸外部尺寸:在建筑平面图中,外墙应注三道尺寸。
第一道尺寸,外轮廓尺寸,总长总宽。
第二道尺寸,轴线间的距离,用以说明房间的开间及进深的尺寸。
第三道尺寸,门窗洞宽度及定位尺寸。
内部尺寸。
房间的净空大小和室内的门窗洞、孔洞、墙厚和固定设施的大小与位置。
5、指北针指北针宜用细实线绘制,圆的直径为24mm,指北针尾宽为3mm;在指针尖端处,注“北”或“N”字。
建筑设计绘操作规程一、引言建筑设计绘操作规程是指在建筑设计过程中,为了保证图纸质量和设计效果,统一绘图标准和规范操作流程的文件。
本规程旨在规范建筑设计绘图工作的各项要求,提高绘图质量和效率。
二、适用范围本操作规程适用于建筑设计过程中所有的绘图工作,包括平面图、立面图、剖面图、施工图等。
三、绘图软件要求1.采用专业的建筑设计软件进行绘图,如AutoCAD、SketchUp等。
2.确保使用的软件版本与团队内其他成员一致,以免出现兼容性问题。
四、绘图比例1.根据具体图纸的要求,选择适当的比例进行绘图。
2.常用比例有1:100、1:200、1:500等,根据设计需求确定。
五、图纸规范1.图纸尺寸:按照国家标准规定的大小进行绘制,如A0、A1、A2等。
2.图纸边框:包括图纸名称、设计单位、比例尺、图号等必要信息,并且符合国家标准。
六、绘图流程1.基础图纸绘制:首先根据设计要求,绘制建筑的平面图、立面图和剖面图等基础图纸。
2.详图绘制:在基础图纸的基础上,细化绘制各个构件的详图,包括柱子、梁、墙等。
3.标注和图例:对绘制的图纸进行标注,标明各个构件的尺寸、材料等信息,并添加图例说明。
4.图纸审查:由专业人员对绘制的图纸进行审查,确保符合设计要求和规范。
七、绘图注意事项1.确保图纸的准确性和完整性,避免出现错误或遗漏。
2.标注清晰易读,避免模糊不清或混淆的情况。
3.使用统一的字体和字号,保证整体的协调性。
4.图纸颜色使用规范,尽量避免多余的颜色和线条。
5.图纸保存和备份,确保绘图文件的安全性和可追溯性。
八、总结本建筑设计绘操作规程旨在规范建筑设计过程中的绘图工作,提高绘图质量和效率。
通过严格执行本规程,可以减少错误和纠正成本,确保设计的准确性和完整性。
建筑设计绘操作规程是建筑设计流程中必不可少的重要环节,对于建筑项目的顺利进行具有重要意义。
总平面图1.建筑外轮廓线加粗2.要画双线的女儿墙3.总层高写在建筑总平边角处4.各处不同层高要标高5.室外标高必须为负值,标高符号的三角形要实心。
6.画上指北针,并且写上“N”或者“北”。
7.可见中庭和屋顶要布环境,铺砖8.用地红线和建筑红线用虚线表示,并标明“用地红线”,“建筑红线”、9.湖案线要画多条,水池接绿地边缘画双线。
10.要画上周边道路及环境,市政道路要写名称。
11.主入口和次入口前要有适当的广场或平台(硬铺),并用粗实线画实心三角形符号标明,(不能为草地、水池)12.外环境树木草地等用细实线13.道路进入口前需要适应的弧线相接。
14.建筑物画上45度的阴影,不同高度的建筑阴影面积不同(一般高的建筑,阴影面积越大)。
15.场外原有建筑用细实线来画。
16.图名的字用粗线,图名下画单粗线,比例下面不需画线。
17.室外楼梯前颈设置平台。
18.要设置残疾人坡道。
19.室外走道设置不能先开门后上台阶。
20.写上经济指标。
内容有:建筑总面积,用地总面积,容积率,绿化率,建筑密度等,建筑总面积,各层建筑面积的综合,用地总面积;绿地面积和首层建筑面积的综合。
容积率:在一定范围内,建筑面积总和与用地面积的比值。
绿化率:一定区域内,建筑物的基底面积总和与占地面积的比例(%)。
首层平面图1.画在第一张或第二张的图纸上。
2.每一张图纸都需要清晰写上图号。
3.要交代清楚入口及周边环境,道路,建筑等。
(入口前必有路)4.首层各类门须往外开,或是双开门。
5.设置残疾人坡道并标上箭头(凡是有高差的地方一定有箭头)。
箭头方向从±0.000的地方往上或往下标。
6.各种功能室写名字。
7.建筑室内和室外要有交接线。
(栏杆,小路或散水)绿色道路也有。
剖切符号画在首层平面图(注意剖切符号长短线的方向,以及数字的位置)、8.入口处画上硬铺的平台。
9.超过60平方的功能室要开两个门,60-120平方的房间内开门,大于150平方的开双开门10.周边环境要表达得非常清楚明确11.在主次入口处室内外都要标上高差,(主次入口与室内有高差)12.首层要画指北针。
建筑方案绘图要求有哪些建筑方案绘图是建筑设计中非常重要的一环,它能够直观地展示出建筑的形态、布局以及空间分配等方面的信息。
为了保证绘图的准确性和专业性,建筑方案绘图有一些基本要求。
下面我将详细介绍一下。
首先,建筑方案绘图要求具备一定的比例关系。
比例关系是指通过绘图将真实的建筑物缩小到一定比例进行表达。
常用的比例尺有1:100、1:200、1:500等。
合理选择比例关系可以使得建筑方案绘图更加清晰、易懂,并且可以用于测量和计算。
其次,建筑方案绘图要求建筑物的平面布局清晰明了。
平面布局包括建筑物各个功能区域的位置和分隔,如室内空间的划分、楼梯、走廊、门窗等。
在绘图过程中,要保持平面布局的简洁和一致性,以便于用户直观地理解建筑物的功能和结构。
再次,建筑方案绘图要求注重建筑物的立面效果。
立面效果包括建筑物外观的形式、材质和装饰等方面。
在绘图过程中,要准确地表达建筑物各个外墙面、窗户、门以及装饰细节等。
通过合理的颜色和阴影处理,可以表现出建筑物的立体感和空间感,使绘图更具立体感和逼真度。
此外,建筑方案绘图还要求标注建筑物的尺寸。
尺寸标注是为了让用户了解建筑物的具体大小和空间分配情况。
在绘图过程中,要准确地标注建筑物的长度、宽度、高度等尺寸参数。
标注尺寸可以使用线段、箭头、数字等符号,在图纸上清晰可见。
最后,建筑方案绘图要求绘制建筑物的剖面图。
剖面图是指对建筑物从某个方向进行切割,展示建筑物内部结构和空间组织的图纸。
在绘制剖面图时,要准确地表达建筑物的楼层结构、梁柱位置、墙体厚度等。
通过剖面图可以更好地展示建筑物内部空间的布局和连接关系。
综上所述,建筑方案绘图的要求涉及比例关系、平面布局、立面效果、尺寸标注和剖面图等方面。
这些要求能够保证绘图的准确性和专业性,使得建筑方案能够更好地呈现给用户和相关人员。
通过良好的绘图,可以使建筑方案更加易懂、直观,从而提高设计效果和建筑质量。
房屋建筑制图统一标准一、术语1.图纸幅面drawing format图纸幅面是指图纸宽度与长度组成的图面。
2.图线chart 图线是指起点和终点间以任何方式连接的一种几何图形,形状可以是直线或曲线,连续和不连续线。
3.字体font字体是指文字的风格式样,又称书体。
4.比例scale比例是指图中图形与其实物相应要素的线性尺寸之比。
5.视图view 将物体按正投影法向投影面投射时所得到的投影称为视图。
6.轴测图axonometric drawing 用平行投影法将物体连同确定该物体的直角坐标系一起沿不平行于任一坐标平面的方向投射到一个投影面上,所得到的图形,称作轴测图。
7.透视图perspective drawing根据透视原理绘制出的具有近大远小特征的图像,以表达建筑设计意图。
8.标高elevation 以某一水平面作为基准面,并作零点(水准原点)起算地面(楼面)至基准面的垂直高度。
9.工程图纸project sheet 根据投影原理或有关规定绘制在纸介质上的,通过线条、符号、文字说明及其他图形元素表示工程形状、大小、结构等特征的图形。
10.计算机制图文件computer aided drawing file 利用计算机制图技术绘制的,记录和存储工程图纸所表现的各种设计内容的数据文件。
11.计算机制图文件夹computer aided drawing folder在磁盘等设备上存储计算机制图文件的逻辑空间。
又称为计算机制图文件目录。
12. 协同设计synergitic desig n通过计算机网络与计算机辅助设计技术,创建协作设计环境,使设计团队各成员围绕共同的设计目标和对象,按照各自分工,并行交互式地完成设计任务,实现设计资源的优化配置与共享,最终获得符合工程要求的设计成果文件。
13. 计算机制图文件参照方式refere nee of computer aided draw ing file在当前计算机制图文件中引用并显示其他计算机制图文件(被参照文件)的部分或全部数据内容的一种计算机技术。
建筑设计画图规章制度范本第一章总则第一条为了规范建筑设计图纸的编制和使用,提高设计质量,保障工程的顺利进行,制定本规章制度。
第二条本规章制度适用于建筑设计单位的建筑设计图纸编制和使用工作。
第三条建筑设计图纸应当符合国家建筑设计规范和相关标准的要求,保证设计方案的合理性和可行性。
第四条建筑设计图纸应当具有明确的主次关系和完整的内容,包括设计方案、施工图、结构图、设备图等。
第五条建筑设计图纸应当经过专业人员审核和业主确认后方可使用,未经审核和确认的设计图纸不得用于施工。
第二章建筑设计图纸的编制第六条建筑设计图纸的编制应当按照国家建筑设计规范的要求,有序进行,不得有遗漏和错误。
第七条建筑设计图纸应当包括建筑设计方案的整体布局、详细图纸和计算书等内容,要求清晰明了,符合实际施工需要。
第八条建筑设计图纸的编制应当结合实际情况和业主要求,灵活运用专业知识和技术手段,确保设计方案的合理性和实用性。
第九条建筑设计图纸的编制应当根据工程的性质和规模确定编制周期,保证工期的紧凑和效率的高效。
第三章建筑设计图纸的审查第十条建筑设计图纸应当由设计单位的专业人员进行审核,包括结构工程师、建筑师、给排水工程师等。
第十一条建筑设计图纸的审查应当认真负责,一丝不苟,确保图纸的合理性、准确性和完整性。
第十二条建筑设计图纸的审查人员应当熟悉国家建筑设计规范和相关标准,具有丰富的工作经验和专业知识。
第十三条建筑设计图纸的审查应当标明审查意见和结果,未经审查合格的设计图纸不得用于施工。
第四章建筑设计图纸的保密第十四条建筑设计图纸是设计单位的商业秘密,未经业主同意不得向外泄露。
第十五条建筑设计单位应当建立健全图纸保密管理制度,加强员工的保密意识和安全防范能力。
第十六条建筑设计图纸的存储和传输应当采取加密和防护措施,防止泄漏和损坏。
第五章建筑设计图纸的使用第十七条建筑设计图纸的使用应当按照审查结果和业主要求进行,不得私自修改或变动。
第十八条建筑设计图纸的使用应当由专业人员进行解读和操作,确保施工的质量和安全。
建筑方案绘图要求建筑方案绘图是建筑设计中的重要环节,准确、清晰地呈现设计师的构思是绘图的首要要求。
下面是建筑方案绘图的要求。
1.图纸尺寸与比例:建筑方案绘图一般采用A1、A2或A3纸张,根据实际需要选择合适的尺寸。
在绘制时要保持图纸的比例准确,一般常用的比例有1:50、1:100、1:200等。
2.图纸布局:建筑方案绘图要求以设计为中心,合理安排各个构件的位置和大小。
整个绘图页面要保持整洁、有序,避免图纸过于杂乱和拥挤。
3.平面图:平面图是建筑方案绘图的重要组成部分,它直观地展示了建筑物的布局和空间关系。
平面图要求绘制准确、清晰,标注房间名称和面积,符号和线条要精细,表达直观,方便理解。
4.立面图:立面图是建筑外立面设计的表现形式,它要求绘制建筑物各个立面的图示,包括建筑物的形状、立面比例、窗户和门的位置等。
立面图要求线条精细、比例准确,建筑物的整体形象要表现出来。
5.剖面图:剖面图是建筑内部结构和空间布局的展示,它要求准确绘制建筑物的各个部分和构件的位置和形状。
剖面图要求线条清晰、比例准确,标注各个构件的尺寸和材料。
6.细部图:细部图是对建筑物细节的展示,包括窗户、门、楼梯、天花板等部分的设计。
细部图要求标注细节部分的尺寸和材料,线条要细致,清晰表达设计意图。
7.符号标注:建筑方案绘图要求使用统一的符号和标注,便于阅读和理解。
符号要准确表达设计要求,标注要简洁明了,标示建筑物的名称、尺寸、用途等。
8.颜色和阴影:建筑方案绘图可以使用色彩和阴影来增强表现力,使设计更加逼真、生动。
颜色和阴影要与设计风格相协调,不得过于夸张和突兀。
以上就是建筑方案绘图的要求,通过准确、清晰地绘制图纸,能够更好的展示设计师的创意和构思,为后续施工提供重要的参考依据。
绘图标准和规范1.绘图人员绘图时必须保证和草图一致,不能任意改变草图和房屋模样。
绘制墙体时必须保证同一平面,同一直线。
2.如遇到石木结构,绘图时必须按照砖木结构绘制。
同理如遇到石混结构,绘图时必须按照砖混结构绘制。
3.如遇到土木﹑砖木和砖混结构时,一层平面图(阳台)必须用虚线画出。
同一结构情况下,二层平面图(阳台和房屋必须用墙体,但必须把中间墙体删除,形成联通结构。
如遇到不同结构时,二层平面图房屋和阳台之间中间要求加大门进行区分。
4.如遇到双和多结构时,占地面积:就是一层面积(不同结构之和)其中建筑面积要求分开并说明。
5.特殊情况下,如遇到全混结构,绘制一层平面图(阳台小于1.5米,不进行绘制和不算面积。
同理绘制一层平面图(阳台大于等于1.5米)时必须用虚线并计算面积,如遇到阳半和偏半时计算面积除以2,如遇到阳全和偏全时,计算面积常规算法。
6.如遇到房屋砖混双阳台同一结构,一层平面图用虚线进行绘制,但其次阳台不进行绘制。
如有房屋与阳台与其次阳台与再次房屋连接时,绘制房屋前需要空出其次阳台的距离再进行绘制。
但绘制再次房屋前须保证其次阳台的空余距离然进行绘制(全混一的情况下)。
如遇到双阳台全混二时,一层其次阳台不进行绘制,但二层平面图,其次阳台必须用虚线画出。
7.如遇到共用墙房屋,东西南北方向必须标注和说明与谁共用墙。
如遇到铁皮房屋统一用简易房进行绘制。
如遇到地下室房屋绘图时需要分开并说明(如地下室平面图,一层平面图),占地面积就是一层面积,建筑面积分开并说明。
建筑设计制图规范建筑设计制图规范是指在建筑设计过程中,为了保证设计图纸的规范和统一性,提高设计效率和施工质量,所制定的一系列制图要求和规范。
下面是关于建筑设计制图规范的一些要点和具体内容。
1.图幅和比例建筑设计图纸应根据项目的规模和需要确定适当的图幅和比例,常用的图幅有A0、A1、A2、A3等,常用的比例有1:100、1:200、1:500等。
同时,在每张图纸上要标注图纸名称、图幅和比例。
2.图纸布局建筑设计图纸应按照从左上角到右下角的阅读习惯进行布局,上方为建筑平面图,下方为立面图和剖面图。
同时,要求图纸上的文字和标注清晰易读,与图形配合合理。
3.线条粗细和样式建筑设计图纸上的线条粗细和样式要符合国家规定的标准。
一般来说,建筑轮廓线使用粗线,辅助线使用细线,不同功能线条使用不同样式,如实线、虚线、点线等。
4.尺寸标注建筑设计图纸上的尺寸标注应准确清晰,标注应按照专业规范进行,标注尺寸应有尺寸线、尺寸值和箭头,避免尺寸标注与其他线条重叠。
5.符号和注释建筑设计图纸上的符号和注释应使用统一的符号系统和标准。
对于常用的符号和注释,应按照国家标准进行使用,对于项目中特定的符号和注释,应有统一的定义和解释说明。
6.层次标注建筑设计图纸上的不同图层应有清晰的层次标注,方便绘制和查找。
建议按照层次划分不同的图层,如建筑平面、结构、给排水等,并给予不同图层不同的颜色和线型。
7.图框和图例建筑设计图纸上要有统一的图框和标题栏,包括项目名称、图纸名称、设计单位、设计人员、审核人员等信息。
图例根据项目需求设置,一般包括符号图例和注释说明。
8.工程量清单建筑设计图纸上应有清晰明确的工程量清单,包括主要构件的名称、数量、规格、材料等信息。
工程量清单应按照专业规范进行编制,并与设计图纸相互对应。
9.设计交底和整理建筑设计图纸应定期进行设计交底,并及时整理和更新图纸。
设计交底包括对图纸的全面、准确的解读和说明,确保图纸的正确理解和实施。
总平面图
1.建筑外轮廓线加粗
2.要画双线的女儿墙
3.总层高写在建筑总平边角处
4.各处不同层高要标高
5.室外标高必须为负值,标高符号的三角形要实心。
6.画上指北针,并且写上“N”或者“北”。
7.可见中庭和屋顶要布环境,铺砖
8.用地红线和建筑红线用虚线表示,并标明“用地红线”,“建筑红线”、
9.湖案线要画多条,水池接绿地边缘画双线。
10.要画上周边道路及环境,市政道路要写名称。
11.主入口和次入口前要有适当的广场或平台(硬铺),并用粗实线画实心三角形符号标明,(不能为草地、水池)
12.外环境树木草地等用细实线
13.道路进入口前需要适应的弧线相接。
14.建筑物画上45度的阴影,不同高度的建筑阴影面积不同(一般高的建筑,阴影面积越大)。
15.场外原有建筑用细实线来画。
16.图名的字用粗线,图名下画单粗线,比例下面不需画线。
17.室外楼梯前颈设置平台。
18.要设置残疾人坡道。
19.室外走道设置不能先开门后上台阶。
20.写上经济指标。
内容有:建筑总面积,用地总面积,容积率,绿化率,建筑密度等,建筑总面积,各层建筑面积的综合,用地总面积;绿地面积和首层建筑面积的综合。
容积率:在一定范围内,建筑面积总和与用地面积的比值。
绿化率:一定区域内,建筑物的基底面积总和与占地面积的比例(%)。
首层平面图
1.画在第一张或第二张的图纸上。
2.每一张图纸都需要清晰写上图号。
3.要交代清楚入口及周边环境,道路,建筑等。
(入口前必有路)
4.首层各类门须往外开,或是双开门。
5.设置残疾人坡道并标上箭头(凡是有高差的地方一定有箭头)。
箭头方向从±0.000的地方往上或往下标。
6.各种功能室写名字。
7.建筑室内和室外要有交接线。
(栏杆,小路或散水)绿色道路也有。
剖切符号画在首层平面图(注意剖切符号长短线的方向,以及数字的位置)、
8.入口处画上硬铺的平台。
9.超过60平方的功能室要开两个门,60-120平方的房间内开门,大于150平方的开双开门
10.周边环境要表达得非常清楚明确
11.在主次入口处室内外都要标上高差,(主次入口与室内有高差)
12.首层要画指北针。
13.墙线和门窗要交接好,窗可画三条或四条线。
14.轴线一般穿过柱子中心。
15.标上两道尺寸线,第一道是轴线之间的尺寸,第二道是总长(总长是指建筑最边界)
16.画上距离较近的道路并写上名称。
17.有弯度的道路写上半径。
18.方案深化阶段要把建筑中有弧度的构造画出半径。
19.楼梯中的剖切线往上去的右方画,示箭头不能画出界。
20.厕所要铺砖。
21.二层以上的所有建筑投影必须画上,投影画虚线。
22.没有承梁柱却有重要梁体的墙,可添加轴线和轴号。
例1/2(表示2号轴线以后附加的一根轴线)。
23.电梯外墙材料为钢筋混凝土,1:100的比例图中要涂黑,1:100以下画上材料。
(电梯要在楼梯间,住宅里的电梯用钢筋混凝土当柱子用)
24.平行楼梯休息平台不需要标高,非平行楼梯要标高。
25.高窗虚线画
26.高差线落在低的一侧。
27.坡道被剖到要画剖切线。
(剖切位置在1.2m-1.5m)
28.水池标高的画法:池底和水面高度标在同一符号上下。
符号上写H池底X.XXX。
符号下写H水面X.XXX
29.隔墙要比外墙薄,一般隔墙是100,外墙是200.
30.雨棚要用细实线来画。
31.外环境中的铺路要表示材质
二层平面图
1.阳台,厕所,露天平台等用细线铺砖,厕所铺砖画比阳台铺砖小并画上铺位(每一个厕所都要画出,简单画出)
2.轴线轴网要全画出来。
3.每层单间布置1-2间,同样要铺地。
4.标准层标高画法为:
5.栏杆画三条线(两条为栏杆,一条为挡水)。
栏杆线距离50.挡水与最近的栏杆线距离100
6.中庭,天井等中空位置画折线(折线画偏一侧,角度大约120度)
7.二层以上不需要画指北针。
8.家具可自己决定是否(不复杂的画两三间。
)
9.雨棚要用最细的线。
屋顶平面图
1.建筑外轮廓线加粗
2.楼顶平台等标高。
3.画双线女儿墙,可上人高1300,不上人高800.
立面图
1.地基线要超过建筑边界并延长。
2.各楼层标高在同一侧,并且画上两道尺寸线,写明各层楼层数(1F,2F,3F......)(0标高与负标高)
3.如果屋顶有高差,直接在屋顶某位置上标高。
特殊位置标高。
4.建筑轮廓线加粗
5.架空位置要有折线(折线画偏一侧,角度大约120度,折线偏向一侧轮廓线画中粗线)
6.图名可写:北立面图1:100,最好写①-⑦立面图1:100(注意:①和⑦是对应的轴号)字与平面图画法一样。
7.地基线加粗,是1.4b(b是粗线宽)
8.建筑后突出体量,前面的体量轮廓线用中粗线。
剖面图
1.标高,标注,和立面图一样
2.地基线延长并加粗1.4b,地基线与首层平面的标高一样。
3.地基以下,例如土壤,混凝土
4.楼板一般是100,主梁250×500,次梁250×400
5.注意画挑梁,挡水,等。
看线、梁线、主挑梁
6.标注个空间功能,
7.画女儿墙,砖墙线加粗
8.门窗墙,以及楼梯画法,详细参考《建筑制图与识图》P133-136
9.剖面下面标上轴号
10.柱子两条细实线
11.压线,下面的图要对齐。