模具设计与制造试卷+答案
- 格式:doc
- 大小:325.00 KB
- 文档页数:3
模具设计与制造试题四及答案一、填空题(20分,每空1分)1.模具设计有两个基本条件,即和。
2.常用的冲压材料主要有、和。
3.弯曲变形过程可以分为、和三个阶段。
4.拉深可分为和。
5.空心坯料胀形的方法一般分为和。
6.根据成型工艺的性能不同,塑料可分为和。
7.常见的压铸机按压射室的特点可分为和两类。
8.模具中常用的成形铣削加工方法有和。
9.注射模的浇注系统可分为和两大类。
二、判断题(10分,每题1分)1.冲压模具的导柱和导套大都使用高碳钢制造。
()2.相对弯曲半径大,弯曲变形程度小,则弯曲后的回弹量就小。
()3.材料硬化指数值越大,拉深性能就越差,越容易拉裂。
()4.落料时,应以凸模为基准配制凹模。
()5.外缘翻边时应力应变的分布是不均匀的,在变形区内切向的拉应力和应变在中部最小,向两端逐渐增大。
()6.带有活动镶件的注射模具生产效率高,一般用于大批量生产。
()7.当工件表面有硬皮,或机床的进给机构有间隙时,尽量采用顺铣。
()8.材料的应力状态中,压应力的成分越大,拉应力的成分越小,越有利于材料塑性的发挥。
()9.在压力机的一次行程中,能完成两道或两道以上的冲压工序的模具称为级进模。
()10.刀具半径补偿的目的在于编程时可以不考虑刀具的半径,只要在实际加工中输入刀具半径即可。
()三、选择题(16分,每题2分)1.缩口变形区的材料主要受()。
A、两向拉应力B、两向压应力C、径向拉应力和切向压应力D、径向压应力和切向拉应力2.在注射模中,为便于凝料从主流道中拉出,需要将主流道设计成圆锥形,锥度一般为()。
A、2°~6°B、6°~10°C、10°~16°D、16°~20°3.在注射成型的每个周期中,将塑件及浇注系统凝料从模具中脱出的机构称为()。
A、导向机构B、顶件机构C、抽芯机构D、推出机构4.金属熔体从进入内浇口至充满型腔和溢流槽所需的时间称为()。
模具设计与制造技术模拟练习题(附答案)一、单选题(共50题,每题1分,共50分)1、职业病有()级防护。
A、五B、三C、二D、四正确答案:B2、读零件图时,首先看( )。
A、剖视图B、标题栏C、模板图D、主视图和尺寸正确答案:B3、圆柱齿轮传动中,当齿轮直径一定时,减小齿轮模数、增加齿轮齿数,可以( )。
A、提高齿面的接触强度B、改善齿轮传动平稳性C、提高齿轮的弯曲强度D、减少齿轮的塑性变形正确答案:B4、曲柄滑块机构中运动副个数是( )。
A、7.0B、4.0C、5.0D、6.0正确答案:B5、为了能测量0°~320°之间的任何角度,万能角度尺结构中的直尺和90°角尺可以移动和拆换。
当测量角度在140°~230°范围内时,应( )。
A、不装角尺和直尺B、装上角尺和直尺C、装上直尺D、装上角尺正确答案:D6、对未经淬火直径较小孔的精加工应采用( )。
A、铰削B、镗削C、磨削D、钻削正确答案:A7、机械零件的真实大小是以图样上的( )为依据。
A、技术要求B、公差范围C、比例D、尺寸数值正确答案:D8、检测平行度误差时指示器的最大与最小读数之( )即为平行度误差。
A、和B、商C、差D、积正确答案:C9、( )模具装配工艺方法不包括以下哪种?A、修配装配法B、互换装配法C、调整装配法D、随意装配法正确答案:D10、为完成一定的工序部分,一次装夹工件后,工件与夹具或设备的可动部分所占据的每一位置称为( )。
A、装夹B、工序C、工步D、工位正确答案:D11、工件夹紧的三要素是( )。
A、夹紧力的大小、夹具的稳定性、夹具的准确性B、夹紧力要大、工件稳定、定位准确C、工件变形小、夹具稳定可靠、定位准确D、夹紧力的大小、夹紧力的方向、夹紧力的作用点正确答案:C12、选用精基准的表面安排在( )工序进行。
A、最后B、起始C、中间D、任意正确答案:B13、回火的目的是( )。
模具设计与制造中级理论知识试题库及答案一、单选题(共70题,每题1分,共70分)1、在机床上加工工件(),必须正确装夹工件,使工件在加工过程中始终与刀具保持正确的加工位置。
A、后B、前C、空格D、时正确答案:B2、把钢预热到临界温度以上,保温一段时间后,工件随炉冷却的操作过程称为()A、正火B、淬火C、回火D、退火正确答案:D3、冲模凸模.凹模间隙的调整是在上.下模分别装好后,一般先将凹模固定然后再通过改变()来进行的A、凸模的尺寸B、模具闭合高度C、凸模的形状D、凸模的位置正确答案:D4、用板牙在圆杆上切出外螺纹的加工方法称为()。
A、套板牙B、攻丝C、攻螺纹D、套螺纹正确答案:D5、根据结构特点分为活塞式、()式、摆动式三大类A、回转B、单向C、往复D、柱塞正确答案:D6、锯弓用于安装和张紧锯条,有固定和()式两种A、组合B、可调节C、分离D、不可调节正确答案:B7、材料在多次交变载荷作用下而不致引起断裂的最大应力是材料的()A、疲劳强度B、硬度C、冲击韧度D、强度正确答案:A8、凸模与凹模的形状及尺寸不准确会导致()A、工件毛刺大B、工件校正后超差C、制件断面粗糙D、形状或尺寸不符合图样正确答案:D9、哪种模具定位件的形状应与前到工序冲压件形状相吻合()A、注塑模B、冲孔模C、弯曲模D、拉深模正确答案:B10、以下不是钳工主要工具的是()A、锉刀B、刨刀C、划针D、刮刀正确答案:B11、附加摩擦力防松装置包括锁紧螺母防松和()防松A、垫圈B、弹簧垫圈C、压板D、卡簧正确答案:B12、整个冲裁变形分离过程大致可分为几个阶段()A、二B、四C、五D、三正确答案:D13、压缩空气站的压力通常都高于每台装置所需的(),且压力波动较大A、实际压力B、极限压力C、工作压力D、承受压力正确答案:C14、排样的原则是满足提高材料利用率、操作方便、劳动强度低且安全、模具结构简单、寿命长、保证冲件质量和冲件对()的要求。
一、选择题1.冷冲压工序分为AD工序两大类。
A分离工序;B冲裁;C拉深;D塑性变形2.冲裁模的间隙应当C模具导向件的间隙。
A、小于;B、等于;C、大于;D、小于等于。
3 、落料时,其刃口尺寸计算原则是先确定____ A _______ 。
A 、凹模刃口尺寸B 、凸模刃口尺寸C 、凸、凹模尺寸公差4.在连续模中,条料进给方向的定位有多种方法,当进距较小,材料较薄,而生产效率高时,一般选用C定位较合理。
A、挡料销,B、导正销,C、侧刃,D、初始挡料销.5.冲裁间隙对冲裁件的尺寸精度有一定影晌。
一般情况下,若采用间隙过大时,落料件尺寸B凹模尺寸。
A 大于; B、小于; C、等于;D大于等于6 、对T 形件,为提高材料的利用率,应采用_____ C ______ 。
A 、多排B 、直对排C 、斜对排7 、为使冲裁过程的顺利进行,将梗塞在凹模内的冲件或废料顺冲裁方向从凹模孔中推出,所需要的力称为______ A _____ 。
A 、推料力B 、卸料力C 、顶件力8 、冲裁件外形和内形有较高的位置精度要求,宜采用_____ C ______ 。
A 、导板模B 、级进模C 、复合模9 、弯曲件在变形区的切向外侧部分____ A ____ 。
A 、受拉应力B 、受压应力C 、不受力10.弯曲过程中常常出现的现象A C BA、回弹; B,变形区厚度减薄;C、偏移;D、变形区厚度增加.11.相对弯曲半径r/t表示BA、材料的弯曲变形极限:B、零件的弯曲变形程度,C、弯曲难易程度。
表示A12.最小相对弯曲半径tr/minA、材料的弯曲变形极限;B、零件的弯曲变形程度;C、零件的结构工艺好坏;D、弯曲难易程度.13 、为了避免弯裂,则弯曲线方向与材料纤维方向_____A ___ 。
A 、垂直B 、平行C 、重合14.影响拉深系数的因素较多,其中一A拉深系数值就可随之减少。
σ/大;A、材料的相对厚度(t/D)*100大;B、屈强比bsσC、凹模圆角半径小;D、板厚方向性系数γ小.15.在拉深过程中,决定材料是否起皱的因素是BD。
模具设计与制造技术练习题库+答案一、单选题(共50题,每题1分,共50分)1、铣削难加工材料,衡量铣刀磨损程度时,以刀具( )磨损为准。
A、前刀面B、副切削刃C、后刀面D、主切削刃正确答案:C2、工艺基准分为( )、测量和装配基准。
A、安装B、加工C、定位D、设计正确答案:C3、采用直接浇口的单型腔模具,适用于成型( ) 塑件。
A、壳形B、平薄易变形C、箱形正确答案:C4、工程中常见回转体中,正面投影和侧面投影为相同的等腰三角形的是( )。
A、圆柱B、圆环C、圆锥D、球正确答案:C5、符号GB的含义是( )。
A、国际标准B、国家标准C、国外标准D、部级标准正确答案:B6、光栅尺是( )。
A、一种能够间接检测直线位移的伺服系统反馈元件B、一种数控系统的功能模块C、一种能够间接检测直线位移或角位移的伺服系统反馈元件D、一种极为准确的直接测量位移的工具正确答案:D7、金属的硬度是指( )。
A、金属材料抵抗冲击载荷作用而不破坏的能力B、金属材料在断裂前发生不可逆永久变形的能力C、金属材料抵抗局部变形、压痕或划痕的能力D、金属材料抵抗塑性变形(永久变形)或断裂的能力正确答案:C8、工件在机床上或在夹具中装夹时,用来确定加工表面相对于刀具切削位置的面叫( )。
A、工艺基准B、定位基准C、装配基准D、测量基准正确答案:B9、属于金属物理性能的参数是( )。
A、韧性B、硬度C、密度D、强度正确答案:C10、( )是指工件加工表面所具有的较小间距和微小峰谷的微观几何形状不平度。
A、波度B、表面光洁度C、表面粗糙度D、公差等级正确答案:C11、只需调整或更换夹具上个别定位元件或夹紧元件,就可用于装夹不同类型和尺寸的工件,这类夹具称为( )。
A、可调夹具B、专用夹具C、通用夹具D、组合夹具正确答案:A12、下列不属于平面加工方法的是( )。
A、铣削B、铰削C、磨削D、刨削正确答案:B13、点浇口不适用于( )塑料。
A、热塑性塑料B、热固性塑料C、热敏性塑料D、纤维增强塑料正确答案:C14、下列属于不可拆卸连接的类型是( )。
模具设计与制造技术习题及答案一、单选题(共50题,每题1分,共50分)1、推杆与其配合孔的配合常采用( )配合。
A、过渡B、过盈C、间隙D、答案B、C正确答案:C2、感抗的单位是( )。
A、亨利B、微亨C、毫亨D、欧姆正确答案:D3、与45钢相比,不锈钢属于难切削材料。
加工不锈钢时,刀具材料不宜选用( )。
A、YW类硬质合金B、YT类硬质合金C、YG类硬质合金D、高性能高速钢正确答案:B4、关于粗基准的选择和使用,以下叙述不正确的是( )。
A、当工件表面均需加工,应选加工余量最大的坯料表面作粗基准B、选工件上不需加工的表面作粗基准C、粗基准只能用一次D、当工件所有表面都要加工,应选用加工余量最小的毛坯表面作粗基准正确答案:A5、对有色金属零件的外园表面加工,当精度要求为IT6,Ra=0. 4μm时,它的终了加工方法应该采用( )。
A、研磨B、粗磨C、精磨D、精车正确答案:D6、配合的松紧程度取决于( )。
A、极限尺寸B、标准公差C、基本偏差D、基本尺寸正确答案:C7、进入有高空作业的车间,不带安全帽不符合( )。
A、安全要求B、素养要求C、整顿要求D、整理要求正确答案:A8、照明线路采用三相四线制连接,中线必须是( )。
A、安装熔断器B、安装开关,控制其通断C、取消或断开D、安装牢靠,防止中线断开正确答案:D9、安装车刀时,若刀尖低于工件回转中心,工作角度与标注角度相比,其( )。
A、前角不变,后角减小B、前、后角均不变C、前角变小,后角变大D、前角变大,后角变小正确答案:D10、利用工件已精加工且面积较大的平面定位时,应选作的基本支承是( )。
A、自位支承B、支承钉C、支承板D、支承座正确答案:C11、高精度的零件,一般在粗加工之后,精加工之前进行( ),减少或消除工件内应力。
A、时效处理B、高频淬火C、淬火处理D、回火处理正确答案:A12、对于精度要求较高,Ra为0. 8um的滑动平面,其终了加工,应该采用( )。
一、填空题1、普通曲柄压力机的闭合高度是指位置时,滑块底面到之间的距离。
2、模具的闭合高度是指冲模处于闭合状态时,模具至之间的距离。
3、侧刃常被用于定距精度和生产效率要求高的中,其作用是控制条料进给方向上的。
4、弯曲变形程度用表示。
5、影响塑件收缩的因素可归纳为:_____________ 、_____________ 、_____________ 、_____________ 、_____________ 、_____________ 。
6、塑料模具的导向机构主要有_____ ________导向和_____________定位两种类型。
二、判断题(正确的在括号内画“Ö”,错误的画“´” )1、曲柄冲床滑块允许的最大压力是随着行程位置不同而不同。
()2、搭边值的作用是补偿定位误差,保持条料有一定的刚度,以保证零件质量和送料方便。
()3、斜刃比平刃的冲裁力大。
()4、弯曲工序中,冲压用材料过厚可能造成制件回弹加大。
()5、在其他条件相同的情况下仅凸模圆角不同,弯曲后凸模圆角半径小的回弹较小。
()6、弯曲件的中性层一定位于工件1/2料厚位置。
()7、一般情况下,从拉深变形的特点考虑,拉深模的凹模的圆角表面粗糙度应比凸模的圆角表面粗糙度小些。
()8、为了便于塑件脱模,一般情况下使塑料在开模时留在定模上。
()9、塑料模的模脚(垫块)是用来调节模具总高度以适应成型设备上模具安装空间对模具总高度的要求。
()三、选择题1、冲裁模的间隙应当模具导向件的间隙。
A、小于;B、等于;C、大于;D、小于等于。
2、在连续模中,条料进给方向的定位有多种方法,当进距较小,材料较薄,而生产效率高时,一般选用定位较合理。
A、挡料销;B、导正销;C、侧刃;D、初始挡料销。
3、注射机的锁模力必须大于型腔内熔体压力与塑件和浇注系统在________ 上______的乘积。
A、模板面积B、浇口截面积C、分型面D、投影面积4、在多型腔模具中,分流道的排列有______________和______________两种。
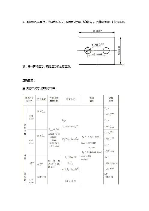
1、如题图所示零件,材料为Q235,料厚为2mm。
试确定凸、凹模分别加工时的刃口尺寸,并计算冲压力,确定压力机公称压力。
正确答案:解:(1)刃口尺寸计算列于下中:(2)冲压力的计算:落料力F落料=1.3 Lδτ=1.3×280×2×350=254.8(KN)冲孔力F冲孔=1.3Lδτ=1.3×2π×16×2×350=91.44(KN)卸料力F卸=K卸F落料=0.05×254.8=12.63(KN)推件力F推=nK推F冲=4×0.055×91. 44=20.12(KN) 其中n为堆积在凹模孔口内的冲件数,n=h/δ(h是直刃口部分的高度,δ是材料厚度)。
总冲压力:F总=F 落料+F冲孔+F卸+F推=254.8+91.44+12.63+20.12 =378.99(KN)2、试完成题图所示弯曲制件的毛坯图,冲压工序安排。
正确答案:解:(1)展开后的毛坯尺寸:LZ=l1+l2+l3+l4+0.6δ=26+18+18+30+0.6×2=93.2mm (2)冲压工序安排由零件图可知加工该零件包括冲孔、落料、弯曲三个工序。
工序安排如下:1.冲孔.落料(复合工序); 2.弯曲R5一角; 3.弯曲R0.8两角;3、计算题图所示弯曲件的坯料长度。
正确答案:4、分析题图所示零件(材料:65mn,料厚为1 mm,未注尺寸公差为IT12)的冲裁工艺性,确定其工序性质.数量及组合方式,画出冲裁排样图。
正确答案:解:该零件的材料为65Mn钢,是弹簧钢,具有良好的冲压性能。
它的形状简单.结构对称。
从零件图上Φ5(+0.2,0)的尺寸精度属IT13级,其余未注公差尺寸按IT12级确定,一般的冲压工艺均能满足其尺寸精度要求,可以冲裁。
由于该零件Φ2孔的孔边距小于凸凹模允许的最小壁厚(查表得a=2.7mm),且1.5的槽太窄,所以该零件不能采用复合冲裁模,应采用连续冲裁模加工。
模具设计与制造技术模考试题与参考答案一、单选题(共50题,每题1分,共50分)1、图纸中技术要求项中“热处理:C45”表示( )。
A、正火硬度为HRC45B、退火硬度为HRB450C、淬火硬度HRC45D、调质硬度为HRC45正确答案:C2、对刀具耐用度影响最大的是( )。
A、切削速度B、进给量C、影响程度相近D、切削深度正确答案:A3、以下是从单分型面动作过程节选的一些动作,其中符合单分型面注射模的动作过程为( )。
A、模具锁紧--注射--开模--拉出凝料--推出塑件和凝料B、注射--模具锁紧--拉出凝料--推出塑件和凝料--开模C、模具锁紧--注射--开模--推出塑件和凝料--拉出凝料D、开模--注射--模具锁紧--拉出凝料--推出塑件和凝料正确答案:A4、V带传动时,限制小带轮最小基准直径的目的主要是为了( )。
A、限制带的弯曲应力B、使结构紧凑C、保证摩擦力足够D、限制小带轮包角正确答案:A5、垂直于W面并与H、V面倾斜的平面为( )。
A、正平面B、侧平面C、侧垂面D、正垂面正确答案:C6、局部视图的断裂边件图( )表示。
B、细点画线C、细实线D、波浪线或双折线正确答案:D7、选择定位基准时,应尽量与工件的( )一致。
A、测量基准B、起始基准C、设计基准D、工艺基准正确答案:C8、基准不重合误差由前后( )不同而引起。
A、形位误差B、设计基准C、环境温度D、工序基准正确答案:D9、塞尺是用来检测两个结合面之间间隙大小的片状量规。
使用塞尺时,( )描述是不正确的。
A、测量时塞尺要用力塞进间隙B、塞尺使用完后要擦拭干净,及时收进夹板C、根据间隙的大小选择塞尺的薄片数,可一片获数片叠在一起使用D、不能测量温度较高的工件正确答案:A10、凸轮的( )决定从动件预定的运动规律。
A、转速B、轮廓曲线C、角速度D、结构形状正确答案:B11、在链传动中,主动链轮的齿数为25,从动链轮的齿数为75,平均传动比为( )。
模具设计与制造技术考试题与答案一、单选题(共50题,每题1分,共50分)1、切削运动可分为主运动与进给运动。
关于主运动,( )的描述是不正确的。
A、主运动是切削运动中速度最高、消耗功率最大的运动B、主运动只有且必须有一个C、主运动可以是连续运动,也可以是间歇运动D、主运动可以是旋转运动,也可以是直线运动正确答案:C2、两只额定电压相同的电阻串联接在电路中, 其阻值()的电阻发热。
A、较小B、较大C、无法比较D、相同正确答案:B3、机床上使用的局部照明灯,电压不得超过( )。
A、36VB、24VC、380VD、220V正确答案:A4、粗糙度的评定参数Ra的名称是( )。
A、微观不平度五点平均高度B、微观不平度十点平均高度C、轮廓算术平均偏差D、轮廓几何平均偏差正确答案:C5、电火花加工放电所在的液体介质必须具有一定的( )。
A、绝缘性能B、化学性质C、力学性能D、流动性能正确答案:A6、在正弦分中夹具上无法用平面磨床完成不同轴圆弧面的磨削,其原因A、分度盘精度低B、量块高度不合适C、没有安装正弦圆柱的空间D、两顶尖装夹工件正确答案:C7、带传动中两轮直径不变,若将主动轮转速增大一倍,则传动比( )。
A、增大两倍B、增大一倍C、减小一倍D、不变正确答案:D8、职业道德行为的最大特点是( )。
A、普遍性和广泛性B、时代性和创造性C、自觉性和习惯性D、实践性和实用性正确答案:C9、对于熔体粘度高、玻璃化温度高、冷却速率快的塑料制品应采用( )注射。
A、低压B、快速C、慢速D、答案B、C正确答案:B10、工程中常见回转体中,三面投影均为一个圆的是( )。
A、球B、圆柱C、圆锥D、圆环正确答案:A11、属位置公差项目的符号是( )。
A、─B、〓D、○正确答案:C12、以下选项中属于转动副的是( )。
A、燕尾滑板B、丝杠与螺母C、铰链连接D、滑块与导轨正确答案:C13、下列关于创新的论述,正确的是( )。
A、创新与继承根本对立B、创新不需要引进国外新技术C、创新就是独立自主D、创新是民族进步的灵魂正确答案:D14、已加工表面和待加工表面之间的垂直距离称为( )。
模具设计与制造试题一及答案一、填空题(20分,每空1分)1.模具的加工方法常分为三大类,即、和。
2.影响材料塑性的主要因素是、和。
3.确定合理冲裁间隙主要有和两种方法。
4.冲裁凸模的结构形式按其形状可以分为和。
5.标准模柄主要有和两大类。
6.拉深的主要工艺性问题是拉深过程中产生的和。
7.翻边分为和。
8.注射模的导向机构主要有和两种形式。
9.压铸模浇注系统按金属液导入方向,可以分为和。
二、判断题(15分,每题3分)1.刚性卸料装置常用于较硬、较厚且精度要求不太高的冲裁工件。
()2.弯曲的回弹量与材料的屈服强度σs成反比,与弹性模量E成正比。
()3.充型时间越短越容易得到高质量的薄壁和长流程的铸件。
()4.材料的塑性越好,最小相对弯曲半径越大。
()5.拉深系数越小,越不易引起起皱。
()三、选择题(15分,每题3分)1.平板类坯料胀形时变形区的应力为()。
A、径向拉应力和切向拉应力B、径向拉应力和切向压应力C、径向压应力和切向拉应力D、径向压应力和切向压应力2.缩口变形区的材料主要受()。
A、两向拉应力B、两向压应力C、径向拉应力和切向压应力D、径向压应力和切向拉应力3.在注射模中,为便于凝料从主流道中拉出,需要将主流道设计成圆锥形,锥度一般为()。
A、2°~6°B、6°~10°C、10°~16°D、16°~20°4.在注射成形的每个周期中,将塑件及浇注系统凝料从模具中脱出的机构称为()。
A、导向机构B、顶件机构C、抽芯机构D、推出机构5.压铸过程中,金属熔体从冲头向前快速运动,高速通过内浇口直至充满型腔,此时熔体流动速度称为()。
A、冲头速度B、充型速度C、冲头空压射速度D、熔体速度四、简答题(50分)1.模具设计的基本条件是什么?模具设计的关键技术是什么?(5分)2.模具制造过程一般包括哪几个阶段?(5分)3.什么是排样?排样的分类是什么?(5分)4.影响最小相对弯曲半径的因素主要有哪些?(5分)5.在注射模具中,选用热塑性塑料时,主要考虑哪些工艺特性?(5分)6.注射模浇注系统的设计原则是什么?(5分)7.冲裁过程分为哪三个阶段,每个阶段各有什么特征?(10分)8.压铸模中分型面的选择要点有哪些?(10分)试题一答案一、填空题(20分,每空1分)1.铸造加工、切削加工、特种加工2.材料的化学成分、金相组织、力学性能3.理论确定法、经验确定法4.直通式、台阶式5.刚性、浮动6.起皱、拉裂7.内缘翻边、外缘翻边8.导柱导向、锥面定位9.切向浇口、径向浇口二、判断题(15分,每题3分)1.√2.×3.√4.×5.×三、选择题(15分,每题3分)1.A2. B3.A4.D5.B四、简答题(50分)1.模具设计的基本条件是什么?模具设计的关键技术是什么?(5分)答:模具设计有两个基本条件,即工件的材料、性能、规格和成型设备的种类、性能、规格。
模具设计与制造试卷试题(附答案)2010-2011学年下学期期末考试《模具设计与制造》补考试卷答案一、选择题(每题1分,共20分)1、在冲裁变形过程中,塑性变形阶段形成了光亮带。
2、模具的合理间隙是靠凸模和凹模刃口尺寸及公差来实现。
3、落料时,其刃口尺寸计算原则是先确定凹模刃口尺寸。
4、对T形件,为提高材料的利用率,应采用斜对排。
5、冲裁多孔冲件时,为了降低冲裁力,应采用阶梯凸模冲裁的方法来实现小设备冲裁大冲件。
6、冲裁件外形和内形有较高的位置精度要求,宜采用复合模。
7、导板模中,要保证凸、凹模正确配合,主要靠导板导向。
8、在导柱式单工序冲裁模中,导柱与导套的配合采用H7/h6.9、精度高、形状复杂的冲件一般采用直筒式刃口凹模形式。
10、弹性卸料装置除起卸料作用外,还有压料作用。
11、中、小型模具的上模是通过模柄固定在压力机滑块上的。
12、小凸模冲孔的导板模中,凸模与固定板呈间隙配合。
13、能进行三个方向送料,操作方便的模架结构是后侧导柱模架。
14、凸模与凸模固定板之间采用H7/h6配合,装配后将凸模端面与固定板一起磨平。
15、表示板料弯曲变形程度大小的参数是r/t。
16、弯曲件在变形区内出现断面为扇形的是窄板。
删除无法理解的段落。
毛刺的形成是由于在塑性变形阶段的后期,凸模和凹模的刃口切入板料一定深度时,刃尖部分呈高静水压应力状态,使微裂纹的起点不会在刃尖处产生,而是在距刃尖不远的地方发生。
随着冲压过程的深入,在拉应力的作用下,裂纹加长,材料断裂而形成毛刺。
对普通冲裁来说,毛刺是不可避免的,但我们可以通过控制冲裁间隙的大小使得毛刺的高度降低。
答:毛刺的形成是由于凸模和凹模的刃口在切入板料一定深度时,刃尖部分呈高静水压应力状态,使微裂纹的起点不会在刃尖处产生,而是在距刃尖不远的地方发生。
随着冲压过程的深入,在拉应力的作用下,裂纹加长,材料断裂而形成毛刺。
为了降低毛刺的高度,可以通过控制冲裁间隙的大小。
模具设计与制造试卷试题(附答案)2010-20 11 学年下学期期末考试《模具设计与制造》补考试卷答案⼀、选择题(每题1分,共20 分)1 、冲裁变形过程中的塑性变形阶段形成了___ A _______ 。
A 、光亮带B 、⽑刺C 、断裂带2 、模具的合理间隙是靠___ C _______ 刃⼝尺⼨及公差来实现。
A 、凸模B 、凹模C 、凸模和凹模D 、凸凹模3 、落料时,其刃⼝尺⼨计算原则是先确定 ___ A ______ 。
A 、凹模刃⼝尺⼨B 、凸模刃⼝尺⼨C 、凸、凹模尺⼨公差4 、对T 形件,为提⾼材料的利⽤率,应采⽤_____ C _____ 。
A 、多排B 、直对排C 、斜对排5 、冲裁多孔冲件时,为了降低冲裁⼒,应采⽤___ A___ 的⽅法来实现⼩设备冲裁⼤冲件。
A 、阶梯凸模冲裁B 、斜刃冲裁C 、加热冲裁6 、冲裁件外形和内形有较⾼的位置精度要求,宜采⽤ ____ C ____ 。
A 、导板模B 、级进模C 、复合模7 、导板模中,要保证凸、凹模正确配合,主要靠 ____ B ____ 导向。
A 、导筒B 、导板C 、导柱、导套8 、在导柱式单⼯序冲裁模中,导柱与导套的配合采⽤ ____ C ___ 。
A 、H7/m6B 、H7/r6C 、H7/h69 、精度⾼、形状复杂的冲件⼀般采⽤ ____ A ___ 凹模形式。
A 、直筒式刃⼝B 、锥筒式刃⼝C 、斜刃⼝10 、弹性卸料装置除起卸料作⽤外,还有 ____ C ____ 的作⽤。
A 、卸料⼒⼤B 、平直度低C 、压料作⽤11 、中、⼩型模具的上模是通过 _____ B ___ 固定在压⼒机滑块上的。
A 、导板B 、模柄C 、上模座12 、⼩凸模冲孔的导板模中,凸模与固定板呈 ____ A ____ 配合。
A 、间隙B 、过渡C 、过盈13 、能进⾏三个⽅向送料,操作⽅便的模架结构是 ___ B ____ 。
A 、对⾓导柱模架B 、后侧导柱模架C 、中间导柱模架14 、凸模与凸模固定板之间采⽤__ A __ 配合,装配后将凸模端⾯与固定板⼀起磨平。
模具设计与制造技术模拟试题与答案一、单选题(共50题,每题1分,共50分)1、数控机床操作工生产过程中换班时,应按照安全文明生产要求,认真做好的工作是()。
A、机床保养B、卫生C、润滑D、交接班工作正确答案:D2、()电火花成型的加工过程中通常由动能转换为热能是在哪个阶段?A、电离B、热膨胀C、消电离D、放电正确答案:B3、在夹具中,用一个平面对工件进行定位,可限制工件的()自由度。
A、两个B、三个C、四个D、五个正确答案:B4、纯电阻电路的无功功率为()。
A、OWB、OvArC、OVAD、无穷大正确答案:B5、当前最广泛采用的生活垃圾分选方法是()。
A、机械结合人工分选B、机械分选C、人工手选D、无须分选正确答案:C6、代号TQW表示()。
A、整体式数控刀具系统B、倾斜型微调键刀C、模块式数控刀具系统D、倾斜型粗链刀正确答案:B7、根据分度值及示值范围选好量具后,开始测量前要(),以确定量具测量初始位置正确。
A、检查外观B、确定量具精度C、对零位D、选择测量环境正确答案:C8、模具零件采用锻件锻造的目的可能是()。
A、充分发挥材料的力学性能,提高模具零件的加工工艺性和使用寿命B、合理使用加工设备C、保证模具零件的加工精度正确答案:A9、决定超声波抛光表面粗糙度数值大小的主要因素是()。
A、磨料粒度B、磁场强度C、震动幅度D、振动频率正确答案:A10、下列材料中,属于合金弹簧钢的是()。
A、2Cr13B、Cr112MoVC、ZGMn13-1D、60Si2MnA正确答案:D11、不仅改变钢的组织,而旦钢表层的化学成分也发生变化的热处理是()。
A、渗碳、渗氮B、火焰加热表面淬火C、感应加热表面淬火D、淬火正确答案:A12、热流道浇注系统中的塑料处于()状态。
A、室温B、熔融C、半凝固D、凝固正确答案:B13、两构件在同一平面内接触形式是点或线接触,其运动副类型是()。
A、高副B、低副C、转动副D、移动副正确答案:A14、注塑模标准模架中的B板尺寸通常表示的是()厚度尺寸。
模具设计与制造技术模考试题与答案一、单选题(共50题,每题1分,共50分)1、夹具中螺旋夹紧装置的主要缺点是( )。
A、费时费力B、容易损坏夹具体C、容易损坏工件D、夹紧不可靠正确答案:A2、( )是由预先制造好的通用标准部件经组装而成的夹具。
在产品变更时,可快速重新组装成另外形式的夹具 ,以适应新产品装夹。
A、可调夹具B、组合夹具C、通用夹具D、专用夹具正确答案:B3、黄铜是( )。
A、铜与锌的合金B、纯铜C、铜与铝的合金D、铜与锡的合金正确答案:A4、下列关于基孔制的描述中,( )是不正确的。
A、基准孔的基本偏差为上偏差B、基准孔下偏差数值为零C、基孔制的孔是配合的基准件D、基准孔的上偏差为正值正确答案:A5、在形位公差符号中,符号“◎”表示( )。
A、圆度B、对称度C、同轴度D、圆柱度正确答案:C6、在型腔板上钻冷却水孔的直径尺寸应为( )。
A、3~5mmB、14~20mmC、5~8mmD、10~14mm正确答案:D7、常见的电化学加工的方法有电解抛光和( )。
A、电铸加工B、电解修磨C、电化学腐蚀正确答案:C8、限位开关在电路中起的作用是( )。
A、欠压保护B、行程控制C、过载保护D、短路保护正确答案:B9、采用热流道浇注系统注射模生产塑件可节省( )。
A、压力B、时间C、温度D、原料正确答案:D10、把轴设计成中间大、两端小的阶梯形,主要是为了( )。
A、外形美观B、加工方便C、便于拆卸D、便于装拆正确答案:D11、根据GB6093-85,量块按照制造精度分( )级。
A、六B、七C、八D、五正确答案:A12、普通螺纹属于米制三角形螺纹,牙型角α等于( )。
A、60度B、55度C、30度D、40度正确答案:A13、机件需要被放大的部分,必须用( )依次标明。
A、罗马数字B、英文小写字母C、阿拉伯数字D、英文大写字母正确答案:A14、集中装配的特点是( )。
A、从零件装成部件或产品的全过程均在固定地点B、由几组(或多个)工人来完成C、装配周期短D、对工人技术水平要求高正确答案:A15、我国公民的基本道德规范是( )、团结友爱、勤俭自强、敬业奉献。
一、填空题
1、普通曲柄压力机的闭合高度是指滑块在下止点位置时,滑块底面到工作台上平面之间的距离。
2、模具的闭合高度是指冲模处于闭合状态时,模具上模座上平面至下模座下平面之间的距离。
3、侧刃常被用于定距精度和生产效率要求高的连续模中,其作用是控制条料进给方向上的进给步距。
4、弯曲变形程度用相对弯曲半径(r/t)表示。
5、影响塑件收缩的因素可归纳为塑料品种、成型压力、熔体温度、模具温度、保压时间、模具浇口尺寸
6、塑料模具的导向机构主要有导柱导向和锥面定位定位两种类型。
二、判断题(正确的在括号内画“Ö”,错误的画“´” )
1、曲柄冲床滑块允许的最大压力是随着行程位置不同而不同。
()
2、搭边值的作用是补偿定位误差,保持条料有一定的刚度,以保证零件质量和送料方便。
()
3、斜刃比平刃的冲裁力大。
()
4、弯曲工序中,冲压用材料过厚可能造成制件回弹加大。
()
5、在其他条件相同的情况下仅凸模圆角不同,弯曲后凸模圆角半径小的回弹较小。
()
6、弯曲件的中性层一定位于工件1/2料厚位置。
()
7、一般情况下,从拉深变形的特点考虑,拉深模的凹模的圆角表面粗糙度应比凸模的圆角表面粗糙度小些。
()
8、为了便于塑件脱模,一般情况下使塑料在开模时留在定模上。
()
9、塑料模的模脚(垫块)是用来调节模具总高度以适应成型设备上模具安装空间对模具总高度的要求。
()
三、选择题
1、冲裁模的间隙应当模具导向件的间隙。
A、小于;
B、等于;
C、大于;
D、小于等于。
2、在连续模中,条料进给方向的定位有多种方法,当进距较小,材料较薄,而生产效率高时,一般选用定位较合理。
A、挡料销;
B、导正销;
C、侧刃;
D、初始挡料销。
3、注射机的锁模力必须大于型腔内熔体压力与塑件和浇注系统在________ 上______的乘积。
A、模板面积
B、浇口截面积
C、分型面
D、投影面积
4、在多型腔模具中,分流道的排列有______________和______________两种。
A、平衡式
B、环形
C、非平衡式
D、矩形
5、在实际生产中斜导柱斜角α一般取__ ___ 至_ ____度,最大不超过___________度。
A、25
B、20
C、15
D、
四、问答题
1、什么是冷冲压加工?冷冲压成形加工与其它加工方法相比有何特点?
2、确定冲裁工艺方案的依据是什么?冲裁工艺的工序组合方式根据什么来确定?
3、影响弯曲变形回弹的因素是什么?采取什么措施能减小回弹?
4、简述弯曲件的结构工艺性。
5、拉深件坯料尺寸的计算遵循什么原则?
6、影响塑件收缩的因素有哪几方面?
答案
一、填空题
1、滑块在下止点、工作台上平面
2、上模座上平面、下模座下平面
3、连续模、进给步距
4、相对弯曲半径(r/t)
5、塑料品种、成型压力、熔体温度、模具温度、保压时间、模具浇口尺寸
6、导柱导向、锥面定位
二、判断题(正确的在括号内画“Ö”,错误的画“´” )
1、(√ )
2、(√ )
3、(× )
4、(×)
5、(√ )
6、(×)
7、(√)
8、(×)9、(×)
三、选择题
1、C、大于;
2、C、侧刃;
3、C、分型面D、投影面积
4、A、平衡式C、非平衡式
5、A、25 B、20 C、15
四、问答题
1、什么是冷冲压加工?冷冲压成形加工与其它加工方法相比有何特点?
答:冷冲压加工是在室温下进行的,利用安装在压力机上的模具对材料施加压力,使其产生分离或塑性变形,从而获得所需零件的一种压力加工方法。
冷冲压加工与其它加工方法相比,无论在技术方面,还是在经济性方面都具有许多独特的优点。
主要表现在:高生产效率、高复杂性、低消耗、高寿命。
2、确定冲裁工艺方案的依据是什么?冲裁工艺的工序组合方式根据什么来确定?
答:确定冲裁工艺方案的依据是劳动量和冲裁件成本。
冲裁工序的组合方式可根据下列因素确定:
(1)生产批量;(2)冲裁件尺寸和精度等级;(3)冲裁件尺寸形状的适应性;(4)模具制造安装调整的难易和成本的高低;(5)操作是否方便与安全。
3、影响弯曲变形回弹的因素是什么?采取什么措施能减小回弹?
答:影响弯曲变形回弹的因素有:(1)材料的力学性能;(2)相对弯曲半径r/t;(3)弯曲中心角α;(4)弯曲方式及弯曲模;(5)工件的形状。
减小回弹的措施有:
(1)改进弯曲件的设计,尽量避免选用过大的相对弯曲半径r/t 。
如有可能,在弯曲区压制加强筋,以提高零件的刚度,抑制回弹;尽量选用小、力学性能稳定和板料厚度波动小的材料。
(2)采取适当的弯曲工艺:①采用校正弯曲代替自由弯曲;②对冷作硬化的材料须先退火,
使其屈服点降低。
对回弹较大的材料,必要时可采用加热弯曲。
③弯曲相对弯曲半径很大的弯曲件时,由于变形程度很小,变形区横截面大部分或全部处于弹性变形状态,回弹很大,甚至根本无法成形,这时可采用拉弯工艺。
(3)合理设计弯曲模。
4、简述弯曲件的结构工艺性。
答:弯曲件的工艺性是指弯曲变形区与零件的形状、尺寸、精度、材料以及技术要求等是否符合弯曲加工的工艺要求。
5、拉深工序中的起皱、拉裂是如何产生的,如何防止它?
答:拉深工序中产生起皱的原因有两个方面:一方面是切向压应力的大小,越大越容易失稳起皱;另一方面是凸缘区板料本身的抵抗失稳的能力,凸缘宽度越大,厚度越薄,材料弹性模量和硬化模量越小,抵抗失稳能力越小。
防皱措施:主要方法是在模具结构上采用压料装置,加压边圈,使坯料可能起皱的部分被夹在凹模平面与压边圈之间,让坯料在两平面之间顺利地通过。
采用压料筋或拉深槛,同样能有效地增加径向拉应力和减少切向压应力的作用,也是防皱的有效措施。
拉深工序中产生拉裂主要取决于两个方面:一方面是筒壁传力区中的拉应力;另一方面是筒壁传力区的抗拉强度。
当筒壁拉应力超过筒壁材料的抗拉强度时,拉深件就会在底部圆角与筒壁相切处一一“危险断面”产生破裂。
防止拉裂的措施:一方面要通过改善材料的力学性能,提高筒壁抗拉强度;另一方面是通过正确制定拉深工艺和设计模具,合理确定拉深变形程度、凹模圆角半径、合理改善条件润滑等,以降低筒壁传力区中的拉应力。
6、影响塑件收缩的因素有哪几方面?
答:塑料品种、成型压力、熔体温度、模具温度等。
如图所示的拉深件,材料08,已计算出毛坯尺寸D= 63mm ,
拉深系数m1=0.50,m2=0.75,m3=0.78,m4=0.80。
试计算:
1、拉深次数(10分);
2、各工序件直径(10分)。
解:∵t=1、∴d=Φ21、又∵D=63,
∴t/D×100=1/63×100=1.58 ∵
h/d=40/21=1.9 ∴2次。
答2次。
1, d1=0.50×63=31.5
2, d2=0.75×31.5=23.6
経调整m二次可拉成。
m1=0.45, m2=0.72
d1=0.45×63=28
d2=0.72×=20 。