安全设施明细检查表
- 格式:pdf
- 大小:105.79 KB
- 文档页数:4
单位:潍坊石大鼎盛能源科技有限企业序检查项目标准不切合标准号状况及结果基座坚固无1地基裂痕、无下物体打击沉本体表面无3本体裂痕,无严其余损害重锈蚀,防腐优秀管线无泄漏、无严重4管线锈蚀、法兰、火灾蝶阀安装齐全坚固开关控制灵敏,电机无锈蚀,轴承5电机触电、火灾转动无异响,润滑、接地优秀附件四:安全检查表安全检查表剖析(SCL+LS)评论记录岗位:加氢岗位风险点(地区 / 装置 / 设备 / 设备)名称:加热炉鼓风机No :SDCS-SS-01现有控制举措建议新增评价管控L S R (改良)备注级别级别举措工程技术管理举措培训教育个体防备应急处理人员稍微擦资质单位设计人员经过三级人员装备安伤利用抢救施工,依据设备箱进行简单教育培训,培全帽、工作巡检管理制度,救援,重度伤 1 5 5 4 低训事故应急预服、防爆对一月对地基巡害立刻拨打案讲机检一次120 报警追求救护人员佩带氨正规厂家采买,人员经过三级气防毒口罩、人员装备安防化服或逃依据设备巡检教育培训,掌全帽、工作生器逃离现管理制度,一月握岗位技术,服、防爆对场。
开启自动13 3 5 低对本体检查一具备应急处理讲机喷淋水,液氨次能力水溶液装入事故水池。
依据岗位操作人员经过三级规程,通风机开管线泄露,开教育培训,掌人员佩带安设置温度、压力启前,进行全面启自然通风1握岗位技术,全帽、穿着 5 5 4 低远传检查,运转时,具备应急处理工作服等阀门,维修管班中 2 小时定线能力期巡检岗位巡检管理人员经过三级人员触电启教育培训,掌人员佩带安动触电现场防爆线路,自动制度, 1 小时巡握岗位技术,全帽、穿着处理方案,将 1 5 5 4 低控制,设置接地检一次,按期进具备应急处理工作服等受伤人员脱行润滑办理能力离电源人员经过三级发现润滑油开 启 前 检 查油教育培训,掌 人员佩带安设置油窗检查 变质或油位6润滑油油位正常火灾油位位在油窗 1/2 握岗位技术, 全帽、穿着不足立刻进1 4 4 4低2/3 之间 具备应急处理 工作服等 行停机改换能力安全检查表剖析(SCL+LS)评论记录单位:潍坊石大鼎盛能源科技有限企业岗位:加氢岗位风险点(地区/装置/设备/设备)名称:加热炉No :SDCS-SS-02序不切合标准检查项目标准号状况及结果基础坚固、1基础无下沉、无火灾、爆炸凹陷2 本体本体无腐火灾、爆炸蚀、无泄露管线防腐处3物料管线理,保温良火灾、爆炸好无泄露通道无泄4 烟道挡板漏,无拥塞、火灾、爆炸自控、手控敏捷靠谱现有控制举措建议新增评价管控L S R (改良)备注级别级别举措工程技术管理举措培训教育个体防备应急处理正规厂家设计培训设备设备管按规定佩带理制度、巡回检查劳保用品:采纳材质切合要施工、交接班检管理制度、掌握岗安全帽、防 1 5 5 4 低求查、班中巡检一位技术,具备应急毒面具、工次处理能力作服等设置可燃气体泄漏报警仪;采纳培训设备设备管按规定佩带设置消防蒸碳钢材质切合要理制度、巡回检查劳保用品:每两小时巡检汽圈,发生火求,设置消防蒸管理制度、掌握岗安全帽、防 5 5 4 低检查1汽圈,发生火灾位技术,具备应急毒面具、工灾手工开启消防蒸汽立刻熄灭、设置处理能力作服等防爆板采纳材质切合要求,设置保温层,培训设备设备管按规定佩带周边设置可燃气劳保用品:设置连锁切理制度、巡回检查体报警仪,发生交接班检查。
安全生产检查表表格一、安全设施检查表序号项目检查内容检查结果备注1 安全出口出口标志是否清晰是/否是否有阻挡物挡住是/否出口灯是否正常是/否2 消防设施灭火器是否齐全是/否灭火器是否在有效期内是/否灭火器是否易于操作是/否消防栓是否正常是/否3 电气设备电线是否有裸露、老化或破损现象是/否电源插座是否有安全隐患是/否电气设备是否接地良好是/否防护罩是否完好是/否4 生产装置设备运行是否平稳是/否设备是否有异常噪音是/否设备是否有漏气、漏油现象是/否设备是否经过定期维护保养是/否5 作业场所工作区域是否整洁有序是/否工作人员是否戴好个人防护装备是/否是否有滑倒、绊倒、坠物等安全隐患是/否是否存在易燃、易爆物品存放是/否二、安全操作检查表序号项目检查内容检查结果备注1 正确使用工具是否使用正确的工具进行操作是/否是否对工具进行定期检查和维护是/否操作人员是否熟练掌握工具使用方法是/否2 操作流程是否按照规定的操作流程进行是/否是否有作业指导书等相关文件是/否操作人员是否具备相关资质证书是/否3 安全防护是否穿戴好个人防护装备是/否周围是否设置好安全警示标识是/否是否存在可能引发事故的因素是/否4 应急措施是否制定了应急预案是/否是否定期进行演练和培训是/否应急设备和物资是否齐全是/否三、消防安全检查表序号项目检查内容检查结果备注1 室内疏散通道通道是否畅通是/否通道是否有阻挡物挡住是/否通道是否有照明设施是/否2 消防器材灭火器是否齐全是/否灭火器是否在有效期内是/否灭火器是否易于操作是/否消防栓是否正常是/否喷淋系统是否正常是/否3 火源控制是否存在明火或易燃物品是/否是否按规定禁止吸烟是/否是否对火源进行隔离和防护是/否4 电气设备电线是否有裸露、老化或破损现象是/否电源插座是否有安全隐患是/否电气设备是否接地良好是/否防护罩是否完好是/否5 人员安全人员是否熟悉逃生路线和应急措施是/否人员是否熟悉使用灭火器等设备是/否是否定期进行应急演练和培训是/否以上仅为安全生产检查表的简单示例,实际情况需要根据具体场所和要求进行调整和补充。
安全检查(SCL)分析记录表
安全检查(SCL)分析记录表
安全检查(SCL)分析记录表
安全检查(SCL)分析记录表
安全检查(SCL)分析记录表
安全检查(SCL)分析记录表
区域/工艺过程: 储罐区装置/设备/设施: DMF 评价人员:王秋伦、马占奎、周国芳、张兆华日期: 2011.08。
05
安全检查(SCL)分析记录表
安全检查(SCL)分析记录表
区域/工艺过程:一车间装置/设备/设施:压滤机评价人员:王秋伦、马占奎、周国芳、张兆华日期: 2011.08.06
安全检查(SCL)分析记录表
区域/工艺过程:车间装置/设备/设施:简易升降机评价人员:王秋伦、马占奎、周国芳、张兆华日期:2011。
09.05
安全检查(SCL)分析记录表
安全检查(SCL)分析记录表。
安全设施检查表总体概述本文档是为了确保工作场所安全,提供一份全面的安全设施检查表。
通过定期检查和维护,我们可以及时发现并解决潜在的安全隐患,保护员工和资产的安全。
安全设施检查项目1. 灭火设施- 确保灭火器的位置明显可见,且易于取用。
- 检查灭火器是否在有效期内,并定期维护和检修。
- 教育员工正确使用灭火设备,并进行紧急情况应对演练。
2. 索道工具- 巡检索道工具,确保其完好无损。
- 检查索道工具的使用手册和维护记录,确保其正常操作和定期维护。
3. 电气设备- 定期检查各电气设备的电源线、插头等是否损坏。
- 检查电气设备是否接地正常,以避免电击事故。
- 检查电气设备的工作环境,确保通风良好,防止过热和火灾。
4. 视频监控系统- 检查摄像头是否完好,是否能够正常录制和存储视频。
- 确保视频监控系统的识别范围覆盖到关键区域。
- 检查监控室的设备是否正常运行,监控员是否履行职责。
5. 门禁系统- 检查门禁设备是否正常工作,包括刷卡、指纹识别等功能。
- 确保门禁系统记录用户进出情况,并能够随时查阅。
- 检查门禁系统的监控室,确保设备完好。
6. 安全标识- 检查安全标识是否完整、清晰可见,包括安全出口、紧急出口、禁止通行等标识。
- 确认安全标识的内容合规,并及时更换损坏的标识。
7. 应急逃生通道- 检查应急逃生通道是否畅通,没有堵塞物。
- 确保逃生通道的照明设备正常工作。
- 演练员工在应急情况下的逃生和疏散流程。
定期检查计划- 对以上检查项目,制定定期检查计划,并确保落实。
- 建立相关记录和档案,记录每次检查的日期、结果和维修情况。
结论通过执行本安全设施检查表,我们可以确保工作场所的安全设施完好并得到适时的维护和检修。
这将保护员工的生命财产安全,并为公司健康稳定发展提供强有力的保障。
请全体员工遵守本检查表,并定期进行相关培训,提高安全意识和应对能力。
安全设施定期检查表一、背景为了确保工作场所的安全和员工的健康,定期检查安全设施的完整性和有效性是至关重要的。
本文档为安全设施定期检查表,旨在帮助管理人员进行规范的安全设施检查,并记录检查结果。
二、检查内容1. 消防设施- 灭火器:检查各区域的灭火器是否齐全、有效,并检查灭火器上的压力表是否正常。
- 灭火器箱:检查灭火器箱是否完好,无损坏或锈蚀。
- 灭火器标识:确认灭火器是否有正确的标识,容易被员工找到。
- 灭火器位置:确认灭火器位置是否与标识一致,容易到达。
- 灭火器示意图:验证灭火器示意图是否存在,容易通过。
2. 应急疏散- 应急出口:检查各楼层的应急出口是否畅通,无障碍物阻挡。
- 疏散标识:确认应急出口的标识是否清晰可见。
- 应急照明:检查应急照明是否正常工作,照明时间是否符合要求。
- 制定疏散计划:确保每位员工都了解疏散计划,知道各自所在的疏散路线。
3. 安全设施- 紧急停电开关:检查紧急停电开关的位置是否明显,易于操作。
- 安全门禁系统:确认安全门禁系统是否正常运行,门禁卡是否有效。
- 视频监控系统:检查视频监控系统的摄像头是否正常工作,画面是否清晰。
- 有害物质存储:检查有害物质存储区的标识是否明显,物质是否妥善存放。
三、检查频率根据国家法律法规和公司规定,安全设施的检查频率应每季度进行一次,每年至少进行两次全面检查。
四、检查记录每次进行安全设施检查时,管理人员应填写本检查表,记录检查的具体日期、检查内容、检查结果和需要改进的事项。
五、改进措施根据检查结果,管理人员应及时采取必要的改进措施,确保安全设施的正常运作。
同时,对发现的问题应及时通知相关部门或人员,并跟进解决进展。
六、总结通过定期检查安全设施,能够及时发现和解决潜在的安全隐患,提高工作场所的安全性和员工的安全意识。
本检查表为管理人员提供了一个规范和记录安全设施检查的工具。
> 注意:本文档旨在提供一份通用的安全设施定期检查表,具体细节和要求需根据实际情况进行调整和补充。
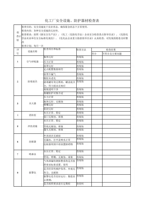
安全设施设备安全检查表检查时间: 检查人员:检查结果序检查内容检查要求及标准检查方法号符合不符合及主要问题整改要求整改结果机电设备接地线是检查设备,机电设备接地否完整和牢固;电1 线应完整和牢固;电机的现场检查机的转动轴是否有转动轴应有防护罩防护罩2 生产场所照明灯具生产场所照明灯具应按照现场检查是否选用防爆型灯规定选用防爆型灯具具3 安全附件:安全阀、安全附件:安全阀、压力现场检查压力表、液位计和表、液位计和温度计应处温度计是否处于良于良好状态好状态4 各类容器设备是否各类容器设备不应有泄漏现场检查有泄漏现象现象5 不防雨电机是否有不防雨电机应有防护罩现场检查防护罩6 消防设施是否齐消防设施应齐全,摆放整现场检查全,摆放整齐、性齐、性能良好能良好7 消防通道是否畅通消防通道应该畅通无阻,现场检查不应占用。
8 部分防爆设备,防防爆设备,防爆板应有效,现场检查爆板是否有效定期检查9 是否违章使用安全安全设施设备应正确使用现场检查设施设备查资料1安全设施是否由车安全设施应由车间定期检现场检查 0 间定期检查,保证查,保证安全措施的有效查资料安全措施的有效性性。
1警示标志是否齐警示标志应齐全,清楚醒现场检查 1 全,清楚醒目目1行车的防脱落装置行车的防脱落装置应工作现场检查 2 是否工作正常正常,定期检查1安全设施设备是否安全设施设备应有车间专现场检查 3 有车间专人看管,人看管,制定制度,定期定期检查检查。
1各种报警器是否正各种报警器应该正常有效现场检查 4 常有效使用,是否使用长时间不用1紧急停车联锁系统紧急停车联锁系统应该正现场检查 5 是否正常使用常使用其他安全隐患:检查考核意见:检查单位负责人: 被查班组现场人员: 被查部门负责人:。
安全设施检查表安全设施检查表是企事业单位安全管理中的重要工具,用于对场所内各项安全设施的检查、评估和维护。
一个安全设施良好的场所能够减少事故和伤害,提高工作效率和员工幸福感,所以建议每个企事业单位都进行定期的安全设施检查,并记录在检查表上,以便日后查阅和补充。
下面是一个的安全设施检查表,主要包括以下几个方面:1. 消防设施- 灭火器,是否齐全、年限是否到期、位置是否明显- 灭火栓,位置是否明显、是否畅通、盖帽是否完好- 自动灭火系统,是否完好、保养是否到期、灭火介质是否充足- 紧急疏散路线,是否明显、疏散标志是否齐全- 疏散门,是否能够正常开启、通畅- 消防通道,是否被堵塞、救援车能否进入2. 电气设备- 电线电缆,是否老化、是否存在裸露、绝缘是否完好- 插头插座,是否损坏、是否有发热现象、是否符合标准- 开关电源,是否固定、开关感觉是否正常- 线路负载,是否超载、是否分相平衡、是否存在漏电现象- 发电机、输入电压是否符合标准、电池是否充足3. 特殊设施- 危险品仓库,是否符合规定、是否检修及保养、是否有泄漏现象- 压力容器,是否符合规定、是否有检修记录、安全阀是否完好- 建筑物结构,是否有裂缝、是否存在倾斜、楼梯安全性如何- 高处作业设备,是否符合规定、是否有安全绳、安全网等- 机械设备,是否符合标准、是否检修及保养、是否存在故障4. 人员安全设施- 安全帽、安全鞋、安全绳、安全带等是否齐全、是否过期- 环保设施,是否符合标准、是否经常清洗或清理、是否存在异味或污染以上是一个较为完整的安全设施检查表,但实际运用应该结合实际情况,根据不同行业的特点进行调整和补充,保证检查表的实用性和针对性。
同时,检查表只是一个工具,更要注意人员素质的培养和安全意识的提高,才能真正达到预防事故的目的。
每日安全设施检查表介绍- 本文档是每日进行安全设施检查的检查表。
通过定期检查和维护安全设施,可以确保工作场所的安全性和员工的健康。
- 此检查表适用于所有工作场所,包括办公室、工厂、商店等。
检查项1. 紧急出口:- 检查紧急出口是否没有任何阻碍物。
- 检查紧急出口的标识是否清晰可见。
- 检查紧急出口门是否容易打开。
2. 灭火器和灭火器箱:- 检查灭火器是否在指定位置,并且数量足够。
- 检查灭火器的标签是否有效,并且没有过期。
- 检查灭火器箱是否完好,没有损坏。
3. 火灾报警器:- 检查火灾报警器是否正常工作,并且没有过期。
- 检查火灾报警器的电池是否需要更换。
- 检查火灾报警器的声音是否可以听得清楚。
4. 急救箱:- 检查急救箱是否放置在易于接近的位置。
- 检查急救箱内的救援物品是否完整和未过期。
- 检查急救箱的封条是否完好,未被打开。
5. 楼梯和过道:- 检查楼梯和过道是否畅通无阻。
- 检查楼梯的扶手是否牢固。
- 检查过道的照明是否正常。
6. 空气质量:- 检查室内空气是否清新,没有异味。
- 检查通风设施是否正常工作。
- 检查空调设备是否正常工作。
检查记录日期:____________检查人员:____________检查结果:____________备注:____________结论- 每日进行安全设施检查旨在预防潜在的安全问题。
- 检查人员应认真执行每日检查,并及时报告发现的问题。
- 维护好安全设施是保障工作场所安全的重要措施。
公园游乐设施安全检查表简介本文档为公园游乐设施的安全检查表,旨在确保游乐设施的安全性和使用者的安全。
通过定期检查和维护,可以减少事故风险和维护公众的安全。
检查内容1. 设施外观检查- 检查设施外观是否有明显的破损、裂缝或破裂。
- 检查设施的涂层是否完整,没有剥落或脱落。
- 检查设施是否有松动的部件或锈蚀现象。
2. 设备功能检查- 检查设备的开关、按钮、拉杆等是否正常工作。
- 检查设备的电气设施是否安装牢固,没有暴露的电线或接触点。
- 检查设备的传动系统是否灵活,没有卡住或异常声音。
3. 安全警示标识检查- 检查设施周围是否有明显的安全警示标识。
- 检查标识内容是否清晰可读,没有模糊或褪色现象。
- 检查标识是否布置在合适的位置,能够提醒用户注意安全事项。
4. 地面和支撑结构检查- 检查地面是否平整,没有凹陷或突起。
- 检查地面材料是否安全,没有破损或磨损的现象。
- 检查支撑结构是否稳固,没有明显的松动或变形。
5. 游乐设施周围环境检查- 检查设施周围是否有杂物或障碍物。
- 检查设施周围是否有足够的通行空间。
- 检查设施周围是否有应急设备或救援设备。
检查频率- 外观检查和设备功能检查:每月一次。
- 安全警示标识检查:每季度一次。
- 地面和支撑结构检查:每半年一次。
- 游乐设施周围环境检查:每年一次。
结论本检查表为公园游乐设施的常规安全检查内容,通过定期检查和维护,可以确保设施的安全性和用户的安全。
同时,遵守检查频率和维护指南可以有效减少事故发生的风险并提供公众一个安全的休闲环境。
幼儿园安全设施检查记录表
一、检查表概述
本检查表涵盖了对幼儿园内各项安全设施的全面检查,包括但不限于紧急出口、灭火器、疏散指示牌、防护设施、卫生设施等。
检查表中的每一项都附有详细的说明和评估标准,以确保各项安全设施的有效性和合规性。
二、检查项目及标准
2.1 紧急出口
- 紧急出口是否清晰标识并易于到达?
- 紧急出口的门是否易于打开且无阻碍?
- 紧急出口的照明是否充足?
2.2 灭火器
- 灭火器是否放置在易于取用的位置?
- 灭火器是否在有效期内?
- 灭火器的外观是否有损坏或泄漏?
2.3 疏散指示牌
- 疏散指示牌是否清晰可见且易于理解?- 疏散指示牌的位置是否合理?
- 疏散指示牌的照明是否充足?
2.4 防护设施
- 楼梯扶手是否稳固且无损坏?
- 教室窗户是否有安全锁?
- 尖锐物品是否进行了安全包裹?
2.5 卫生设施
- 洗手间是否干净、整洁?
- 洗手间内的紧急呼叫设备是否正常工作?- 洗手间的照明是否充足?
三、检查记录
检查人员应对每一项安全设施进行详细的检查,并对每一项给出是否符合标准的评估。
如发现不符合标准的情况,应详细记录问题所在,并提出相应的改进建议。
四、检查结果处理
对于不符合标准的安全设施,管理人员应尽快采取措施进行修复或更换,确保幼儿园内的孩子们的安全。
同时,管理人员也应对所有检查结果进行归档,以备日后参考。
通过使用本幼儿园安全设施检查记录表,管理人员和工作人员可以更加系统、全面地进行安全设施的检查,及时发现问题并进行处理,确保幼儿园的安全环境。
压力容器安全检查表
设备名称:编号: 安装位置:使用单位:
检查日期:年月日检查人(签名):
检查日期:年月日检查人(签名):
检查日期:年月日检查人(签名):
空压机安全检查表
设备名称:编号: 安装位置: 使用单位:
检查日期:年月日检查人(签名):
检查日期:年月日检查人(签名):
检查日期:年月日检查人(签名):
检查日期:年月日检查人(签名):
工业管道安全检查表
设备名称:编号: 安装位置:检查日期:年月日检查人(签名):
使用单位:
检查日期:年月日检查人(签名):
检查日期:年月日检查人(签名):。
安全设施明细检查表
序号检查内容配置
数量
设置位置
运行状
况
一、预防事故设施
(一)检测、报警设施
1压力、液位、流量、组
份等报警设施
2可燃气体、有毒有害气
体、氧气等检测和报警
设施
3用于安全检查和安全数
据分析等检验检测设
备、仪器
(二)设备安全防护设施 1防护罩 2防护屏 3负荷限制器 4行程限制器 5制动、限速 6防雷 7防潮 8防晒 9防冻 10防腐 11防渗漏 12传动设备安全锁闭设施 13静电接地设施 (三)防爆设施
1各种电气、仪表的防爆
设施,
2抑制助燃物品混入(如
氮封)
3抑制易燃易爆气体和粉
尘形成等设施
4阻隔防爆等设施、器材 5防爆工(器)具 (四)作业场所防护设施 1作业场所的防辐射 2防静电 3防噪音 4通风(除尘、排毒) 5防护栏(网)、 6防滑、 7防灼烫等设施。
(五)安全警示标志
1包括各种指示、警示作
业安全和。
2逃生避难及等警示标志 3风向标 二、控制事故设施
(六)泄压和止逆设施 1用于泄压的阀门等设施
2、爆破片、
3放空管
4用于止逆的阀门等设
施,
5真空系统的密封设施 (七)紧急处理设施 1紧急备用电源, 2紧急切断、 3分流、 4排放(火炬)
5吸收 6中和 7冷却等设施 8通入或者加入惰性气体 9反应抑制剂等设施
10紧急停车、仪表联锁等
设施
三、减少与消除事故影响设施
(八)防止火灾蔓延设施 1阻火器 2安全水封 3回火防止器 4防油(火)堤
5防爆墙、防爆门等隔爆
设施
6防火墙 7防火门 8蒸汽幕、水幕等设施 9防火材料涂层 (九)灭火设施 1水喷淋 2惰性气体 3蒸汽 4泡沫释放等灭火设施 5消火栓 6高压水枪(炮) 7消防车 8消防水管网 9消防站等 (十)紧急个体处置设施 1洗眼器
2喷淋器 3逃生器 4逃生索 5应急照明等设施 (十
一)
应急救援设施 1堵漏 2工程抢险装备
3现场受伤人员医疗抢救
装备
(十
二)
逃生避难设施
1逃生和避难的安全通道
(梯)
2安全避难所(带空气呼
吸系统)
3避难信号等 (十
三)
劳动防护用品和装备
1对人的防物理、化学因
素伤害的劳动防护用品
和装备。