制动电阻型号大小对照表
- 格式:xlsx
- 大小:21.33 KB
- 文档页数:4
常用制动电阻RXLG-500W20RJ铝壳电阻上海昌日电子科技有限公司提供专业生产制动单元,制动电阻,RXLG-500W20RJ铝壳电阻波纹电阻,刹车电阻,铝壳电阻,水泥电阻,电阻箱,大功率电阻柜等变频器周边无源器件。
RXLG-500W20RJ铝壳电阻铝壳电阻此系列电阻具有耐气候性,耐震动性,易散热等特点;安装紧凑有利于机械保护,数控车床,变频器,伺服务等要求恶劣环境下使用寿命长。
RXLG-500W20RJ 铝壳电阻该系列产品用专门的耐高温电子瓷件作为电阻基体,具有较高的稳固性和热传导性;还专门用高绝缘不燃性填充料灌封,与电阻基体电阻丝及金属外壳紧密结合,与外界完全隔绝,既确保了其电气特性的充分发挥,又大大提高其使用寿命“RXLG-500W20RJ铝壳电阻铝壳电阻刹车电阻制动电阻”的详细描述:加工定制:是品牌:国产型号:RXLG种类:铝壳电阻性能:高性能功率80W外形梯形标称阻值60RJ客户选定制作工艺:其他允许偏差:±5%温度系数:PTC 功率特性:中功率频率特性:低频营销方式:厂家直销厂家上海昌日电子科技有限公司1、RXLG-500W20RJ铝壳电阻具有体积小、功率大、高精密特性,采用专业的工艺灌封,优于国外同类产品,遇热更坚固、更耐温、耐潮湿、高抗防振、防爆优点。
2、RXLG-500W20RJ铝壳电阻功率:5W-500W,可依客户要求制作金黄色、红色、银色等不同外观颜色及无感高精密规格。
3、RXLG-500W20RJ铝壳电阻应用范围:测试老化台电源、变频器、自动化设备、音响、分频器及高要求恶劣工控环境。
4、RXLG-500W20RJ铝壳电阻符合ROHS规范和LEAD-FREE 无铅标准。
5、RXLG-500W20RJ铝壳电阻生产周期:1-2天。
梯形铝壳电阻又被称为铝外壳电阻、铝外壳电阻器、刹车电阻、制动电阻、充电电阻、放电电阻、泄放电阻、限流电阻、老化电阻或负载电阻,具有耐冲击、强功率、快散热、高稳定、寿命长特点,单只功率范围从40W-3000W,广泛用于变频器、电梯、起重、船舶、电力、焊接、电源、风力发电、太阳能发电等行业。
1.5KW变频器配套制动电阻壹,1.5KW变频器配套波纹电阻的作用当变频器带动的电机或其他感性负载在停机的时候,一般都是采用能耗制动的方式来实现的,就是把停止后电机的动能和线圈里面的磁能都通过一个别的耗能元件消耗掉,从而实现快速停车。
当供电停止后,变频器的逆变电路就反向导通,把这些剩余电能反馈到变频器的直流母线上来,直流母线上的电压会因此而升高,当升高到一定值的时候,变频器的1000W波纹电阻就投入运行,使这部分电能通过电阻发热的方式消耗掉,同时维持直流母线上的电压为一个正常值。
波纹电阻型号阻值客户自选功率 60W波纹电阻型号1.5KW变频器配套波纹电阻参数表贰,1.5KW变频器配套波纹电阻结构由三部分组成采用陶瓷管作为骨架,用制作成波纹状合金电阻丝均匀地绕制在骨架上,表面有耐高温的绝缘涂料,安装方便,具有良好散热能力,可用于变频器制动,伺服系统,电源灯电器。
✧陶瓷管是合金电阻丝的骨架,同时具有散热器的功效;✧合金电阻扁带波浪形状,缠绕在陶瓷管表面上,负责将电机的再生电能转化为热能;✧涂层涂在合金电阻丝的表面上,具有耐高温的特性,功用是阻燃。
该1000W波纹电阻采用特制波状扁丝绕制,结合紧密,散热量好,并且工作时无噪音、无干扰、不产生对人有害磁场。
生产是有严格工艺要求。
表面立式波纹有利于散热减少寄生电感量,并选用高阻燃无机涂层,有效保护电阻丝不被氧化,延长使用寿命。
广泛运用于变频器、电梯、起重机、轧机、拉丝机、离心机、负载试验。
参,1.5KW变频器配套波纹电阻波纹电阻外形图1000W波纹电阻常用规格序产品名称规格(W) 外形尺寸(长*宽*高mm) 安装尺寸(长mm) 号电机在快速停车过程中,由于惯性作用,会产生大量的再生电能,如果不及时消耗掉这部分再生电能,就会直接作用于变频器的直流电路部分,轻者,变频器会报故障,重者,则会损害变频器;1000W波纹电阻的应用,很好的解决了这个问题,保护变频器不受电机再生电能的危害1000W波纹电阻保证电源电网络1000W波纹电阻将电机快速制动过程中的再生电能直接转化为热能,这样再生电能就不会反馈到电源电网络中,不会造成电网电压波动,从而起到了保证电源网络的平稳运行的作用。
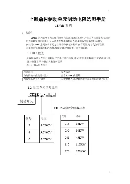
上海鼎树制动单元制动电阻选型手册
CDBR系列
1.综述
CDBR系列制动单元的作用是将马达在减速的过程中产生的再生能量,以热能的形式消耗在制动电阻上,从而改善变频器的制动性能及缩短变频器的制动时间.
在使用CDBR系列制动单元之前,请仔细阅读本说明,如有疑问,请与我公司联系.
本说明对你的日常维护,维修;故障检测,检修提供了有力的帮助.
1.1购入检查
所有制动单元在出厂前均经过严格仔细的检验,测试;在你开箱验收时,请确认如下事项.如有异常,请与我公司业务部联系.
表1-1 购入检查项目
1.2 制动单元型号说明
1.3CDBR系列制动单元技术条件
1.4 CDBR系列制动单元适配制动电阻选用表200V SERIES
ED=20%,起始斩波电压VDC=380V
ED=40%,起始斩波电压VDC=380V
400V SERIES
ED=20%,起始斩波电压VDC=760V
ED=40%,起始斩波电压VDC=760V。
3.7KW变频器配套制动电阻CRRB-400W150RJ壹,3.7KW变频器配套波纹电阻的作用当变频器带动的电机或其他感性负载在停机的时候,一般都是采用能耗制动的方式来实现的,就是把停止后电机的动能和线圈里面的磁能都通过一个别的耗能元件消耗掉,从而实现快速停车。
当供电停止后,变频器的逆变电路就反向导通,把这些剩余电能反馈到变频器的直流母线上来,直流母线上的电压会因此而升高,当升高到一定值的时候,变频器的1000W波纹电阻就投入运行,使这部分电能通过电阻发热的方式消耗掉,同时维持直流母线上的电压为一个正常值。
波纹电阻CRRB-400W150RJ型号CRRB- □W/□RJ阻值客户自选功率400W波纹电阻型号3.7KW变频器配套波纹电阻CRRB-400W150RJ参数表名称波纹电阻品牌上海昌日型号CRRB-400W150RJ 材料线绕匹配变频器 3.7KW 类型通用性性能通用外形圆柱形允许偏差±5% 额定功率400W冷却方式自冷产地上海厂家上海昌日电子科技有限公司2、CRRB-400W150RJ波纹电阻技术性能制动方式自动电压跟踪方式反映时间1ms以下有多种噪声电网电压300-460V,45-66Hz动作电压700V直流,误差2V滞环电压20V制动力巨通常130% ,最大150%保护过热,过电流,短路滤波器有噪声滤波器防护等级IPOO3、CRRB-400W150RJ波纹电阻计算方法:制动力矩1000W波纹电阻92% R=780/电动机KW100% R=700/电动机KW110% R=650/电动机KW120% R=600/电动机KW注:①电阻值越小,制动力矩越大,流过制动单元的电流越大;②不可以使制动单元的工作电流大于其允许最大电流,否则要损坏器件;③制动时间可人为选择;④小容量变频器(≤7.5KW)一般是内接制动单元和1000W波纹电阻的;⑤当在快速制动出现过电压时,说明电阻值过大来不及放电,应减少电阻值.贰,3.7KW变频器配套波纹电阻结构由三部分组成采用陶瓷管作为骨架,用制作成波纹状合金电阻丝均匀地绕制在骨架上,表面有耐高温的绝缘涂料,安装方便,具有良好散热能力,可用于变频器制动,伺服系统,电源灯电器。
11KW变频器配套制动电阻CRRB-1040W50RJ上海昌日电子科技有限公司是专业制造高低压电抗器,变压器,变频器配套元件厂家,欢迎新老顾客来电咨询。
变频器配套元件:波纹电阻器,铝壳电阻器,功率电阻箱,不锈钢电阻器,三相输入滤波器,三相输出滤波器等。
壹,11KW变频器配套波纹电阻的作用当变频器带动的电机或其他感性负载在停机的时候,一般都是采用能耗制动的方式来实现的,就是把停止后电机的动能和线圈里面的磁能都通过一个别的耗能元件消耗掉,从而实现快速停车。
当供电停止后,变频器的逆变电路就反向导通,把这些剩余电能反馈到变频器的直流母线上来,直流母线上的电压会因此而升高,当升高到一定值的时候,变频器的1000W波纹电阻就投入运行,使这部分电能通过电阻发热的方式消耗掉,同时维持直流母线上的电压为一个正常值。
波纹电阻CRRB-1040W50RJ型号CRRB- □W/□RJ阻值客户自选功率400W波纹电阻型号11KW变频器配套波纹电阻CRRB-1040W50RJ参数表名称波纹电阻品牌上海昌日型号CRRB-1040W50RJ 材料线绕匹配变频器11KW 类型通用性性能通用外形圆柱形允许偏差±5% 额定功率1040W 冷却方式自冷产地上海厂家上海昌日电子科技有限公司2、CRRB-1040W50RJ波纹电阻技术性能制动方式自动电压跟踪方式反映时间1ms以下有多种噪声电网电压300-460V,45-66Hz动作电压700V直流,误差2V滞环电压20V制动力巨通常130% ,最大150%保护过热,过电流,短路滤波器有噪声滤波器防护等级IPOO3、CRRB-1040W50RJ波纹电阻计算方法:制动力矩1000W波纹电阻92% R=780/电动机KW100% R=700/电动机KW110% R=650/电动机KW120% R=600/电动机KW注:①电阻值越小,制动力矩越大,流过制动单元的电流越大;②不可以使制动单元的工作电流大于其允许最大电流,否则要损坏器件;③制动时间可人为选择;④小容量变频器(≤11KW)一般是内接制动单元和1000W波纹电阻的;⑤当在快速制动出现过电压时,说明电阻值过大来不及放电,应减少电阻值.贰,11KW变频器配套波纹电阻结构由三部分组成采用陶瓷管作为骨架,用制作成波纹状合金电阻丝均匀地绕制在骨架上,表面有耐高温的绝缘涂料,安装方便,具有良好散热能力,可用于变频器制动,伺服系统,电源灯电器。
制动单元使用说明书Braking unit instructions深圳市欧诺克科技有限公司制动单元型号说明- 5P5制动单元DB:制动单元5P5:0~5.5KW额定电压01: 18V~90VDC 02: 18V~180VDCDB - 01额定功率型号电压功率DB-01-5P518~90VDC 0~5.5KW DB-02-5P518~180VDC0~5.5KW制动单元型号汇总一、制动单元原理:制动单元由大功率晶体管MOS及其驱动电路构成。
其功能是为放电电流环节电容器在规 定的电压范围内储存不了或者内接的制动电阻来不及消耗掉而使直流部分“过压”时,需要 加外接制动组件,以加快消耗再生电能的速度。
二、制动单元+电阻:制动单元由大功率晶体管MOS及其驱动电路构成。
其功能是为放电电流IB流经制动电阻提 供通路。
制动单元的动作过程:a、当电动机在外力的作用下减速时,电机以发电状态运行,产生再生能量。
其产生的三相交流电动势被变频器逆变部分的六个续流二极管组成的三相全控桥整流,使变频器内直 流母线电压持续升高。
b、当直流电压达到某一电压(制动单元的开启电压)时,制动单元功率开关管开通,电流流 过制动电阻。
c、制动电阻释放热量,吸收再生能量,电机转速下降,变频器直流母线电压降低。
d、当直流母线电压降到某一电压(制动单元停止电压)时,制动单元的功率管关断。
此时没 有制动电流流过电阻,制动电阻在自然散热,降低自身温度。
e、当直流母线的电压重新升高使制动单元动作时,制动单元将重复以上过程,平衡母线 电压,使系统正常运行。
由于制动单元的工况属于短时工作,即每次的通电时间很短,在通电时间内,其温升远 远达不到稳定温升;而每次通电后的间歇时间则较长,在间歇时间内,其温度足以降到与 环境温度相同,因此制动电阻的额定功率将大大降低,价格也随之下降;另外由于IGBT只 有一个,制动时间为ms级,对功率管开通与关断的暂态性能指标要求低,甚至要求关断 时间尽量短,以减少关断脉冲电压,保护功率管;控制机理也相对简单,实现较为容易。
感謝您選用台達VFDB 動力制動煞車模塊。
VFDB 制動單元主要應用於當三相感應電機由交流電機驅動器所驅動,在減速停止時用以吸收由電機側所回生的能量,藉由VFDB 制動單元將此能量以熱能的方式消耗在煞車電阻上。
本產品在安裝使用前,請詳細參閱使用手冊的說明再進行施工配線,以免造成機械或人員的傷害。
VFDB 動力制動煞車模塊適用於本公司VFD 所有系列的交流電機驅動器。
VFDB 制動單元需搭配煞車電阻BR 系列,才能發揮優異的制動特性,詳細的規格及使用方法請繼續參閱本使用說明書。
VFDB 制動單元規格使用電壓等級 230V 級 460V 級型號 VFDB-□□□□2015 2022 4030 4045 最大適用電機容量 (KW)15 22 30 45 最大放電電流(Apeak)10ED%40 60 40 60 連續放電電流 (A)15 20 15 18 輸 出 額 定 制動起始電壓 (DC)330/345/360/380/400/415±3V 660/690/720/760/800/830±6V 電源直流電壓 200—400VDC 400—800VDC散熱片過熱 溫度開關 +95℃故障輸出 RELAY 接點5A120Vac/28Vdc(RA.RB.RC)保護充電中顯示 主回路 (P-N) 電壓在50VDC 以下熄滅 安裝場所 屋內(無腐蝕性氣體、金屬粉塵)環境溫度 -10℃∼+50℃儲存溫度 -20℃∼+60℃濕度 90%RH 以下不結露使用環境振動 20Hz 以下9.8m/S 2(1G)、20∼50Hz 2m/S 2(0.2G) 機構構造 閉掛型IP50BR 制動電阻規格型 號 規 格BR1K5W005 1500W 5.0Ω BR1K2W6P8 1200W 6.8Ω BR1K2W008 1200W 8.0Ω BR1K5W040 1500W 40Ω BR1K0W0501000W50Ω各部名稱及功能說明各端子使用線徑回路名稱端子記號導線線徑AWG/mm2端子規格電源輸入回路+ (P)、- (N) 10∼12AWG/3.5∼5.5mm24mm 煞車電阻回路B1、B2 10∼12AWG/3.5∼5.5mm24mm連動及故障回路M1、M2S1、S2RA、RB、RC20∼18AWG/0.25∼0.75mm2M1.M2.S1.S2需用隔離線2mm基本配線圖當交流驅動器有加裝直流電抗器(時,其煞車模塊之電源輸入迴路+()端的配線方法,可參考交流電ㄐ驅動器手冊。
制动电阻的选型:动作电压710V1) 电阻功率(千瓦)=电机千瓦数*(10%--50%),1) 制动电阻值(欧姆)粗略算法:R=U/2I~U/I 在我国,直流回路电压计算如下:U=380*1.414*1.1V=600V 其中,R:电阻阻值U:直流母线放电电压,I:电机额定电流2) 最小容许电阻(欧姆):max(驱动器technical data中要求,放电电压/额定电流),制动单元与制动电阻的选配A、首先估算出制动转矩=((电机转动惯量+电机负载测折算到电机测的转动惯量)*(制动前速度-制动后速度))/375*减速时间-负载转矩一般情况下,在进行电机制动时,电机内部存在一定的损耗,约为额定转矩的18%-22%左右,因此计算出的结果在小于此范围的话就无需接制动装置;B、接着计算制动电阻的阻值=制动元件动作电压值的平方/(0.1047*(制动转矩-20%电机额定转矩)*制动前电机转速)在制动单元工作过程中,直流母线的电压的升降取决于常数RC,R即为制动电阻的阻值,C为变频器内部电解电容的容量。
这里制动单元动作电压值一般为710V。
C、然后进行制动单元的选择在进行制动单元的选择时,制动单元的工作最大电流是选择的唯一依据,其计算公式如下:制动电流瞬间值=制动单元直流母线电压值/制动电阻值D、最后计算制动电阻的标称功率由于制动电阻为短时工作制,因此根据电阻的特性和技术指标,我们知道电阻的标称功率将小于通电时的消耗功率,一般可用下式求得:制动电阻标称功率 = 制动电阻降额系数 X 制动期间平均消耗功率 X 制动使用率%制动特点能耗制动(电阻制动)的优点是构造简单,缺点是运行效率降低,特别是在频繁制动时将要消耗大量的能量,且制动电阻的容量将增大。
制动电阻计算方法:制动力矩制动电阻92% R=780/电动机KW100% R=700/电动机KW110% R=650/电动机KW120% R=600/电动机KW注:①电阻值越小,制动力矩越大,流过制动单元的电流越大;②不可以使制动单元的工作电流大于其允许最大电流,否则要损坏器件;③制动时间可人为选择;④小容量变频器(≤7.5KW)一般是内接制动单元和制动电阻的;⑤当在快速制动出现过电压时,说明电阻值过大来不及放电,应减少电阻值.电阻功率计算方法:制动性质电阻功率一般负荷 W(Kw)=电阻KWΧ10℅频繁制动(1分钟5次以上) W(Kw)=电阻KWΧ15℅长时间制动(每次4分钟以上) W(Kw)=电阻KWΧ20℅欢迎您的下载,资料仅供参考!致力为企业和个人提供合同协议,策划案计划书,学习资料等等打造全网一站式需求。
第九章 煞車電阻選用一覽表適用電機 制動單元 電 壓HP kW全載輸出轉矩KG-M每台變頻器等效煞車電阻規格型式 VFDB用量制動電阻 料號 用 量制動 轉矩 10%ED%每台變頻器等效最小電阻值1 0.75 0.427 80W 200Ω BR080W2001 125 80Ω2 1.5 0.849 300W 100Ω BR300W100 1 125 55Ω3 2.2 1.262 300W 70Ω BR300W0701 125 35Ω 5 3.7 2.080 400W 40Ω BR400W040 1 125 25Ω 7.5 5.5 3.111 500W 30Ω BR500W0301 125 16Ω 10 7.5 4.148 1000W 20Ω BR1K0W0201 125 12Ω 15 11 6.186 2400W 13.6Ω BR1K2W6P82 125 13.6 20 15 8.248 3000W 10Ω 2015 1 BR1K5W005 2 125 10Ω 25 18.5 10.281 4800W 8Ω 2022 1 BR1K2W008 4 125 8Ω 30 22 12.338 4800W 6.8Ω 2022 1 BR1K2W6P84 125 6.8Ω 40 30 16.497 6000W 5Ω 2015 2 BR1K5W005 4 125 5Ω 230V 系列50 37 20.6 9600W 4Ω 2015 2 BR1K2W0088 125 4Ω1 0.75 0.427 80W 750Ω BR080W7501 125 260Ω2 1.5 0.849 300W 400Ω BR300W400 1 125 190Ω3 2.2 1.262 300W 250Ω BR300W2501 125 145Ω 5 3.7 2.080 400W 150Ω BR400W150 1 125 95Ω 7.5 5.5 3.111500W 100Ω BR500W1001 125 60Ω 10 7.5 4.148 1000W 75Ω BR1K0W075 1 125 45Ω 15 11 6.186 1000W 50Ω BR1K0W050 1 125 50Ω 20 15 8.248 1500W 40Ω 4030 1 BR1K5W040 1 125 40Ω 25 18.5 10.2814800W 32Ω 4030 1 BR1K2W008 4 125 32Ω30 22 12.338 4800W 27.2Ω 4030 1 BR1K2W6P8 4 125 27.2Ω 40 30 16.497 6000W 20Ω 4030 1 BR1K5W005 4 125 20Ω 50 37 20.69600W 16Ω 4045 1 BR1K2W008 8 125 16Ω60 45 24.745 9600W 13.6Ω 4045 1 BR1K2W6P8 8 125 13.6Ω 75 55 31.11 12000W 10Ω 4030 2 BR1K5W005 8 125 10Ω 460V 系列100 75 42.7 19200W 6.8Ω 4045 2 BR1K2W6P8 16 125 6.8Ω注意事項:1. 請選擇本公司所制定的電阻值瓦特數及使用的頻率(ED%)。
2.2KW变频器配套制动电阻CRRB-300W250RJ壹,2.2KW变频器配套波纹电阻的作用当变频器带动的电机或其他感性负载在停机的时候,一般都是采用能耗制动的方式来实现的,就是把停止后电机的动能和线圈里面的磁能都通过一个别的耗能元件消耗掉,从而实现快速停车。
当供电停止后,变频器的逆变电路就反向导通,把这些剩余电能反馈到变频器的直流母线上来,直流母线上的电压会因此而升高,当升高到一定值的时候,变频器的1000W波纹电阻就投入运行,使这部分电能通过电阻发热的方式消耗掉,同时维持直流母线上的电压为一个正常值。
波纹电阻CRRB-300W250RJ型号CRRB- □W/□RJ阻值客户自选功率250W波纹电阻型号2.2KW变频器配套波纹电阻CRRB-300W250RJ参数表名称波纹电阻品牌上海昌日型号CRRB-300W250RJ 材料线绕匹配变频器 2.2KW 类型通用性性能通用外形圆柱形允许偏差±5% 额定功率300W冷却方式自冷产地上海厂家上海昌日电子科技有限公司贰,2.2KW变频器配套波纹电阻结构由三部分组成采用陶瓷管作为骨架,用制作成波纹状合金电阻丝均匀地绕制在骨架上,表面有耐高温的绝缘涂料,安装方便,具有良好散热能力,可用于变频器制动,伺服系统,电源灯电器。
✧陶瓷管是合金电阻丝的骨架,同时具有散热器的功效;✧合金电阻扁带波浪形状,缠绕在陶瓷管表面上,负责将电机的再生电能转化为热能;✧涂层涂在合金电阻丝的表面上,具有耐高温的特性,功用是阻燃。
该CRRB-300W250RJ波纹电阻采用特制波状扁丝绕制,结合紧密,散热量好,并且工作时无噪音、无干扰、不产生对人有害磁场。
生产是有严格工艺要求。
表面立式波纹有利于散热减少寄生电感量,并选用高阻燃无机涂层,有效保护电阻丝不被氧化,延长使用寿命。
广泛运用于变频器、电梯、起重机、轧机、拉丝机、离心机、负载试验。
参,2.2KW变频器配套波纹电阻波纹电阻外形图CRRB-300W250RJ波纹电阻常用规格序产品名称规格(W) 外形尺寸(长*宽*高mm) 安装尺寸(长mm)号1波纹电阻器CRRB 200 239*40*81 2172 300 326*40*81 3043 400 326*40*81 3044 500 389*40*81 3675 600 360*50*99 3386 750 360*50*99 3387 1000 350*60*119 3258 1250 465*60*119 4409 1500 465*60*119 44010 2000 560*60*119 53511 2500 650*60*119 62512 3000 650*60*119 625肆,波纹电阻如何保护变频器电机在快速停车过程中,由于惯性作用,会产生大量的再生电能,如果不及时消耗掉这部分再生电能,就会直接作用于变频器的直流电路部分,轻者,变频器会报故障,重者,则会损害变频器;1000W 波纹电阻的应用,很好的解决了这个问题,保护变频器不受电机再生电能的危害CRRB-300W250RJ波纹电阻保证电源电网络CRRB-300W250RJ波纹电阻将电机快速制动过程中的再生电能直接转化为热能,这样再生电能就不会反馈到电源电网络中,不会造成电网电压波动,从而起到了保证电源网络的平稳运行的作用。