(完整版)变压器、箱式变电所安装-技术交底
- 格式:doc
- 大小:45.02 KB
- 文档页数:2
变压器、箱式变电站安装施工工艺3.1 材料要求3.1.1 变压器、箱式变电站应符合下列规定:1 变压器、箱式变电站出厂试验记录及随带技术文件应齐全;2 铭牌标注的规格、型号、容量、一次二次额定电压、电流、阻抗及接线组别等技术参数应清晰;3 带有防护罩的干式变压器,变压器与防护罩的间距应符合技术标准的规定;4 设有通风口的箱式变电站,通风口防护网完好,内外涂层完整、无损伤。
3.1.2 辅材应符合下列规定:1 各种型钢应无明显锈蚀;2 除地脚螺栓及防震装置螺栓外,螺栓等紧固件均应采用热浸镀锌螺栓,平垫圈和弹簧垫圈应齐全。
3.2 主要机具3.2.1 搬运机具应包括汽车吊、卷扬机、吊链、钢丝绳、钢管。
3.2.2 安装机具应包括台钻、砂轮机、台式虎钳、液压升降机、套丝机、电气焊机具;电钻、电锤、液压钳、扳手等工具。
3.2.3 测量工具应包括钢卷尺、钢板尺、水平仪、测距仪、塞尺、线坠等器具。
3.2.4 测量仪表应包括接地电阻测试仪、不同电压等级的绝缘电阻测试仪、钳形电流表、万用表、电桥、温度计及交接试验仪器。
3.2.5 高低压验电器、高低压接地线等安全工具。
3.3 作业条件3.3.1 设计图纸及技术资料应齐全完整、核对无误。
3.3.3 安装位置通道应畅通,场地应整洁、无杂物。
3.3.4 施工安装机具应检查合格,专用工具应试验合格。
3.3.5 变配电室应符合下列规定:1 变压器、箱式变电站基础应验收合格;2 基础的电线电缆导管,进、出线预留孔及预留相关构件、设备的位置、方向、间距等应验收合格;3 电缆沟、夹层,屋顶涂料、墙体装饰面、室内地面、门窗等应施工完毕;4 变配电室内不应有其他无关的管道通过;5 室内应清洁,无渗、漏水现象。
3.4施工工艺3.4.1变压器安装工艺流程应符合图3.4.1的规定:设备点件检查→→变压器二次搬运→→变压器稳装→→附件安装→→→→变压器检查及交接试验→→送电前检查→→送电运行验收图3.4.1 变压器安装工艺流程3.4.2 设备点件检查应符合下列规定:1 变压器本体及外观检查应无损伤、变形、油漆脱落等现象;2 应按施工图纸、设备技术文件及设备清单,检查变压器规格型号;应对变压器附件、备件进行点件检查,确认附件、备件齐全,无损坏;3 绝缘瓷件及环氧树脂铸件应无损伤、裂纹等缺陷;连接点应牢固;4 设备点件检查后,应由安装单位、监理单位、供货单位代表共同签认后,将记录存档;5 箱式变电站通风口网及内外涂层应完好、无损伤。
********110kV变电所电气安装工程安全技术措施交底******兴电力工程建设有限公司主管:审核:编制:交底人:接受人:********110kV变电所电气安装及调试工程安全技术交底一、工程简况及特点(一)工程简况:1.1 主变压器部分:安装主变压器2台,容量40000kVA,及中性点隔离开关、电流互感器、避雷器安装;1.2 110kV配电装置: 110kV GIS(SF6)组合电器7组;1.3 电容器:框架式电容器组4组1.4 10kV开关柜,交、直流屏:10kV主变进线柜2台,#2主变进线隔离柜1台、#2主变Ⅳ段进线柜1台,10kV馈线柜20台、10kV电压互感器柜3台,10kV 电容器柜4台,10kV 母联柜1台、10kV I、 II段母联刀闸柜1台,10kV 接地变柜2台, 10kV 所用变柜2台,Ⅲ、Ⅳ段母联刀闸柜1台,10kV封闭母线桥2套,10kV穿墙封闭母线桥2套,10kV穿墙套管6只1.5 综合自动化系统:变压器保护测控屏1台,备投及充电保护测控屏1台,10kV馈线保护测控装置12台,10kV电容器保护测控装置。
二次部分为以上电气设备相应的控制、保护系统。
(二)工程特点:本所为无人值守变电所,由****电业局调度中心通过远动主站对本站主要电气设备进行监察,控制。
本所设微机监控系统,不设常规监控屏或模拟屏。
有关人员可在本所内通过布置在控制室内的工程师站对主要电气设备进行调试、检修、维护。
在施工中应严格遵守《电力建设安全工作规程》(变电所部分)等有关规定,将安全施工作为头等大事来抓。
二总的要求:1、设备及器材到达现场后,应检查包装及密封是否良好;而后开箱检查清点,认真核对设备、器材、有关技术参数、尺寸是否符合设计要求,发现问题,及时反馈给设计部门;检查设备及器材是否符合国家现行技术标准的规定,有否合格证及铭牌,发现问题,应及时向公司领导汇报。
2、设备安装前,应组织有关施工人员到施工现场检查是否具备电气装置安装条件,特别应详细检查预埋件及预留孔是否符合设计要求,发现问题应及时反馈个筹建单位。
变压器、箱式变电所安装工艺工法标准1.1 一般规定1.1.1 本章适用于油浸式电力变压器、树脂浇铸干式变压器及箱式变电所安装的施工操作和质量检验。
1.1.2 变压器、箱式变电所、高压电器及电磁制品应符合下列规定:1查验合格证和随带技术文件,变压器有出厂试验记录;2外观检查:有铭牌,附件齐全,绝缘件无缺损、裂纹,充油部分不渗漏,充气高压设备气压指示正常,涂层完整。
1.1.3变压器本体外观检查无损伤及变形,油漆完好无损伤。
箱式变电所内外涂层完整、无损伤,有通风口的风口防护网完好。
1.1.4 变压器及箱式变电所安装前应满足一定的作业条件,安装位置应正确无误。
1.1.5变压器基础的轨道应水平,轨距与轮距应配合,装有气体继电器的变压器顶盖,沿气体继电器的气流方向有1.0%~1.5%的升高坡度。
1.1.6变压器、箱式变电所在试运行前,应进行全面检查,确认其符合运行条件时,方可投入试运行。
1.1.7 变压器、箱式变电所安装应按以下程序进行:1 变压器、箱式变电所的基础验收合格,且对埋入基础的电线导管、电缆导管和变压器进、出线预留孔及相关预埋件进行检查,才能安装变压器、箱式变电所;2 杆上变压器的支架紧固检查后,才能吊装变压器且就位固定;3 变压器及接地装置交接试验合格,才能通电。
1.2 施工准备1.2.1技术准备1.2.1.1进行图纸会审,复核设计安装方式是否符合现行国家规范的要求。
1.2.1.2施工前应编制施工组织设计(施工方案),并报相应管理部门进行审批。
1.2.1.3 进行设计交底和技术交底。
1.2.2材料准备变压器、箱式变电所、型钢、紧固件、蛇皮管、耐油塑料管、变压器油。
1.2.3主要机具1.2.3.1搬运吊装机具设备:汽车吊、汽车、卷扬机、千斤顶、倒链、道木、钢丝绳、钢丝绳轧头、钢丝绳套环、麻绳、滚杠。
1.2.3.2安装机具设备:台钻、砂轮机、电焊机、气焊工具、电锤、冲击电钻、扳手、液压升降梯、套丝机。
变压器安全交底8篇目前,即将进行针梁台车混凝土衬砌作业,混凝土泵型号为hbt60,电机功率为75kw,为满意隧道衬砌及滞后进行的回填灌浆等作业需要,缩短低压供电半径,满意用电需求,确保施工生产,必需在距合同衬砌桩号约500m处的倒车洞内安装200kva配电变压器,由10 kv 高压电缆供电。
1.变压器初次安装桩号:变压器随着衬砌进度向后移设,桩号见附表;2.主洞内敷设的10kv高压交联电缆采纳zr-yjlv22-15/8.7kv-3*35 mm2(阻燃型铝芯交联聚乙烯绝缘钢带铠聚氯乙烯护套电力电缆);合计10千米,不含13#下游和14#上游;3.高压电缆放线时必需采纳装载机吊电缆盘倒退,人工帮助放缆的方式(类似放缆车),既省人工,电缆亦不受拉力而损伤;4.高压电缆临时存放和施工时锯口必需用多层塑料袋或高压胶布、塑料胶布临时封闭;5.主洞内高压电缆可采纳镀锌钢绞线和电缆挂钩沿洞壁悬挂方式敷设;亦可使用电锤钻孔插钢筋架设电缆方式,但间距不宜过大,宜5-7米,钢筋上套废胶管,以免损伤电缆;6.为了平安,电缆宜悬挂在洞壁腰线高程,若与低压线路安装在同一侧,应处于低压电缆和照明线上方;7.电缆每约200米设环形弯预留余量,便利电缆处理故障时挪动;8.高压电缆从岔口跌落开关上端头取电源;9.电缆中间接头使用10kv冷缩三芯中间接头jls-15/3.125-50mm2,固定时不得受拉力太大,并与岩壁保持平安距离;10.电缆终端接头使用10kv冷缩三芯户外终端接头wls-15/3.125-50mm2,必需严格根据说明书工艺要求制作;11.电缆跨越洞顶和岔口时,或其他易发生刮碰处,应贴红白相间反光条和挂高压危急警示牌以示警示;其他处每50-100米挂1个高压危急反光警示牌;12.停电后或使用2500v高压摇表摇测后,高压电缆必需作短路接地放电,以确保电工作业平安。
13.变压器洞围栏宜使用彩钢瓦封闭,以免运输钢筋时发生误碰或泥水溅入;14.变压器洞不行兼作它用,不行存放其他材料,非电工作业不得进入,防护栏与电气设备平安距离至少1米;15.变压器洞围栏外设置2盏15w红灯预警,并贴反光标志,悬挂“高压危急”标志牌;16.变压器安装使用s11-m-200/10,假如回填灌浆作业同期进行容量不够,或电压降大起车困难,可考虑更换为s11-m-315/10;17.变压器设可拆卸钢底座,高0.5-1米,以免太矮易被过往车辆溅上赃物;18.跌落开关至变压器电缆可不加装套管,留意禁止踩踏;19.变压器接地采纳三位一体的接地方式,即高压电缆外皮、变压器外壳、工作零线(可担心装避雷器)及防护栏等金属必需接地;20.变台接地系统要求≤4ω,预先在混凝土垫层施工时,埋设11根2m接地桩和60米-40*4镀锌扁钢;若因漏埋或接地阻值不够,可借用四周钢拱架或水坑补设接地极;实在不够时,变台地面必需用-40*4镀锌扁钢及500*400*60降阻模块设置均压带,实施等电位连接,以降低危急;21.变台内地面必需保持干燥,可铺1层废弃骨料;22.跌落开关安装高度宜4.0米,若洞室高度不够,必需保证跌落开关与岩壁的平安距离0.7米;若安装在配电变压器上方,应与配变的最外轮廓边界保持0.5m以上的水平距离;户外安装相间距离要求大于70cm;23.洞内禁止使用质量低劣的跌落开关,以免弧光放电接地产生危急;24.跌落开关选用rw11-10/100a高压跌落式熔断器;安装时熔管应有向下25度的倾角,以利熔体熔断时熔管能依靠自身重量快速跌落;跌落开关安装时必需加延长板,以增加平安距离;熔管的长度应调整适中,以免在运行中发生自行跌落的误动作,熔管亦不行顶死鸭嘴,以防止熔体熔断后熔管不能自由跌落;跌落开关烧损后,最好更换总成,只更换熔管易发生二次故障;熔管上部的圆片必需安装,它的作用是保证小电流熔断时牢靠灭弧;25.高压熔丝按1.5-2倍选择,可选用25a;所使用的熔体必需是正规厂家的标准产品;26.尽量不在洞内操作跌落开关,停送电最好在洞外操作;留意跌落式熔断器三相的操作挨次:停电操作时,应先拉中间相,后拉两边相;送电时则先合两边相,后合中间相;遇到大风时,要按先拉中间相,再拉背风相,最终拉迎风相的挨次进行停电;送电时则先合迎风相,再合背凤相,最终合中间相,这样可以防止风吹电弧造成短路;27.变压器洞室应做好防水和防落石工作,洞室顶部不得有渗漏水现象;28.低压总开关必需安装万能式自动空气断路器,不行甩掉欠电压爱护,过载爱护不行整定太大,以75kw电机起动不掉闸为原则。
变压器、箱式变电所安装适用于油浸式电力变压器、树脂浇铸干式变压器及箱式变电所安装的施工操作和质量检验。
5.1.2 变压器、箱式变电所、高压电器及电磁制品应符合下列规定:1 查验合格证和随带技术文件,变压器有出厂试验记录;2 外观检查:有铭牌,附件齐全,绝缘件无缺损、裂纹,充油部分不渗漏,充气高压设备气压指示正常,涂层完整。
5.1.3 变压器本体外观检查无损伤及变形,油漆完好无损伤。
箱式变电所内外涂层完整、无损伤,有通风口的风口防护网完好。
5.1.5 变压器基础的轨道应水平,轨距与轮距应配合,装有气体继电器的变压器顶盖,沿气体继电器的气流方向有1.0%~1.5%的升高坡度。
5.1.7 变压器、箱式变电所安装应按以下程序进行:1 变压器、箱式变电所的基础验收合格,且对埋入基础的电线导管、电缆导管和变压器进、出线预留孔及相关预埋件进行检查,才能安装变压器、箱式变电所;2 杆上变压器的支架紧固检查后,才能吊装变压器且就位固定;3 变压器及接地装置交接试验合格,才能通电。
5.2.2 材料准备:变压器、箱式变电所、型钢、紧固件、蛇皮管、耐油塑料管、变压器油。
5.2.3.1 搬运吊装机具设备:汽车吊、汽车、卷扬机、千斤顶、倒链、道木、钢丝绳、钢丝绳轧头、钢丝绳套环、麻绳、滚杠。
5.2.3.2 安装机具设备:台钻、砂轮机、电焊机、气焊工具、电锤、冲击电钻、扳手、液压升降梯、套丝机。
5.2.2.3 测试仪器:钢卷尺、钢板尺、水平仪、塞尺、磁力线坠、摇表、玻璃温度计、钳形电流表、万用表、电桥及试验仪器。
5.2.4.1 安装前,建筑工程应具备下列条件:1屋顶、楼板、门窗等均已施工完毕,并且无渗漏,有可能损坏设备、变压器安装后不能再进行施工的装饰工作应全部结束。
2 室内地面的基层施工完毕,并在墙上标出地面标高。
4 预埋件及预留孔符合设计要求,预埋件牢固。
5 模板及施工设施拆除,场地清理干净。
5.2.4.3 安装干式变压器室内应无灰尘,相对湿度宜保持在70%以下。
一、工程概况1. 工程名称:XX变电站扩建工程2. 工程地点:XX市XX区XX变电站3. 工程规模:新建XX台主变压器,扩建XX回输电线路4. 工程总投资:XX万元5. 施工单位:XX施工单位6. 监理单位:XX监理单位二、安全技术交底1. 人员安全(1)所有参建人员必须严格遵守国家有关安全生产的法律法规和操作规程,提高安全意识,确保人身安全。
(2)施工单位应配备专职安全员,负责施工现场的安全管理,确保施工现场安全。
(3)作业人员必须佩戴安全帽、安全带、绝缘手套等个人防护用品。
2. 施工现场安全(1)施工现场应设置明显的安全警示标志,包括安全通道、危险区域、禁止区域等。
(2)施工现场应保持整洁,及时清理施工现场的废弃物、杂物等。
(3)施工现场应设置消防设施,并确保消防设施完好有效。
3. 电气安全(1)施工现场的电气设备应按照规定进行安装、调试和使用,确保设备安全可靠。
(2)电气设备操作人员必须具备相应的电气操作资格证书,严格遵守操作规程。
(3)施工现场的电气线路应按照规定进行敷设,确保线路安全可靠。
4. 设备安全(1)设备在运输、安装、调试过程中,应严格遵守操作规程,确保设备安全。
(2)设备操作人员必须熟悉设备的性能、操作规程和安全注意事项。
(3)设备在使用过程中,应定期进行维护保养,确保设备正常运行。
5. 特种作业安全(1)高处作业、吊装作业、爆破作业等特种作业,必须办理相关作业许可证,并严格遵守操作规程。
(2)特种作业人员必须具备相应的特种作业操作资格证书,严格遵守操作规程。
(3)特种作业现场应设置安全防护设施,确保作业人员安全。
6. 环境保护(1)施工现场应做好环境保护工作,减少对周围环境的影响。
(2)施工现场应合理规划,减少占用土地,节约资源。
(3)施工现场应做好废水、废气、固体废弃物的处理,确保符合环保要求。
三、施工组织与协调1. 施工单位应建立健全施工组织机构,明确各级管理人员职责。
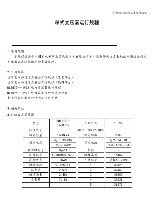
箱式变压器运行规程1 适用范围本规程适用于中国水电顾问集团风电××有限公司××风电场风力发电机组专用组合箱式变压器正常运行维护和事故处理。
2 引用标准国家电网公司电力安全工作规程(变电部分)国家电网公司电力安全工作规程(线路部分)DLT572—-1995 电力变压器运行规程DLT596-—1996 电力设备预防性试验规程相关设备技术参数说明及使用手册3 相关参数3.1 组合式变压器3.2 负荷开关技术参数3.3 YSF6-□/□型系列压力释放阀技术参数3.4 三相组合式过电保护器技术参数3.5 熔断器技术参数3.6 低压断路器技术参数4 运行前检查和试验4.1核对变压器铭牌数据、开关分接位置和变压器接线是否和电网匹配。
4.2检查箱变外观是否良好,是否有渗漏油现象,高、低压开关室门锁是否完好,有无锈蚀、磕碰和破损现象;检查低压开关室内的元件二次接线是否松动.4。
3上述检查完毕后,箱变须按GB50150—1990《电气装置安装工程电气设备交接试验标准》进行安装前试验。
通过上述交接试验即可投入运行。
5 运行规定5.1投入运行5。
1。
1箱变应可靠接地。
高低压开关室内均有接地螺栓。
5.1.2箱变投入运行前,必须先操作压力释放阀将油箱内部可能存在的压力释放掉。
5.1。
3压力释放阀的操作应在压力表处于正压的情况下进行,否则会使油箱呈负压而吸入潮气。
5。
1。
4在运行过程中,切换负荷开关必须由持有高压操作证书的电工使用专用操作杆按《高压操作规定》进行操作。
5。
1。
5当有异常情况发生时,可通过检查油位、温度、取油样等进行判断.5。
2箱变允许运行方式5。
2。
1 额定运行5.2。
1。
1 在规定的冷却条件下,可按铭牌规范运行。
5.2.1.2箱变运行中的允许温度应按油面温度来检查,油面温升值应不超过标准中规定的数值。
5.2。
1.3箱变的输入电压可以比额定值较高,但一般不超过额定值的5‰。
变压器、箱式变电所安装施工规范1、范围本工艺标准适用于一般工业与民用建筑电气安装工程干式变压器和箱式变电所的安装.2、施工准备2.1 设备及材料要求变压器、箱式变电所、型钢、紧固件等.2.1。
1 变压器的规格型号及容量符合施工图纸设计要求。
并有合格证、出厂试验记录及技术数据文件。
2.1。
2 外观检查:变压器应装有铭牌。
铭牌上应注明制造厂名、型号、额定容量,一二次额定电压、电流、阻抗电压及接线组别、重量、制造年月等技术数据.附件、备件齐全,无锈蚀及机械损伤,密封应良好。
绝缘件无缺损、裂纹和瓷件瓷釉损坏等缺陷,外表清洁,测温仪表指示正确.2。
1。
3 干式变压器的局放试验PC 值及噪音测试器dB(A)值应符合设计及标准要求。
带有防护罩的干式变压器、防护罩与变压器的距离应符合技术标准的规定。
2。
1。
4 型钢:各种规格型钢应符合设计要求,并无明显锈蚀.2。
1.5 螺栓:除地脚螺栓及防震装置螺栓外,均应采用镀锌螺栓,并配相应的平垫圈和弹簧垫。
2。
2 主要机具2.2。
1搬运吊装机具设备:汽车吊、汽车、千斤顶、倒链、道木、钢丝绳、钢丝绳轧头、钢丝绳套环、麻绳、滚杠。
2。
2。
1 安装机具设备:台钻、砂轮机、电焊机、气焊工具、电锤、冲击电钻、扳手、液压升降梯、套丝机。
2。
1。
2 测试工具::钢卷尺、钢板尺、水平仪、塞尺、磁力线坠、摇表、温度计、钳形电流表、万用表、电桥及试验仪器.2。
3 作业条件2.3.1 安装前,土建程应具备下列条件:1)屋顶、楼板、门窗等均已施工完毕,并且无渗漏,有可能损坏设备、变压器安装后不能再进行施工的装饰工作应全部结束。
2)室内地面的基层施工完毕,并在墙上标出地面标高。
3)混凝土基础及构架达到允许安装的强度,焊接构件的质量符合要求.4)预埋件及预留孔符合设计要求,预埋件牢固。
5) 模板及施工设施拆除,场地清理干净。
6)具有足够的施工用场地,道路通畅。
2。
3。
2 安装干式变压器室内应无灰尘,相对湿度宜保持在70%以下。
箱式变电所安装箱式变电所安装1.工艺流程2.测量定位:按设计施工图纸所标定位置及坐标方位、尺寸,进行测量放线确定箱式变电所安装的底盘线和中心轴线,并确定地脚螺栓的位置。
3.基础型钢安装(1)预制加工基础型钢的型号、规格应符合设计要求。
按设计尺寸进行下料和调直,做好防锈处理。
依据地脚螺栓位置及孔距尺寸,进行制孔。
制孔必需采纳机械制孔。
(2)基础型钢架安装。
按放线确定的位置、标高,中心轴线尺寸,掌控精准的位置稳好型钢架,用水平尺或水准仪找平、找正。
与地脚螺栓连接坚固。
(3)基础型钢与地线连接,将引进箱内的地线扁钢与型钢结构基架的两端焊牢。
然后涂二遍防锈漆。
4.箱式变电所就位与安装。
(1)就位。
要确保作业场地洁清、通道畅通。
将箱式变电所运至安装的位置,吊装时,应严格吊点,应充分利用吊环将吊索穿入吊环内,然后,做试吊检查受力吊索力的分布应均匀一致,确保箱体平稳、安全、精准地就位。
(2)按设计布局的次序组合排列箱体。
找正两端的箱体,然后挂通线,找准调正,使其箱体正面平顺。
(3)组合的箱体找正、找平后,应将箱与箱用镀锌螺栓连接坚固。
(4)接地:箱式变电所接地,应以每箱独立与基础型钢连接,严禁进行串联。
接地干线与箱式变电所的N母线和PE母线直接连接,变电箱体、支架或外壳的接地应用带有防松装置的螺栓连接。
连接均应紧固牢靠,紧固件齐全。
(5)箱式变电所的基础应高于室外地坪,四周排水畅通。
(6)箱式变电所,用地脚螺栓固定的螺帽齐全,拧紧坚固,自由安置的应垫平放正。
(7)箱壳内的高、低压室均应装设照明灯具。
(8)箱体内应有防雨、防晒、防锈、防尘、防潮、防凝露的技术措施。
(9)箱式变电所安装高压或低压电度表时,必需接线相位精准,并安装在便于查看的位置。
5.接线(1)高压接线应尽量简单,但要求既有终端变电站接线,也有适应环网供电的接线。
成套变电所各部分一般在现场进行组装和接线,通常采纳下列型式的一种。
适合电力系统中应用的单线系统图。