接线端子地性能测试及其方法和实用标准
- 格式:doc
- 大小:15.78 KB
- 文档页数:5
接线端子检验作业指导书第一篇:接线端子检验作业指导书接线端子检验作业指导书1、目的为本公司来料接线端子的检验提供指导,从而保证产品的质量。
2、范围适用于本公司所有接线端子的进货检验。
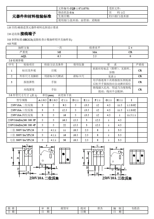
3、抽样标准采用GB2828抽样标准中的“正常检查一次抽样方案”进行抽检,规定检查水平为II,AQL值为2.5。
4、检测内容及方法4.1标志应有型号规格、电压以及相关证书等标志,并应清晰、正确。
可参照样板。
4.2外观颜色需与样板一致,色泽均匀,不应有气泡、划痕、损坏、生锈等不良现象。
4.3结构尺寸用卡尺测量其高度、安装孔位等,结构尺寸应符合样板及安装要求,接线端子上用的螺丝必须电镀,其后能顺畅安装,不得打滑及掉螺丝现象。
所有金属部件不允许有生锈氧化等不良现象。
连接导线的铜柱需采用黄铜制作,可用磁铁检验,两者不相吸时则可判定为黄铜制作。
4.4接线能力检查取一条(被检验端子规定范围内的)最小线径和一条最大线径的单芯电线分别试验,裸线8-10mm,接入端子里锁紧螺丝,用15N的力拔不出电源线,且左右或上下摆动电线5次电芯不会被端子螺丝底部螺纹切断,或拆除电线目视电线无切口状。
4.5阻燃测试(灼热丝试验)阻燃等级为94UL-V0。
固定带电部件的绝缘材料以及提供防触电保护的绝缘材料的外部件应能经受以下试验:650℃的灼热丝试验中无可见火焰、无持续或在灼热丝移去后任何火焰在30S内熄灭,燃烧物或融化物等落下不应使水平铺置在样品下200mm±5mm的绢纸着火或使松木板烧焦。
每批抽检1-3Pcs。
4.6耐热测试(球压试验)防触电用的绝缘材料外部件和固定带电部件的绝缘材料部件应有足够的耐热性。
试验方法:在试验条件125℃的加热箱内进行耐热性能试验,被测试部件的表面应水平放置,用直径5mm钢球以20N压力迫被测试部件的表面,若此表面在受试时弯曲,则应在球压部位下加以支撑,1小时后将球从样品上取下,样品在冷水中浸10S使其冷却,测量压痕的直径不得超过2mm。
接线端子检验作业指导书一、指导思想接线端子是电气设备中的重要组成部分,其质量直接影响到设备的安全运行。
因此,进行接线端子的检验工作十分重要。
本指导书旨在规范接线端子的检验工作,确保设备的正常运行和使用安全。
二、检验范围本指导书适用于各类电气设备中的接线端子的检验工作。
三、检验流程1.准备工作检查并确保检验仪器仪表的准确性和可靠性,如万用表、钳形表等。
2.环境检查检查接线端子所在环境的温湿度等情况,确保符合设备的使用要求。
3.外观检查对接线端子的外观进行检查,包括外观是否完好、无腐蚀、无松动、无散糟等。
4.电气性能检查(1)检查接线端子的接触电阻。
使用万用表或钳形表测量接线端子的接触电阻,确保其在规定范围内。
(2)检查接线端子的绝缘电阻。
使用万用表或绝缘电阻测试仪测量接线端子的绝缘电阻,确保其在规定范围内。
(3)检查接线端子的插拔次数。
通过模拟使用情况,检查接线端子的插拔次数,确保其耐久性能符合要求。
5.物理性能检查(1)检查接线端子的固定方式。
检查接线端子的固定方式是否符合要求,如螺丝、卡槽等。
(2)检查接线端子的接线方式。
检查接线端子的接线方式是否正确,如是否紧固、接线是否工整等。
6.记录与整理对检验结果进行记录和整理,并根据需要进行进一步的分析和处理。
四、注意事项1.在进行接线端子检验前,必须切断电源,并做好安全措施。
2.检验过程中,应注意检查仪器仪表的使用方法和操作规范,确保测量结果准确可靠。
3.检验过程中,应严格按照检验流程进行操作,避免遗漏和错误。
4.检验结果应详细记录,包括检验时间、检验人员、检验仪器和测量数值等信息。
5.对于检验中发现的问题,应及时进行记录,并根据具体情况进行修复或更换。
五、总结接线端子的检验工作是确保电气设备安全运行的重要环节。
本指导书规范了接线端子的检验流程和注意事项,对于保障设备的正常使用具有重要意义。
希望各相关单位和人员能按照本指导书的要求,认真执行检验工作,确保接线端子的质量和可靠性,推动电气设备的安全生产。
接线端子检验规程
一、概述
1、规格和尺寸:检查接线端子尺寸及外形规格;
2、电气性能:测量接线端子的绝缘电阻、电压持久、接触电阻、接点耐久性、额定电流和耐受电压等;
3、工艺性能:检查连接件的焊接性能、焊料的质量、抗腐蚀性和防尘性等;
4、环境性能:测试接线端子的耐温、耐热老化、耐湿老化、耐水和杀菌性能等;
5、组装安装:检查接线端子的安装尺寸及组装牢固性等;
6、其他特性:检查接线端子是否符合做工等标准。
二、技术要求
1、技术文件:编制可靠性技术文件,说明产品及外观质量的技术要求和检验方法。
2、设备:接线端子检查设备应达到要求,包括元器件及测量仪器、夹具、模具等。
3、检查要求:检查要求应符合国家标准和企业产品标准,严格执行检查标准。
4、质量记录:检查记录应书面,记录保存时间应不少于三年。
三、检测方法。
接线端子检验标准接线端子是指连接电气设备和电气器件之间的电气连接器件。
由于接线端子在电气系统中起到重要的连接作用,因此对其进行检验是非常关键的。
本文将探讨接线端子的检验标准,以确保其质量和安全性。
一、检验前的准备在进行接线端子的检验之前,需要对其进行准备工作。
首先,在检验之前应对接线端子进行标识,以便在后续检验中进行追踪。
其次,需要准备好相应的检验设备和工具,如万用表、破坏性测试设备等。
最后,要明确检验的方法和标准,以确保检验的准确性和统一性。
二、外观检验首先,进行接线端子的外观检验。
外观检验主要是对接线端子的外观进行观察和检查,包括检查接线端子是否存在明显的缺陷,如变形、裂纹、锈蚀等。
同时,还需检验接线端子的颜色、表面光洁度等,确保其符合相关要求。
三、尺寸检验接着,进行接线端子的尺寸检验。
尺寸检验主要是检查接线端子的形状和尺寸是否符合相关标准。
常用的检验项目包括接线端子的长度、宽度、高度、孔径等。
通过测量和比较,确定接线端子的尺寸是否满足要求。
四、电气性能检验接下来,进行接线端子的电气性能检验。
电气性能检验主要是检查接线端子的导电性能和耐压性能。
其中,导电性能检验主要通过使用万用表或导通测试仪进行判断,确保接线端子的导通状态良好。
耐压性能检验则是通过加压测试,以验证接线端子能否承受相应的电压。
五、握力检验再者,进行接线端子的握力检验。
握力检验主要是检查接线端子的握接性能和可靠性。
通过使用相应的握接插装工具,对接线端子的握力进行测试,以确保其与连接的电气设备或器件之间的连接牢固可靠。
六、抗振性能检验最后,进行接线端子的抗振性能检验。
抗振性能检验主要是对接线端子在振动环境下的性能进行验证。
通过使用振动测试仪,模拟振动环境,检查接线端子是否能够在振动条件下保持稳定的连接。
七、验证和记录在完成接线端子的检验后,需要进行验证和记录,以确保检验的准确性和完整性。
验证主要是对检验结果进行再次验证,确保其正确无误。
接线端子类检验规范接线端子是电子设备中常见的一种连接元件,用于连接电缆或导线,实现信号传输或电能传输。
为了确保接线端子的安全和可靠性,在生产和使用过程中需要进行严格的检验和测试。
以下是接线端子类检验规范的内容。
一、外观检验1.外观质量:接线端子表面不应有明显的表面缺陷,如破损、划痕、变形等。
接线端子的颜色应与产品要求一致,不得有色差。
2.尺寸检验:按照产品的设计要求,测量接线端子的尺寸是否符合标准。
3.焊接质量:对于焊接式接线端子,焊口应均匀充实,并且焊点与焊盘之间无裂纹。
二、导电性能检验1.接触电阻:使用导电测试仪测量接线端子的接触电阻,确保接触电阻不超过规定范围。
2.过电流能力:通过对接线端子进行额定电流的负载测试,确定其过电流能力是否符合标准要求。
3.绝缘电阻:使用绝缘电阻测试仪测量接线端子的绝缘电阻,确保绝缘电阻不低于规定值。
三、机械性能检验1.插拔力检验:使用专用的插拔力测试仪,测试接线端子在正常使用情况下的插拔力是否符合要求。
2.抗振动性能:将接线端子安装在振动测试设备上进行振动测试,确保在规定的振动条件下,接线端子能够保持正常的连接状态。
3.抗冲击性能:将接线端子安装在冲击测试设备上进行冲击测试,测试接线端子在规定的冲击条件下是否能够正常工作。
四、环境适应性检验1.温度适应性:将接线端子放置在不同的温度条件下,进行热冲击测试和低温试验,测试接线端子在不同温度下的性能表现。
2.湿度适应性:将接线端子放置在高湿度环境下,进行湿热循环测试,测试接线端子的耐湿性能。
3.耐化学品性能:将接线端子放置在不同的化学药品中,在规定的时间内进行浸泡测试,测试接线端子的耐化学性能。
五、可靠性检验1.寿命测试:采用寿命试验设备,模拟接线端子在规定的负载和环境条件下的使用寿命,测试接线端子的可靠性。
2.强度测试:对接线端子进行拉力测试和扭转测试,测试接线端子的强度和耐久性。
3.防腐蚀性能:将接线端子放置在有腐蚀性气体的环境中,进行腐蚀试验,测试接线端子的防腐蚀性能。
接线端子检验标准
需要引用有效的资料
摘要
接线端子是电气设备中重要的连接部件,其能否正常工作直接影响到设备的性能、可靠性和安全性。
本文针对接线端子,首先介绍了接线端子检验的注意事项及基本要求;其次,介绍了接线端子检验的方式及相关标准;最后,探讨了接线端子检验过程中最常见的问题及应对措施。
关键词:接线端子检验;注意事项;标准
一、接线端子检验标准的基本要求
1.1接线端子安装要求
1)接线端子应安装牢固可靠,电缆接口要求完整应力及耐受线缆扭转的力量;
2)接线端子的横向安装旋转角度不可超过45°;
3)接线端子的端子应该向下绝缘支撑片;
4)接线端子安装要求可靠,不得用热熔网马尾或栓子等方式;
5)同一侧接线端子的安装位置应能使电缆紧靠且不受阻碍;
6)接线端子的接线端不允许堆叠;
7)接线端子的表面应安全,无破损或重新焊接的痕迹;
8)接线端子的接线端不宜碰撞及加拿手。
1.2接线端子接触电阻检查要求
1)接线端子的直流电阻检查要求符合使用技术标准,接触电阻值应小于0.5毫欧;
2)直流电阻检查应在最大负载工作时进行;。
接线端子的性能测试及其方法和标准接线端子外形看起来简单,但是接线端子也必须经过严格的产品验证测试和周期性的生产型式实验.本文主要介绍接线端子的机械性能,电气性能和环境性能测试的内容,方法和判定标准.一,机械性能测试1、力矩测试(Tightening Torque Test)力矩测试的目的是测试螺钉是否有足够的机械强度,保证在压线的过程中不出现滑丝的现象,如果在测试后螺钉没有断裂,变形,螺钉头槽没有有影响继续使用的损坏现象,则是合格的。
2、压线可靠性试验(Secureness TeST)压线可靠性试验的目的是为了测试端子是否能夹紧导线而又不会过度损伤导线。
用端子接上规定类型和额定截面积的导线,挂上一定的重物,以每分钟10转(10±2r/min)的速度旋转,持续15min。
经测试后,如果导线没有滑出端子夹紧件,也没有在夹紧件附近断裂,则端子的压线可靠性是合格的。
如果有导线断裂或者脱落出端子的夹紧机构,则是不合格的。
3、拉拔试验(Pull Out Test)拉拔试验的目的是测试端子能够将导线牢牢夹紧在金属表面之间。
用端子接入规定类型和额定截面积的导线,选用一定的力(lkgf),将导线朝导线的轴线方向拉,保持1min。
如果导线没有从端子中脱落出来,则是合格的。
4、机械强度试验(Mechanical Strength Test)机械强度试验的目的是测试端子是否有足够的机械强度,尤其是测试端子的外壳是否有足够的机械强度。
在测试过程中,将1只样品放入测试设备的滚桶中,以每分钟5转的速度旋转,持续5分钟的时间后关机取出样品观察,如果端子没有被破坏,外壳没有裂纹,损伤等,则是合格的。
5、机械寿命测试(Fatigue Test)机械寿命测试的目的是测试端子的弹性元件,能否承受一定次数的插拔或其它使用的机械操作,如弹簧式端子按钮的压紧和松开。
如果测试后的弹性元件装配到端子中,机械和电气性能仍应满足要求,则是合格的。
接线端子检验标准接线端子是电器设备中常见的一种连接元件,其作用是连接电线或导线,以实现电器设备之间的电气连接。
为了确保电器设备的正常运行和安全性,对接线端子进行检验非常重要。
下面将介绍接线端子的常见检验标准。
1.外观检验:外观检验是接线端子检验中最基础的一项内容。
首先对接线端子的外观进行检查,包括外形尺寸、表面光洁度、颜色和标志等。
外形尺寸要符合设计要求,各部件组件是否牢固,无明显毛刺或裂纹。
表面光洁度要求光滑,没有厚度不均匀的涂层。
颜色和标志要清晰可辨。
2.材料检验:接线端子的材料检验主要包括材料的化学成分和物理性能。
材料的化学成分要符合相关的标准,确保材料的稳定性和安全性。
物理性能主要包括硬度、强度和导电性等;硬度要符合要求,不能过软或过硬;强度要能承受相应的载荷;导电性要良好,确保电流传递的畅通。
3.绝缘性能检验:接线端子在使用过程中必须具备良好的绝缘性能,以防止电器设备发生漏电或短路的情况。
绝缘性能检验主要包括绝缘电阻和耐电压两方面。
绝缘电阻应符合相关的规定,一般要达到一定的兆欧以上,以保证电流不会通过绝缘部分流失。
耐电压测试应根据标准规定进行,确保端子能够承受相应的电压。
4.机械性能检验:机械性能检验是对接线端子承受载荷的能力进行评估。
主要包括拉拔强度、振动、震动等方面的检验。
拉拔强度是指接线端子连接线材的牢固度,必须达到一定的标准以确保连接的可靠性。
振动和震动测试是模拟电器设备在运行过程中受到的外力,检验接线端子的稳定性和耐用性。
5.过电流和过载能力检验:接线端子在电器设备中必须能够承受一定的过电流和过载。
过电流和过载能力检验主要通过对接线端子进行电流承载测试和温度上升测试来完成。
电流承载测试是将额定电流加载到接线端子上,观察其是否能够承受,并定性评估其性能。
温度上升测试是通过将一定的电流加载到接线端子上,观察其表面温度的上升情况,以判断其是否能够正常工作。
综上所述,接线端子的检验标准包括外观检验、材料检验、绝缘性能检验、机械性能检验和过电流过载能力检验等方面。
接线端子检验作业指导书一、引言接线端子是一种用于连接电线和电器设备的重要组成部分,它具有连接可靠、安装方便等特点。
在使用接线端子时,为了确保连接的质量和安全性,我们需要进行相关的检验工作。
本文档将提供一份接线端子检验作业指导书,以帮助操作人员正确进行检验工作。
二、检验前准备工作1.确保检验所需的设备、工具齐全,并处于正常工作状态;2.检查接线端子是否符合相关标准要求,包括外观、尺寸、材质等;3.检查接线端子是否具有完整的电气性能规格,如额定电压、额定电流等。
三、检验项目及方法1.外观检验:a.检查接线端子的外观是否无损坏、无变形、无变色等;b.检查接线端子的表面是否无毛刺、无锈蚀等。
2.尺寸检验:a.使用合适的测量工具,如卡尺、距离测量仪等,测量接线端子的尺寸,与产品说明书或标准要求进行比对,确认尺寸是否符合要求。
3.材质检验:a.根据产品说明书或标准要求,确认接线端子所使用的材料是否符合规定;b.针对特殊要求的接线端子,可采用相关的材质检验方法。
4.电气性能检验:a.根据产品说明书或标准要求,确认接线端子的额定电压、额定电流等电气性能参数;b.使用合适的电气测试仪器,如万用表、电流表等,对接线端子进行电气性能测试,确保其符合规定要求。
5.连接可靠性检验:a.进行适当的连接测试,包括连接稳定性、连接点热度、插拔次数等,确保接线端子连接的可靠性。
四、检验记录及处理1.在检验过程中,要详细记录每个检验项目的结果,并标注检验时间、人员等信息;2.如果发现接线端子存在质量问题,应及时进行处理,如更换、维修等;3.对于符合规定要求的接线端子,应妥善保管检验记录,并及时更新检验周期。
五、安全注意事项1.检验人员应具备相关的专业知识和操作经验,以确保工作安全;2.在进行电气性能检验时,应严格遵守相关电气安全规范,如戴好绝缘手套、避免触摸带电部分等;3.在进行连接可靠性检验时,应注意防止短路、电击等安全事故的发生。
接线端子的性能测试及其方法和标准接线端子外形看起来简单,但是接线端子也必须经过严格的产品验证测试和周期性的生产型式实验.本文主要介绍接线端子的机械性能,电气性能和环境性能测试的内容,方法和判定标准.一,机械性能测试1、力矩测试( Tightening Torque Tes)t力矩测试的目的是测试螺钉是否有足够的机械强度,保证在压线的过程中不出现滑丝的现象,如果在测试后螺钉没有断裂,变形,螺钉头槽没有有影响继续使用的损坏现象,则是合格的。
2、压线可靠性试验( Secureness TeS)T 压线可靠性试验的目的是为了测试端子是否能夹紧导线而又不会过度损伤导线。
用端子接上规定类型和额定截面积的导线,挂上一定的重物,以每分钟10 转( 10±2r/min )的速度旋转,持续15min。
经测试后,如果导线没有滑出端子夹紧件,也没有在夹紧件附近断裂,则端子的压线可靠性是合格的。
如果有导线断裂或者脱落出端子的夹紧机构,则是不合格的。
3、拉拔试验( Pull Out Tes)t拉拔试验的目的是测试端子能够将导线牢牢夹紧在金属表面之间。
用端子接入规定类型和额定截面积的导线,选用一定的力( lkgf),将导线朝导线的轴线方向拉,保持1min。
如果导线没有从端子中脱落出来,则是合格的。
4、机械强度试验( Mechanical Strength Tes)t机械强度试验的目的是测试端子是否有足够的机械强度,尤其是测试端子的外壳是否有足够的机械强度。
在测试过程中,将1只样品放入测试设备的滚桶中,以每分钟5 转的速度旋转,持续5 分钟的时间后关机取出样品观察,如果端子没有被破坏,外壳没有裂纹,损伤等,则是合格的。
5、机械寿命测试( Fatigue Tes)t机械寿命测试的目的是测试端子的弹性元件,能否承受一定次数的插拔或其它使用的机械操作,如弹簧式端子按钮的压紧和松开。
如果测试后的弹性元件装配到端子中,机械和电气性能仍应满足要求,则是合格的。
接线端子的性能测试及其方法和标准接线端子外形看起来简单,但是接线端子也必须经过严格的产品验证测试和周期性的生产型式实验.本文主要介绍接线端子的机械性能,电气性能和环境性能测试的内容,方法和判定标准.一,机械性能测试1、力矩测试(Tightening Torque Test)力矩测试的目的是测试螺钉是否有足够的机械强度,保证在压线的过程中不出现滑丝的现象,如果在测试后螺钉没有断裂,变形,螺钉头槽没有有影响继续使用的损坏现象,则是合格的。
2、压线可靠性试验(Secureness TeST)压线可靠性试验的目的是为了测试端子是否能夹紧导线而又不会过度损伤导线。
用端子接上规定类型和额定截面积的导线,挂上一定的重物,以每分钟10转(10±2r/min)的速度旋转,持续15min。
经测试后,如果导线没有滑出端子夹紧件,也没有在夹紧件附近断裂,则端子的压线可靠性是合格的。
如果有导线断裂或者脱落出端子的夹紧机构,则是不合格的。
3、拉拔试验(Pull Out Test)拉拔试验的目的是测试端子能够将导线牢牢夹紧在金属表面之间。
用端子接入规定类型和额定截面积的导线,选用一定的力(lkgf),将导线朝导线的轴线方向拉,保持1min。
如果导线没有从端子中脱落出来,则是合格的。
4、机械强度试验(Mechanical Strength Test)机械强度试验的目的是测试端子是否有足够的机械强度,尤其是测试端子的外壳是否有足够的机械强度。
在测试过程中,将1只样品放入测试设备的滚桶中,以每分钟5转的速度旋转,持续5分钟的时间后关机取出样品观察,如果端子没有被破坏,外壳没有裂纹,损伤等,则是合格的。
5、机械寿命测试(Fatigue Test)机械寿命测试的目的是测试端子的弹性元件,能否承受一定次数的插拔或其它使用的机械操作,如弹簧式端子按钮的压紧和松开。
如果测试后的弹性元件装配到端子中,机械和电气性能仍应满足要求,则是合格的。
接线端子的性能测试及其方法和标准接线端子的性能测试及其方法和标准接线端子外形看起来简单,但是接线端子也必须经过严格的产品验证测试和周期性的生产型式实验.本文主要介绍接线端子的机械性能,电气性能和环境性能测试的内容,方法和判定标准.一,机械性能测试1、力矩测试(Tightening Torque Test)力矩测试的目的是测试螺钉是否有足够的机械强度,保证在压线的过程中不出现滑丝的现象,如果在测试后螺钉没有断裂,变形,螺钉头槽没有有影响继续使用的损坏现象,则是合格的。
2、压线可靠性试验(Secureness Test)压线可靠性试验的目的是为了测试端子是否能夹紧导线而又不会过度损伤导线。
用端子接上规定类型和额定截面积的导线,挂上一定的重物,以每分钟10转(10±2r/min)的速度旋转,持续15min。
经测试后,如果导线没有滑出端子夹紧件,也没有在夹紧件附近断裂,则端子的压线可靠性是合格的。
如果有导线断裂或者脱落出端子的夹紧机构,则是不合格的。
3、拉拔试验(Pull Out Test)拉拔试验的目的是测试端子能够将导线牢牢夹紧在金属表面之间。
用端子接入规定类型和额定截面积的导线,选用一定的力(lkgf),将导线朝导线的轴线方向拉,保持1min。
如果导线没有从端子中脱落出来,则是合格的。
4、机械强度试验(Mechanical Strength Test)机械强度试验的目的是测试端子是否有足够的机械强度,尤其是测试端子的外壳是否有足够的机械强度。
在测试过程中,将1只样品放入测试设备的滚桶中,以每分钟5转的速度旋转,持续5分钟的时间后关机取出样品观察,如果端子没有被破坏,外壳没有裂纹,损伤等,则是合格的。
5、机械寿命测试(Fatigue Test)机械寿命测试的目的是测试端子的弹性元件,能否承受一定次数的插拔或其它使用的机械操作,如弹簧式端子按钮的压紧和松开。
如果测试后的弹性元件装配到端子中,机械和电气性能仍应满足要求,则是合格的。
接线端子拉拔试验标准一、试验前的准备1.确认接线端子的质量和规格符合设计要求,检查接线端子是否完好无损,无锈蚀、变形等现象。
2.准备试验设备和工具,包括拉拔试验机、游标卡尺、扭力扳手、钢丝刷等。
3.确认试验环境符合要求,试验温度在15℃-25℃之间,相对湿度不大于80%。
二、试验方法和标准1.将接线端子固定在试验台上,确保端子连接牢固。
2.使用游标卡尺测量接线端子的尺寸,包括长度、宽度和厚度。
3.使用扭力扳手测量拧紧螺母所需的扭矩。
4.按照制造商推荐的预紧力矩紧固螺母,然后使用拉拔试验机进行拉拔试验。
5.记录试验数据,包括拉拔力、位移等。
6.参考标准表格或制造商提供的数据,判断接线端子的性能是否符合要求。
三、试验结果记录和分析1.记录试验数据,包括试验温度、湿度、接线端子的尺寸和拧紧扭矩等。
2.分析试验数据,判断接线端子的性能是否符合要求。
如不符合要求,需对端子进行改进或更换。
3.编写试验报告,将试验过程、结果和分析结论详细记录。
四、试验结论和报告1.根据试验结果编写结论,指出符合或不符合要求的情况。
2.提供改进建议或更换建议,以保障接线端子的质量和性能。
3.将试验报告提交给相关部门或客户,以便评估和决策。
五、试验后的处理和总结1.对不合格的接线端子进行标记和隔离,防止误用。
2.对合格的接线端子进行清洁和维护,确保其在使用过程中保持良好的性能。
3.对本次试验进行总结,分析成功和失败的原因,为今后的试验提供参考。
同时,对不足之处进行改进,提高试验效率和准确性。
接线端子测试检测方法接线端子外形看起来简单,但是接线端子也必须经过严格的产品验证测试和周期性的生产型式实验.郑州盛世开元自动化设备有限公司的梅工这次主要介绍接线端子的机械性能,电气性能和环境性能测试的内容,方法和判定标准.本文关键词:接线端子机械性能测试力矩测试(Tightening Torque Test)力矩测试的目的是测试螺钉是否有足够的机械强度,保证在压线的过程中不出现滑丝的现象,如果在测试后螺钉没有断裂,变形,螺钉头槽没有有影响继续使用的损坏现象,则是合格的。
2.压线可靠性试验(Secureness TeST)压线可靠性试验的目的是为了测试端子是否能夹紧导线而又不会过度损伤导线。
用端子接上规定类型和额定截面积的导线,挂上一定的重物,以每分钟10转((1012r/min)的速度旋转,持续15min经测试后,如果导线没有滑出端子夹紧件,也没有在夹紧件附近断裂,则端子的压线可靠性是合格的.如果有导线断裂或者脱落出端子的夹紧机构,则是不合格的。
3、拉拔试验(Pull Out Test)拉拔试验的目的是测试端子能够将导线牢牢夹紧在金属表面之间.用端子接入规定类型和额定截面积的导线,选用一定的力((lkgf),将导线朝导线的轴线方向拉,保持1mine如果导线没有从端子中脱落出来,则是合格的.4、机械强度试验(Mechanical Strength Test)机械强度试验的目的是测试端子是否有足够的机械强度,尤其是测试端子的外壳是否有足够的机械强度。
在测试过程中,将,只样品放入测试设备的滚桶中,以每分钟5转的速度旋转,持续5分钟的时间后关机取出样品观察,如果端子没有被破坏,外壳没有裂纹,损伤等,则是合格的.5、机械寿命测试(Fatigue Test)机械寿命测试的目的是测试端子的弹性元件,能否承受一定次数的插拔或其它使用的机械操作,如弹簧式端子按钮的压紧和松开.如果测试后的弹性元件装配到端子中,机械和电气性能仍应满足要求,则是合格的.二,电气性能测试接触电阻试验(CONtactResistance)接触电阻测试是测试端子静态的接触性能,即接触电阻应不大于一定的数值.2、工频耐压试验(Power-Frequency Withstand Voltage Test)工频耐压试验是测试端子外壳应能否承规定的暂态或短时工频过电压。
实用标准文案
接线端子的性能测试及其方法和标准
接线端子外形看起来简单,但是接线端子也必须经过严格的产品
验证测试和周期性的生产型式实验.本文主要介绍接线端子的机械性能,电气性能和环境性能测试的内容,方法和判定标准.
一,机械性能测试
1、力矩测试(Tightening Torque Test)
力矩测试的目的是测试螺钉是否有足够的机械强度,保证在压线的过程中不出现滑丝的现象,如果在测试后螺钉没有断裂,变形,螺钉头槽没有有影响继续使用的损坏现象,则是合格的。
2、压线可靠性试验(Secureness TeST)
压线可靠性试验的目的是为了测试端子是否能夹紧导线而又不会过度损伤导线。
用端子接上规定类型和额定截面积的导线,挂上一定的重物,以每分钟10转(10±2r/min)的速度旋转,持续15min。
经测试后,如果导线没有滑出端子夹紧件,也没有在夹紧件附近断裂,则端子的压线可靠性是合格的。
如果有导线断裂或者脱落出端子的夹紧机构,则是不合格的。
3、拉拔试验(Pull Out Test)
精彩文档.
实用标准文案
拉拔试验的目的是测试端子能够将导线牢牢夹紧在金属表面之间。
用端子接入规定类型和额定截面积的导线,选用一定的力(lkgf),将导线朝导线的轴线方向拉,保持1min。
如果导线没有从端子中脱落出来,则是合格的。
4、机械强度试验(Mechanical Strength Test)
机械强度试验的目的是测试端子是否有足够的机械强度,尤其是测试端子的外壳是否有足够的机械强度。
在测试过程中,将1只样品放入测试设备的滚桶中,以每分钟5转的速度旋转,持续5分钟的时间后关机取出样品观察,如果端子没有被破坏,外壳没有裂纹,损伤等,则是合格的。
5、机械寿命测试(Fatigue Test)
机械寿命测试的目的是测试端子的弹性元件,能否承受一定次数的插拔或其它使用的机械操作,如弹簧式端子按钮的压紧和松开。
如果测试后的弹性元件装配到端子中,机械和电气性能仍应满足要求,则是合格的。
二,电气性能测试
1、接触电阻试验(CONtact Resistance)
精彩文档.
实用标准文案
接触电阻测试是测试端子静态的接触性能,即接触电阻应不大于一定的数值。
2、工频耐压试验(Power-Frequency Withstand Voltage Test)
工频耐压试验是测试端子外壳应能否承规定的暂态或短时工频过电压。
在试验期间,不得出现闪络或击穿等现象。
3、冲击耐压试验(Impulse Withstand Voltage Test
冲击耐压试验是测试端子外壳应能否承受规定的瞬态过电压。
试验过程中应无破坏性放电。
4、电压降试验(Voltage Drop Test)
电压降试验是测试端子的动态接触性能。
电压降应不大于一定的数值。
5、温升试验(Temperature Rise Test)
温升试验是测试端子在正常使用时,其温升不能超过规定值,一般UL标准规定端子在通过电流后,其温度的升高不能超过环境温度的30℃。
6、高低温电气性能试验(Electrical Performance Test)
精彩文档.
实用标准文案
电气性能试验是测试无螺纹型端子在正常使用时,其电气性能的可
靠性。
在端子经受192个循环后,其在第24个和最后一个循环的电压降不得大于一定值。
三,环境性能测试
1、包装振动试验(Vibration Test for Package)
包装震动试验是模拟端子的包装在承受运输时振动的能力,经测试后,包装内的端子不得有影响有损坏。
2、产品振动试验(Vibration Test for Products)
产品震动试验是模拟端子在使用时承受震动的能力。
将端子的前后、左右、上下面依次固定在震动台上,分别对端子的X、Y、Z三轴方向,施加规定的模拟量,经测试后端子不得有损坏。
3、材料的阻燃试验(Test for Flammability of Plastic Materials)
阻燃试验是测试端子材料阻燃的性能。
在测试的过程中,将标准样条夹在仪器测试的夹持座上,移动火源到规定位置点火燃烧到规定时间后移开火源,如果火源移开后,样品条还仍然燃烧或者其滴落物点燃样品条下方的棉花,则阻燃性是不合格的,如果火源移开后,样品条自己熄灭,则阻燃性合格。
精彩文档.
实用标准文案
4、耐老化试验(Resistance Aging Test)
耐老化试验是测试端子能否在一定高温下正常使用。
将端子放置在
老化试验箱中,施加105℃或120℃高温,持续7天,如果被测端子没有老化,则为合格。
5、交变湿热试验(Damp Heat Test)
交变湿热试验是测试端子能否承受在正常使用中可能出现的潮湿条件。
6、盐雾试验(Salt Spray Test)
盐雾试验也是测试端子能否承受在正常使用中可能出现的潮湿条件。
只是对端子的金属部件进行单独试验经测试后,金属部件如出现锈蚀,则为不合格。
精彩文档.。