土方开挖工程质量验收评定表
- 格式:doc
- 大小:363.00 KB
- 文档页数:13
砼灌注桩(钢筋笼)分项工程质量验收记录表
砼灌注桩分项工程质量验收记录表
砼原材料及配合比设计分项工程质量验收记录表
混凝土施工分项工程质量验收记录表
现浇结构外观及尺寸偏差分项工程质量验收记录表
砖砌体分项工程质量验收记录表
钢筋加工分项工程质量验收记录表
钢筋安装分项工程质量验收记录表
模板安装分项工程质量验收记录表
模板拆除分项工程质量验收记录表
砼原材料及配合比设计分项工程质量验收记录表
混凝土施工分项工程质量验收记录表
现浇结构外观及尺寸偏差分项工程质量验收记录表。
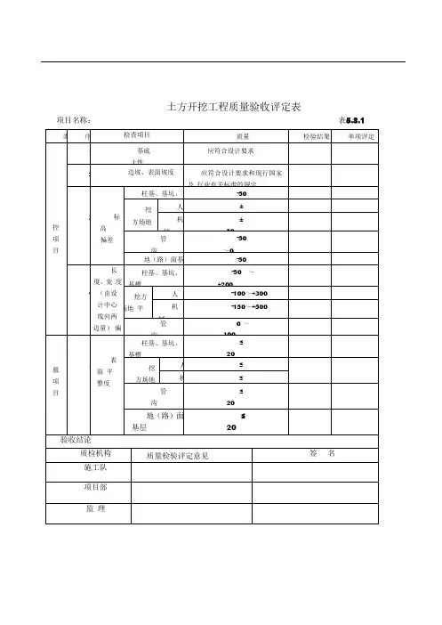
土方开挖工程质量验收评定表
项目名称:表5.3.1
土方回填工程质量验收评定表
项目名称:表5.3.2
表5.10.1 现浇混凝土模板安装工程质量标准和检验方法
注:L2 为长度。
表5.10.6 模板拆除工程质量标准和检验方法
注:底模及支架拆除时的混凝土强度标准为应达到设计强度标准值的百分率。
表5.10.7 钢筋加工质量标准和检验方法
法
注:d 为纵向受力钢筋的较大直径;L l 为搭接长度。
表5.10.11 混凝土施工质量标准和检验
方法
续表5.10.11
表5.10.12 现浇混凝土结构外观及尺寸偏差质量标准和检验方法
注:H4 为全高。
表5.12.7 水泥混凝土垫层质量标准和检验方法。
土方开挖工程质量验收评定表
项目名称:表5.3.1
土方回填工程质量验收评定表
项目名称:表5.3.2
表5.10.1 现浇混凝土模板安装工程质量标准和检验方法
注:L2 为长度。
表5.10.6 模板拆除工程质量标准和检验方法
注:底模及支架拆除时的混凝土强度标准为应达到设计强度标准值的百分率。
表5.10.7 钢筋加工质量标准和检验方法
法
注:d 为纵向受力钢筋的较大直径;L l 为搭接长度。
表5.10.11 混凝土施工质量标准和检验
方法
续表5.10.11
表5.10.12 现浇混凝土结构外观及尺寸偏差质量标准和检验方法
注:H4 为全高。
健康安全环境【关爱生命专注健康安全环境知识分享】
健康安全环境【关爱生命只做健康安全环境知识分享】
房建国标质量检验表
土方开挖工程检验批
质量验收记录表
底页
健康安全环境【关爱生命 只做健康安全环境知识分享】
房建国标质量检验表
房建国标质量检验表
土方开挖工程检验批质量验收记录表
GB50202-2002
单位(子单位)工程名称 分部(子分部)工程名称 验收部位 施工单位 项目经理 分包单位
分包项目经理
施工执行标准名称及编号
施工质量验收规范的规定
施工单位检查 评定记录
监理(建设)单位验收记录
项目
允许偏差或允许值(mm )
柱基
基坑
基槽 挖方场 地平整 管沟 地
(路
)面
基层
人工 机械
主控项目
1 标高 -50
±30
±50
-50
-50
2 长度、宽度 (由设计中心)线向两边量)
+200 -50
+300 -100
+500 -150
+100
—
3 边坡 设计要求
一
般项
目
1 表面平整度 20
20
50
20
20
2 基底土性
设计要求
施工单位检查评定结果
专业工长(施工员)
施工班组长
项目专业质量检查员: 年 月 日
监理(建设)单位验收结论
专业监理工程师:
(建设单位项目专业技术负责人): 年 月 日。
土方开挖工程质量验收评定表
项目名称:表5.3.1
1
土方回填工程质量验收评定表
项目名称:表5.3.2
2
表5.10.1 现浇混凝土模板安装工程质量标准和检验方法
3
注:L2 为长度。
表5.10.6 模板拆除工程质量标准和检验方法
4
注:底模及支架拆除时的混凝土强度标准为应达到设计强度标准值的百分率。
表5.10.7 钢筋加工质量标准和检验方法
5
6
验方法
注:d 为纵向受力钢筋的较大直径;L l 为搭接长度。
表5.10.11 混凝土施工质量标准和
检验方法
续表5.10.11
表5.10.12 现浇混凝土结构外观及尺寸偏差质量标准和检验方法
注:H4 为全高。
控项
3混凝土运
输、浇筑及间歇
应符合现行有关标准的规定观察,检查施工记一
般项目1施工配
合比及开盘
施工配合比应符合现行有关标准
的规定,首次使用的混凝土配合比应进行
检查开盘鉴定资料和
试件强度试验报告
2施工缝位置应符合设计和施工方案的要求,施工
缝的处理应按技术方案执行
观察,检查施工记
3养应符合施工技术方案和现行有关
标准的规定
观察,检查施工记4表面平整度≤m
2m 靠尺和楔形塞
尺检查
5标高偏差±m水准仪检查
6坡度偏差不大于房间相应尺寸的2/1000,且不
大于30mm
坡度尺检查
7厚度偏差在个别地方不大于设计厚度的
1/10,且不大于20mm
钢尺检查。
土石方开挖工程质量检验评定表工程名称:邛崃市地质灾害工程治理灾后恢复重建项目施工三标段工程部位:1#谷坊坝坝体分项工程名称:土方开挖合同号:所属分部工程名称:1#谷坊坝承包单位:四川省地质工程勘察院监理单位:地矿眉山工程勘察院№:施:土石方开挖工程质量检验评定表工程名称:邛崃市地质灾害工程治理灾后恢复重建项目施工三标段工程部位:1#谷坊坝护坦分项工程名称:土方开挖合同号:所属分部工程名称:1#谷坊坝承包单位:四川省地质工程勘察院监理单位:地矿眉山工程勘察院№:施:土石方开挖工程质量检验评定表工程名称:邛崃市地质灾害工程治理灾后恢复重建项目施工三标段工程部位:2#谷坊坝坝体分项工程名称:土方开挖合同号:所属分部工程名称:2#谷坊坝承包单位:四川省地质工程勘察院监理单位:地矿眉山工程勘察院№:施:土石方开挖工程质量检验评定表工程名称:邛崃市地质灾害工程治理灾后恢复重建项目施工三标段工程部位:2#谷坊坝护坦分项工程名称:土方开挖合同号:所属分部工程名称:2#谷坊坝承包单位:四川省地质工程勘察院监理单位:地矿眉山工程勘察院№:施:土石方开挖工程质量检验评定表工程名称:邛崃市地质灾害工程治理灾后恢复重建项目施工三标段工程部位:3#谷坊坝坝体分项工程名称:土方开挖合同号:所属分部工程名称:3#谷坊坝承包单位:四川省地质工程勘察院监理单位:地矿眉山工程勘察院№:施:土石方开挖工程质量检验评定表工程名称:邛崃市地质灾害工程治理灾后恢复重建项目施工三标段工程部位:3#谷坊坝护坦分项工程名称:土方开挖合同号:所属分部工程名称:3#谷坊坝承包单位:四川省地质工程勘察院监理单位:地矿眉山工程勘察院№:施:土石方开挖工程质量检验评定表工程名称:邛崃市地质灾害工程治理灾后恢复重建项目施工三标段工程部位:4#谷坊坝坝体分项工程名称:土方开挖合同号:所属分部工程名称:4#谷坊坝承包单位:四川省地质工程勘察院监理单位:地矿眉山工程勘察院№:施:土石方开挖工程质量检验评定表工程名称:邛崃市地质灾害工程治理灾后恢复重建项目施工三标段工程部位:4#谷坊坝护坦分项工程名称:土方开挖合同号:所属分部工程名称:4#谷坊坝承包单位:四川省地质工程勘察院监理单位:地矿眉山工程勘察院№:施:土石方开挖工程质量检验评定表工程名称:邛崃市地质灾害工程治理灾后恢复重建项目施工三标段工程部位:排导槽分项工程名称:土方开挖合同号:所属分部工程名称:排导槽承包单位:四川省地质工程勘察院监理单位:地矿眉山工程勘察院№:施:土石方开挖工程质量检验评定表工程名称:邛崃市地质灾害工程治理灾后恢复重建项目施工三标段工程部位:防冲肋坎分项工程名称:土方开挖合同号:所属分部工程名称:排导槽承包单位:四川省地质工程勘察院监理单位:地矿眉山工程勘察院№:施:土石方开挖工程质量检验评定表工程名称:邛崃市地质灾害工程治理灾后恢复重建项目施工三标段工程部位:潜拦群分项工程名称:土方开挖合同号:所属分部工程名称:潜拦群承包单位:四川省地质工程勘察院监理单位:地矿眉山工程勘察院№:施:土石方开挖工程质量检验评定表工程名称:邛崃市地质灾害工程治理灾后恢复重建项目施工三标段工程部位:被动防护网基础分项工程名称:土方开挖合同号:所属分部工程名称:被动防护网承包单位:四川省地质工程勘察院监理单位:地矿眉山工程勘察院№:施:土石方开挖工程质量检验评定表工程名称:邛崃市地质灾害工程治理灾后恢复重建项目施工三标段工程部位:截排水沟分项工程名称:土方开挖合同号:所属分部工程名称:截排水沟承包单位:四川省地质工程勘察院监理单位:地矿眉山工程勘察院№:施:。
土方开挖工程检验批质量
验收记录表
The pony was revised in January 2021
土方开挖工程检验批质量验收记录表
土方回填工程检验批质量验收记录表
GB50202-2002
模板安装工程检验批质量验收记录表
GB50204-2002
(Ⅰ)
模板拆除工程检验批质量验收记录表
GB50204-2002
(Ⅲ)
钢筋加工检验批质量验收记录表
GB50204-2002
(Ⅰ)
钢筋安装工程检验批质量验收记录表
GB50204-2002
(Ⅱ)
现浇结构外观及尺寸偏差检验批质量验收记录表
GB50204-2002
(Ⅰ)
砖砌体(混水)工程检验批质量验收记录表
GB50203-2002
配筋砌体工程检验批质量验收记录表
GB50203-2002
装配式结构施工检验批质量验收记录表
GB50204-2002
(Ⅱ)
一般抹灰工程检验批质量验收记录表
GB50210-2001。
土方开挖工程质量验收评定表项目名称:表5.3.1
1
土方回填工程质量验收评定表项目名称:表5.3.2
2
表5.10.1 现浇混凝土模板安装工程质量标准和检验方法
3
注:L2 为长度。
表5.10.6 模板拆除工程质量标准和检验方法
4
注:底模及支架拆除时的混凝土强度标准为应达到设计强度标准值的百分率。
表5.10.7 钢筋加工质量标准和检验方法
5
6
注:d 为纵向受力钢筋的较大直径;L l 为搭接长度。
表5.10.11 混凝土施工质量标准和检验方法
续表5.10.11
土方开挖工程质量验收记录
表5.10.12 现浇混凝土结构外观及尺寸偏差质量标准和检验方法
注:H4 为全高。
表5.12.7 水泥混凝土垫层质量标准和检验方法。