2020年安全生产标准化评分
- 格式:pdf
- 大小:1.21 MB
- 文档页数:179
煤矿安全生产标准化管理体系基本要求及评分方法(试行)第1部分总则煤矿是安全生产的责任主体,必须建立健全煤矿安全生产标准化管理体系,通过树立安全生产理念和目标,实施安全承诺,建立健全组织机构,配备安全管理人员,建立并落实安全生产责任制和安全管理制度,提升从业人员素质,开展安全风险分级管控、事故隐患排查治理,抓好质量控制,不断规范、持续改进安全生产管理,适应煤矿安全治理体系和治理能力现代化要求,实现安全发展。
一、基本条件安全生产标准化管理体系达标煤矿应具备以下条件,任一项不符合的,不得参与安全生产标准化管理体系考核定级:1.采矿许可证、安全生产许可证、营业执照齐全有效;2.树立体现安全生产“红线意识”和“安全第一、预防为主、综合治理”方针,与本矿安全生产实际、灾害治理相适应的安全生产理念;3.制定符合法律法规、国家政策要求和本单位实际的安全生产工作目标;4.矿长作出持续保持、提高煤矿安全生产条件的安全承诺,并作出表率;5.安全生产组织机构完备(井工煤矿有负责安全、采煤、掘进、通风、机电、运输、地测、防治水、安全培训、调度、应急管理、职业病危害防治等工作的管理部门;露天煤矿有负责安全、钻孔、爆破、采装、运输、排土、边坡、机电、地测、防治水、防灭火、安全培训、调度、应急管理、职业病危害防治等工作的管理部门),配备管理人员;煤(岩)与瓦斯(二氧化碳)突出矿井、水文地质类型复杂和极复杂矿井、冲击地压矿井按规定设有相应的机构和队伍;6.矿长、副矿长、总工程师、副总工程师按规定参加安全生产知识和管理能力考核,取得考核合格证明;7.建立健全安全生产责任制;8.不存在重大事故隐患。
二、基本原则1.突出理念引领贯彻落实“安全第一,预防为主,综合治理”的安全生产方针,牢固树立安全生产红线意识,用先进的安全生产理念、明确的安全生产目标,指导煤矿开展安全生产工作。
2.发挥领导作用领导作用是煤矿安全生产管理的关键。
煤矿矿长应发挥领导表率作用,具有风险意识,实施并兑现安全承诺,落实安全生产主体责任,提供必要的机构、人员、制度、技术、资金等保障,有效推动安全生产标准化管理体系运行,实现安全管理全员参与。
煤矿安全生产标准化管理体系基本要求及评分方法(试行)第1部分总则煤矿是安全生产的责任主体,必须建立健全煤矿安全生产标准化管理体系,通过树立安全生产理念和目标,实施安全承诺,建立健全组织机构,配备安全管理人员,建立并落实安全生产责任制和安全管理制度,提升从业人员素质,开展安全风险分级管控、事故隐患排查治理,抓好质量控制,不断规范、持续改进安全生产管理,适应煤矿安全治理体系和治理能力现代化要求,实现安全发展。
一、基本条件安全生产标准化管理体系达标煤矿应具备以下条件,任一项不符合的,不得参与安全生产标准化管理体系考核定级:1.采矿许可证、安全生产许可证、营业执照齐全有效;2.树立体现安全生产“红线意识”和“安全第一、预防为主、综合治理”方针,与本矿安全生产实际、灾害治理相适应的安全生产理念;3.制定符合法律法规、国家政策要求和本单位实际的安全生产工作目标;4.矿长作出持续保持、提高煤矿安全生产条件的安全承诺,并作出表率;5.安全生产组织机构完备(井工煤矿有负责安全、采煤、掘进、通风、机电、运输、地测、防治水、安全培训、调度、应急管理、职业病危害防治等工作的管理部门;露天煤矿有负责安全、钻孔、爆破、采装、运输、排土、边坡、机电、地测、防治水、防灭火、安全培训、调度、应急管理、职业病危害防治等工作的管理部门),配备管理人员;煤(岩)与瓦斯(二氧化碳)突出矿井、水文地质类型复杂和极复杂矿井、冲击地压矿井按规定设有相应的机构和队伍;6.矿长、副矿长、总工程师、副总工程师按规定参加安全生产知识和管理能力考核,取得考核合格证明;7.建立健全安全生产责任制;8.不存在重大事故隐患。
二、基本原则1.突出理念引领贯彻落实“安全第一,预防为主,综合治理”的安全生产方针,牢固树立安全生产红线意识,用先进的安全生产理念、明确的安全生产目标,指导煤矿开展安全生产工作。
2.发挥领导作用领导作用是煤矿安全生产管理的关键。
煤矿矿长应发挥领导表率作用,具有风险意识,实施并兑现安全承诺,落实安全生产主体责任,提供必要的机构、人员、制度、技术、资金等保障,有效推动安全生产标准化管理体系运行,实现安全管理全员参与。
11县1乡1煤矿2020年安全生产标准化考核表1年四月纳雍县勺窝乡小龙井煤矿 2020 年安全生产标准化评分表序号名称满分权重(a i)考核得分(M i)加权得分检查人员签字时间备注1 安全风险分级管控100 0.10 81.40 8.142 事故隐患排查治理100 0.10 74.68 7.473 通风100 0.16 76.25 12.214 地质灾害防治与测量100 0.11 78.01 8.585 采煤100 0.09 75.94 6.836 掘进100 0.09 78.80 7.097 机电100 0.09 79.04 7.118 运输100 0.08 76.98 6.169 职业卫生100 0.06 81.58 4.8910 安全培训和应急管理100 0.06 75.63 4.5411 调度和地面设施100 0.06 68.37 4.10安全生产标准化考核得分77.12一、安全风险分级管控安全风险分级管控标准化评分表项目项目 内容基本要求标准 分值 评分方法扣分原因得分一、工作机制(10分) 职责 分工1.建立安全风险分级管控工作责任体系,矿长全面负责,分管负责人负责分管范围内的安全风险分级管控工作 4 查资料和现场。
未建立责任体系不得分,随机抽查,矿领导1人不清楚职责扣1分 4 2.有负责安全风险分级管控工作的管理部门2 查资料。
未明确管理部门不得分2 制度 建设建立安全风险分级管控工作制度,明确安全风险的辨识范围、方法和安全风险的辨识、评估、管控工作流程4查资料。
未建立制度不得分,辨识范围、方法或工作流程1处不明确扣2分4二、安全风险辨识评估(40分)年度辨 识评估每年底矿长组织各分管负责人和相关业务科室、区队进行年度安全风险辨识,重点对井工煤矿瓦斯、水、火、煤尘、顶板、冲击地压及提升运输系统,露天煤矿边坡、爆破、机电运输等容易导致群死群伤事故的危险因素开展安全风险辨识;及时编制年度安全风险辨识评估报告,建立可能引发重特大事故的重大安全风险清单,并制定相应的管控措施;将辨识评估结果应用于确定下一年度安全生产工作重点,并指导和完善下一年度生产计划、灾害预防和处理计划、应急救援预案10查资料。
煤安监行管〔2020〕16号煤矿安全生产标准化管理体系考核定级办法(试行)第一条为进一步加强煤矿安全生产基础建设,深入落实“管理、装备、素质、系统”四个要素并重原则,持续推进煤矿安全治理体系和治理能力现代化,根据《中华人民共和国安全生产法》及有关规定,制定本办法。
第二条本办法适用于全国所有合法的生产煤矿。
新建、改扩建、技改煤矿可参照执行。
第三条考核定级标准执行《煤矿安全生产标准化管理体系基本要求及评分方法(试行)》(以下简称《管理体系》)。
第四条申报安全生产标准化管理体系等级的煤矿必须具备《管理体系》总则部分设定的基本条件,有任何一条不具备的,不得被确认为安全生产标准化管理体系达标煤矿。
第五条煤矿安全生产标准化管理体系等级分为一级、二级、三级3个等级,所应达到的要求为:一级:煤矿安全生产标准化管理体系考核加权得分及各部分得分均不低于90分,且不存在下列情形:1.井工煤矿井下单班作业人数超过有关限员规定的;2.发生生产安全死亡事故,自事故发生之日起,一般事故未满1年、较大及重大事故未满2年、特别重大事故未满3年的;3.安全生产标准化管理体系一级检查考核未通过,自考核定级部门检查之日起未满1年的;4.因管理滑坡或存在重大事故隐患且组织生产被降级或撤消等级未满1年的;5.露天煤矿采煤对外承包的,或将剥离工程承包给2家(不含)以上施工单位的;6.被列入安全生产“黑名单”或在安全生产联合惩戒期内的;7.井下违规使用劳务派遣工的。
二级:煤矿安全生产标准化管理体系考核加权得分及各部分得分均不低于80分,且不存在下列情形:1.井工煤矿井下单班作业人数超过有关限员规定的;2.发生生产安全死亡事故,自事故发生之日起,一般事故未满半年、较大及重大事故未满1年、特别重大事故未满3年的;3.因存在重大事故隐患且组织生产被撤消等级未满半年的;4.被列入安全生产“黑名单”或在安全生产联合惩戒期内的。
三级:煤矿安全生产标准化管理体系考核加权得分及各部分得分均不低于70分。
附件煤矿安全生产标准化管理体系基本要求及评分方法(征求意见稿)1.总则煤矿是安全生产的责任主体,应通过树立安全生产理念和目标,实施安全承诺,建立健全组织机构,配备安全管理人员,建立并落实安全生产责任制和安全管理制度,开展风险分级管控、隐患排查治理、质量控制,通过持续改进,不断规范安全生产管理,将煤矿安全生产标准化管理软件与硬件相统一、动态与静态相统一、过程与结果相统一,提升煤矿安全保障能力,实现安全发展。
一、基本条件安全生产标准化管理体系达标煤矿应具备以下基本条件:(一)采矿许可证、安全生产许可证、营业执照齐全有效。
(二)安全生产组织机构完备,有负责安全、采煤、掘进、通风、机电、运输、地测、防治水、调度和应急管理、安全培训、职业病防治等工作的管理部门,配备管理人员。
煤(岩)与瓦斯(二氧化碳)突出矿井(以下简称突出矿井)、水文地质类型复杂极复杂矿井、冲击地压矿井按规定设有相应的管理机构,配备管理人员。
(三)矿长、副矿长、总工程师、副总工程师在规定的时间内参加由煤矿安全培训主管部门组织的安全生产知识和管理能力考核,并取得考核合格证明。
(四)煤矿建立健全安全生产责任制。
(五)不存在重大生产安全事故隐患。
二、基本原则(一)发挥领导作用领导作用是煤矿安全生产管理的关键。
煤矿矿长应发挥领导表率作用,强化安全风险意识,实施并兑现安全承诺,落实安全生产主体责任,提供必要的组织、制度、人员、技术、资金等保障,营造全员参与标准化建设的氛围和环境,保障安全生产标准化管理体系的有效运行。
(二)突出理念引领贯彻落实“安全第一,预防为主,综合治理”的安全生产方针,牢固树立安全生产红线意识,用先进的安全生产理念、明确的安全生产目标,指导煤矿开展安全生产各项工作。
(三)强化风险意识深化风险分级管控、隐患排查治理双重预防机制,增强煤矿矿长、总工程师等管理人员、专业技术人员风险意识,实现源头管控,不断推动安全生产关口前移。
(四)注重过程控制过程控制是煤矿安全生产管理的核心。
2020版安全生产标准化_煤矿安全生产标准化基本要求及评分方法煤矿安全生产标准化基本要求及评分方法(2020试行)第1部分总则一、基本条件安全生产标准化达标煤矿应具备以下基本条件: 1.采矿许可证、安全生产许可证、营业执照齐全有效; 2.矿长、副矿长、总工程师、副总工程师(技术负责人)在规定的时间内参加由煤矿安全监管部门组织的安全生产知识和管理能力考核,并取得考核合格证; 3.不存在各部分所列举的重大事故隐患; 4.建立矿长安全生产承诺制度,矿长每年向全体职工公开承诺,牢固树立安全生产“红线意识”,及时消除事故隐患,保证安全投入,持续保持煤矿安全生产条件,保护矿工生命安全。
二、等级设定煤矿安全生产标准化等级分为一级、二级、三级。
一级为最高级。
三、工作要求 1.建立和保持煤矿是创建并持续保持标准化动态达标的责任主体。
应通过实施安全风险分级管控和事故隐患排查治理、规范行为、控制质量、提高装备和管理水平、强化培训,使煤矿达到并持续保持安全生产标准化等级标准,保障安全生产。
2.目标与计划制定安全生产标准化创建年度计划,并分解到相关部门严格执行和考核。
3.组织机构与职责有负责安全生产标准化工作的机构,各单位、部门和人员的安全生产标准化工作职责明确。
4.安全生产标准化投入保障安全生产标准化经费,持续改进和完善安全生产条件。
5.技术保障健全技术管理体系,完善工作制度,开展技术创新;作业规程、操作规程及安全技术措施编制符合要求,审批手续完备,贯彻执行到位。
6.现场管理和过程控制加强各生产环节的过程管控和现场管理,定期开展安全生产标准化达标自检工作。
7.持续改善煤矿取得的安全生产标准化等级,是煤矿安全生产标准化工作主管部门在考核定级时,对煤矿安全生产标准化工作现状的测评,是对煤矿执行《安全生产法》等相关规定组织开展安全生产标准化建设情况的考核认定。
取得等级的煤矿应在取得的等级基础上,有目的、有计划地持续改进工艺技术、设备设施、管理措施,规范员工安全行为,进一步改善安全生产条件,使煤矿持续保持考核定级时的安全生产条件,并不断提高安全生产标准化水平,建立安全生产标准化长效机制。
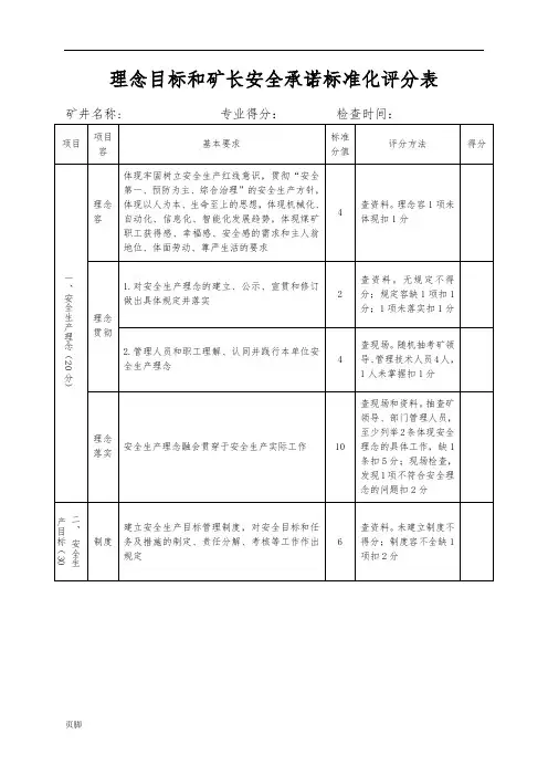
理念目标和矿长安全承诺标准化评分表矿井名称: 专业得分:检查时间:
组织机构标准化评分表
矿井名称: 专业得分:检查时间:
安全生产责任制及安全管理制度标准化评分表矿井名称: 专业得分:检查时间:
从业人员素质标准化评分表矿井名称: 专业得分:检查时间:
安全风险分级管控标准化评分表矿井名称: 专业得分:检查时间:
事故隐患排查治理标准化评分表矿井名称: 专业得分:检查时间:
通风标准化评分表
矿井名称: 专业得分:检查时间:
地质灾害防治与测量技术管理标准化评分表矿井名称: 专业得分:检查时间:
地质标准化评分表
矿井名称: 专业得分:检查时间:
测量标准化评分表
矿井名称: 专业得分:检查时间:
防治水标准化评分表
矿井名称: 专业得分:检查时间:
冲击地压标准化评分表
矿井名称: 专业得分:检查时间:
采煤标准化评分表
矿井名称: 专业得分:检查时间:
掘进标准化评分表
矿井名称: 专业得分:检查时间:。
附件2煤矿安全生产标准化基本要求及评分方法(试行)第 1部分总则一、基本条件安全生产标准化达标煤矿应具备以下基本条件:1.采矿许可证、安全生产许可证、营业执照齐全有效;2.矿长、副矿长、总工程师、副总工程师(技术负责人)在规定的时间内参加由煤矿安全监管部门组织的安全生产知识和管理能力考核,并取得考核合格证;3.不存在各部分所列举的重大事故隐患;4.建立矿长安全生产承诺制度,矿长每年向全体职工公开承诺,牢固树立安全生产“红线意识”,及时消除事故隐患,保证安全投入,持续保持煤矿安全生产条件,保护矿工生命安全。
二、等级设定煤矿安全生产标准化等级分为一级、二级、三级。
一级为最高级。
三、工作要求1.建立和保持— 9 —煤矿是创建并持续保持标准化动态达标的责任主体。
应通过实施安全风险分级管控和事故隐患排查治理、规范行为、控制质量、提高装备和管理水平、强化培训,使煤矿达到并持续保持安全生产标准化等级标准,保障安全生产。
2.目标与计划制定安全生产标准化创建年度计划,并分解到相关部门严格执行和考核。
3.组织机构与职责有负责安全生产标准化工作的机构,各单位、部门和人员的安全生产标准化工作职责明确。
4.安全生产标准化投入保障安全生产标准化经费,持续改进和完善安全生产条件。
5.技术保障健全技术管理体系,完善工作制度,开展技术创新;作业规程、操作规程及安全技术措施编制符合要求,审批手续完备,贯彻执行到位。
6.现场管理和过程控制加强各生产环节的过程管控和现场管理,定期开展安全生产标准化达标自检工作。
7.持续改善煤矿取得的安全生产标准化等级,是煤矿安全生产标准化工作主管部门在考核定级时,对煤矿安全生产标准化工作现状的测评,是对煤矿执行《安全生产法》等相关规定组织开展安全生产— 10 —标准化建设情况的考核认定。
取得等级的煤矿应在取得的等级基础上,有目的、有计划地持续改进工艺技术、设备设施、管理措施,规范员工安全行为,进一步改善安全生产条件,使煤矿持续保持考核定级时的安全生产条件,并不断提高安全生产标准化水平,建立安全生产标准化长效机制。
煤矿安全生产标准化管理体系基本要求及评分方法(试行)第1部分总则煤矿是安全生产的责任主体,必须建立健全煤矿安全生产标准化管理体系,通过树立安全生产理念和目标,实施安全承诺,建立健全组织机构,配备安全管理人员,建立并落实安全生产责任制和安全管理制度,提升从业人员素质,开展安全风险分级管控、事故隐患排查治理,抓好质量控制,不断规范、持续改进安全生产管理,适应煤矿安全治理体系和治理能力现代化要求,实现安全发展。
一、基本条件安全生产标准化管理体系达标煤矿应具备以下条件,任一项不符合的,不得参与安全生产标准化管理体系考核定级:1.采矿许可证、安全生产许可证、营业执照齐全有效;2.树立体现安全生产“红线意识”和“安全第一、预防为主、综合治理”方针,与本矿安全生产实际、灾害治理相适应的安全生产理念;3.制定符合法律法规、国家政策要求和本单位实际的安全生产工作目标;4.矿长作出持续保持、提高煤矿安全生产条件的安全承诺,并作出表率;5.安全生产组织机构完备(井工煤矿有负责安全、采煤、掘进、通风、机电、运输、地测、防治水、安全培训、调度、应急管理、职业病危害防治等工作的管理部门;露天煤矿有负责安全、钻孔、爆破、采装、运输、排土、边坡、机电、地测、防治水、防灭火、安全培训、调度、应急管理、职业病危害防治等工作的管理部门),配备管理人员;煤(岩)与瓦斯(二氧化碳)突出矿井、水文地质类型复杂和极复杂矿井、冲击地压矿井按规定设有相应的机构和队伍;6.矿长、副矿长、总工程师、副总工程师按规定参加安全生产知识和管理能力考核,取得考核合格证明;7.建立健全安全生产责任制;8.不存在重大事故隐患。
二、基本原则1.突出理念引领贯彻落实“安全第一,预防为主,综合治理”的安全生产方针,牢固树立安全生产红线意识,用先进的安全生产理念、明确的安全生产目标,指导煤矿开展安全生产工作。
2.发挥领导作用领导作用是煤矿安全生产管理的关键。
煤矿矿长应发挥领导表率作用,具有风险意识,实施并兑现安全承诺,落实安全生产主体责任,提供必要的机构、人员、制度、技术、资金等保障,有效推动安全生产标准化管理体系运行,实现安全管理全员参与。
煤矿安全生产标准化管理体系基本要求及评分方法1.总则煤矿是安全生产的责任主体,应通过树立安全生产理念和目标,实施安全承诺,建立健全组织机构,配备安全管理人员,建立并落实安全生产责任制和安全管理制度,开展风险分级管控、隐患排查治理、质量控制,通过持续改进,不断规范安全生产管理,将煤矿安全生产标准化管理软件与硬件相统一、动态与静态相统一、过程与结果相统一,提升煤矿安全保障能力,实现安全发展。
一、基本条件安全生产标准化管理体系达标煤矿应具备以下基本条件:(一)采矿许可证、安全生产许可证、营业执照齐全有效。
(二)安全生产组织机构完备,有负责安全、采煤、掘进、通风、机电、运输、地测、防治水、调度和应急管理、安全培训、职业病防治等工作的管理部门,配备管理人员。
煤(岩)与瓦斯(二氧化碳)突出矿井(以下简称突出矿井)、水文地质类型复杂极复杂矿井、冲击地压矿井按规定设有相应的管理机构,配备管理人员。
(三)矿长、副矿长、总工程师、副总工程师在规定的时间内参加由煤矿安全培训主管部门组织的安全生产知识和管理能力考核,并取得考核合格证明。
(四)煤矿建立健全安全生产责任制。
(五)不存在重大生产安全事故隐患。
二、基本原则(一)发挥领导作用领导作用是煤矿安全生产管理的关键。
煤矿矿长应发挥领导表率作用,强化安全风险意识,实施并兑现安全承诺,落实安全生产主体责任,提供必要的组织、制度、人员、技术、资金等保障,营造全员参与标准化建设的氛围和环境,保障安全生产标准化管理体系的有效运行。
(二)突出理念引领贯彻落实“安全第一,预防为主,综合治理”的安全生产方针,牢固树立安全生产红线意识,用先进的安全生产理念、明确的安全生产目标,指导煤矿开展安全生产各项工作。
(三)强化风险意识深化风险分级管控、隐患排查治理双重预防机制,增强煤矿矿长、总工程师等管理人员、专业技术人员风险意识,实现源头管控,不断推动安全生产关口前移。
(四)注重过程控制过程控制是煤矿安全生产管理的核心。
( 安全管理 )单位:_________________________姓名:_________________________日期:_________________________精品文档 / Word文档 / 文字可改煤矿安全生产标准化基本要求及评分方法(2020新版)Safety management is an important part of production management. Safety and production are inthe implementation process煤矿安全生产标准化基本要求及评分方法(2020新版)技术负责人)在规定的时间内参加由煤矿安全监管部门组织的安全生产知识和管理能力考核,并取得考核合格证;3.不存在各部分所列举的重大事故隐患;4.建立矿长安全生产承诺制度,矿长每年向全体职工公开承诺,牢固树立安全生产“红线意识”,及时消除事故隐患,保证安全投入,持续保持煤矿安全生产条件,保护矿工生命安全。
二、等级设定煤矿安全生产标准化等级分为一级、二级、三级。
一级为最高级。
三、工作要求1.建立和保持—10—煤矿是创建并持续保持标准化动态达标的责任主体。
应通过实施安全风险分级管控和事故隐患排查治理、规范行为、控制质量、提高装备和管理水平、强化培训,使煤矿达到并持续保持安全生产标准化等级标准,保障安全生产。
2.目标与计划制定安全生产标准化创建年度计划,并分解到相关部门严格执行和考核。
3.组织机构与职责有负责安全生产标准化工作的机构,各单位、部门和人员的安全生产标准化工作职责明确。
4.安全生产标准化投入保障安全生产标准化经费,持续改进和完善安全生产条件。
5.技术保障健全技术管理体系,完善工作制度,开展技术创新;作业规程、操作规程及安全技术措施编制符合要求,审批手续完备,贯彻执行到位。
6.现场管理和过程控制加强各生产环节的过程管控和现场管理,定期开展安全生产标准化达标自检工作。