单位食堂(集体用餐)现场核查表
- 格式:docx
- 大小:27.63 KB
- 文档页数:5
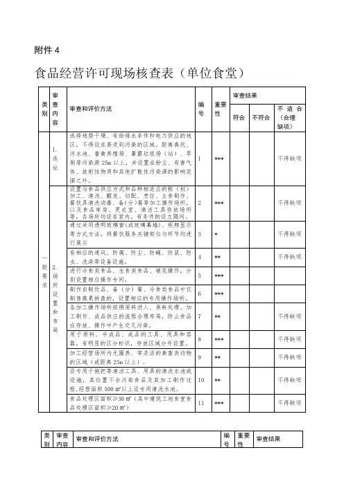
附件 6食品经营许可 ( 单位食堂 ) 现场核查表名称:法定代表人 (负责人 ):经营场所:贮存场所:省食品药品监督管理局监制食品经营许可 ( 单位食堂 ) 现场核查围(一)餐饮服务经营者类别□学校(含托幼机构)食堂□机关企事业单位食堂□养老机构食堂□工地食堂□其他食堂( 二 ) 食品经营项目1、□热食类食品制售2、□冷食类食品制售3、□生食类食品制售4、□糕点类食品制售(□含裱花蛋糕、□不含裱花蛋糕)5、□自制饮品制售(不含压力容器制作的饮品)6、□其他类食品制售( 三)食品贮存场所□在本经营场所□在本经营场所外核查容1.人员管理2.制度建立核查项目和评价方法供餐人数 500 人以上的单位食堂应当配备 2 名以上取得国家或行业规定的食品安全管理资质的专职食品安全管理人员;供餐人数500人以下的单位食堂应配备专职或者兼职的持有国家或行业规定的相关资质证明的食品安全管理人员食品从业人员应当具有合法有效的健康体检合格证明和食品药品监督管理部门认可的培训合格证明应建立以下食品安全管理制度:从业人员健康管理制度和培训管理制度、食品安全管理员制度、食品安全自检自查与报告制度、食品经营过程与控制制度、场所及设施设备清洗消毒和维修保养制度、进货查验和查验记录制度、食品安全追溯管理制度、食品贮存管理制度、废弃物处置制度、食品添加剂使用公示制度、食品安全突发事件应急处置方案加入食品安全信息追溯平台,配备符合要求的终端设备。
编项目初审意见复核意见号等级1 ** □符合□不符合□符合□不符合2 *** □符合□不符合□符合□不符合3 ** □符合□不符合□符合□不符合4 *** □符合□不符合□符合□不符合3. 选址选择地势干燥、有给排水条件和电力供应的地区,不得设在易受到污染的区域。
距离粪坑、污水池、暴露垃圾场(站)、动物养殖场所、旱厕等污染源25m以上。
4.场所设置、布局、设置与食品经营类别、项目和规模相适应的粗加工、切配、烹饪、糕点制作、餐用具清洗消毒、备餐等加工操作场所以及食品库房、分隔和面积更衣室、清洁工具存放场所等,符合分类要求。
食品经营许可准入标准
(本核查表适用于微型餐饮服务经营者,建筑工地食堂、其它食堂)经营者称:
注:1.本表共43项,其中关键项17项,重点项18项,一般项8项。
***表示关键项,**为重点项,*为一般项。
2.现场核查结果判定准则:关键项允许不符合数为0项,重点项和一般项不符合总数≤8项,其中重点项不符合数≤3项的,可判定为现场核查基本符合.
核查情况汇总:
1.主体业态:□餐饮服务经营者(□特大型□大型□中型□小型□微型)
□单位食堂(□学校(含托幼机构)食堂□养老机构食堂□建筑工地食堂
□机关企事业单位食堂□其他食堂)
(□通过互联网经营□内设中央厨房□从事集体用餐配送)
2.现场核查项目:□5.热食类食品制售,□6.冷食类食品制售,□7.生食类食品制售,□8.糕点
类食品制售(□不含裱花糕点□含裱花糕点),□9.自制饮品制售(不含
生鲜乳饮品、不含自酿白酒),□10.其他类食品制售(按品种填
写)
3.核查结果:□符合规定:□5、□6、□7、□8、□9、□10
□不符合规定:□5、□6、□7、□8、□9、□10
(□通过互联网经营□内设中央厨房□从事集体用餐配送)
核查人签名:申请人阅后签名:
日期:年月日日期:年月日。
附件3:第三类餐饮服务许可现场核查表(适用于小型餐馆,小吃店,饮品店,供餐人数50人以下的机关、企事业单位食堂)单位名称:地址:核查日期:注:1.本表共30项,其中关键项9项,重点项11项,一般项10项。
***表示关键项,**为重点项,*为一般项。
2.项目中的内容如部分不符合,应作为不符合。
3.本表中单位食堂指除学校和幼儿园以外的机关、企事业单位的食堂,不包括建筑工地食堂。
现场核查汇总表核查人签名:申请人阅后签名:日期:日期:现场核查结果判定准则表中项目按其对食品安全的影响程度,分为关键项、重点项和一般项,其中关键项是对食品安全有重大影响的项目,重点项是对食品安全有较大影响的项目,其余项目为一般项。
符合下表的,可判定为现场核查基本符合:镇江市丹徒区食品药品监督管理局餐饮服务许可现场核查笔录()第号申请人:申请项目:核查地点:核查时间:核查记录:核查结论:□符合规定□限期整改□不符合规定□整改后符合规定□整改后不符合规定当事人签名:核查人签名:年月日年月日备注: 本笔录一式两联,第一联留存卷宗备查,第二联交当事人。
国家食品药品监督管理局制镇江市丹徒区食品药品监督管理局餐饮服务许可审批表()第号申请人:事由:申请时间:年月日受理时间:年月日现场核查时间: 年月日审查意见:经办人签名:年月日审核意见:部门负责人签名:年月日审批意见:机关负责人签名:年月日备注:国家食品药品监督管理局制餐饮服务许可申请书申请人:申请日期:国家食品药品监督管理局制填写说明一、本申请书由申请人填写。
填写时要用碳素笔或者打印,文字要求简练、清楚,不得有涂改现象,空格处以“无”字填写。
二、“申请人”是指申请餐饮服务许可的单位或个人,按工商行政部门核定名称填写。
三、经济性质有:国有企业,集体企业,股份合作企业,联营企业,有限责任公司,股份有限公司,个人独资企业,合伙企业,其他企业,港、澳、台商投资企业,外商投资企业,个体工商户,农民专业合作社。
施工现场食堂卫生检查表一、基本信息- 检查日期:- 检查人员:- 食堂名称:- 食堂地址:- 食堂负责人:二、食堂环境卫生情况- [ ] 食堂整洁,无明显脏乱现象- [ ] 桌面、地面、墙壁清洁无污迹- [ ] 餐具摆放整齐、无油渍和污垢- [ ] 垃圾桶周边无异味和蚊蝇- [ ] 食堂通风良好,无异味和烟雾三、食品卫生安全情况- [ ] 食材储存区域干净整洁,无杂物和异味- [ ] 食品储存室温度适宜,不超过7摄氏度或不低于-18摄氏度- [ ] 食品标签清晰明确,包括生产日期、保质期等信息- [ ] 食品加工区域卫生良好,工作人员佩戴工作帽、口罩等防护装备- [ ] 厨房设备和工具清洁卫生,无油渍和积污- [ ] 炊具、餐具、保温设备高温消毒四、用餐流程和餐前准备- [ ] 食堂设有充足洗手设施,并有提示牌让员工洗手- [ ] 用餐区域标明就餐规定和注意事项- [ ] 食品摆放有序,无混放生熟食品现象- [ ] 食堂用餐时间合理安排,避免排队过长- [ ] 食品摆放区域干净整洁,不接触地面和墙壁五、食堂员工卫生和健康管理- [ ] 员工穿着整齐、干净,工作服干净并定期更换- [ ] 员工头发清洁,并固定好工作帽- [ ] 员工不得在工作区域吃喝吸烟- [ ] 员工有定期体检记录,没有传染性疾病六、其他情况- [ ] 具备应急医药箱并检查有效日期- [ ] 食堂内有应急疏散路线图和灭火器- [ ] 检查人员意见:以上内容为本次食堂卫生检查表,所有项均必须符合卫生标准。
如有问题,请及时整改并保留相关记录以备查验。
企业食堂食品安全监督检查记录表
---
日期:[填写日期]
检查项1:卫生管理
- [ ] 食堂内部卫生情况是否符合要求
- [ ] 环境卫生是否保持良好
- [ ] 食材采购卫生是否落实
- [ ] 食品加工过程中的个人卫生和操作规范是否符合要求- [ ] 食品储存和保鲜措施是否得当
- [ ] 食品标签是否清晰完整
检查项2:食品质量监控
- [ ] 食材采购是否严格按照合规标准进行
- [ ] 食品加工过程中是否注意食品安全控制
- [ ] 食品储存期限是否严格把握
- [ ] 食品质量问题是否及时发现和处理
检查项3:食品安全培训
- [ ] 食堂员工是否接受食品安全培训
- [ ] 食品安全培训是否及时更新
- [ ] 员工掌握的食品安全知识是否能够应用到实际工作中检查项4:食品安全记录
- [ ] 食堂是否建立健全食品安全记录制度
- [ ] 相关记录是否及时、完整、准确
---
备注:[填写备注]
---
以上为本次的企业食堂食品安全监督检查记录表,请妥善保存。
如有问题,请及时解决。
附件4
食品经营许可现场核查表(单位食堂)
说明:
1.项目中的内容如部分符合,应作为不符合。
2.本表共57项,其中关键项25项,重点项18项,一般项14项。
***表示关键项,**为重点项,*为一般项。
食品经营许可(单位食堂)现场核查意见
现场核查结果判定准则
表中项目按其对食品安全的影响程度,分为关键项、重点项和一般项,其中关键项是对食品安全有重大影响的项目,重点项是对食品安全有较大影响的项目,其余项目为一般项。
符合下表的,可判定为现场核查基本符合:
现场核查结果
核查意见:经综合评价,核审结论如下:(单位)
基本符合类食品制售现场核查要求。
核查人签名:申请人阅后签名:
日期:日期:。
合肥市餐饮服务类市级许可现场核查表
适用于□高校食堂、□特大型餐饮、□中央厨房、□集体用餐配送单位
名称:
经营场所:
法定代表人(负责人):
核查日期:年月日
经营项目:□热食类食品制售□冷食类食品制售□生食类食品制售□糕点类食品制售(□含裱花蛋糕□不含裱花蛋糕)
□自制饮品制售(□普通类□自酿酒□鲜奶吧)
注:1、本表核查项目共71项,其中关键项30项,一般项41项,*表示关键项,其他为一般项;2、项目中的内容如部分不符合,应作为不符合;3、本表核查内容中1-19项为通用要求,申请所有类别的经营项目均应符合通用要求,除热食外的其他经营项目
除应满足一般要求外还应同时满足其他相应要求;4、关键项必须全部符合(合理缺项除外),一般项“符合”的比例应超过总数(合理缺项除外)的80%以上。
现场核查汇总表
核查意见:符合□不符合□
核查人员签名:申请人阅后签名(盖章):日期:日期:。
食品经营许可(餐饮服务类)现场核查表及核查结果判定标准(通用----7c853cdc-6ebe-11ec-9a47-7cb59b590d7d食品经营许可(餐饮服务类)现场核查表及核查结果判定标准公司名称:地址:核查日期:年月日核查项目:□ 热菜□ 冷食□ 生食□ 糕点(□ 不包括装饰性糕点□ (包括装饰性糕点)□自制饮品类□中央厨房□集体用餐配送单位□单位食堂验证结果:□符合规定□不符合规定一现场核查表及判定标准(通用要求)本项目食品经营场所应位于地形干燥、给排水条件和供电条件较好的区域,不得位于易受污染的区域;距离化粪池、污水池、裸露垃圾场(站)、厕所等污染源25米以上,与灰尘、有害气体、放射性物质等扩散污染源保持一定距离。
设置与食品供应方式和品种相适应的加工操作条件,如粗加工、切割搭配、烹饪、糕点制作、餐具清洗消毒、备餐,以及食品仓库、更衣室、清洗工具存放处等,并有相应的通风、防腐、,防尘、防蝇、防鼠、防虫、清洗等设施设备。
禁止在加工经营场所设置圈养、屠宰活禽、活牲畜的区域。
加工经营场所面积为60m~150m(不含60m,含150m)的,食品加工区面积与2222个餐饮场所面积之比不得小于1u5。
150m~500m(不含150m及500m)食品加工区2222面积与餐厅面积之比不小于1u6。
500m~3000m(不含500m,含3000m)2个食品加工区与就餐区的比例不小于1u7。
食品加工区面积与餐厅面积之比不得小于1u8。
如果商店只有一个简单的加工过程(如开箱、摆菜、调味等),食品加工区面积与餐厅面积之比不得小于1u8。
切割和烹饪区域≥ 食品加工区面积的50%(如果商店只有一个简单的加工过程(如开箱、摆菜、调味等),可以适当减少)。
各加工作业场所应按原料进厂、原料处理、加工生产和成品供应的顺序合理布置,并能防止食品在储存和操作过程中的交叉污染。
用于存放原材料、半成品和成品的容器,以及使用的各种水池、工具和器具,应有明显的标识,并单独设置存放区。
C.1食品经营许可现场核查表
贵州省食品经营许可现场核查表
(本表适用于餐饮服务经营者、单位食堂、食品现场制售)
经营者名称:
法定代表人(负责人):
经营场所:
仓库地址:
核查时间:
填表说明
1、本核查表适用于对申请《食品经营许可证》的经营单位进行现场核查评价。
2、现场核查项目按其对食品安全的影响程度,分为关键项(***)、重点项(**)和一般项(*)。
每一个核查项目的评价意见为“符合”、“不符合”和“合理缺项”,现场核查时,在“评价意见”相应栏内画“√”。
项目中的内容如部分不符合,应作为不符合。
3、核查项目共82项,其中关键项42项,重点项27项,一般项13项。
关键项有1项不符合,则核查意见为“不合格”;所有关键项(合理缺项除外)符合,重点项和一般项不符合总数≤10项,其中重点项不符合数≤5项,则核查结论为“合格”。
4、核查人员应针对不符合的项目提出相应的整改要求。
5、限期整改后复查,核查结论仍为“不符合”的,不再安排现场核查。
6、核查人员应如实填写本核查表中的内容。
当事人(签名或盖章):年月日
C.2食品经营许可经营场所现场核查记录
食品经营许可现场核查记录
()第号
申请人:
申请经营项目:
核查地点:
核查时间:
核查记录:
核查结论:□符合规定□限期整改□不符合规定
□整改后符合规定□整改后不符合规定
当事人签名(或盖章):核查人员签名:
年月日年月日
备注:本记录一式两联,第一联留存卷宗备查,第二联交当事人。
集体用餐配送单位许可现场核查表
单位名称:
地址:
核查日期:
注:1.本表共60项,其中关键项20项,重点项23项,一般项17项。
***表示关键项,**为重点项,*为一般项。
2.项目中的内容如部分不符合,应作为不符合。
核查项目汇总表
核查人签名:申请人阅后签名:
日期:日期:
现场核查结果判定准则
表中项目按其对食品安全的影响程度,分为关键项、重点项和一般项,其中关键项是对食品安全有重大影响的项目,重点项是对食品安全有较大影响的项目,其余项目为一般项。
符合下表的,可判定为现场核查基本符合:。
附件4
食品经营许可现场核查表(单位食堂)
说明:
1.项目中的内容如部分符合,应作为不符合。
2.本表共57项,其中关键项25项,重点项18项,一般项14项。
***表示关键项,**为重点项,*为一般项。
食品经营许可(单位食堂)现场核查意见
现场核查结果判定准则
表中项目按其对食品安全的影响程度,分为关键项、重点项和一般项,其中关键项是对食品安全有重大影响的项目,重点项是对食品安全有较大影响的项目,其余项目为一般项。
符合下表的,可判定为现场核查基本符合:
现场核查结果
核查意见:经综合评价,核审结论如下:(单位)
基本符合类食品制售现场核查要求。
核查人签名:申请人阅后签名:
日期:日期:。