建筑防火间距规范
- 格式:docx
- 大小:36.68 KB
- 文档页数:2
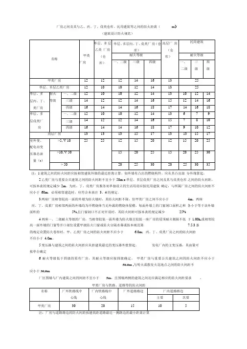
建筑设计防火规范相关防火间距汇总(总4页)--本页仅作为文档封面,使用时请直接删除即可----内页可以根据需求调整合适字体及大小--厂房之间及其与乙、丙、丁、戊类仓库、民用建筑等之间的防火距离(m)(建筑设计防火规范)注:1 建筑之间的防火间距应按相邻建筑外墙的最近距离计算,如外墙有凸出的燃烧构件,应从其凸出部分外缘算起。
2 乙类厂房与重要公共建筑之间的防火间距不宜小于50m。
单层、多层戊类厂房之间及其与戊类仓库之间的防火间距,可按本表的规定减少2m。
为丙、丁、戊类厂房服务而单独设立的生活用房应按民用建筑确定,与所属厂房之间的防火间距不应小于60m。
必须相邻建造时,应符合本表注3、4的规定。
3 两座厂房相邻较高一面的外墙为防火墙时,其防火间距不限,但甲类厂房之间不应小于4m。
两座丙、丁、戊累厂房相邻两面的外墙均为不燃烧体当无外露的燃烧体屋檐,每面外墙上的门窗洞口面积之和各小于等于该外墙面积的 5%,且门窗洞口不正对开设时,其防火间距可按本表的规定减少 25%4 两座一、二级耐火等级的厂房,当相邻较低一面外墙为防火墙且较低一座厂房的屋顶耐火极限不低于,或相邻较高一面外墙的门窗等开口部位设置甲级防火门窗或防火分隔水幕或按本规范第条的规定设置防火卷帘时,甲、乙类厂房之间的防火间距不应小于;丙、丁、戊类厂房之间的防火间距不应小于。
5 变压器与建筑之间的防火间距应从距建筑最近的变压器外壁算起。
发电厂内的主变压器,其油量可按单台确定6 耐火等级低于四级的原有厂房,其耐火等级应按四级确定。
甲类厂房与重要公共建筑之间的防火间距不应小于,与明火或散发火花地点之间的防火间距不应小于厂区围墙与厂内建筑之间的间距不宜小于5m,且围墙两侧的建筑之间还应满足相应的防火间距要求。
甲类厂房与铁路、道路等的防火间距注:厂房与道路路边的防火间距按建筑距道路最近一侧路边的最小距离计算甲类仓库之间及其与其它建筑、明火或散发火花地点、铁路等的防火间距(m)注:甲类仓库之间的防火间距,当第3、4项物品储量小于等于2t,第 1、2、5、6项物品储量小于等于5t时,不应小于,甲类仓库与高层仓库之间的防火间距不应小于13m乙、丙、丁、戊类仓库之间及其与民用建筑之间的防火间距(m)注:1 单层、多层戊类仓库之间的防火间距,可按本表减少;2 两座仓库相邻较高一面外墙为防火墙,且总占地面积小于等于本规范第条一座仓库的最大允许占地面积规定时,其防火间距不限;3除乙类第 6项物品外的乙类仓库,与民用建筑之间的防火间距不宜小于,与重要公共建筑之间的防火间距不宜小于,与铁路、道路等的防火间距不宜小于表中甲类仓库与铁路、道路等的防火间距。
建筑之间防火间距的要求建筑之间的防火间距是指在城市建设中,为了减少火灾蔓延的风险,规定了相邻建筑之间的最小距离。
这个间距要求通常根据建筑物的高度、用途、建筑材料等因素而定,旨在确保火灾发生时,火势不易蔓延到相邻建筑,从而减少人员伤亡和财产损失。
具体的防火间距要求可能因国家、地区和建筑法规而异,以下是一些通常的考虑因素:
1. 建筑高度:一般来说,高层建筑的防火要求更为严格。
随着建筑高度的增加,防火间距可能会相应地增大。
2. 建筑用途:不同用途的建筑可能面临不同的火灾风险。
例如,住宅区和商业区的防火要求可能不同。
3. 建筑材料:使用防火性能更好的建筑材料有助于降低火灾的蔓延速度,因此在规划防火间距时,建筑材料的选择是一个重要考虑因素。
4. 防火墙:部分地区的建筑法规可能要求在一定的间距内设置防火墙,以有效隔离相邻建筑。
5. 消防设施:建筑之间的防火间距规定通常还与周围的消防设施有关。
离消防水源和消防通道越远,对防火间距的要求可能越高。
6. 城市规划:城市规划也会对建筑之间的防火间距进行限制,以确保整体的城市安全。
建筑之间的防火间距要求是在建筑规划和设计阶段就要考虑的重要因素。
相关的具体规定应当参考当地的建筑法规和规范,由专业的建筑设计师和防火专家进行具体规划和评估。
5.2 民用建筑的防火间距5.2.1 民用建筑之间的防火间距不应小于表5.2.1 的规定,与其它建筑物之间的防火间距应按本规范第3 章和第4 章的有关规定执行。
注:1 两座建筑物相邻较高一面外墙为防火墙或高出相邻较低一座一、二级耐火等级建筑物的屋面15m 范围内的外墙为防火墙且不开设门窗洞口时,其防火间距可不限;2 相邻的两座建筑物,当较低一座的耐火等级不低于二级、屋顶不设置天窗、屋顶承重构件及屋面板的耐火极限不低于1.00h,且相邻的较低一面外墙为防火墙时,其防火间距不应小于3.5m;3 相邻的两座建筑物,当较低一座的耐火等级不低于二级,相邻较高一面外墙的开口部位设置甲级防火门窗,或设置符合现行国家标准《自动喷水灭火系统设计规范》GB 50084 规定的防火分隔水幕或本规范第7.5.3 条规定的防火卷帘时,其防火间距不应小于3.5m;4 相邻两座建筑物,当相邻外墙为不燃烧体且无外露的燃烧体屋檐,每面外墙上未设置防火保护措施的门窗洞口不正对开设,且面积之和小于等于该外墙面积的5%时,其防火间距可按本表规定减少25%;5 耐火等级低于四级的原有建筑物,其耐火等级可按四级确定;以木柱承重且以不燃烧材料作为墙体的建筑,其耐火等级应按四级确定;6 防火间距应按相邻建筑物外墙的最近距离计算,当外墙有凸出的燃烧构件时,应从其凸出部分外缘算起。
5.2.2 民用建筑与单独建造的终端变电所、单台蒸汽锅炉的蒸发量小于等于4t/h 或单台热水锅炉的额定热功率小于等于2.8MW 的燃煤锅炉房,其防火间距可按本规范第5.2.1 条的规定执行。
民用建筑与单独建造的其它变电所、燃油或燃气锅炉房及蒸发量或额定热功率大于上述规定的燃煤锅炉房,其防火间距应按本规范第3.4.1 条有关室外变、配电站和丁类厂房的规定执行。
10kV以下的箱式变压器与建筑物的防火间距不应小于3m。
5.2.3 数座一、二级耐火等级的多层住宅或办公楼,当建筑物的占地面积的总和小于等于2500m2时,可成组布置,但组内建筑物之间的间距不宜小于4m。
厂房之间及其与乙、丙、丁、戊类仓库、民用建筑等之间的防火距离(m)(建筑设计防火规范)注:1建筑之间的防火间距应按相邻建筑外墙的最近距离计算,如外墙有凸出的燃烧构件,应从其凸出部分外缘算起。
2乙类厂房与重要公共建筑之间的防火间距不宜小于50m o单层、多层戊类厂房之间及其与戊类仓库之间的防火间距,可按本表的规定减少2m。
为丙、丁、戊类厂房服务而单独设立的生活用房应按民用建筑确定,与所属厂房之间的防火间距不应小于60m。
必须相邻建造时,应符合本表注3、4的规定。
3两座厂房相邻较高一面的外墙为防火墙时,其防火间距不限,但甲类厂房之间不应小于4m。
两座丙、丁、戊累厂房相邻两面的外墙均为不燃烧体当无外露的燃烧体屋檐,每面外墙上的门窗洞口面积之和各小于等于该外墙面积的5%,且门窗洞口不正对开设时,其防火间距可按本表的规定减少25% 4两座一、二级耐火等级的厂房,当相邻较低一面外墙为防火墙且较低一座厂房的屋顶耐火极限不低于1.00h,或相邻较高一面外墙的门窗等开口部位设置甲级防火门窗或防火分隔水幕或按本规范第7.5.3条的规定设置防火卷帘时,甲、乙类厂房之间的防火间距不应小于 6.0m;丙、丁、戊类厂房之间的防火间距不应小于4.0m。
5变压器与建筑之间的防火间距应从距建筑最近的变压器外壁算起。
发电厂内的主变压器,其油量可按单台确定6耐火等级低于四级的原有厂房,其耐火等级应按四级确定。
甲类厂房与重要公共建筑之间的防火间距不应小于50.0m ,与明火或散发火花地点之间的防火间距不应小于30.0m厂区围墙与厂内建筑之间的间距不宜小于5m,且围墙两侧的建筑之间还应满足相应的防火间距要求。
于5t时,不应小于12.0m,甲类仓库与高层仓库之间的防火间距不应小于13m乙、丙、丁、戊类仓库之间及其与民用建筑之间的防火间距(m)2两座仓库相邻较高一面外墙为防火墙,且总占地面积小于等于本规范第 3.3.2条一座仓库的最大允许占地面积规定时,其防火间距不限;3除乙类第6项物品外的乙类仓库,与民用建筑之间的防火间距不宜小于25.0m,与重要公共建筑之间的防火间距不宜小于30.0m,与铁路、道路等的防火间距不宜小于表 3.5.1中甲类仓库与铁路、道路等的防火间距。
建筑物间的防火间距(一)建筑物间的防火间距随着城市的快速发展和人口的增加,城市建筑密度不断增加,建筑物之间的空间也越来越小。
这给消防工作带来了极大的挑战。
建筑物间的防火间距是保证建筑物防火安全的重要措施之一。
下面将从以下几个方面展开阐述建筑物间的防火间距。
1. 防火间距的定义和意义防火间距指相邻两栋建筑物之间的水平距离。
防火间距是建筑设计中的一项重要的防火措施,它能有效地避免火灾蔓延,保障人民生命财产安全。
防火间距越大,可成为建筑物相互阻隔的屏障,有效遏制火势向其它建筑蔓延的趋势。
2. 防火间距的设计标准根据《建筑设计防火规范》GB50016-2014的规定,建筑物之间的防火间距应符合以下标准:(1)住宅区的防火间距应按照不同的楼高和建筑面积在4-20之间进行设计;(2)不同类型的非住宅建筑,其防火间距不同,例如机场和车站的防火距离应在300-500米之间。
(3)高层建筑和大型商业中心的防火间距应越大越好,适当超过标准值也可进一步提高安全性。
3. 防火间距的影响因素防火间距的影响因素很多,包括建筑物的高度、面积、结构类型和周围环境的情况等。
如当建筑物的高度很高时,其火灾危险性也相应增加,需要设置较远的防火间距来保护周边的建筑和人民生命财产安全。
4. 防火间距的应用效果防火间距的应用是一个系统的防火工作,要求设计和监督部门以及建筑施工企业共同配合和执行,以确保建筑物之间的防火间距达到规定标准。
在建筑物的设计和施工过程中,建筑部门要严格按照规定检查和监督,确保建筑物的防火间距符合国家规定。
综上所述,建筑物间的防火间距是建筑设计中的一项重要的防火措施,能有效地避免火灾蔓延,保障人民生命财产安全。
我们需要积极加强对防火间距的研究和开发,提高其在实践中的应用水平,从而为城市的安全发展和建设做出贡献。
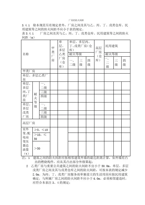
建筑防火设计规范防火间距Document serial number【UU89WT-UU98YT-UU8CB-UUUT-UUT108】厂房的防火间距3.4.1 除本规范另有规定者外,厂房之间及其与乙、丙、丁、戊类仓库、民用建筑等之间的防火间距不应小于表的规定。
表3.4.1 厂房之间及其与乙、丙、丁、戊类仓库、民用建筑等之间的防出的燃烧构件,应从其凸出部分外缘算起;2 乙类厂房与重要公共建筑之间的防火间距不宜小于50.0m。
单层、多层戊类厂房之间及其与戊类仓库之间的防火间距,可按本表的规定减少2.0m。
为丙、丁、戊类厂房服务而单独设立的生活用房应按民用建筑确定,与所属厂房之间的防火间距不应小于6.0m。
必须相邻建造时,应符合本表注3、4的规定;3 两座厂房相邻较高一面的外墙为防火墙时,其防火间距不限,但甲类厂房之间不应小于4.0m。
两座丙、丁、戊类厂房相邻两面的外墙均为不燃烧体,当无外露的燃烧体屋檐,每面外墙上的门窗洞口面积之和各小于等于该外墙面积的5%,且门窗洞口不正对开设时,其防火间距可按本表的规定减少25%;4 两座一、二级耐火等级的厂房,当相邻较低一面外墙为防火墙且较低一座厂房的屋顶耐火极限不低于,或相邻较高一面外墙的门窗等开口部位设置甲级防火门窗或防火分隔水幕或按本规范第7.5.3条的规定设置防火卷帘时,甲、乙类厂房之间的防火间距不应小于6.0m;丙、丁、戊类厂房之间的防火间距不应小于4.0m;5 变压器与建筑之间的防火间距应从距建筑最近的变压器外壁算起。
发电厂内的主变压器,其油量可按单台确定;6 耐火等级低于四级的原有厂房,其耐火等级应按四级确定。
3.4.2 甲类厂房与重要公共建筑之间的防火间距不应小于50.0m,与明火或散发火花地点之间的防火间距不应小于30.0m,与架空电力线的最小水平距离应符合本规范第条的规定,与甲、乙、丙类液体储罐,可燃、助燃气体储罐,液化石油气储罐,可燃材料堆场的防火间距,应符合本规范第4章的有关规定。
防火间距规范要求
1 防火间距
防火间距是一种按照一定规范要求,在建筑中施工时应当注意到的重要距离。
它是指在建筑物的结构平面布置中,防火部件应当保持的最小距离,即房间墙、天花板、楼板与火源之间的距离。
这种距离既确保了安全生产,也减少了火源的蔓延。
2 防火间距的规范
具体来说,防火间距的规范主要是:一般楼体墙至火源的最小距离不得小于2米;混凝土楼板至火源的最小距离不得小于1米;采用阻燃绝缘材料构成的楼板至火源的最小距离不得小于2米;采用隔热保温材料构成的楼板至火源的最小距离为0.5米。
3 防火间距的目的
防火间距有很多重要的作用,包括确保安全、减少火灾、预防火灾以及减小火源蔓延的可能性。
它的出现不仅使建筑的设计及施工更安全、更符合规范,也减少了建筑结构之间的火源蔓延的危险。
另外,在一些特殊的情况下,满足防火间距的要求的同时,也能够帮助建筑师在施工中节约一定的建筑材料,只要事先在计划中综合考虑好建筑施工所需要的材料及成本。
4 结论
防火间距是一个重要的安全措施,它不仅能够防止安全事故,还
可以减少施工火灾危害,杜绝火源的蔓延。
在建筑施工中,因此要求
施工人员必须严格遵循防火间距的规范,保证安全,达到合格的要求。
厂房的防火间距3.4.1 除本规范另有规定者外,厂房之间及其与乙、丙、丁、戊类仓库、民用建筑等之间的防火间距不应小于表的规定。
表3.4.1 厂房之间及其与乙、丙、丁、戊类仓库、民用建筑等之间的防火出的燃烧构件,应从其凸出部分外缘算起;2 乙类厂房与重要公共建筑之间的防火间距不宜小于50.0m。
单层、多层戊类厂房之间及其与戊类仓库之间的防火间距,可按本表的规定减少2.0m。
为丙、丁、戊类厂房服务而单独设立的生活用房应按民用建筑确定,与所属厂房之间的防火间距不应小于6.0m。
必须相邻建造时,应符合本表注3、4的规定;3 两座厂房相邻较高一面的外墙为防火墙时,其防火间距不限,但甲类厂房之间不应小于4.0m。
两座丙、丁、戊类厂房相邻两面的外墙均为不燃烧体,当无外露的燃烧体屋檐,每面外墙上的门窗洞口面积之和各小于等于该外墙面积的5%,且门窗洞口不正对开设时,其防火间距可按本表的规定减少25%;4 两座一、二级耐火等级的厂房,当相邻较低一面外墙为防火墙且较低一座厂房的屋顶耐火极限不低于,或相邻较高一面外墙的门窗等开口部位设置甲级防火门窗或防火分隔水幕或按本规范第7.5.3条的规定设置防火卷帘时,甲、乙类厂房之间的防火间距不应小于6.0m;丙、丁、戊类厂房之间的防火间距不应小于4.0m;5 变压器与建筑之间的防火间距应从距建筑最近的变压器外壁算起。
发电厂内的主变压器,其油量可按单台确定;6 耐火等级低于四级的原有厂房,其耐火等级应按四级确定。
3.4.2 甲类厂房与重要公共建筑之间的防火间距不应小于50.0m,与明火或散发火花地点之间的防火间距不应小于30.0m,与架空电力线的最小水平距离应符合本规范第条的规定,与甲、乙、丙类液体储罐,可燃、助燃气体储罐,液化石油气储罐,可燃材料堆场的防火间距,应符合本规范第4章的有关规定。
3.4.3 散发可燃气体、可燃蒸气的甲类厂房与铁路、道路等的防火间距不应小于表的规定,但甲类厂房所属厂内铁路装卸线当有安全措施时,其间距可不受表规定的限制。
72有关规范要求的防火间距及各规范适用范围防火间距是指建筑物或设备之间应保持的一定距离,目的是为了防止火灾蔓延,并确保人员的安全疏散通道。
不同的建筑和设备在防火间距上有不同的要求,下面以常见的规范要求为例进行介绍。
1.建筑物之间的防火间距:根据《消防法》和《建筑设计防火规范》,建筑物之间应保持一定的防火间距,以防止火势蔓延。
具体要求如下:-低层建筑:一般要求距离不小于6米,如果建筑物高度超过18米,还要根据建筑物高度和外墙的耐火等级进行调整。
-多层住宅楼:一般要求距离不小于8米,如果建筑物高度超过24米,还要根据建筑物高度和外墙的耐火等级进行调整。
-商业建筑和公共建筑:一般要求距离不小于10米,如果建筑物高度超过36米,还要根据建筑物高度和外墙的耐火等级进行调整。
2.设备之间的防火间距:安全生产设备、电气设备等之间也需要保持一定的防火间距,以防止设备间的火灾相互蔓延。
具体要求如下:-安全生产设备:如锅炉、压力容器等设备,一般要求设备之间距离不小于5米,以确保设备散热和人员疏散的安全。
-电气设备:根据《电气安全规范》的规定,不同的电气设备之间有不同的防火间距要求,一般要求设备之间距离不小于0.5米,以确保电气设备之间的散热和防火。
3.适用范围:不同的规范要求适用的范围有所不同,下面以两个常见的规范为例进行介绍。
-《消防法》:适用于我国范围内所有建筑物和设备的防火要求,包括住宅楼、商业建筑、公共建筑等各类建筑,以及配套的安全生产设备和电气设备。
-《建筑设计防火规范》:适用于建筑物的设计、施工和验收过程中的防火要求,包括建筑物之间的防火间距、建筑材料的防火性能、建筑物内部的防火隔离等。
总结:防火间距是保证建筑物和设备防火安全的重要手段之一、建筑物之间的防火间距和设备之间的防火间距根据不同的规范有所不同,一般以保证防火蔓延的安全距离为原则。
不同的规范有不同的适用范围,需要根据具体情况进行选择和应用。
建筑和设备的设计、施工和验收过程中,应严格按照相关规范的要求进行操作,以确保防火安全。
3.4 厂房的防火间距3.4.1 除本规范另有规定者外,厂房之间及其与乙、丙、丁、戊类仓库、民用建筑等之间的防火间距不应小于表3.4.1的规定。
缘算起;2 乙类厂房与重要公共建筑之间的防火间距不宜小于50.0m。
单层、多层戊类厂房之间及其与戊类仓库之间的防火间距,可按本表的规定减少2.0m。
为丙、丁、戊类厂房服务而单独设立的生活用房应按民用建筑确定,与所属厂房之间的防火间距不应小于6.0m。
必须相邻建造时,应符合本表注3、4的规定;3 两座厂房相邻较高一面的外墙为防火墙时,其防火间距不限,但甲类厂房之间不应小于4.0m。
两座丙、丁、戊类厂房相邻两面的外墙均为不燃烧体,当无外露的燃烧体屋檐,每面外墙上的门窗洞口面积之和各小于等于该外墙面积的5%,且门窗洞口不正对开设时,其防火间距可按本表的规定减少25%;4 两座一、二级耐火等级的厂房,当相邻较低一面外墙为防火墙且较低一座厂房的屋顶耐火极限不低于1.00h,或相邻较高一面外墙的门窗等开口部位设置甲级防火门窗或防火分隔水幕或按本规范第7.5.3条的规定设置防火卷帘时,甲、乙类厂房之间的防火间距不应小于6.0m;丙、丁、戊类厂房之间的防火间距不应小于4.0m;5 变压器与建筑之间的防火间距应从距建筑最近的变压器外壁算起。
发电厂内的主变压器,其油量可按单台确定;6 耐火等级低于四级的原有厂房,其耐火等级应按四级确定。
3.4.2 甲类厂房与重要公共建筑之间的防火间距不应小于50.0m,与明火或散发火花地点之间的防火间距不应小于30.0m,与架空电力线的最小水平距离应符合本规范第11.2.1条的规定,与甲、乙、丙类液体储罐,可燃、助燃气体储罐,液化石油气储罐,可燃材料堆场的防火间距,应符合本规范第4章的有关规定。
3.4.3 散发可燃气体、可燃蒸气的甲类厂房与铁路、道路等的防火间距不应小于表3.4.3的规定,但甲类厂房所属厂内铁路装卸线当有安全措施时,其间距可不受表3.4.3规定的限制。
建筑防火间距规范建筑防火间距是指建筑物之间的最小距离,目的是为了降低建筑火灾发生时火势蔓延的速度,保护人员的生命安全,减少财产损失。
下面是关于建筑防火间距规范的内容:一、建筑防火间距的定义建筑防火间距是指相邻两个建筑物之间的最小距离,其主要包括垂直间距和水平间距两个方面。
垂直间距是指相邻建筑物之间的地面高度差,水平间距是指相邻建筑物之间的水平距离。
二、建筑防火间距的分类根据建筑物的性质和高度不同,建筑防火间距可以分为以下几类:1. 低层建筑:低层建筑一般不超过18米,防火间距一般为6米。
2. 中层建筑:中层建筑一般为18-50米,防火间距一般为9米。
3. 高层建筑:高层建筑一般超过50米,防火间距一般为18米或以上。
三、建筑防火间距的计算方法建筑防火间距的计算主要包括:1. 根据建筑物的高度和性质确定相应的防火间距。
2. 根据建筑物的立面形式和结构特点确定水平防火间距。
3. 针对特定情况,可以通过设置消防设备、采取防火墙等方式来满足防火间距要求。
四、建筑防火间距规范的应用建筑防火间距规范主要适用于以下情况:1. 建筑物之间的防火间距。
2. 建筑物与道路、植被等公共空间的防火间距。
3. 建筑物与边界线、其他建筑设施等的防火间距。
五、建筑防火间距规范的意义建筑防火间距规范的实施有以下几个方面的意义:1. 提高建筑物的火灾防范能力,减少火灾的发生。
2. 降低火势蔓延的速度,保护人员的生命安全。
3. 减少火灾对周围建筑物和环境的影响,减少财产损失。
4. 为消防队提供灭火和救援的条件。
六、建筑防火间距规范的执行建筑防火间距规范的执行主要包括以下几个方面:1. 在建筑设计阶段,要按照规范对防火间距进行合理设置。
2. 在建筑施工过程中,要确保防火间距的符合规范要求。
3. 在建筑使用和维护阶段,要定期检查和维护建筑防火间距。
总结起来,建筑防火间距规范对于保护人员生命安全和减少火灾损失具有非常重要的意义。
相关部门和建筑设计建设单位应该严格遵守和执行建筑防火间距规范,在建筑物的设计、施工和使用过程中,不仅要关注建筑的美观和实用性,更要注重建筑的防火安全性。
民用建筑之间的防火间距民用建筑之间的防火间距(m)
注:1 相邻两座单、多层建筑,当相邻外墙为不燃性墙体且无外露的可燃性屋檐,每面外墙上无防火保护的门、窗、洞口不正对开设且该门、窗、洞口的面积之和不大于外墙面积的5%时,其防火间距可按本表的规定减少25%。
2 两座建筑相邻较高一面外墙为防火墙,或高出相邻较低一座一、二级耐火等级建筑的屋面15m 及以下范围内的外墙为防火墙时,其防火间距不限。
3 相邻两座高度相同的一、二级耐火等级建筑中相邻任一侧外墙为防火墙,屋顶的耐火极限不低于1.00h 时,其防火间距不限。
4 相邻两座建筑中较低一座建筑的耐火等级不低于二级,相邻较低一面外墙为防火墙且屋顶无天窗,屋顶的耐火极限不低于1.00h 时,其防火间距不应小于3.5m;对于高层建筑,不应小于4m。
5 相邻两座建筑中较低一座建筑的耐火等级不低于二级且屋顶无天窗,相邻较高一面外墙高出较低一座建筑的屋面15m 及以下范围内的开口部位设置甲级防火门、窗,或设置符合现行国家标准《自动喷水灭火系统设计规范》GB 50084 规
定的防火分隔水幕或本规范第6.5.3 条规定的防火卷帘时,其防火间距不应小于3.5m;对于高层建筑,不应小于4m。
6 相邻建筑通过连廊、天桥或底部的建筑物等连接时,其间距不应小于本表的规定。
7 耐火等级低于四级的既有建筑,其耐火等级可按四级确定。
3.4 厂房防火间距3.4.1 除本规范另有要求者外,厂房之间及其和乙、丙、丁、戊类仓库、民用建筑等之间防火间距不应小于表3.4.1要求。
表3.4.1 厂房之间及其和乙、丙、丁、戊类仓库、民用建筑等之间防火间距(m)2 乙类厂房和关键公共建筑之间防火间距不宜小于50.0m。
单层、多层戊类厂房之间及其和戊类仓库之间防火间距,可按本表要求降低2.0m。
为丙、丁、戊类厂房服务而单独设置生活用房应按民用建筑确定,和所属厂房之间防火间距不应小于6.0m。
必需相邻建造时,应符合本表注3、4要求;3 两座厂房相邻较高一面外墙为防火墙时,其防火间距不限,但甲类厂房之间不应小于4.0m。
两座丙、丁、戊类厂房相邻两面外墙均为不燃烧体,当无外露燃烧体屋檐,每面外墙上门窗洞口面积之和各小于等于该外墙面积5%,且门窗洞口不正对开设时,其防火间距可按本表要求降低25%;4 两座一、二级耐火等级厂房,当相邻较低一面外墙为防火墙且较低一座厂房屋顶耐火极限不低于1.00h,或相邻较高一面外墙门窗等开口部位设置甲级防火门窗或防火分隔水幕或按本规范第7.5.3条要求设置防火卷帘时,甲、乙类厂房之间防火间距不应小于6.0m;丙、丁、戊类厂房之间防火间距不应小于4.0m;5 变压器和建筑之间防火间距应从距建筑最近变压器外壁算起。
发电厂内主变压器,其油量可按单台确定;6 耐火等级低于四级原有厂房,其耐火等级应按四级确定。
3.4.2 甲类厂房和关键公共建筑之间防火间距不应小于50.0m,和明火或散发怒花地点之间防火间距不应小于30.0m,和架空电力线最小水平距离应符合本规范第11.2.1条要求,和甲、乙、丙类液体储罐,可燃、助燃气体储罐,液化石油气储罐,可燃材料堆场防火间距,应符合本规范第4章相关要求。
3.4.3 散发可燃气体、可燃蒸气甲类厂房和铁路、道路等防火间距不应小于表3.4.3要求,但甲类厂房所属厂内铁路装卸线当有安全方法时,其间距可不受表3.4.3要求限制。
建筑防火间距规范
建筑防火间距是指建筑物与建筑物之间的最小安全距离,以防火安全为目标,保证建筑物之间的防火隔离。
建筑防火间距规范是由国家制定的建筑防火规范,对建筑物的防火间距进行了具体的要求和规定。
首先,建筑防火间距规范要求建筑物之间的防火间距必须满足建筑物高度的要求。
建筑物的高度越高,建筑的防火间距也要相应增加。
主要是考虑到高层建筑容易形成火场扩大的蔓延,为了防止火灾蔓延到相邻的建筑物,需要保持一定的安全距离。
其次,建筑防火间距规范对建筑物的建筑材料和结构也有要求。
规范中对于外墙的防火材料、外墙的防火构造、外墙防火设计等都有具体要求。
建筑物之间的防火间距也要保证达到一定的标准,以保证防火分隔的安全性。
再次,建筑防火间距规范还对建筑物的消防设施和消防通道也有要求。
消防设施是保障建筑物火灾安全的重要组成部分,规范中对于消防设施的设置和布局也有具体的要求。
消防通道的设置和保持畅通也是防止火灾扩大的重要因素,规范中对于消防通道的规定也有详细的规定。
最后,建筑防火间距规范还对于不同类型的建筑物也有具体的要求。
例如,对于住宅建筑物和公共建筑物的防火间距规定是不同的,对于工业建筑物和商业建筑物的要求也有所不同。
这是因为不同类型的建筑物在火灾条件下的燃烧性质和安全性要求也不一样,所以需要根据具体情况进行规定。
总结起来,建筑防火间距规范是保障建筑物防火安全的重要规定,它对建筑物之间的防火间距进行了具体的要求和规定,涵盖了建筑物的高度、建筑材料、消防设施和不同类型建筑的要求。
建筑防火间距规范的遵守和执行,是保障建筑物火灾安全的重要措施之一,对保护人们的生命财产安全具有重要的意义。