ATV61变频器通讯实验
- 格式:docx
- 大小:21.02 MB
- 文档页数:16
ATV61变频器针对 0.75 至 2400 kW 三相同异步电机产品泵和风机会消耗大量的能源,特别是在工业环境和基础设施领域。
通过这种新一代的变频器,施耐德电气利用其在速度控制领域中范围广泛的专业技术和技能,协助您提高竞争力,保护您的设施,降低您的维护成本,同时保持环境友好性。
出众的性能、先进的功能...同时又一直强调简便性。
对所有通信网络、应用、用户等开放。
ATV61 标准转矩产品针对您的所有特殊需求提供了独创性的解决方案。
控制您的能耗■其节能可使能耗削减50%。
■在变频器控制下,流量为额定值 80% 时的电机功率仅对应额定功率的50%,而在传统控制方式下则为 95%。
■ATV61 提供多种控制比率:- 二次比率 (Kn2)。
- 电压/频率比 (2 或 5 个点)。
- 节能比:根据施加在设备上的负载来优化能耗。
■减少电流谐波 (直流电抗器、无源滤波器等)。
ATV61前沿产品!强大的产品阵容■ IP20,UL 1 型,三相 200 至 240 V:ATV61 0.75 至 90 kW■ IP20,UL 1 型,三相 380至 480 V:ATV61 0.75 至 630 kW■ IP20,UL 1 型,三相 500 至 690 V:ATV61 2.2 至 800 kW■ IP54,UL 12 型,三相 380 至 480 V:ATV61 0.75 至 90 kW■ IP23/54,柜式变频器,三相 380 至 480 V:ATV61 90 至 1400 kW■ IP23/54,柜式变频器,三相 500 至 690 V:ATV61 90 至 2400 kW■集成 A 级或 B 级 EMC 滤波器。
■适应全世界要求的产品:UL、CSA、CE、C-Tick、DNV、GOST、ATEX ...可扩展的功能基本设备配有多种功能:应用功能、输入/输出、通信网络等等,可通过以下板卡进一步扩展:■输入/输出扩展卡。
ATV61F变频器设置
ATV61F变频器设置
——A01 设置——电机频率
——AL2设置——最⼩值——4MA
变频器菜单——输⼊/输出设置——R1 设置——继电器R1分配——变频器故障
——R2 设置——继电器R2分配——变频器运⾏
——R3 设置——继电器R3分配——参数2有效
给定通道——AL1给定(⾯板启动时)
——AL2给定(后台启动时)
给定1 —→AI2;
控制通道切换——通道1有效(设为此时代表由⾯板启动)
变频器菜单——命令——通道2有效(设为此时端⼦启动即后台启动有效)
命令通道1设置——端⼦排
命令通道2设置——端⼦排
I/O→R3分配→远程命令;
电机参数→最⼤频率→50Hz;
远程与本地切换按F4,REM远程,LOC本地;
注:如需本柜⾯板启动,应把“控制通道切换”设置为“通道1有效”同时“给定通道”设置为“AL1给定”
如需后台启动,应把“控制通道切换”设置为“通道2有效”同时“给定通道”设置为“AL2给定”
参数拷贝操作
如需把变频器A设置的参数拷贝到变频器B,⾸先在变频器A 中找到“打开/另存为”——另存为——⽂件夹1——确定上传,把数据传到控制器,然后把此控制器取下放在B变频器上,“打开/另存为”——打开——⽂件夹1——下载——全部——确定下载,这样就完成了两台变频器设置参数的拷贝。
ATV61变频器参数设置步骤以下是设置ATV61变频器参数的步骤。
请按照以下步骤进行设置:1. 关闭ATV61变频器: 首先,确保ATV61变频器处于关闭状态。
关闭ATV61变频器: 首先,确保ATV61变频器处于关闭状态。
2. 连接通信线路: 使用适当的通信线路将ATV61变频器与计算机连接。
确保连接线路的质量和稳定性。
连接通信线路: 使用适当的通信线路将ATV61变频器与计算机连接。
确保连接线路的质量和稳定性。
3. 打开ATV61变频器: 将ATV61变频器打开,并确保它已经启动。
打开ATV61变频器: 将ATV61变频器打开,并确保它已经启动。
4. 进入参数设置界面: 在计算机上打开适当的软件,并通过通信线路进入ATV61变频器的参数设置界面。
进入参数设置界面: 在计算机上打开适当的软件,并通过通信线路进入ATV61变频器的参数设置界面。
5. 选择参数设置选项: 在参数设置界面中,浏览可用的参数设置选项,并根据需求选择相应的选项。
选择参数设置选项: 在参数设置界面中,浏览可用的参数设置选项,并根据需求选择相应的选项。
6. 设置参数数值: 选择特定参数选项后,输入适当的数值以进行参数设置。
确保输入的数值与实际应用要求相匹配。
设置参数数值: 选择特定参数选项后,输入适当的数值以进行参数设置。
确保输入的数值与实际应用要求相匹配。
7. 保存参数设置: 在完成参数设置后,确保保存所做的更改。
一般来说,参数设置界面会提供保存选项。
点击保存选项以保存参数设置。
保存参数设置: 在完成参数设置后,确保保存所做的更改。
一般来说,参数设置界面会提供保存选项。
点击保存选项以保存参数设置。
8. 测试参数设置: 在完成参数设置并保存参数后,进行一系列测试以确保参数设置的正确性和有效性。
测试过程可以包括模拟工作环境和监测输出结果等。
测试参数设置: 在完成参数设置并保存参数后,进行一系列测试以确保参数设置的正确性和有效性。
异步电机变频器ATV61通信总线与网络介绍ATV61 变频器可以适应所有工业通信设备。
它包括了Modbus 与CANopen 通信协议,并将其作为标准。
可通过2 个集成的通信端口直接访问Modbus 协议:b 一个为RJ45 Modbus 终端端口1,位于变频器的前面板,用于连接:v 远程图形显示终端v Magelis 工业HMI 终端v PowerSuite 软件包b 一个为RJ45 Modbus网络端口2,位于变频器的控制终端。
它专用于PLC或其他类型控制器的控制和信令。
此端口也可用于连接一个终端或PowerSuite软件包。
可从Modbus 网络端口通过CANopen 适配器3 访问CANopen 协议。
在此情况下,终端端口1 必须用于访问Modbus 协议。
通过添加11 个可选通信卡之一,也可将ATV61 变频器连接至在不同地方使用的其他工业通信总线与网络,例如在工业应用中或在建筑管理系统(HVAC) (1) 中:用于工业应用的通信卡:b Ethernet TCP/IPb Modbus/Uni-Telway:此卡可以访问那些附加功能,以补充集成的ModbusASCII与4 线RS 485 端口对于附加功能的访问。
b Fipiob Modbus Plusb Profibus DPb DeviceNetb INTERBUS用于建筑管理系统(HVAC) 的通信卡:b LONWORKS,b METASYS N2b APOGEE FLNb BACnet可以给控制元件单独供电,因此,即使在功率元件没有电的情况下也能进行通信( 监视、诊断)。
功能可通过网络访问变频器的所有功能:b 控制b 监视b 调节b 设置当变频器配备有“Controller Inside” ( 内置控制器) 可编程卡或多泵卡时,可通过Modbus 信息处理服务( 通过集成通信端口或Ethernet TCP/IP 通信卡) 访问其变量(% MW 等)。
施耐德变频器和第三方控制器的CAN通讯MC SAE廖作军前言:本文简要讲述了施耐德变频器ATV71/ATV32/ATV312的CANOPEN通信模式以及和第三方支持CAN接口通讯的控制器之间建立CANOPEN通信的基本流程。
一、变频器的通信接口施耐德变频器ATV71/ATV61/ATV32/ATV312都是自带MODBUS/CANOPEN接口的,其引脚定义如下图:二、变频器CANOPEN所支持的服务施耐德变频器的通讯接口支持CAN2.0A和CANOPEN(DS301V4.02),报文结构如下,一般由11位标志符和8字节数据组成:其中标志符COB-ID包含两个部分:BIT0~BIT6:发送/接收报文的CANOPEN节点地址BIT7~BIT10:电报功能代码,变频器所支持的功能代码如下表所示:由此可以看出,施耐德变频器支持如下服务:1、NMT网络管理服务:提供网络管理(如初始化、启动和停止节点,侦测失效节点)服务。
这种服务是采用主从通讯模式(只有一个NMT主节点)来实现的。
变频器作为从站,可以通过NMT来接收主站的管理信号(如果NMT报文中的Node-ID即从站地址为0,那就是以广播方式发送给网络上的所有变频器)。
NMT报文一般有以下结构:2、BootUp引导消息变频器上电初始化完成后,其CANOPEN会自动进入“预运行”状态。
并向主机发送此引导报文,表明变频器已经上电完成准备好接收主站的NMT指令了。
此报文发送的数据是16#00.3、SYNC同步消息:此报文是由主机发出,用来批准所有的从机进行同步通信模式,但是施耐德变频器PDO数据是不支持同步传输模式的。
4、EMCY紧急对象:当变频器每次出现故障时,会向主机发送此紧急报文,里面包含了由变频器制造商预先定义好的故障代码。
紧急报文的优先权大于其他服务。
5、PDO过程数据对象:PDO包含了预先定义好的需要进行自动循环交换的数据,以异步模式传输,每个PDO最多可传送8个字节的数据。
自动化控制 • Automatic Control118 •电子技术与软件工程 Electronic Technology & Software Engineering 【关键词】西门子 PLC 施耐德 ATV71/61变频器 Profibus-DP 通信随着信息技术的不断发展,大型企业均采用全数字集成控制,主要通过主控计算机对数据进行收集以及运算。
Profibus-DP 是一个性能较强的高速现场总线,具有读取主站信息的功能,并能够将主站周期的信息向从站发送。
主要有两种介质访问模式,第1种为分散模式,该模式主要采用令牌传递原理,第2种为集中方式,该模式主要采用主从通信原理,连接方式主要采用双线电缆或光缆,RS-485双绞线进行连接,拓扑结构可为多种形状,例如,环形,星星或树型。
1 西门子P L C 与A T V 71/61变频器的Profibus-DP连接主要采用集中介质访问模式,常用的拓扑结构为树形结构,下文主要应用此类型进行叙述。
1.1 通信卡接头管脚结构及相关定义想要实现ATV71/61变频器与Profibus-DP 网络的连接,VW3A3307通行卡是必不可少的条件,应保证Profibus-DP 通信卡具有9针SUB-D 连接器,同时,不需要任何额外的设备相连接,使用标准的Profibus-DP 电缆及接头进行连接即可。
1.2 通信卡的设置通讯卡在设置过程中,需要设置从站地址。
设置完成后,通过拨动拨码开关,完成开关设置,向上波动为ON ,向下拨动为OFF 。
开关组通常以二进制代码向十进制转换,即可设置从站地址,地址为23的拨码为00010111,第1支为89的拨码对应为01011001,寻址开关放置到ON 上就可以与ATV71/61系列变频器连接,拨到OFF 处能够西门子PLC 与施耐德ATV71/61变频器的Profibus-DP 通信文/盛丽娜变频器的启动、停止,频率设定等通信离不开PLC 和变频的支持,可实现多电机之间的同步运行,具有传输距离远,成本低,抗干扰能力强的特点。
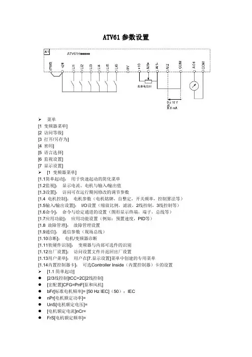
ATV61参数设置➢菜单[1 变频器菜单][2 访问等级][3 打开/另存为][4 密码][5 语言选择][6 监视设置][7 显示设置]➢[1 变频器菜单][1.1简单起动]:用于快速起动的简化菜单[1.2监视]:显示电流、电机与输入/输出值[1.3设置]:访问可在运行期间修改的调节参数[1.4 电机控制]:电机参数(电机铭牌,自整定,开关频率,控制算法等)[1.5输入/输出设置]:I/O设置(缩放比例,滤波,2线控制,3线控制等)[1.6命令]:命令与给定通道的设置(图形显示终端,端子,总线等)[1.7应用功能]:应用功能设置(例如:预置速度,PID等)[1.8 故障管理]:故障管理设置[1.9通信]:通信参数(现场总线)[1.10诊断]:电机/变频器诊断[1.11软硬件识别]:变频器与内部可选件的识别[1.12出厂设置]:访问设置文件并返回出厂设置[1.13用户菜单]:用户在[7.显示设置]菜单中创建的专用菜单[1.14内置控制器卡]:可选Controller Inside(内置控制器)卡的设置➢[1.1简单起动]●[2/3线控制]tCC=2C[2线控制]●[宏配置]CFG=PnF[泵和风机]●bFr[标准电机频率]= [50 Hz IEC](50):IEC●nPr[电机额定功率]=●UnS[电机额定电压]=●[电机额定电流]nCr=●FrS[电机额定频率]=●nSP[电机额定速度]=●tFr[最大输出值频率]=●tUn[自整定]= [No](nO)/ [Yes](YES)/ [电阻已整定](dOnE)●tUS[自整定状态]✧[电阻未整定](tAb):默认的定子阻抗值用于控制电机。
✧[整定等待中](PEnd):已经请求自整定,但还未执行。
✧[整定进行中](PrOG):正在执行自整定。
✧[整定失败](FAIL):自整定失败。
✧[电阻已整定](dOnE):自整定功能测出的定子阻抗被用于控制电机。
ATV61变频器通讯实验QCS-Helpdesk2015年12月25日目录一、实验目的 (3)二、实验设备 (3)三、实验步骤 (3)1.操作说明 (3)2.CANOPEN接线概述 (6)3.CANOPEN通电试验 (7)4.MODBUS通电试验 (11)四、实验注意事项 (16)一、实验目的1、掌握ATV61变频器canopen通讯功能2、掌握ATV61变频器canopen通讯,不同通道模式下控制字的使用3、掌握ATV61变频器modbus通讯功能4、掌握ATV61变频器modbus通讯,不同通道模式下控制字的使用二、实验设备三、实验步骤1.操作说明ATV61变频器有两种操作面板,集成显示终端和图形显示终端。
集成显示终端的屏和键的功能如下:并不能存储选择。
(>2 s) 就可以快速翻动数据。
如要保存和存储所显示的选择:按ENT 键。
当存储一个值时显示屏闪烁。
2个CANopen 总线状态LED4个7段显示屏返回先前的菜单或参数,或者增大所显示的值 转到下一个菜单或参数, 或者减小所显示的值2个CANopen 总线状态LED 退出菜单或参数,或者放弃显示值以返回内存中的先前值进入菜单或参数,或者保存所显示的参数或值图形显示终端描述:STOP/RESET(停车/复位)按钮RUN( 运行) 按钮ESC 按钮:放弃一个值、一个参数或一个菜单,返回以前的选择用于使电机旋转反向的按钮有效控制通道Term:端子HMI:图形显示终端MDB:集成CANopen总线CAN:集成CANopen总线NET:通信卡APP: ControllerInside 卡频率给定值电机内的电流导航按钮●按(ENT):-保存当前值-进入所选菜单或参数●顺时针/逆时针转动:- 增大或减小一个值- 转到下一行或前一行- 增大或减小给定值,如果通过终端控制功能被激活2.CANOPEN接线概述系统的构架图及CANOPEN引脚的功能定义如下图所示:3.CANOPEN通电试验3.1变频器参数设置,通讯参数设置好后,变频器需断电重启。
变频器施耐德ATV61应用功能PID
比例控制是根据当前的误差大小来调整输出参数,使其与设定值更接近。
例如,如果设定值为100,当前测量到的值为90,则比例控制将增加输出,使其接近设定值。
积分控制是根据误差的变化率来调整输出参数,以更好地消除稳态误差。
例如,如果设定值为100,当前测量到的值为90,积分控制将根据错误的积累量来增加输出,以更快地消除误差。
微分控制是根据误差的变化速率来调整输出参数,以防止系统过冲或不稳定。
例如,如果设定值为100,当前测量到的值为90,微分控制将根据误差的变化速率来减小输出,以防止系统过冲。
1.温度控制:变频器施耐德ATV61可以在温度传感器的反馈下进行PID控制,以保持设定温度的稳定性。
通过调整输出频率,可以控制加热或冷却设备,以使温度保持在设定值附近。
2.压力控制:变频器施耐德ATV61可以根据压力传感器的反馈进行PID控制,以控制压力设备的输出。
通过调整变频器输出频率和压力设备的工作状态,可以使压力保持在设定值附近。
3.流量控制:变频器施耐德ATV61可以根据流量传感器的反馈进行PID控制,以控制流量设备的输出。
通过调整变频器输出频率和流量设备的工作状态,可以使流量保持在设定值附近。
4.位置控制:变频器施耐德ATV61可以根据位置传感器的反馈进行PID控制,以控制位置设备的输出。
通过调整变频器输出频率和位置设备的工作状态,可以使位置保持在设定值附近。
总之,变频器施耐德ATV61的PID功能可以实现对设备或过程的高精度控制,提高系统的稳定性和效率。
无论是在工业生产中还是在家庭生活中,PID控制都具有重要作用。
(1)现象 ATV61变频器和FOXBRO DCS通过Profibus-DP总线通信,首先把gsd文件导人FOXBRO DCS,由DCS软件来给变频器分配地址存储空间,而后编译,可是DCS编译不过去,因此gsd文件下载不进去。
(2)分析由于DP通信用的都是gsd0956,因此判断不是gsd文件的问题,丽应该是DCS软件的设置问题,包括通信地址数据可读写属性、通信数据长度和变频器规定长度的匹配以及通信数据类型等。
(3)解决先检查设置“PZD Output Words”的方法和长度是否有问题,建议重新检查这些参数,后来在DCS软件中改动了一下长度:调整了分配方法及数据类型;PWK项单独分配4个字空间,PZD项分10个字空间(这实际上包含读/写两部分,共28个字的内容)。
而后编译成功,也成功下载进去了。
下载进去后,还需注意地址由DCS指定,变频器再通过拨码开关设定,通信速率设对,并且要清楚28个字的具体分配,清楚控制字和状态字的每一位的意思,以及频率给定和频率反馈对应的地址分别是8502和3202,另外启动时走DRYVECOM流程的步骤,步骤详见ATV61通信手册。
在具体调试的过程中,网络时断时通,是因为网线好多都没接好或者屏蔽层没压好,或者终端电阻没拨对。
针对ATV61与DCS通信数据对不上的问题,作出如下分析:是由于频率给定*0.1是实际给定,反馈的电流*0.1才是实际电流的原因导致。
(4)建议要知道对应关系,再依据DCS的特点作数据关系转换即可。
艾驰商城是国内最专业的MRO工业品网购平台,正品现货、优势价格、迅捷配送,是一站式采购的工业品商城!具有 10年工业用品电子商务领域研究,以强大的信息通道建设的优势,以及依托线下贸易交易市场在工业用品行业上游供应链的整合能力,为广大的用户提供了传感器、图尔克传感器、变频器、断路器、继电器、PLC、工控机、仪器仪表、气缸、五金工具、伺服电机、劳保用品等一系列自动化的工控产品。
施耐德71变频器调试经验调试第一步:初始化。
1.12出厂设置—参数组列表—选择“全部”—返回“回到出厂设置”,按下回车。
调试第二步:编码器检测。
输入完电机铭牌后(注意不要更改其他参数,只设定铭牌即可),1.4电机控制—编码器信号类型,选择“AB”,脉冲数量“600”,编码器检查“是”(在选择“是”后,变频器有可能会报编码器故障,此时断电复位即可)。
进入1.6命令,给定一通道“图形终端”,组合模式“组合通道”。
返回最初界面,旋转按钮,调到20HZ左右,按下RUN,电机运行,大约3秒后,进入1.4电机控制,编码器检查会显示“完成”,按下“STOP”,电机停转。
调试第三步:电机自整定。
编码器检测完成后,1.4电机控制—电机控制类型,选择“FVC 闭环”,此时,编码器用途,自动更改为“调节与监视”。
接下来“请求自整定”,大概一分钟后(大功率),显示“完成”。
调试第四步,设参数。
具体参数见最后。
调试第五步,重载试溜钩。
1.7应用功能—制动逻辑控制,“刹车释放时间”,“刹车闭合时间”。
在试的时候,可以将闭环改开环(前提条件是,程序内制动器串进变频器运行信号和回零延时3.5秒抱闸,机械方制动器调好,否则一直溜!切记)。
改开环的原因是,当出现溜钩后,变频器会报“制动命令”故障,无法手动复位,只能断电复位,而且释放时间和闭合时间需要调很多次,重复关断变频器比较麻烦。
试好后,改回闭环。
这里参考值是释放时间0.2秒~0.3秒。
闭合时间0.6~0.7秒。
调试第六步,故障处理。
“制动过速”,制动电阻未投入。
“负载不跟随”,查看溜钩情况,降低“滑差补偿增益”。
“缺速度反馈”,编码器未供电。
“编码器连接”,AB信号错误。
“输入过电压”,确认R、S、T输入电压正常,检查有无滤波电抗器,检查直流母线PA+与PC之间直流电压550~570V。
如果全部正常,一上电就报过压,请致电施耐德。
“电机短路”,确认发生故障时的操作,如果是正转,突然打反转时报,更改1.7应用功能里的制动逻辑控制下的“再启动等待时间“0.5秒”。
精心整理地大单台恒压供水施耐德变频器ATV61调试说明一、施耐德ATV61变频器是专门为泵类电机而单独开发的一种变频器,功能强大。
对于小功率变频器,可以单独购买图形显示终端,它可以支持中文;对于大功率变频器,图形显示终端是标准件。
不用图形显示终端时可以使用本机上的集成显示终端。
各按键功能如下:二、电机接线:将变频器的R,S,T,分别接入三相380V电源,输出U,V,W,分别接电机三根线,变频器接线端子和地排相连。
确认变频器上的逻辑输入开关SW1在SOURCE位置上,将PWR和24+端子接在一块。
在本例中我们使用4~20MA电流型传感器,将24V电源的负极接到变频器模拟输入的公共端COM上,将24V电源的正极接到传感器信号的正极上,传感器的另外一端接到AI2端子上。
三、运行前要先进行自学习:方法是进入SIM简单起动模式下,设置BFR标准电机频率、NPR电机额定功率、UNS电机额定电压、NCR电机额定电流、FCS电机额定频率、NSP电机额定速度;以上都设定完成之后,把TUN自整定参数改成YES,点击ENT 键进行自学习。
如果电机不能空载,也可不进行自学习,但必须设定电机参数。
四、基本参数设置:1、进入SIM简单启动模式,将TCC设成2C,即为二线制,我们平常用二相线即可。
二线制和三线制的区别为:2、ITH电机热保护电流:设成额定电流的1.2倍即可。
3、ACC加速时间:30S。
从最低频率到最高频率所需要的时间4、DEC减速时间:20S。
从最高频率到最低频率所需要的时间。
5、LSP低速频率:8HZ.电机所允许的最低频率。
6、HSP高速频率:50HZ.进入SET设置模式下:7、SFR变频器开关频率设成12HZ.8、TLS低速运行超时设成300S,当电机连续在低速运行超过TLS设定的时间,将请求停机。
9、SLE睡眠偏置极限2HZ,当电机睡眠停机后,如果电机的给定频率超过TLS+SLE 将重新启动。
10、RPG比例增益,RIG积分增益,RDG微分增益这三个参数可根据现场实际情况调节,没有固定的参数。
ATV61/71与Twido PLC的Canopen通讯施耐德技术服务中心王兆宇摘要:本文详细说明了变频器61/71内置的Canopen 与TwidoPLC的通讯。
关键词:Canopen ATV61/71变频器TwidoPLC1 Canopen概述CAN (Controller Aera Network,控制器局部网) 是德国Bosch公司在1983年开发的一种串行数据通讯协议,最初应用于现代汽车中众多的控制与测试仪器之间的数据交换,是一种多主方式的串行通讯总线,介质可以是双绞线、同轴电缆和光纤,速率可达1Mbps,支持多达128个节点;具有高抗电磁干扰性,而且能够检测出产生的任何错误,保证数据通讯的可靠性。
通信机制比较简单,适合于所有机械的嵌入式网络,可以降低设备的复杂程度,在工业领域(如汽车、电梯、医疗、船舶、纺织机械等)得到了广泛应用,是欧洲最重要的网络标准。
1993 CiA发布用来描述传送机制的CAL(Communication Application Layer) 规范1995 CiA发布DS-301通信描述文件:CANopen2001 CiA发布DS-304,在标准CANopen总线上集成4层安全元件(CANsafe)1.1 CANopen的ISO模型1.1.1 Canopen的物理层介质:屏蔽双绞线,2或4线(假如需要供电的话)拓扑方式: 总线类型,带120欧姆终端电阻最大距离:1000 m通讯波特率:从1MB到10KB 9种可能速度(决定于总线长度和电缆类型:25米时1Mbps, 1000 米时10Kbps)最大设备数:128(1个主站和127个从站)1.1.2 Canopen的链路层介质通路方法: CSMA/CA一旦总现空闲,每个设备都可以发送数据,如果发生冲突,显性和隐性位使能非破坏性仲裁法则,信息优先权通过标示符值进行识别,标示符值越小,权限越高通信模式: 生产者/消费者标示符以11位进行编码,位于信息包起始位置,用于通知接受者每个信息包中的数据类型,每个接受者决定是否接受数据。
施耐德ATV61的调试变频器面板频率设定运行在参数初始化后,将“设臵(SEt-)”菜单下的LSP 低速运行频率设为需要的频率值,其余参数不动。
而后将24+与LI1短接就可以启动了。
多段速输出全部参数复位,LI1为启动端子CFG=STS启停宏应用功能FUN菜单PSS—子菜单下PS2=LI5 LI5做切换PS4=LI6 LI6做切换SP2 多段速2SP3 多段速3SP4 多段速4寸动输出全部参数复位,LI1为启动端子应用功能FUN菜单下JOG--下JOG=LI6 LI6执行寸动功能,LI1为启动端子JGF=6HZ 寸动频率,设定不允许超过10HZ简单的PID参数简单启动SIM菜单下★CFG=PID★NSp 电机额定转速★TFr=50 最大频率★ACC 加速时间★DEC 减速时间★HSP=50 上限频率设臵SET菜单下★Ftd = 49.6HZ 大于此值闭合FLA★FtdL = 16HZ 小于此值闭合FTAL电机控制DRC菜单★Ctt = UFq 可变转矩输入/ 输出设臵I-O★tCC=2C 按住“ENT”键2 秒★TCt = lel 长信号AI2 --下★AI2t=1OU 正电压单向输入★AI2F= 0.36S 滤波时间R1-- 下★R1= FtA 频率大于或者★R1= FLT 变频器无故障时闭合,那么加减泵通信设定★R1D=1 不频繁动作R2-下★R2= FtAL 频率小于★R2D=1 不频繁动作AO1-- 下★AO1=OFR 输出频率★AO1t=10U AO1输出电压★AO1F=0.6 S 滤波时间应用功能FUNrEF-- 下★Fr1b = NO 不用AI2STT-下★Stt=nST 自由停机ADC—下★ADC=NO 自动直流制动PID-- 下★PIF=AI2 反馈通道★PIF1 = 0 反馈最小值★PIF2 = 10.00 最大值10000 ,调此值校正稳压值★PIP1 = 0 最小值★PIP2 =10.00 给定最大★P11 =yes RP1作为给定值★RP1★RPG =3 比例★RIG =3 积分★PIC =NO 正特性★POH =50HZ PID最大输出值故障管理FLtRst-下rSF=LI2 设LI2为故障复位端子ATR-下★ATR=YES 故障复位★tAr=10 最大重起动时间段/分钟通信COMMDI-下★ADD=1 MODBUS地址★TBr=9.6 波特率全部PID参数浅蓝色的是多个菜单下重复的参数,在此处不设定。
ATV61变频器通讯实验
QCS-Helpdesk
2015年12月25日
目录
一、实验目的 (3)
二、实验设备 (3)
三、实验步骤 (3)
1.操作说明 (3)
2.CANOPEN接线概述 (6)
3.CANOPEN通电试验 (7)
4.MODBUS通电试验 (11)
四、实验注意事项 (16)
一、实验目的
1、掌握ATV61变频器canopen通讯功能
2、掌握ATV61变频器canopen通讯,不同通道模式下控制字的使用
3、掌握ATV61变频器modbus通讯功能
4、掌握ATV61变频器modbus通讯,不同通道模式下控制字的使用
二、实验设备
三、实验步骤
1.操作说明
ATV61变频器有两种操作面板,集成显示终端和图形显示终端。
集成显示终端的屏和键的功能如下:
并不能存储选择。
(>2 s) 就可以快速翻动数据。
如要保存和存储所显示的选择:按ENT 键。
当存储一个值时显示屏闪烁。
2个CANopen 总线状态LED
4个7段显示屏
返回先前的菜单或参数,或者增大所显示的值 转到下一个菜单或参数, 或者减小所显示的值
2个CANopen 总线状态LED 退出菜单或参数,或者放弃显示值以返回内存中的先前值
进入菜单或参数,或者保存所显示的参数或值
图形显示终端描述:
STOP/RESET(停车/复位)按钮
RUN( 运行) 按钮
ESC 按钮:放弃
一个值、一个参
数或一个菜单,
返回以前的选择
用于使电机旋转
反向的按钮
有效控制通道
Term:端子
HMI:图形显示终端
MDB:集成CANopen总线
CAN:集成CANopen总线
NET:通信卡
APP: Controller
Inside 卡
频率给定值电机内的电流
导航按钮
●按(ENT):
-保存当前值
-进入所选菜单或参数
●顺时针/逆时针转动:
- 增大或减小一个值
- 转到下一行或前一行
- 增大或减小给定值,如果通过终端控制功能被激活
2.CANOPEN接线概述
系统的构架图及CANOPEN引脚的功能定义如下图所示:
3.CANOPEN通电试验
3.1变频器参数设置,通讯参数设置好后,变频器需断电重启。
3.2变频器与PLC通讯的波特率及地址如下图所示:
3.3变频器的通讯地址如下图
3.4 DRIVECOME流程中变频器控制字每一位的定义
3.5下图是变频器的CHCH=SIM,在动态数据表中可对变频器进行控制。
对变频器的频率字写300(对应30Hz),变频器需要走DRIVECOME流程。
未对控制字做任何操作时,变频器显示NST
对变频器的控制字发6
对变频器的控制字发7
对变频器的控制字发15(正转)
3.6下图是变频器的CHCH=IO,CD1=CANOPEN,在动态数据表中可对变频器进行控制。
对变频器的频率字写300(对应30Hz),变频器不需要走DRIVECOME流程。
未对控制字做任何操作时,变频器显示RDY
对变频器的控制字发1
4.MODBUS通电试验
ATV61变频器MODBUS通讯采用MODBUS TEST软件模拟,变频器MODBUS接口引脚定义:
4.1变频器参数设置,通讯参数设置好后,变频器需断电重启。
4.2变频器与电脑的连接设置,点击connection设置波特率及USB占用的COM口如下图:
4.3点击Functions选择Protocol Addresses(Modbus起始地址),点击Setup-Poll Definition设置变频器的硬件地址、通讯起始地址及字长如下图:
4.4 DRIVECOME流程中变频器控制字每一位的定义
4.5下图是变频器的CHCH=SIM,对变频器的频率字8502写300(对应30Hz),变频器需要走DRIVECOME流程。
未对控制字做任何操作时,变频器显示NST
对变频器的控制字8501先后发6、7,
对变频器的控制字8501发15(正转)
4.6下图是变频器的CHCH=IO,CD1=MODBUS,对变频器的频率字8502写300(对应30Hz),变频器不需要走DRIVECOME流程。
未对控制字做任何操作时,变频器显示RDY
对变频器的控制字发1
四、实验注意事项
1、变频器通讯参数设置完成后要断电重启。
2、变频器的控制模式为SIN和SEP是,控制字要走DRIVECOME流程,IO模式不需要。
3、首次启动通讯启动变频器时,先给频率,再给启停。
4、当变频器刚上电按状态字发6、7、F走完后;如果没有断电,停机给控制字发7,再启动只需要发F、7、F如此循环即可。
如果重新断电上电了,那就还是要从头走一次
DRIVECOME流程。