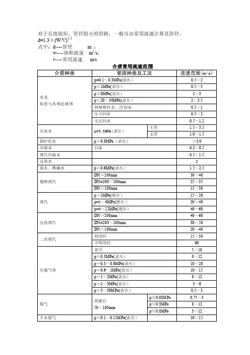
管道内介质常用流速范围表
- 格式:doc
- 大小:31.35 KB
- 文档页数:7
注:表中P为管道进口段的流体之压力(绝对压力)。
管道内各种介质常用流速范围
管道内各种介质常用流速范围见表,表中管道的材质除注明外,一律为钢。
该表中流速为推荐值。
管道压力降控制值
管道压力降控制值见表和表.该表中压力降值为推荐值。
表常用流速的范围注①
注:①本表所列流速,在选用时还应参照相应的国家标准。
②氧气流速应参照《氧气站设计规范》(GB 50030-91)
③氢气流速应参照《氢氧站设计规范》(GB 50177-93)
④乙炔流速应参照《乙炔站设计规范》(GB 50031-91)
表一般工程设计管道压力降控制值
表每100m管道的压力降控制值(△P。
注:表中P为管道进口段的流体之压力(绝对压力)。
2.1管道内各种介质常用流速范围
管道内各种介质常用流速范围见表2.1,表中管道的材质除注明外,一律为钢。
该表中流速为推荐值。
2.2管道压力降控制值
管道压力降控制值见表2.2-1和表2.2-2.该表中压力降值为推荐值。
表2.1 常用流速的范围注①
注:①本表所列流速,在选用时还应参照相应的国家标准。
②氧气流速应参照《氧气站设计规范》(GB 50030-91)
③氢气流速应参照《氢氧站设计规范》(GB 50177-93)
④乙炔流速应参照《乙炔站设计规范》(GB 50031-91)
表2.2-1一般工程设计管道压力降控制值
表2.2-2每100m管道的压力降控制值(△P r100)。
*
注:表中P为管道进口段的流体之压力(绝对压力)。
管道内各种介质常用流速范围
管道内各种介质常用流速范围见表,表中管道的材质除注明外,一律为钢。
该表中流速为推荐值。
管道压力降控制值
管道压力降控制值见表和表.该表中压力降值为推荐值。
表常用流速的范围注①
续表
续表
~
续表
续表
'
注:①本表所列流速,在选用时还应参照相应的国家标准。
②氧气流速应参照《氧气站设计规范》(GB 50030-91)
③氢气流速应参照《氢氧站设计规范》(GB 50177-93)
④乙炔流速应参照《乙炔站设计规范》(GB 50031-91)
表一般工程设计管道压力降控制值
续表
100m管道的压力降控制值(△P r100)
表每。
管道内介质常用流速范围表2012-04-20 00:03:03| 分类:默认分类 | 标签: | 字号大中小订阅工作介质管道种类及条件流速 (米/ 秒)DN>200 40--60过热蒸汽30--50 DN=200~100 DN<10020--40DN>200 DN=200 ~30--40饱和蒸汽25--35 100 DN<10015--30乏气排气管 : 从受压容器排出80从无压容器排出15--30 真空5--10 P≤3kg/cm 2 ( 表) 8--12P≤6kg/cm 2 ( 表) 10--20压缩性2 ( 表 ) 10--15气体P≤10kg/cmP≤70kg/cm 2 ( 表 ) 8--12P≤150kg/cm 2 ( 表 ) 6--10P≤200--300kg/cm 2( 表 ) 5--10管道长: 50--100 米煤气P≤200 毫米水柱P≤2000 毫米水柱8--12 半水煤气P=( 绝 ) 10--15 天燃气30交换气P=1--20( 绝 ) 10--15氧气氨气P27--8 <6kg/cm ( 表)P <20kg/cm 2 ( 表 ) 4--6 P <30kg/cm 2 ( 表 ) 3--4 P= 真空15--25 P < 3kg/cm 2 ( 绝 ) 8--15 P < 6kg/cm 2 ( 绝 ) 10--20 P < 20kg/cm 2 ( 绝 ) 3--8 P=1--3g/cm 2( 表)P≤10kg/cm 2 ( 表 ) 5--3水及粘度相P≤80kg/cm 2 ( 表 ) 2--3P≤200--300kg/cm 2( 表)似液体热网循环水、冷却水压力回水无压回水海水微最小碱水最小工作介质管道种类及条件流速(米/ 秒) 管材排出废水钢泥状混浓度: 15%钢25% 3--4 钢合物65% 钢液氨P=真空钢油及粘度大的液体油及粘度大的液体气体2钢P < 6kg/cm ( 表 )P < 20kg/cm 2( 表 ) 钢油及相似液体钢粘度 50 厘泊 :Dg25 钢Dg50 钢Dg100 钢粘度 100 厘泊 :Dg25 钢Dg50 钢Dg100 钢Dg200 钢粘度 1000 厘泊 :Dg25 钢Dg50 钢Dg100 钢Dg200 钢鼓风机吸入管10--15 钢鼓风机排出管15--20 钢压缩机吸入管10--20 钢压缩机排出管钢P < 10kg/cm 2 8--10 钢210--20 钢P=10--100kg/cm28--12 钢P > 100kg/cm往复式真空泵吸入管13--16 钢往复式真空泵排出管25--30 钢油封式真空泵吸入管10--13 钢往复泵吸入管往复泵排出管1--2水及粘度相离心泵吸入管(常温)似液体( 70--110 ℃)齿轮泵吸入管≤1齿轮泵排出管1--2流体名称流速范围m/s 流体名称流速范围m/s饱和蒸汽主管30~ 40 (以上主支管长50~100m)支管20~ 30 半水煤气 1 ~ c ㎡(绝压)10~ 15低压蒸汽<10kgf/c ㎡(绝压)15~ 20 烟道气烟道内3~ 6中压蒸汽10 ~ 40kgf/c ㎡(绝压)20~ 40 管道内3~ 4高压蒸汽40 ~ 120kgf/c ㎡( 绝压)40~ 60 工业烟卤(自然通风)2~ 8过热蒸汽主管40~ 60 实际 3~4支管35~ 40 石灰窑窑气管10~ 12一般气体(常压)10~ 20 乙炔气高压乏气80~ 100 (车间内)~ 15kgf/c ㎡(表压) .(中压)4~ 8蒸汽(加热蛇管)入口管30~ 40 (车间内) c ㎡(表压).以下(低压)3~ 4氧气 0 ~c ㎡ ( 表压)5~ 10 (外管线)~ 15kgf/c ㎡(表压) .(中压)2~ 4~ 6kgf/c ㎡(表压)7~ 8 (外管线) c ㎡ ( 表压).以下(低压)1~ 26 ~ 10kgf/c ㎡(表压)4~ 6 氨气真空15~ 25 10 ~ 20kgf/c ㎡(表压)4~ 5 1~ 2kgf/c ㎡ ( 绝压)8~ 15 20 ~ 30kgf/c ㎡(表压)3~ 4 c ㎡ ( 绝压)10~ 20 车间换气通风主管4~ 15 6kgf/c ㎡ ( 表压)以下10~ 20 支管2~ 8 10~ 20kgf/c ㎡ ( 表压)以下3~ 8风管距风机最远处1~ 4 氮气50 ~ 100kgf/c ㎡(绝压)2~ 5最近处8~ 12 变换气 1 ~ 15kgf/c ㎡( 绝压)10~ 15 压缩空气 1 ~ 2kgf/c ㎡(表压)10~ 15 铜洗前气体 320kgf/c ㎡( 绝压)4~ 9压缩气体(真空)5~ 10 蛇管内常压气体5~ 12 1~ 2kgf/c ㎡( 绝压)8~ 12 真空管<101~ 6kgf/c ㎡( 表压)10~ 20 真空蒸发器汽出口(低真空)50~ 60 6~ 10kgf/c ㎡( 表压)10~ 15 (高真空)60~ 75 10~ 20kgf/c ㎡( 表压)8~ 10 未效蒸发器汽出口40~ 50 20~ 30kgf/c ㎡( 表压)3~ 6 蒸发器出汽口(常压)25~ 30 30~ 250kgf/c ㎡(表压)~ 3 真空度650~ 710mmHg管道80~ 130 煤气~ 15 填料吸收塔空塔气体速度~至 1~8~ 10(经济流速)膜式塔气体板间速4~ 6煤气初压 200mmHO ~ 3煤气初压 6000mmH 3~ 122O续表流体名称流速范围m/s 流体名称流速范围m/s泡罩塔液体溢流管~废气低压 . 20 ~30高压80~100 过热水 2化工设备排气管20~ 25 离心泵吸入口1~ 2氢气≤8排出口~自来水主管, 3kgf/c ㎡( 表压)~往复式真空泵吸入口13~ 16 支管, 3kgf/c ㎡( 表压)1~最大 25~ 30 工业供水8kgf/c ㎡(表压)以下~油封式真空泵吸入口10~ 13压力回水~ 2 空气压缩机吸入口<10~15水和碱液 6kgf/ ㎡(表压)以下~排出口15~ 20自流回水有粘性~通风机吸入口10~ 15粘度和水相仿的液体取与水相同排出口15~ 20自流回水和碱液~旋风分离器入气15~ 25在换热器管内水~出气4~ 15蛇管内低粘度液体~ 1 结晶母液泵前速度~蛇管冷却水<1 泵后速度3~ 4石棉水泥输水管Ф50~ 250 下限~齿轮泵吸入口~ 1上限~排出口1~ 2Ф600~ 1000 下限~粘度 50cP 液体(Ф 25 以下)~上限~粘度 50cP 液体(Ф 25~ 50)~ 1 锅炉给水 8kgf/c ㎡(表压)以上>3 粘度 50cP 液体(Ф 50~ 100)1~蒸汽冷凝水~粘度 100cP 液体(Ф 25 以下)~凝结水(自流)~粘度 100cP 液体(Ф 25~ 50)~气压冷凝器排水1~粘度 100cP 液体(Ф 50~ 100)~ 1 油及粘度大的液体~ 2 粘度 1000cP 液体(Ф 25 以下)~粘度较大的液体(盐类溶液)~ 1 粘度 1000cP 液体(Ф 25~ 50)~石灰乳(粥状)≤1粘度 1000cP 液体(Ф 50~ 100)~泥浆~粘度 1000cP 液体(Ф 100~ 200)~液氨真空~易燃易爆液体<1 6kgf/c ㎡ ( 表压)以下~10, 20kgf/c ㎡ ( 表压)以下~ 1盐水1~ 2制冷设备中盐水~注:表中数据摘自化工工艺设计、热力管道设计与安装手册、化学世界等文献。
注:表中P为管道进口段得流体之压力(绝对压力)、
2、1管道内各种介质常用流速范围
管道内各种介质常用流速范围见表2。
1,表中管道得材质除注明外,一律为钢、该表中流速为推荐值。
2。
2管道压力降控制值
管道压力降控制值见表2、2-1与表2.2-2.该表中压力降值为推荐值、
注①
续表2。
1
续表2.1
续表2、1
续表2、1
注:①本表所列流速,在选用时还应参照相应得国家标准。
②氧气流速应参照《氧气站设计规范》(GB50030—91)
③氢气流速应参照《氢氧站设计规范》(GB50177-93)
④乙炔流速应参照《乙炔站设计规范》(GB 50031-91)
表2、2—1一般工程设计管道压力降控制值
续表2。
2-1
表2。
2—2每100m管道得压力降控制值(△P r100)。
精品文档
.
注:表中P 为管道进口段的流体之压力(绝对压力)。
2.1管道内各种介质常用流速范围管道内各种介质常用流速范围见表 2.1,表中管道的材质除注明外,一律为钢。
该表中流速
为推荐值。
2.2管道压力降控制值管道压力降控制值见表
2.2-1和表 2.2-2.该表中压力降值为推荐值。
表2.1 常用流速的范围
注①
介质
工作条件或管径范围流速 m/s 饱和蒸汽DN >200
30-40 DN=200~100 35-25 DN <100 30-15 饱和蒸汽P <1MPa
15-20 P=1~4MPa 20-40 P=4~12MPa 40-60 过热蒸汽DN >200
40-60 DN=200~100 50-30 DN <100 40-20 二次蒸汽
二次蒸汽要利用时
15-30 二次蒸汽不利用时
60 高压乏汽80-100
乏汽
排气管:从受压容器排出80 从无压容器排出15-30 压缩气体
真空5-10 P ≤0.3MPa 8-12 P=0.3~0.6MPa
20-10 P=0.6~1.0MPa 15-10 P=1.0~2.0MPa 12-8 P=2.0~3.0MPa 8-3 P=3.0~30.0MPa
3-0.5。