防火门和防火卷帘安装分项工程质量验收记录表修订稿
- 格式:docx
- 大小:146.92 KB
- 文档页数:3
门(防火门、卷帘)窗分部(子分部)工程质量验收记录统表1 工程名称盐城市城南健身中心结构类型框架结构层数
施工单位
盐城市云海防火门窗有限
公司
技术部门
负责人
×××
质量部门
负责人
×××
分包单位
分包单位
负责人
分包技术
负责人
序
号
分项工程名称检验批数
施工单位检
查评定
验收意见
1
消防通道无机纤维复合防火卷帘制
作与安装
1个合格
2
3
4
5
6
7
质量控制资料完整
安全和功能检验(检测)报告齐全
观感质量验收好
验
收
单
位
分包单位
项目经理年月日施工单位
符合要求,检验合格。
项目经理2009 年9 月12 日
勘察单位
项目负责人年月日
设计单位
项目负责人年月日
监理(建设单位)
总监理工程师
(建设单位项目负责人)年月日。
防火门和卷帘门安装分项工程报验申请表工程名称:东泰华府(一期)地下室致:福建固特新工程监理咨询有限公司我单位已完成了防火门和卷帘安装分项工程验申请表,请予以审查和查收。
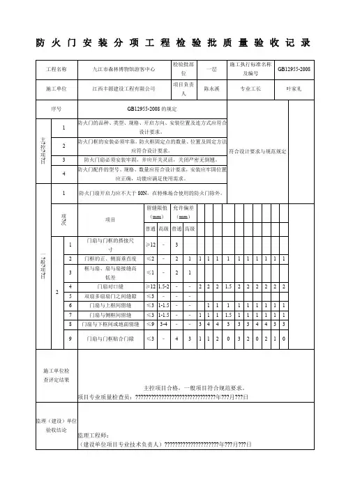
附件:1、防火门安装分项工程质量查收记录表编号:(监理单位)工作,现报上该工程师报承包单位(章)项目经理日期审查建议:项目监理机构总 / 专业监理工程师日期防火门和防火卷帘安装分项工程质量查收记录表工程名称结构种类部位施工单位项目经理项目技术负责人分包单位分包单位分包项目负责人经理项目质量情况保证1防火门的耐火及其附件质量必定切合设计要求项2防火门安装必定牢固,埋铁件的数量、地址必定切合设计目3防火卷帘的耐火极限必定切合设计要求项目质量情况等级2 3 4 5 6 7 8 91 10基 1 防火门安装本 2 防火门附件安装项 3防火卷帘安装目钢框、卷帘导轨与4墙体缝隙填嵌项目允门框两对门口高度≦ 2m1 角线长度门口高许防差度﹥ 2m偏 2 火门框正、侧面的垂直度(每 1m)差门门无下槛时,门扇3与地面之间留缝限项值4防卷筒轴水平度火目导轨正、侧面的垂5卷直度(每 1m)帘同意误差( mm)实测误差值( mm)1 2 3 4 5 6 7 8 9 105624~822检保证项目查基本项目检查项,其中优异项,优异率%结同意误差项目检查点,其中合格点,合格率%果检验查收结专业技术负责人:结监理工程师:论论年月日年月日防火卷帘安装工程检验批质量查收记录GB50210-2001单位(子单位)工程名称分项工程名称查收部位施工单位项目经理分包单位分包项目经理施工执行标准名称及建筑装修装修工程质量查收规范GB50210—2001 编号施工质量查收规范的规定监理(建设单施工单位检查评定记录表位)查收记录1 卷帘质量和性能第条切合设计及查收规范要求主2 卷帘品种规格、方向地址第条切合设计及查收规范要求控项3 机械、自动和智能化妆置第条切合设计及查收规范要求目4 安装及预埋件第条切合设计及查收规范要求5 配件、安装及功能第条切合设计及查收规范要求一1 表面装修第条切合设计及查收规范要求般项 2 表面质量第条切合设计及查收规范要求目3 构件装置缝隙4 导轨全长垂直度误差≥20专业工长(施工员)施工班组长切合设计及施工质量查收规范要求专业承包施工单位检查评定结果项目专业质量检查员:年月日监理(建设)单位查收结论专业监理工程师(建设单位项目专业技术负责人):年月日。
防火卷帘门安装工程检验批质量验收记录一、工程概述本工程为市综合体,位于路与街交叉口,总建筑面积为平方米,其中地下层,地上层,建筑高度米。
本工程防火卷帘门安装工程是本工程的重点之一,旨在提高建筑物的防火性能,确保人民生命财产安全。
二、检验批选择本次验收选择了个防火卷帘门安装工程检验批。
这些检验批的选取涵盖了不同的使用部位、规格型号、安装方式等,具有代表性和广泛性。
三、检验批质量验收1、材料质量:本次验收的所有防火卷帘门均采用符合国家标准的防火材料制作,质量符合设计要求。
2、外观质量:防火卷帘门的外观无明显损伤、划痕、污染等现象,安装位置准确,表面处理符合设计要求。
3、安装质量:防火卷帘门的安装牢固、稳定,运行平稳。
控制方式符合设计要求,可实现远程和本地控制。
同时,防火卷帘门的导轨、支架等部件的安装精度符合要求。
4、功能性测试:对每个防火卷帘门进行了功能性测试,包括启动、停止、故障报警等功能。
测试结果显示所有防火卷帘门均能正常工作。
四、验收结论经过本次验收,发现所选的个防火卷帘门安装工程检验批均符合设计要求和相关国家标准。
所有防火卷帘门的材料质量、外观质量、安装质量和功能性测试均达到预期要求。
因此,本次验收结论为合格。
五、建议和改进虽然本次验收的所有防火卷帘门均达到了预期要求,但仍有一些可以改进的地方。
例如,在今后的安装工程中,可以加强对于细节的处理,提高安装精度和外观质量;同时加强对于设备维护和保养,确保设备的长期稳定运行。
对于功能性测试,可以进一步完善测试方法和标准,提高测试的准确性和可靠性。
避雷针是一种用于保护建筑物免受雷电伤害的重要设施。
其安装工程的质量直接关系到建筑物的安全。
因此,对避雷针安装工程进行检验批质量验收是十分必要的。
本文将详细介绍避雷针安装工程检验批质量验收的记录方法及注意事项。
准备工作:在开始验收前,应准备好相关的资料,包括施工图纸、施工记录、检验报告等。
同时,还需准备好验收工具,如测量尺、绝缘电阻仪等。
防火门安装分项工程检验批质量验收记录1. 项目概况项目名称防火门安装分项工程建设单位XXX工程有限公司监理单位XXX监理有限公司施工单位XXX建设有限公司工程地址XXX街道XXX号工程负责人张三2. 检验批情况检验批编号日期FHM01 2022年1月1日FHM02 2022年1月5日FHM03 2022年1月10日3. 检验依据•《建筑工程防火门安装及验收规范》(GB 12955-2008)•《建筑门、窗、幕墙工程质量验收规范》(GB/T 8478-2008)4. 检验内容4.1 矿棉芯板1.矿棉芯板外观无损坏、发霉等现象。
2.材质符合要求。
3.相邻两块矿棉芯板接缝处矩形度≤ 1mm。
4.2 铰链1.铰链数量符合设计要求。
2.铰链表面光洁、无裂纹、无损伤。
3.铰链装配牢固,无松动现象。
4.3 锁具1.锁具数量符合设计要求。
2.锁具表面光洁、无裂纹、无损伤。
3.锁具装配牢固,无松动现象。
5. 检验结果经过检验,上述3个检验批的防火门安装分项工程符合以下要求:1.以上3个检验批的矿棉芯板外观完好,材质符合要求,相邻两块矿棉芯板接缝处矩形度≤ 1mm。
2.以上3个检验批的铰链数量符合设计要求,表面光洁、无裂纹、无损伤,装配牢固,无松动现象。
3.以上3个检验批的锁具数量符合设计要求,表面光洁、无裂纹、无损伤,装配牢固,无松动现象。
4.经检验,以上3个检验批的防火门安装分项工程达到设计要求,合格。
6. 不合格项整改情况经检验,以上3个检验批的防火门安装分项工程未发现不合格项。
7. 监理工程师意见本次防火门安装分项工程的施工质量较好,符合设计要求和技术规范。
建议施工单位加强质量管理,确保后续工程质量不断提升。
8. 检验单位意见按照《建筑工程防火门安装及验收规范》(GB 12955-2008)和《建筑门、窗、幕墙工程质量验收规范》(GB/T 8478-2008)的要求,对防火门安装分项工程进行检验,检验结果表明该工程符合设计要求和技术规范。