UPS中文通讯协议
- 格式:doc
- 大小:72.00 KB
- 文档页数:9
台达UPS协议范文台达UPS通讯协议说明一.硬件说明。
1.通讯波特率2400bit/s.8位数据位,1位停止位,无校验。
二.协议说明。
1.协议数据格式数据头ID号命令类型数据长度数据内容1字节2字节1字节3字节128字节(最大)说明数据头必须是“~”,转换成ASCII码是7E ID号必须是00,转换成ASCII码是3030命令类型PUPS连接到主机命令,(主机-------→UPS)S设置UPS的数据命令,(主机-----→UPS)DUPS数据返回命令,(UPS------→主机)数据长度这里的数据长度指的是数据内容的字节个数。
用3位的ASCII码表示。
数据内容实际就是主机发给UPS的命令数据。
用ASCII码表示。
读取UPS额定电压输入电参数信息(RAT命令)PC机发送7e303050303033524154说明7e数据包头,3030ID号。
50命令类型,“P”。
303033数据长度;是指数据内容的数据长度。
“003”。
524154数据内容;就是命令;“RAT”。
UPS返回数据7E3030443037303232303B3530303B3232303B3530303B31313030303B373730303B333B3135363B3237363B3B3B3B3B303B3237343B3437303B35 33303B3439353B3435303B3535303B353035说明7E数据头。
3030ID号,44命令类型,“D”。
303730数据长度,070,说明数据区有70个字节的数据。
323230UPS输入额定电压,ASCII字符220V,交流。
3B表示一个实数与另一个实数间的分隔符,ASCII字符“;”。
353030UPS输入额定频率,计算公式500*0.1=50HZ。
3B表示一个实数与另一个实数间的分隔符,ASCII字符“;”。
31表示电池的充电状态;0表示电池浮充电状态。
1表示电池均充状态。
POWLEADING[电源先锋] UPS RS232接口通讯协议(译自厂家英文版资料)深圳市正昌时代电源系统有限公司1. 简介本文件规定了UPS制造厂家用来设计和执行UPS串口通讯的标准协议。
2. 通用的UPS参数定义注:Length长度定义为UPS发送给主机的字节数,UPS发送的字节数可以小于最大字节数。
Length长度仅适用于表示串-型式的变量。
Range范围定义为UPS发送给主机的最小和最大整数值。
整数值可以用“0”填补,但并不是必需的。
Range范围仅适用于表示整数-型式的变量。
在某些情况下,计算机只接受定义好的一组整数值,这组整数值将在现场描述中被指定。
2.1 身份识别参数组ID Group2.2 蓄电池参数组Battery Group2.3 输入参数组Input Group2.4 输出参数组Output Group2.5 旁路参数组Bypass Group2.6 告警信息组Alarm Group2.7 测试参数组Test Group2.8 控制参数组Control Group2.9 配置设置参数组Configuration Group2.10 波特率2.11 ID 号码分配3. 通讯3.1 运行参数波特率-2400 (默认值–可以用 UBR命令修改)数据位数-8停止位数-1奇偶性-无3.2 信息格式3.2.1 起始字符信息的起始字符是一个单字节数据,起始字符是漏字符( ^ )。
3.2.2 信息类型信息类型是一个单字节数据,必须是下表中的一个:0 - 命令被拒绝(从UPS到计算机主机)1 - 命令被接受(从UPS到计算机主机)P - Poll 命令(从计算机主机到UPS)S - Set命令(从计算机主机到UPS)* -主发数据(从UPS到计算机主机)D - 回传数据(从UPS到计算机主机)3.2.3 数据长度数据长度是指通过的数据的字节数。
3.2.4 数据所有数据都是用逗号隔开的。
参数必须符合3.3.1节和3.3.4节的规则规定,如果某个参数值是现在不需要或不合适用的,在该参数的位置应该放一个不带数据的逗号来表示。
台达UPS通讯协议说明一.硬件说明。
1.通讯波特率:2400 bit/s. 8位数据位,1位停止位,无校验。
二.协议说明。
说明:数据头:必须是“~”,转换成ASCII码是7EID号:必须是00,转换成ASCII码是30 30命令类型:P:UPS连接到主机命令,(主机-------→UPS)S:设置UPS的数据命令,(主机-----→UPS)D:UPS数据返回命令,(UPS------→主机)数据长度:这里的数据长度指的是数据内容的字节个数。
用3位的ASCII码表示。
数据内容:实际就是主机发给UPS的命令数据。
用ASCII码表示。
读取UPS额定电压输入电参数信息:(RAT命令)PC机发送:7e 30 3050 30 30 3352 41 54说明:7e:数据包头,30 30:ID号。
50:命令类型,“P”。
30 30 33:数据长度;是指数据内容的数据长度。
“003”。
52 41 54:数据内容;就是命令;“RAT”。
UPS返回数据:7E 30 304430 37 30 32 32 30 3B 35 30 30 3B 32 32 30 3B 35 30 30 3B 31 31 30 3030 3B 37 37 30 30 3B 33 3B 31 35 36 3B 32 37 36 3B 3B 3B 3B 3B 30 3B 32 37 34 3B34 37 30 3B 35 33 30 3B 34 39 35 3B 34 35 30 3B 35 35 30 3B 35 30 35说明:7E:数据头。
30 30:ID号,44:命令类型,“D”。
30 37 30:数据长度,070,说明数据区有70个字节的数据。
32 32 30:UPS输入额定电压,ASCII字符:220V,交流。
3B:表示一个实数与另一个实数间的分隔符,ASCII字符“;”。
35 30 30:UPS输入额定频率,计算公式:500*0.1=50HZ。
COMMUNICATION PROTOCOLVERSION : 2.7CHECKED BY :PREPARED BY :DATE : SEP. 30, 1995FILE :MEGAPRO7.DOCDATE :V2.7 : JULY 30 ,1996DATE DESCRIPTION MODIFY BY 2.695-9-30UPDATE “D” COMMAND (SS.SS -> SSS.SS)Kevin Ch i ou2.796-8-01Disable “D” COMMAND Kevin Ch i ouMEGATEC COMMUNICATION PROTOCOLA. 概括: 本文件指定的高级-智能UPS的RS232C通讯协议。
该协议提供了以下功能:1. 监视器充电状态。
2. 监控电池的状态和条件。
3. 状态监测工具。
4. 为电脑提供电源开启和关闭的省电效用如期开关功能。
电脑将控制信息由<cr>随后查询交流。
UPS将响应由<CR>或付诸行动的信息。
Computer will control information exchange by a query followed by<cr>. UPS will respond with information followed by a <cr> oracti on.B. 硬件:波特率............... : 2400 bps数据长度.......... : 8 b it s停止位..................... : 1 b it奇偶性........................ : NONECABLING :COMPUTER UPS===================================RX <---------- TX (pin 9)TX ----------> RX (pin 6)GND <---------- GND (pin 7)(9 pins female D-type c onn ect or)C. 通信协议:1. 状态查询:Computer : Q1<c r>UPS : UPS状态的数据流,如 UPS status data stream, such a s(MMM.M NNN.N PPP.P QQQ RR.R S.SS TT.T b7b6b5b4b3b2b1b0<c r> UPS状态的数据流:之间应该有一个数据分离领域的每一个空格字符。
HIPLANT UPS CDT通讯协议V1001.概述 (3)2. 通讯方式 (3)2.1 串行通讯口: (3)2.2 信息传输方式: (3)2.3 数据传输速率 (3)2.4 设备地址 (3)3.信息类型及协议的基本格式 (3)3.1 帧结构 (3)3.2 字、字节、位的排列和发码规则 (3)3.3 同步字 (4)3.4 控制字 (4)3.4.1控制字节说明 (4)3.4.2 S与D在上行及下行信息中的定义说明 (4)3.4.3 生成多项式和中间余式表 (4)4.1 帧系列的组织 (5)4.1.1 帧组织方式: (5)4.1.2 帧响应要求: (5)5.1 重要遥测A帧: (5)5.2 次要遥测B帧:.................................... E rror! Bookmark not defined.5.3 一般遥测C帧:.................................... E rror! Bookmark not defined.5.4 遥信D1帧: (6)1.概述本文规定了大容量电场UPS与电场或变电站智能采集设备之间的通讯协议。
本文以循环式远动规约(CDT)为基本依据。
2.通讯方式2.1 串行通讯口:采用RS232/RS422/RS485通讯方式。
2.2 信息传输方式:为异步方式,起始位1位,数据位8位,停止位1位,无校验。
2.3 数据传输速率2400bps、4800bps、9600bps (由面板选择波特率)2.4 设备地址设备地址为1~254 (由面板选择波特率)上行信息中的控制字为71H,目的站址固定为01H;下行信息中控制字的D位必须有效,且目的站址为该UPS设备地址。
2.5 遥测量定标A帧的遥测量定标均为2.3.信息类型及协议的基本格式3.1 帧结构帧结构如图1所示。
每帧都以同步字开头,并有控制字,除少数帧外均应有信息字。
信息字的数量依实际需要设定,帧长度可变。
通讯协议转换器(PTU)说明0.01(本说明只适用于三单(电力专用)机型)DB9针定义(标准DTE接口)绿端子定义电源交流220V,50Hz电源LED正面LED1 ---●●●●●●--- LED6板接口图拨码开关位用途位状态1板地址设置0 1 0 1……0 12 0 0 1 1 1 13 0 0 0 0 1 14 0 0 0 0 1 1板地址无效1(默认) 2 3 ……14 15 拨码开关位用途位状态5 UPS波特率设置0 1 0 16 0 0 1 17 上位机波特率设置0 1 0 18 0 0 1 1波特率2400 4800 9600 无效UPS波特率默认为9600,上位机波特率默认为2400与上位机通讯协议(遵循MODBUS协议)波特率:2400(默认)/4800/9600起始位:1位奇偶校验位:无结束位:1位上位机命令:地址码(1B)+功能码(1B)+寄存器起始地址(2B)+寄存器数量(2B)+CRC校验码(2B)PTU应答:地址码(1B)+功能码(1B)+数据字节数(1B)+数据1(2B)+…+数据n(2B)+CRC校验码(2B)注1:上面2B的信息中,高字节在前注2:功能码为03表中红色部分为本机型有效数据,黑色部分为本机型无效数据,程序中将无效数据添零。
ModBus/RTU 地址表一(参数寄存器)(3入1出/电力专用)说明一BIT0 Alarm Temperature 温度报警0 = No Alarm Active, 1 = Alarm Active BIT1 Alarm Input Bad 主输入消失报警0 = No Alarm Active, 1 = Alarm Active BIT2 Alarm Output Bad 输出消失报警0 = No Alarm Active, 1 = Alarm Active BIT3 Alarm Overload 过载报警0 = No Alarm Active, 1 = Alarm Active BIT4 Alarm Bypass Bad 旁路消失报警0 = No Alarm Active, 1 = Alarm ActiveBIT5 Alarm Output Off 输出关闭报警0 = No Alarm Active, 1 = Alarm Active BIT6 Alarm UPS Shutdown UPS紧急停机报警0 = No Alarm Active, 1 = Alarm Active BIT7 Alarm Charger Failure 充电器故障报警0 = No Alarm Active, 1 = Alarm Active BIT8 Alarm System Off系统关闭报警0 = No Alarm Active, 1 = Alarm Active BIT9 Alarm Fan Failure 风扇故障报警0 = No Alarm Active, 1 = Alarm Active BIT10 Alarm Fuse Failure 保险故障报警0 = No Alarm Active, 1 = Alarm Active BIT11 Alarm General Fault 综合故障报警0 = No Alarm Active, 1 = Alarm ActiveBIT12 Alarm Awaiting Power 等待电源0 = No Alarm Active, 1 = Alarm ActiveBIT13 Alarm Shutdown Pending 准备关机报警0 = No Alarm Active, 1 = Alarm ActiveBIT14 Alarm Shutdown Imminent即将关机报警0 = No Alarm Active, 1 = Alarm Active。
JBUS ProtocolUPS MASTERYSDocumento N°IS0356Riferimento : _______Rev. N°00del19/02/09Pag. 1 di 44Elaborazione Verifica eapprovazioneEmissioneEnte Resp.le DAM – Motterle A. ATS – Bonollo T. ING – Zenere C. FirmaData 19/02/2009 19/02/2009 19/02/2009 IndexLevel 1: JBUS TABLE (2)Overview (2)JBUS Database (2)Alarms and States Database (2)States (3)Extended states (4)Alarms (5)Remote Commands (6)Standard Commands (6)Extended Commands (7)Level 2: JBUS TABLE (10)Overview (10)Alarms and States Database (10)Alarms (11)Standard alarms (11)Wrong configuration in the Parallel System (A20) (15)Advanced MODULE alarms (26)Other Advanced alarms (30)States (31)Standard states (31)Extended states (39)Advanced MODULE states (42)Pag. 2 di 44 Level 1: JBUS TABLEOverviewJBUS DatabaseThis document describes the SOCOMEC UPS protocol, adopted to communicate with all communication products, like Supervisor, Network communication, etc...This protocol will be implemented in the SOCOMEC UPS equipment, in order to use the same driver for all products. This document describe the specific implementation of MASTERYS UPS.Each SOCOMEC UPS product has a "Database" for the protocol JBUS that containing all the information. This information is divided into the following topics and each one is located in a predefined address of memory.STATES (Sxxx)ALARMS (Axxx)MEASUREMENTS (Mxxx)CONFIGURATIONS (Txxx)DATE and TIMECOMMANDS (Cxxx)The log coding is the same for all equipment, also the date and time format.Alarms and States DatabaseThe states and alarms are defined in the following way:Standard:these are coded information with the same name and meaning in all SOCOMEC UPS products.Extended:these are dedicated information that are different depending on the range of equipment.Alarms States NotesA00÷A15 S00÷S15A16÷A31 S16÷S31A32÷A47 S32÷S47 StandardA48÷A63 S48÷S63A64÷A79 S64÷S79A80÷A95 S80÷S95 ExtendedA96÷A111 S96÷S111 Axxx÷Axxx and Sxxx÷Sxxx is represented by 16bit variable; each bit corresponds to analarm/state.Advanced:these information are not included in the JBUS protocol, but they are used to manage the logic of the product. These variables may be generate alarms/states used in the standard protocol.Pag. 3 di 44StatesIn the following table there is the list of standard JBUS protocol’s states.Address base: 0x1020Range UPS Name DescriptionMod Sys BC8-40MC10-80 GP10-40 MC120GP120EMS00 Input Mains present (Mains OK) •••••S01 Inverter ON •••••S02 Rectifier ON •••••S03 Load on Inverter •••••S04 Load on Mains/Load on By-Pass •••••S05 Load on Battery/Battery Discharging •••••S06 Remote command disabled•••••S07 ECO/MODE ON •••••S08 UPS in Standby mode •••••S09 Buzzer ON ••••••S10 Battery Test in progress •••••S11 Battery Test programmed •••••S12 Battery Test in stand-by •••••S13 Battery Test supported (1=test possible) •••••S14 Battery Test failed •••••S15 Battery near end of Back-up (Low battery) •••••S16 Battery discharged/Battery end •••••S17 Battery OK •••••S18 Auto test in progressS19 Auto test in stand-byS20 Auto test supported (1 = test possible)S21 Auto test failedS22 Auto test OKS23 Inverter synchronised with Mains •••••S24 Boost ONS25 RESERVEDS26 Auxiliary mains OK •••••S27 Battery charger ON •••••S28 Auxiliary input frequency out of tolerance •••••S29 Scheduling ON/OFF disabled •••••S30 UPS on parallel system ••••••S31 Battery extension presentS32 Module 1 in parallel present •••••S33 Module 2 in parallel present •••••S34 Module 3 in parallel present •••••S35 Module 4 in parallel present •••••S36 Module 5 in parallel present •••••Pag. 4 di 44Range UPS Name DescriptionMod Sys BC8-40MC10-80 GP10-40 MC120GP120EMS37 Module 6 in parallel present •••••S38 External state 1S39 External state 2S40 External state 3S41 External state 4S42 The command control table is managed •••••S43 Power Share capability available •••••S44 E-Service Enabled •••••S45 Automatic E-Service report •••••S46 Operating on generator set •••••S47 RESERVEDS48 Maintenance mode active •••••S49 First maintenance period •••••S50 ÷S63FREEExtended statesIn the following table there is the list of extended JBUS protocol’s states.Address base: 0x1024Range UPSName DescriptionMod Sys BC8-40MC10-80 GP10-40 MC120GP120EMS64 Equalizing charge ON •••••S65 External Syncro ref ACSS66 Inverter Contactor ClosedS67 Bypass Contactor ClosedS68 Manual Bypass ClosedS69 Remote manual bypass closedS70 Output Breaker Closed •MAS MC60-80 MAS MC-GP120S71 Output Breaker bus bar oneS72 Output Breaker bus bar twoS73 Output unit coupledS74 Energy saver •••••S75 Mains Contactor switch on generator setinputS76 Always On mode activeS77 Battery Positive Test Alarm •••••S78 Battery Negative Test Alarm •••••S79 Conditions not OK at last Battery Test •••••S80 Minimum Battery Condition Pre-alarm ••S81 Minimum Battery Condition alarm ••Pag. 5 di 44AlarmsIn the following table there is the list of JBUS protocol’s alarms.Address base: 0x1040Range UPS Name DescriptionMod Sys BC8-40MC10-80 GP10-40 MC120GP120EMA00 Alarm present (OR of all UPS alarms) •••••A01 Battery failure/Battery anomaly/Batteryfuse open•••••A02 UPS overload •••••A03 Output voltage out of toleranceA04 Digital power supply fault (Vcc) •••••A05 Input voltage out of toleranceA06 Auxiliary mains out of tolerance •••••A07 Inside over-temperature alarm (OR of alltemperature sensors)•••••A08 Manual By-pass closed •••••A09 Short-circuit detection on UPS outputA10 Battery charger failure •••••A11 Inverter over-currentA12 Excessive Inverter distortionA13 Precharge voltage out of tolerance •••••A14 BOOST output voltage too low •••••A15 BOOST output voltage too high •••••A16 Battery voltage too high •••••A17 Improper condition of use •••••A18 Overload timeout blocking Inverter •••••A19 Microprocessor control system failure ••••••A20 Configuration data map corrupted ••••••A21 PLL FaultA22 Input mains general alarm •••••A23 Rectifier general alarm •••••A24 BOOST general alarmA25 Inverter general alarm •••••A26 Battery charger general alarm •••••A27 Output voltage over limitsA28 Output voltage under limitsA29 By-pass general alarm •••••A30 UPS stopped for overload •••••A31 Imminent Stop •••••A32 Module 1 in parallel general alarm •••••A33 Module 2 in parallel general alarm •••••A34 Module 3 in parallel general alarm •••••A35 Module 4 in parallel general alarm •••••Pag. 6 di 44Range UPS Name DescriptionMod Sys BC8-40MC10-80 GP10-40 MC120GP120EMA36 Module 5 in parallel general alarm •••••A37 Module 6 in parallel general alarm •••••A38 External Alarm 1 ••••••A39 External Alarm 2 ••••••A40 External Alarm 3 ••••••A41 External Alarm 4 ••••••A42 E-Service General Alarm •••••A43 Redundancy lost •••••A44 Maintenance alarm •••••A45 Transfer locked alarmA46 Transfer Blocked in bypass alarm •••••A47 Battery room alarm •••••A48 Manual bypass alarmA49 Battery discharged •••••A50 Insufficient resources •••••A51 Option board general alarm •••••A52 Rectifier fault •••••A53 Boost faultA54 Inverter fault •••••A55 Parallel fault •••••A56 Generator set general alarm •••••A57 Generator set fault •••••A58 Emergency STOP ••••••A59 Battery circuit open •••••A60 Fan fault •••••A61 Phase detection fault •••••Remote CommandsStandard CommandsIn the following table there are the "standard" commands stored in the Historical Events.All these commands are enabled by an EEP Parameter (= ENABLED):Parametro EEprom Descrizione Assist : Sezione “All Parameters”UPS Main Configuration ParametersRemote_Cmd Remote commands UPS Configuration Be careful: the “Standard Commands” in the Maintenance SW are different between if you are directly connected to Module or to System.Pag. 7 di 44 Address base: 0x15B0Name DescriptionNotesMod SysCMX00 Reset all commandsCMX01 Alarms Reset ••Reset all the active alarms CMX02 UPS OFF •Execute the “Stop Procedure” CMX03 ECO MODE enable ••Set the ECO-MODE CMX04 ECO MODE disable ••Reset the ECO-MODE (InverterON)CMX05 Stand-by Mode enableCMX06 Stand-by Mode (UPS ON) disableCMX07 Buzzer enable (only basic panel) ••Enable the buzzer logic control CMX08 Buzzer off (only basic panel) ••Switch off the buzzer temporarily(up to next event)CMX12 UPS Historical (log file) reset •Reset all the events saved in theHistorical Log before CMX13 Mimic panel led test ••CMX14 Buzzer disable •Disable the buzzer logic control CMX15 Power share plugs immediate ON •Not usedCMX16 Immediate Battery Test •Execute the manual Battery test CMX17 UPS ON •Execute the “Start Procedure”Extended CommandsThe following table describes the "extended" commands from SYSTEM.Address base: 0x15D7Name Description NotesGenericCMX01 Alarms Reset Reset all the active alarmsCMX03 ECO MODE enable Set the ECO-MODECMX04 ECO MODE disable Reset the ECO-MODE (Inverter ON) CMX07 Buzzer Enable Disable the buzzer logic controlCMX09 Buzzer Disable Enable the buzzer logic controlCMX14 Test Led Execute the test led of synopticCMX16 Power Share plug1 On Force ON the Power Share Plug1CMX17 Power Share plug2 On Force ON the Power Share Plug2CMX18 Power Share plug3 On Force ON the Power Share Plug3CMX19 Power Share plug1 Off Force OFF the Power Share Plug1CMX20 Power Share plug2 Off Force OFF the Power Share Plug2CMX21 Power Share plug3 Off Force OFF the Power Share Plug3CMX22 Maintenance service ON Set the UPS on “Maintenance Mode” (S48) CMX23 Maintenance service OFF Set the UPS on “Normal Mode”CMX24 Immediate Stop Forced It’s carried out by synoptic (keeping on pressedthe key ENTER for 4 seconds). In the HL, it issaved together CMX33Pag. 8 di 44 Name Description NotesSynopticCMX32 Start Procedure Execute the “Start Procedure”CMX33 Stop Procedure Execute the “Stop Procedure”CMX34 Statistics Reset Reset all the events saved in the Statistic Menu[Assist SW->Advanced->Monitorings] CMX35 Switch on Battery (ADC energy contact) Forced the Load on Battery due to input3 “ADCenergy contact” (A41 = ON)CMX36 Battery Forming ON Active the “Battery Forming charge” (only withOPEN_VENTED / NI-CD Battery setting) CMX37 Immediate Battery test Execute the manual Battery testCMX38 Maintenance Reject Prevent the indication of maintenancemanagement for the next monthCMX39 Switch off Battery (ADC energy contact) Return from simulation of the ADC input forswitching the UPS on BatteryCMX40 Energy saver mode enable Active the Energy saver logic (parallel unit) CMX41 Energy saver mode disable Disable the Energy saver logic (parallel unit)CMX42 Set to 1 the JBUS Slave number (afterrestart) Set the JBUS Slave number of Adv. Mimic panelto 1LanCMX48 Lan HW Reset HW Reset of Lan (RST_UBICOM)CMX49 Lan Set Default value Reset to default valueCMX50 Lan Jbus Tunneling Enable It enables the functionality of the connectionJBUS Tunnelling via networkCMX51 Lan Jbus Tunneling Disable This command is opposed to CMX50CMX52 Lan Firmware Download Enable It enables the functionality of up-grading FW fromweb pageCMX53 Lan Firmware Download Disable This command is opposed to CMX52CMX54 Lan Force Modem DialOut It forces a dial out via ModemCMX55 Lan restart SW SW Reset of LanCMX56 Lan DHCP Enable It enables the automatic acquisition of IP address CMX57 Lan DHCP Disable This command is opposed to CMX56CMX58 Send UCB date&time to Lan Send the Date&Time from UCB to LanATE/CIMCMX64 ATE mode Enable Not used in Adv. Mimic panelCMX65 ATE mode Disable Not used in Adv. Mimic panelCMX66 History-Log Reset Cancel all event stored in the History Log CMX67 All HW Reset Send an HW reset to Adv. Mimic panel CMX68 ADC custom logic default value The ADC custom logic strings are set to defaultvalueCMX69 Disable maintenance alarm management The “maintenance logic” is disabledThe “maintenance hours registered” parametersis set to 2 hoursCMX70 Start a new maintenance alarmsequence The “maintenance hours registered” parametersis set to 10004 hoursCMX71 Initialize maintenance alarm to default The “maintenance hours registered” parametersis set to default value (0 hour)Pag. 9 di 44Name Description NotesCMX72 Reset impr. use counters level2 (A17) In the Assist->Standard->Configuration menu,the counter T26 (Output/Load), T27(Mains/ByPass), T28 (Battery) and T29(Temperature) are resetCMX73 Reset UPS ON counter (T30 and T31) In the Assist->Standard->Configuration menu,the counter T30 (UPS ON hours) and T31 (UPSon Battery hours) are resetCMX74 Reset enviroment LOG counter Reset all the events saved in the Log countersMenu [Assist SW->Advanced->Monitorings]CMX75 Set code4comm="ENTERED" in all cannode The “code4com” has been entered and the icon alarm is disappear on the mimic panelCMX76 Exclude parallel bus control Exclude parallel bus control (used to replace amodule)CMX77 Set parallel bus control in normal mode Set parallel bus control in normal mode (used atthe end of replacement)DebugCMX80 Debug ram Cleaning Reset all the debug variablesMenu [Assist SW->Advanced->RAM debug] CMX81 DE Precharge ON Not usedCMX82 DE battery ON Not usedCMX83 DE Rectifier ON Not usedCMX84 DE Inverter ON Not usedOptionCMX96 Emergency Shut Down Simulate the ADC input for the EmergencyShutdown (switch off Inverter, By-Pass andRectifier)CMX97 Set bypass GenSet threshold The UPS is supplied from GenSet (S46).The UPS logic extends the thresholds of ByPass CMX98 Return in normal mode The UPS returns in Normal Mode.This command is opposed to CMX97 CMX99 ADC outputs ON/OFF This command sets ON/OFF the 4 ADC outputs.Repeating the command, the 4 outputs switch onand viceversaCMX100 ADC back to default logic This command resets the CMX99 and the ADClogic comes back to original stateCMX101 Force ON A42/Back to A42 logic This command sets ON/OFF the A42 alarm (e-service general alarm).Repeating the command, the alarm appears andviceversaPag. 10 di 44 Level 2: JBUS TABLEOverviewThis document describes the SOCOMEC UPS protocol, adopted to communicate with all communication products, like Supervisor, Network communication, etc...This protocol will be implemented in the SOCOMEC UPS equipment, in order to use the same driver for all products. This document describe the specific implementation of MASTERYS UPS.Each SOCOMEC UPS product has a "Database" for the protocol JBUS that containing all the information. This information is divided into the following topics and each one is located in a predefined address of memory.STATES (Sxxx)ALARMS (Axxx)MEASUREMENTS (Mxxx)CONFIGURATIONS (Txxx)DATE and TIMECOMMANDS (Cxxx)The log coding is the same for all equipment, also the date and time format.Alarms and States DatabaseThe states and alarms are defined in the following way:Standard:these are coded information with the same name and meaning in all SOCOMEC UPS products.Extended:these are dedicated information that are different depending on the range of equipment.Alarms States NotesA00÷A15 S00÷S15A16÷A31 S16÷S31A32÷A47 S32÷S47 StandardA48÷A63 S48÷S63A64÷A79 S64÷S79A80÷A95 S80÷S95 ExtendedA96÷A111 S96÷S111 Axxx÷Axxx and Sxxx÷Sxxx is represented by 16bit variable; each bit corresponds to analarm/state.Advanced:these information are not included in the JBUS protocol, but they are used to manage the logic of the product. These variables may be generate alarms/states used in the standard protocol.Pag. 11 di 44AlarmsIn the following paragraph, there is the description of all JBUS protocol’s alarms (standard and advanced).Standard alarmsAll the following alarms are reported to the MODULE's logic, while the other ones (where is specified) are related to the SYSTEM.A01 Battery failure/Battery anomaly/Battery fuse openThis alarm signals a failure of the battery circuit: the result of the battery test is not good, a battery branchi s fault or disconnected, the battery voltage is too high.The logic of this alarm is active with BATTERY_AVAILABLE parameter.Cause / Origin of the alarm EEPROM ParametersBattery Test AlarmMaximum Battery Voltage Battery circuit open or fault Battery fuses are brokenBattery Temperature Probe is fault Perc_Vmax_El = 106Batt_Temper_Probe = SET (Synoptic EVO only)Logic representaton/UPS Behaviour The load remains supplied by Inverter. The Battery charger is OFF.A02 UPS overloadThis alarm signals the presence of overload.The overload alarm is activated when IrmsINV > IrmsINV NOM on at least one phase. The load remains supplied by inverter till the overload tank is not full.Cause / Origin of the alarm EEPROM ParametersLoad phase 1 (M00) > 100%Load phase 2 (M01) > 100%Load phase 3 (M02) > 100%/Logicrepresentaton/UPSBehaviourThe load remains on “Normal Mode” or “Eco-Mode” for the overload logic time.Pag. 12 di 44A04 Digital power supply fault (Vcc)This alarm points out an Electronic supply voltage failure (+/-15V) in the controller PCB.From +/-15V the controller gets +15V_RECT, +15V_INV, and digital power supply (+5V and +2V5) Cause / Origin of the alarm EEPROM Parameters+15V alarm /Logicrepresentaton/UPS Behaviour The UPS logic switches off the Rectifier and Inverter; the load is supplied by the ByPass.A06 Auxiliary mains out of toleranceThe Auxiliary mains voltage is absent, out of tolerance or the phase rotation is wrong. P.S.: on “Converter Mode”, this alarm is not used and not displayed.Cause / Origin of the alarm EEPROM ParametersAuxiliary Mains Period not OK Auxiliary Mains Voltage out of tolerance Auxiliary Phase detection fault (A61) VAux_Min = 85% Vout VAux_Max = 115% Vout Freq_Aux_Min = 49 Hz Freq_Aux_Max = 51 HzLogic representaton/UPS Behaviour “Normal Mode”: The load remains supplied by Inverter. “Eco-Mode”: The load switches on Inverter.A07 Inside over-temperature alarm (OR of all temperature sensors) The temperature of Inverter, Rectifier or heatsink of Input chokes is too high.The Rectifier/Inverter temperature is too high and the “change frequency logic” has switched off the Inverter (MAS II only).The internal temperature is over 40°C (warning only).Cause / Origin of the alarm EEPROM ParametersOver temperature Rectifier (RectTemp)Over temperature Inverter (InvTemp)Rectifier/Inverter temperature (Change Frequ. inthe MAS II only - (StOverTempRect andStOverTempInv)./Logicrepresentaton/UPS Behaviour The UPS logic switches off the Rectifier and Inverter; the load is supplied by the ByPass.Pag. 13 di 44 A08 Manual By-pass closedThe load is on Manual ByPass.Cause / Origin of the alarm EEPROM Parameters Manual ByPass switch /Logicrepresentaton/UPSBehaviourThe load is supplied by the ByPass.A10 Battery charger failureThe Battery charger doesn’t work properly (alarm after 16 hours).Cause / Origin of the alarm EEPROM Parameters Battery voltage < Recharging voltage /Logicrepresentaton/UPS Behaviour The load remains supplied by Inverter. The Battery Charger is switched OFF.A13 Precharge voltage out of toleranceThe Input Stage (Capacitors Precharge or Soft-start Boost) is fault during the UPS start procedure.Cause / Origin of the alarm EEPROM ParametersBoost Voltage is too low /Logicrepresentaton/UPSBehaviourThe UPS doesn’t carry out the Start procedure.A14 BOOST output voltage too lowThe Boost voltage is too low.Cause / Origin of the alarm EEPROM ParametersMinimum Boost Voltage Min_V_boost = 370VLogicrepresentaton/UPSBehaviourThe load is supplied by the ByPass.Pag. 14 di 44 A15 BOOST output voltage too highThe Boost voltage is too high.Cause / Origin of the alarm EEPROM Parameters Maximum Boost Voltage Max_V_boost = 460VLogicrepresentaton/UPSBehaviourThe load is supplied by the ByPass.A16 Battery voltage too highThe Battery voltage is too high.Cause / Origin of the alarm EEPROM Parameters Maximum Battery Voltage Perc_Vmax_El = 106Logicrepresentaton/UPS Behaviour The load remains supplied by Inverter. The Battery charger is OFF.A17 Improper condition of useThe alarm signals that the UPS is not used properly (there are a lots of overload, switch on ByPass, input mains failure, high internal temperature ecc…These conditions happen frequently).Cause / Origin of the alarm EEPROM ParametersT26Counter6 = OVERLOADT27Counter5 = LOAD ON BYPASST28Counter4 = INPUT NOT OKT29Counter3 = HIGH TEMPERATUREAlarmEnvCounter = ENABLEDLogicrepresentaton/UPSBehaviourThe load remains supplied by Inverter.A18 Overload timeout blocking InverterThe inverter switches off after the overload timeout.The maximum time in Overload depends on the value of the Output Load (and the MAS Typology) For example: MAS MC at 110% 16 minutes, at 125% 10 minutesMAS GP at 110% 10 minutes, at 125% 5 minutesCause / Origin of the alarm EEPROM ParametersLoad phase 1 (M00) > 100% after Time OVLLoad phase 2 (M01) > 100% after Time OVLLoad phase 3 (M02) > 100% after Time OVL/Logicrepresentaton/UPSBehaviourThe load is supplied by the ByPass.Pag. 15 di 44A19 Microprocessor control system failureThis alarm points out the reset of controller PCB dues to MicroProcessor control system failure or wrong EEPROM access.Cause / Origin of the alarm EEPROM Parameters/Watchdog eventEEPROM failure accessDSP Alarm/LogicrepresentatonUPSThe load is supplied by the ByPass.BehaviourWrong configuration in the Parallel System (A20)The logic of the alarm A20 (wrong configuration map corrupted) in a Parallel system consists that the main configurations / parameters have to be the same among the present modules.In the following table there is the description of these settings. If the value of at least one of them is different from the respective others, the procedure of Start of the whole plant is not carried out and the alarm A20 is set.Pag. 16 di 44Eeprom Parameters in the A20 Parallel logic:EEprom Parameter Description Assist : Section “All Parameters”UPS Main Configuration ParametersVOut_Nom Output Nominal Voltage UPS ConfigurationFreq_Nom Output Nominal Frequency UPS ConfigurationOn_Auto Automatic Output Switching On UPS ConfigurationAux_Mains With or Without auxiliary mains operations UPS Configuration UpsLtmType UPS working type in the LTM logic UPS ConfigurationUPS Configuration LtmGESync Select if UPS has to synchronize with theGenSet in the LTM logicAlways_Mode Type of High efficiency modeUPS Configuration(not check in MAS 10-40 GP)Remote_Cmd Enable/disable of Remote commands UPS Configuration MAS GP10-40kVA only:From SYSTEM menu, selecting the “Parallel Cfg” within “Advanced menu, it’s possible to know which parameters are different among the modules (0 = Different, 1 = OK). Look the following setting in each “Advanced Mimic Panel” (SYSTEM section).S e l e c t f r o m“A d v a n c e d”m e n u,t h e s u b-m e n u“P a r a l l e l C f g”Pag. 17 di 44 A22 Input mains general alarmThe Input mains voltage is absent, out of tolerance (mask or amplitude).Cause / Origin of the alarm EEPROM ParametersInput Mains Period not OKInput Mains Voltage out of tolerance Input Mains Mask out of tolerance Min_Input_Vrms = 85% Input_Nom_Volt Max_Input_Vrms = 115% Input_Nom_Volt Min_Input_Freq = 45Hz (not used)Max_Input_Freq = 65Hz (not used)Logicrepresentaton/UPSBehaviourThe UPS switches on the Inverter on Battery.A23 Rectifier general alarmThis alarm points out a problem in the Boost/Rectifier Stage.Cause / Origin of the alarm EEPROM ParametersOver temperature RectifierBoost Alarm (see A52)Input Backfeed logic BackFeedType = BYPASS_INPUT_ALONE orBackFeedType = BYPASS_INPUT_COMMON Logicrepresentaton/UPSBehaviourThe load is supplied by the ByPass.A25 Inverter general alarmThis alarm points out a problem in the Inverter Stage.Cause / Origin of the alarm EEPROM ParametersOver temperature InverterInverter Alarm (see A54)Inverter OverloadMax Inverter ON tries (3)/Logicrepresentaton/UPSBehaviourThe load is supplied by the ByPass.Pag. 18 di 44 A26 Battery charger general alarmThis alarm signals a general Battery charger alarrm.Cause / Origin of the alarm EEPROM Parameters Battery voltage < Recharging voltage (A10)Max Batt. Charger TemperatureMax Batt.recharging current Derating (< 4%)Battery Voltage FeedBack (65% Vrecharging)BattCurr_Derating = 4 % Batt. CapacityLogicrepresentaton/UPS Behaviour The load remains supplied by Inverter. The Battery Charger is switched OFF.A29 By-pass general alarmThis alarm points out a problem in the By-Pass Stage.Cause / Origin of the alarm EEPROM Parameters By-Pass OverLoadManual ByPass FaultMax By-Pass ON tries (5) By-Pass Backfeed logic BackFeedType = BYPASS or BackFeedType = BYPASS_INPUT_COMMONLogicrepresentaton/UPSBehaviourThe load remains supplied by Inverter (if it’s OK) otherwise the load is OFF. A30 UPS stopped for overloadThe Load is OFF due to a ByPass/Inverter overload.Cause / Origin of the alarm EEPROM Parameters Inverter or By-Pass OverLoad /Logicrepresentaton/UPS Behaviour The load is OFF.The Battery Charger is recharging the BatteryA31 Imminent StopThe imminent load switching off is in progress.Cause / Origin of the alarm EEPROM Parameters Stop Procedure by- Synoptic- remote command (from Net Vision,Manteinance SW)/Logicrepresentaton/UPSBehaviourThe load is imminent switching off.Pag. 19 di 44 A32÷37 Module X in parallel general alarm (SYSTEM)The module X is fault (A00) or its CAN communication is failed.Cause / Origin of the alarm EEPROM Parameters/CAN Communication Module is not OKModule X General alarm (A00)Logic/representaton/UPSBehaviourA38 External Alarm 1 (SYSTEM)The external alarm 1 is ON (check the ADC option logic).Cause / Origin of the alarm EEPROM Parameters ADC logic string (standard or custom) PlcString1PlcString2Logic/representatonThe UPS behaviour depends on the ADC logic setting.UPSBehaviourA39 External Alarm 2 (SYSTEM)The external alarm 2 is ON (check the ADC option logic).Cause / Origin of the alarm EEPROM Parameters ADC logic string (standard or custom) PlcString1PlcString2/LogicrepresentatonThe UPS behaviour depends on the ADC logic setting.UPSBehaviourA40 External Alarm 3 (SYSTEM)The external alarm 3 is ON (check the ADC option logic).Cause / Origin of the alarm EEPROM Parameters ADC logic string (standard or custom) PlcString1PlcString2Logic/representatonThe UPS behaviour depends on the ADC logic setting.UPSBehaviour。
通信协议(Modbus ASCII)2013.4.12(V1.02)此文档是对本公司生产的逆变电源,电力专用不间断电源及应急电源等智能设备接入用户集中监控网络提供的一种通信协议,符合Modbus规约.一、硬件规范1、通信接口:RS485接口2、数据格式:1位起始位,8位数据位,1位停止位,无奇偶校验3、波特率:2400 bps4、接线端子:RS485+,RS485-5、设备地址选择拨码开关设备地址3 2 1OFF OFF OFF 07HOFF OFF ON 06HOFF ON OFF 05HOFF ON ON 04HON OFF OFF 03HON OFF ON 02HON ON OFF 01HON ON ON 00H二、协议内容1、ASCII帧结构起始位设备地址功能代码数据长度数据LRC校验结束符1个字符2个字符2个字符2个字符N个字符2个字符2个字符2 命令帧2.1 读取数据帧结构起始位设备地址功能代码数据长度数据校验结束符下行(RTU)下行(ASCII) :(3AH)30H,3XH 30H,33H 30H,30H NC LRC-H,LRC-L 0DH,0AH 上行(RTU)上行(ASCII) :(3AH)30H,3XH 30H,33H 32H,34H * LRC-H,LRC-L 0DH,0AH注:*数据包含数据段为:MMM.M NNN.N PPP.P QQQ RR.R S.SS TT.T每个数据段之间有一个空格符分开.每段数值的含义如下:交流输入电压:MMM.M(V)输入异常电压:NNN.N(V) (不用)交流输出电压:PPP.P(V)交流输出电流:QQQ(%)相对于最大电流值交流输入频率:RR.R(Hz)直流输入电压:S.SS*电池节数(换算成2V电池)机内温度:TT.T(℃)2.2读取状态帧结构起始位设备地址功能代码数据长度数据校验结束符下行(RTU)下行(ASCII) :(3AH)30H,3XH 30H,37H 30H,30H NC LRC-H,LRC-L 0DH,0AH 上行(RTU)上行(ASCII) :(3AH)30H,3XH 30H,37H 30H,38H * LRC-H,LRC-L 0DH,0AH注:*数据包含一个二进制信息的字节,例如:<B7B6B5B4B3B2B1B0>这个的Bn是一个ASCII码字符“0”或“1”状态列表位序描述7 1 : 交流输入异常(即时)6 1 : 直流输入欠压5 1 : 旁路/ 正在升压或正在降压(不用)4 1 : UPS故障(损坏)3 1 : UPS类型是离线式(0是在线式) (不用)2 1 : 正在测试(不用)1 1 : 正在关机或处于关机状态(不用)0 1 : 蜂鸣器打开(不用)2.3读取信息I帧结构起始位设备地址功能代码数据长度数据校验结束符下行(RTU)下行(ASCII) :(3AH)30H,3XH 31H,37H 30H,32H 34H,39H LRC-H,LRC-L 0DH,0AH 上行(RTU)上行(ASCII) :(3AH)30H,3XH 31H,.37H 32H,35H * LRC-H,LRC-L 0DH,0AH 注:*此功能是设备的生产厂家,机器型号和产品版本的信息上行数据内容:#Company_Name Model V ersion每段内容的长度要求如下:厂商名称(Company_Name):15个字符,不足15个字符用空格加满机器型号(Mode):10个字符,不足10个字符用空格加满产品版本(V ersion):10个字符,不足10个字符用空格加满每段内容之间用空格分开2.3读取信息F帧结构起始位设备地址功能代码数据长度数据校验结束符下行(RTU)下行(ASCII) :(3AH)30H,3XH 31H,37H 30H,32H 34H,36H LRC-H,LRC-L 0DH,0AH 上行(RTU)上行(ASCII) :(3AH)30H,3XH 31H,37H 31H,34H * LRC-H,LRC-L 0DH,0AH注:*1、此功能返回设备的额定信息,在每段内容之间用空格分开.2、上行数据内容为:MMM.M QQQ SS.SS RR.R每段的内容如下:a. 额定电压:MMM.M(V)b. 额定电流:QQQ(A)c. 额定电池电压:SS.SS or SSS.S(V)d. 频率:RR.R(Hz)三、说明1. 本规约符合Modbus通信协议,相关定义参考附录(Modbus通信协议).2. 下行指控制器向其他设备传送指令, 上行指设备向控制器回应数据.四、LRC举例(ASCII)读取数据:遥测下行:3AH 30H 31H 30H 33H 30H 30H 32H 34H 0DH 0AH32H 34H为LRC校验码遥测上行:(:01 03 24 220.0 210.0 222.0 005 50.0 2.05 17.5 41H 39H 0DH 0AH)3AH 30H 31H 30H 33H 32H 34H 32H 32H 30H 2EH 30H 20H 32H 31H 30H 2EH 30H20H 32H 32H 32H 2EH 30H 20H 30H 30H 35H 20H 35H 30H 2EH 30H 20H 32H 2EH30H 35H 20H 31H 37H 2EH 35H 41H 39H 0DH 0AHLRC=30H+31H+30H+33H+32H+34H+32H+32H+30H+2EH+30H+20H+32H+31H+30H +2EH+30H+20H+32H+32H+32H+2EH+30H+20H+30H+30H+35H+20H+35H+30H+2EH+30H+20H+32H+2EH+30H+35H+20H+31H+37H+2EH+35H=07A9H取LRC=A9H。
台达UPS通讯协议说明一.硬件说明。
1.通讯波特率:2400 bit/s. 8位数据位,1位停止位,无校验。
二.协议说明。
说明:数据头:必须是“~”,转换成ASCII码是7EID号:必须是00,转换成ASCII码是30 30命令类型:P:UPS连接到主机命令,(主机-------→UPS)S:设置UPS的数据命令,(主机-----→UPS)D:UPS数据返回命令,(UPS------→主机)数据长度:这里的数据长度指的是数据内容的字节个数。
用3位的ASCII码表示。
数据内容:实际就是主机发给UPS的命令数据。
用ASCII码表示。
读取UPS额定电压输入电参数信息:(RAT命令)PC机发送:7e 30 3050 30 30 3352 41 54说明:7e:数据包头,30 30:ID号。
50:命令类型,“P”。
30 30 33:数据长度;是指数据内容的数据长度。
“003”。
52 41 54:数据内容;就是命令;“RAT”。
UPS返回数据:7E 30 304430 37 30 32 32 30 3B 35 30 30 3B 32 32 30 3B 35 30 30 3B 31 31 30 3030 3B 37 37 30 30 3B 33 3B 31 35 36 3B 32 37 36 3B 3B 3B 3B 3B 30 3B 32 37 34 3B34 37 30 3B 35 33 30 3B 34 39 35 3B 34 35 30 3B 35 35 30 3B 35 30 35说明:7E:数据头。
30 30:ID号,44:命令类型,“D”。
30 37 30:数据长度,070,说明数据区有70个字节的数据。
32 32 30:UPS输入额定电压,ASCII字符:220V,交流。
3B:表示一个实数与另一个实数间的分隔符,ASCII字符“;”。
35 30 30:UPS输入额定频率,计算公式:500*0.1=50HZ。
MR系列UPS通信协议V1.111.通信软、硬件设置,连接方式。
2.命令格式3.指令详解通信软、硬件设置,连接方式MR系列UPS提供三种通信接口:RS232、RS485、TCP/IP。
●RS232模式,采用标准DB9通信接口。
通信波特率9600,数据位8,停止位1,1,无校验。
通信线缆长度不得超过300M。
●TCP/IP模式,采用标准RJ45接口,可通过直通网线直接接入局域网,或通过交叉网线直接接入计算机的RJ45接口。
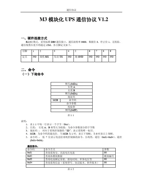
命令格式1.帧头:共占用四个字节。
其中“长度A”、“长度B”各占一个字节,并互为校验(两个字节的值应相等),其值表示“地址”、“命令”、“命令参数”所占字节总数。
两其值范围:1~200。
a)“数据传输方向”:下询帧时,数据传输方向位置“1”;上询指令时,数据方向位置“0”。
b)“指令代码”:以7位数值,标识系统唯一指令代码,指令代码表如下,详细内容参见“指令详解”。
4.命令参数:命令参数的所有字节均以十六进制数表示,其长度范围:0~253。
下询帧中,为指令代码辅助信息;上询帧中,为回复数据内容。
详细内容参见“指令详解”。
5.校验:共占用一个字节,其值为“地址”、“命令”、“命令参数”所有字节累加和的低八位。
6.帧尾:共占用一个字节,其值为固定十六进制数0x16。
指令详解1、查询系统数据1:0x01。
1)下询帧中命令参数部分长度为0 byte。
2)上询帧命令参数部分长度为51 byte,其内容、格式详见下表:a)特殊声明1:当电池电流值为正值时,表示电池充电电流,其数值的个位为实际电流的十分位;当电池电流为负值时,表示电池放电电流,其数值的个位为实际电流的个位。
2、查询单个模块数据:0x02。
1)下询帧中命令参数部分长度为1 byte,命令参数用一个字节提交待查询模块的地址号。
地址号范围:1~15。
2)上询帧中命令参数部分长度为49 byte,其内容、含义详见下表:3、查询告警数据:0x03。
通讯协议转换器(PTU)说明0.01(本说明只适用于三单(电力专用)机型)DB9针定义(标准DTE接口)绿端子定义电源交流220V,50Hz电源LED正面LED1 ---●●●●●●--- LED6板接口图拨码开关位用途位状态1板地址设置0 1 0 1……0 12 0 0 1 1 1 13 0 0 0 0 1 14 0 0 0 0 1 1板地址无效1(默认) 2 3 ……14 15 拨码开关位用途位状态5 UPS波特率设置0 1 0 16 0 0 1 17 上位机波特率设置0 1 0 18 0 0 1 1波特率2400 4800 9600 无效UPS波特率默认为9600,上位机波特率默认为2400与上位机通讯协议(遵循MODBUS协议)波特率:2400(默认)/4800/9600起始位:1位奇偶校验位:无结束位:1位上位机命令:地址码(1B)+功能码(1B)+寄存器起始地址(2B)+寄存器数量(2B)+CRC校验码(2B)PTU应答:地址码(1B)+功能码(1B)+数据字节数(1B)+数据1(2B)+…+数据n(2B)+CRC校验码(2B)注1:上面2B的信息中,高字节在前注2:功能码为03表中红色部分为本机型有效数据,黑色部分为本机型无效数据,程序中将无效数据添零。
ModBus/RTU 地址表一(参数寄存器)(3入1出/电力专用)说明一BIT0 Alarm Temperature 温度报警0 = No Alarm Active, 1 = Alarm Active BIT1 Alarm Input Bad 主输入消失报警0 = No Alarm Active, 1 = Alarm Active BIT2 Alarm Output Bad 输出消失报警0 = No Alarm Active, 1 = Alarm Active BIT3 Alarm Overload 过载报警0 = No Alarm Active, 1 = Alarm Active BIT4 Alarm Bypass Bad 旁路消失报警0 = No Alarm Active, 1 = Alarm ActiveBIT5 Alarm Output Off 输出关闭报警0 = No Alarm Active, 1 = Alarm Active BIT6 Alarm UPS Shutdown UPS紧急停机报警0 = No Alarm Active, 1 = Alarm Active BIT7 Alarm Charger Failure 充电器故障报警0 = No Alarm Active, 1 = Alarm Active BIT8 Alarm System Off系统关闭报警0 = No Alarm Active, 1 = Alarm Active BIT9 Alarm Fan Failure 风扇故障报警0 = No Alarm Active, 1 = Alarm Active BIT10 Alarm Fuse Failure 保险故障报警0 = No Alarm Active, 1 = Alarm Active BIT11 Alarm General Fault 综合故障报警0 = No Alarm Active, 1 = Alarm ActiveBIT12 Alarm Awaiting Power 等待电源0 = No Alarm Active, 1 = Alarm ActiveBIT13 Alarm Shutdown Pending 准备关机报警0 = No Alarm Active, 1 = Alarm ActiveBIT14 Alarm Shutdown Imminent即将关机报警0 = No Alarm Active, 1 = Alarm Active。
UPS系统后台通信协议协议版本:V1.00目录1. 概述 (3)2. 物理接口 (3)2.1串行通信口 (3)2.2信息传输方式 (3)2.3数据传输速率 (3)2.4通信方式 (3)3. 信息类型及协议基本格式 (3)3.1信息类型 (3)3.2协议基本格式 (3)3.3数据格式 (4)3.3.1 基本数据格式 (4)3.3.2 LENGTH数据格式 (5)3.3.3 CHKSUM数据格式 (5)3.3.4 INFO数据格式 (5)4. 编码表 (6)4.1编码分配及分类 (6)5. 后台通信协议 (7)5.1说明 (7)5.2获取系统模拟量量化数据 (7)5.2.1 获取系统模拟量量化数据(标准帧) (7)5.2.2 获取系统模拟量量化数据(扩展帧1) (8)5.2.3 获取系统模拟量量化数据(扩展帧2) (9)5.2.4 获取分路模拟量量化数据(扩展帧3) (9)5.2.5 获取系统模拟量量化数据(扩展帧4) (10)5.3获取开关量状态 (11)5.4获取告警量状态 (11)5.4.1 获取母线告警量状态 (11)5.4.2 获取分路告警量状态 (13)5.5获取协议版本号 (15)5.6获取设备厂家信息 (15)5.7获取设备地址 (16)5.8获取自定义历史报警/提示记录1 (16)5.9获取自定义寄存器数据(调试指令,未列入常规协议) (20)5.10设置自定义寄存器数据(调试指令,未列入常规协议) (20)1.概述本文规定了我公司UPS产品与后台监控软件的通讯协议。
本文以电总协议(YD/T 1363 -2005)为基本依据,并增加若干自定义的命令幀和数据,来完成后台对UPS监控的通讯要求。
2.物理接口2.1串行通信口采用RS232/RS485。
2.2信息传输方式为异步方式,起始位1位,数据位8位,停止位1位,无校验。
2.3数据传输速率9600bps2.4通信方式在局站内的监控系统为分布结构。
MR系列UPS通信协议vi.ii1. 通信软、硬件设置,连接方式。
2. 命令格式3. 指令详解通信软、硬件设置,连接方式MR系列UPS提供三种通信接口:RS232、RS485、TCP/IP。
RS232模式,采用标准DB9通信接口。
通信波特率9600,数据位8,停止位1,无校验。
通信线缆长度不得超过13M。
各引脚定义如下:RS485模式,采用标准5.0卡线接口。
通信波特率9600,数据位8,停止位1,无校验。
通信线缆长度不得超过300M。
TCP/IP模式,采用标准RJ45接口,可通过直通网线直接接入局域网,或通过交叉网线直接接入计算机的RJ45接口。
命令格式1.帧头:共占用四个字节。
其中“长度A”、“长度B”各占一个字节,并互为校验(两个字节的值应相等),其值表示“地址”、“命令”、“命令参数”所占字节总数。
两个“ 0xEA ”为固定十六进制数。
2. 地址:共占用一个字节。
该字节用8位标识监控系统中唯一设备地址编号。
其值范围:1〜200。
3. 命令:共占用一个字节。
该字节包含两部分内容a) “数据传输方向”:下询帧时,数据传输方向位置“ 1”;上询指令时,数据方向位置“ 0”。
b) “指令代码”:以7位数值,标识系统唯一指令代码,指令代码表如下,详细内容参见“指令详解”。
4. 命令参数:命令参数的所有字节均以十六进制数表示,其长度范围:0〜253。
下询帧中,为指令代码辅助信息;上询帧中,为回复数据内容。
详细内容参见“指令详解”。
5. 校验:共占用一个字节,其值为“地址”、“命令”、“命令参数”所有字节累加和的低八位。
6. 帧尾:共占用一个字节,其值为固定十六进制数0x16。
指令详解1、查询系统数据1:0x01。
1)下询帧中命令参数部分长度为0 byte。
2)上询帧命令参数部分长度为51 byte,其内容、格式详见下表:a)特殊声明1当电池电流值为正值时,表示电池充电电流,其数值的个位为实际电流的十分位;当电池电流为负值时,表示电池放电电流,其数值的个位为实际电流的个位。
UPS中文通讯协议通信协议版本号: 3.0校对: Tony Lin准备:日期: Nov. 12, 1999文件:RICHPROT.DOC日期:V3.0 : August 30 ,2000通信协议内容A. 概述:本文档是专门阐述关于高智能型UPS的RS232C接口通信的。
协议中提供了以下内容:1、监视充电器状态;2、监视电池状态和环境;3、监视市电状态;4. 为计算机电源管理提供了定时开关电力供应的功能。
计算机能够通过一个以回车符结束的查询指令掌握信息的交流。
UPS则会返回以回车符结束的相应信息或者执行有关动作。
B. 硬件规范波特率............... :2400 bps数据长度.......... :8 bits停止位.....................:1 bit奇偶校验.................:无通信电缆引脚:计算机UPS===================================RX (pin 3) <---------- TX (pin 3)TX (pin 2) ----------> RX (pin 2)GND (pin 5) <---------- GND (pin 5)(9 针母头连接座)C、通信协议1、状态查询:计算机指令:Q1UPS返回值: UPS 状态数据流,例如(MMM.M NNN.N PPP.P QQQ RR.R S.SS TT.T b7b6b5b4b3b2b1b0UPS 状态数据流:为了区分各种不同参量的数据,在每段数值之间都有一个空格符。
以下是每段数值的具体含义:a. 启始字节:(b. 输入电压值:MMM.MM是0~9的整数。
单位是伏特。
c. I/P fault voltage : NNN.NN is and integer number ranging from 0 to 9.The unit is Volt.** For OFF LINE UPS**Its purpose is to identify a short duration voltage glitchwhich cause OFF line UPS to go to Invter mode. If this occurs input voltage will appear normal at query prior to glitch and will still appear normal at next query.The I/P fault voltage will hold glitch voltage till nextquery. After query, the I/P fault voltage will be same as I/Pvoltage until next glitch occurs.** For ON LINE UPS**Its purpose is to identify a short duration utility failwhich cause ON line UPS to go to battery mode. If this occurs input voltage will appear normal at query prior to fail andwill still appear normal at next query.The I/P fault voltage will hold utility fail voltage tillnext query. After query, the I/P voltage will be same as I/P voltage until next utility fail occurs.d. 输出电压值:PPP.PP是0~9的整数。
BAYKEE GROUPUPS COMMUNICATION PROTOCOLVERSION :CHECKED BY :PREPARED BY :DATE :FILE :DATE :BAUD RATE : 2400 bpsDATA LENGTH: 8 bitsSTOP BIT: 1 bitPARITY: NONE本协议支持七条指令:G1,G2,G3、Q、Q1、G1AB、G2AB、G3AB、Q1AB、S<n>、S<n>R<m>和C。
其中G1AB,G2AB,G3AB和Q1AB是带有地址码的命令。
所有的指令和返回数据都由ASCII字符组成,每天指令和返回数据都由回车键<cr>作为结束字符。
1.三相数据查询指令Computer: G1<cr>UPS: !SSS PPP NNNN RRR.R +TT.T FF.F EE.E QQ.Q<cr>每一段字符之间都用一个空格隔开,各段字符定义如下:a.开头字符:!b.电池电压:SSSSSS取值:000-999。
单位:伏c.电池容量百分比:PPPPPP取值:000-999。
单位:%d.电池维持时间:NNNN (保留,现有的机器没有此功能,接收发送全为0)NNNN取值:0000-9999。
单位:分钟e.电池充电电流:RRR.RR取值:0-9。
单位:安培f.温度:+TT.TT取值:0-9。
单位:滠氏度g.输入频率:FF.FF取值:0-9。
单位:Hzh.旁路频率:EE.EE取值:0-9。
单位:Hzi.输出频率:QQ.QQ取值:0-9。
单位:Hzj.停止字符:<cr>示例:Computer:G1<cr>UPS :!240 094 0000 025.0 +35.0 50.0 50.0 50.0<cr>意义如下:电池电压为240V电池容量为94%电池维持时间为0000分钟电池充电电流为25安培温度为35.0滠氏度输入频率为50.0Hz旁路频率为50.0Hz输出频率为50.0Hz2.三相数据查询指令Computer: G2<cr>UPS: !a7a6a5a4a3a2a1a0 b7b6b5b4b3b2b1b0 c7c6c5c4c3c2c1c0<cr>每一段字符之间都用一个空格隔开,各段字符定义如下:a.开头字符:!b.整流和DC的状态:<U><U>是二进制信息<a7s6a5a4a3a2a1a0>中的一位。
通信协议版本号: 3.0校对: Tony Lin准备:日期: Nov. 12, 1999文件:RICHPROT.DOC日期:V3.0 : August 30 ,2000通信协议内容A. 概述:本文档是专门阐述关于高智能型UPS的RS232C接口通信的。
协议中提供了以下内容:1、监视充电器状态;2、监视电池状态和环境;3、监视市电状态;4. 为计算机电源管理提供了定时开关电力供应的功能。
计算机能够通过一个以回车符<cr>结束的查询指令掌握信息的交流。
UPS则会返回以回车符<cr>结束的相应信息或者执行有关动作。
B. 硬件规范波特率............... :2400 bps数据长度.......... :8 bits停止位.....................:1 bit奇偶校验.................:无通信电缆引脚:计算机UPS===================================RX (pin 3) <---------- TX (pin 3)TX (pin 2) ----------> RX (pin 2)GND (pin 5) <---------- GND (pin 5)(9 针母头连接座)C、通信协议1、状态查询:计算机指令:Q1<cr>UPS返回值: UPS 状态数据流,例如(MMM.M NNN.N PPP.P QQQ RR.R S.SS TT.T b7b6b5b4b3b2b1b0UPS 状态数据流:为了区分各种不同参量的数据,在每段数值之间都有一个空格符。
以下是每段数值的具体含义:a. 启始字节:(b. 输入电压值:MMM.MM是0~9的整数。
单位是伏特。
c. I/P fault voltage : NNN.NN is and integer number ranging from 0 to 9.The unit is Volt.** For OFF LINE UPS**Its purpose is to identify a short duration voltage glitchwhich cause OFF line UPS to go to Invter mode. If this occursinput voltage will appear normal at query prior to glitch andwill still appear normal at next query.The I/P fault voltage will hold glitch voltage till nextquery. After query, the I/P fault voltage will be same as I/Pvoltage until next glitch occurs.** For ON LINE UPS**Its purpose is to identify a short duration utility failwhich cause ON line UPS to go to battery mode. If this occursinput voltage will appear normal at query prior to fail andwill still appear normal at next query.The I/P fault voltage will hold utility fail voltage tillnext query. After query, the I/P voltage will be same as I/Pvoltage until next utility fail occurs.d. 输出电压值:PPP.PP是0~9的整数。
单位是伏特。
e. 输出电流值:QQQQQQ是相对于最大电流值的一个百分比,而不是一个绝对的数值。
f. 输入频率:RR.RR是0~9的整数。
单位是赫兹。
g. 电池电压: SS.S or S.SSS是0~9的整数。
对于在线式UPS,使用的是电池单体电压格式S.SS;对于离线式UPS,使用的是电池整体电压格式SS.S;具体使用何种方式由UPS的类型决定。
h. 温度: TT.TT是0~9的整数。
单位是摄氏度。
i. UPS状态:<U><U> 是一个包含二进制信息的字节,例如<b7b6b5b4b3b2b1b0>.这里bn 是一个ASCII码字符‘0’ 或‘1’。
.j. 停止字节:回车符<cr>例子: 计算机指令:Q1<cr>UPS返回值:(208.4 140.0 208.4 034 59.9 2.05 35.0 00110000<cr>含义: 输入电压为208.4V.I/P fault voltage is 140.0V.输出电压为208.4V.输出电流(负载)为34 %.输入频率为59.9 HZ.电池单体电压为2.05V.温度为35.0 摄氏度UPS为在线式, UPS故障,处于旁路状态, 未处于关机状态。
2. 自测10秒钟:计算机指令: T<cr>UPS执行动作: 立即自测10秒钟,然后恢复到正常市电状态如果在自测过程中发生了电池低的情况,UPS马上恢复到正常市电状态3. 自测到电池低为止计算机指令:TL<cr>UPS执行动作:自测到电池低电压状态,然后恢复到正常市电状态4. 自测指定的时间长度计算机指令:T<n><cr>UPS执行动作:自测<n> 分钟a. 如果在自测过程中发生了电池低的情况,UPS马上恢复到正常市电状态b. <n>是一个0~99的整数5. 打开或关闭蜂鸣器计算机指令: Q<cr>UPS执行动作:当市电故障时,UPS会产生蜂鸣报警声来通知管理员。
管理员能够通过这个指令来控制UPS的蜂鸣器。
6. 关机指令:计算机指令:S<n><cr>UPS执行动作:在<n>分钟内关闭UPS的输出。
a. UPS将在<n>分钟内关闭,即使仍有市电输入。
b. 如果在<n>分钟内发生了电池低,UPS将立即关闭。
c. 在UPS关闭之后,UPS的控制员仍然可以监视UPS的状态。
如果市电恢复,UPS将在等待10秒钟之后恢复UPS的输出。
d. <n> 是一个从.2, .3, ..., 01, 02, ..., 一直到10的两位数值。
例如:S.3<cr> --- 在(.3)分钟后关闭UPS。
7. 关闭并重新启动UPS计算机指令:S<n>R<m><cr>UPS执行动作:在<n>分钟后关闭UPS,然后在等待<m>分钟之后重新启动UPS。
a. 关闭的顺序与前一个指令相同。
当超过了<m>分钟之后,市电仍然没有恢复,UPS将等待市电恢复之后才会开启。
b. 如果UPS处于正在关闭状态,使用"C"指令可以让关机的进程取消。
c. 如果UPS处于等待重启的状态钟,使用"C"指令可以让UPS的输出打开,但是UPS必须延迟至少10秒钟方可执行(如果此时市电正常)。
d. <n> 是一个从.2, .3, ..., 01, 02, ..., 一直到10的两位数值。
e. <m>是一个从0001 到9999的四位数值。
8. 取消关机命令:计算机指令:C<cr>UPS执行动作:取消S<n><cr> 和S<n>R<m><cr> 指令的执行a. 如果UPS处于正在关闭状态,关机将被取消。
b. 如果UPS处于等待重启的状态中,将使UPS的输出打开,但是UPS必须延迟至少10秒钟方可执行(如果此时市电正常)。
9. 取消测试指令计算机指令:CT<cr>UPS执行动作:立即取消所有正在执行的自测,并恢复到正常状态10. UPS信息命令计算机指令:I<cr>UPS返回值:#Company_Name UPS_Model Version<cr>此功能将会让UPS返回关于UPS的生产厂家,机型模式和产品版本的信息。
每段内容的长度要求如下:厂商名称(Company_Name): 15 个字符,不足15个字符用空格加满UPS机型(UPS_Model):10 个字符,不足10个字符用空格加满产品版本(Version):10 个字符,不足10个字符用空格加满每段内容之间用空格分开。
11. UPS额定信息:计算机指令:F<cr>UPS返回值:#MMM.M QQQ SS.SS RR.R<cr>此功能将会让UPS返回UPS的额定信息。
在每段内容之间用空格分开。
UPS的回复内容中包含以下内容:a. 额定电压:MMM.Mb. 额定电流:QQQc. 额定电池电压:SS.SS or SSS.Sd. 频率:RR.RD. 命令摘要:E. 无效命令或信息的处理如果UPS收到任何不能处理的指令,UPS会将收到的无效指令回显给计算机。
计算机将检查发送的命令是否被回显了。
如果需UPS的返回的信息中有任何内容是无效的或UPS不支持的,UPS将用‘@’来填充该内容。