基坑支护、地基加固工程施工说明书及附图(施工工艺及质量保证措施和有关试验要求-施工进度工期计划等) - 副
- 格式:docx
- 大小:17.20 KB
- 文档页数:3
基坑围护及地基加固施工方案(开挖支护钢支撑)目录第一章工程概况 (1)第二章编制依据 (2)第三章施工工期计划及进度 (2)第四章项目质量目标及组织结构 (3)第五章测量放样 (4)第六章主要分部分项工程施工方案 (5)6.1、SMW工法施工 (5)6.2坑底加固水泥搅拌桩施工 (13)6.3 钻孔灌注桩施工方案 (15)6.4钢支撑安装施工 (21)6.5.轻型井点降水施工方案 (23)6.6土方开挖施工方案 (26)6.7基础围护监测及管线保护: (29)第七章安全生产、文明施工 (30)一、安全生产 (30)二、文明施工 (37)第八章施工应急预案 (39)第九章施工、质量、安全保证体系 (46)第一章工程概况(一)总体概况(二)围护工程设计概况1、本工程围护体系采用上部 2.65m深度范围内大面积卸载,卸载宽度为2.15~6.50m,边坡坡度为1:1。
2.65m以下采用SMW工法(SMW工法采用Φ650@900三轴水泥土搅拌桩,水泥掺量为20%,水灰比为1.5,水泥采用普硅酸42.5,水泥土搅拌桩28天无侧限抗压强度为fcu>1.0MPa,型钢采用H500×200×10×16型钢),然后再施工钢管支撑(钢管支撑采用Ф609*12钢管),坑内暗墩采用Φ700@500双轴水泥土搅拌桩,水泥掺入比为8%,水灰比为0.45~0.5,水泥采用32.5级普硅酸盐水泥。
2、为加强围护整体的连续性,在基坑四周灌注桩顶部设置钢砼冠梁,使整个桩连成整体。
3、支撑钢格构立柱采用L125*12的角铁与400*200*10的铁板相焊连接成格构柱,为460*460,钢格构立柱的底座为Ф800钻孔灌注。
4、因XX地区的地下水位较高,故基础施工时基坑内采用轻型井点降水,根据基坑面积,为5套,预抽15天左右后挖土,预抽时间的长短,应以检查观察井是否达到施工技术要求为准,如不能满足施工要求,应延长预抽的天数,为今后基础施工创造良好条件。
基坑围护及地基加固施工方案(开挖支护钢支撑)在城市建设过程中,基坑支护和地基加固是非常重要的工程环节。
基坑支护与地基加固施工方案的设计与施工质量直接关系到工程的安全性和稳定性。
本文将针对基坑围护及地基加固的施工方案,详细探讨开挖支护和钢支撑两种主要的施工方案。
1. 开挖支护1.1 施工原理开挖支护是基坑围护中常用的一种方法,通过设置临时支撑结构来保证基坑工程的开挖和周围建筑物的安全。
1.2 施工步骤1.测量布设:根据设计要求,在工地上测量确定基坑的位置和尺寸,并布设支撑结构的位置。
2.支护结构施工:利用混凝土或钢材搭建支撑结构,确保其稳固可靠。
3.开挖处理:根据设计深度逐步开挖基坑,同时进行支撑结构的调整和加固。
4.监测保护:持续监测基坑周围地表沉降情况,及时调整支撑结构,保证工程安全。
1.3 施工注意事项•在支护结构设置过程中,要根据实际情况进行合理设计,避免出现结构松动或倾斜的情况。
•开挖过程中要防止周围建筑物的裂缝产生,及时采取补强措施。
2. 钢支撑2.1 施工原理钢支撑是一种采用钢制构件构成的基坑支护方式,具有强度高、刚度大等优点,适用于较深或较大面积的基坑。
2.2 施工步骤1.预制构件:制作钢支撑所需的各种构件,确保构件质量达标。
2.立柱支撑:根据设计要求,在基坑四周设置钢制立柱支撑,形成支撑网格。
3.加固连接:通过横梁、斜撑等构件将立柱连接起来,形成整体支撑结构。
4.动态监测:施工过程中进行动态监测,及时调整支撑结构,确保基坑稳定。
2.3 施工注意事项•钢支撑的构件质量要严格把控,确保连接牢固、稳定。
•施工现场要定期检查支撑结构的状况,发现问题及时处理,避免事故发生。
结论综上所述,基坑围护及地基加固是市政建设中的一项重要工程,其施工方案的选择和实施直接关系到工程的安全性和稳定性。
在实际工程中,根据具体情况选择合适的开挖支护或钢支撑施工方案,并严格按照施工步骤和注意事项进行操作,是确保工程顺利进行的关键。
基坑围护及地基加固施工方案(开挖支护钢支撑)目录第一章工程概况 1第二章编制依据 2第三章施工工期计划及进度 2第四章项目质量目标及组织结构 3第五章测量放样 4第六章主要分部分项工程施工方案 56.1、SMW 工法施工 56.2 坑底加固水泥搅拌桩施工136.3 钻孔灌注桩施工方案 156.4 钢支撑安装施工216.5.轻型井点降水施工方案236.6 土方开挖施工方案266.7 基础围护监测及管线保护:29第七章安全生产、文明施工 30一、安全生产30二、文明施工37第八章施工应急预案 39第九章施工、质量、安全保证体系 46第一章工程概况(一)总体概况(二)围护工程设计概况1、本工程围护体系采用上部 2.65m深度范围内大面积卸载,卸载宽度为2.15~6.50m,边坡坡度为1:1。
2.65m以下采用SMW工法(SMW工法采用①650@900三轴水泥土搅拌桩,水泥掺量为20%,水灰比为1.5,水泥采用普硅酸42.5水泥土搅拌桩28天无侧限抗压强度为 fcu> I.OMPa, 型钢采用H500 X 200X 10X 16型钢),然后再施工钢管支撑(钢管支撑采用①609*12钢管),坑内暗墩采用①700@500双轴水泥土搅拌桩,水泥掺入比为 8%,水灰比为0.45- 0.5水泥采用 32.5级普硅酸盐水泥。
2、为加强围护整体的连续性,在基坑四周灌注桩顶部设置钢砼冠梁,使整个桩连成整体。
3、支撑钢格构立柱采用 L125*12 的角铁与 400*200*10的铁板相焊连接成格构柱, 为 460*460, 钢格构立柱的底座为①800钻孔灌注。
4、因 XX 地区的地下水位较高,故基础施工时基坑内采用轻型井点降水,根据基坑面积, 为 5 套,预抽15 天左右后挖土,预抽时间的长短,应以检查观察井是否达到施工技术要求为准,如不能满足施工要求,应延长预抽的天数,为今后基础施工创造良好条件。
(三)气候条件:根据 XX 市的气候条件, 并有雨天气出现。
基坑支护、地基加固工程施工说明书及附图(施工工艺及质量保证措施和有关试验要求,施工进度工期计划等)方案一、本工程基坑土方开挖应采用不破坏地基土质状况的施工方法。
即采用中小型挖掘机配合人工操作,如果扰动了地质原结构的状态,使土质变软、变松或流动,不宜作基础时,这部分软弱土应予清除,回填符合技术要求的材料。
基坑土方工程完成后,必须进行验槽,验收合格并征得项目监理同意,方可进行基础施工。
1、基坑开挖:本项目基坑边坡为临时使用,根据设计,挖方边坡坡度为1:1。
2、支撑和防护:开挖中,应随时注意支护,防止滑坡、塌方伤人,支撑物采用钢模加钢架杆的形式,需等到永久回填后方可拆除。
如果项目监理认为需要,可继续保留。
挖掘时,必须提供足够的保护性屏障及适当的警示标和旗帜。
3、地基加固:清除地表填土、基底上的树墩、主根及坑穴中的积水、淤泥和杂物等。
当基底为耕植土或松土时,应将基底充分夯实或碾压密实;根据本标段实际,压实机械选用蛙式打夯机;当基底有淤泥时,应根据不同情况采用排水疏干,挖除淤泥或抛填块石、砂、砾、矿渣等方法进行处理;当基底遇有地下水或滞水时,必须设置排水措施,以保证正常施工。
地基加固每层铺土厚度和压实遍数视土的性质、设计要求的压实系数和使用的压(夯)实机具性能而定,一般应进行现场碾(夯)压试验确定,图5—1为压实机械和工具每层铺土厚度和所需的碾压(夯)遍数的参考数。
填土每层的铺土厚度和压实遍数图5—14、施工进度计划2015年10月20日至2015年12月19日前完成基坑支护、地基加固工程施工,总工期60天(日历天数)。
5、质量保证措施建立质量控制与管理体系,设置各级质量管理机构,配备专业管理与工作人员和专业设备及器材,积极配合和协助监理及业主对本标基坑支护、地基加固工程的质量控制和监督。
对参加本标基坑支护、地基加固工程施工的所有人员进行强化质量意识的教育,将质量控制与管理贯彻到每个班组及每个工作面。
认真学习和理解技术规范、设计图纸和文件,充分领会设计意图,严格按照设计图纸和规范施工。
基坑支护施工方案及施工工艺一、前言基坑支护是建筑工程中常见的重要环节,对于保障施工安全和提高工效至关重要。
本文将针对基坑支护的施工方案及工艺进行详细论述,确保施工过程的顺利进行。
二、基坑支护施工方案1. 基坑支护设计理念基坑支护设计应遵循"安全、经济、合理、可行"的原则。
通过对现场地质情况、基坑深度和周边环境等因素的综合分析,确定最合适的支护方式。
2. 支护结构选择常见的基坑支护结构包括桩土挡墙、梁板支护、防护网及喷护混凝土等。
根据基坑的深度、土壤条件和施工工期等因素,选择合适的支护结构。
3. 支护材料选择支护材料的选用要考虑其强度、耐久性和适应性。
一般常用的材料有钢筋、混凝土、木材、钢板等。
根据设计要求和施工条件,选择合适的支护材料。
4. 施工过程控制基坑支护施工过程中,应加强现场管理,确保施工过程的安全和质量。
包括施工人员的技术培训、设备的检修和检测、施工过程的监控等方面。
5. 环境保护在基坑支护施工过程中,应加强环境保护意识,合理排放废弃物,减少对周边环境的污染。
施工完成后,应及时清理施工现场,恢复原状。
三、基坑支护施工工艺1. 施工准备工作施工前需进行勘察、设计和规划,确保施工的顺利进行。
确定施工范围、施工时间和施工方法等。
2. 地面开挖根据设计要求,进行地面开挖工作。
采取合适的开挖方式和工具,保证开挖的平整度和坡度。
3. 基坑支护安装安装基坑支护结构,包括桩土挡墙、梁板支护、防护网及喷护混凝土等。
按照设计要求和施工工艺进行安装,确保支护结构的牢固性和稳定性。
4. 施工过程控制在施工过程中,严格按照施工方案和工艺要求进行控制。
包括施工人员的技术培训、设备的维护和检测、材料的选择和使用等方面。
5. 现场管理和安全措施在施工现场加强管理,确保施工过程的安全和质量。
设置必要的安全警示标志,采取有效的安全措施,避免事故的发生。
四、总结基坑支护施工方案及施工工艺是保障施工安全和质量的重要环节。
1 基坑支护方案或方法及质量保证措施1.1工程简介天津市建设路达文里配套公寓地下连续墙工程位于天津市和平区烟台道与建设路交口,现场北侧为保定道,南侧烟台道,东侧为规划路,距东侧8~10米有二栋正在兴建的建筑。
施工条件较为复杂。
地下连续墙设计墙厚1000mm,槽深约34米,工程量约12000 m3,地下连续墙的接头形式采用锁口管接头。
1.2工程地质概况及场地条件一、地质结构及地质特征工程地质未提供,据以往施工经验,在施工深度范围内依次为素填土、粉土、粉质粘土、粉质粘土局部夹中砂。
其地质特征为:上层杂填土较为松散,施工前须压实;其下均为第四系粘性土,地质状况较好。
二、水文地质条件场区内地下水类型为第四系孔隙潜水,潜水地下位埋藏较浅,水位埋深约为2.0—3.1m,地下水对普通混凝土结构及钢筋砼结构中的钢筋不具腐蚀性。
1.3地下连续墙施工工艺一、设计技术要求1、该地连续墙设计墙厚1000mm,槽深34m;2、地下连续墙体砼设计为:C35,抗渗等级为:S8;二、施工设备选择由于本工程要求施工速度快,成槽质量高,故我公司选用意大利SOILMEC 公司制造的BH—12全液压抓斗进行成槽施工。
SOILMEC公司制造的BH—12全液压抓斗自备柴油机动力,步履式行走,其三级钢性导杆控制成孔时的垂直导向,确保开槽精度。
其抓斗部分可进行180度旋转,施工中通过变换抓斗方向有效地克服土体在斗齿抓取时的不均衡受力。
同时该设备采用抓斗原状取土,对槽壁扰动小,槽底淤积少,可有效保证槽壁的稳定,确保墙体的质量。
工程实践证明,BH系列液压抓斗具有能保证成槽质量和施工效率高的优良特点。
三、施工工艺流程及技术方法工程施工过程将严格遵循《地下防水工程技术规范》(GB50108—2001)《建筑地基基础工程施工质量验收规范》(GB50202—2002),并按设计要求组织施工。
施工工艺如附图1所示。
施工准备→成槽机械选型→场地三通一平→设置泥浆池、循环槽、排渣池→测量放线→导墙施工→地下连续墙成槽→清槽→钢筋笼制作→预埋件、配件的定位、检验→钢筋笼吊放→验证孔深→清孔排渣、下砼导管→灌注混凝土→留置试块→移机→验收(一)泥浆制备及使用工程选用优质膨润土制备泥浆。
基坑围护及地基加固施工方案基坑围护及地基加固施工方案是指在建筑施工中,为保证基坑周边的稳定和安全,采取一系列措施进行围护,并对地基进行加固的施工方案。
以下是一份基坑围护及地基加固施工方案,其中包括基坑围护的设计及施工方法、地基加固的设计及施工方法和施工计划。
一、基坑围护的设计及施工方法:1.基坑围护的设计方法:基坑的围护设计应满足以下条件:(1)保证基坑周边的稳定;(2)预防土体塌方和地下水涌入;(3)满足施工机具的作业要求;(4)便于之后的基坑与土建工程的连接。
2.基坑围护的施工方法:(1)先进行基坑边缘的清理和挡土墙支撑结构的施工;(2)使用钢板柱和水泥土桩作为整体支撑结构;(3)使用钢板桩和桩筏墙作为部分支撑结构;(4)根据基坑的深度和土层情况,选择适合的土体加强材料。
二、地基加固的设计及施工方法:1.地基加固的设计方法:地基加固设计应满足以下要求:(1)提高地基的承载力和稳定性;(2)改善地基的变形性能;(3)减少地基下沉和沉降速率;(4)降低地基沉降引起的结构变形和开裂。
2.地基加固的施工方法:(1)采用人工挖掘或机械挖掘的方式清理基坑内的杂物;(2)如果地基土层较软,则采用灰土胶结加固;(3)如果地基土层较硬,则采用钻孔灌浆和喷射灌浆的方式加固;(4)根据地基的特点,选择合适的地基加固材料进行施工。
三、施工计划:(1)前期准备工作:包括方案设计、相关设计文件审批、材料采购等;(2)基坑围护施工:包括清理基坑边缘、挡土墙支撑等;(3)地基加固施工:根据地基的实际情况进行加固;(4)后续工作:包括施工验收、施工记录整理和方案总结等。
以上是一份基坑围护及地基加固施工方案的概述,具体的施工细节和方法需要根据实际情况和工程要求进行详细设计。
在施工过程中,要注意安全,合理安排施工进度,确保施工质量和进度的同时,最大限度地减少对环境的影响。
同时,应进行及时的监测和调整,以保证施工的安全性和有效性。
土方工程施工规范要求土方工程施工说明书及附图(施工工艺及质量保证举措和有关试验要求,施工进度工期计划等)方案一本工程项目土方工程内容包含:土方开挖、夯填土方、回填土方、10%水泥土垫层等。
工程施工特色:砂砾土方工程量较大,管线较长,需合理安排、精心施工,保证工程进度、施工质量和施工安全。
1、施工程序本标段土方整体施工程序是先管道基础开挖,待管道安装后再进行夯填土方、回填土方、其次镇墩基础开挖、10%水泥土垫层夯填,待镇墩砼浇筑达成并查收合格后再进行土方回填。
开挖采纳小型反铲发掘机、人工配合修整断面,填筑压实采纳蛙式打夯机。
回填采纳推土机,人工修整时应采纳横断面模具挂双线,水平仪配合,力争开挖尺寸精确,开挖出的料渣堆放在现场监理工程师指定的地区。
施工程序见图 4-1。
场所清理丈量放线开挖、修整夯实基础土方回填土方阶段查收进入下一作业循图 4-1土方工程施工程序图2、丈量放线丈量放线是本项目施工的一个重点环节,丈量前要对图纸上的高程、尺寸进行校正,并编制测放计划报监理工程师审批。
丈量工作严格恪守《水利水电工程施工丈量规范》(SDJ89-93)及有关规定,为保证丈量质量及迅速达成此项工作,施工前的复测利用全站仪和红外线测距仪配合进行,丈量成就经监理工程师审查后,作为土方工程施工的依照。
3、施工进度计划2015 年 10 月 1 日至 2015年 11月 15 日,土方工程施工总工期45 天(日历天数),顶峰施工强度 3.4 万 m3/月。
4、施工方法⑴施工技术文件编制和报批土方明挖、填筑施工前,按施工图纸和技术条款的规定,提交施工举措计划,报送监理工程师审批。
施工举措主要包含以下内容:开挖、填筑放样剖面资料、开挖、填筑施工平面和剖面部署图、施工设备配置和劳动力安排、边坡保护及加固举措、质量与安全保证举措、排水举措、施工进度计划等主要内容。
⑵施工方法①场所清理采纳柳州 D50 装载机辅以人工清理工程地区内陆表杂草、垃圾、废渣及监理工程师指明的其他有碍物。
一、工程概况本工程为某市某住宅小区基坑地基加固工程,工程位于市区繁华地段,占地面积约10000平方米,基坑深度约为5米。
地基主要为软土地基,地下水位较高,为确保基坑施工安全及后续建筑物的稳定性,需对地基进行加固处理。
二、施工目标1. 确保基坑施工安全,防止地基失稳、沉降、滑坡等事故发生。
2. 提高地基承载能力,满足建筑物荷载要求。
3. 降低地下水位,为基坑施工创造有利条件。
4. 优化施工工艺,提高施工效率,确保工程质量。
三、施工工艺1. 地基处理(1)采用旋喷桩加固地基,桩径为500mm,桩间距为1000mm,形成网格状加固体。
(2)施工前,对地基进行平整、清除杂物,确保施工面整洁。
2. 地下水位控制(1)采用井点降水法降低地下水位,井点间距为3米,井点深度根据实际情况进行调整。
(2)在降水过程中,对地下水位进行实时监测,确保水位降至设计要求。
3. 施工步骤(1)施工前,对施工现场进行勘察,了解地质情况,制定施工方案。
(2)根据施工方案,进行旋喷桩施工,确保桩体质量。
(3)进行井点降水施工,降低地下水位。
(4)监测施工过程中的各项指标,确保施工质量。
四、施工组织与管理1. 施工组织(1)成立施工项目组,明确各成员职责。
(2)制定施工进度计划,确保施工顺利进行。
(3)加强施工过程中的质量控制,确保工程质量。
2. 施工管理(1)严格执行施工方案,确保施工安全。
(2)加强施工过程中的技术指导,提高施工效率。
(3)做好施工过程中的各项记录,为后续工程验收提供依据。
五、施工质量控制1. 旋喷桩施工质量(1)桩体直径、桩间距、桩体强度等应符合设计要求。
(2)桩体垂直度误差控制在规定范围内。
2. 地下水位控制(1)确保地下水位降至设计要求。
(2)监测过程中,发现异常情况及时处理。
六、施工安全措施1. 严格遵守施工现场安全规定,确保施工安全。
2. 加强施工过程中的安全教育,提高施工人员安全意识。
3. 定期对施工现场进行安全检查,发现问题及时整改。
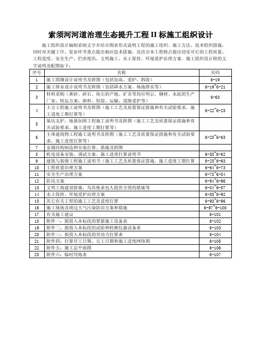
索须河河道治理生态提升工程II标施工组织设计施工组织设计编制采纳文字并结合图表形式说明工程的施工组织、施工方法、技术组织措施,同时对关键工序、复杂环节重点提出相应技术措施,还结合本工程特点提出切实可行的工程质量、工程进度、安全生产、拦洪度汛、文明施工、水土保持、环境爱护治理方案。
施工组织设计附的文第一章工程说明1.1总体简介1.2工程概况郑州市索须河花王桥~中州大道生态提升工程位于郑州市惠济区,按照《郑州都市区生态水系全面提升规划》(以下简称《提升规划》)中索须河提升工程规划措施进行。
本工程在满足防洪除涝的同时,利用较好的水源条件,综合利用河岸空间,通过扩大河道水面、堤岸绿化等工程,挖掘水温化内涵,重塑河道形象。
作为郑州市水生态文明示范市建设先行试点,为建成区河道生态环境提升起到借鉴与示范意义。
本次索须河花王桥至中州大道生态提升工程具体范畴为:花王桥(桩号12+140)至中州大道(16+060),全场3.92km的河道。
两岸至现有河道蓝线(宽约200-270m)。
工程要紧内容为:河流形状调整工程、堤防改造工程、拦蓄水建筑物工程、生态修复及设施配套等。
1.3气象、水文(一)气象特点工程区属于温带大陆性气候,冷暖气团交替频繁,春、夏、秋、冬四季分明。
冬季漫长而干冷,雨雪稀少,春季干燥少雨,冷暖多变大风多,夏季比较炎热,降水高度集中,秋季气候凉快,时刻短促,具有明显的大陆性气候特点。
郑州市多年平均气温在14.2~14.6℃,以1月最低,7月最高,具有明显的大陆性气候特点。
极端最高气温为43℃,极端最低气温为零下17.9℃。
多年平均风速为2.8~3.2m/s,最大平均风速为18~22m/s,冬季盛行偏西北风,夏季盛行偏南风,春秋季则交替显现。
年平均降水量为640mm,降水不仅年内分布不均,年际间分布也专门不均衡。
6月~9月间由于强大的季风操纵,高温、高湿雨量集中,降水量290~390mm,占全年总雨量的50~56%;12月~2月间受干冷的大陆性气团操纵,空气干燥,雨雪稀少,降雨量只有20~33mm,占全年降雨量的4~5%;有时秋季会显现连阴雨。
土方工程施工规范要求土方工程施工说明书及附图(施工工艺及质量保证措施和有关试验要求,施工进度工期计划等)方案一本工程项目土方工程内容包括:土方开挖、夯填土方、回填土方、10%水泥土垫层等。
工程施工特点:砂砾土方工程量较大,管线较长,需合理安排、精心施工,确保工程进度、施工质量和施工安全。
1、施工程序本标段土方总体施工程序是先管道基础开挖,待管道安装后再进行夯填土方、回填土方、其次镇墩基础开挖、10%水泥土垫层夯填,待镇墩砼浇筑完成并验收合格后再进行土方回填。
开挖采用小型反铲挖掘机、人工配合修整断面,填筑压实选用蛙式打夯机。
回填采用推土机,人工修整时应采用横断面模具挂双线,水准仪配合,力求开挖尺寸精准,开挖出的料渣堆放在现场监理工程师指定的区域。
施工程序见图 4-1。
场地清理测量放线开挖、修整夯实基础土方回填土方阶段验收进入下一作业循图 4-1土方工程施工程序图2、测量放线测量放线是本项目施工的一个关键环节,测量前要对图纸上的高程、尺寸进行校对,并编制测放计划报监理工程师审批。
测量工作严格遵守《水利水电工程施工测量规范》(SDJ89-93)及有关规定,为保证测量质量及快速完成此项工作,施工前的复测利用全站仪和红外线测距仪配合进行,测量成果经监理工程师审核后,作为土方工程施工的依据。
3、施工进度计划2015 年 10 月 1 日至 2015年 11月 15 日,土方工程施工总工期45 天(日历天数),高峰施工强度 3.4 万 m3/月。
4、施工方法⑴施工技术文件编制和报批土方明挖、填筑施工前,按施工图纸和技术条款的规定,提交施工措施计划,报送监理工程师审批。
施工措施主要包括以下内容:开挖、填筑放样剖面资料、开挖、填筑施工平面和剖面布置图、施工设备配置和劳动力安排、边坡保护及加固措施、质量与安全保证措施、排水措施、施工进度计划等主要内容。
⑵施工方法①场地清理采用柳州 D50 装载机辅以人工清理工程区域内地表杂草、垃圾、废渣及监理工程师指明的其它有碍物。
基础加固支护工程施工方案1. 引言基础加固支护工程是在原有基础上进行加固和支护,以提高结构的稳定性和承载能力。
本文档旨在提供基础加固支护工程施工方案,确保施工过程安全、高效、顺利进行。
2. 工程概况•工程名称:基础加固支护工程•工程地点:[地点]•工程范围:[范围]3. 施工准备3.1 人员准备•工程经理:负责统筹、协调和监督整个施工过程。
•工程技术人员:负责施工方案设计、技术支持等。
•施工人员:包括钢筋工、砌筑工、检测工等。
3.2 设备准备•建筑施工设备:包括混凝土搅拌机、起重机、泵车等。
•检测设备:包括测斜仪、沉降仪等。
3.3 材料准备•混凝土材料:按设计要求选用适宜的混凝土材料。
•钢筋:选用符合规定标准的钢筋。
•抗渗剂:选用高性能抗渗剂。
4. 施工步骤4.1 地基处理地基处理是基础加固支护工程的重要环节,包括以下步骤:1.清理地表垃圾和杂物。
2.确保地基垂直度,及时处理不平整的地基,保证施工基准线的准确性。
3.地基处理采取人工或机械方式,如挖掘机、铲车、推土机等。
4.地基修整后进行坍落度测量和均匀性检查,确保地基平整度符合要求。
4.2 基础加固基础加固是施工过程中的关键步骤,主要包括以下内容:1.根据设计方案确定加固方式,如增加钢筋数量、设置加固梁等。
2.进行原有基础清理,清除尘土和杂物。
3.加固钢筋布设,按照设计要求进行钢筋连接、束缚和埋置。
4.混凝土浇筑,确保混凝土浇筑均匀、密实,并采取振捣措施进行浇筑。
5.加固后立即进行养护,包括喷水养护、保温等,确保混凝土强度的发展。
4.3 支护结构施工支护结构是基础加固工程中的重要部分,主要包括以下步骤:1.架设支护梁,保证支护梁的水平度和垂直度。
2.安装支撑杆,调整支撑杆的长度,确保支撑结构的稳定。
3.进行支护墙施工,包括模板的搭设、钢筋的布置和混凝土的浇筑。
4.支护墙浇筑后进行养护,确保混凝土的强度和稳定性。
5. 安全措施在施工过程中,应注意以下安全措施:•施工现场要设置明确的安全警示标志,以提醒施工人员注意安全。
可编辑修改精选全文完整版基坑支护、地基加固工程施工说明书及附图基坑支护施工说明一、支护结构形式支护结构采用支护桩+内支撑形式。
支护桩采用拉森Ⅳ型钢板桩,钢板桩顶高出围堰顶标高30cm,围檩均采用I40b及I45b双拼工字钢每两米加一道加劲肋。
角撑采用钢管,钢材选用Q235b,焊条选用E43型。
各构件均采用焊接,除钢板桩与围檩连接采用点焊配合局部满焊,其余构件均采用满焊。
管道沟槽采用对撑,承台采用四角撑。
二、钢支撑施工方案1、管道基坑支护主要采用φ426×12mm钢管支撑支护,由于基坑深度不同,分为单层钢支撑及双层钢支撑,设置在钢板桩上的围檩上。
单层位置为地面向下1.5m处安装一道钢支撑;双层位置为地面向下1m处及基坑底部向上3m处各安装一道钢支撑。
钢支撑示意图承台基坑内只设置角撑,钢围檩采用I45b双拼工字钢制作而成。
由于钢支撑均为角撑,为防止钢围檩由于侧向受力而产生位移,需在钢围檩上焊接抗剪蹬,将钢围檩与拉森钢板桩卡死。
2、钢围檩安装方法及流程钢围檩采用2I45b组合钢围檩。
钢牛腿三角托架采用L75*10角钢加工焊接制作而成。
每节钢围檩设置不少于3个钢牛腿三角托架,间距4m沿钢围檩中心处等距布置,转角等位置根据现场实际情况增设钢牛腿三角托架。
三角托架与拉森钢板桩焊接牢固,然后在其上安装钢围檩,钢围檩与拉森钢板桩之间的缝隙,采用细石混凝土填充密实,保证钢围檩与钢板桩之间贴合密实,能够均匀受力。
牛腿示意图钢腰梁转角示意图钢管支撑与腰梁连接示意图3、钢支撑架设方法及流程钢支撑架设极具时间性和协调性,支撑架设的时间、位置及预加力的大小关系到深基坑稳定的成败。
钢支撑架设随土方开挖一同施工,土方开挖至钢支撑标高下0.5后及时架设钢支撑。
基坑开挖时,钢支撑采用人工配合50T吊车架设及拆除。
由于钢支撑长度较短,所以吊装和拆除钢支撑时,利用1台50T整体起吊钢支撑,将钢支撑从地面吊起后应将两端调整水平后,吊运至架撑处,再向下下放钢支撑到所在位置处,此时可拆除钢丝绳,起吊千斤顶至钢支撑处加力至设计要求,并加塞钢楔子塞紧。
基础加固支护工程施工方案一、工程概况本项目为某城市中心区域的一栋高层建筑,建筑高度为100米,地下室三层,基础采用钢筋混凝土框架结构。
由于地理位置特殊,周边环境复杂,邻近有地铁线路、燃气管道等重要设施,因此在施工过程中必须保证周边环境的安全稳定。
根据地质勘察报告,场地地质条件较差,地基承载力不足,需要对基础进行加固支护施工。
二、施工目标1. 确保施工过程中的安全文明施工,保证周边环境不受影响。
2. 提高地基承载力,确保建筑物稳定性和使用寿命。
3. 按照设计和施工方案要求,保证工程质量达到优良标准。
三、施工工艺及步骤1. 施工准备:根据设计图纸和施工方案,准备相关施工材料、设备和人员。
对施工人员进行安全教育和技术培训,确保施工过程中的安全可控。
2. 施工放样:按照设计图纸,进行基础加固支护的放样工作,确保施工精度。
3. 旋喷桩施工:采用旋喷桩机进行旋喷桩施工,旋喷桩直径大于等于0.8米,旋喷桩深度大于等于基础底部以下5米。
旋喷桩施工过程中,要控制好喷射速度、压力和旋转速度,确保旋喷桩的质量。
4. 钢筋网片制作安装:根据设计要求,制作钢筋网片,网格尺寸为200mm×200mm。
钢筋网片制作完成后,进行安装,确保钢筋网片与旋喷桩紧密连接。
5. 混凝土浇筑:在旋喷桩和钢筋网片施工完成后,进行混凝土浇筑。
混凝土强度等级不小于C30,浇筑过程中要注意振捣密实,确保混凝土质量。
6. 养护:混凝土浇筑完成后,进行养护,养护时间不少于7天。
养护期间,要注意保持混凝土表面湿润,防止裂缝产生。
7. 质量检测:施工过程中,要定期对旋喷桩、钢筋网片和混凝土质量进行检测,确保施工质量符合设计要求。
四、施工组织与管理1. 施工组织:本工程采用项目经理负责制,项目经理对工程进行全面管理,项目技术负责人负责技术管理工作,施工员负责现场施工。
2. 人员管理:施工人员必须具备相应的职业技能和经验,熟悉施工工艺和操作规程。
3. 质量管理:严格按照设计和施工方案要求进行施工,确保工程质量。
地下室深基坑开挖支护与地基加固施工方案目录一、编制依据与工程简介1.1编制依据1。
2 工程概况1.3基坑周边环境1。
3 地质情况1.4基坑支护二、施工部署2。
1施工部署指导思想2.2基坑支护区域的划分2。
3施工步骤2。
4项目组织管理架构2。
5施工人员、材料、机械投入2.6施工进度计划三、管理目标3.1项目质量目标3。
2工期目标3.3安全生产、文明施工目标管理四、施工平面布置4.1施工平面布置原则4.2临时设施4。
3临时用水用电4.4施工排水4。
5井点降水4。
6基坑护栏五、施工流程六、主要施工工艺6.1土方开挖工程6。
2 水泥搅拌桩6。
3水泥单管旋喷桩6。
4钢格构柱施工6.4。
1施工工艺流程6.4.2 立桩施工工艺及保证措施6.4。
3格构柱施工6.4.4混凝土浇筑6。
5。
1钢筋混凝土梁支撑梁施工方案6.5.2支撑梁拆除七、基坑监测7。
1监测依据7.2监测说明7.3监测准备工作7。
4基坑监测方法7.5基坑监测与控制7。
6基坑的预警抢险与加固及注意事项八、质量管理目标和保证措施8.1质量管理目标8。
2质量保证措施九、安全文明施工9。
1 安全组织机构9.2 安全保证措施十、应急预案10。
1 应急组织机构及联络电话10。
2项目部应急行动组织机构10。
3事故报告程序10。
4应急小组职责和分工10。
5内、外部报告制度10。
6 坍塌事故预防措施及坍塌事故应急措施10.7连续墙接缝处出现漏水、漏砂情况应急措施10.8触电事故预防措施及触电事故应急措施10.9高处坠落事故预护措施及应急措施10.10机械、物体打击事故的预防及应急措施10.11应急设备的配置十一、季节性(台风、雨季)施工措施十二、附图及进度计划表1、基坑施工总平面图2、基坑土方开挖平面图3、基坑土方开挖剖面图(A—A)4、基坑土方开挖剖面图(B—B)5、内支撑平面布置图6、基坑监测平面布置图一、编制依据与工程简介1.1编制依据本工程相关施工图纸地质勘察报告《建筑地基基础工程施工质量验收规范》GB 50202-2002 《建筑基坑支护技术规程》JGJ 120—99 《基坑土钉支护技术规程》CECS 96 97《锚杆喷射混凝土支护技术规程》GB 50086—2001《喷射混凝土施工技术规程》YBJ226—91 《建筑桩基技术规范》JGJ 94—94《工程测量规范》GB 50026—2007《建设工程施工现场供用电安全规范》GB 50194—93 《建筑施工安全检查标准》JGJ 59-99《建筑机械使用安全技术规范》JGJ 33—2001 《施工现场临时用电安全技术规范》JGJ 46-2005 《钢筋焊接及验收规程》JGJ 18—2003 《XX省建筑工程文明施工评分细则》粤建99—060号文件国家现行规范及XX市相关标准1.2 工程概况工程名称:XXXX酒店建设单位:XXXX酒店有限公司设计单位:XX市设计院监理公司:XX市XX建设监理有限公司施工单位:XXXX建筑股份有限公司勘察单位:XX省XX工程物探技术开发总公司XXXX酒店工程位于XX生物岛环岛A线以北,拟建17层酒店建筑,含两层地下室,局部为别墅区,呈东北走向;基坑开挖边线周长约1220米,基坑开挖面积约39131㎡,其中深基坑部分(双层地下室)面积约26673㎡,单层部分面积约12457㎡,该建筑为框架剪力墙结构,总建筑面积为141793。
可编辑修改精选全文完整版土方工程施工说明书及附图污水沟槽土方开挖施工说明一、土方施工说明基坑开挖时应严格遵守“分层开挖,先撑后挖,严禁超挖"的原则。
为更好地控制基坑开挖过程的围护体变形并确保基坑安全,本基坑工程土方开挖和支撑的施工工序应根据分区、分块、对称、平衡的原则制定,均衡分层的进行,施工应制定有序合理的开挖方案,严禁超挖,同时在施工过程中尽可能缩短围护体无支撑暴露时间。
支护施工前应对支护范围管网进行详细调查,必要时增加物探等措施,确保现状管线安全并预留需接入管线洞口,开挖至现状管线附近应对现状管线进行必要的支撑保护。
若现状管线需保通,则应编制专项施工方案。
一道撑的钢板桩基坑开挖支护顺序为:放线定位一施工拉森钢板桩-开挖至第一道支撑设计标高以下0.5m施工第一道腰梁及支撑-开挖至坑底设计标高以下0.5m(要求挖至原状土层)一施工基坑内管道基础并开始分层回填-基坑回填至第一道支撑位置、拆除第一道支撑、回填完毕拔除钢板桩并灌水泥浆充填。
二道支撑钢板桩基坑开挖支护顺序为:放线定位一施工拉森钢板桩-开挖至第一道支撑设计标高以下0.5m施工第一道腰梁及支撑-开挖至第二道支撑设计标高以下05m施工第二道腰梁及支撑-开控至坑底设计标高(要求挖至原状十层)-施工基坑内管道基础并开始分层回填-基坑回填至第二道支撑位置-拆除第二道支撑-基坑回填至第一道支撑位置-拆除第一道支撑-回填完毕一拔除钢板桩并灌水泥浆充填。
二、沟槽开挖技术措施1、本工程钢板桩基坑采用集水明排抽取坑内积水的方法,以便基坑内土体疏干,从而达到使基坑安全、顺利施工的目的。
施工时注重信息化施工根据监测数据及时进行基坑安全性评估,避免因基坑变形过大而影响到周边环境的安全。
2、水导排基坑外侧地面设置挡水墙,防止地表水流入基坑。
基坑开挖至坑底标高且至原状土层后,在基坑底设集水坑进行导排。
3、施工严格控制地下水位保持坑底干槽作业。
集水坑排水注意滤网选择,排水前应进行试抽水防止大量抽走地基土的粉细粒。
基坑支护、地基加固工程施工说明书及附图(施工工艺及质量保证措施和有关试验要求,施工进度工期计划等)
方案一、
本工程基坑土方开挖应采用不破坏地基土质状况的施工方法。
即采用中小型挖掘机配合人工操作,如果扰动了地质原结构的状态,使土质变软、变松或流动,不宜作基础时,这部分软弱土应予清除,回填符合技术要求的材料。
基坑土方工程完成后,必须进行验槽,验收合格并征得项目监理同意,方可进行基础施工。
1、基坑开挖:本项目基坑边坡为临时使用,根据设计,挖方边坡坡度为1:1。
2、支撑和防护:开挖中,应随时注意支护,防止滑坡、塌方伤人,支撑物采用钢模加钢架杆的形式,需等到永久回填后方可拆除。
如果项目监理认为需要,可继续保留。
挖掘时,必须提供足够的保护性屏障及适当的警示标和旗帜。
3、地基加固:清除地表填土、基底上的树墩、主根及坑穴中的积水、淤泥和杂物等。
当基底为耕植土或松土时,应将基底充分夯实或碾压密实;根据本标段实际,压实机械选用蛙式打夯机;当基底有淤泥时,应根据不同情况采用排水疏干,挖除淤泥或抛填块石、砂、砾、矿渣等方法进行处理;当基底遇有地下水或滞水时,必须设置排水措施,以保证正常施工。
地基加固每层铺土厚度和压实遍数视土的性质、设计要求的压实系数和使用的压(夯)实机具性能而定,一般应进行现场碾(夯)压
试验确定,图5—1为压实机械和工具每层铺土厚度和所需的碾压(夯)遍数的参考数。
填土每层的铺土厚度和压实遍数图5—1
4、施工进度计划
2015年10月20日至2015年12月19日前完成基坑支护、地基加固工程施工,总工期60天(日历天数)。
5、质量保证措施
建立质量控制与管理体系,设置各级质量管理机构,配备专业管理与工作人员和专业设备及器材,积极配合和协助监理及业主对本标基坑支护、地基加固工程的质量控制和监督。
对参加本标基坑支护、地基加固工程施工的所有人员进行强化质量意识的教育,将质量控制与管理贯彻到每个班组及每个工作面。
认真学习和理解技术规范、设计图纸和文件,充分领会设计意图,严格按照设计图纸和规范施工。
加强施工机械设备的管理;对施工机械操作人员进行培训、教育,持证上岗,以确保施工机械的生产率和施工质量。
方案二。