各种桩基施工的主要设备及参数
- 格式:doc
- 大小:464.50 KB
- 文档页数:6
施工机具设备配置第一节施工机械总体安排情况一、配置原则优选精良、先进的设备,并合理匹配,形成综合生产能力;设备能力大于进度指标要求的能力;同类设备尽可能采用同厂家同型号设备,以方便配件供应和维修;就近调配机械设备。
二、调配计划施工机械设备由我单位设备物资部门进行统一调配,以满足本合同段工程需要。
拟投入本合同工程的主要施工机械见下表。
开槽机PCR-30 1 凯联-美国辛姆莱2021年——养护13吨双钢轮压路机STR130C-8C1三一重工2021年119激振力(kn):169/119道路双钢轮液压振动压路机LTC208 1洛阳路通2021年74激振力(kn):160×2/90×2道路全液压单钢轮压路机XS123 1 徐工2021年93激振力280/190kN道路全液压单钢轮压路机XG626H 1 厦工2021年154激振力(高/低)480/375kN道路施工设备具体见附表五试验和检测仪器设备见附表六第二节施工机械性能先进、保证本工程措施一、施工机械性能先进除以上通用市政工程机械外,本工程为保证热力管道焊接质量,引入专门的先进管道焊机进行管道连接。
(一)HW-ZD-201 磁吸式全位置智能焊机满足各种工况的GMAE/FCAW-GS焊接工艺。
碳钢、不锈钢、合金钢、低温钢等(不可磁力吸附的材质应另配小车轨道)采用高清5寸彩色触摸界面,可实现焊接参数实时编辑输入,储存和调用。
实现360° 24个焊接分区参数预设,自动调用。
焊缝质量满足AUT/RT等探伤检测。
技术参数型号HW-ZD-201工作电压额定电压DC12-35V 典型DC24 额定功率:<100W电流控制范围大于等于80A小于500A电压控制范围16-35V焊接速度0-800mm/min,无线调速适用管径≥Φ168mm适用壁厚5-100mm外形尺寸(L*W*H)焊接小车275mm*172mm*220mm(二)YX-G168 轨道式全位置智能焊机(单炬)G168单炬外焊机是结合控制技术和焊接工艺技术的自动焊设备。
桩基施工中的机械选用与操作桩基施工是土木工程中常见的一项重要工作。
为了确保施工的顺利进行以及提高工作效率,合理选择和操作机械设备是至关重要的。
一、常见桩基施工机械设备在桩基施工中,常见的机械设备包括打桩机、钻机、挤浆机等。
1. 打桩机:打桩机是用来将桩体打入地下的设备。
根据不同的桩型和工程要求,打桩机有多种不同类型的选择。
常见的打桩机有液压打桩机、静力桩打桩机等。
液压打桩机适用于堆石桩、钢板桩等桩型,而静力桩打桩机适用于搅拌桩、钢筋混凝土桩等桩型。
在选择打桩机时,需要考虑桩型、桩径、施工环境等因素。
2. 钻机:钻机是用于进行钻孔工作的设备。
根据不同的钻孔需求,钻机也有多个不同的类型,包括旋挖钻机、水平定向钻机等。
旋挖钻机适用于较小直径、较浅的钻孔,而水平定向钻机适用于较大直径、较深的钻孔。
在选择钻机时,需要考虑钻孔直径、钻孔深度、地层情况等因素。
3. 挤浆机:挤浆机是用来进行灌浆作业的设备。
灌浆是桩基施工中不可或缺的一环,挤浆机可以确保灌浆的均匀、稳定以及渗透到深层。
挤浆机的选择要考虑灌浆粘度、浆液密度、浆液流量以及工作效率等因素。
二、选择机械设备的要点1. 根据工程需求选择适当的设备:不同的桩基施工工程有不同的需求,因此选择适当的设备至关重要。
需要根据工程的桩型、桩径、桩深以及地层情况来确定最合适的设备。
2. 考虑机械设备的技术性能:机械设备的技术性能直接影响施工的效率和质量。
需要关注设备的动力、驱动方式、操作控制方式等技术指标,以确保设备能够满足工程的要求。
3. 结合场地环境选择设备:桩基施工通常在各种复杂环境中进行,例如有限空间、狭窄道路等。
要考虑设备在施工过程中的操作空间以及设备的转弯半径,选择适合的设备以确保施工的顺利进行。
三、机械设备的操作1. 设备操作前的准备工作:在操作机械设备之前,要进行通风、检查设备是否处于正常工作状态、检查液压系统、燃油系统等,并做好相关安全防护措施。
2. 熟悉设备的操作规程:针对不同的设备,要熟悉操作规程,了解设备的各项功能和操作要点。
建筑机械桩工机械建筑机械概述建筑机械是指用于建筑、公路、水利等工程建设中的专用机械设备。
建筑机械设备的作用是为建筑工程提供施工动力和机械化操作,提高施工速度和质量,降低人力劳动强度,提高劳动效率。
常见的建筑机械有起重机、混凝土泵车、装载机等。
桩工机械概述桩工机械是用于桥梁、隧道、码头、防护墙等基础工程中的机械设备,主要用于建筑物基础的打桩和钻孔施工。
桩工机械的机械化程度很高,能够快速完成钻孔和打桩工作。
常见的桩工机械有钻孔机、打桩机、挖掘机等。
桩工机械的类型钻孔机钻孔机是一种用于地板、墙壁、屋顶等建筑物内部的钻孔作业的机械设备。
钻孔机的具体分类有水泥标签钻孔机、高压水平旋转钻孔机等。
打桩机打桩机是一种用于建筑物基础工程的机械设备。
它主要通过吊装钢筋和混凝土等材料,达到基础深度和高度的标准。
打桩机的具体分类有斜坡地基振动桩、直上式振动桩等。
挖掘机挖掘机是一种常见的建筑机械,主要用于土方工程、基础工程、道路工程等。
挖掘机分为多种类别,包括装载型挖掘机、履带型挖掘机等。
桩工机械的工作原理桩工机械的工作原理主要是通过对钻孔或打桩区域施加外力,在地下形成固定的基础结构。
钻孔机通过钻头的旋转和钻杆的推动,将钻头穿过深度不同的岩石或土壤层,完成沉管、导管、试验等作业。
打桩机则主要通过大吨位的沉锤、振荡器、冲击器等,将锤击力源波的能量传递到桩体内部,以实现桩的驱动和基础强化。
桩工机械的应用场景桩工机械主要应用于各种工程的建设和修建过程中,如桥梁、地铁、码头等。
此外,桩工机械也经常用于基础地质探查,如勘探、导管、地质测试等领域。
建筑机械的应用场景建筑机械广泛应用于房屋建筑、水利工程、交通基础设施等方面。
目前,随着城市化进程的加快和国家基建投资的不断增加,建筑机械的市场需求也在逐年增长。
建筑机械的发展趋势随着科技的不断进步和人工智能的不断发展,建筑机械在生产效率、施工品质、节能环保等方面也得到了很大的提升。
同时,建筑机械的自动化程度也不断提高,运用更加方便高效。
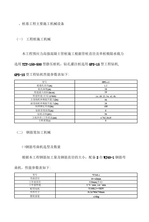
、桩基工程主要施工机械设备(一)工程桩施工机械本工程预应力高强混凝土管桩施工根据管桩直径及单桩极限承载力选用YZY-150-500型静压桩机,钻孔灌注桩选用GPS-15型工程钻机, GPS-15型工程钻机性能参数表如下:(二)钢筋笼加工机械㈠钢筋弯曲机选型及数量根据本工程钢筋加工量及钢筋直径的大小,配备2台WJ40-1钢筋弯曲机。
性能参数表如下:㈡钢筋切割机选型及数量根据需切断钢筋直径的大小选择2台GJ51-32钢筋切断机,机械性能如下表:㈢对焊机及直螺纹套丝机选型及数量根据钢筋连接方式选择2台钢筋对焊机和2台钢筋直螺纹套丝机:对焊机主要是对焊直径14和16的钢筋,直螺纹套丝机主要加工直径16 以上钢筋丝头。
1、直螺纹套丝机性能参数:2、钢筋对焊机性能参数:(三)吊装机械根据以往钻孔灌注桩钢筋笼吊装施工经验,本工程钻孔桩钢筋笼拟采取双机抬(50t吊车+50t吊车)多点抬吊吊装、整体空中回直入孔的吊装方案。
预应力高强混凝土管桩吊桩、喂桩选用2台30t轮胎起重机。
(四)主要机械设备一览表、拟投入的施工机械、拟投入的检测与测量仪器二、成品保护措施一、建立成品保护小组组长:项目经理副组长:项目副经理成员:施工工长、质量员、施工队长成品保护工作由项目经理总负责,全体成员要以成品保护为己任,认真履行职责,大胆管理,由质量员进行监督检查。
二、成品保护管理制度1、成品保护小组成员,幢号工长或责任范围工长,以及分包队伍成品保护人员,团结协作,共同做好成品保护工作。
2、小组成员有权对责任操作者,对保护措施给以指导和监督,并维持保护的有效性。
3、各道工序认真执行成品保护的有关要求,采取必要的保护措施。
质量员要进行监督。
4、上、下道工序交接要认真填写成品交接记录。
对于不履行交接签字手续,进入下道工序施工作业的人员,项目经理部有权做出处罚决定。
5、对于现场内任何破坏保护设施、破坏成品状态的人员以及失职人员,项目经理部对其本人处以50〜100元罚款;对于因破坏成品状态,或不履行保护措施而造成质量事故的,由项目经理部另行研究,严肃处理。
旋挖钻机设备参数旋挖钻机是一种常见的土方施工机械,主要用于非常固硬的地质条件下的基础工程施工,如桩基工程、桥梁基础工程、高层建筑施工等。
下面将详细介绍旋挖钻机的设备参数。
1.基本参数旋挖钻机的基本参数包括整机总重、主机功率、旋转速度等。
一般来说,整机总重是旋挖钻机最重要的参数之一,它可以决定旋挖钻机的稳定性和承载能力。
主机功率是指旋挖钻机的发动机功率,它决定了旋挖钻机的钻进速度和工作效率。
旋转速度是指旋挖钻机旋转装置的转速,它可以影响旋挖钻机的钻进深度和钻孔质量。
2.钻孔直径范围旋挖钻机的钻孔直径范围是指旋挖钻机能够钻孔的最小和最大直径尺寸。
一般来说,旋挖钻机可以根据不同的工程需求,选择不同的钻具和钻杆,从而实现不同直径范围的钻孔。
3.钻杆长度和直径钻杆是连接钻头和旋挖钻机的重要部件,它的长度和直径直接影响旋挖钻机的钻进深度和钻孔质量。
一般来说,钻杆的长度可以根据实际需要进行调整,以适应不同的钻孔深度。
钻杆的直径一般在100-150毫米左右,可以根据地质条件和工程要求选择合适的直径。
4.钻进深度钻进深度是指旋挖钻机可以达到的最大钻孔深度。
一般来说,旋挖钻机的钻进深度可以达到20-30米,根据不同的工程需求,可以选择不同深度的旋挖钻机。
5.减速器类型旋挖钻机的减速器是指旋挖钻机旋转装置的核心部件,它可以将发动机输出的高速旋转转矩转变为适合旋挖钻机钻进作业的低速高扭矩。
根据不同的需要,旋挖钻机的减速器可以选择液压摆动减速器、液压旋转减速器等不同类型。
6.工作台尺寸和旋转角度旋挖钻机的工作台是指旋挖钻机旋转装置的重要组成部分,它可以使旋挖钻机在钻孔作业过程中实现360度的旋转。
工作台的尺寸和旋转角度可以根据工程需求进行调整,以适应不同的工作空间和机动性要求。
7.运输尺寸和维护空间要求旋挖钻机的运输尺寸是指旋挖钻机整机在运输过程中所占用的尺寸空间,它直接影响旋挖钻机的运输和使用便利性。
维护空间要求是指旋挖钻机在日常维护和保养中所需要的空间,包括液压系统维修空间、发动机维修空间等。
单管高压旋喷桩机型号参数1.引言1.1 概述单管高压旋喷桩机是一种常用的建筑施工设备,用于在土壤中打造稳固的桩基。
它通过将水泥浆料以高压喷射的方式注入土壤中,从而形成一个坚固的桩体,以支撑建筑物或其他结构。
这种机器的原理非常简单,它主要由一个高压水泵、一个喷射管和一个控制系统组成。
高压水泵能够产生足够的压力,将水泥浆料送入喷射管中。
在喷射管的作用下,水泥浆料被均匀地喷洒在土壤中,并在与土壤相互作用后形成一个紧密的桩体。
单管高压旋喷桩机的主要参数包括以下几个方面:首先是高压水泵的压力和流量,这决定了喷射的水泥浆料的速度和量。
其次是喷射管的长度和直径,这影响了喷射的范围和喷射深度。
另外,也需要考虑土壤的湿度和颗粒大小,以及施工现场的特定要求。
总之,单管高压旋喷桩机是一种非常重要且广泛应用的建筑施工设备。
它的主要参数决定了其施工效果和工作范围,因此在选择和使用时需要充分考虑这些参数。
未来,随着建筑行业的不断发展,单管高压旋喷桩机的应用前景将更加广阔,有望为建筑领域带来更多的便利和效益。
1.2文章结构文章结构指的是文章的组织和排列方式,它可以帮助读者更好地理解文章内容,并且使文章更具逻辑性。
下面是对文章结构部分的内容编写:1.2 文章结构本文将以单管高压旋喷桩机的型号参数为主题展开讨论,主要内容分为引言、正文和结论三个部分。
引言部分将概述单管高压旋喷桩机的定义和原理,引入文章的主题,并简要介绍文章的结构和目的。
正文部分将主要讨论单管高压旋喷桩机的主要参数。
首先,我们将详细解释单管高压旋喷桩机的定义和工作原理,包括其在土建工程中的应用以及其与其他旋喷桩机型号的区别。
然后,我们将重点介绍单管高压旋喷桩机的主要参数,包括其尺寸、重量、额定功率、工作压力等,以及这些参数对其性能和使用效果的影响。
结论部分将总结单管高压旋喷桩机的重要参数,并对其应用前景进行展望。
我们将总结该机型参数在实际工程中的作用和意义,并探讨其在未来的应用前景,以期为相关行业提供参考和指导。
地基工程施工设备有哪些地基工程是指在建筑物或工程项目建设过程中进行的有关基坑开挖、地基处理、基础施工等工作,是建筑工程中的重要环节。
在地基工程施工中,需要使用一系列的施工设备来完成不同的施工任务,这些设备的选择和使用将直接影响地基工程的质量和效率。
地基工程施工设备主要包括挖掘机、打桩机、土改机、平地机、混凝土搅拌站等。
这些设备在地基工程中发挥着重要的作用,下面将对这些设备逐一进行介绍。
1. 挖掘机挖掘机是地基工程中最常用的设备之一,主要用于基坑的开挖和土方的挖掘。
挖掘机分为履带式和轮式两种类型,根据地基工程的具体要求来选择合适的挖掘机。
现在市场上的挖掘机种类繁多,有小型挖掘机、中型挖掘机、大型挖掘机等不同规格的挖掘机供选择。
2. 打桩机打桩机是地基工程中用于打桩施工的设备,主要用于各种桩基的施工,如桩基基础、灌注桩基础、沉桩基础等。
根据不同的工程要求,打桩机也分为不同的类型,包括静压打桩机、液压打桩机、振动打桩机等。
3. 土改机土改机又称土壤改良机,是一种用于改良土壤的设备,主要用于软土地基的处理和加固。
土改机采用机械振捣或压实的方法,通过对土壤进行改良,提高土壤的承载能力和抗渗性能,从而满足地基工程对土壤的要求。
4. 平地机平地机是一种用于地表整平和压实的设备,主要用于地基工程中的路基、场地、道路等工程的施工。
平地机通常采用机械碾压的方式,通过对地表进行压实和整平,确保施工后地表的平整度和承载能力。
5. 混凝土搅拌站混凝土搅拌站是地基工程中用于生产混凝土的设备,主要用于各种混凝土的配料和搅拌。
混凝土搅拌站分为移动式和固定式两种类型,根据地基工程的具体要求来选择合适的混凝土搅拌站。
除了上述几种主要的地基工程施工设备外,地基工程中还需要使用各种辅助设备,如振动输送机、起重机、压路机、压土机等。
这些设备在地基工程的施工中发挥着不可替代的作用,保障施工的顺利进行。
值得注意的是,地基工程施工设备在使用过程中需要严格按照操作规程进行操作,保证施工安全和设备的正常运转。
桩基施工中的各种施工设备介绍桩基施工是土木工程中常见的一项技术活动,旨在为建筑物提供牢固的基础支撑。
在桩基施工过程中,各种施工设备的运用是至关重要的。
本文将介绍桩基施工中常见的几种主要施工设备及其功能,以增加读者对桩基施工的了解和认识。
一、振动锤振动锤是桩基施工中最常见的施工设备之一。
它通过振动力和冲击力对桩身进行沉桩或抽桩。
振动锤采用高频振动力,使桩依靠土壤的颤动实现自身的沉降或抽出。
振动锤具有施工速度快、震动力大、沉桩效果好等优点,被广泛应用于建筑工程中。
二、压桩机压桩机是桩基施工中常用的施工设备之一。
它主要通过液压系统产生的压力,将顶部的钢板或液压挤压装置传递给桩身,使其逐渐沉入地下。
压桩机具有作业安全、沉桩效率高、建筑噪音低等特点,适用于各种桩基施工需求。
三、钻机钻机是桩基施工中常用的施工设备之一。
它通过侧压摩擦桩、钻孔灌注桩等方式,将钻头或钻杆钻入地下,用以支撑建筑物。
钻机具有施工速度快、施工质量高等优点,广泛应用于高层建筑、桥梁、隧道等工程中。
四、钢模板钢模板是桩基施工中常用的施工设备之一。
它由横梁、立柱、连接件等部分组成,用于支撑桩身和浇筑混凝土。
钢模板具有结构牢固、耐用性强等优点,能够确保桩身的垂直度和强度。
五、抽桩机抽桩机是桩基施工中常见的施工设备之一。
它通过液压系统产生的抽拉力,将桩身从地下抽出。
抽桩机具有操作简便、施工效率高等优点,被广泛应用于桩基拆除和改造工程中。
六、混凝土搅拌站混凝土搅拌站是桩基施工中常用的施工设备之一。
它用于搅拌混凝土,为桩基提供浇筑材料。
混凝土搅拌站由搅拌车、搅拌装置、输送带等组成,能够保证混凝土的均匀性和浇筑质量。
综上所述,桩基施工中的各种施工设备发挥着重要的作用。
振动锤、压桩机和钻机可以满足不同类型的桩基施工需求,钢模板和抽桩机则用于辅助施工和维护工作。
混凝土搅拌站则是保证桩基施工质量的关键设备之一。
通过合理的选择和运用这些设备,能够有效提升桩基施工的效率和质量,为工程建设提供强有力的支撑。
桩基施工中的机械选择与施工要点引言桩基是建筑施工中常用的一种基础工程方式,它依靠桩体的承载能力将建筑物的荷载传递到地下。
而在桩基施工中,机械设备的选择以及施工要点的把握是十分关键的因素。
本文将从机械选择与施工要点两个方面进行探讨,旨在为桩基施工项目提供一些参考和指导。
一、机械选择在桩基施工中,机械设备的选择是十分重要的,合适的机械能够提高施工效率,降低施工成本。
以下将介绍几种常用的桩基机械设备。
1. 钻孔机钻孔机是桩基施工中最常用的机械设备之一,其主要用途是将地下土层钻孔探进。
钻孔机根据钻进方式可分为旋转钻进和冲击钻进两种类型。
旋转钻进适用于较松软的土层,而冲击钻进则适用于较硬的土层。
在选择钻孔机时,需要根据具体施工条件和土层性质来确定机械参数,以及是否需要配备附属设备。
2. 打桩机打桩机是桩基施工中用于打入桩体的机械设备。
根据桩体类型的不同,打桩机又可分为静力打桩机和动力打桩机两种。
静力打桩机适用于预制桩的施工,其特点是施工过程中无振动和冲击,能够减小对周围环境的影响。
动力打桩机适用于施工现场打入桩体,其特点是施工速度快、效率高。
在选择打桩机时,需要考虑桩体的类型、施工条件、土层情况等因素。
3. 振动锤振动锤是桩基施工中常用的振动设备,它通过施加振动力将桩体驱入土层。
振动锤适用于各种土层,具有施工速度快、效率高的特点。
在选择振动锤时,需要根据施工条件和土层情况来确定工作频率和振动力大小,以达到施工效果的要求。
二、施工要点除了机械选择外,桩基施工中的施工要点也是十分重要的。
以下将介绍几个需要注意的施工要点。
1. 桩基设计在进行桩基施工前,需要进行桩基设计。
桩基设计是确定桩体类型、桩周土体受力特性等的过程,合理的设计可以提高桩基的承载能力和稳定性。
施工人员需要充分了解桩基设计要求,并与设计师充分沟通和交流,以确保施工符合设计要求。
2. 土层勘探进行桩基施工前,需要对工地土层进行勘探,了解土层的分布和性质。
几种桩基施工机械优缺点对比——旋挖钻机、冲击钻机和回旋钻机一、旋挖钻机旋挖钻机在国际上的发展已经有几十年的历史,在中国也是在最近四五年才被逐渐认识和应用,成为近年来发展最快的一种新型桩孔施工方法,旋挖钻孔灌注桩技术被誉为“绿色施工工艺” ,其特点是工作效率高、施工质量好、尘土泥浆污染少。
旋挖钻机是一种多功能、高效率的灌注桩桩孔的成孔设备,可以实现桅杆垂直度的自动调节和钻孔深度的计量;旋挖钻孔施工是利用钻杆和钻斗的旋转,以钻斗自重并加液压作为钻进压力,使土屑装满钻斗后提升钻斗出土。
通过钻斗的旋转、挖土、提升、卸土和泥浆置换护壁,反复循环而成孔。
吊放钢筋笼、灌注砼、后压浆等同其他水下钻孔灌注桩工艺。
此方法自动化程度和钻进效率高,钻头可快速穿过各种复杂地层,在桩基施工特别是城市桩基施工中具有非常广阔的前景。
1 旋挖钻孔桩的施工特点1.1可在水位较高、卵石较大等用正、反循环及长螺旋钻无法施工的地层中施工。
1.2自动化程度高、成孔速度快、质量高。
该钻机为全液压驱动,电脑控制,能精确定位钻孔、自动校正钻孔垂直度和自动量测钻孔深度,最大限度地保证钻孔质量。
其工效是循环钻机的20倍,最重要的是,工程的质量和进度得到了充分的保证。
目前在我国的公路、铁路、桥梁和大型的建筑物的基础桩施工中均有采用。
1.3伸缩钻杆不仅向钻头传递回转力矩和轴向压力,而且利用本身的伸缩性实现钻头的快速升降,快速卸土,以缩短钻孔辅助作业的时间,提高钻进效率。
1.4环保特点突出,施工现场干净。
这是由于旋挖钻机通过钻头旋挖取土,再通过凯式伸缩钻杆将钻头提出孔内再卸土。
旋挖钻机使用泥浆仅仅用来护壁,而不用于排碴,成孔所用泥浆基本上等于孔的体积,且泥浆经过沉淀和除砂还可以多次反复使用。
目前很多城市在施工中的排污费用明显提高,使用旋挖钻机可以有效降低排污费用,并提高文明施工的水平。
1.5履带底盘承载,接地压力小,适合于各种工况,在施工场地内行走移位方便,机机动灵活,对桩孔的定位非常准确、方便。
桩基施工中的施工参数与技术要求桩基施工是土木工程中至关重要的一环,其质量直接影响到整个工程的稳定性和安全性。
为确保桩基施工的质量,需要合理选择和控制施工参数,并遵循相应的技术要求。
本文将从不同角度探讨桩基施工中的施工参数和技术要求。
一、桩基施工的类型和特点桩基施工可分为静载荷桩和动载荷桩两大类。
静载荷桩是通过施加静力荷载来测试桩的承载能力,动载荷桩则是通过施加动力荷载来测试桩的抗震性能。
两者均需要在施工中确定合适的施工参数和技术要求。
二、桩基施工参数的选择1. 桩身材料:桩身材料的选择应根据地层情况和工程要求来确定。
常用的桩身材料有钢筋混凝土、木桩和钢管桩等,不同材料的选择会影响桩身的稳定性和承载能力。
2. 桩的直径和长度:桩的直径和长度应根据地质条件、承载要求和工程设计来确定。
直径和长度的选择既要满足工程需要,又要考虑施工的可行性和经济性。
3. 桩间距:桩间距的选择需要考虑到桩的承载能力和土层的搬运效果。
过大的桩间距可能导致桩之间的负荷分布不均,过小的桩间距则可能导致工程成本增加和施工难度加大。
三、桩基施工技术要求的执行1. 施工前的勘测:施工前需要进行地质勘测和辅助勘探,确定地层情况和承载能力,为后续施工参数的选择和技术要求的制定提供依据。
2. 施工现场准备:施工前需要对施工现场进行清理和整理,确保施工设备的安全性和施工人员的作业环境。
3. 施工设备的选择和调试:根据施工参数的要求,选择合适的施工设备,并进行调试和检查,确保设备的正常运行和施工的顺利进行。
四、桩基施工中的操作要求1. 周围环境保护:施工中要加强对周围环境的保护和监测,避免施工对环境造成污染或破坏。
2. 桩身的埋设和固定:桩身的埋设和固定需要注意施工质量和施工进度的控制,确保桩身的稳定性和承载能力。
3. 施工过程的监测和控制:施工过程需要进行实时监测和控制,确保施工参数和技术要求的执行,及时发现和处理施工中的问题。
五、桩基验收和质量控制1. 桩基施工后的验收:桩基施工完成后,需要进行验收和质量控制,检查桩基的质量和承载能力是否符合相关要求。
1反循环钻机的图片及参数FXZ-200底盘东风140钻孔深度(m)80130钻孔直径(mm)1800500动力头转速(r/min)9动力头扭矩(kn.m)18动力头驱动功率(kw)11卷扬机单绳拉力(kn)20钻塔咼度(m)6钻杆直径(mm)①180砂石泵流量(m3h)280扬程(m)12功率(kw)22排渣方式泵吸反循环配套总功率(kw)50型技术参数表东斑140羽U型祜8ZKL800BD 技术参数 钻孔直径(mm ) 钻孔深度(m )总功率(KW ) 最大扭矩(KN- m ) 钻杆转速(r/min ) 最大提升力(KN ) 工作面坡度(°) 行走方式 立柱调整范围(°) 步长(m ) 行走速度(m/min ) 回转速度(r/min ) 回转角度(°)运输方式 运输状态转弯半径(m ) 外形尺寸(长*宽*高)(m ) 3、强夯施工主要设备1机具设备(1)夯锤:采用20t夯600-800 16-2037*2 30.7 23/40 240 2 步履式 ± 2 1.1 3.5/5.1 0-1.38360 拖挂+解体散件 2、CFG 桩施工主要设备整机质量(t)30锤,用钢板作成组合成的夯锤(如下图)。
夯锤底面为圆形,锤底直径为2m。
夯锤中设2个直径250mm上下贯通的排气孔,减小锤底与土面间形成真空产生的强吸附力和夯锤下落时的空气阻力。
装配式钢夯锤图1-50mm厚钢板底盘;2-15mm厚钢板外壳;3-30mm厚钢板顶板;4-中间块(50mm厚钢板);5- 50mm吊环;6- $ 200mm排气孔;7-M48mm螺栓(2)起重设备:由于履带式起重机重心低,稳定性好,行走方便,使用起重量为50t的履带式起重机(带摩擦离合器)(如下图)。
建筑工程施工机械设备表建筑工程施工机械设备是指在建筑工程施工过程中使用的各种机械设备,包括起重机械、混凝土搅拌设备、爆破设备、打桩机械、挖掘机械、输送设备、砂石料加工设备等。
这些设备在建筑工程中起着至关重要的作用,可以提高施工效率、降低施工成本、保障工程质量等。
下面是一份建筑工程施工机械设备表,列出了常用的施工机械设备及其主要参数和用途:1. 起重机械1.1 塔式起重机- 最大起重量:10吨- 最大起吊高度:60米- 用途:用于在工地上进行物料的起升和搬运工作。
1.2 施工升降机- 载重量:2000公斤- 升降速度:约30米/分钟- 用途:用于将人员和材料快速升降到施工现场的高空位置。
2. 混凝土搅拌设备2.1 混凝土搅拌车- 搅拌容量:6立方米- 混凝土搅拌时间:约15分钟- 用途:用于混合和搅拌混凝土,保证混凝土的质量。
2.2 混凝土搅拌站- 生产能力:60立方米/小时- 搅拌料斗容量:3立方米- 用途:用于批量生产混凝土,适用于大型建筑工程。
3. 爆破设备3.1 液压爆破钻机- 钻孔直径:75毫米- 钻孔深度:30米- 用途:用于在岩石爆破前进行钻孔作业。
3.2 爆破器材- 炸药类型:乳化炸药- 爆破效果:控制爆破- 用途:用于进行岩石爆破作业,破坏岩石以便后续施工。
4. 打桩机械4.1 桩基设备- 打桩方式:振动式打桩- 最大打桩深度:20米- 用途:用于在地基处理中进行振动打桩,加固地基。
4.2 钻孔桩车- 钻孔直径:1米- 最大钻孔深度:40米- 用途:用于在地基处理中进行钻孔,为灌注桩打孔。
5. 挖掘机械5.1 履带式挖掘机- 额定功率:100千瓦- 最大挖掘深度:6米- 用途:用于在工地上进行土方开挖、边坡整理等作业。
5.2 轮式挖掘机- 铲斗容量:1.5立方米- 最大卸载高度:3米- 用途:用于在建筑工地上进行土方开挖、土方搬运等作业。
6. 输送设备6.1 塔式皮带机- 输送能力:1000吨/小时- 输送带宽度:800毫米- 用途:用于将材料从一个地点输送到另一个地点。
桩基施工的机械设备选择和施工方法桩基施工是土木工程中重要的基础施工技术之一,广泛应用于房屋建筑、桥梁、隧道等领域。
在桩基施工中,机械设备的选择和施工方法的合理运用起着关键作用。
本文将探讨桩基施工中机械设备的选择以及施工方法的一些技术要点,旨在为工程师和施工人员提供有益的参考。
一、机械设备的选择桩基施工中常用的机械设备主要包括打桩机、钻孔机、静压桩机等。
在选择机械设备时,需要根据不同的工程要求和地质条件进行合理的选择。
以下将从不同类型的桩基施工中分析设备选择的一些要点。
1. 打桩机的选择在桩基施工中,打桩机是常用的机械设备之一。
根据施工需求和地质条件的不同,我们可以选择液压振动打桩机、冲击打桩机和静力压桩机等。
液压振动打桩机适用于施工土层相对较好,地下水位较浅的工程。
冲击打桩机适用于承载力较高的岩石地层。
静力压桩机适用于地下水位较高、承载力较低的地基。
2. 钻孔机的选择在桩基施工中,钻孔机主要用于基坑开挖和岩石钻孔。
根据地质条件和施工要求的不同,我们可以选择旋挖钻机、电动钻孔机和液压钻孔机等。
旋挖钻机适用于软土和黏土地层的开挖,它具有占地面积小、作业稳定等特点。
电动钻孔机适用于小型施工工地的岩石钻孔。
液压钻孔机适用于大型桥梁施工中的基坑开挖。
3. 静压桩机的选择静压桩机是一种常用于桥梁和房屋基础建设的机械设备。
根据施工要求和工程情况,我们可以选择静压桩机的不同类型,例如静力双液静压桩机、液压静力挤土桩机等。
静力双液静压桩机适用于大直径、大长度的钢筋混凝土桩,具有施工效率高、质量好等优点。
液压静力挤土桩机适用于中小型工程的桩基施工。
二、施工方法的技术要点桩基施工方法的选择和运用对保证工程质量和提高施工效率至关重要。
以下将介绍桩基施工中一些常用的施工方法以及相关的技术要点。
1. 钻孔施工方法在桩基施工中,钻孔方法是常用的施工方式之一。
为了确保钻孔质量,我们应该合理选择钻头类型、掌握适当的钻孔速度和进给速度,同时根据地质情况及时调整润滑液的使用量。
地基与基础工程施工机械一、挖土机械挖土机械是用于挖掘和搬运土壤、石块等材料的机械设备,它在地基与基础工程中起到了关键的作用。
主要有挖掘机、推土机、装载机等。
1. 挖掘机挖掘机是一种多功能的施工机械,广泛应用于地基与基础工程的挖土、搬运、破碎、夯实等工作中。
挖掘机通过液压系统来驱动斗杆、斗齿等工作装置,能够快速、高效地完成挖土作业。
在地基工程中,挖掘机可以用于挖土方、开挖基坑、清理杂物等工作,是不可或缺的重要机械设备。
2. 推土机推土机是一种用于平整土地、推动土壤等工作的机械设备。
在地基与基础工程中,推土机常用于开平场地、整理路基、夯实土壤等工作。
它通过履带或轮胎来驱动,并具有较强的推挖作用,能够快速、有效地完成土地平整及夯实工作。
3. 装载机装载机是一种用于装载、搬运土石料等物料的机械设备。
它广泛应用于地基与基础工程中的材料搬运、装载、堆放等工作。
装载机通过液压系统来实现斗杆的升降、倾斜等动作,操作简单灵活,能够高效地完成各种装载作业。
二、压实机械压实机械是用于夯实土壤、路面等材料的施工机械,主要有压路机、振动压实机等。
1. 压路机压路机是一种用于夯实路面的机械设备,它通过在路面上施加静压力来改善路面的密实度和平整度。
压路机分为钢轮压路机和橡胶轮压路机两种类型,可根据实际施工需要选择不同的机型。
在地基工程中,压路机常用于夯实路基、铺设沥青路面等工作,以提高道路的承载能力和使用寿命。
2. 振动压实机振动压实机是一种通过振动来提高土壤密实度的机械设备。
它广泛应用于地基与基础工程中的土壤夯实、地基处理等工作,能够有效提高土壤的承载能力和稳定性。
振动压实机可根据施工要求进行单向振动、双向振动等操作,具有较强的适应性和灵活性。
三、钻孔与打桩机械地基与基础工程中经常需要进行地下水位测定、钻孔取样、打桩等工作,这时就需要用到钻孔与打桩机械。
主要有钻孔机、打桩机等。
1. 钻孔机钻孔机是一种用于进行土壤钻孔、岩石取芯等作业的机械设备。
建筑行业钻孔灌注桩的施工机械及设备介绍1. 引言钻孔灌注桩是建筑行业广泛使用的一种桩基施工方法,它能够有效增加地基的承载力和稳定性。
在钻孔灌注桩的施工过程中,不可或缺的是一系列的施工机械及设备。
本文将介绍常用的钻孔灌注桩施工机械及设备,并给出它们的基本原理和特点。
2. 钻孔机钻孔机是钻孔灌注桩施工过程中的核心设备之一。
它主要用于在地面或水中钻孔,为灌注桩预留一个孔腔。
常见的钻孔机有旋挖钻和冲击钻。
2.1 旋挖钻旋挖钻通过旋转钻具进行钻孔,它具有以下特点: - 结构简单,操作方便。
- 适用于岩土地层。
- 高效率,能够快速完成钻孔作业。
2.2 冲击钻冲击钻利用冲击力进行钻孔,它具有以下特点: - 具有较大的冲击力,适用于较坚硬的地质地层。
- 钻孔速度较快,能够迅速达到设计深度。
3. 钢筋笼制作机钢筋笼是钻孔灌注桩的主要组成部分之一,钢筋笼制作机是用于制作钢筋笼的设备。
它主要由钢筋加工机、焊接设备和送料设备组成。
4. 灌浆泵灌浆泵是将灌浆材料输送到钻孔孔腔中的设备。
灌浆材料通常由水泥、砂浆和其他添加剂组成,用于加固和填充钻孔孔腔。
灌浆泵具有以下特点: - 高压输送,能够将灌浆材料准确地注入到钻孔孔腔中。
- 输送距离远,适用于各种工程条件。
5. 石材切割机钻孔灌注桩施工中,有时需要在地层中存在石材时进行切割,以便钻孔机继续钻孔。
石材切割机是一种专门用于切割石材的设备,它具有以下特点: - 切割速度快,能够迅速有效地切割石材。
- 切割精度高,切割面光滑整齐。
6. 其他辅助设备除了上述主要设备之外,钻孔灌注桩施工还需要一些辅助设备,如输送设备、搅拌设备和测量设备等。
这些设备的作用是为了保证施工的顺利进行和施工质量的控制。
7.钻孔灌注桩施工机械及设备是建筑行业中非常重要的一部分,它们的选择和使用对工程质量具有至关重要的影响。
通过了解和熟悉这些设备的特点和原理,能够更好地指导施工过程,确保工程的安全和质量。
1、反循环钻机的图片及参数
FXZ-200
型技术参数表
底盘 东风140
钻孔深度(m ) 80 130 钻孔直径(mm ) 1800
500
动力头转速(r/min ) 9 动力头扭矩(kn.m ) 18 动力头驱动功率(kw ) 11 卷扬机单绳拉力(kn ) 20 钻塔高度(m ) 6
钻杆直径(mm)
Φ180
砂石泵
流量(m³/h )
280 扬程(m ) 12 功率(kw )
22
排渣方式 泵吸反循环
配套总功率(kw)
50
2、CFG桩施工主要设备
ZKL800BD技术参数
钻孔直径(mm)600-800
钻孔深度(m)16-20
总功率(KW)37*2
最大扭矩(KN·m)30.7
钻杆转速(r/min)23/40
最大提升力(KN)240
工作面坡度(°) 2
行走方式步履式
立柱调整范围(°)±2
步长(m) 1.1
行走速度(m/min) 3.5/5.1
回转速度(r/min)0-1.38
回转角度(°)360
运输方式拖挂+解体散件运输状态转弯半径(m)8
外形尺寸(长*宽*高)(m)
整机质量(t)30
3、强夯施工主要设备
1.机具设备
(1)夯锤:采用20t夯锤,用钢板作成组合成的夯锤(如下图)。
夯锤底面为圆形,锤底直径为2m。
夯锤中设2个直径250mm上下贯通的排气孔,减小锤底与土面间形成真空产生的强吸附力和夯锤下落时的空气阻力。
装配式钢夯锤图
1-50mm厚钢板底盘;2-15mm厚钢板外壳;3-30mm厚钢板顶板;
4-中间块(50mm厚钢板);5-φ50mm吊环;6-φ200mm排气孔;7-M48mm螺栓
(2)起重设备:由于履带式起重机重心低,稳定性好,行走方便,使用起重量为50t的履带式起重机(带摩擦离合器)(如下图)。
用履带式起重机强夯图
1-夯锤;2-自动脱钩装置;3=起重臂杆;4-拉绳;5-锚绳;6-废轮胎(3)脱钩装置:通过动滑轮组用脱钩装置来起落夯锤。
自动脱钩器由吊环、耳板、销环、吊钩等组成(如下图)。
拉绳一端固定在销柄上,另一端穿过转向滑轮,固定在悬臂杆底部横轴上,当夯锤起吊到要求高度,升钩拉绳随即拉开销柄,夯锤便自动脱钩下落,同时可控制每次夯击落距一致。
强夯自动脱钩器图
1-吊环;2-耳板;3-销环轴辊;4-销柄;5-拉绳
(4)锚系设备:当用起重机起吊夯锤时,为防止夯锤突然脱钩
使起重臂后倾和减小对臂杆的振动,应用T1-100型推土机一台设在起重机的前方作地锚(如上图),在起重机臂杆的顶部与推土机之间用两根钢丝绳连接,推土机还可用于夯完后作表土推平、压实工作。
4、振冲碎石桩、砂桩主要施工设备
DZ系列耐震电机振动锤参数。