施工单位安全管理资料组卷分类表(只读)
- 格式:doc
- 大小:262.00 KB
- 文档页数:8
.4.2.4施工现场安全管理资料整理应符合表 4.2.4 的规定。
表 4.2.4建设单位工程施工现场安全管理资料分类整理及组卷表资料表格工作相关及资料保存单位安装 /编号施工现场安全管理资料名称编号或建设监理施工租赁责任单位拆卸单位单位单位单位单位SA-A建设单位施工现场安全管理资料类施工现场安全生产监督备案表 SA-A-1···登记表施工现场变配电站、变压器、地上、地下管线及毗邻建筑物、构表 SA-A-2···筑物资料移交单(如有)建设工程施工许可证建设单位···夜间施工审批手续(如有)建设单位···施工合同建设单位··施工现场安全生产防护、文明施建设单位···工措施费用支付统计向当地住房和城乡建设主管部门报送的《危险性较大的分部分建设单位···项工程清单》上级管理部门、政务主管部门检建设单位···查记录SA-B监理单位施工现场安全管理资料类监理安全管理资料监理合同监理单位··监理规划、安全监理实施细则监理单位···安全监理专题会议纪要监理单位···.续表 4.2.4工作相关及资料保存单位资料表格安装 /编号施工现场安全管理资料名称编号或建设监理施工租赁拆卸责任单位单位单位单位单位单位监理安全审核工作记录工程技术文件报审表表 SA-B2-1···施工现场施工起重机械安装 /拆卸表 SA-B2-2·····报审表施工现场施工起重机械验收核查表表 SA-B2-3·····施工现场安全隐患报告书表 SA-B2-4···工作联系单表 SA-B2-5··监理通知表 SA-B2-6···SA-B2工程暂停令表 SA-B2-7···工程复工报审表表 SA-B2-8···安全生产防护、文明施工措施费用表 SA-B2-9···支付申请表安全生产防护、文明施工措施费用表 SA-B2-10···支付证书施工单位安全生产管理体系审核资监理单位··料施工单位专项安全施工方案及工程监理单位··项目应急救援预案审核资料SA-C施工单位施工现场安全管理资料类安全控制管理资料施工现场安全生产管理概况表SA-C1-1···施工现场重大危险源识别汇总表SA-C1-2···施工现场重大危险源控制措施表SA-C1-3···SA-C1施工现场危险性较大的分部分项工SA-C1-4···程专项施工方案表施工现场超过一定规模危险性较大SA-C1-5···的分部分项工程专家论证表施工监测安全生产检查汇总表SA-C1-6···.施工现场安全生产管理检查评分表SA-C1-7续表 4.2.4资料表格编号施工现场安全管理资料名称编号或责任单位施工现场文明施工检查评分表SA-C1-8施工现场落地式脚手架检查评分表SA-C1-9-1施工现场悬挑式脚手架检查评分表SA-C1-9-2施工现场门型脚手架检查评分表SA-C1-9-3施工现场挂脚手架检查评分表SA-C1-9-4施工现场吊篮脚手架检查评分表SA-C1-9-5施工现场附着式升降脚手架提升架SA-C1-9-6或爬架检查评分表施工现场基坑土方及支护安全检查SA-C1-10评分表施工现场模板工程安全检查评分表SA-C1-11施工现场“三宝” 、“四口”及“临SA-C1-12边”防护检查评分表施工现场施工用电检查评分表SA-C1-13SA-C1施工现场物料提升机(龙门架、井SA-C1-14-1字架)检查评分表施工现场外用电梯(人货两用电梯)SA-C1-14-2检查评分表施工现场塔吊检查评分表SA-C1-15施工现场起重吊装安全检查评分表SA-C1-16施工现场施工机具检查评分表SA-C1-17施工现场安全技术交底汇总表SA-C1-18施工现场安全技术交底表SA-C1-19施工现场作业人员安全教育记录表SA-C1-20施工现场安全事故原因调查表SA-C1-21施工现场特种作业人员登记表SA-C1-22施工现场地上、地下管线保护措施SA-C1-23验收记录表··工作相关及资料保存单位安装 /建设监理施工租赁拆卸单位单位单位单位单位····························.编号SA-C1 SA-C2续表 4.2.4资料表格工作相关及资料保存单位施工现场安全管理资料名称编号或安装 /建设监理施工租赁责任单位单位单位单位拆卸单位单位施工现场安全防护用品合格证及检SA-C1-24·测资料登记表施工现场施工安全日记表SA-C1-25·施工现场班(组)班前讲话记录表SA-C1-26·施工现场安全检查隐患整改记录表SA-C1-27···监理通知回复单SA-C1-28···施工现场安全生产责任制施工单位··施工现场总分包安全管理协议书施工单位··施工现场施工组织设计及专项安全施工单位··技术措施施工现场冬雨风季施工方案施工单位··施工现场安全资金投入记录施工单位··施工现场生产安全事故应急预案施工单位···施工现场安全标识施工单位·施工现场自身检查违章处理记录施工单位·本单位上级管理部门、政府主管部施工单位···门检查记录施工现场消防保卫安全管理资料施工现场消防重点部位登记表SA-C2-1···施工现场用火作业审批表SA-C2-2·施工现场消防保卫定期检查表SA-C2-3·施工现场居民来访纪录施工单位·施工现场消防设备平面图施工单位··施工现场消防保卫制度及应急预案施工单位··施工现场消防保卫协议施工单位··续表 4.2.4资料表格编号施工现场安全管理资料名称编号或责任单位施工现场消防保卫组织机构及活动施工单位记录施工现场消防审批手续施工单位SA-C2施工现场消防设施、器材维修记录施工单位施工现场防火等高温作业施工安全施工单位措施及交底施工现场警卫人员值班、巡查工作施工单位记录脚手架安全管理资料施工现场钢管扣件式脚手架支撑体SA-C3-1系验收表施工现场落地式(悬挑)脚手架搭SA-C3-2 SA-C3设验收表施工现场工具式脚手架安装验收表SA-C3-3施工现场脚手架、卸料平台及支撑施工单位体系设计及施工方案基坑支护与模板工程安全管理资料施工现场基坑支护验收表SA-C4-1施工现场基坑支护沉降观察记录SA-C4-2施工现场基坑支护水平位移观察记SA-C4-3录表SA-C4施工现场人工挖孔桩防护检查表SA-C4-4施工现场特殊部位气体检测记录表SA-C4-5施工现场模板工程验收表SA-C4-6施工现场基坑、土方、护坡及模板施工单位工作相关及资料保存单位建设监理施工安装 /租赁单位单位单位拆卸单位单位················续表 4.2.4资料表格编号施工现场安全管理资料名称编号或责任单位“三宝”、“四口”及“临边”防护安全管理资料施工现场“三宝” 、“四口”及“临SA-C5-1 SA-C5边”防护检查记录表施工现场“三宝” 、“四口”及“临施工单位边”防护措施方案临时用电安全管理资料施工现场施工临时用电验收表SA-C6-1施工现场电气线路绝缘强度测试记SA-C6-2录表施工现场临时用电接地电阻测试记SA-C6-3录表SA-C6施工现场电工巡检维修记录表SA-C6-4施工现场临时用电施工组织设计及施工单位变更资料施工现场总、分包临时用电安全管施工单位理协议施工现场电气设备测试、调试技术施工单位资料施工升降安全管理资料施工现场施工升降机安装/拆卸任SA-C7-1务书施工现场施工升降机安装/拆卸安SA-C7-2全和技术交底记录表SA-C7施工现场施工升降机基础验收表SA-C7-3施工现场施工升降机安装/拆卸过SA-C7-4程记录表施工现场施工升降机安装验收记录SA-C7-5表施工现场施工升降机接高验收记录工作相关及资料保存单位建设监理施工安装 /租赁单位单位单位拆卸单位单位······························.施工现场施工升降机运行记录施工单位续表 4.2.4资料表格编号施工现场安全管理资料名称编号或责任单位施工现场施工升降机维修保养记录施工单位施工现场机械租赁、使用、安装/拆卸安全管理协议书施工单位施工现场施工升降机安装/拆卸方案施工单位SA-C7施工现场施工升降机安装/拆卸报审报告施工单位施工现场施工升降机使用登记台账施工单位施工现场施工升降机登记备案记录施工单位塔吊及起重吊装安全管理资料施工现场塔吊式起重机安装/拆卸任务书SA-C8-1施工现场塔吊式起重机安装/拆卸安全和技术交底SA-C8-2施工现场塔式起重机基础验收记录SA-C8-3表施工现场塔式起重机轨道验收记录SA-C8-4表施工现场塔式起重机安装/拆卸过SA-C8程记录表SA-C8-5施工现场塔式起重机附着检查记录SA-C8-6表施工现场塔式起重机顶升检验记录SA-C8-7表施工现场塔式起重机安装验收记录SA-C8-8表施工现场塔式起重机安装垂直度测SA--8-9量记录表施工现场塔式起重机运行记录表SA-C8-10施工现场塔式起重机维修保养记录··工作相关及资料保存单位建设监理施工租赁安装 /拆卸单位单位单位单位单位·········································.续表 4.2.4资料表格编号施工现场安全管理资料名称编号或责任单位施工现场塔式起重机检查记录施工单位施工现场塔式起重机租赁、使用、施工单位安装 / 拆卸安全管理协议书租赁单位施工现场塔式起重机安装 /拆卸方施工单位案及群塔作业方案、起重吊装作业SA-C8租赁单位专项施工方案施工现场塔式起重机安装 /拆卸报施工单位审报告施工现场塔吊机组与信号工安全技施工单位术交底施工机具安全管理资料施工现场施工机具(物料提升机)SA-C9-1检查验收记录表施工现场施工机具(电动吊篮)检SA-C9-2查验收记录表施工现场施工机具(龙门吊)检查SA-C9-3验收记录表施工现场施工机具(打桩、钻孔机SA-C9-4械)检查验收记录表施工现场施工机具(装载机)检查SA-C9-5 SA-C9验收记录表施工现场施工机具(挖掘机)检查SA-C9-6验收记录表施工现场施工机具(混凝土泵)检SA-C9-7查验收记录表施工现场施工机具(混凝土搅拌机)SA-C9-8检查验收记录表施工现场施工机具(钢筋机械)检SA-C9-9查验收记录表施工现场施工机具(木工机械)检SA-C9-10查验收记录表施工现场施工机具安装验收记录表SA-C9-11工作相关及资料保存单位建设监理施工租赁安装 /拆卸单位单位单位单位单位··········································.编号SA-C9续表 4.2.4资料表格工作相关及资料保存单位施工现场安全管理资料名称编号或安装 /建设监理施工租赁责任单位单位单位单位拆卸单位单位施工现场施工机具维修保养记录表SA-C9-12··施工现场施工机具使用单位与租赁施工单位单位租赁、使用、安装/拆卸安全管···租赁单位理协议施工现场施工机具安全/拆卸方案租赁单位··施工现场文明生产(现场料具堆放、生活区)安全管理资料施工现场施工噪声监测记录表SA-C10-1··施工现场文明生产定期检查表SA-C10-2·施工现场办公室、生活区、食堂等施工单位·卫生管理制度施工现场应急药品、器材的登记及施工单位·使用记录SA-C1施工现场急性职业中毒应急预案施工单位·0施工现场食堂卫生许可证及炊事人施工单位·员的卫生、培训、体检证件施工现场各阶段现场存放材料堆放平面图及责任划分,材料存放、保施工单位··管制度施工现场成品保护措施施工单位··施工现场各种垃圾存放、消纳管理施工单位··制度施工现场环境保护管理方案施工单位··。
沧州市建筑施工企业工程项目安全生产标准化管理资料组卷分类表卷一:卷号组卷名称序号组卷资料目录备注一卷企业安全管理表AQ-C11.1 企业安全生产许可证书复印件表AQ-C1-011.2相关人员安全上岗证书登记表(附:企业法定代表人、主管安全副经理、安全科(处)长以及该工程项目经理、专职安全管理人员安全生产考核合格证书的复印件、安全资料员上岗证书复印件)表AQ-C1-02*1.3 企业安全生产岗位责任制度(文件形式)表AQ-C1-031.4 企业安全生产各项管理制度(文件形式)表AQ-C1-041.5 企业安全技术操作规程(文件形式)表AQ-C1-051.6 企业安全生产组织机构(文件形式)表AQ-C1-06卷二:卷号组卷名称序号组卷资料目录备注二卷项目安全管理表AQ-C22.1 工程项目概况表(附安全备案表、参加保险单据等复印件)表AQ-C2-012.2 工程项目部管理人员任命书表AQ-C2-022.3 工程项目部管理人员名单表AQ-C2-03*2.4 工程项目部安全生产保证体系表AQ-C2-042.5 项目部各级人员安全生产责任制表AQ-C2-052.6 项目部安全生产文明施工管理制度表AQ-C2-062.7 (公司与项目部签订)安全生产文明施工目标管理责任书表AQ-C2-072.8 工程项目安全生产文明施工管理目标表AQ-C2-082.9 项目安全生产文明施工管理目标责任考核办法表AQ-C2-092.10 项目安全生产文明施工管理目标责任分解表AQ-C2-10*2.11 项目安全生产文明施工管理目标责任考核表AQ-C2-11*2.12 项目施工人员目标考核评分表(CAK-SX09)表AQ-C2-12*2.13 项目安全生产奖惩记录表AQ-C2-13*2.14 班组安全生产协议书表AQ-C2-142.15 项目部安全会议记录表AQ-C2-15*2.16 建设工程开工安全工作报审表(B2.1)表AQ-C2-16卷三:卷号组卷名称序号组卷资料目录备注三卷安全教育管理表AQ-C33.1 项目安全教育培训计划表AQ-C3-01*3.2 新入场工人三级安全教育汇总表表AQ-C3-02*3.3 新入场工人三级安全教育登记卡(附内容及试卷)表AQ-C3-03卷号组卷名称序号组卷资料目录备注三卷安全教育管理表AQ-C33.4 安全教育记录表(适时教育)表AQ-C3-043.5 安全教育记录表(经常性教育)表AQ-C3-053.6 安全教育记录表(特种作业、机械操作人员教育)表AQ-C3-063.7 特种作业人员持证上岗花名册(附含年检栏的证书复印件)表AQ-C3-073.8 班组安全活动记录表表AQ-C3-08卷四:卷号组卷名称序号组卷资料目录备注四卷危险源管理表AQ-C44.1 危险源辨识与风险评价表表AQ-C4-01*4.2 重大危险源与控制计划清单表AQ-C4-02*4.3 重大危险源控制目标和管理方案表AQ-C4-03*卷五:卷号组卷名称序号组卷资料目录备注五卷安全技术管理表AQ-C55.1 建设工程施工组织设计报审表(B2.2)表AQ-C5-01*5.2 施工组织设计(审批)表AQ-C5-025.3 施工组织设计会签表表AQ-C5-035.4 施工现场总平面布置图表AQ-C5-045.5 施工现场安全标志平面图表AQ-C5-055.6 施工现场排水网络平面图表AQ-C5-065.7 危险性较大分部分项工程确认报审表(B2.4)表AQ-C5-075.8 危险性较大分部分项工程汇总表表AQ-C5-085.9 超过一定规模危险性较大分部分项工程专项方案专家论证表表AQ-C5-09*5.10 分部、分项安全技术交底清单表AQ-C5-105.11 分部、分项安全技术交底表AQ-C5-11卷六:卷号组卷名称序号组卷资料目录备注六卷分包方管理表AQ-C66.1 分包单位安全生产条件报审表(B3.1)表AQ-C6-016.2 分承包方考察评价表表AQ-C6-026.3 分承包方营业执照、资质证书、安全生产许可证(复印件)表AQ-C6-03卷号组卷名称序号组卷资料目录备注六卷分包方管理表AQ-C66.4 分包方施工人员名单表AQ-C6-046.5 分包方特种作业人员持证上岗花名册(附含年检栏的证书复印件)表AQ-C6-056.6 工程施工分包合同表AQ-C6-066.7 分包工程安全生产协议表AQ-C6-076.8 总包方对分包方进场的安全总交底表AQ-C6-08*6.9 安全物资工具设施设备移交单表AQ-C6-096.10 对分包方的安全监督检查记录表AQ-C6-10卷七:卷号组卷名称序号组卷资料目录备注七卷安全投入防护用品管理表AQ-C77.1 项目部安全生产资金投入计划表AQ-C7-01*7.2 安全费用投入清单表AQ-C7-02*7.3 安全防护用具进场查验登记表表AQ-C7-037.4 安全防护用品发放记录表AQ-C7-047.5 建设工程安全费用拨付申请表(用于Ⅰ类项目)(B5.1)表AQ-C7-057.6 安全防护、文明施工措施费用支付申请表(用于Ⅱ类项目)(B5.2)表AQ-C7-067.7 安全防护用品产品质量证明文件表AQ-C7-07卷八:卷号组卷名称序号组卷资料目录备注八卷脚手架工程管理表AQ-C88.1 脚手架施工方案报审表(B2.3)表AQ-C8-018.2 脚手架施工方案(审批)表AQ-C8-028.3 脚手架施工方案会签表表AQ-C8-038.4 脚手架施工安全技术交底表AQ-C8-048.5 落地式脚手架验收表表AQ-C8-058.6 悬挑式脚手架验收表表AQ-C8-068.7 挂脚手架安装验收表表AQ-C8-078.8 吊篮脚手架验收表表AQ-C8-088.9 附着式升降脚手架(整体提升架或爬架)验收表表AQ-C8-098.10 落地式卸料平台验收表表AQ-C8-108.11 悬挑式钢平台验收表表AQ-C8-118.12 脚手架临时/局部拆除移动审批表表AQ-C8-128.13 脚手架拆除审批监控记录表AQ-C8-138.14 脚手架用具产品质量证明文件表AQ-C8-14卷九:卷号组卷名称序号组卷资料目录备注九卷三宝四口安全防护管理表AQ-C99.1 施工现场安全防护方案报审表(B2.3)表AQ-C9-019.2 施工现场安全防护方案(审批)表AQ-C9-029.3 施工现场安全防护方案会签表表AQ-C9-039.4 现场防护安全技术交底表AQ-C9-049.5 安全平网架设验收表表AQ-C9-059.6 密目式安全网架设验收表表AQ-C9-069.7 四口临边防护验收表表AQ-C9-07*9.8 安全防护设施交接验收记录表AQ-C9-089.9 安全防护设施临时/局部拆除移动审批表表AQ-C9-099.10 安全防护用具检查维修保养记录表AQ-C9-10卷十:卷号组卷名称序号组卷资料目录备注十卷基坑工程管理表AQ-C1010.1 基坑工程施工方案报审表(B2.3)表AQ-C10-0110.2 基坑工程施工方案(审批)表AQ-C10-0210.3 基坑工程施工方案会签表表AQ-C10-0310.4 基坑工程施工安全技术交底表AQ-C10-0410.5 基坑支护验收表表AQ-C10-0510.6 基坑支护沉降观测记录表表AQ-C10-06*10.7 基坑支护水平位移观测记录表表AQ-C10-07*10.8 地上、地下管线保护措施验收记录表表AQ-C10-0810.9 人工挖孔桩防护检查表表AQ-C10-0910.10 特殊部位气体检测记录表AQ-C10-1010.11 地上、地下管线保护措施验收报审表(B2.9)表AQ-C10-11*10.12 人工挖孔桩防护检查报审表(B2.10) 表AQ-C10-12*10.13 特殊部位气体检测报审表(B2.11) 表AQ-C10-13*卷十一:卷号组卷名称序号组卷资料目录备注十一卷模板工程管理表AQ-C1111.1.1 模板工程施工方案报审表(B2.3)表AQ-C11.1-0111.1.2 模板工程施工方案(审批)表AQ-C11.1-0211.1.3 模板工程施工方案会签表表AQ-C11.1-0311.1.4 模板施工安全技术交底表AQ-C11.1-0411.1.5 模板工程验收表表AQ-C11.1-0511.1.6 模板拆除申请表(附报告)表AQ-C11.1-06十一卷起重吊装管理表AQ-C1111.2.1 起重吊装施工方案报审表(B2.3)表AQ-C11.2-0111.2.2 起重吊装施工方案(审批)表AQ-C11.2-0211.2.3 起重吊装施工方案会签表表AQ-C11.2-0311.2.4 起重吊装作业安全技术交底表AQ-C11.2-04*11.2.5 起重吊装作业人员及机械查验表表AQ-C11.2-0511.2.6 起重吊装作业人员及机械查验报审表(B2.12) 表AQ-C11.2-06卷十二:卷号组卷名称序号组卷资料目录备注十二卷施工用电管理表AQ-C1212.1 临时用电施工组织设计报审表(B2.3)表AQ-C12-0112.2 临时用电施工组织设计(审批)表AQ-C12-0212.3 临时用电施工组织设计会签表表AQ-C12-0312.4 临时用电施工安全技术交底表AQ-C12-0412.5 施工现场临时用电验收表表AQ-C12-0512.6 电气线路绝缘强度测试记录表表AQ-C12-0612.7 接地电阻测试记录表表AQ-C12-0712.8 漏电保护器检测记录表表AQ-C12-0812.9 安全用电设施交接验收记录表AQ-C12-0912.10 电工巡检维修记录表AQ-C12-1012.11 临时用电产品质量证明文件表AQ-C12-11卷十三:卷号组卷名称序号组卷资料目录备注十三卷施工机具管理表AQ-C1313.1 项目部机械设备台帐表AQ-C13-0113.2 进场机械设备验收表表AQ-C13-0213.3 施工机具安装验收表表AQ-C13-0313.4 施工机具安全使用技术交底表AQ-C13-0413.5 施工现场机械设备维护保养记录表AQ-C13-0513.6 施工现场机械设备交接班记录表AQ-C13-0613.7 主要施工机械设施安全报审表(B2.5)表AQ-C13-07卷十四:卷号组卷名称序号组卷资料目录备注十四卷起重机械设备管理表AQ-C1414.1.1 物料提升机安装/拆除施工方案报审表(B2.3)表AQ-C14.1-0114.1.2 物料提升机安装/拆除施工方案(审批)表AQ-C14.1-0214.1.3 物料提升机安装/拆除施工方案会签表表AQ-C14.1-03十四卷起重机械设备管理表AQ-C14物料提升机管理起重机械设备管理表AQ-C14塔机管理起重机械设备管理表AQ-C14施工升降机管理14.1.4 物料提升机安装/拆除安全技术交底表AQ-C14.1-0414.1.5 起重机械基础处理报告单(物料提升机)表AQ-C14.1-0514.1.6 物料提升机安装/拆除过程记录表AQ-C14.1-0614.1.7 物料提升机安装验收表(自检报告)表AQ-C14.1-07*14.1.8 起重机械定期维护检测记录表AQ-C14.1-0814.1.9 施工现场起重机械安装/拆除报审表(B2.6)表AQ-C14.1-0914.1.10施工现场起重机械验收核查表(B2.7)表AQ-C14.1-1014.1.11 物料提升机其他相关资料表AQ-C14.1-1114.2.1 塔式起重机安装/拆除施工方案报审表(B2.3)表AQ-C14.2-0114.2.2 塔式起重机安装/拆除施工方案(审批)表AQ-C14.2-0214.2.3 塔式起重机安装/拆除施工方案会签表表AQ-C14.2-0314.2.4 塔式起重机安装、拆除安全技术交底表AQ-C14.2-0414.2.5 起重机械基础处理报告单(塔式起重机)表AQ-C14.2-0514.2.6 塔式起重机安装/拆除过程记录表AQ-C14.2-0614.2.7 塔式起重机安装验收表(自检报告)表AQ-C14.2-07*14.2.8 塔式起重机顶升检验记录表AQ-C14.2-0814.2.9 塔式起重机附着锚固检验记录表AQ-C14.2-0914.2.10起重机械定期维护检测记录表AQ-C14.2-1014.2.11施工现场起重机械安装/拆除报审表(B2.6)表AQ-C14.2-1114.2.12 施工现场起重机械验收核查表(B2.7)表AQ-C14.2-1214.2.13 施工现场起重机械顶升/附着报审表(B2.8)表AQ-C14.2-1314.2.14 塔式起重机其他相关资料表AQ-C14.2-1414.3.1 施工升降机安装、拆除施工方案报审表(B2.3)表AQ-C14.3-0114.3.2 施工升降机安装、拆除施工方案(审批)表AQ-C14.3-0214.3.3 施工升降机安装、拆除施工方案会签表表AQ-C14.3-0314.3.4 施工升降机安装/拆除安全技术交底表AQ-C14.3-0414.3.5 起重机械基础处理报告单(施工升降机)表AQ-C14.3-0514.3.6 施工升降机安装/拆除过程记录表AQ-C14.3-0614.3.7 施工升降机安装验收表(自检报告)表AQ-C14.3-07*14.3.8 起重机械定期维护检测记录表AQ-C14.3-0814.3.9 施工现场起重机械安装/拆除报审表(B2.6)表AQ-C14.3-0914.3.10 施工现场起重机械验收核查表(B2.7)表AQ-C14.3-1014.3.11 施工升降机其他相关资料表AQ-C14.3-11卷号组卷名称序号组卷资料目录备注十五卷安全检查与改进管理表AQ-C1515.1 公司对项目安全检查记录表AQ-C15-0115.2 项目部安全检查记录表AQ-C15-0215.3 隐患整改通知单表AQ-C15-0315.4 建筑施工安全检查评分表表AQ-C15-0415.5 项目违章处罚记录(附凭证)表AQ-C15-05*15.6 施工安全日志表AQ-C15-06*15.7 安全监理整改通知单(B4.2)表AQ-C15-0715.8 安全整改通知回复单(B4.3)表AQ-C15-0815.9 建设工程安全监理暂停令(B4.5)表AQ-C15-0915.10 建设工程复工报审表(B4.7)表AQ-C15-10*15.11 建设工程复工申请表AQ-C15-11卷十六:卷号组卷名称序号组卷资料目录备注十六卷文明施工消防保卫管理表AQ-C1616. 1 文明施工方案报审表(B2.3)表AQ-C16-0116. 2 文明施工方案(审批)表AQ-C16-0216. 3 文明施工方案会签表表AQ-C16-0316. 4 项目部施工生活区设施消防设备平面布置图表AQ-C16-0416. 5 文明施工技术交底(含临建围挡设施搭设、拆除等方面的安全技术交底)表AQ-C16-05*16. 6 围挡设施验收表表AQ-C16-06*16. 7 临建设施验收表表AQ-C16-07*16. 8 项目部消防保卫卫生管理制度表AQ-C16-0816.9 应急药品器材使用登记表表AQ-C16-09*16.10 项目部消防重点部位登记表表AQ-C16-10*16.11 食堂及炊事人员证件表AQ-C16-1116.12 动火许可证表AQ-C16-12卷号组卷名称序号组卷资料目录备注十七卷应急救援事故控制管理表AQ-C1717. 1 工程项目生产安全事故应急预案表AQ-C17-0117. 2 工程项目应急救援人员名单表AQ-C17-0217. 3 工程项目应急救援器材清单表AQ-C17-0317. 4 施工现场应急培训记录表AQ-C17-0417. 5 施工现场应急演练记录表AQ-C17-0517. 6 职工伤亡事故月报表表AQ-C17-0617. 7 施工伤亡事故快报表表AQ-C17-0717. 8 事故调查和处理相关资料表AQ-C17-08卷十八:卷号组卷名称序号组卷资料目录备注十八卷其他方面管理表AQ-C1818.1 上级、公司(分支机构)下发文件表AQ-C18-0118.2 发往项目部安全监理通知表AQ-C18-0218.3 发往项目部安全监理工作联系单表AQ-C18-0318.4 安全生产有关函件和电话记录表AQ-C18-0418.5 安全生产隐患排查记录表AQ-C18-0518.6 上级部门检查有关记录表AQ-C18-0618.7 其他……注1:“B2.1”为对应“安全监理资料组卷分类表”中对应表编号,其他同;注2: 5.10项:此卷存放其他各卷未明确要求存放的安全技术交底内容资料;注3:备注中“表格识别编号”加*号的为参考用表;“表格识别编号”有关释义参见“附录C”;。
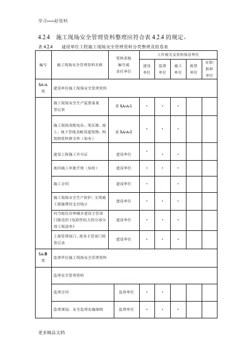
4.2.4 施工现场安全管理资料整理应符合表4.2.4的规定。
表4.2.4 建设单位工程施工现场安全管理资料分类整理及组卷表编号施工现场安全管理资料名称资料表格编号或责任单位工作相关及资料保存单位建设单位监理单位施工单位租赁单位安装/拆卸单位SA-A类建设单位施工现场安全管理资料施工现场安全生产监督备案登记表表SA-A-1 ···施工现场变配电站、变压器、地上、地下管线及毗邻建筑物、构筑物资料移交单(如有)表SA-A-2···建设工程施工许可证建设单位···夜间施工审批手续(如有)建设单位···施工合同建设单位··施工现场安全生产防护、文明施工措施费用支付统计建设单位···向当地住房和城乡建设主管部门报送的《危险性较大的分部分项工程清单》建设单位···上级管理部门、政务主管部门检查记录建设单位···SA-B类监理单位施工现场安全管理资料监理安全管理资料监理合同监理单位··监理规划、安全监理实施细则监理单位···安全监理专题会议纪要监理单位···续表 4.2.4编号施工现场安全管理资料名称资料表格编号或责任单位工作相关及资料保存单位建设单位监理单位施工单位租赁单位安装/拆卸单位SA-B2 监理安全审核工作记录工程技术文件报审表表SA-B2-1 ···施工现场施工起重机械安装/拆卸报审表表SA-B2-2 ·····施工现场施工起重机械验收核查表表SA-B2-3 ·····施工现场安全隐患报告书表SA-B2-4 ···工作联系单表SA-B2-5 ··监理通知表SA-B2-6 ···工程暂停令表SA-B2-7 ···工程复工报审表表SA-B2-8 ···安全生产防护、文明施工措施费用支付申请表表SA-B2-9 ···安全生产防护、文明施工措施费用支付证书表SA-B2-10 ···施工单位安全生产管理体系审核资料监理单位··施工单位专项安全施工方案及工程项目应急救援预案审核资料监理单位··SA-C类施工单位施工现场安全管理资料SA-C1 安全控制管理资料施工现场安全生产管理概况表SA-C1-1 ···施工现场重大危险源识别汇总表SA-C1-2 ···施工现场重大危险源控制措施表SA-C1-3 ···施工现场危险性较大的分部分项工程专项施工方案表SA-C1-4 ···施工现场超过一定规模危险性较大的分部分项工程专家论证表SA-C1-5 ···施工监测安全生产检查汇总表SA-C1-6 ···施工现场安全生产管理检查评分表SA-C1-7 ··续表 4.2.4编号施工现场安全管理资料名称资料表格编号或责任单位工作相关及资料保存单位建设单位监理单位施工单位租赁单位安装/拆卸单位SA-C1 施工现场文明施工检查评分表SA-C1-8 ·施工现场落地式脚手架检查评分表SA-C1-9-1 ··施工现场悬挑式脚手架检查评分表SA-C1-9-2 ·施工现场门型脚手架检查评分表SA-C1-9-3 ·施工现场挂脚手架检查评分表SA-C1-9-4 ·施工现场吊篮脚手架检查评分表SA-C1-9-5 ·施工现场附着式升降脚手架提升架或爬架检查评分表SA-C1-9-6 ·施工现场基坑土方及支护安全检查评分表SA-C1-10 ·施工现场模板工程安全检查评分表SA-C1-11 ·施工现场“三宝”、“四口”及“临边”防护检查评分表SA-C1-12 ·施工现场施工用电检查评分表SA-C1-13 ·施工现场物料提升机(龙门架、井字架)检查评分表SA-C1-14-1 ·施工现场外用电梯(人货两用电梯)检查评分表SA-C1-14-2 ·施工现场塔吊检查评分表SA-C1-15 ·施工现场起重吊装安全检查评分表SA-C1-16 ·施工现场施工机具检查评分表SA-C1-17 ·施工现场安全技术交底汇总表SA-C1-18 ··施工现场安全技术交底表SA-C1-19 ·施工现场作业人员安全教育记录表SA-C1-20 ·施工现场安全事故原因调查表SA-C1-21 ···施工现场特种作业人员登记表SA-C1-22 ··施工现场地上、地下管线保护措施验收记录表SA-C1-23 ··续表 4.2.4编号施工现场安全管理资料名称资料表格编号或责任单位工作相关及资料保存单位建设单位监理单位施工单位租赁单位安装/拆卸单位SA-C1 施工现场安全防护用品合格证及检测资料登记表SA-C1-24 ·施工现场施工安全日记表SA-C1-25 ·施工现场班(组)班前讲话记录表SA-C1-26 ·施工现场安全检查隐患整改记录表SA-C1-27 ···监理通知回复单SA-C1-28 ···施工现场安全生产责任制施工单位··施工现场总分包安全管理协议书施工单位··施工现场施工组织设计及专项安全技术措施施工单位··施工现场冬雨风季施工方案施工单位··施工现场安全资金投入记录施工单位··施工现场生产安全事故应急预案施工单位···施工现场安全标识施工单位·施工现场自身检查违章处理记录施工单位·本单位上级管理部门、政府主管部门检查记录施工单位···SA-C2 施工现场消防保卫安全管理资料施工现场消防重点部位登记表SA-C2-1 ···施工现场用火作业审批表SA-C2-2 ·施工现场消防保卫定期检查表SA-C2-3 ·施工现场居民来访纪录施工单位·施工现场消防设备平面图施工单位··施工现场消防保卫制度及应急预案施工单位··施工现场消防保卫协议施工单位··续表 4.2.4编号施工现场安全管理资料名称资料表格编号或责任单位工作相关及资料保存单位建设单位监理单位施工单位租赁单位安装/拆卸单位SA-C2 施工现场消防保卫组织机构及活动记录施工单位··施工现场消防审批手续施工单位··施工现场消防设施、器材维修记录施工单位·施工现场防火等高温作业施工安全措施及交底施工单位··施工现场警卫人员值班、巡查工作记录施工单位·SA-C3 脚手架安全管理资料施工现场钢管扣件式脚手架支撑体系验收表SA-C3-1 ··施工现场落地式(悬挑)脚手架搭设验收表SA-C3-2 ··施工现场工具式脚手架安装验收表SA-C3-3 ··施工现场脚手架、卸料平台及支撑体系设计及施工方案施工单位··SA-C4 基坑支护与模板工程安全管理资料施工现场基坑支护验收表SA-C4-1 施工现场基坑支护沉降观察记录SA-C4-2施工现场基坑支护水平位移观察记录表SA-C4-3 施工现场人工挖孔桩防护检查表SA-C4-4 施工现场特殊部位气体检测记录表SA-C4-5 施工现场模板工程验收表SA-C4-6施工现场基坑、土方、护坡及模板施工方案施工单位续表 4.2.4编号施工现场安全管理资料名称资料表格编号或责任单位工作相关及资料保存单位建设单位监理单位施工单位租赁单位安装/拆卸单位SA-C5 “三宝”、“四口”及“临边”防护安全管理资料施工现场“三宝”、“四口”及“临边”防护检查记录表SA-C5-1 ··施工现场“三宝”、“四口”及“临边”防护措施方案施工单位·SA-C6 临时用电安全管理资料施工现场施工临时用电验收表SA-C6-1 ··施工现场电气线路绝缘强度测试记录表SA-C6-2 ··施工现场临时用电接地电阻测试记录表SA-C6-3 ··施工现场电工巡检维修记录表SA-C6-4 ·施工现场临时用电施工组织设计及变更资料施工单位··施工现场总、分包临时用电安全管理协议施工单位··施工现场电气设备测试、调试技术资料施工单位·SA-C7 施工升降安全管理资料施工现场施工升降机安装/拆卸任务书SA-C7-1 ···施工现场施工升降机安装/拆卸安全和技术交底记录表SA-C7-2 ···施工现场施工升降机基础验收表SA-C7-3 ···施工现场施工升降机安装/拆卸过程记录表SA-C7-4 ···施工现场施工升降机安装验收记录SA-C7-5 ···表施工现场施工升降机接高验收记录表SA-C7-6 ···施工现场施工升降机运行记录施工单位··续表 4.2.4编号施工现场安全管理资料名称资料表格编号或责任单位工作相关及资料保存单位建设单位监理单位施工单位租赁单位安装/拆卸单位SA-C7 施工现场施工升降机维修保养记录施工单位··施工现场机械租赁、使用、安装/拆卸安全管理协议书施工单位····施工现场施工升降机安装/拆卸方案施工单位···施工现场施工升降机安装/拆卸报审报告施工单位····施工现场施工升降机使用登记台账施工单位·施工现场施工升降机登记备案记录施工单位·SA-C8 塔吊及起重吊装安全管理资料施工现场塔吊式起重机安装/拆卸任务书SA-C8-1 ···施工现场塔吊式起重机安装/拆卸安全和技术交底SA-C8-2 ···施工现场塔式起重机基础验收记录表SA-C8-3 ··施工现场塔式起重机轨道验收记录表SA-C8-4 ··施工现场塔式起重机安装/拆卸过程记录表SA-C8-5 ···施工现场塔式起重机附着检查记录表SA-C8-6 ···施工现场塔式起重机顶升检验记录表SA-C8-7 ···施工现场塔式起重机安装验收记录表SA-C8-8 ···施工现场塔式起重机安装垂直度测SA--8-9 ···量记录表施工现场塔式起重机运行记录表SA-C8-10 ·施工现场塔式起重机维修保养记录表SA-C8-11 ·续表 4.2.4编号施工现场安全管理资料名称资料表格编号或责任单位工作相关及资料保存单位建设单位监理单位施工单位租赁单位安装/拆卸单位SA-C8 施工现场塔式起重机检查记录施工单位···施工现场塔式起重机租赁、使用、安装/拆卸安全管理协议书施工单位租赁单位····施工现场塔式起重机安装/拆卸方案及群塔作业方案、起重吊装作业专项施工方案施工单位租赁单位····施工现场塔式起重机安装/拆卸报审报告施工单位····施工现场塔吊机组与信号工安全技术交底施工单位·SA-C9 施工机具安全管理资料施工现场施工机具(物料提升机)检查验收记录表SA-C9-1 ···施工现场施工机具(电动吊篮)检查验收记录表SA-C9-2 ···施工现场施工机具(龙门吊)检查验收记录表SA-C9-3 ···施工现场施工机具(打桩、钻孔机械)检查验收记录表SA-C9-4 ···施工现场施工机具(装载机)检查验收记录表SA-C9-5 ··施工现场施工机具(挖掘机)检查验收记录表SA-C9-6 ··施工现场施工机具(混凝土泵)检查验收记录表SA-C9-7 ··施工现场施工机具(混凝土搅拌机)检查验收记录表SA-C9-8 ··施工现场施工机具(钢筋机械)检查验收记录表SA-C9-9 ··施工现场施工机具(木工机械)检查验收记录表SA-C9-10 ··施工现场施工机具安装验收记录表SA-C9-11 ··续表 4.2.4编号施工现场安全管理资料名称资料表格编号或责任单位工作相关及资料保存单位建设单位监理单位施工单位租赁单位安装/拆卸单位SA-C9 施工现场施工机具维修保养记录表SA-C9-12 ··施工现场施工机具使用单位与租赁单位租赁、使用、安装/拆卸安全管理协议施工单位租赁单位···施工现场施工机具安全/拆卸方案租赁单位··SA-C10 施工现场文明生产(现场料具堆放、生活区)安全管理资料施工现场施工噪声监测记录表SA-C10-1 ··施工现场文明生产定期检查表SA-C10-2 ·施工现场办公室、生活区、食堂等卫生管理制度施工单位·施工现场应急药品、器材的登记及使用记录施工单位·施工现场急性职业中毒应急预案施工单位·施工现场食堂卫生许可证及炊事人员的卫生、培训、体检证件施工单位·施工现场各阶段现场存放材料堆放平面图及责任划分,材料存放、保管制度施工单位··施工现场成品保护措施施工单位··施工现场各种垃圾存放、消纳管理制度施工单位··施工现场环境保护管理方案施工单位··。
沧州市建筑施工企业工程项目安全生产标准化管理资料组卷分类表卷一:卷号组卷名称序号组卷资料目录备注一卷企业安全管理表AQ-C11.1 企业安全生产许可证书复印件表AQ-C1-011.2相关人员安全上岗证书登记表(附:企业法定代表人、主管安全副经理、安全科(处)长以及该工程项目经理、专职安全管理人员安全生产考核合格证书的复印件、安全资料员上岗证书复印件)表AQ-C1-02*1.3 企业安全生产岗位责任制度(文件形式)表AQ-C1-031.4 企业安全生产各项管理制度(文件形式)表AQ-C1-041.5 企业安全技术操作规程(文件形式)表AQ-C1-051.6 企业安全生产组织机构(文件形式)表AQ-C1-06卷二:卷号组卷名称序号组卷资料目录备注二卷项目安全管理表AQ-C22.1 工程项目概况表(附安全备案表、参加保险单据等复印件)表AQ-C2-012.2 工程项目部管理人员任命书表AQ-C2-022.3 工程项目部管理人员名单表AQ-C2-03*2.4 工程项目部安全生产保证体系表AQ-C2-042.5 项目部各级人员安全生产责任制表AQ-C2-052.6 项目部安全生产文明施工管理制度表AQ-C2-062.7 (公司与项目部签订)安全生产文明施工目标管理责任书表AQ-C2-072.8 工程项目安全生产文明施工管理目标表AQ-C2-082.9 项目安全生产文明施工管理目标责任考核办法表AQ-C2-092.10 项目安全生产文明施工管理目标责任分解表AQ-C2-10*2.11 项目安全生产文明施工管理目标责任考核表AQ-C2-11*2.12 项目施工人员目标考核评分表(CAK-SX09)表AQ-C2-12*2.13 项目安全生产奖惩记录表AQ-C2-13*2.14 班组安全生产协议书表AQ-C2-142.15 项目部安全会议记录表AQ-C2-15*2.16 建设工程开工安全工作报审表(B2.1)表AQ-C2-16卷三:卷号组卷名称序号组卷资料目录备注三卷安全教育管理表AQ-C33.1 项目安全教育培训计划表AQ-C3-01*3.2 新入场工人三级安全教育汇总表表AQ-C3-02*3.3 新入场工人三级安全教育登记卡(附内容及试卷)表AQ-C3-03卷号组卷名称序号组卷资料目录备注三卷安全教育管理表AQ-C33.4 安全教育记录表(适时教育)表AQ-C3-043.5 安全教育记录表(经常性教育)表AQ-C3-053.6 安全教育记录表(特种作业、机械操作人员教育)表AQ-C3-063.7 特种作业人员持证上岗花名册(附含年检栏的证书复印件)表AQ-C3-073.8 班组安全活动记录表表AQ-C3-08卷四:卷号组卷名称序号组卷资料目录备注四卷危险源管理表AQ-C44.1 危险源辨识与风险评价表表AQ-C4-01*4.2 重大危险源与控制计划清单表AQ-C4-02*4.3 重大危险源控制目标和管理方案表AQ-C4-03*卷五:卷号组卷名称序号组卷资料目录备注五卷安全技术管理表AQ-C55.1 建设工程施工组织设计报审表(B2.2)表AQ-C5-01*5.2 施工组织设计(审批)表AQ-C5-025.3 施工组织设计会签表表AQ-C5-035.4 施工现场总平面布置图表AQ-C5-045.5 施工现场安全标志平面图表AQ-C5-055.6 施工现场排水网络平面图表AQ-C5-065.7 危险性较大分部分项工程确认报审表(B2.4)表AQ-C5-075.8 危险性较大分部分项工程汇总表表AQ-C5-085.9 超过一定规模危险性较大分部分项工程专项方案专家论证表表AQ-C5-09*5.10 分部、分项安全技术交底清单表AQ-C5-105.11 分部、分项安全技术交底表AQ-C5-11卷六:卷号组卷名称序号组卷资料目录备注六卷分包方管理表AQ-C66.1 分包单位安全生产条件报审表(B3.1)表AQ-C6-016.2 分承包方考察评价表表AQ-C6-026.3 分承包方营业执照、资质证书、安全生产许可证(复印件)表AQ-C6-03卷号组卷名称序号组卷资料目录备注六卷分包方管理表AQ-C66.4 分包方施工人员名单表AQ-C6-046.5 分包方特种作业人员持证上岗花名册(附含年检栏的证书复印件)表AQ-C6-056.6 工程施工分包合同表AQ-C6-066.7 分包工程安全生产协议表AQ-C6-076.8 总包方对分包方进场的安全总交底表AQ-C6-08*6.9 安全物资工具设施设备移交单表AQ-C6-096.10 对分包方的安全监督检查记录表AQ-C6-10卷七:卷号组卷名称序号组卷资料目录备注七卷安全投入防护用品管理表AQ-C77.1 项目部安全生产资金投入计划表AQ-C7-01*7.2 安全费用投入清单表AQ-C7-02*7.3 安全防护用具进场查验登记表表AQ-C7-037.4 安全防护用品发放记录表AQ-C7-047.5 建设工程安全费用拨付申请表(用于Ⅰ类项目)(B5.1)表AQ-C7-057.6 安全防护、文明施工措施费用支付申请表(用于Ⅱ类项目)(B5.2)表AQ-C7-067.7 安全防护用品产品质量证明文件表AQ-C7-07卷八:卷号组卷名称序号组卷资料目录备注八卷脚手架工程管理表AQ-C88.1 脚手架施工方案报审表(B2.3)表AQ-C8-018.2 脚手架施工方案(审批)表AQ-C8-028.3 脚手架施工方案会签表表AQ-C8-038.4 脚手架施工安全技术交底表AQ-C8-048.5 落地式脚手架验收表表AQ-C8-058.6 悬挑式脚手架验收表表AQ-C8-068.7 挂脚手架安装验收表表AQ-C8-078.8 吊篮脚手架验收表表AQ-C8-088.9 附着式升降脚手架(整体提升架或爬架)验收表表AQ-C8-098.10 落地式卸料平台验收表表AQ-C8-108.11 悬挑式钢平台验收表表AQ-C8-118.12 脚手架临时/局部拆除移动审批表表AQ-C8-128.13 脚手架拆除审批监控记录表AQ-C8-138.14 脚手架用具产品质量证明文件表AQ-C8-14卷九:卷号组卷名称序号组卷资料目录备注九卷三宝四口安全防护管理表AQ-C99.1 施工现场安全防护方案报审表(B2.3)表AQ-C9-019.2 施工现场安全防护方案(审批)表AQ-C9-029.3 施工现场安全防护方案会签表表AQ-C9-039.4 现场防护安全技术交底表AQ-C9-049.5 安全平网架设验收表表AQ-C9-059.6 密目式安全网架设验收表表AQ-C9-069.7 四口临边防护验收表表AQ-C9-07*9.8 安全防护设施交接验收记录表AQ-C9-089.9 安全防护设施临时/局部拆除移动审批表表AQ-C9-099.10 安全防护用具检查维修保养记录表AQ-C9-10卷十:卷号组卷名称序号组卷资料目录备注十卷基坑工程管理表AQ-C1010.1 基坑工程施工方案报审表(B2.3)表AQ-C10-0110.2 基坑工程施工方案(审批)表AQ-C10-0210.3 基坑工程施工方案会签表表AQ-C10-0310.4 基坑工程施工安全技术交底表AQ-C10-0410.5 基坑支护验收表表AQ-C10-0510.6 基坑支护沉降观测记录表表AQ-C10-06*10.7 基坑支护水平位移观测记录表表AQ-C10-07*10.8 地上、地下管线保护措施验收记录表表AQ-C10-0810.9 人工挖孔桩防护检查表表AQ-C10-0910.10 特殊部位气体检测记录表AQ-C10-1010.11 地上、地下管线保护措施验收报审表(B2.9)表AQ-C10-11*10.12 人工挖孔桩防护检查报审表(B2.10) 表AQ-C10-12*10.13 特殊部位气体检测报审表(B2.11) 表AQ-C10-13*卷十一:卷号组卷名称序号组卷资料目录备注十一卷模板工程管理表AQ-C1111.1.1 模板工程施工方案报审表(B2.3)表AQ-C11.1-0111.1.2 模板工程施工方案(审批)表AQ-C11.1-0211.1.3 模板工程施工方案会签表表AQ-C11.1-0311.1.4 模板施工安全技术交底表AQ-C11.1-0411.1.5 模板工程验收表表AQ-C11.1-0511.1.6 模板拆除申请表(附报告)表AQ-C11.1-06十一卷起重吊装管理表AQ-C1111.2.1 起重吊装施工方案报审表(B2.3)表AQ-C11.2-0111.2.2 起重吊装施工方案(审批)表AQ-C11.2-0211.2.3 起重吊装施工方案会签表表AQ-C11.2-0311.2.4 起重吊装作业安全技术交底表AQ-C11.2-04*11.2.5 起重吊装作业人员及机械查验表表AQ-C11.2-0511.2.6 起重吊装作业人员及机械查验报审表(B2.12) 表AQ-C11.2-06卷十二:卷号组卷名称序号组卷资料目录备注十二卷施工用电管理表AQ-C1212.1 临时用电施工组织设计报审表(B2.3)表AQ-C12-0112.2 临时用电施工组织设计(审批)表AQ-C12-0212.3 临时用电施工组织设计会签表表AQ-C12-0312.4 临时用电施工安全技术交底表AQ-C12-0412.5 施工现场临时用电验收表表AQ-C12-0512.6 电气线路绝缘强度测试记录表表AQ-C12-0612.7 接地电阻测试记录表表AQ-C12-0712.8 漏电保护器检测记录表表AQ-C12-0812.9 安全用电设施交接验收记录表AQ-C12-0912.10 电工巡检维修记录表AQ-C12-1012.11 临时用电产品质量证明文件表AQ-C12-11卷十三:卷号组卷名称序号组卷资料目录备注十三卷施工机具管理表AQ-C1313.1 项目部机械设备台帐表AQ-C13-0113.2 进场机械设备验收表表AQ-C13-0213.3 施工机具安装验收表表AQ-C13-0313.4 施工机具安全使用技术交底表AQ-C13-0413.5 施工现场机械设备维护保养记录表AQ-C13-0513.6 施工现场机械设备交接班记录表AQ-C13-0613.7 主要施工机械设施安全报审表(B2.5)表AQ-C13-07卷十四:卷号组卷名称序号组卷资料目录备注十四卷起重机械设备管理表AQ-C1414.1.1 物料提升机安装/拆除施工方案报审表(B2.3)表AQ-C14.1-0114.1.2 物料提升机安装/拆除施工方案(审批)表AQ-C14.1-0214.1.3 物料提升机安装/拆除施工方案会签表表AQ-C14.1-03十四卷起重机械设备管理表AQ-C14物料提升机管理起重机械设备管理表AQ-C14塔机管理起重机械设备管理表AQ-C14施工升降机管理14.1.4 物料提升机安装/拆除安全技术交底表AQ-C14.1-0414.1.5 起重机械基础处理报告单(物料提升机)表AQ-C14.1-0514.1.6 物料提升机安装/拆除过程记录表AQ-C14.1-0614.1.7 物料提升机安装验收表(自检报告)表AQ-C14.1-07*14.1.8 起重机械定期维护检测记录表AQ-C14.1-0814.1.9 施工现场起重机械安装/拆除报审表(B2.6)表AQ-C14.1-0914.1.10施工现场起重机械验收核查表(B2.7)表AQ-C14.1-1014.1.11 物料提升机其他相关资料表AQ-C14.1-1114.2.1 塔式起重机安装/拆除施工方案报审表(B2.3)表AQ-C14.2-0114.2.2 塔式起重机安装/拆除施工方案(审批)表AQ-C14.2-0214.2.3 塔式起重机安装/拆除施工方案会签表表AQ-C14.2-0314.2.4 塔式起重机安装、拆除安全技术交底表AQ-C14.2-0414.2.5 起重机械基础处理报告单(塔式起重机)表AQ-C14.2-0514.2.6 塔式起重机安装/拆除过程记录表AQ-C14.2-0614.2.7 塔式起重机安装验收表(自检报告)表AQ-C14.2-07*14.2.8 塔式起重机顶升检验记录表AQ-C14.2-0814.2.9 塔式起重机附着锚固检验记录表AQ-C14.2-0914.2.10起重机械定期维护检测记录表AQ-C14.2-1014.2.11施工现场起重机械安装/拆除报审表(B2.6)表AQ-C14.2-1114.2.12 施工现场起重机械验收核查表(B2.7)表AQ-C14.2-1214.2.13 施工现场起重机械顶升/附着报审表(B2.8)表AQ-C14.2-1314.2.14 塔式起重机其他相关资料表AQ-C14.2-1414.3.1 施工升降机安装、拆除施工方案报审表(B2.3)表AQ-C14.3-0114.3.2 施工升降机安装、拆除施工方案(审批)表AQ-C14.3-0214.3.3 施工升降机安装、拆除施工方案会签表表AQ-C14.3-0314.3.4 施工升降机安装/拆除安全技术交底表AQ-C14.3-0414.3.5 起重机械基础处理报告单(施工升降机)表AQ-C14.3-0514.3.6 施工升降机安装/拆除过程记录表AQ-C14.3-0614.3.7 施工升降机安装验收表(自检报告)表AQ-C14.3-07*14.3.8 起重机械定期维护检测记录表AQ-C14.3-0814.3.9 施工现场起重机械安装/拆除报审表(B2.6)表AQ-C14.3-0914.3.10 施工现场起重机械验收核查表(B2.7)表AQ-C14.3-1014.3.11 施工升降机其他相关资料表AQ-C14.3-11十五卷安全检查与改进管理表AQ-C1515.1 公司对项目安全检查记录表AQ-C15-0115.2 项目部安全检查记录表AQ-C15-0215.3 隐患整改通知单表AQ-C15-0315.4 建筑施工安全检查评分表表AQ-C15-0415.5 项目违章处罚记录(附凭证)表AQ-C15-05*15.6 施工安全日志表AQ-C15-06*15.7 安全监理整改通知单(B4.2)表AQ-C15-0715.8 安全整改通知回复单(B4.3)表AQ-C15-0815.9 建设工程安全监理暂停令(B4.5)表AQ-C15-0915.10 建设工程复工报审表(B4.7)表AQ-C15-10*15.11 建设工程复工申请表AQ-C15-11卷十六:卷号组卷名称序号组卷资料目录备注十六卷文明施工消防保卫管理表AQ-C1616. 1 文明施工方案报审表(B2.3)表AQ-C16-0116. 2 文明施工方案(审批)表AQ-C16-0216. 3 文明施工方案会签表表AQ-C16-0316. 4 项目部施工生活区设施消防设备平面布置图表AQ-C16-0416. 5 文明施工技术交底(含临建围挡设施搭设、拆除等方面的安全技术交底)表AQ-C16-05*16. 6 围挡设施验收表表AQ-C16-06*16. 7 临建设施验收表表AQ-C16-07*16. 8 项目部消防保卫卫生管理制度表AQ-C16-0816.9 应急药品器材使用登记表表AQ-C16-09*16.10 项目部消防重点部位登记表表AQ-C16-10*16.11 食堂及炊事人员证件表AQ-C16-1116.12 动火许可证表AQ-C16-12十七卷应急救援事故控制管理表AQ-C1717. 1 工程项目生产安全事故应急预案表AQ-C17-0117. 2 工程项目应急救援人员名单表AQ-C17-0217. 3 工程项目应急救援器材清单表AQ-C17-0317. 4 施工现场应急培训记录表AQ-C17-0417. 5 施工现场应急演练记录表AQ-C17-0517. 6 职工伤亡事故月报表表AQ-C17-0617. 7 施工伤亡事故快报表表AQ-C17-0717. 8 事故调查和处理相关资料表AQ-C17-08卷十八:卷号组卷名称序号组卷资料目录备注十八卷其他方面管理表AQ-C1818.1 上级、公司(分支机构)下发文件表AQ-C18-0118.2 发往项目部安全监理通知表AQ-C18-0218.3 发往项目部安全监理工作联系单表AQ-C18-0318.4 安全生产有关函件和电话记录表AQ-C18-0418.5 安全生产隐患排查记录表AQ-C18-0518.6 上级部门检查有关记录表AQ-C18-0618.7 其他……注1:“B2.1”为对应“安全监理资料组卷分类表”中对应表编号,其他同;注2: 5.10项:此卷存放其他各卷未明确要求存放的安全技术交底内容资料;注3:备注中“表格识别编号”加*号的为参考用表;“表格识别编号”有关释义参见“附录C”;。
沧州市建筑施工企业工程项目安全生产标准化管理资料组卷分类表卷一:卷号组卷名称序号组卷资料目录备注一卷企业安全管理表AQ-C11.1 企业安全生产许可证书复印件表AQ-C1-011.2相关人员安全上岗证书登记表(附:企业法定代表人、主管安全副经理、安全科(处)长以及该工程项目经理、专职安全管理人员安全生产考核合格证书的复印件、安全资料员上岗证书复印件)表AQ-C1-02*1.3 企业安全生产岗位责任制度(文件形式)表AQ-C1-031.4 企业安全生产各项管理制度(文件形式)表AQ-C1-041.5 企业安全技术操作规程(文件形式)表AQ-C1-051.6 企业安全生产组织机构(文件形式)表AQ-C1-06卷二:卷号组卷名称序号组卷资料目录备注二卷项目安全管理表AQ-C22.1 工程项目概况表(附安全备案表、参加保险单据等复印件)表AQ-C2-012.2 工程项目部管理人员任命书表AQ-C2-022.3 工程项目部管理人员名单表AQ-C2-03*2.4 工程项目部安全生产保证体系表AQ-C2-042.5 项目部各级人员安全生产责任制表AQ-C2-052.6 项目部安全生产文明施工管理制度表AQ-C2-062.7 (公司与项目部签订)安全生产文明施工目标管理责任书表AQ-C2-072.8 工程项目安全生产文明施工管理目标表AQ-C2-082.9 项目安全生产文明施工管理目标责任考核办法表AQ-C2-092.10 项目安全生产文明施工管理目标责任分解表AQ-C2-10*2.11 项目安全生产文明施工管理目标责任考核表AQ-C2-11*2.12 项目施工人员目标考核评分表(CAK-SX09)表AQ-C2-12*2.13 项目安全生产奖惩记录表AQ-C2-13*2.14 班组安全生产协议书表AQ-C2-142.15 项目部安全会议记录表AQ-C2-15*2.16 建设工程开工安全工作报审表(B2.1)表AQ-C2-16卷三:卷号组卷名称序号组卷资料目录备注三卷安全教育管理表AQ-C33.1 项目安全教育培训计划表AQ-C3-01*3.2 新入场工人三级安全教育汇总表表AQ-C3-02*3.3 新入场工人三级安全教育登记卡(附内容及试卷)表AQ-C3-03卷号组卷名称序号组卷资料目录备注三卷安全教育管理表AQ-C33.4 安全教育记录表(适时教育)表AQ-C3-043.5 安全教育记录表(经常性教育)表AQ-C3-053.6 安全教育记录表(特种作业、机械操作人员教育)表AQ-C3-063.7 特种作业人员持证上岗花名册(附含年检栏的证书复印件)表AQ-C3-073.8 班组安全活动记录表表AQ-C3-08卷四:卷号组卷名称序号组卷资料目录备注四卷危险源管理表AQ-C44.1 危险源辨识与风险评价表表AQ-C4-01*4.2 重大危险源与控制计划清单表AQ-C4-02*4.3 重大危险源控制目标和管理方案表AQ-C4-03*卷五:卷号组卷名称序号组卷资料目录备注五卷安全技术管理表AQ-C55.1 建设工程施工组织设计报审表(B2.2)表AQ-C5-01*5.2 施工组织设计(审批)表AQ-C5-025.3 施工组织设计会签表表AQ-C5-035.4 施工现场总平面布置图表AQ-C5-045.5 施工现场安全标志平面图表AQ-C5-055.6 施工现场排水网络平面图表AQ-C5-065.7 危险性较大分部分项工程确认报审表(B2.4)表AQ-C5-075.8 危险性较大分部分项工程汇总表表AQ-C5-085.9 超过一定规模危险性较大分部分项工程专项方案专家论证表表AQ-C5-09*5.10 分部、分项安全技术交底清单表AQ-C5-105.11 分部、分项安全技术交底表AQ-C5-11卷六:卷号组卷名称序号组卷资料目录备注六卷分包方管理表AQ-C66.1 分包单位安全生产条件报审表(B3.1)表AQ-C6-016.2 分承包方考察评价表表AQ-C6-026.3 分承包方营业执照、资质证书、安全生产许可证(复印件)表AQ-C6-03卷号组卷名称序号组卷资料目录备注六卷分包方管理表AQ-C66.4 分包方施工人员名单表AQ-C6-046.5 分包方特种作业人员持证上岗花名册(附含年检栏的证书复印件)表AQ-C6-056.6 工程施工分包合同表AQ-C6-066.7 分包工程安全生产协议表AQ-C6-076.8 总包方对分包方进场的安全总交底表AQ-C6-08*6.9 安全物资工具设施设备移交单表AQ-C6-096.10 对分包方的安全监督检查记录表AQ-C6-10卷七:卷号组卷名称序号组卷资料目录备注七卷安全投入防护用品管理表AQ-C77.1 项目部安全生产资金投入计划表AQ-C7-01*7.2 安全费用投入清单表AQ-C7-02*7.3 安全防护用具进场查验登记表表AQ-C7-037.4 安全防护用品发放记录表AQ-C7-047.5 建设工程安全费用拨付申请表(用于Ⅰ类项目)(B5.1)表AQ-C7-057.6 安全防护、文明施工措施费用支付申请表(用于Ⅱ类项目)(B5.2)表AQ-C7-067.7 安全防护用品产品质量证明文件表AQ-C7-07卷八:卷号组卷名称序号组卷资料目录备注八卷脚手架工程管理表AQ-C88.1 脚手架施工方案报审表(B2.3)表AQ-C8-018.2 脚手架施工方案(审批)表AQ-C8-028.3 脚手架施工方案会签表表AQ-C8-038.4 脚手架施工安全技术交底表AQ-C8-048.5 落地式脚手架验收表表AQ-C8-058.6 悬挑式脚手架验收表表AQ-C8-068.7 挂脚手架安装验收表表AQ-C8-078.8 吊篮脚手架验收表表AQ-C8-088.9 附着式升降脚手架(整体提升架或爬架)验收表表AQ-C8-098.10 落地式卸料平台验收表表AQ-C8-108.11 悬挑式钢平台验收表表AQ-C8-118.12 脚手架临时/局部拆除移动审批表表AQ-C8-128.13 脚手架拆除审批监控记录表AQ-C8-138.14 脚手架用具产品质量证明文件表AQ-C8-14卷九:卷号组卷名称序号组卷资料目录备注九卷三宝四口安全防护管理表AQ-C99.1 施工现场安全防护方案报审表(B2.3)表AQ-C9-019.2 施工现场安全防护方案(审批)表AQ-C9-029.3 施工现场安全防护方案会签表表AQ-C9-039.4 现场防护安全技术交底表AQ-C9-049.5 安全平网架设验收表表AQ-C9-059.6 密目式安全网架设验收表表AQ-C9-069.7 四口临边防护验收表表AQ-C9-07*9.8 安全防护设施交接验收记录表AQ-C9-089.9 安全防护设施临时/局部拆除移动审批表表AQ-C9-099.10 安全防护用具检查维修保养记录表AQ-C9-10卷十:卷号组卷名称序号组卷资料目录备注十卷基坑工程管理表AQ-C1010.1 基坑工程施工方案报审表(B2.3)表AQ-C10-0110.2 基坑工程施工方案(审批)表AQ-C10-0210.3 基坑工程施工方案会签表表AQ-C10-0310.4 基坑工程施工安全技术交底表AQ-C10-0410.5 基坑支护验收表表AQ-C10-0510.6 基坑支护沉降观测记录表表AQ-C10-06*10.7 基坑支护水平位移观测记录表表AQ-C10-07*10.8 地上、地下管线保护措施验收记录表表AQ-C10-0810.9 人工挖孔桩防护检查表表AQ-C10-0910.10 特殊部位气体检测记录表AQ-C10-1010.11 地上、地下管线保护措施验收报审表(B2.9)表AQ-C10-11*10.12 人工挖孔桩防护检查报审表(B2.10) 表AQ-C10-12*10.13 特殊部位气体检测报审表(B2.11) 表AQ-C10-13*卷十一:卷号组卷名称序号组卷资料目录备注十一卷模板工程管理表AQ-C1111.1.1 模板工程施工方案报审表(B2.3)表AQ-C11.1-0111.1.2 模板工程施工方案(审批)表AQ-C11.1-0211.1.3 模板工程施工方案会签表表AQ-C11.1-0311.1.4 模板施工安全技术交底表AQ-C11.1-0411.1.5 模板工程验收表表AQ-C11.1-0511.1.6 模板拆除申请表(附报告)表AQ-C11.1-06十一卷起重吊装管理表AQ-C1111.2.1 起重吊装施工方案报审表(B2.3)表AQ-C11.2-0111.2.2 起重吊装施工方案(审批)表AQ-C11.2-0211.2.3 起重吊装施工方案会签表表AQ-C11.2-0311.2.4 起重吊装作业安全技术交底表AQ-C11.2-04*11.2.5 起重吊装作业人员及机械查验表表AQ-C11.2-0511.2.6 起重吊装作业人员及机械查验报审表(B2.12) 表AQ-C11.2-06卷十二:卷号组卷名称序号组卷资料目录备注十二卷施工用电管理表AQ-C1212.1 临时用电施工组织设计报审表(B2.3)表AQ-C12-0112.2 临时用电施工组织设计(审批)表AQ-C12-0212.3 临时用电施工组织设计会签表表AQ-C12-0312.4 临时用电施工安全技术交底表AQ-C12-0412.5 施工现场临时用电验收表表AQ-C12-0512.6 电气线路绝缘强度测试记录表表AQ-C12-0612.7 接地电阻测试记录表表AQ-C12-0712.8 漏电保护器检测记录表表AQ-C12-0812.9 安全用电设施交接验收记录表AQ-C12-0912.10 电工巡检维修记录表AQ-C12-1012.11 临时用电产品质量证明文件表AQ-C12-11卷十三:卷号组卷名称序号组卷资料目录备注十三卷施工机具管理表AQ-C1313.1 项目部机械设备台帐表AQ-C13-0113.2 进场机械设备验收表表AQ-C13-0213.3 施工机具安装验收表表AQ-C13-0313.4 施工机具安全使用技术交底表AQ-C13-0413.5 施工现场机械设备维护保养记录表AQ-C13-0513.6 施工现场机械设备交接班记录表AQ-C13-0613.7 主要施工机械设施安全报审表(B2.5)表AQ-C13-07卷十四:卷号组卷名称序号组卷资料目录备注十四卷起重机械设备管理表AQ-C1414.1.1 物料提升机安装/拆除施工方案报审表(B2.3)表AQ-C14.1-0114.1.2 物料提升机安装/拆除施工方案(审批)表AQ-C14.1-0214.1.3 物料提升机安装/拆除施工方案会签表表AQ-C14.1-03十四卷起重机械设备管理表AQ-C14物料提升机管理起重机械设备管理表AQ-C14塔机管理起重机械设备管理表AQ-C14施工升降机管理14.1.4 物料提升机安装/拆除安全技术交底表AQ-C14.1-0414.1.5 起重机械基础处理报告单(物料提升机)表AQ-C14.1-0514.1.6 物料提升机安装/拆除过程记录表AQ-C14.1-0614.1.7 物料提升机安装验收表(自检报告)表AQ-C14.1-07*14.1.8 起重机械定期维护检测记录表AQ-C14.1-0814.1.9 施工现场起重机械安装/拆除报审表(B2.6)表AQ-C14.1-0914.1.10施工现场起重机械验收核查表(B2.7)表AQ-C14.1-1014.1.11 物料提升机其他相关资料表AQ-C14.1-1114.2.1 塔式起重机安装/拆除施工方案报审表(B2.3)表AQ-C14.2-0114.2.2 塔式起重机安装/拆除施工方案(审批)表AQ-C14.2-0214.2.3 塔式起重机安装/拆除施工方案会签表表AQ-C14.2-0314.2.4 塔式起重机安装、拆除安全技术交底表AQ-C14.2-0414.2.5 起重机械基础处理报告单(塔式起重机)表AQ-C14.2-0514.2.6 塔式起重机安装/拆除过程记录表AQ-C14.2-0614.2.7 塔式起重机安装验收表(自检报告)表AQ-C14.2-07*14.2.8 塔式起重机顶升检验记录表AQ-C14.2-0814.2.9 塔式起重机附着锚固检验记录表AQ-C14.2-0914.2.10起重机械定期维护检测记录表AQ-C14.2-1014.2.11施工现场起重机械安装/拆除报审表(B2.6)表AQ-C14.2-1114.2.12 施工现场起重机械验收核查表(B2.7)表AQ-C14.2-1214.2.13 施工现场起重机械顶升/附着报审表(B2.8)表AQ-C14.2-1314.2.14 塔式起重机其他相关资料表AQ-C14.2-1414.3.1 施工升降机安装、拆除施工方案报审表(B2.3)表AQ-C14.3-0114.3.2 施工升降机安装、拆除施工方案(审批)表AQ-C14.3-0214.3.3 施工升降机安装、拆除施工方案会签表表AQ-C14.3-0314.3.4 施工升降机安装/拆除安全技术交底表AQ-C14.3-0414.3.5 起重机械基础处理报告单(施工升降机)表AQ-C14.3-0514.3.6 施工升降机安装/拆除过程记录表AQ-C14.3-0614.3.7 施工升降机安装验收表(自检报告)表AQ-C14.3-07*14.3.8 起重机械定期维护检测记录表AQ-C14.3-0814.3.9 施工现场起重机械安装/拆除报审表(B2.6)表AQ-C14.3-0914.3.10 施工现场起重机械验收核查表(B2.7)表AQ-C14.3-1014.3.11 施工升降机其他相关资料表AQ-C14.3-11卷号组卷名称序号组卷资料目录备注十五卷安全检查与改进管理表AQ-C1515.1 公司对项目安全检查记录表AQ-C15-0115.2 项目部安全检查记录表AQ-C15-0215.3 隐患整改通知单表AQ-C15-0315.4 建筑施工安全检查评分表表AQ-C15-0415.5 项目违章处罚记录(附凭证)表AQ-C15-05*15.6 施工安全日志表AQ-C15-06*15.7 安全监理整改通知单(B4.2)表AQ-C15-0715.8 安全整改通知回复单(B4.3)表AQ-C15-0815.9 建设工程安全监理暂停令(B4.5)表AQ-C15-0915.10 建设工程复工报审表(B4.7)表AQ-C15-10*15.11 建设工程复工申请表AQ-C15-11卷十六:卷号组卷名称序号组卷资料目录备注十六卷文明施工消防保卫管理表AQ-C1616. 1 文明施工方案报审表(B2.3)表AQ-C16-0116. 2 文明施工方案(审批)表AQ-C16-0216. 3 文明施工方案会签表表AQ-C16-0316. 4 项目部施工生活区设施消防设备平面布置图表AQ-C16-0416. 5 文明施工技术交底(含临建围挡设施搭设、拆除等方面的安全技术交底)表AQ-C16-05*16. 6 围挡设施验收表表AQ-C16-06*16. 7 临建设施验收表表AQ-C16-07*16. 8 项目部消防保卫卫生管理制度表AQ-C16-0816.9 应急药品器材使用登记表表AQ-C16-09*16.10 项目部消防重点部位登记表表AQ-C16-10*16.11 食堂及炊事人员证件表AQ-C16-1116.12 动火许可证表AQ-C16-12卷号组卷名称序号组卷资料目录备注十七卷应急救援事故控制管理表AQ-C1717. 1 工程项目生产安全事故应急预案表AQ-C17-0117. 2 工程项目应急救援人员名单表AQ-C17-0217. 3 工程项目应急救援器材清单表AQ-C17-0317. 4 施工现场应急培训记录表AQ-C17-0417. 5 施工现场应急演练记录表AQ-C17-0517. 6 职工伤亡事故月报表表AQ-C17-0617. 7 施工伤亡事故快报表表AQ-C17-0717. 8 事故调查和处理相关资料表AQ-C17-08卷十八:卷号组卷名称序号组卷资料目录备注十八卷其他方面管理表AQ-C1818.1 上级、公司(分支机构)下发文件表AQ-C18-0118.2 发往项目部安全监理通知表AQ-C18-0218.3 发往项目部安全监理工作联系单表AQ-C18-0318.4 安全生产有关函件和电话记录表AQ-C18-0418.5 安全生产隐患排查记录表AQ-C18-0518.6 上级部门检查有关记录表AQ-C18-0618.7 其他……注1:“B2.1”为对应“安全监理资料组卷分类表”中对应表编号,其他同;注2: 5.10项:此卷存放其他各卷未明确要求存放的安全技术交底内容资料;注3:备注中“表格识别编号”加*号的为参考用表;“表格识别编号”有关释义参见“附录C”;。
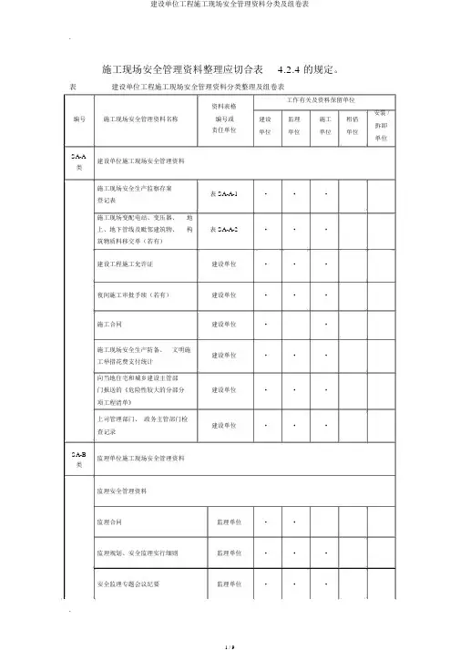
.施工现场安全管理资料整理应切合表 4.2.4 的规定。
表建设单位工程施工现场安全管理资料分类整理及组卷表资料表格工作有关及资料保留单位安装 /编号施工现场安全管理资料名称编号或建设监理施工租借责任单位拆卸单位单位单位单位单位SA-A建设单位施工现场安全管理资料类施工现场安全生产监察存案表 SA-A-1···登记表施工现场变配电站、变压器、地上、地下管线及毗邻建筑物、构表 SA-A-2···筑物质料移交单(若有)建设工程施工允许证建设单位···夜间施工审批手续(若有)建设单位···施工合同建设单位··施工现场安全生产防备、文明施建设单位···工举措花费支付统计向当地住宅和城乡建设主管部门报送的《危险性较大的分部分建设单位···项工程清单》上司管理部门、政务主管部门检建设单位···查记录SA-B监理单位施工现场安全管理资料类监理安全管理资料监理合同监理单位··监理规划、安全监理实行细则监理单位···安全监理专题会议纪要监理单位···.续表工作有关及资料保留单位资料表格安装 /编号施工现场安全管理资料名称编号或建设监理施工租借拆卸责任单位单位单位单位单位单位监理安全审查工作记录工程技术文件报审表表 SA-B2-1···施工现场施工起重机械安装 /拆卸表 SA-B2-2·····报审表施工现场施工起重机械查收核查表表 SA-B2-3·····施工现场安全隐患报告书表 SA-B2-4···工作联系单表 SA-B2-5··监理通知表 SA-B2-6···SA-B2工程暂停令表 SA-B2-7···工程复工报审表表 SA-B2-8···安全生产防备、文明施工举措花费表 SA-B2-9···支付申请表安全生产防备、文明施工举措花费表 SA-B2-10···支付证书施工单位安全生产管理系统审查资监理单位··料施工单位专项安全施工方案及工程监理单位··项目应抢营救方案审查资料SA-C施工单位施工现场安全管理资料类安全控制管理资料施工现场安全生产管理概略表SA-C1-1···施工现场重要危险源辨别汇总表SA-C1-2···施工现场重要危险源控制举措表SA-C1-3···SA-C1施工现场危险性较大的分部分项工SA-C1-4···程专项施工方案表施工现场超出必定规模危险性较大SA-C1-5···的分部分项工程专家论证表施工监测安全生产检查汇总表SA-C1-6···.施工现场安全生产管理检查评分表SA-C1-7续表资料表格编号施工现场安全管理资料名称编号或责任单位施工现场文明施工检查评分表SA-C1-8施工现场落地式脚手架检查评分表SA-C1-9-1施工现场悬挑式脚手架检查评分表SA-C1-9-2施工现场门型脚手架检查评分表SA-C1-9-3施工现场挂脚手架检查评分表SA-C1-9-4施工现场吊篮脚手架检查评分表SA-C1-9-5施工现场附着式起落脚手架提高架SA-C1-9-6或爬架检查评分表施工现场基坑土方及支护安全检查SA-C1-10评分表施工现场模板工程安全检查评分表SA-C1-11施工现场“三宝” 、“四口”及“临SA-C1-12边”防备检查评分表施工现场施工用电检查评分表SA-C1-13SA-C1施工现场物料提高机(龙门架、井SA-C1-14-1字架)检查评分表施工现场外用电梯(人货两用电梯)SA-C1-14-2检查评分表施工现场塔吊检查评分表SA-C1-15施工现场起重吊装安全检查评分表SA-C1-16施工现场施工机具检查评分表SA-C1-17施工现场安全技术交底汇总表SA-C1-18施工现场安全技术交底表SA-C1-19施工现场作业人员安全教育记录表SA-C1-20施工现场安全事故原由检查表SA-C1-21施工现场特种作业人员登记表SA-C1-22施工现场所上、地下管线保护举措SA-C1-23查收记录表··工作有关及资料保留单位安装 /建设监理施工租借拆卸单位单位单位单位单位····························.编号SA-C1 SA-C2续表资料表格工作有关及资料保留单位施工现场安全管理资料名称编号或安装 /建设监理施工租借责任单位单位单位单位拆卸单位单位施工现场安全防备用品合格证及检SA-C1-24·测资料登记表施工现场施工安整日志表SA-C1-25·施工现场班(组)班前发言记录表SA-C1-26·施工现场安全检查隐患整顿记录表SA-C1-27···监理通知答复单SA-C1-28···施工现场安全生产责任制施工单位··施工现场总分包安全管理协议书施工单位··施工现场施工组织设计及专项安全施工单位··技术举措施工现场冬雨风季施工方案施工单位··施工现场安全资本投入记录施工单位··施工现场生产安全事故应急方案施工单位···施工现场安全表记施工单位·施工现场自己检查违章办理记录施工单位·本单位上司管理部门、政府主管部施工单位···门检查记录施工现场消防捍卫安全管理资料施工现场消防要点部位登记表SA-C2-1···施工现场用火作业审批表SA-C2-2·施工现场消防捍卫按期检查表SA-C2-3·施工现场居民来访纪录施工单位·施工现场消防设备平面图施工单位··施工现场消防捍卫制度及应急方案施工单位··施工现场消防捍卫协议施工单位··续表资料表格编号施工现场安全管理资料名称编号或责任单位施工现场消防捍卫组织机构及活动施工单位记录施工现场消防审批手续施工单位SA-C2施工现场消防设备、器械维修记录施工单位施工现场防火等高温作业施工安全施工单位举措及交底施工现场警卫人员值班、巡逻工作施工单位记录脚手架安全管理资料施工现场钢管扣件式脚手架支撑体SA-C3-1系查收表施工现场落地式(悬挑)脚手架搭SA-C3-2 SA-C3设查收表施工现场工具式脚手架安装查收表SA-C3-3施工现场脚手架、卸料平台及支撑施工单位系统设计及施工方案基坑支护与模板工程安全管理资料施工现场基坑支护查收表SA-C4-1施工现场基坑支护沉降察看记录SA-C4-2施工现场基坑支护水平位移察看记SA-C4-3录表SA-C4施工现场人工挖孔桩防备检查表SA-C4-4施工现场特别部位气体检测记录表SA-C4-5施工现场模板工程查收表SA-C4-6施工现场基坑、土方、护坡及模板施工单位工作有关及资料保留单位建设监理施工安装 /租借单位单位单位拆卸单位单位················续表资料表格编号施工现场安全管理资料名称编号或责任单位“三宝”、“四口”及“临边”防备安全管理资料施工现场“三宝” 、“四口”及“临SA-C5-1 SA-C5边”防备检查记录表施工现场“三宝” 、“四口”及“临施工单位边”防备举措方案暂时用电安全管理资料施工现场施工暂时用电查收表SA-C6-1施工现场电气线路绝缘强度测试记SA-C6-2录表施工现场暂时用电接地电阻测试记SA-C6-3录表SA-C6施工现场电工巡检维修记录表SA-C6-4施工现场暂时用电施工组织设计及施工单位更改资料施工现场总、分包暂时用电安全管施工单位理协议施工现场电气设备测试、调试技术施工单位资料施工起落安全管理资料施工现场施工起落机安装/拆离任SA-C7-1务书施工现场施工起落机安装/拆卸安SA-C7-2全和技术交底记录表SA-C7施工现场施工起落机基础查收表SA-C7-3施工现场施工起落机安装/拆卸过SA-C7-4程记录表施工现场施工起落机安装查收记录SA-C7-5表施工现场施工起落机接高查收记录工作有关及资料保留单位建设监理施工安装 /租借单位单位单位拆卸单位单位······························.施工现场施工起落机运转记录施工单位续表资料表格编号施工现场安全管理资料名称编号或责任单位施工现场施工起落机维修养护记录施工单位施工现场机械租借、使用、安装/拆卸安全管理协议书施工单位施工现场施工起落机安装/拆卸方案施工单位SA-C7施工现场施工起落机安装/拆卸报审报告施工单位施工现场施工起落机使用登记台账施工单位施工现场施工起落机登记存案记录施工单位塔吊及起重吊装安全管理资料施工现场塔吊式起重机安装/拆卸任务书SA-C8-1施工现场塔吊式起重机安装/拆卸安全和技术交底SA-C8-2施工现场塔式起重机基础查收记录SA-C8-3表施工现场塔式起重机轨道查收记录SA-C8-4表施工现场塔式起重机安装/拆卸过SA-C8程记录表SA-C8-5施工现场塔式起重机附着检查记录SA-C8-6表施工现场塔式起重机顶升检验记录SA-C8-7表施工现场塔式起重机安装查收记录SA-C8-8表施工现场塔式起重机安装垂直度测SA--8-9量记录表施工现场塔式起重机运转记录表SA-C8-10施工现场塔式起重机维修养护记录··工作有关及资料保留单位建设监理施工租借安装 /拆卸单位单位单位单位单位·········································.续表资料表格编号施工现场安全管理资料名称编号或责任单位施工现场塔式起重机检查记录施工单位施工现场塔式起重机租借、使用、施工单位安装 / 拆卸安全管理协议书租借单位施工现场塔式起重机安装 /拆卸方施工单位案及群塔作业方案、起重吊装作业SA-C8租借单位专项施工方案施工现场塔式起重机安装 /拆卸报施工单位审报告施工现场塔吊机组与信号工安全技施工单位术交底施工机具安全管理资料施工现场施工机具(物料提高机)SA-C9-1检查查收记录表施工现场施工机具(电动吊篮)检SA-C9-2查查收记录表施工现场施工机具(龙门吊)检查SA-C9-3查收记录表施工现场施工机具(打桩、钻孔机SA-C9-4械)检查查收记录表施工现场施工机具(装载机)检查SA-C9-5 SA-C9查收记录表施工现场施工机具(发掘机)检查SA-C9-6查收记录表施工现场施工机具(混凝土泵)检SA-C9-7查查收记录表施工现场施工机具(混凝土搅拌机)SA-C9-8检查查收记录表施工现场施工机具(钢筋机械)检SA-C9-9查查收记录表施工现场施工机具(木匠机械)检SA-C9-10查查收记录表施工现场施工机具安装查收记录表SA-C9-11工作有关及资料保留单位建设监理施工租借安装 /拆卸单位单位单位单位单位··········································.编号SA-C9续表资料表格工作有关及资料保留单位施工现场安全管理资料名称编号或安装 /建设监理施工租借责任单位单位单位单位拆卸单位单位施工现场施工机具维修养护记录表SA-C9-12··施工现场施工机具使用单位与租借施工单位单位租借、使用、安装/拆卸安全管···租借单位理协议施工现场施工机具安全/拆卸方案租借单位··施工现场文明生产(现场料具堆放、生活区)安全管理资料施工现场施工噪声监测记录表SA-C10-1··施工现场文明生产按期检查表SA-C10-2·施工现场办公室、生活区、食堂等施工单位·卫生管理制度施工现场应急药品、器械的登记及施工单位·使用记录SA-C1施工现场急性职业中毒应急方案施工单位·0施工现场食堂卫生允许证及炊事人施工单位·员的卫生、培训、体检证件施工现场各阶段现场寄存资料堆放平面图及责任区分,资料寄存、保施工单位··管束度施工现场成品保护举措施工单位··施工现场各样垃圾寄存、消纳管理施工单位··制度施工现场环境保护管理方案施工单位··。
表AQ-C 施工单位工程项目安全管理资料工程名称:分卷名称:编制单位:安全主管:编制日期:自年月日起至年月日止保管期限: 保存档号:共卷,第卷表AQ-C16-02(封)文明施工方案工程名称:____________________________________编制人:___________职务(职称):____________审核人:___________职务(职称):____________ 审批人:___________职务(职称):____________ 施工单位:____________________________________项目部施工生活区设施消防设备平面布置图工程名称:施工单位:表AQ—C16-05(封)文明施工技术交底工程名称:施工单位:注:本表一式三份,交底人、安全员、被交底人(接受人)各一份。
表AQ-C16-06(封)围挡设施验收表工程名称:施工单位:临建设施验收表工程名称:施工单位:项目部消防保卫卫生管理制度工程名称:施工单位:表AQ-C16-09(封)应急药品器材使用登记表工程名称:施工单位:项目部消防重点部位登记表工程名称:施工单位:食堂及炊事人员证件工程名称:施工单位:表AQ—C16—12(封)项目部动火许可证工程名称:施工单位:资料备考表施工单位工程项目安全管理资料工程名称:分卷名称:编制单位:安全主管:编制日期:自年月日起至年月日止保管期限:保存档号:共卷,第卷工程项目生产安全事故应急预案预案编号:工程名称:____________________________________编制人:___________职务(职称):____________审核人:___________职务(职称):____________审批人:___________职务(职称):____________施工单位:____________________________________发布日期:____________________________________表AQ—C17-02(封)工程项目应急救援人员名单工程名称:施工单位:工程项目应急救援器材清单工程名称:施工单位:施工现场应急培训记录工程名称:施工单位:表AQ—C17—05(封)施工现场应急演练记录工程名称:施工单位:职工伤亡事故月报表工程名称:施工单位:表AQ-C17-07(封)施工伤亡事故快报表工程名称:施工单位:施工伤亡事故快报表施工伤亡事故快报表表AQ-C17-08(封)事故调查和处理相关资料工程名称:施工单位:资料备考表C 施工单位工程项目安全管理资料工程名称:分卷名称:编制单位:安全主管:编制日期:自年月日起至年月日止保管期限:保存档号:共卷,第卷上级公司(分支机构)下发文件工程名称:施工单位:表AQ—C18—02(封)发往项目部安全监理通知工程名称:施工单位:表AQ-C18-03(封)发往项目部安全监理工作联系单工程名称:施工单位:表AQ—C18-04(封)安全生产有关函件和电话记录工程名称:施工单位:表AQ—C18—05(封)安全生产隐患排查记录工程名称:施工单位:安全生产隐患排查记录表AQ—C18-05*工程名称: 施工单位:编号:项目经理:填表人:表AQ-C18—06(封)上级部门检查有关记录工程名称:施工单位:资料备考表。
沧州市建筑施工企业工程项目安全生产标准化管理资料组卷分类表卷一:卷号组卷名称序号组卷资料目录备注一卷企业安全管理表AQ-C11.1 企业安全生产许可证书复印件表AQ-C1-011.2相关人员安全上岗证书登记表(附:企业法定代表人、主管安全副经理、安全科(处)长以及该工程项目经理、专职安全管理人员安全生产考核合格证书的复印件、安全资料员上岗证书复印件)表AQ-C1-02*1.3 企业安全生产岗位责任制度(文件形式)表AQ-C1-031.4 企业安全生产各项管理制度(文件形式)表AQ-C1-041.5 企业安全技术操作规程(文件形式)表AQ-C1-051.6 企业安全生产组织机构(文件形式)表AQ-C1-06卷二:卷号组卷名称序号组卷资料目录备注二卷项目安全管理表AQ-C22.1 工程项目概况表(附安全备案表、参加保险单据等复印件)表AQ-C2-012.2 工程项目部管理人员任命书表AQ-C2-022.3 工程项目部管理人员名单表AQ-C2-03*2.4 工程项目部安全生产保证体系表AQ-C2-042.5 项目部各级人员安全生产责任制表AQ-C2-052.6 项目部安全生产文明施工管理制度表AQ-C2-062.7 (公司与项目部签订)安全生产文明施工目标管理责任书表AQ-C2-072.8 工程项目安全生产文明施工管理目标表AQ-C2-082.9 项目安全生产文明施工管理目标责任考核办法表AQ-C2-092.10 项目安全生产文明施工管理目标责任分解表AQ-C2-10*2.11 项目安全生产文明施工管理目标责任考核表AQ-C2-11*2.12 项目施工人员目标考核评分表(CAK-SX09)表AQ-C2-12*2.13 项目安全生产奖惩记录表AQ-C2-13*2.14 班组安全生产协议书表AQ-C2-142.15 项目部安全会议记录表AQ-C2-15*2.16 建设工程开工安全工作报审表(B2.1)表AQ-C2-16卷三:卷号组卷名称序号组卷资料目录备注三卷安全教育管理表AQ-C33.1 项目安全教育培训计划表AQ-C3-01*3.2 新入场工人三级安全教育汇总表表AQ-C3-02*3.3 新入场工人三级安全教育登记卡(附内容及试卷)表AQ-C3-03卷三:续表卷号组卷名称序号组卷资料目录备注三卷安全教育管理表AQ-C33.4 安全教育记录表(适时教育)表AQ-C3-043.5 安全教育记录表(经常性教育)表AQ-C3-053.6 安全教育记录表(特种作业、机械操作人员教育)表AQ-C3-063.7 特种作业人员持证上岗花名册(附含年检栏的证书复印件)表AQ-C3-073.8 班组安全活动记录表表AQ-C3-08卷四:卷号组卷名称序号组卷资料目录备注四卷危险源管理表AQ-C44.1 危险源辨识与风险评价表表AQ-C4-01*4.2 重大危险源与控制计划清单表AQ-C4-02*4.3 重大危险源控制目标和管理方案表AQ-C4-03*卷五:卷号组卷名称序号组卷资料目录备注五卷安全技术管理表AQ-C55.1 建设工程施工组织设计报审表(B2.2)表AQ-C5-01*5.2 施工组织设计(审批)表AQ-C5-025.3 施工组织设计会签表表AQ-C5-035.4 施工现场总平面布置图表AQ-C5-045.5 施工现场安全标志平面图表AQ-C5-055.6 施工现场排水网络平面图表AQ-C5-065.7 危险性较大分部分项工程确认报审表(B2.4)表AQ-C5-075.8 危险性较大分部分项工程汇总表表AQ-C5-085.9 超过一定规模危险性较大分部分项工程专项方案专家论证表表AQ-C5-09*5.10 分部、分项安全技术交底清单表AQ-C5-105.11 分部、分项安全技术交底表AQ-C5-11卷六:卷号组卷名称序号组卷资料目录备注六卷分包方管理表AQ-C66.1 分包单位安全生产条件报审表(B3.1)表AQ-C6-016.2 分承包方考察评价表表AQ-C6-026.3 分承包方营业执照、资质证书、安全生产许可证(复印件)表AQ-C6-03卷六:续表卷号组卷名称序号组卷资料目录备注六卷分包方管理表AQ-C66.4 分包方施工人员名单表AQ-C6-046.5 分包方特种作业人员持证上岗花名册(附含年检栏的证书复印件)表AQ-C6-056.6 工程施工分包合同表AQ-C6-066.7 分包工程安全生产协议表AQ-C6-076.8 总包方对分包方进场的安全总交底表AQ-C6-08*6.9 安全物资工具设施设备移交单表AQ-C6-096.10 对分包方的安全监督检查记录表AQ-C6-10卷七:卷号组卷名称序号组卷资料目录备注七卷安全投入防护用品管理表AQ-C77.1 项目部安全生产资金投入计划表AQ-C7-01*7.2 安全费用投入清单表AQ-C7-02*7.3 安全防护用具进场查验登记表表AQ-C7-037.4 安全防护用品发放记录表AQ-C7-047.5 建设工程安全费用拨付申请表(用于Ⅰ类项目)(B5.1)表AQ-C7-057.6 安全防护、文明施工措施费用支付申请表(用于Ⅱ类项目)(B5.2)表AQ-C7-067.7 安全防护用品产品质量证明文件表AQ-C7-07卷八:卷号组卷名称序号组卷资料目录备注八卷脚手架工程管理表AQ-C88.1 脚手架施工方案报审表(B2.3)表AQ-C8-018.2 脚手架施工方案(审批)表AQ-C8-028.3 脚手架施工方案会签表表AQ-C8-038.4 脚手架施工安全技术交底表AQ-C8-048.5 落地式脚手架验收表表AQ-C8-058.6 悬挑式脚手架验收表表AQ-C8-068.7 挂脚手架安装验收表表AQ-C8-078.8 吊篮脚手架验收表表AQ-C8-088.9 附着式升降脚手架(整体提升架或爬架)验收表表AQ-C8-098.10 落地式卸料平台验收表表AQ-C8-108.11 悬挑式钢平台验收表表AQ-C8-118.12 脚手架临时/局部拆除移动审批表表AQ-C8-128.13 脚手架拆除审批监控记录表AQ-C8-138.14 脚手架用具产品质量证明文件表AQ-C8-14卷九:卷号组卷名称序号组卷资料目录备注九卷三宝四口安全防护管理表AQ-C99.1 施工现场安全防护方案报审表(B2.3)表AQ-C9-019.2 施工现场安全防护方案(审批)表AQ-C9-029.3 施工现场安全防护方案会签表表AQ-C9-039.4 现场防护安全技术交底表AQ-C9-049.5 安全平网架设验收表表AQ-C9-059.6 密目式安全网架设验收表表AQ-C9-069.7 四口临边防护验收表表AQ-C9-07*9.8 安全防护设施交接验收记录表AQ-C9-089.9 安全防护设施临时/局部拆除移动审批表表AQ-C9-099.10 安全防护用具检查维修保养记录表AQ-C9-10卷十:卷号组卷名称序号组卷资料目录备注十卷基坑工程管理表AQ-C1010.1 基坑工程施工方案报审表(B2.3)表AQ-C10-0110.2 基坑工程施工方案(审批)表AQ-C10-0210.3 基坑工程施工方案会签表表AQ-C10-0310.4 基坑工程施工安全技术交底表AQ-C10-0410.5 基坑支护验收表表AQ-C10-0510.6 基坑支护沉降观测记录表表AQ-C10-06*10.7 基坑支护水平位移观测记录表表AQ-C10-07*10.8 地上、地下管线保护措施验收记录表表AQ-C10-0810.9 人工挖孔桩防护检查表表AQ-C10-0910.10 特殊部位气体检测记录表AQ-C10-1010.11 地上、地下管线保护措施验收报审表(B2.9)表AQ-C10-11*10.12 人工挖孔桩防护检查报审表(B2.10) 表AQ-C10-12*10.13 特殊部位气体检测报审表(B2.11) 表AQ-C10-13*卷十一:卷号组卷名称序号组卷资料目录备注十一卷模板工程管理表AQ-C1111.1.1 模板工程施工方案报审表(B2.3)表AQ-C11.1-0111.1.2 模板工程施工方案(审批)表AQ-C11.1-0211.1.3 模板工程施工方案会签表表AQ-C11.1-0311.1.4 模板施工安全技术交底表AQ-C11.1-0411.1.5 模板工程验收表表AQ-C11.1-0511.1.6 模板拆除申请表(附报告)表AQ-C11.1-06 卷十一:续表卷号组卷名称序号组卷资料目录备注十一卷起重吊装管理表AQ-C1111.2.1 起重吊装施工方案报审表(B2.3)表AQ-C11.2-0111.2.2 起重吊装施工方案(审批)表AQ-C11.2-0211.2.3 起重吊装施工方案会签表表AQ-C11.2-0311.2.4 起重吊装作业安全技术交底表AQ-C11.2-04*11.2.5 起重吊装作业人员及机械查验表表AQ-C11.2-0511.2.6 起重吊装作业人员及机械查验报审表(B2.12) 表AQ-C11.2-06卷十二:卷号组卷名称序号组卷资料目录备注十二卷施工用电管理表AQ-C1212.1 临时用电施工组织设计报审表(B2.3)表AQ-C12-0112.2 临时用电施工组织设计(审批)表AQ-C12-0212.3 临时用电施工组织设计会签表表AQ-C12-0312.4 临时用电施工安全技术交底表AQ-C12-0412.5 施工现场临时用电验收表表AQ-C12-0512.6 电气线路绝缘强度测试记录表表AQ-C12-0612.7 接地电阻测试记录表表AQ-C12-0712.8 漏电保护器检测记录表表AQ-C12-0812.9 安全用电设施交接验收记录表AQ-C12-0912.10 电工巡检维修记录表AQ-C12-1012.11 临时用电产品质量证明文件表AQ-C12-11卷十三:卷号组卷名称序号组卷资料目录备注十三卷施工机具管理表AQ-C1313.1 项目部机械设备台帐表AQ-C13-0113.2 进场机械设备验收表表AQ-C13-0213.3 施工机具安装验收表表AQ-C13-0313.4 施工机具安全使用技术交底表AQ-C13-0413.5 施工现场机械设备维护保养记录表AQ-C13-0513.6 施工现场机械设备交接班记录表AQ-C13-0613.7 主要施工机械设施安全报审表(B2.5)表AQ-C13-07卷十四:卷号组卷名称序号组卷资料目录备注十四卷起重机械14.1.1 物料提升机安装/拆除施工方案报审表(B2.3)表AQ-C14.1-01设备管理表AQ-C14 14.1.2 物料提升机安装/拆除施工方案(审批)表AQ-C14.1-02 14.1.3 物料提升机安装/拆除施工方案会签表表AQ-C14.1-03卷十四:续表卷号组卷名称序号组卷资料目录备注十四卷起重机械设备管理表AQ-C14物料提升机管理起重机械设备管理表AQ-C14塔机管理起重机械设备管理表AQ-C14施工升降机管理14.1.4 物料提升机安装/拆除安全技术交底表AQ-C14.1-0414.1.5 起重机械基础处理报告单(物料提升机)表AQ-C14.1-0514.1.6 物料提升机安装/拆除过程记录表AQ-C14.1-0614.1.7 物料提升机安装验收表(自检报告)表AQ-C14.1-07*14.1.8 起重机械定期维护检测记录表AQ-C14.1-0814.1.9 施工现场起重机械安装/拆除报审表(B2.6)表AQ-C14.1-0914.1.10施工现场起重机械验收核查表(B2.7)表AQ-C14.1-1014.1.11 物料提升机其他相关资料表AQ-C14.1-1114.2.1 塔式起重机安装/拆除施工方案报审表(B2.3)表AQ-C14.2-0114.2.2 塔式起重机安装/拆除施工方案(审批)表AQ-C14.2-0214.2.3 塔式起重机安装/拆除施工方案会签表表AQ-C14.2-0314.2.4 塔式起重机安装、拆除安全技术交底表AQ-C14.2-0414.2.5 起重机械基础处理报告单(塔式起重机)表AQ-C14.2-0514.2.6 塔式起重机安装/拆除过程记录表AQ-C14.2-0614.2.7 塔式起重机安装验收表(自检报告)表AQ-C14.2-07*14.2.8 塔式起重机顶升检验记录表AQ-C14.2-0814.2.9 塔式起重机附着锚固检验记录表AQ-C14.2-0914.2.10起重机械定期维护检测记录表AQ-C14.2-1014.2.11施工现场起重机械安装/拆除报审表(B2.6)表AQ-C14.2-1114.2.12 施工现场起重机械验收核查表(B2.7)表AQ-C14.2-1214.2.13 施工现场起重机械顶升/附着报审表(B2.8)表AQ-C14.2-1314.2.14 塔式起重机其他相关资料表AQ-C14.2-1414.3.1 施工升降机安装、拆除施工方案报审表(B2.3)表AQ-C14.3-0114.3.2 施工升降机安装、拆除施工方案(审批)表AQ-C14.3-0214.3.3 施工升降机安装、拆除施工方案会签表表AQ-C14.3-0314.3.4 施工升降机安装/拆除安全技术交底表AQ-C14.3-0414.3.5 起重机械基础处理报告单(施工升降机)表AQ-C14.3-0514.3.6 施工升降机安装/拆除过程记录表AQ-C14.3-0614.3.7 施工升降机安装验收表(自检报告)表AQ-C14.3-07*14.3.8 起重机械定期维护检测记录表AQ-C14.3-0814.3.9 施工现场起重机械安装/拆除报审表(B2.6)表AQ-C14.3-0914.3.10 施工现场起重机械验收核查表(B2.7)表AQ-C14.3-1014.3.11 施工升降机其他相关资料表AQ-C14.3-11卷十五:卷号组卷名称序号组卷资料目录备注十五卷安全检查与改进管理表AQ-C1515.1 公司对项目安全检查记录表AQ-C15-0115.2 项目部安全检查记录表AQ-C15-0215.3 隐患整改通知单表AQ-C15-0315.4 建筑施工安全检查评分表表AQ-C15-0415.5 项目违章处罚记录(附凭证)表AQ-C15-05*15.6 施工安全日志表AQ-C15-06*15.7 安全监理整改通知单(B4.2)表AQ-C15-0715.8 安全整改通知回复单(B4.3)表AQ-C15-0815.9 建设工程安全监理暂停令(B4.5)表AQ-C15-0915.10 建设工程复工报审表(B4.7)表AQ-C15-10*15.11 建设工程复工申请表AQ-C15-11卷十六:卷号组卷名称序号组卷资料目录备注十六卷文明施工消防保卫管理表AQ-C1616. 1 文明施工方案报审表(B2.3)表AQ-C16-0116. 2 文明施工方案(审批)表AQ-C16-0216. 3 文明施工方案会签表表AQ-C16-0316. 4 项目部施工生活区设施消防设备平面布置图表AQ-C16-0416. 5 文明施工技术交底(含临建围挡设施搭设、拆除等方面的安全技术交底)表AQ-C16-05*16. 6 围挡设施验收表表AQ-C16-06*16. 7 临建设施验收表表AQ-C16-07*16. 8 项目部消防保卫卫生管理制度表AQ-C16-0816.9 应急药品器材使用登记表表AQ-C16-09*16.10 项目部消防重点部位登记表表AQ-C16-10*16.11 食堂及炊事人员证件表AQ-C16-1116.12 动火许可证表AQ-C16-12卷十七:卷号组卷名称序号组卷资料目录备注十七卷应急救援事故控制管理表AQ-C1717. 1 工程项目生产安全事故应急预案表AQ-C17-0117. 2 工程项目应急救援人员名单表AQ-C17-0217. 3 工程项目应急救援器材清单表AQ-C17-0317. 4 施工现场应急培训记录表AQ-C17-0417. 5 施工现场应急演练记录表AQ-C17-0517. 6 职工伤亡事故月报表表AQ-C17-0617. 7 施工伤亡事故快报表表AQ-C17-0717. 8 事故调查和处理相关资料表AQ-C17-08卷十八:卷号组卷名称序号组卷资料目录备注十八卷其他方面管理表AQ-C1818.1 上级、公司(分支机构)下发文件表AQ-C18-0118.2 发往项目部安全监理通知表AQ-C18-0218.3 发往项目部安全监理工作联系单表AQ-C18-0318.4 安全生产有关函件和电话记录表AQ-C18-0418.5 安全生产隐患排查记录表AQ-C18-0518.6 上级部门检查有关记录表AQ-C18-0618.7 其他……注1:“B2.1”为对应“安全监理资料组卷分类表”中对应表编号,其他同;注2: 5.10项:此卷存放其他各卷未明确要求存放的安全技术交底内容资料;注3:备注中“表格识别编号”加*号的为参考用表;“表格识别编号”有关释义参见“附录C”;。
4.2.4 施工现场安全管理资料整理应符合表4.2.4的规定。
表4.2.4 建设单位工程施工现场安全管理资料分类整理及组卷表编号施工现场安全管理资料名称资料表格编号或责任单位工作相关及资料保存单位建设单位监理单位施工单位租赁单位安装/拆卸单位SA-A类建设单位施工现场安全管理资料施工现场安全生产监督备案登记表表SA-A-1···施工现场变配电站、变压器、地上、地下管线及毗邻建筑物、构筑物资料移交单(如有)表SA-A-2···建设工程施工许可证建设单位···夜间施工审批手续(如有)建设单位···施工合同建设单位··施工现场安全生产防护、文明施工措施费用支付统计建设单位···向当地住房和城乡建设主管部门报送的《危险性较大的分部分项工程清单》建设单位···上级管理部门、政务主管部门检查记录建设单位···SA-B类监理单位施工现场安全管理资料监理安全管理资料监理合同监理单位··监理规划、安全监理实施细则监理单位···安全监理专题会议纪要监理单位···续表 4.2.4编号施工现场安全管理资料名称资料表格编号或责任单位工作相关及资料保存单位建设单位监理单位施工单位租赁单位安装/拆卸单位SA-B2 监理安全审核工作记录工程技术文件报审表表SA-B2-1 ···施工现场施工起重机械安装/拆卸报审表表SA-B2-2 ·····施工现场施工起重机械验收核查表表SA-B2-3 ·····施工现场安全隐患报告书表SA-B2-4 ···工作联系单表SA-B2-5 ··监理通知表SA-B2-6 ···工程暂停令表SA-B2-7 ···工程复工报审表表SA-B2-8 ···安全生产防护、文明施工措施费用支付申请表表SA-B2-9 ···安全生产防护、文明施工措施费用支付证书表SA-B2-10 ···施工单位安全生产管理体系审核资料监理单位··施工单位专项安全施工方案及工程项目应急救援预案审核资料监理单位··SA-C类施工单位施工现场安全管理资料SA-C1 安全控制管理资料施工现场安全生产管理概况表SA-C1-1 ···施工现场重大危险源识别汇总表SA-C1-2 ···施工现场重大危险源控制措施表SA-C1-3 ···施工现场危险性较大的分部分项工程专项施工方案表SA-C1-4 ···施工现场超过一定规模危险性较大的分部分项工程专家论证表SA-C1-5 ···施工监测安全生产检查汇总表SA-C1-6 ···施工现场安全生产管理检查评分表SA-C1-7 ··续表 4.2.4编号施工现场安全管理资料名称资料表格编号或责任单位工作相关及资料保存单位建设单位监理单位施工单位租赁单位安装/拆卸单位SA-C1 施工现场文明施工检查评分表SA-C1-8 ·施工现场落地式脚手架检查评分表SA-C1-9-1 ··施工现场悬挑式脚手架检查评分表SA-C1-9-2 ·施工现场门型脚手架检查评分表SA-C1-9-3 ·施工现场挂脚手架检查评分表SA-C1-9-4 ·施工现场吊篮脚手架检查评分表SA-C1-9-5 ·施工现场附着式升降脚手架提升架或爬架检查评分表SA-C1-9-6 ·施工现场基坑土方及支护安全检查评分表SA-C1-10 ·施工现场模板工程安全检查评分表SA-C1-11 ·施工现场“三宝”、“四口”及“临边”防护检查评分表SA-C1-12 ·施工现场施工用电检查评分表SA-C1-13 ·施工现场物料提升机(龙门架、井字架)检查评分表SA-C1-14-1 ·施工现场外用电梯(人货两用电梯)检查评分表SA-C1-14-2 ·施工现场塔吊检查评分表SA-C1-15 ·施工现场起重吊装安全检查评分表SA-C1-16 ·施工现场施工机具检查评分表SA-C1-17 ·施工现场安全技术交底汇总表SA-C1-18 ··施工现场安全技术交底表SA-C1-19 ·施工现场作业人员安全教育记录表SA-C1-20 ·施工现场安全事故原因调查表SA-C1-21 ···施工现场特种作业人员登记表SA-C1-22 ··施工现场地上、地下管线保护措施验收记录表SA-C1-23 ··续表 4.2.4编号施工现场安全管理资料名称资料表格编号或责任单位工作相关及资料保存单位建设单位监理单位施工单位租赁单位安装/拆卸单位SA-C1 施工现场安全防护用品合格证及检测资料登记表SA-C1-24 ·施工现场施工安全日记表SA-C1-25 ·施工现场班(组)班前讲话记录表SA-C1-26 ·施工现场安全检查隐患整改记录表SA-C1-27 ···监理通知回复单SA-C1-28 ···施工现场安全生产责任制施工单位··施工现场总分包安全管理协议书施工单位··施工现场施工组织设计及专项安全技术措施施工单位··施工现场冬雨风季施工方案施工单位··施工现场安全资金投入记录施工单位··施工现场生产安全事故应急预案施工单位···施工现场安全标识施工单位·施工现场自身检查违章处理记录施工单位·本单位上级管理部门、政府主管部门检查记录施工单位···SA-C2 施工现场消防保卫安全管理资料施工现场消防重点部位登记表SA-C2-1 ···施工现场用火作业审批表SA-C2-2 ·施工现场消防保卫定期检查表SA-C2-3 ·施工现场居民来访纪录施工单位·施工现场消防设备平面图施工单位··施工现场消防保卫制度及应急预案施工单位··施工现场消防保卫协议施工单位··续表 4.2.4编号施工现场安全管理资料名称资料表格编号或责任单位工作相关及资料保存单位建设单位监理单位施工单位租赁单位安装/拆卸单位SA-C2 施工现场消防保卫组织机构及活动记录施工单位··施工现场消防审批手续施工单位··施工现场消防设施、器材维修记录施工单位·施工现场防火等高温作业施工安全措施及交底施工单位··施工现场警卫人员值班、巡查工作记录施工单位·SA-C3 脚手架安全管理资料施工现场钢管扣件式脚手架支撑体系验收表SA-C3-1 ··施工现场落地式(悬挑)脚手架搭设验收表SA-C3-2 ··施工现场工具式脚手架安装验收表SA-C3-3 ··施工现场脚手架、卸料平台及支撑体系设计及施工方案施工单位··SA-C4 基坑支护与模板工程安全管理资料施工现场基坑支护验收表SA-C4-1 施工现场基坑支护沉降观察记录SA-C4-2施工现场基坑支护水平位移观察记录表SA-C4-3 施工现场人工挖孔桩防护检查表SA-C4-4 施工现场特殊部位气体检测记录表SA-C4-5 施工现场模板工程验收表SA-C4-6施工现场基坑、土方、护坡及模板施工方案施工单位续表 4.2.4编号施工现场安全管理资料名称资料表格编号或责任单位工作相关及资料保存单位建设单位监理单位施工单位租赁单位安装/拆卸单位SA-C5 “三宝”、“四口”及“临边”防护安全管理资料施工现场“三宝”、“四口”及“临边”防护检查记录表SA-C5-1 ··施工现场“三宝”、“四口”及“临边”防护措施方案施工单位·SA-C6 临时用电安全管理资料施工现场施工临时用电验收表SA-C6-1 ··施工现场电气线路绝缘强度测试记录表SA-C6-2 ··施工现场临时用电接地电阻测试记录表SA-C6-3 ··施工现场电工巡检维修记录表SA-C6-4 ·施工现场临时用电施工组织设计及变更资料施工单位··施工现场总、分包临时用电安全管理协议施工单位··施工现场电气设备测试、调试技术资料施工单位·SA-C7 施工升降安全管理资料施工现场施工升降机安装/拆卸任务书SA-C7-1 ···施工现场施工升降机安装/拆卸安全和技术交底记录表SA-C7-2 ···施工现场施工升降机基础验收表SA-C7-3 ···施工现场施工升降机安装/拆卸过程记录表SA-C7-4 ···施工现场施工升降机安装验收记录SA-C7-5 ···表施工现场施工升降机接高验收记录表SA-C7-6 ···施工现场施工升降机运行记录施工单位··续表 4.2.4编号施工现场安全管理资料名称资料表格编号或责任单位工作相关及资料保存单位建设单位监理单位施工单位租赁单位安装/拆卸单位SA-C7 施工现场施工升降机维修保养记录施工单位··施工现场机械租赁、使用、安装/拆卸安全管理协议书施工单位····施工现场施工升降机安装/拆卸方案施工单位···施工现场施工升降机安装/拆卸报审报告施工单位····施工现场施工升降机使用登记台账施工单位·施工现场施工升降机登记备案记录施工单位·SA-C8 塔吊及起重吊装安全管理资料施工现场塔吊式起重机安装/拆卸任务书SA-C8-1 ···施工现场塔吊式起重机安装/拆卸安全和技术交底SA-C8-2 ···施工现场塔式起重机基础验收记录表SA-C8-3 ··施工现场塔式起重机轨道验收记录表SA-C8-4 ··施工现场塔式起重机安装/拆卸过程记录表SA-C8-5 ···施工现场塔式起重机附着检查记录表SA-C8-6 ···施工现场塔式起重机顶升检验记录表SA-C8-7 ···施工现场塔式起重机安装验收记录表SA-C8-8 ···施工现场塔式起重机安装垂直度测SA--8-9 ···量记录表施工现场塔式起重机运行记录表SA-C8-10 ·施工现场塔式起重机维修保养记录表SA-C8-11 ·续表 4.2.4编号施工现场安全管理资料名称资料表格编号或责任单位工作相关及资料保存单位建设单位监理单位施工单位租赁单位安装/拆卸单位SA-C8 施工现场塔式起重机检查记录施工单位···施工现场塔式起重机租赁、使用、安装/拆卸安全管理协议书施工单位租赁单位····施工现场塔式起重机安装/拆卸方案及群塔作业方案、起重吊装作业专项施工方案施工单位租赁单位····施工现场塔式起重机安装/拆卸报审报告施工单位····施工现场塔吊机组与信号工安全技术交底施工单位·SA-C9 施工机具安全管理资料施工现场施工机具(物料提升机)检查验收记录表SA-C9-1 ···施工现场施工机具(电动吊篮)检查验收记录表SA-C9-2 ···施工现场施工机具(龙门吊)检查验收记录表SA-C9-3 ···施工现场施工机具(打桩、钻孔机械)检查验收记录表SA-C9-4 ···施工现场施工机具(装载机)检查验收记录表SA-C9-5 ··施工现场施工机具(挖掘机)检查验收记录表SA-C9-6 ··施工现场施工机具(混凝土泵)检查验收记录表SA-C9-7 ··施工现场施工机具(混凝土搅拌机)检查验收记录表SA-C9-8 ··施工现场施工机具(钢筋机械)检查验收记录表SA-C9-9 ··施工现场施工机具(木工机械)检查验收记录表SA-C9-10 ··施工现场施工机具安装验收记录表SA-C9-11 ··续表 4.2.4编号施工现场安全管理资料名称资料表格编号或责任单位工作相关及资料保存单位建设单位监理单位施工单位租赁单位安装/拆卸单位SA-C9 施工现场施工机具维修保养记录表SA-C9-12 ··施工现场施工机具使用单位与租赁单位租赁、使用、安装/拆卸安全管理协议施工单位租赁单位···施工现场施工机具安全/拆卸方案租赁单位··SA-C10 施工现场文明生产(现场料具堆放、生活区)安全管理资料施工现场施工噪声监测记录表SA-C10-1 ··施工现场文明生产定期检查表SA-C10-2 ·施工现场办公室、生活区、食堂等卫生管理制度施工单位·施工现场应急药品、器材的登记及使用记录施工单位·施工现场急性职业中毒应急预案施工单位·施工现场食堂卫生许可证及炊事人员的卫生、培训、体检证件施工单位·施工现场各阶段现场存放材料堆放平面图及责任划分,材料存放、保管制度施工单位··施工现场成品保护措施施工单位··施工现场各种垃圾存放、消纳管理制度施工单位··施工现场环境保护管理方案施工单位··。
施工单位工程项目安全管理资料工程名称:分卷名称:编制单位:安全主管:编制日期:自年月日起至年月日止保管期限:保存档号:共卷,第卷AQ-C6-01(封)分包单位安全生产条件报审表工程名称:分包单位:总包单位:监理单位:表AQ-C6-02(封)分承包方考察评价表工程名称:分包单位:总包单位:表AQ-C6-03(封)分承包方营业执照资质证书安全生产许可证(复印件)1)证件应在有效期内使用;及时更新2)复印件中各种信息应清晰可见;,3)加盖分包单位红章;工程名称:分包单位:总包单位:表AQ-C6-04(封)分包方施工人员名单工程名称:分包单位:总包单位:填表人:日期:年月日表AQ-C6-05(封)分包方特种作业人员持证上岗花名册工程名称:分包单位:总包单位:注:必须附操作证书复印件表AQ-C6-06(封)工程施工分包合同根据有关规定文本及要求填写;工程名称:分包单位:总包单位:表AQ-C6-07(封)分包工程安全生产协议建筑施工企业工程项目安全生产标准化管理资料部分实例及简评中相应实例介绍”;工程名称:分包单位:总包单位:表AQ-C6-08(封)总包方对分包方进场安全技术总交底工程名称:分包单位:总包单位:表AQ-C6-09(封)安全物资工具设施设备移交单工程名称:分包单位:总包单位:表AQ-C6-10(封)对分包方的监督检查记录工程名称:分包单位:总包单位:资料备考表表AQ-C7-01(封)项目部安全生产资金投入计划工程名称:施工单位:注:上述费用分类要求按市有关文件及公司“资金保障有关制度”规定等执行。
编制人:审批人:日期:年月日表AQ-C7-02(封)安全费用投入清单工程名称:施工单位:表AQ-C7-03(封)安全防护用具进场查验登记表工程名称:施工单位:项目负责人:专职安全员:填表人:日期:年月日表AQ-C7-04(封)安全防护用品发放记录工程名称:施工单位:表AQ-C7-05(封)建筑工程安全费用拨付申请表工程名称:施工单位:监理单位:AQ-C7-06(封)安全防护文明施工措施费用支付申请表工程名称:施工单位:监理单位:表AQ-C7-07(封)安全防护用品产品质量证明文件工程名称:施工单位:资料备考表表AQ-C8-02(封)脚手架施工方案工程名称: _____________________编制人:____职务(职称):_______审核人:_____职务(职称):_______审批人:_____职务(职称):_______施工单位: _______________________表AQ-C8-04(封)脚手架施工安全技术交底工程名称:施工单位:表AQ-C8-05(封)落地式脚手架验收表工程名称:施工单位:。