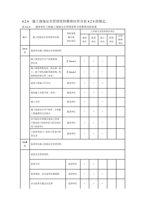
建设单位工程施工现场安全管理资料分类整理及组卷表
- 格式:doc
- 大小:534.50 KB
- 文档页数:9
前言本规程为强制性标准,其中第2.1.5条为强制性条文,必须严格执行。
根据北京市质量技术监督局《2013年北京市地方标准制修订项目计划》(京质监标发〔2013〕136号)的要求,由北京城建集团有限责任公司组织有关单位经广泛调查研究,认真总结实践经验,结合北京市建筑行业特点,参考相关标准,并在广泛征求意见的基础上,修订完成本规程。
本规程主要技术内容是:1总则、2施工现场安全资料管理、3施工现场安全资料分类与编号、4建设单位施工现场安全资料、5监理单位施工现场安全资料、6施工单位施工现场安全资料、7施工现场检查评价、附录A建设单位施工现场安全资料用表、附录B监理单位施工现场安全资料用表、附录C施工单位施工现场安全资料用表、附录D北京市施工现场检查评分标准。
其中附录A至附录D为规范性附录。
本规程主要修订的技术内容是:1、取消原第2章“术语”章节;2、在第2章“施工现场安全资料管理”章节中,对建设、监理、施工单位应承担的安全资料管理职责进行了明确;3、在第4、5、6章中分别对建设、监理、施工单位应建立的安全资料进行了修订、完善和细化,章节设置进行了调整;4、新增加了第7章“施工现场检查评价”,取消原第8章“施工现场安全资料的编制与组卷”,将原章节内容合并至第2章“施工现场安全资料管理”中;5、新增加了附录D北京市施工现场检查评分标准;6、新增加了“条文说明”。
1本规程由北京市住房和城乡建设委员会和北京市质量技术监督局共同负责管理,由北京市住房和城乡建设委员会归口并负责组织实施,由北京城建集团有限责任公司负责具体技术内容的解释。
为了提高《建筑工程施工现场安全资料管理规程》的编制质量和水平,请在执行过程中注意总结经验,积累资料,如发现需要修改和补充之处,请将意见和有关资料寄至北京城建集团有限责任公司(地址:北京市海淀区北太平庄路18号北京城建大厦B座2010室,邮政编码:100088,电话:62091925,电子邮箱:***************)。
建筑工程资料组卷例
1. 地基处理资料:
- 地基处理方法及选择原则
- 土壤勘测报告
- 地基处理施工方案
2. 结构设计资料:
- 结构设计图纸
- 结构设计计算书
- 结构材料说明书
3. 施工组织资料:
- 施工方案
- 施工进度计划
- 施工工艺流程图
4. 材料管理资料:
- 材料清单
- 材料采购合同
- 材料进场验收记录
5. 施工工艺资料:
- 砌筑工艺流程图
- 混凝土浇筑工艺
- 钢筋布置图纸
6. 安全管理资料:
- 安全技术交底记录
- 安全生产教育培训材料 - 施工现场安全检查记录
7. 质量管理资料:
- 施工质量验收记录
- 焊接质量检查报告
- 混凝土抗压强度试验结果
8. 设备管理资料:
- 设备台账
- 设备维护保养记录
- 设备租赁合同
9. 环境保护资料:
- 环境影响评价报告
- 施工废弃物处理方案
- 环保监测报告
10. 竣工资料:
- 竣工图纸
- 竣工验收报告
- 使用维护手册。
建筑工程资料组卷目录一、工程概况1.1 项目背景1.1.1 项目地理位置1.1.2 项目规模1.1.3 项目建设目的1.2 工程概述1.2.1 工程名称1.2.2 工程类型1.2.3 工程起止时间1.2.4 工程总投资1.3 法律法规1.3.1 相关建筑法规1.3.2 施工安全法规1.3.3 环境保护法规1.4 建设单位信息1.4.1 建设单位名称1.4.2 建设单位联系人及联系方式 1.4.3 建设单位资质证书1.5 设计单位信息1.5.1 设计单位名称1.5.2 设计单位联系人及联系方式 1.5.3 设计单位资质证书1.6 施工单位信息1.6.1 施工单位名称1.6.2 施工单位联系人及联系方式1.6.3 施工单位资质证书二、施工方案2.1 施工组织设计2.1.1 施工人员分工及职责2.1.2 施工流程安排2.1.3 施工设备及材料准备2.2 建筑工法2.2.1 基础工程施工方案2.2.2 主体结构施工方案2.2.3 室内装饰施工方案2.3 安全措施2.3.1 施工现场安全防护2.3.2 特殊施工工艺安全措施2.3.3 建筑材料安全使用指南三、技术文件3.1 建筑设计图纸3.1.1 概念设计图3.1.2 施工图3.1.3 景观设计图3.2 结构设计计算书3.2.1 基础设计计算书3.2.2 钢结构设计计算书3.2.3 混凝土结构设计计算书 3.3 材料采购清单3.3.1 主要建筑材料清单3.3.2 主要装饰材料清单3.3.3 机电设备清单3.4 施工工艺规范3.4.1 混凝土浇筑工艺规范3.4.2 砌筑工艺规范3.4.3 拆除工艺规范四、质量控制4.1 施工质量检验标准4.1.1 混凝土质量检验标准4.1.2 钢筋质量检验标准4.1.3 建筑装饰质量检验标准4.2 施工质量验收规范4.2.1 结构工程质量验收规范4.2.2 建筑装饰工程质量验收规范 4.2.3 室内空气质量检测标准4.3 竣工验收资料4.3.1 工程竣工验收报告4.3.2 施工图纸修正记录4.3.3 质量事故处理报告五、工程资料附件5.1 合同文件5.1.1 建设工程施工合同 5.1.2 设计服务合同5.1.3 监理合同5.2 施工进度计划5.2.1 总体施工进度计划 5.2.2 子项目施工进度计划 5.3 工程经费结算资料5.3.1 施工单位工程款明细 5.3.2 建设单位支付证明 5.3.3 资金使用证明文件 5.4 竣工图纸及验收文件5.4.1 竣工图纸5.4.2 工程竣工验收报告5.4.3 安全评估报告六、参考资料6.1 相关技术标准6.1.1 国家建筑工程质量标准6.1.2 建筑设计规范6.1.3 建筑装饰装修设计规范6.2 施工指导手册6.2.1 建筑施工工艺手册6.2.2 结构施工指南6.2.3 室内装饰施工参考资料6.3 监理规范及检测方法6.3.1 建筑工程监理规范6.3.2 结构施工质量检测方法6.3.3 室内空气质量检测规范以上为建筑工程资料组卷的目录安排,根据题目要求,整理了适合该主题的内容结构。
单位工程施工资料整理表工程名称:XXXX工程工程地点:XXXX施工单位:XXXX有限公司项目经理:XXX施工总包单位:XXXX有限公司施工总包单位项目经理:XXX施工单位联系人:XXX施工单位联系方式:XXXX工程概况:XXXX工程位于XXXX,总建筑面积约XXXX平方米,包括建筑主体结构、给排水、电气、空调等工程内容。
工程施工过程中需要准备的相关资料较多,为了保证施工的顺利进行,特制定此施工资料整理表,对需要准备的资料进行清单式整理,并按照施工阶段进行分类,以便施工单位和监理单位能够及时查阅和使用。
施工前准备资料:1. 工程施工组织设计方案;2. 勘察资料,包括地质勘察报告、地基处理方案等;3. 监理单位招标文件;4. 施工单位施工组织设计方案;5. 工程各专业施工图纸;6. 施工所需的材料、设备清单;7. 安全施工方案和相关资料。
施工中需要的资料:1. 签订的合同及相关协议;2. 施工过程中的日常施工记录;3. 施工单位施工人员的上岗证书、资格证书等相关资料;4. 施工单位各专业从业人员的相关资格证书;5. 施工单位施工设备的使用登记和维护记录;6. 施工单位施工材料的检验报告及相关资料。
竣工验收资料:1. 工程竣工验收报告;2. 施工单位的完工资料,包括合格证明、验收报告等;3. 施工单位的保修维护资料;4. 施工单位的结算报告及相关资料;5. 工程的交付验收文件。
施工单位应按照以上清单要求整理相应的资料,并及时提交给监理单位和相关部门。
在整个施工过程中,施工单位要严格按照相关法律法规和工程质量标准进行施工,确保工程质量和施工安全,做到高质量竣工,安全交付。
愿XXXX工程施工顺利进行,早日竣工交付使用。
.. 目次1 总则…………………………………………………(1 )2 术语………………………………………………………(2 )3 安全管理资料管理………………………………………(3 )3.1 安全管理资料管理要求……………………………………(3 )3.2 建设单位的管理职责………………………………………(3 )3.3 监理单位的管理职责………………………………………(4 )3.4 施工单位的管理职责………………………………………(4 )4 安全管理资料分类与整理………………………………(5 )4.1 安全管理资料分类…………………………………………(5 )4.2 安全管理资料整理及组卷…………………………………(5 )5 建设单位施工现场安全管理资料(SA-A) (15)6 监理单位施工现场安全管理资料(SA-B) (17)6.1 监理安全管理资料 (17)6.2 监理安全审核工作记录 (17)7 施工单位施工现场安全管理资料(SA-C) (20)7.1 安全控制管理资料(SA-C1) (20)7.2 文明施工安全管理资料(SA-C2) (27)7.3 脚手架安全管理资料(SA-C3) (29)7.4 基坑支护与模板工程安全管理资料(SA-C4) (30)7.5 “三宝”、“四口”及“临边”防护安全管理资料(SA-C5) (31)7.6 临时用电安全管理资料(SA-C6) (31)7.7 施工升降机安全管理资料(SA-C7) (32)7.8 塔吊及起重吊装安全管理资料(SA-C8) (34)7.9 施工机具安全管理资料(SA-C9) (37)7.10 施工现场文明生产(现场料具堆放、生活区)安全管理资料(SA-C10) (38)附录A 建设单位施工现场安全资料用表(SA-A类) (40)附录B 监理单位施工现场安全资料用表(SA-B类) (42)附录C 施工单位施工现场安全资料用表(SA-C类) (52)本规程用词说明 (155).. 1 总则1.0.1为加强施工现场安全管理资料的规范化管理,确保施工现场的生产安全、文明施工,防止生产安全事故,依据《建设工程安全生产管理条例》等生产安全法规制定本规程。
施工现场安全管理资料目录
1. 现场安全责任制度
2. 施工现场安全操作规程
3. 安全生产教育培训记录
4. 安全生产管理组织结构图
5. 安全风险评估报告
6. 施工现场安全警示标识及标牌
7. 施工设备和机械设备的安全检测报告
8. 事故隐患排查整改记录
9. 施工现场安全巡查记录
10. 安全生产事故报告
11. 施工现场安全设施和防护装备的购买记录
12. 临时用电安全管理记录
13. 施工现场消防设施和消防安全管理记录
14. 安全事故与危险因素分析报告
15. 安全检查整改通知单
16. 施工现场安全应急预案及演练记录
17. 安全生产培训考核记录
18. 施工现场安全档案的保存和归档记录
19. 隐患整改的验收记录
20. 施工现场工地照片和监控录像资料。
成都衡泰工程管理有限责任公司衡泰字[2014]016号建设工程项目现场监理文件资料归档与组卷管理规定为发挥监理文件资料在工程建设中的管理作用,提高建设工程水平,保证工程质量安全,规范建设工程监理文件资料的管理,根据《建设工程监理规范》(GB/T50319-2013)、《建设工程文件归档整理规范》(GB/T50328-2001)、《四川省建设工程文件归档技术管理规定》[2006]158号、《四川省建设工程项目现场监理文件资料组卷指南》,结合公司实际情况,制定建设工程项目现场监理文件资料归档与组卷管理规定。
一、监理资料归档管理要求1、监理文件资料是实施监理过程的真实反映,是监理工作成效的具体体现,也是工程质量、安全事故责任划分的重要依据。
项目监理机构应建立完善的监理文件资料管理制度,明确岗位责任,监理人员应如实记录自己职责范围内的文件资料,及时分类整理,并移交专人进行管理。
2、监理资料的管理由项目总监理工程师负责,并由总监理工程师指定专人进行监理资料的日常管理及归档工作。
3、工程监理文件资料形成应与随工程建设过程同步,并真实反映建设工程的实体质量、现场安全以及监理工作情况。
4、各项目监理机构应对监理文件资料内容的真实性、完整性、有效性负责。
5、在工程监理过程中,监理资料应按单位工程、分部、分项、专业、阶段等进行组卷,存放保管并编目。
6、各项目监理机构资料应按照归档资料的内容组卷,应做到“及时整理、真实完整、分类有序”,并采用信息化技术进行监理文件资料辅助管理。
7、监理文件资料不得随意修改,当需修改时,应实行划改,并由划改人签署。
8、监理文件资料的文字、图表、印章应清晰,内容完整、结论明确、签认手续齐全。
9、监理文件资料应为原件,当为复印件时,提供单位应在复印件上加盖单位印章,并应有经办人签字及日期,提供单位应对资料的真实性负责。
10、工程表格除特殊情况外一律采用《四川省工程建设统一用表》及《建设工程施工质量验收规范实施指南》第二版及增修部分的要求填写。
前言本规程为强制性标准,其中第2.1.5条为强制性条文,必须严格执行。
根据北京市质量技术监督局《2013年北京市地方标准制修订项目计划》(京质监标发〔2013〕136号)的要求,由北京城建集团有限责任公司组织有关单位经广泛调查研究,认真总结实践经验,结合北京市建筑行业特点,参考相关标准,并在广泛征求意见的基础上,修订完成本规程。
本规程主要技术内容是:1总则、2施工现场安全资料管理、3施工现场安全资料分类与编号、4建设单位施工现场安全资料、5监理单位施工现场安全资料、6施工单位施工现场安全资料、7施工现场检查评价、附录A建设单位施工现场安全资料用表、附录B监理单位施工现场安全资料用表、附录C施工单位施工现场安全资料用表、附录D北京市施工现场检查评分标准。
其中附录A至附录D为规范性附录。
本规程主要修订的技术内容是:1、取消原第2章“术语”章节;2、在第2章“施工现场安全资料管理”章节中,对建设、监理、施工单位应承担的安全资料管理职责进行了明确;13、在第4、5、6章中分别对建设、监理、施工单位应建立的安全资料进行了修订、完善和细化,章节设置进行了调整;4、新增加了第7章“施工现场检查评价”,取消原第8章“施工现场安全资料的编制与组卷",将原章节内容合并至第2章“施工现场安全资料管理"中;5、新增加了附录D北京市施工现场检查评分标准;6、新增加了“条文说明”。
本规程由北京市住房和城乡建设委员会和北京市质量技术监督局共同负责管理,由北京市住房和城乡建设委员会归口并负责组织实施,由北京城建集团有限责任公司负责具体技术内容的解释。
为了提高《建筑工程施工现场安全资料管理规程》的编制质量和水平,请在执行过程中注意总结经验,积累资料,如发现需要修改和补充之处,请将意见和有关资料寄至北京城建集团有限责任公司(地址:北京市海淀区北太平庄路18号北京城建大厦B座2010室,邮政编码:100088,电话:62091925,电子邮箱:aqb2010@163。
建筑工程资料组卷目录
1. 工程概述
- 项目背景
- 目标与目的
2. 施工方案
- 建筑布局图
- 施工流程图
- 施工进度计划
3. 建筑设计
- 结构设计
- 建筑物外观设计
- 室内设计
4. 建筑材料清单
- 混凝土材料清单
- 钢筋材料清单
- 砖瓦材料清单
5. 施工设备与机械清单
- 建筑设备清单
- 施工机械清单
- 安全防护设备清单
6. 质量控制计划
- 质量控制流程
- 质量检验标准
- 质量验收标准
7. 施工安全计划
- 安全管理组织机构- 施工现场安全措施- 突发事件应急预案
8. 环境保护计划
- 施工期环境保护措施- 施工后环境治理计划
9. 工程造价估算
- 施工材料成本估算- 人工费用估算
- 设备租赁费用估算
10. 工程验收与交付- 验收标准与要求
- 竣工图纸提交
- 交付手续办理
11. 维修与保养计划- 设备维修与保养计划- 建筑结构保养计划- 室内设施保养计划
12. 技术文件与档案管理- 技术文件归档要求
- 档案保存期限
- 档案管理责任人
13. 变更管理
- 工程变更申请流程
- 变更审批与执行
- 变更影响评估
14. 质量事故与处理
- 质量事故报告要求
- 质量事故处理流程
- 事故责任追究
15. 安全事故与处理
- 安全事故报告要求
- 安全事故处理流程
- 事故责任追究
16. 环境事故与处理
- 环境事故报告要求
- 环境事故处理流程
- 事故责任追究。
工程项目安全管理人员和特种作业人员情况登记表注:1. 项目安全管理人员和特种作业人员分别填写此表;2. 项目安全管理人员主要指项目负责人、项目技术负责人、专职安全生产管理人员;项目负责人需填写注册建造师证书和安全考核合格证书编号;专职安全生产管理人员只填写安全考核合格证书编号。
三级安全教育登记表工程名称:编号:注:1.新职工三级安全教育培训的时间不少于32 学时;2.本表一式三份,公司、项目、班组各存一份。
安全教育培训记录表编号:注:1.“教育培训类别”可根据培训内容,分别填写“年度安全培训;安全生产责任制教育培训;新工艺、新技术、新材料、新设备教育培训;待岗、转岗、换岗安全培训;季节性施工安全培训;节假日前后安全培训;事故警示教育培训;应急知识培训;双重预防体系培训;职业卫生培训;扬尘防治教育培训;消防安全教育培训;其他安全培训;2. 教育培训内容较多或受教育人员较多时,可附页;3. “记录人”一般为企业安全生产管理机构人员或项目专职安全生产管理人员。
班组安全活动记录内页班组安全活动记录工程名称:作业班组:编号:注:1. 本表由班组长进行记录并保存;2. 活动内容主要填写作业人员分工、安全注意事项、安全操作要点、作业中的危险点及防范应急措施等;3. 参加活动人员较多时,可附签字表。
重大风险管控统计表工程名称:编号:注:本表由施工单位填写,监理单位、施工单位各存一份。
危险性较大的分部分项工程清单注:1. “工程概况”主要填写危大工程基本情况,如:基坑类型和深度、架体种类和搭设高度、模板支架载荷和搭设高度、起重设备安装或拆除等;2. 超过一定规模的危大工程,在“是否为超规模危大工程”栏中打“√”;3. 本表由施工单位填写,建设单位、监理单位、施工单位各存一份。
危险性较大的分部分项工程专家论证表编号:注:1. “专家论证意见”应明确“通过”、“修改后通过”或者“不通过”的一致意见,并在相应“□”处打“√”;2. 论证报告作为本表的附件与所论证的专项施工方案一同收集归档。
建筑工程施工技术资料组卷总目录范本一:1. 基础资料1.1 工程概况1.1.1 工程名称和地点1.1.2 建设单位和连系方士1.1.3 施工单位和连系方士1.2 设计文件1.2.1 结构设计图纸1.2.2 土建设计图纸1.2.3 给排水设计图纸1.2.4 电气设计图纸1.3 供货商信息1.3.1 混凝土供货商1.3.2 钢材供货商1.3.3 沙石供货商2. 施工过程记录2.1 土建施工记录2.1.1 土方开挖记录2.1.2 基础施工记录2.1.3 结构施工记录2.2 给排水施工记录2.2.1 供水施工记录2.2.2 排水施工记录2.3 电气施工记录2.3.1 电缆敷设记录2.3.2 开关箱安装记录3. 质量检验记录3.1 土建质量检验记录3.1.1 基坑支护质量检验记录 3.1.2 混凝土浇筑质量检验记录 3.1.3 钢筋绑扎质量检验记录 3.2 给排水质量检验记录3.2.1 水管连接质量检验记录3.2.2 排水设备安装质量检验记录3.3 电气质量检验记录3.3.1 电线接线质量检验记录3.3.2 电气设备安装质量检验记录4. 安全管理记录4.1 安全会议记录4.2 施工现场巡检记录4.3 安全事故记录附件:1. 工程设计图纸2. 工程质量检验报告3. 施工现场照片法律名词及注释:1. 施工单位:负责具体施工工作的组织或个人。
2. 结构设计图纸:包括建筑物的结构形式和尺寸、材料选用等设计要求的图纸。
3. 水管连接质量检验记录:记录给水管道的连接质量检验情况。
范本二:1. 工程基础信息1.1 工程概况1.1.1 工程名称和地点1.1.2 建设单位和连系方士1.1.3 施工单位和连系方士1.2 工程设计文件1.2.1 结构设计文件1.2.2 土建设计文件1.2.3 给排水设计文件1.2.4 电气设计文件2. 施工过程记录2.1 土建施工过程记录2.1.1 土方开挖过程记录2.1.2 基础施工过程记录2.1.3 结构施工过程记录2.2 给排水施工过程记录2.2.1 供水施工过程记录2.2.2 排水施工过程记录2.3 电气施工过程记录2.3.1 电缆敷设过程记录2.3.2 开关箱安装过程记录3. 质量检验记录3.1 土建质量检验记录3.1.1 基坑支护质量检验记录3.1.2 混凝土浇筑质量检验记录 3.1.3 钢筋绑扎质量检验记录3.2 给排水质量检验记录3.2.1 水管连接质量检验记录3.2.2 排水设备安装质量检验记录 3.3 电气质量检验记录3.3.1 电线接线质量检验记录3.3.2 电气设备安装质量检验记录4. 安全管理记录4.1 安全会议记录4.2 施工现场巡检记录4.3 安全事故记录附件:1. 工程设计文件清单2. 施工过程照片3. 质量检验报告法律名词及注释:1. 结构设计文件:包括建筑物的结构形式和尺寸、材料选用等设计方面的文件。
.. 目次1 总则…………………………………………………(1 )2 术语………………………………………………………(2 )3 安全管理资料管理………………………………………(3 )3.1 安全管理资料管理要求……………………………………(3 )3.2 建设单位的管理职责………………………………………(3 )3.3 监理单位的管理职责………………………………………(4 )3.4 施工单位的管理职责………………………………………(4 )4 安全管理资料分类与整理………………………………(5 )4.1 安全管理资料分类…………………………………………(5 )4.2 安全管理资料整理及组卷…………………………………(5 )5 建设单位施工现场安全管理资料(SA-A) (15)6 监理单位施工现场安全管理资料(SA-B) (17)6.1 监理安全管理资料 (17)6.2 监理安全审核工作记录 (17)7 施工单位施工现场安全管理资料(SA-C) (20)7.1 安全控制管理资料(SA-C1) (20)7.2 文明施工安全管理资料(SA-C2) (27)7.3 脚手架安全管理资料(SA-C3) (29)7.4 基坑支护与模板工程安全管理资料(SA-C4) (30)7.5 “三宝”、“四口”及“临边”防护安全管理资料(SA-C5) (31)7.6 临时用电安全管理资料(SA-C6) (31)7.7 施工升降机安全管理资料(SA-C7) (32)7.8 塔吊及起重吊装安全管理资料(SA-C8) (34)7.9 施工机具安全管理资料(SA-C9) (37)7.10 施工现场文明生产(现场料具堆放、生活区)安全管理资料(SA-C10) (38)附录A 建设单位施工现场安全资料用表(SA-A类) (40)附录B 监理单位施工现场安全资料用表(SA-B类) (42)附录C 施工单位施工现场安全资料用表(SA-C类) (52)本规程用词说明 (155).. 1 总则1.0.1为加强施工现场安全管理资料的规范化管理,确保施工现场的生产安全、文明施工,防止生产安全事故,依据《建设工程安全生产管理条例》等生产安全法规制定本规程。