城市杂用水水质标准 T修订稿
- 格式:docx
- 大小:106.48 KB
- 文档页数:3
城市污水再生利用城市杂用水水质标准一、城市污水再生利用城市杂用水水质标准1、总有机碳(TOC):总有机碳是指污水中有机物的总量,一般按照比重计算,单位为mg/L,城市污水再生利用城市杂用水的总有机碳标准为5mg/L。
2、氨氮:氨氮是指氨和氮的总量,单位为mg/L,城市污水再生利用城市杂用水的氨氮标准为1.5mg/L。
3、总磷:总磷是指污水中磷的总量,单位为mg/L,城市污水再生利用城市杂用水的总磷标准为0.5mg/L。
4、总氮:总氮是指污水中氮的总量,单位为mg/L,城市污水再生利用城市杂用水的总氮标准为3mg/L。
5、化学需氧量(COD):化学需氧量是指污水中有机物的氧化能力,单位为mg/L,城市污水再生利用城市杂用水的COD标准为10mg/L。
6、悬浮物:悬浮物是指污水中可以悬浮在水面上的物质,单位为mg/L,城市污水再生利用城市杂用水的悬浮物标准为5mg/L。
7、色度:色度是指污水中的色彩,单位为度,城市污水再生利用城市杂用水的色度标准为15度。
8、水温:水温是指污水中的温度,单位为摄氏度,城市污水再生利用城市杂用水的水温标准为25摄氏度。
二、城市污水再生利用城市杂用水水质控制1、污水处理:城市污水再生利用城市杂用水的水质控制,首先要进行污水处理,采用生物处理、化学处理、物理处理等方法,以达到污水净化的目的。
2、污水排放:城市污水再生利用城市杂用水的水质控制,其次要进行污水排放,采用排放标准、排放管理、排放控制等方法,以达到污水排放的目的。
3、水质监测:城市污水再生利用城市杂用水的水质控制,最后要进行水质监测,采用定期监测、定点监测、定性监测等方法,以达到水质监测的目的。
综上所述,城市污水再生利用城市杂用水水质标准为:总有机碳5mg/L,氨氮1.5mg/L,总磷0.5mg/L,总氮3mg/L,COD10mg/L,悬浮物5mg/L,色度15度,水温25摄氏度。
城市污水再生利用城市杂用水水质控制,需要进行污水处理、污水排放和水质监测。
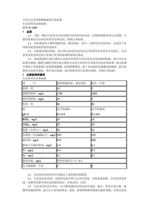
中华人民共和国城镇建设行业标准生活杂用水水质标准CJ/T 48-19991总则1.1为统一城市污水再生后回用做生活杂用水的水质,以便做到既利用污水资源,又能切实保证生活杂用水的安全和适用,特制订本标准。
1.2本标准适用于厕所便器冲洗、城市绿化、洗车、扫除等生活杂用水,也适用于有同样水质要求的其他用途的水。
1.3本标准由城市规划、设计和生活杂用水供水运行管理等有关单位负责执行。
生活杂用水供水单位的主管部门负责监督和检查执行情况。
1.4本标准是制订地方城市污水再生回用作生活杂用水水质标准的依据,地方可以本标准为基础,根据当地特点制订地方城市污水再生回用作生活杂用水的水质标准。
地方标准不得宽于本标准或与本标准相抵触;如因特殊情况,宽于本标准时应报建设部批准。
地方标准列入的项目指标,执行地方标准;地方标准未列入的项目指标,仍执行本标准。
2水质标准和要求2.1生活杂用水的水质不应超过上表所规定的限量。
2.2生活杂用水管道、水箱等设备不得与自来水管道、水箱直接相连。
生活杂用水管道、水箱等设备外部应涂浅绿色标志,以免误饮、误用。
2.3生活杂用水供水单位,应不断加强对杂用水的水处理、集水、供水以及计量、检测等设施的管理,建立行之有效的放水、清洗、消毒和检修等制度及操作规程,以保证供水的水质。
3水质检验3.1水质的检验方法,应按《生活杂用水标准检验法》执行。
3.2生活杂用水集中式供水单位,必须建立水质检验室,负责检验污水再生设施的进水和出水以及出厂水和管网水的水质。
分散式或单独式供水,应由主管部门责成有关单位或报请上级指定有关单位负责水质检验工作。
以上水质检验的结果,应定期报送主管部门审查、存档。
附加说明:本标准由中国市政工程中南设计院负责技术归口管理并负责解释。
本标准由中国市政工程中南设计院负责起草。
本标准主要起草人:徐广祥张小平杨琢微魏桂珍。
城市杂用水水质标准城市杂用水是指城市生活、工业和农业用水的综合排放,其中包括生活污水、工业废水和农业面源污染等。
随着城市化进程的加快,城市杂用水的排放量不断增加,对水环境造成了严重的影响。
因此,对城市杂用水的水质标准进行严格监管和控制,对维护水环境和保障人民健康具有重要意义。
首先,城市杂用水中的生活污水是其中的重要组成部分。
生活污水中含有大量的有机物质、氮、磷等营养物质,以及各种微生物和病原体。
如果生活污水排放不当,会对水体造成严重的污染,影响水质。
因此,对生活污水的处理和排放需要符合一定的水质标准,确保排放水质符合环境要求。
其次,工业废水是城市杂用水中的另一个重要组成部分。
工业废水中含有各种有机物、重金属、毒性物质等,如果排放到水体中,会对水质造成严重的污染。
因此,对工业废水的排放需要严格控制,确保排放水质符合国家和地方的相关标准和要求。
另外,农业面源污染也是城市杂用水中的重要组成部分。
农业面源污染主要来自农田的化肥、农药和畜禽养殖的粪便等,这些污染物通过径流和渗漏进入水体,对水质造成污染。
因此,需要加强对农业面源污染的治理和管理,减少其对水环境的影响。
在城市杂用水水质标准方面,我国已经建立了一系列的相关标准和监测体系。
比如《城市污水处理厂污水综合排放标准》、《工业废水排放标准》等,这些标准对城市杂用水的水质进行了详细的规定和要求,确保了城市杂用水的排放水质符合环境要求。
除了建立水质标准外,对城市杂用水的监测和治理也是非常重要的。
通过建立监测站点,定期对城市杂用水进行监测,及时发现和处理水质异常情况。
同时,加强城市杂用水的治理和处理,采取合理的处理技术和措施,减少对水环境的影响。
总之,城市杂用水的水质标准是保障水环境和人民健康的重要保障。
需要加强标准的制定和监管,确保城市杂用水的排放水质符合环境要求,减少对水环境的污染。
同时,还需要加强城市杂用水的监测和治理,及时发现和处理水质异常情况,保障水环境的健康和可持续发展。
生活杂用水水质标准CJ/T 48-1999批准日期1999-06-04实施日期1999中华人民共和国城镇建设行业标准生活杂用水水质标准CJ/T 48-19991总则1.1为统一城市污水再生后回用做生活杂用水的水质,以便做到既利用污水资源,又能切实保证生活杂用全和适用,特制订本标准。
1.2本标准适用于厕所便器冲洗、城市绿化、洗车、扫除等生活杂用水,也适用于有同样水质要求的其他水。
1.3本标准由城市规划、设计和生活杂用水供水运行管理等有关单位负责执行。
生活杂用水供水单位的主负责监督和检查执行情况。
1.4本标准是制订地方城市污水再生回用作生活杂用水水质标准的依据,地方可以本标准为基础,根据当制订地方城市污水再生回用作生活杂用水的水质标准。
地方标准不得宽于本标准或与本标准相抵触;如因特殊情宽于本标准时应报建设部批准。
地方标准列入的项目指标,执行地方标准;地方标准未列入的项目指标,仍执行准。
2 水质标准和要求生活杂用水水质标准2.1 生活杂用水的水质不应超过上表所规定的限量。
2.2 生活杂用水管道、水箱等设备不得与自来水管道、水箱直接相连。
生活杂用水管道、水箱等设备外部绿色标志,以免误饮、误用。
2.3 生活杂用水供水单位,应不断加强对杂用水的水处理、集水、供水以及计量、检测等设施的管理,建有效的放水、清洗、消毒和检修等制度及操作规程,以保证供水的水质。
3 水质检验3.1 水质的检验方法,应按《生活杂用水标准检验法》执行。
3.2 生活杂用水集中式供水单位,必须建立水质检验室,负责检验污水再生设施的进水和出水以及出厂水水的水质。
分散式或单独式供水,应由主管部门责成有关单位或报请上级指定有关单位负责水质检验工作。
以上水质检验的结果,应定期报送主管部门审查、存档。
附加说明:本标准由中国市政工程中南设计院负责技术归口管理并负责解释。
本标准由中国市政工程中南设计院负责起草。
城市杂用水回用标准
一、水质要求
1.悬浮物:杂用水水质应满足悬浮物质量浓度不超过100mg/L。
2.pH值:杂用水水质应满足pH值在6.0~9.0之间。
3.化学需氧量:杂用水水质应满足化学需氧量不超过150mg/L。
4.生物需氧量:杂用水水质应满足生物需氧量不超过5mg/L。
5.阴离子表面活性剂:杂用水水质应满足阴离子表面活性剂质量浓度不超过
1.0mg/L。
6.余氯:杂用水水质应满足余氯质量浓度不超过0.5mg/L。
7.其他指标:杂用水水质还应满足国家或地方的相关规定和标准。
二、卫生要求
1.杂用水水质应符合国家或地方的相关卫生标准和规定,不得含有病原体、
有毒有害物质和异味等。
2.杂用水系统设备、管道、阀门等应采用耐腐蚀、耐磨损、不易结垢、易清
洗消毒的材料制造。
3.杂用水储存设施应设有通气口、检查口、溢流口等安全设施,防止出现浮
渣、异味等问题。
4.杂用水系统应有完善的消毒设施,保证水质安全卫生。
5.杂用水系统还应设有水处理设备,对水质进行净化处理,提高水质品质。
三、目标用途要求
1.杂用水可用于城市绿化浇灌、道路冲洗、车辆冲洗、建筑施工等,不得用
于饮用和食品加工等方面。
2.杂用水在使用过程中不得对环境和人体健康造成不良影响。
3.杂用水在使用过程中应遵守相关规定和标准,确保使用安全和效果。
城市杂用水水质标准2020近年来,由于环境污染的加剧,使得城市居民不断地受到污染物的威胁,尤其是城市杂用水水质变得越来越差。
在这种情况下,及时出台和完善城市杂用水水质标准就显得尤为重要。
2020年,国家卫生健康委员会结合全国杂用水状况,发布了全新的城市杂用水水质标准:一、总有机碳(TOC)标准:新出台的城市杂用水水质标准规定,杂用水总有机碳标准应为25mg/L,允许波动范围在20~30mg/L之间。
二、氧化锰(MnO2)标准:新的城市杂用水水质标准规定,杂用水中氧化锰的标准应为0.15mg/L,允许波动范围在0.1~0.2mg/L之间。
三、重金属标准:新出台的城市杂用水水质标准规定,杂用水中铜、锌、铅等重金属的浓度不应超过5mg/L,而有毒重金属汞、镉、铬在杂用水中不应有任何残留。
四、挥发性有机物(VOCs)标准:新出台的城市杂用水水质标准规定,杂用水中不得含有任何挥发性有机物,以确保城市居民的安全用水。
五、溶解性总固体(TDS)标准:新出台的城市杂用水水质标准规定,杂用水中溶解性总固体的浓度不应超过1000mg/L。
新出台的城市杂用水水质标准旨在改善城市杂用水水质,有效防止和控制污染,保障城市居民的安全用水。
根据这些标准,杂用水的水质有了定量的计量,城市管理部门也应制定相关的管理措施,加强对杂用水的监测和管理,以确保城市居民的安全用水。
为了提高城市杂用水水质,除了严格按照新的标准进行监测和管理之外,还应重视建设好城市杂用水水源,加强对杂用水水源的保护,采取技术措施增强杂用水水质,减少污染物的排放,最大程度地减少对城市居民的危害。
同时,城市管理部门还应根据最新的杂用水水质标准,制定相应的技术指标,完善杂用水再生利用研究,加强对杂用水的检测和控制,以及加大对公众的教育宣传,让更多的市民了解有关的知识,并正确使用杂用水。
由此可见,全新的城市杂用水水质标准是城市水环境的有力保障,为保障城市居民的安全用水提供了有效的保障。
城市污水回用杂用水水质准则集团文件发布号:(9816-UATWW-MWUB-WUNN-INNUL-DQQTY-城市杂用水水质GB/T?18920-2002前言为贯彻我国水污染防治和水资源开发方针,提高水利真是用率、做好城市节约用水工作,合理利用水资源,实现城市污水资源化,减轻污水对环境的污染,促进城市建设和经济建设可持续发展,制定《城市污水再生利用》系列标准。
《城市污水再生利用》系列标准目前拟分为五项:——《城市污水再生利用分类》——《城市污水再生利用城巾杂用水水质》——《城市污水再生利用景观环境用水水质》——《城市污水再生利用补充水源水质》——《城市污水再生利用工业用水水质》本标准为第二项。
本标准是在CJ/T48-1999《生活杂用水水质标准》基础上制定的。
本标准主要变化如下:(1)用水类别增加消防及建筑施工杂用水;(2)水质项目增加溶解氧,删除了氯化物、总硬度、化学需氧量、悬浮物;(3)水质类别由2个增加到5个;(4)水质指标值进行了相应调整。
本标准自实施之日起,CJ/T48——1999同时废止。
本标准由中华人民共和国建设部提出。
本标准由建设部给水排水产品标准化技术委员会归口。
本标准由中国市政工程中南设计研究院负责起草本标准主要起草人:张怀宇、李树苑、杨文进、张小平、魏桂珍、张赐承1?范围本标准规定了城市杂用城市杂用水规定了城市杂用水水质标准、采样及分析方法。
本标准适用于厕所便器冲洗、道路清扫、消防、城市绿化、车辆冲洗、建筑施工杂用水。
2?规范性引用文件下列文件中的条款通过本标准的引用而成为本标准的条款。
凡是注日期的引用文件,其随后所有的修改单(不包括勘误的内容)或修订版均不适用于本标准,然而,鼓励根据本标准达成协议的各方研究是否可使用这些文件的最新版本。
凡是不对日期的引用文件,其最新版本适用于本标准。
3?术语和定义本标准采用下列本语和定义。
3.1城市设市城市和建制镇。
3.2城市杂用水用于冲厕、道路清扫、消防、城市绿化、车辆冲洗、建筑施工的非饮用水3.2.1?冲厕杂用水公共及住宅卫生间便器冲洗的用水。
第47 卷第 3 期2021 年给水排水WATER & WASTEWATER ENGINEERING Vol. 47 No. 3 2021谈城市杂用水的应用与《城市污水再生利用城市杂用水水质》国家标准的修订张怀宇余琴芳(中国市政T程中南设计研究总院有限公司,武汉430010)摘要:国家标准《城市污水再生利用城市杂用水水质》(G B/T 18920 —2020)于2021年2月1日正式实施,这一标准是对G B/T 18921 —2002的修订,贯彻和响应了国家政策,可促进循环经济和水 资源的保护和有效利用。
介绍了标准修订的原则和标准的核心内容,重点讨论了在国内外污水再生 利用特别是城市杂用水的应用情况和相关标准的广泛文献调研基础上,对标准中水质分类、指标项 目、常规指标、消毒和病原生物指标、水质监测与标识等进行修订的情况。
关键词:城市杂用水;再生水水质标准;再生利用水量;冲厕用水;城市绿化用水;消毒和病原 生物指标中图分类号:T U992 文献标识码:A文章编号=1002 —8471(2021)03 —0030—14IX)I:10. 13789/ki.w w e l964. 2021. 03. 006引用本文:张怀宇,余琴芳.谈城市杂用水的应用与《城市污水再生利用城市杂用水水质》国家标准的修订[J]•给水排水,2021,47(3):30-43. Z H A N G H Y,Y U Q F.Revision ofo j urban recycling vuater-Water quality standard for urban miscellarieous water consumption[J].Water &•Wastewater Engineering,2021,47(3) :30-43.Revision of T h e r e u s e o f u r b a n r e c y c l i n g w a t e r-W a te rq u a lit y s t a n d a r d f o r u r b a n m is c e lla n e o u s w a t e r c o n s u m p t io nZH AN G Huaiyu. YU Qinfang{Middle South China Institute o f Municipal EngineeringDesign&Research^ Wuhan 430010, China)Alistract:National standard The reuse o j urban recycling vuater-Water quality standard for urban miscellaneous water co?isumptio?i(GW T 18920—2020),which was officially implemented on February 1,2021, and a revision of G B/T 18921 _2002,i s implementing and responding to national policies to promote the circular economy and the protection and effective use of water resources.This paper introduces the revision principles and core contents of the standard,and focuses on the revision of water quality classification.indicator items,conventional indicators,disinfection and pathogenic biometric indicators,water quality monitoring and marking on the basis of literature research on the application of water recycling of different countries and regions,especially urban use and related standards.Keywords:U r b a n miscellaneous use;Reclaimed water quality standards;Recycling water quantity;Toilet and urinal flushing;U r b a n green space irrigation;Disinfection and pathogenic biological indicators30第,17卷第 3期2021 年给水排水WATER WASTEWATER ENGINEERING国家标准《城市污水再生利用城市杂用水水质》(G B/T 18920 —2020)是对 G B/T 18920 —2002的修订。
城市污水再生利用城市杂用水水质GB/T 18920-2002为贯彻我国水污染防治和水资源开发方针,提高水利真是用率、做好城市节约用水工作,合理利用水资源,实现城市资源化,减轻对环境的污染,促进城市建设和经济建设可持续发展,制定《城市再生利用》系列标准。
《城市再生利用》系列标准目前拟分为五项:——《城市再生利用分类》——《城市再生利用城巾杂用水水质》——《城市再生利用景观环境用水水质》——《城市再牛利用补充水源水质》——《城市再生利用工业用水水质》本标准为第二项。
本标准是在CJ/T48-1999《生活杂用水水质标准》基础上制定的。
本标准主要变化如下:(1)用水类别增加消防及建筑施工杂用水;(2)水质项目增加溶解氧,删除了氯化物、总硬度、化学需氧量、悬浮物;(3)水质类别由2个增加到5个;(4)水质指标值进行了相应调整。
本标准自实施之日起,CJ/T48——1999同时废止。
本标准由中华人民共和国建设部提出。
本标准由建设部给水排水产品标准化技术委员会归口。
本标准由中国市政工程中南设计研究院负责起草本标准主要起草人:张怀宇、李树苑、杨文进、张小平、魏桂珍、张赐承1范围本标准规定了城市杂用城市杂用水规定了城市杂用水水质标准、采样及分析方法。
本标准适用于厕所便器冲洗、道路清扫、消防、城市绿化、车辆冲洗、建筑施工杂用水。
2规范性引用文件下列文件中的条款通过本标准的引用而成为本标准的条款。
凡是注日期的引用文件,其随后所有的修改单(不包括勘误的内容)或修订版均不适用于本标准,然而,鼓励根据本标准达成协议的各方研究是否可使用这些文件的最新版本。
凡是不对日期的引用文件,其最新版本适用于本标准。
GB/T3181漆膜颜色标准GB/T5750生活饮用水标准检验法GB/T7488水质五日生化需氧量(BOD5)的测定稀释与接种法(neqISO5815) GB/T7489水质溶解氧的测定碘量法(eqvISO5813)GB/T7494水质阴离了表面活性剂的测定亚甲蓝分光光度法(neqISO7875-1) GB/T11898水质游离氯和总氯的测定N,N-二乙基-1,4-苯二胺分光光度法(eqvISO7393-2)GB/T11913水质溶解氧的测定电化学探头法(idtISO5814)GB/T12997水质采样方案设计技术规定(idtISO5667-1)GB/T12998水质采样技术指导(neqISO5667-2)GB/T12999水质采样样品的保存和管理技术规定(neqISO5667-3)JGJ63混凝土拌合用水标准3术语和定义本标准采用下列本语和定义。
城市杂用水水质标准
城市杂用水的水质标准主要是指城市生活污水处理后达到的水质要求。
根据不同的用途,城市杂用水可以分为三类:一类是环境用水,包括城市绿化、公园喷泉等用途;二类是工业用水,包括冷却水、喷洒水等用途;三类是农业用水,主要用于灌溉农作物。
根据不同的用途,城市杂用水的水质标准也有所不同。
1. 环境用水标准
pH值:6-9
悬浮物:10mg/L
溶解氧:≥2.0mg/L
氨氮:≤2.0mg/L
总磷:≤0.5mg/L
总氮:≤15mg/L
细菌数:≤500个/ml
2. 工业用水标准
pH值:6-9
悬浮物:50mg/L
溶解氧:≥4.0mg/L
氨氮:≤10mg/L
总磷:≤0.5mg/L
总氮:≤20mg/L
COD:≤100mg/L
SS:≤100mg/L
细菌数:≤500个/ml
3. 农业用水标准
pH值:6-9
悬浮物:50mg/L
溶解氧:≥4.0mg/L
氨氮:≤5.0mg/L
总磷:≤0.5mg/L
总氮:≤10mg/L
COD:≤50mg/L
SS:≤50mg/L
细菌数:≤500个/ml
需要注意的是,城市杂用水的水质标准会在不同地区、不同国家有所差异,上述标准仅供参考。
2.2生活杂用水管道、水箱等设备不得与自来水管道、水箱直接相连。
生活杂用水管道、水箱等设备外部应涂浅绿色标志,以免误饮、误用。
2.3生活杂用水供水单位,应不断加强对杂用水的水处理、集水、供水以及计量、检测等设施的管理,建立行之有效的放水、清洗、消毒和检修等制度及操作规程,以保证供水的水质。
3水质检验
3.1水质的检验方法,应按《生活杂用水标准检验法》执行。
3.2生活杂用水集中式供水单位,必须建立水质检验室,负责检验污水再生设施的进水和出水以及出厂水和管网水的水质。
分散式或单独式供水,应由主管部门责成有关单位或报请上级指定有关单位负责水质检验工作。
以上水质检验的结果,应定期报送主管部门审查、存档。
附加说明:
本标准由中国市政工程中南设计院负责技术归口管理并负责解释。
本标准由中国市政工程中南设计院负责起草。
本标准主要起草人:徐广祥张小平杨琢微魏桂珍。
中华人民共和国城镇建设行业标准!"#$%&’()))生活杂用水水质标准()))*+,*+%发布()))*+,*+%实施中华人民共和国建设部发布!"#$%&’()))说明根据国家质量技术监督局*关于废止专业标准和清理整顿后应转化的国家标准的通知+,质技监督局标函-.//012.3号4要求5建设部对.//2年国家技术监督局批复建设部归口的国家标准转化为行业标准项目及.//2年以前建设部批准发布的产品标准项目进行了清理6整顿和审核7建设部以建标-.///1.89号文*关于公布建设部产品标准清理整顿结果的通知+对:;28<.=./0/*生活杂用水水质标准+标准予以确认6发布5新编号为:;#>90=.///7为便于标准的实施5现仅对原标准的封面6首页6书眉线上方表述进行相应修改5并增加本说明后重新印刷5原标准版本同时废止7中华人民共和国城镇建设行业标准生活杂用水水质标准!"#$%&’()))中华人民共和国建设部()))*+,*+%批准()))*+,*+%实施(总则(-(为统一城市污水再生后回用做生活杂用水的水质.以便做到既利用污水资源.又能切实保证生活杂用水的安全和适用.特制订本标准/(-0本标准适用于厕所便器冲洗1城市绿化1洗车1扫除等生活杂用水.也适用于有同样水质要求的其他用途的水/(-2本标准由城市规划1设计和生活杂用水供水运行管理等有关单位负责执行/生活杂用水供水单位的主管部门负责监督和检查执行情况/生活杂用水的水处理设施的设计审查和工程验收.应按国家有关规定执行/经审查或验收合格的.方可进行施工或投入运行/(-%本标准是制订地方城市污水再生回用作生活杂用水水质标准的依据.地方可以本标准为基础.根据当地特点制订地方城市污水再生回用作生活杂用水的水质标准/地方标准不得宽于本标准或与本标准相抵触3如因特殊情况.宽于本标准时应报建设部批准/地方标准列入的项目指标.执行地方标准3地方标准未列入的项目指标.仍执行本标准/0水质标准和要求生活杂用水水质标准项目厕所便器冲洗.城市绿化洗车.扫除浊度.度456溶解性固体.78#94:554555悬浮性固体.78#9456色度.度;5;5臭无不快感觉无不快感觉<=值>-6?@-5>-6?@-5A B C6.78#94545D B C E F .78#96565氨氮G 以H 计I .78#9:545总硬度G 以D J D B ;计I .78#9K 65K 65氯化物.78#9;65;55阴离子合成洗涤剂.78#94-55-6铁.78#95-K 5-K 锰.78#95-45-4游离余氯.78#9管网末端水不小于5-:总大肠菌群.个#9;;0-(生活杂用水的水质不应超过上表所规定的限量/,-./012’333!"!生活杂用水管道#水箱等设备不得与自来水管道#水箱直接相连$生活杂用水管道#水箱等设备外部应涂浅绿色标志%以免误饮#误用$!"&生活杂用水供水单位%应不断加强对杂用水的水处理#集水#供水以及计量#检测等设施的管理%建立行之有效的放水#清洗#消毒和检修等制度及操作规程%以保证供水的水质$&水质检验&"’水质的检验方法%应按(生活杂用水标准检验法)执行$&"!生活杂用水集中式供水单位%必须建立水质检验室%负责检验污水再生设施的进水和出水以及出厂水和管网水的水质$分散式或单独式供水%应由主管部门责成有关单位或报请上级指定有关单位负责水质检验工作$以上水质检验的结果%应定期报送主管部门审查#存档$附加说明*本标准由中国市政工程中南设计院负责技术归口管理并负责解释$本标准由中国市政工程中南设计院负责起草$本标准主要起草人*徐广祥#张小平#杨琢微#魏桂珍$。
城市杂用水水质标准城市杂用水是指城市生活污水经过处理后,可以用于农业灌溉、景观水体、工业用水等多种用途的水资源。
城市杂用水的水质标准对于保障人民生活用水安全、促进资源循环利用具有重要意义。
因此,建立科学、合理的城市杂用水水质标准,对于城市可持续发展具有重要意义。
首先,城市杂用水的水质标准应符合国家相关标准和法规要求。
国家对于城市杂用水的水质标准制定了一系列的标准和法规,包括水质指标、水质监测方法、水质评价标准等内容,这些标准和法规是城市杂用水水质标准的基础,必须严格遵守和执行。
其次,城市杂用水的水质标准应符合不同用途的要求。
城市杂用水可以用于农业灌溉、景观水体、工业用水等多种用途,不同的用途对水质的要求也不同。
比如,用于农业灌溉的城市杂用水,对于营养盐含量、微生物含量等指标有严格要求;而用于景观水体的城市杂用水,则对于色度、浊度等指标有更高的要求。
因此,城市杂用水的水质标准应根据不同的用途进行科学制定,保证水质符合相应的要求。
另外,城市杂用水的水质标准应符合环境保护要求。
城市杂用水的排放对于周围环境有一定的影响,因此水质标准应该充分考虑对周围环境的影响,保证排放后不会对环境造成污染。
在水质标准的制定过程中,需要充分考虑周围环境的生态特点、生物多样性等因素,确保城市杂用水的排放不会对周围环境造成负面影响。
最后,城市杂用水的水质标准应符合经济可行性。
制定水质标准需要考虑到技术成本、运营成本等因素,保证城市杂用水的处理成本在可接受范围内。
同时,也需要考虑到城市杂用水的再利用效益,保证水质标准的制定能够促进资源循环利用,提高城市可持续发展能力。
综上所述,城市杂用水的水质标准是保障人民生活用水安全、促进资源循环利用的重要保障。
在制定水质标准时,需要符合国家相关标准和法规要求,充分考虑不同用途的要求,符合环境保护要求,同时也要考虑经济可行性,保证城市杂用水水质标准的科学性和合理性。
只有这样,才能够更好地推动城市杂用水的可持续利用,促进城市可持续发展。