梁柱纵向钢筋单排最大根数
- 格式:doc
- 大小:285.00 KB
- 文档页数:8
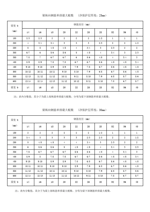
梁纵向钢筋单排最大根数 (净保护层厚度:25mm)
注:表内分数值,其分子为梁上部纵筋单排最大根数,分母为梁下部钢筋单排最大根数。
梁纵向钢筋单排最大根数 (净保护层厚度:30mm)
注:表内分数值,其分子为梁上部纵筋单排最大根数,分母为梁下部钢筋单排最大根数。
梁纵向钢筋单排最大根数 (净保护层厚度 35mm)
注:表内分数值,其分子为梁上部纵筋单排最大根数,分母为梁下部钢筋单排最大根数。
梁纵向钢筋单排最大根数 (净保护层厚度 40mm)
注:表内分数值,其分子为梁上部纵筋单排最大根数,分母为梁下部钢筋单排最大根数。
注:表内分数值,其分子为梁上部纵筋单排最大根数,分母为梁下部钢筋单排最大根数。
梁纵向钢筋单排最大根数 (净保护层厚度:30mm)
注:表内分数值,其分子为梁上部纵筋单排最大根数,分母为梁下部钢筋单排最大根数。
注:表内分数值,其分子为梁上部纵筋单排最大根数,分母为梁下部钢筋单排最大根数。
梁纵向钢筋单排最大根数 (净保护层厚度 40mm)
注:表内分数值,其分子为梁上部纵筋单排最大根数,分母为梁下部钢筋单排最大根数。
柱纵向钢筋单排最大根数 (净保护层厚度:35mm)
柱纵向钢筋单排最大根数 (净保护层厚度 50mm)。
梁纵向钢筋单排最大根数
•【资料来源】《MorGain 结构快速设计程序》
•净保护层厚度〔mm〕:25303540
梁纵向钢筋单排最大根数 (净保护层厚度:25mm〕
注:表内分数值,其分子为梁上部纵筋单排最大根数,分母为梁下部钢筋单排最大根数。
梁纵向钢筋单排最大根数 (净保护层厚度:30mm〕
注:表内分数值,其分子为梁上部纵筋单排最大根数,分母为梁下部钢筋单排最大根数。
梁纵向钢筋单排最大根数 (净保护层厚度 35mm〕
注:表内分数值,其分子为梁上部纵筋单排最大根数,分母为梁下部钢筋单排最大根数。
梁纵向钢筋单排最大根数 (净保护层厚度 40mm〕
注:表内分数值,其分子为梁上部纵筋单排最大根数,分母为梁下部钢筋单排最大根数。
柱纵向钢筋单排最大根数
•【资料来源】《MorGain 结构快速设计程序》
•净保护层厚度〔mm〕:30354050柱纵向钢筋单排最大根数 (净保护层厚度:30mm〕
柱纵向钢筋单排最大根数 (净保护层厚度:35mm〕
柱纵向钢筋单排最大根数 (净保护层厚度 40mm〕
柱纵向钢筋单排最大根数 (净保护层厚度 50mm〕。
梁纵向钢筋单排最大根数梁纵向钢筋单排最大根数 (净保护层厚度:25mm)钢筋直径(mm) 梁宽 b(mm) 14 16 18 20 22 25 28 32 36 402/3 2/3 2 2 2 2 1/2 1 1 1 1504 3/4 3/4 3 3 3 2/3 2 2 1/2 2005 5 4/5 4/5 4 3/4 3 2/3 2 2 2506/7 6 5/6 5/6 5 4/5 4 3/4 3 2/3 3007/8 7 6/7 6/7 6 5/6 4/5 4 3/4 3 3508/9 8/9 7/8 7/8 6/7 6/7 5/6 4/5 4/5 3/4 4009/10 9/10 8/9 8/9 7/9 7/8 6/7 5/6 4/5 4/5 45010/12 10/11 10/11 9/10 8/10 7/9 6/8 6/7 5/6 4/5 50012/13 11/12 11/12 10/11 9/11 8/10 7/9 6/8 5/7 5/6 55013/14 12/14 12/13 11/12 10/12 9/11 8/10 7/8 6/7 5/7 600梁宽 b 14 16 18 20 22 25 28 32 36 40 注:表内分数值,其分子为梁上部纵筋单排最大根数,分母为梁下部钢筋单排最大根数。
梁纵向钢筋单排最大根数 (净保护层厚度:30mm)钢筋直径(mm) 梁宽 b(mm) 14 16 18 20 22 25 28 32 36 402 2 2 2 2 2 1/2 1 1 1 1503/4 3 3 3 3 2/3 2/3 2 2 1/2 2005 4/5 4/5 4 4 3/4 3 2/3 2 2 2506 5/6 5/6 5 4/5 4/5 4 3/4 3 2/3 3007/8 6/7 6/7 6/7 5/6 5/6 4/5 4 3/4 3 3508/9 8 7/8 7/8 6/7 6/7 5/6 4/5 4/5 3/4 4009/10 9/10 8/9 8/9 7/8 6/8 6/7 5/6 4/5 4/5 45010/11 10/11 9/10 9/10 8/9 7/9 6/8 6/7 5/6 4/5 50011/12 11/12 10/11 10/11 9/10 8/10 7/9 6/8 5/7 5/6 55012/14 12/13 11/13 11/12 10/12 9/11 8/10 7/8 6/7 5/7 600梁宽 b 14 16 18 20 22 25 28 32 36 40 注:表内分数值,其分子为梁上部纵筋单排最大根数,分母为梁下部钢筋单排最大根数。
梁纵向受力钢筋单排最多根数限值表梁宽 b ( mm 150200 250 300 350 400 450 500 550 600 700 800 900 10001214钢筋直径 d(mm)[保护层厚度 )[保护层厚度:20 保护层厚度:20mm](GB50010-2010 ](GB50010-2010) GB50010-2010)16 18 20 22 25 2832362/3 4 5 6/7 7/8 8/9 10/11 11/12 12/13 13/152 (2/3) 2 3/4 3/4 5 4/5 6 5/6 6/7 (7) 7/8 8 (8/9) 8/9 9/10 9/10 10/11 10/11 11/13 11/12 12/14 12/132 3 4/5 5/6 6/7 7/8 8/9 9/10 10/11 11/13说明: 1.表中分子为梁顶单排纵筋的最多根数,分母为梁底单排纵筋的最多根数,且每排至少两根。
2.梁底纵筋第三排及其以上的中距为最下面两排中距的2倍,设计使用年限为50年。
3.注意纵筋净保护层厚度同时需要满足不小于纵筋公称直径的要求,砼强度等级不小于C30。
4.除括号外均根据箍筋直径为10mm计算得出,除加粗的数据外,同样适用于箍筋直径为8mm情况。
5.梁宽150~400范围内括号中的数据对应于箍筋直径为8mm情况。
(mm 12 ) 150 2 200 3 250 3 300 4[30] 350 5[25] 400 6[20] 450 7[14] 500 7[32] 550 8 600 9 650 10 700 11 750 11(12) 800 12 850 13 900 14 950 15 1000 15(16)2 3 4 5 6/7 7/8 8/9 9/10 10/11 11/12 13/14 15/17 17/19 19/212 3 4 4/5 (5) 5/6 6/7 7/8 8/9 9/10 10/12 12/14 14/16 15/18 17/202 2/3 3/4 4/5 5/6 6/7 6/8 7/9 8/10 9/11 10/13 12/15 14/17 15/191/2 2/3 3 4 4/5 5/6 6/7 6/8 7/9 8/10 9/11 11/13 12/15 14/171 2 2/3 3/4 4 4/5 5/6 6/7 6/8 7/8 8/10 9/12 11/13 12/151 2 2 3 3/4 4/5 4/5 5/6 5/7 6/7 7/9 8/10 9/12 10/13柱宽柱纵向受力钢筋单排最多根数限值表14 16 18 20 22 25钢筋直径 d(mm)[保护层厚度 )[保护层厚度:20 保护层厚度:20mm](GB50010-2010 ](GB50010-2010) GB50010-2010)283236说明: 1.同时需要满足柱中纵向钢筋净间距不宜大于300mm要求,设计使用年限为50年。
新规范梁纵向钢筋单排
最大根数
Document serial number【LGGKGB-LGG98YT-LGGT8CB-LGUT-
新规范梁纵向钢筋单排最大根数(净保护层厚度:25mm)
(表内分数值,其分子为梁上部纵筋单排最大根数,分母为梁下部钢筋单排最大根数。
)梁纵向钢筋单排最大根数(净保护层厚度:30mm)
(表内分数值,其分子为梁上部纵筋单排最大根数,分母为梁下部钢筋单排最大根数。
)梁纵向钢筋单排最大根数(净保护层厚度:35mm)
(表内分数值,其分子为梁上部纵筋单排最大根数,分母为梁下部钢筋单排最大根数。
)梁纵向钢筋单排最大根数(净保护层厚度:40mm)
(表内分数值,其分子为梁上部纵筋单排最大根数,分母为梁下部钢筋单排最大根数。
)。
钢筋的计算截面面积及公称质量表
梁纵向钢筋单排最大根数 (净保护层厚度:25mm)
注:表内分数值,其分子为梁上部纵筋单排最大根数,分母为梁下部钢筋单排最大根数。
梁纵向钢筋单排最大根数 (净保护层厚度:30mm)
注:表内分数值,其分子为梁上部纵筋单排最大根数,分母为梁下部钢筋单排最大根数。
柱纵向钢筋单排最大根数 (净保护层厚度:30mm)
柱纵向钢筋单排最大根数 (净保护层厚度:35mm)
每米板宽内的钢筋截面面积表
附加箍筋承受集中荷载承载力表[F] (kN )
钢筋级别
附加吊筋承受集中荷载承载力表[F] (kN)
钢筋级别钢筋直。
每米板宽内的钢筋截面面积表
梁纵向钢筋单排最大根数
【资料来源】《MorGain 结构快速设计程序》
净保护层厚度(mm):25 30 35 40
梁纵向钢筋单排最大根数(净保护层厚度:25mm)
注:表内分数值,其分子为梁上部纵筋单排最大根数,分母为梁下部钢筋单排最大根数。
梁纵向钢筋单排最大根数(净保护层厚度:30mm)
注:表内分数值,其分子为梁上部纵筋单排最大根数,分母为梁下部钢筋单排最大根数。
梁纵向钢筋单排最大根数(净保护层厚度35mm)
注:表内分数值,其分子为梁上部纵筋单排最大根数,分母为梁下部钢筋单排最大根数。
梁纵向钢筋单排最大根数(净保护层厚度40mm)
注:表内分数值,其分子为梁上部纵筋单排最大根数,分母为梁下部钢筋单排最大根数。
柱纵向钢筋单排最大根数(史上最全、新规范、考虑净保护层厚度)混凝土保护层的最小厚度 c (mm)筋直径(mm)20 25 30 35 40 506 2631364146568 28333843485810 30354045506012 323742475262各表已考虑纵筋的保护层厚度不应小于纵筋直径。
柱纵向钢筋单排最大根数(净保护层厚度:26mm)柱宽 b (mm)纵筋直径(mm)14 16 18 20 22 25 28 32 36 40250 3 3 3 3 3 3 3 2 2 2 300 4 4 4 4 4 3 3 3 3 3 350 5 5 5 4 4 4 4 4 3 3 400 6 6 5 5 5 5 5 4 4 4 450 7 6 6 6 6 5 5 5 4 4 500 7 7 7 7 6 6 6 5 5 5 550 8 8 8 7 7 7 6 6 6 5 600 9 9 8 8 8 7 7 7 6 6 650 10 9 9 9 9 8 8 7 7 6 700 10 10 10 9 9 9 8 8 7 7 750 11 11 11 10 10 99 8 8 8 800 12 12 11 11 11 10 10 9 9 8 850 13 12 12 12 11 11 1010 9 9 900 14 13 13 12 12 11 11 10 10 9 950 14 14 13 13 13 12 12 11 10 10 1000 15 15 14 14 13 13 12 12 11 10 柱宽 b 14 16 18 20 22 25 28 32 36 40柱纵向钢筋单排最大根数(净保护层厚度:28mm)柱宽 b (mm)纵筋直径(mm)14 16 18 20 22 25 28 32 36 40250 3 3 3 3 3 3 3 2 2 2 300 4 4 4 4 4 3 3 3 3 3 350 5 5 5 4 4 4 4 4 3 3 400 6 5 5 5 5 5 5 4 4 4 450 6 6 6 6 6 5 5 5 4 4 500 7 7 7 7 6 6 6 5 5 5 550 8 8 8 7 7 7 6 6 6 5 600 9 9 8 8 8 7 7 7 6 6 650 10 9 9 9 8 8 8 7 7 6 700 10 10 10 9 9 9 8 8 7 7 750 11 11 10 10 10 99 8 8 8 800 12 12 11 11 11 10 10 9 9 8 850 13 12 12 12 11 11 1010 9 9 900 13 13 13 12 12 11 11 10 10 9 950 14 14 13 13 13 12 12 11 10 10 1000 15 15 14 14 13 13 12 12 11 10 柱宽 b 14 16 18 20 22 25 28 32 36 40柱纵向钢筋单排最大根数(净保护层厚度:30mm)柱宽 b (mm)纵筋直径(mm)14 16 18 20 22 25 28 32 36 40250 3 3 3 3 3 3 3 2 2 2 300 4 4 4 4 4 3 3 3 3 3 350 5 5 5 4 4 4 4 4 3 3 400 6 5 5 5 5 5 5 4 4 4 450 6 6 6 6 6 5 5 5 4 4 500 7 7 7 7 6 6 6 5 5 5 550 8 8 7 7 7 7 6 6 6 5 600 9 8 8 8 8 7 7 7 6 6 650 10 9 9 9 8 8 8 7 7 6 700 10 10 10 9 9 9 8 8 7 7 750 11 11 10 10 10 99 8 8 8 800 12 11 11 11 10 10 10 9 9 8 850 13 12 12 12 11 11 1010 9 9 900 13 13 13 12 12 11 11 10 10 9 950 14 14 13 13 13 12 12 11 10 10 1000 15 15 14 14 13 13 12 12 11 10 柱宽 b 14 16 18 20 22 25 28 32 36 40柱纵向钢筋单排最大根数(净保护层厚度:31mm)柱宽 b (mm)纵筋直径(mm)14 16 18 20 22 25 28 32 36 40250 3 3 3 3 3 3 3 2 2 2 300 4 4 4 4 4 3 3 3 3 3 350 5 5 4 4 4 4 4 4 3 3 400 6 5 5 5 5 5 4 4 4 4 450 6 6 6 6 6 5 5 5 4 4 500 7 7 7 6 6 6 6 5 5 5 550 8 8 7 7 7 7 6 6 6 5 600 9 8 8 8 8 7 7 7 6 6 650 9 9 9 9 8 8 8 7 7 6 700 10 10 10 9 9 9 8 8 7 7 750 11 11 10 10 10 9 98 8 8 800 12 11 11 11 10 10 10 9 9 8 850 13 12 12 11 11 11 10 109 9 900 13 13 13 12 12 11 11 10 10 9 950 14 14 13 13 13 12 12 11 10 10 1000 15 14 14 14 13 13 12 12 11 10 柱宽 b 14 16 18 20 22 25 28 32 36 40柱纵向钢筋单排最大根数(净保护层厚度:32mm)柱宽 b (mm)纵筋直径(mm)14 16 18 20 22 25 28 32 36 40250 3 3 3 3 3 3 3 2 2 2 300 4 4 4 4 3 3 3 3 3 3 350 5 5 4 4 4 4 4 4 3 3 400 6 5 5 5 5 5 4 4 4 4 450 6 6 6 6 6 5 5 5 4 4 500 7 7 7 6 6 6 6 5 5 5 550 8 8 7 7 7 7 6 6 6 5 600 9 8 8 8 8 7 7 7 6 6 650 9 9 9 9 8 8 8 7 7 6 700 10 10 10 9 9 9 8 8 7 7 750 11 11 10 10 10 9 98 8 8 800 12 11 11 11 10 10 10 9 9 8 850 13 12 12 11 11 11 10 109 9 900 13 13 13 12 12 11 11 10 10 9 950 14 14 13 13 13 12 12 11 10 10 1000 15 14 14 14 13 13 12 12 11 10 柱宽 b 14 16 18 20 22 25 28 32 36 40柱纵向钢筋单排最大根数(净保护层厚度:33mm)柱宽 b (mm)纵筋直径(mm)14 16 18 20 22 25 28 32 36 40250 3 3 3 3 3 3 3 2 2 2 300 4 4 4 4 3 3 3 3 3 3 350 5 5 4 4 4 4 4 4 3 3 400 6 5 5 5 5 5 4 4 4 4 450 6 6 6 6 6 5 5 5 4 4 500 7 7 7 6 6 6 6 5 5 5 550 8 8 7 7 7 7 6 6 6 5 600 9 8 8 8 8 7 7 7 6 6 650 9 9 9 9 8 8 8 7 7 6 700 10 10 10 9 9 9 8 8 7 7 750 11 11 10 10 10 9 98 8 8 800 12 11 11 11 10 10 10 9 9 8 850 13 12 12 11 11 11 10 109 9 900 13 13 13 12 12 11 11 10 10 9 950 14 14 13 13 12 12 11 11 10 10 1000 15 14 14 14 13 13 12 12 11 10 柱宽 b 14 16 18 20 22 25 28 32 36 40柱纵向钢筋单排最大根数(净保护层厚度:35mm)柱宽 b (mm)纵筋直径(mm)14 16 18 20 22 25 28 32 36 40250 3 3 3 3 3 3 2 2 2 2 300 4 4 4 4 3 3 3 3 3 3 350 5 5 4 4 4 4 4 4 3 3 400 5 5 5 5 5 5 4 4 4 4 450 6 6 6 6 5 5 5 5 4 4 500 7 7 7 6 6 6 6 5 5 5 550 8 8 7 7 7 7 6 6 6 5 600 9 8 8 8 8 7 7 7 6 6 650 9 9 9 9 8 8 8 7 7 6 700 10 10 10 9 9 9 8 8 7 7 750 11 11 10 10 10 9 98 8 8 800 12 11 11 11 10 10 10 9 9 8 850 12 12 12 11 11 11 10 109 9 900 13 13 12 12 12 11 11 10 10 9 950 14 14 13 13 12 12 11 11 10 10 1000 15 14 14 14 13 13 12 11 11 10 柱宽 b 14 16 18 20 22 25 28 32 36 40柱纵向钢筋单排最大根数(净保护层厚度:36mm)柱宽 b (mm)纵筋直径(mm)14 16 18 20 22 25 28 32 36 40250 3 3 3 3 3 3 2 2 2 2 300 4 4 4 3 3 3 3 3 3 3 350 5 4 4 4 4 4 4 4 3 3 400 5 5 5 5 5 5 4 4 4 4 450 6 6 6 6 5 5 5 5 4 4 500 7 7 7 6 6 6 6 5 5 5 550 8 8 7 7 7 7 6 6 6 5 600 9 8 8 8 8 7 7 7 6 6 650 9 9 9 8 8 8 8 7 7 6 700 10 10 9 9 9 9 8 8 7 7 750 11 11 10 10 10 9 9 88 8 800 12 11 11 11 10 10 9 9 9 8 850 12 12 12 11 11 11 10 10 99 900 13 13 12 12 12 11 11 10 10 9 950 14 14 13 13 12 12 11 1110 10 1000 15 14 14 13 13 13 12 11 11 10 柱宽 b 14 16 18 20 22 25 28 32 36 40柱纵向钢筋单排最大根数(净保护层厚度:37mm)柱宽 b (mm)纵筋直径(mm)14 16 18 20 22 25 28 32 36 40250 3 3 3 3 3 3 2 2 2 2 300 4 4 4 3 3 3 3 3 3 3 350 5 4 4 4 4 4 4 3 3 3 400 5 5 5 5 5 5 4 4 4 4 450 6 6 6 6 5 5 5 5 4 4 500 7 7 7 6 6 6 6 5 5 5 550 8 7 7 7 7 7 6 6 6 5 600 9 8 8 8 8 7 7 7 6 6 650 9 9 9 8 8 8 8 7 7 6 700 10 10 9 9 9 9 8 8 7 7 750 11 11 10 10 10 9 9 88 8 800 12 11 11 11 10 10 9 9 9 8 850 12 12 12 11 11 11 10 10 99 900 13 13 12 12 12 11 11 10 10 9 950 14 14 13 13 12 12 11 1110 10 1000 15 14 14 13 13 13 12 11 11 10 柱宽 b 14 16 18 20 22 25 28 32 36 40柱纵向钢筋单排最大根数(净保护层厚度:38mm)柱宽 b (mm)纵筋直径(mm)14 16 18 20 22 25 28 32 36 40250 3 3 3 3 3 2 2 2 2 2 300 4 4 4 3 3 3 3 3 3 3 350 5 4 4 4 4 4 4 3 3 3 400 5 5 5 5 5 4 4 4 4 4 450 6 6 6 6 5 5 5 5 4 4 500 7 7 6 6 6 6 6 5 5 5 550 8 7 7 7 7 6 6 6 6 5 600 8 8 8 8 7 7 7 7 6 6 650 9 9 9 8 8 8 8 7 7 6 700 10 10 9 9 9 8 8 8 7 7 750 11 10 10 10 10 9 9 88 8 800 12 11 11 11 10 10 9 9 9 8 850 12 12 12 11 11 10 10 10 99 900 13 13 12 12 12 11 11 10 10 9 950 14 14 13 13 12 12 11 1110 10 1000 15 14 14 13 13 12 12 11 11 10 柱宽 b 14 16 18 20 22 25 28 32 36 40柱纵向钢筋单排最大根数(净保护层厚度:40mm)柱宽 b (mm)纵筋直径(mm)14 16 18 20 22 25 28 32 36 40250 3 3 3 3 3 2 2 2 2 2 300 4 4 3 3 3 3 3 3 3 3 350 5 4 4 4 4 4 4 3 3 3 400 5 5 5 5 5 4 4 4 4 4 450 6 6 6 6 5 5 5 5 4 4 500 7 7 6 6 6 6 6 5 5 5 550 8 7 7 7 7 6 6 6 6 5 600 8 8 8 8 7 7 7 6 6 6 650 9 9 9 8 8 8 7 7 7 6 700 10 10 9 9 9 8 8 8 7 7 750 11 10 10 10 10 9 9 88 8 800 12 11 11 11 10 10 9 9 8 8 850 12 12 12 11 11 10 10 10 99 900 13 13 12 12 12 11 11 10 10 9 950 14 13 13 13 12 12 11 1110 10 1000 15 14 14 13 13 12 12 11 11 10 柱宽 b 14 16 18 20 22 25 28 32 36 40柱纵向钢筋单排最大根数(净保护层厚度:41mm)柱宽 b (mm)纵筋直径(mm)14 16 18 20 22 25 28 32 36 40250 3 3 3 3 3 2 2 2 2 2 300 4 4 3 3 3 3 3 3 3 2 350 4 4 4 4 4 4 4 3 3 3 400 5 5 5 5 5 4 4 4 4 4 450 6 6 6 5 5 5 5 5 4 4 500 7 7 6 6 6 6 6 5 5 5 550 8 7 7 7 7 6 6 6 6 5 600 8 8 8 8 7 7 7 6 6 6 650 9 9 9 8 8 8 7 7 7 6 700 10 10 9 9 9 8 8 8 7 7 750 11 10 10 10 9 9 9 88 7 800 12 11 11 10 10 10 9 9 8 8 850 12 12 12 11 11 10 10 9 9 9 900 13 13 12 12 12 11 11 10 10 9 950 14 13 13 13 12 12 11 11 10 10 1000 15 14 14 13 13 12 12 11 11 10 柱宽 b 14 16 18 20 22 25 28 32 36 40柱纵向钢筋单排最大根数(净保护层厚度:42mm)柱宽 b (mm)纵筋直径(mm)14 16 18 20 22 25 28 32 36 40250 3 3 3 3 3 2 2 2 2 2 300 4 4 3 3 3 3 3 3 3 2 350 4 4 4 4 4 4 4 3 3 3 400 5 5 5 5 5 4 4 4 4 4 450 6 6 6 5 5 5 5 5 4 4 500 7 7 6 6 6 6 5 5 5 5 550 8 7 7 7 7 6 6 6 6 5 600 8 8 8 8 7 7 7 6 6 6 650 9 9 9 8 8 8 7 7 7 6 700 10 10 9 9 9 8 8 8 7 7 750 11 10 10 10 9 9 9 8 8 7 800 11 11 11 10 10 10 9 9 8 8 850 12 12 12 11 11 10 10 9 9 9 900 13 13 12 12 12 11 11 10 10 9 950 14 13 13 13 12 12 11 11 10 10 1000 15 14 14 13 13 12 12 11 11 10 柱宽 b 14 16 18 20 22 25 28 32 36 40柱纵向钢筋单排最大根数(净保护层厚度:43mm)柱宽 b (mm)纵筋直径(mm)14 16 18 20 22 25 28 32 36 40250 3 3 3 3 2 2 2 2 2 2 300 4 4 3 3 3 3 3 3 3 2 350 4 4 4 4 4 4 4 3 3 3 400 5 5 5 5 5 4 4 4 4 4 450 6 6 6 5 5 5 5 5 4 4 500 7 7 6 6 6 6 5 5 5 5 550 8 7 7 7 7 6 6 6 5 5 600 8 8 8 8 7 7 7 6 6 6 650 9 9 9 8 8 8 7 7 7 6 700 10 10 9 9 9 8 8 8 7 7 750 11 10 10 10 9 9 9 8 8 7 800 11 11 11 10 10 10 9 9 8 8 850 12 12 11 11 11 10 10 9 9 9 900 13 13 12 12 12 11 11 10 10 9 950 14 13 13 13 12 12 11 11 10 10 1000 15 14 14 13 13 12 12 11 11 10 柱宽 b 14 16 18 20 22 25 28 32 36 40柱纵向钢筋单排最大根数(净保护层厚度:45mm)柱宽 b (mm)纵筋直径(mm)14 16 18 20 22 25 28 32 36 40250 3 3 3 3 2 2 2 2 2 2 300 4 3 3 3 3 3 3 3 3 2 350 4 4 4 4 4 4 3 3 3 3 400 5 5 5 5 5 4 4 4 4 4 450 6 6 6 5 5 5 5 5 4 4 500 7 6 6 6 6 6 5 5 5 5 550 7 7 7 7 7 6 6 6 5 5 600 8 8 8 8 7 7 7 6 6 6 650 9 9 8 8 8 8 7 7 7 6 700 10 10 9 9 9 8 8 8 7 7 750 11 10 10 10 9 9 9 8 8 7 800 11 11 11 10 10 10 9 9 8 8 850 12 12 11 11 11 10 10 9 9 9 900 13 13 12 12 11 11 11 10 10 9 950 14 13 13 13 12 12 11 11 10 10 1000 15 14 14 13 13 12 12 11 11 10 柱宽 b 14 16 18 20 22 25 28 32 36 40柱纵向钢筋单排最大根数(净保护层厚度:46mm)柱宽 b (mm)纵筋直径(mm)14 16 18 20 22 25 28 32 36 40250 3 3 3 2 2 2 2 2 2 2 300 4 3 3 3 3 3 3 3 3 2 350 4 4 4 4 4 4 3 3 3 3 400 5 5 5 5 4 4 4 4 4 3 450 6 6 6 5 5 5 5 4 4 4 500 7 6 6 6 6 6 5 5 5 5 550 7 7 7 7 7 6 6 6 5 5 600 8 8 8 7 7 7 7 6 6 6 650 9 9 8 8 8 8 7 7 7 6 700 10 9 9 9 9 8 8 8 7 7 750 11 10 10 10 9 9 9 8 8 7 800 11 11 11 10 10 10 9 9 8 8 850 12 12 11 11 11 10 10 9 9 8 900 13 13 12 12 11 11 11 10 9 9 950 14 13 13 12 12 12 11 11 10 10 1000 14 14 14 13 13 12 12 11 11 10 柱宽 b 14 16 18 20 22 25 28 32 36 40柱纵向钢筋单排最大根数(净保护层厚度:47mm)柱宽 b (mm)纵筋直径(mm)14 16 18 20 22 25 28 32 36 40250 3 3 3 2 2 2 2 2 2 2 300 4 3 3 3 3 3 3 3 2 2 350 4 4 4 4 4 4 3 3 3 3 400 5 5 5 5 4 4 4 4 4 3 450 6 6 5 5 5 5 5 4 4 4 500 7 6 6 6 6 6 5 5 5 5 550 7 7 7 7 7 6 6 6 5 5 600 8 8 8 7 7 7 7 6 6 6 650 9 9 8 8 8 8 7 7 7 6 700 10 9 9 9 9 8 8 8 7 7 750 11 10 10 10 9 9 9 8 87 800 11 11 11 10 10 10 9 9 8 8 850 12 12 11 11 11 10 10 9 9 8 900 13 12 12 12 11 11 10 10 9 9 950 14 13 13 12 12 12 11 11 10 10 1000 14 14 14 13 13 12 12 11 11 10 柱宽 b 14 16 18 20 22 25 28 32 36 40柱纵向钢筋单排最大根数(净保护层厚度:48mm)柱宽 b (mm)纵筋直径(mm)14 16 18 20 22 25 28 32 36 40250 3 3 3 2 2 2 2 2 2 2 300 3 3 3 3 3 3 3 3 2 2 350 4 4 4 4 4 4 3 3 3 3 400 5 5 5 5 4 4 4 4 4 3 450 6 6 5 5 5 5 5 4 4 4 500 7 6 6 6 6 6 5 5 5 5 550 7 7 7 7 7 6 6 6 5 5 600 8 8 8 7 7 7 7 6 6 6 650 9 9 8 8 8 8 7 7 7 6 700 10 9 9 9 9 8 8 7 7 7 750 11 10 10 10 9 9 9 8 8 7 800 11 11 11 10 10 10 9 9 8 8 850 12 12 11 11 11 10 10 9 9 8 900 13 12 12 12 11 11 10 10 9 9 950 14 13 13 12 12 12 11 11 10 10 1000 14 14 14 13 13 12 12 11 11 10 柱宽 b 14 16 18 20 22 25 28 32 36 40。
新规范梁纵向钢筋单排最大根数(净保护层厚度:25mm)
(表内分数值,其分子为梁上部纵筋单排最大根数,分母为梁下部钢筋单排最大根数。
)梁纵向钢筋单排最大根数(净保护层厚度:30mm)
(表内分数值,其分子为梁上部纵筋单排最大根数,分母为梁下部钢筋单排最大根数。
)
梁纵向钢筋单排最大根数(净保护层厚度:35mm)
(表内分数值,其分子为梁上部纵筋单排最大根数,分母为梁下部钢筋单排最大根数。
)梁纵向钢筋单排最大根数(净保护层厚度:40mm)
(表内分数值,其分子为梁上部纵筋单排最大根数,分母为梁下部钢筋单排最大根数。
)。
梁纵向钢筋单排最大根数
∙【资料来源】《MorGain 结构快速设计程序》
∙净保护层厚度(mm):25303540
梁纵向钢筋单排最大根数 (净保护层厚度:25mm)
注:表内分数值,其分子为梁上部纵筋单排最大根数,分母为梁下部钢筋单排最大根数。
梁纵向钢筋单排最大根数 (净保护层厚度:30mm)
注:表内分数值,其分子为梁上部纵筋单排最大根数,分母为梁下部钢筋单排最大根数。
梁纵向钢筋单排最大根数 (净保护层厚度 35mm)
注:表内分数值,其分子为梁上部纵筋单排最大根数,分母为梁下部钢筋单排最大根数。
梁纵向钢筋单排最大根数 (净保护层厚度 40mm)
注:表内分数值,其分子为梁上部纵筋单排最大根数,分母为梁下部钢筋单排最大根数。
柱纵向钢筋单排最大根数
∙【资料来源】《MorGain 结构快速设计程序》
∙净保护层厚度(mm):30354050柱纵向钢筋单排最大根数 (净保护层厚度:30mm)
柱纵向钢筋单排最大根数 (净保护层厚度:35mm)
柱纵向钢筋单排最大根数 (净保护层厚度 40mm)
柱纵向钢筋单排最大根数 (净保护层厚度 50mm)。