图纸编号规则
- 格式:doc
- 大小:79.00 KB
- 文档页数:10
图纸图号编号规则引言图纸是工程设计中重要的工具之一,为了方便管理、索引和查找图纸,通常需要为每个图纸分配唯一的图号编号。
图纸图号编号规则可以确保图纸的唯一性,并提供了相关信息,方便人们快速定位图纸。
本文将介绍一种常见的图纸图号编号规则。
图纸图号编号规则概述图纸图号编号规则通常由一系列组成,每个组成部分表示不同的信息。
下面是一个常见的图纸图号编号规则的例子:A/B/C/D/E/F其中,A代表项目编号,B代表子系统或设备编号,C代表图纸类型,D代表图纸序号,E代表版本号,F代表修订号。
项目编号项目编号是用来标识不同项目的唯一序号。
它通常由几个数字组成,根据具体需求可以分配给不同项目。
项目编号可以根据公司的规定进行分配,也可以根据项目的先后顺序进行分配。
子系统或设备编号子系统或设备编号用于标识不同的子系统或设备。
它可以根据工程设计的需求进行分配,也可以根据具体项目的要求进行定义。
子系统或设备编号通常由字母和数字组成,也可以使用符号进行标识,比如使用斜杠(/)分隔不同的子系统或设备。
图纸类型图纸类型用于标识不同类型的图纸,比如平面图、剖面图、细部图等。
它可以使用字母或数字进行标识,也可以使用符号进行表示。
图纸类型通常是根据具体项目的要求和行业标准进行定义的。
图纸序号图纸序号是用于标识同一类型图纸中的不同图纸的序号,通常由数字组成。
图纸序号可以根据工程设计的需要进行分配,也可以根据图纸绘制的次序进行定义。
版本号和修订号版本号和修订号用于标识图纸的版本和修订情况。
版本号通常由数字组成,表示图纸的不同版本。
修订号通常由字母和数字组成,表示图纸在同一版本中的不同修订。
示例下面是一个示例图纸图号编号规则的完整示例:01/002/03/001/Rev.01该图纸图号编号的含义如下: - 项目编号为01 - 子系统或设备编号为002 - 图纸类型为03,表示为细部图 - 图纸序号为001 - 版本号为Rev.01,表示为第一版修订结论图纸图号编号规则是工程设计中的重要工具,它能够保证图纸的唯一性,并提供了相关的信息,方便人们对图纸进行管理和查找。
构件图纸编号命名规则图纸编号由四部分构成:构件拼音两位首字母+材料类别+尺寸+作图时间,具体规则如下:1.第一部分由构件名称前两位拼音首字母的大写形式构成,如底板:DB2.第二部分由表示材料特性的两位数字构成,其中第一位数字0到9分别对应:0碳、1铝、2铜、3硅、4金、5银、6锗、7钢(铁)、8镓、9其他非金属,其中,若第一位数字是0,则第二位数字:0金刚石、1炭、3石墨、4石墨烯…;若第一位数字是1,则第二位数字:0 纯铝、1铝铜系、2铝锰系、3锌铝硅系、4锌铝镁系、5锌铝硅锰系、6锌铝系、7碳化硅铝系、8铝加其他元素系;若第一位数字是2,则第二位数字:0纯铜、1铜锌系、2铜锌铅合金、3铜锌锡合金、4铜锡、铜锡铅合金、5铜铝、铜硅、特殊铜合金、6铜镍、铜镍锌合金;若第一位数字是3,则第二位数字:0纯硅、1碳化硅、2二氧化硅、4硅盐酸;若第一位数字是4,则第二位数字:0金含量99%以上的、1金含量不足99%的;若第一位数字是5,则第二位数字:0银含量99%以上的、1银含量不足99%的;若第一位数字是6,则第二位数字:0纯锗、1一氧化锗、2二氧化锗、3一硫化物、4二硫化锗、5一硒化锗、6碲化锗;若第一位数字是7,则第二位数字0低碳钢、1中碳钢、3高碳钢、4低合金钢、5中合金钢、6高合金钢;若第一位数字是8,则第二位数字0砷化镓、1氮化镓、2磷化镓;若第一位数字是9,则第二位数字0 PVC(聚氯乙烯)、1 PE(聚乙烯)、2 POM(聚甲醛)、3 PC(聚碳酸酯)、4 PP(聚丙烯)、5 PP(聚丙烯)、6 PS(聚苯乙烯)、7 ABS(丙稀晴)、8木材、9玻璃3.第三部分表示构件尺寸,由三位阿拉伯数字构成,其中第一位:0 表示其长度在0~9mm范围内、“1”表示其长度在10~99mm范围内、“2”表示其长度在100~999mm范围内、“3”表示其长度在1000~9999mm范围内;第二位:“0”表示其宽度在0~9mm范围内、“1”表示其宽度在10~99mm范围内、“2”表示其宽度在100~999mm范围内、“3”表示其宽度在1000~9999mm范围内;第三位:“0”表示其高度在0~9mm范围内、“1”表示其高度在10~99mm范围内、“2”表示其高度在100~999mm范围内、“3”表示其高度在1000~9999mm范围内;4.第四部分由表示作图的时间,由4位阿拉伯数字构成,第一、二位对应月份、第三、四为对应日份。
图纸编号规则文件号:ZH/QE-C06-012015-3-26 发布2015-3-26 实施版本:A/0受控:编制:日期:审核:日期:批准:日期:文件修订记录、目的为规范图纸编号及图纸标题栏的编制方法,统一编号形式和标题栏的使用,特制订本规定。
二、范围本规定适用于公司以下图纸编号的编制和标题栏的使用:1、零部件图纸2、电气图纸3、结构图纸4、安装布置图5、外来图纸6、任务单四、要求1、每种产品、部件、零件的图纸应遵循“一件一号”的原则,均应有独立的编号;2、同一产品、部件及零件的图纸用数张图纸绘出时,各张图纸号应相同。
3、通用件的编号可采用被通用件的图纸编号。
4、本公司出图的外购件、外协件,其图号由本厂给出;外购、外协件由外购、外协单位设计出图要由公司技术质保部给予验证确认,并给出公司内部图号5、产品开发中如出现零、部件相互借用时,图纸的编号应按最先开发的产品图纸编号为准,借用关系应借用最先开发的产品,不准间接借用。
6、产品中通用性高,使用范围较广的零部件应尽快转换为通用件。
技术部门应编制通用件目录和通用件图册,供相关部门查阅使用。
相关部门负责设计变更的申请与确认,并依技术部发布的设计变更通知单内容配合相关工作的实施与落实。
五、图纸编号的编制规则1、电气图纸编号规则电气图纸编号按产品名称分类编号的方法进行编号,分类编号其代号的基本部分由图纸识别码、特征号(图纸分类代码)、分类号(产品分类码)、识别号(产品零部件顺序号)四部分组成。
图纸编号区位及含义图纸分类含产品合同记录编号(《技术部工作流程记录表》编号)和图纸年份。
产品类别代码见表1。
1产品类别代码表图纸分类代码用短横线隔开,用于同一项目中相同产品的不同图纸中图号的区分,采用数字、字母或数字加字母的形式进行编号;图纸序号用短横线隔开,编号从01开始,依次顺延。
图纸的初始版本号为A,第一次改动,其版本号为B,第二次改动版本号为C,依次顺延。
(图纸版本号体现在标题栏内)电气图纸编号示例:图纸顺序号图纸分类代码产品类别代码合同记录号图纸年份企业代号结构图纸分为标准图纸和非标准图纸,标准图纸可以用于不同项目相同产品的设计中,非标准图纸需要针对不同项目进行新的设计。
图纸编号管理制度一、总则为规范图纸编号的管理,提高图纸管理效率,保障项目建设质量,特制定本制度。
二、适用范围本制度适用于公司内所有项目的图纸编号管理工作。
三、图纸编号的原则1、唯一性原则:每份图纸应有唯一的编号,不得重复。
2、规范性原则:图纸编号应符合公司规定的格式和规范。
3、一致性原则:同一项目内的图纸编号应保持一致。
四、图纸编号管理责任1、工程部门负责图纸的编制、审批和管理工作。
2、项目经理负责对项目内图纸编号的监督和检查。
3、公司管理部门负责制定和修订相关的图纸编号管理制度。
五、图纸编号的编制规范1、图纸编号由字母和数字组成,例如:TD001、TD002等。
2、字母部分代表项目名称,如“TD”代表某个项目的图纸。
3、数字部分代表图纸的顺序,按照编制顺序递增。
4、图纸编号应在图纸上清晰标注,不得模糊不清。
5、新建项目的图纸编号应从001开始,后续顺序递增。
六、图纸编号管理流程1、图纸编制:工程部门根据项目需求编制图纸,并填写编号。
2、审批签发:项目经理审查图纸并签发,确认编号正确。
3、备案存档:公司管理部门将图纸编号记录并存档,备查。
4、使用管理:工程部门使用图纸时应核对编号是否正确。
5、变更管理:如有图纸变更,应及时调整图纸编号。
七、图纸编号管理制度的执行1、所有项目部门应遵守本制度,并严格执行图纸编号管理规定。
2、如有违反本制度的行为,将进行相应的处理,严肃负责。
3、在实际应用中如有需要修改的地方,应及时向管理部门提出,经批准后方可执行。
八、附则本制度经公司领导小组审定,并于XX年XX月XX日正式执行。
以上为图纸编号管理制度的详细内容,希望各部门遵守执行,确保项目的顺利进行和质量保障。
关于图纸编号规则的说明
此次设计的图纸编号原则是:
1、体现我公司产品的特点:品种多,用料杂,有总成有部件等情况。
2、简练的原则,易于记忆,体现逻辑性。
3、可扩展性,可以在编号中上增加其他的产品品种。
不影响编号结构。
4、体现产品的单一性,不会重号,也不会一号多用。
总成产品:
代表产品类别流水号
代表产品材质技术图纸层次结构:
总成图纸以1表示
分总成图以2表示
标注的对应关系
8、产品类别:
空调系统KT 润滑系统RH
冷却系统LQ 涡轮增压WZ
气路系统QL 农机部件NJ
9、材质类别:
钢s 铝 a 不锈钢n 铜 c 橡胶r 特氟龙t
10、图纸编号:
总成图 1 分总成图 2。
图纸图号编号规则引言在工程设计和制造领域,图纸是沟通设计意图、传递工作信息的重要工具。
为了保证图纸的管理和使用的高效性,通常会采用图纸图号编号规则来给每个图纸进行唯一标识和分类。
本文将介绍图纸图号编号规则的基本概念和常见的编制方法。
图纸图号编号规则的目的图纸图号编号规则的主要目的是管理图纸并保证其易于查找和使用。
通过统一的图号编号规则,可以实现以下几个方面的管理目标: - 确保每个图纸有唯一的标识,避免图纸混淆或丢失; - 方便查找和检索图纸; - 实现对图纸的分类和归档。
图纸图号编号规则的基本要素图纸图号编号规则由以下几个基本要素组成:1. 项目代码:项目代码是用于区分不同项目的标识,通常由项目名称的首字母组合而成。
例如,一个名为“ABC工程”的项目可以用“ABC”作为项目代码。
2. 子系统代码:子系统代码是用于区分不同子系统的标识,通常由子系统名称的首字母组合而成。
例如,一个包括机械、电气和控制三个子系统的项目,可以分别使用“M”、“E”和“C”作为子系统代码。
3. 图纸类型代码:图纸类型代码是用于区分不同图纸类型的标识,通常由图纸类型名称的首字母组合而成。
例如,机械图纸可以用“M”表示,电气图纸可以用“E”表示。
4. 序号:序号是用于标识同一类型图纸中的不同版本或不同分部的标识,是图纸图号的最后一部分。
通常使用数字进行标识,例如“001”、“002”等。
图纸图号编号规则的示例以一个名为“ABC工程”的项目为例,假设其中包含机械、电气和控制三个子系统,并且每个子系统都有不同类型的图纸,可以采用如下图纸图号编号规则: - 项目代码:ABC - 机械子系统:M - 电气子系统:E - 控制子系统:C - 机械图纸:M - 电气图纸:E - 控制图纸:C - 序号:001、002、003…根据上述规则,不同类型的图纸图号可以表示如下: - 机械图纸:ABC-M-M-001、ABC-M-M-002… - 电气图纸:ABC-E-E-001、ABC-E-E-002… - 控制图纸:ABC-C-C-001、ABC-C-C-002…图纸图号编号规则的管理实践在实际的项目管理中,为了更好地管理和使用图纸,可以采用以下的管理实践: 1. 使用项目管理软件或文档管理系统进行图纸的分类、归档和查找; 2. 设立专门负责图纸管理的岗位或团队,并规定图纸的审批和发布流程; 3. 进行定期的图纸检查和校对,确保图纸的有效性和正确性; 4. 定期更新和优化图纸图号编号规则,使其适应项目的发展和变化。
常用图纸编号规则及图纸要求一、图纸编号规则简介:——说明:1、产品类型:由产品名称的几个主要字母组成;2、产品型号:由产品的主要特征参数+产品型号区分码(A 、B 、C.......Z )组成; 例:“20”其后面没有区分码表示基本型,“20A ”表示A 型;3、一级装配件:总机装配下的第一级子装配件,可编范围“01.....99”; 例:“CNFSQH20-010000-0000”表示总机装配下的第一个子装配件;4、二级装配件:一级装配件下的子装配件,可编范围“1.....9”; 例:“CNFSQH20-011000-0000”表示总机装配下第一个子装配件下的第一个子装配件;5、一级焊接件:总机装配或一级、二级装配件下的第一级子焊接件,可编范围“01.....99”; 例:“CNFSQH20-010010-0000”表示总机装配下第一个子装配件下的第一个子焊接件;6、二级焊接件;一级焊接件下的子焊接件,中编范围“1.....9”; 例:“CNFSQH20-010012-0000”表示总机装配下第一个子装配件下的第一个子焊接件的 第二个子焊接件;7、零部件区分代码:当该图表示的为零件时用“1”表示,当该图表示的为装配件或焊接件 时用“0”表示;8、零件代码:各装配件或焊接件下的零件,可编范围“01.....99”; 例:“CNFSQH20-010000-1010”表示总机装配下的第一个子装配件下的第一个零件;9、版本代码:产品定型后有部件或零件需要进行设计更改时,通过改变该数字进行区分, 可编范围“1.....9” 例:“CNFSQH20-010000-1011”表示总机装配下的第一个子装配件下的第一个零件的第 一次更改版本; 二、图纸要求;产品类别代码产品类别代码一级装配件代码二级装配件代码一级焊接件代码二级焊接件代码零部件区分代码零件代码版本代码1、图框要求a、标题栏b、阶加栏c、代号栏d、分区e、装订线2、标题栏要求a、企业名称:兴之源环保科技有限公司b、图号:左上角、右下角均有图号c、名称d、材料e、比例f、重量3、明细栏要求a、材料b、名称c、重量d、数量e、外购件备注栏内注明“品牌”,借用件备注栏内注明“借用”,无图件在备注栏内注明“无图”4、其他要求a、字体:GB宋体b、各线条颜色:待定c、版本:CAD 2004版。
图纸(图号)编码规则1、目的为公司各种设计图纸文件的管理、发放、使用的有序和控制。
2、适用范围适用公司的所有设计图纸文件。
3、职责和权限责任人负责编制、修改,项目负责人负责审核,经理室负责批准。
4、编码规则和结构:4.1 PCB、电路图图纸:4.1.1 类别ZP——主板DY——电源板AJ——按键板QD——驱动板GYT——高压条 JS——接收板SN——声纳板ZJ——转接板LED——LED灯条SD——SD卡线路板FK——原理方框图FA——安装方案图4.1.2 序列号按画图的顺序编号4.1.3 版本号根据图纸的更改变动依次用数字升版。
例:第一版01,第二版02。
4.2 CAD图纸4.2.1 类别WK——外壳图(外观)QK——前壳HK——后壳CB——侧面壳或侧面安装板BK——边框BB——后壳背包XJ——小角AZ——安装板、隔离板、尾板、挡板DZ——底座、支架AJP——按键皮 BL——玻璃PM——泡沫ZX——纸箱XL——纸箱丝印NH——内盒、内垫、隔板MJ——模具、治具、夹具BQ——标签、标贴、铭牌、保修卡、合格证DX——导线FS——防水圈YP——压片SR——耳朵螺母OT——其它(除以上列的以外的)4.2.2 序列号按画图的顺序编号。
4.2.3 版本号根据图纸的更改变动依次用数字升版。
例:第一版01,第二版02。
5、相关文件《技术文件管理规定》6、质量记录《文件管理单》《文件发放/回收记录》。
图纸编号规则文件号:ZH/QE-C06-01版本:A/0 受控:编制:日期:审核:日期:批准:日期:2015-3-26 发布 2015-3-26 实施文件修订记录一、目的为规范图纸编号及图纸标题栏的编制方法,统一编号形式和标题栏的使用,特制订本规定。
二、范围本规定适用于公司以下图纸编号的编制和标题栏的使用:1、零部件图纸2、电气图纸3、结构图纸4、安装布置图5、外来图纸6、任务单四、要求1、每种产品、部件、零件的图纸应遵循“一件一号”的原则,均应有独立的编号;2、同一产品、部件及零件的图纸用数张图纸绘出时,各张图纸号应相同。
3、通用件的编号可采用被通用件的图纸编号。
4、本公司出图的外购件、外协件,其图号由本厂给出;外购、外协件由外购、外协单位设计出图要由公司技术质保部给予验证确认,并给出公司内部图号。
5、产品开发中如出现零、部件相互借用时,图纸的编号应按最先开发的产品图纸编号为准,借用关系应借用最先开发的产品,不准间接借用。
6、产品中通用性高,使用范围较广的零部件应尽快转换为通用件。
技术部门应编制通用件目录和通用件图册,供相关部门查阅使用。
相关部门负责设计变更的申请与确认, 并依技术部发布的设计变更通知单内容配合相关工作的实施与落实。
五、图纸编号的编制规则1、电气图纸编号规则电气图纸编号按产品名称分类编号的方法进行编号,分类编号其代号的基本部分由图纸识别码、特征号(图纸分类代码)、分类号(产品分类码)、识别号(产品零部件顺序号)四部分组成。
图纸编号区位及含义图纸分类含产品合同记录编号(《技术部工作流程记录表》编号)和图纸年份。
产品类别代码见表1。
表1 产品类别代码图纸分类代码用短横线隔开,用于同一项目中相同产品的不同图纸中图号的区分,采用数字、字母或数字加字母的形式进行编号;图纸序号用短横线隔开,编号从01开始,依次顺延。
图纸的初始版本号为A,第一次改动,其版本号为B,第二次改动版本号为C,依次顺延。
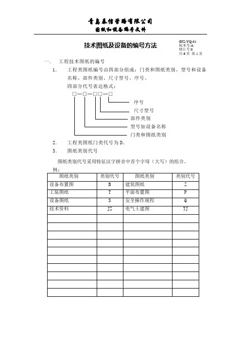
GJZ-YQ-01 版本号:A 修订号:0 共6页 第1页技术图纸及设备的编号方法一. 工程技术图纸的编号1.工程类图纸编号由四部分组成:门类和图纸类别、型号和设备名称、部件类别、尺寸型号、序号。
四部分代号表达格式:□─□─□□─□序号 尺寸型号部件类别 型号加设备名称 门类和图纸类别2. 工程类图纸门类代号为D 。
3.图纸类别代号图纸类别代号采用特征汉字拼音中首个字母(大写)的组合。
例:GJZ-YQ-01版本号:A 修订号:0共6页 第2页4.部件类别代号和序号部件类别代号采用特征汉字拼音中首个字母(大写)的 组合。
管路空视图的部件类别代号按管道仪表流程图介 质代号表示。
5. 没有填写的部分自动略过 6.图纸编号举例:(1)114推制机装置(一号)图 DS —114TZ —Z01组装和序号 机器型号工程类和图纸类别(2)114推制机装置零件(一号)图 DS —114TZ —LJ01零件和序号 机器型号工程类和图纸类别GJZ-YQ-01 版本号:A 修订号:0共6页 第3页(3)114推制机夹具(一号)图DT —114TZ —JX4"-01序号 零件和尺寸 机器型号工程类和图纸类别二.指导书的编号1.规范图纸编号由四部分组成:门类、规格和壁厚、坡口和 特殊要求。
四部分代号表达格式:□─□□─□坡口和特殊要求 壁厚规格 门类2. 工艺指导书、工艺流程图和检验指导书门类代号分别为GY 、GL 和JY 3.图纸类别代号图纸类别代号采用特征汉字拼音中首个字母(大写)的组合。
4.部件类别代号GJZ-YQ-01 版本号:A 修订号:0共6页 第4页部件类别代号采用特征汉字拼音中首个字母(大写)的组合。
5.没有填写的部分自动略过 6. 图纸编号举例:(4)4寸STDP 普通坡口的工艺指导书 GY —4STD —PP普通破口 机械滤器 规范设计图三.生产图的编号1.生产图的编号由三部分组成:生产图代号和尺寸、角度 和半径、壁厚系列。
图纸编号规则文件号:ZH/QE-C06-01版本:A/0 受控:编制:日期:审核:日期:批准:日期:2015-3-26 发布 2015-3-26 实施文件修订记录一、目的为规范图纸编号及图纸标题栏的编制方法,统一编号形式和标题栏的使用,特制订本规定。
二、范围本规定适用于公司以下图纸编号的编制和标题栏的使用:1、零部件图纸2、电气图纸3、结构图纸4、安装布置图5、外来图纸6、任务单四、要求1、每种产品、部件、零件的图纸应遵循“一件一号”的原则,均应有独立的编号;2、同一产品、部件及零件的图纸用数张图纸绘出时,各张图纸号应相同。
3、通用件的编号可采用被通用件的图纸编号。
4、本公司出图的外购件、外协件,其图号由本厂给出;外购、外协件由外购、外协单位设计出图要由公司技术质保部给予验证确认,并给出公司内部图号。
5、产品开发中如出现零、部件相互借用时,图纸的编号应按最先开发的产品图纸编号为准,借用关系应借用最先开发的产品,不准间接借用。
6、产品中通用性高,使用范围较广的零部件应尽快转换为通用件。
技术部门应编制通用件目录和通用件图册,供相关部门查阅使用。
相关部门负责设计变更的申请与确认, 并依技术部发布的设计变更通知单内容配合相关工作的实施与落实。
五、图纸编号的编制规则1、电气图纸编号规则电气图纸编号按产品名称分类编号的方法进行编号,分类编号其代号的基本部分由图纸识别码、特征号(图纸分类代码)、分类号(产品分类码)、识别号(产品零部件顺序号)四部分组成。
图纸编号区位及含义图纸分类含产品合同记录编号(《技术部工作流程记录表》编号)和图纸年份。
产品类别代码见表1。
表1 产品类别代码图纸分类代码用短横线隔开,用于同一项目中相同产品的不同图纸中图号的区分,采用数字、字母或数字加字母的形式进行编号;图纸序号用短横线隔开,编号从01开始,依次顺延。
图纸的初始版本号为A,第一次改动,其版本号为B,第二次改动版本号为C,依次顺延。
常用图纸编号规则及图纸要求一、图纸编号规则简介:——说明:1、产品类型:由产品名称的几个主要字母组成;2、产品型号:由产品的主要特征参数+产品型号区分码(A 、B 、C.......Z )组成; 例:“20”其后面没有区分码表示基本型,“20A ”表示A 型;3、一级装配件:总机装配下的第一级子装配件,可编范围“01.....99”;例:“CNFSQH20-010000-0000”表示总机装配下的第一个子装配件;4、二级装配件:一级装配件下的子装配件,可编范围“1.....9”;例:“CNFSQH20-011000-0000”表示总机装配下第一个子装配件下的第一个子装配件; 5、一级焊接件:总机装配或一级、二级装配件下的第一级子焊接件,可编范围“01.....99”; 例:“CNFSQH20-010010-0000”表示总机装配下第一个子装配件下的第一个子焊接件;6、二级焊接件;一级焊接件下的子焊接件,中编范围“1.....9”;例:“CNFSQH20-010012-0000”表示总机装配下第一个子装配件下的第一个子焊接件的 第二个子焊接件;7、零部件区分代码:当该图表示的为零件时用“1”表示,当该图表示的为装配件或焊接件 时用“0”表示;8、零件代码:各装配件或焊接件下的零件,可编范围“01.....99”;例:“CNFSQH20-010000-1010”表示总机装配下的第一个子装配件下的第一个零件;9、版本代码:产品定型后有部件或零件需要进行设计更改时,通过改变该数字进行区分, 可编范围“1.....9”例:“CNFSQH20-010000-1011”表示总机装配下的第一个子装配件下的第一个零件的第 一次更改版本;二、图纸要求;CNFSQH 20 00 0 00 0 0 00 0 产品类别代码 产品类别代码 一级装配件代码 二级装配件代码 一级焊接件代码 二级焊接件代码 零部件区分代码零件代码 版本代码1、图框要求a、标题栏b、阶加栏c、代号栏d、分区e、装订线2、标题栏要求a、企业名称:兴之源环保科技有限公司b、图号:左上角、右下角均有图号c、名称d、材料e、比例f、重量3、明细栏要求a、材料b、名称c、重量d、数量e、外购件备注栏内注明“品牌”,借用件备注栏内注明“借用”,无图件在备注栏内注明“无图”4、其他要求a、字体:GB宋体b、各线条颜色:待定c、版本:CAD 2004版欢迎您的下载,资料仅供参考!致力为企业和个人提供合同协议,策划案计划书,学习资料等等打造全网一站式需求d、e、。
常用图纸编号规则及图纸要求一、图纸编号规则简介:——说明:1、产品类型:由产品名称的几个主要字母组成;2、产品型号:由产品的主要特征参数+产品型号区分码(A 、B 、C.......Z )组成; 例:“20”其后面没有区分码表示基本型,“20A ”表示A 型;3、一级装配件:总机装配下的第一级子装配件,可编范围“01.....99”;例:“CNFSQH20-010000-0000”表示总机装配下的第一个子装配件;4、二级装配件:一级装配件下的子装配件,可编范围“1.....9”;例:“CNFSQH20-011000-0000”表示总机装配下第一个子装配件下的第一个子装配件; 5、一级焊接件:总机装配或一级、二级装配件下的第一级子焊接件,可编范围“01.....99”; 例:“CNFSQH20-010010-0000”表示总机装配下第一个子装配件下的第一个子焊接件;6、二级焊接件;一级焊接件下的子焊接件,中编范围“1.....9”;例:“CNFSQH20-010012-0000”表示总机装配下第一个子装配件下的第一个子焊接件的 第二个子焊接件;7、零部件区分代码:当该图表示的为零件时用“1”表示,当该图表示的为装配件或焊接件 时用“0”表示;8、零件代码:各装配件或焊接件下的零件,可编范围“01.....99”;例:“CNFSQH20-010000-1010”表示总机装配下的第一个子装配件下的第一个零件;9、版本代码:产品定型后有部件或零件需要进行设计更改时,通过改变该数字进行区分, 可编范围“1.....9”例:“CNFSQH20-010000-1011”表示总机装配下的第一个子装配件下的第一个零件的第 一次更改版本;二、图纸要求;CNFSQH 20 00 0 00 0 0 00 0 产品类别代码 产品类别代码 一级装配件代码 二级装配件代码 一级焊接件代码 二级焊接件代码 零部件区分代码零件代码 版本代码1、图框要求a、标题栏b、阶加栏c、代号栏d、分区e、装订线2、标题栏要求a、企业名称:兴之源环保科技有限公司b、图号:左上角、右下角均有图号c、名称d、材料e、比例f、重量3、明细栏要求a、材料b、名称c、重量d、数量e、外购件备注栏内注明“品牌”,借用件备注栏内注明“借用”,无图件在备注栏内注明“无图”4、其他要求a、字体:GB宋体b、各线条颜色:待定c、版本:CAD 2004版欢迎您的下载,资料仅供参考!致力为企业和个人提供合同协议,策划案计划书,学习资料等等打造全网一站式需求d、e、。
室内施工图图纸编号规则(一)平面图图纸图纸标签:见“图纸结构说明”之平面图的组成。
平面图中共有的标签:FF、AR、RC、EM、FC、CC、LL、CL、DL等图纸。
编号方法:图纸标签+排序号码1、总平编号:FF1.00编号顺序按楼层排序,一层为1.00,二层为2.00,依次排列;如为地下建筑,排在地上楼层的后面。
如此建筑为地上三层,地下两层,则总平图纸排序为:FF1.00(一层)、FF2.00(二层)、FF3.00(三层)、FB1.00(地下一层)、FB2.00(地下二层)。
2、分平编号:FF1.01(n)1)前面的数字“1”表示楼层,后面的数字“1(n)”根据分平的索引进行排序,表示第几个分平空间。
2)当同一个空间的平面有多张图纸,图纸编号依次为FF1.03AFF1.03BFF1.03C等。
(二)立面图图纸EL1.01(n)说明:立面图的标签为EL,“1.01”前面的数字“1”表达的是楼层,后面的1(n)表达的是第几张图纸,即图纸数量及排序。
楼层的排序参见平面。
(三)详图图纸说明:详图包括门表及详图门表的标签为DS,门表包括两部分内容:1、门立面图为DS1.01(n),“1.01”前面的数字“1”表达的是“门立面”,后面的1(n)表达的是第几张图纸,即图纸数量及排序。
2、门详图为DS2.01(n);“1.01”前面的数字“1”表达的是“门详图”,后面的1(n)表达的是第几张图纸,即图纸数量及排序。
详图标签为DT,编号如下:1、DT1.01(n)线条2、DT2.01(n)天花详图3、DT3.01(n)地面详图(包括地面大样、地面节点)4、DT4.01(n)墙身详图(包括墙面大样、墙顶节点、墙面造型节点、墙地节点、)5、DT5.01(n)木作详图等(包括壁炉、柱身、固定家具、柜体等)(注从右下角画起)6、DT6.01(n)放大平面(如有必要,视情况而定)7、DT7.01(n)楼梯详图(如有必要,视情况而定)8、DT8.01(n)电梯详图(如有必要,视情况而定)说明:其中“1(n).01(n)”前面的数字“1(n)”表达的是“详图的分类”,后面的“1(n)”表达的是第几张图纸,即图纸数量及排序。
常用图纸编号规则及图纸要求一、图纸编号规则简介:——说明:1、产品类型:由产品名称的几个主要字母组成;2、产品型号:由产品的主要特征参数+产品型号区分码(A 、B 、C.......Z )组成; 例:“20”其后面没有区分码表示基本型,“20A ”表示A 型;3、一级装配件:总机装配下的第一级子装配件,可编范围“01.....99”; 例:“CNFSQH20-010000-0000”表示总机装配下的第一个子装配件;4、二级装配件:一级装配件下的子装配件,可编范围“1.....9”; 例:“CNFSQH20-011000-0000”表示总机装配下第一个子装配件下的第一个子装配件;5、一级焊接件:总机装配或一级、二级装配件下的第一级子焊接件,可编范围“01.....99”; 例:“CNFSQH20-010010-0000”表示总机装配下第一个子装配件下的第一个子焊接件;6、二级焊接件;一级焊接件下的子焊接件,中编范围“1.....9”; 例:“CNFSQH20-010012-0000”表示总机装配下第一个子装配件下的第一个子焊接件的 第二个子焊接件;7、零部件区分代码:当该图表示的为零件时用“1”表示,当该图表示的为装配件或焊接件 时用“0”表示;8、零件代码:各装配件或焊接件下的零件,可编范围“01.....99”; 例:“CNFSQH20-010000-1010”表示总机装配下的第一个子装配件下的第一个零件;9、版本代码:产品定型后有部件或零件需要进行设计更改时,通过改变该数字进行区分, 可编范围“1.....9” 例:“CNFSQH20-010000-1011”表示总机装配下的第一个子装配件下的第一个零件的第 一次更改版本; 二、图纸要求;产品类别代码产品类别代码一级装配件代码二级装配件代码一级焊接件代码二级焊接件代码零部件区分代码零件代码版本代码1、图框要求a、标题栏b、阶加栏c、代号栏d、分区e、装订线2、标题栏要求a、企业名称:兴之源环保科技有限公司b、图号:左上角、右下角均有图号c、名称d、材料e、比例f、重量3、明细栏要求a、材料b、名称c、重量d、数量e、外购件备注栏内注明“品牌”,借用件备注栏内注明“借用”,无图件在备注栏内注明“无图”4、其他要求a、字体:GB宋体b、各线条颜色:待定c、版本:CAD 2004版。
图纸编号规则Company number:【WTUT-WT88Y-W8BBGB-BWYTT-19998】图纸编号规则文件号:ZH/QE-C06-01版本:A/0 受控:编制:日期:审核:日期:批准:日期:2015-3-26 发布 2015-3-26 实施文件修订记录一、目的为规范图纸编号及图纸标题栏的编制方法,统一编号形式和标题栏的使用,特制订本规定。
二、范围本规定适用于公司以下图纸编号的编制和标题栏的使用:1、零部件图纸2、电气图纸3、结构图纸4、安装布置图5、外来图纸6、任务单四、要求1、每种产品、部件、零件的图纸应遵循“一件一号”的原则,均应有独立的编号;2、同一产品、部件及零件的图纸用数张图纸绘出时,各张图纸号应相同。
3、通用件的编号可采用被通用件的图纸编号。
4、本公司出图的外购件、外协件,其图号由本厂给出;外购、外协件由外购、外协单位设计出图要由公司技术质保部给予验证确认,并给出公司内部图号。
5、产品开发中如出现零、部件相互借用时,图纸的编号应按最先开发的产品图纸编号为准,借用关系应借用最先开发的产品,不准间接借用。
6、产品中通用性高,使用范围较广的零部件应尽快转换为通用件。
技术部门应编制通用件目录和通用件图册,供相关部门查阅使用。
相关部门负责设计变更的申请与确认, 并依技术部发布的设计变更通知单内容配合相关工作的实施与落实。
五、图纸编号的编制规则1、电气图纸编号规则电气图纸编号按产品名称分类编号的方法进行编号,分类编号其代号的基本部分由图纸识别码、特征号(图纸分类代码)、分类号(产品分类码)、识别号(产品零部件顺序号)四部分组成。
图纸编号区位及含义图纸分类含产品合同记录编号(《技术部工作流程记录表》编号)和图纸年份。
产品类别代码见表1。
表1 产品类别代码图纸分类代码用短横线隔开,用于同一项目中相同产品的不同图纸中图号的区分,采用数字、字母或数字加字母的形式进行编号;图纸序号用短横线隔开,编号从01开始,依次顺延。
中国建筑科学研究院建筑设计院
建院设[2009]41号
签发人:马立东
关于图纸编号、图纸版号的编写规定
一、图纸编号 1.1、专业码编码规定
A 代表建筑专业
S 代表结构专业 M 代表暖通专业 P 代表给排水专业 E 代表电气专业 FP 代表消防给水 FM 代表消防暖通 FE 代表消防电气
1.2、简单工程编写规定
1.3、复杂工程编写规定
要求依次按照专业码、子项码、类别码和序号编写图号。
图纸编号分为三段:
(选用)
1.3.1、子项号根据工程需要设定,不含子项的工程不设子项号。
子项号一般为2位。
子项号可以采用数字,01表示子项01,02表示子项02,依次类推。
对于总图,统一用字母Z 表示。
1.3.2、类别码:1位数字,详见“类别码对照表”: 1.3.3、序号:2位或3位数字,视项目情况而定。
例如:A-Z-001
类别码对照表
示例:
A-002 建筑专业设计总说明(不含子项);
A-Z-001 建筑专业总图子项区域位置图;
P-01-101 给排水专业01子项系统图01号。
注:如遇特殊工程,以上编码规则不能实现,图纸编号可由项目设总根据情况另行确定,并将编码规则报送技术管理室备案。
二、图纸版号规则
2.1、图纸版号:
首次出图图纸版号为“0”(阿拉伯数字零)。
在此之后出改版图时,图纸版号从“A”开始向后顺延。
出图日期随版号的变动而相应变动。
对图纸的每次改版都应在改版记录栏中进行相应描述。
图纸编号规则
文件号:ZH/QE-C06-01
版本:A/0受控:
编制:日期:
审核:日期:
批准:日期:2015-3-26发布2015-3-26实施
文件修订记录
一、目的
为规范图纸编号及图纸标题栏的编制方法,统一编号形式和标题栏的使用,特
制订本规定。
二、范围
本规定适用于公司以下图纸编号的编制和标题栏的使用:
1、零部件图纸
2、电气图纸
3、结构图纸
4、安装布置图
5、外来图纸
6、任务单
四、要求
1、每种产品、部件、零件的图纸应遵循“一件一号”的原则,均应有独立的编
号;
2、同一产品、部件及零件的图纸用数张图纸绘出时,各张图纸号应相同。
3、通用件的编号可采用被通用件的图纸编号。
4、本公司出图的外购件、外协件,其图号由本厂给出;外购、外协件由外购、外协单位设计出图要由公司技术质保部给予验证确认,并给出公司内部图号。
5、产品开发中如出现零、部件相互借用时,图纸的编号应按最先开发的产品
图纸编号为准,借用关系应借用最先开发的产品,不准间接借用。
6、产品中通用性高,使用范围较广的零部件应尽快转换为通用件。
技术部门应编制通用件目录和通用件图册,供相关部门查阅使用。
相关部门负责设计变更的申请与确认,并依技术部发布的设计变更通知单内容配合相关工作的实施与落实。
五、图纸编号的编制规则
1、电气图纸编号规则
电气图纸编号按产品名称分类编号的方法进行编号,分类编号其代号的基本部分由图纸识别码、特征号(图纸分类代码)、分类号(产品分类码)、识别号(产品零部件顺序号)四部分组成。
图纸编号区位及含义
图纸分类含产品合同记录编号(《技术部工作流程记录表》编号)和图纸年份。
产品类别代码见表1。
表1产品类别代码
图纸分类代码用短横线隔开,用于同一项目中相同产品的不同图纸中图号的区分,采用数字、字母或数字加字母的形式进行编号;图纸序号用短横线隔开,编号从01开始,依次顺延。
图纸的初始版本号为A,第一次改动,其版本号为B,第二次改动版本号为C,依次顺延。
(图纸版本号体现在标题栏内)
电气图纸编号示例:
ZH15001GY-01-01
图纸顺序号
图纸分类代码
产品类别代码
合同记录号
图纸年份
企业代号
2、结构图纸编号规则
结构图纸分为标准图纸和非标准图纸,标准图纸可以用于不同项目相同产品的设计中,非标准图纸需要针对不同项目进行新的设计。
2.1非标准结构图纸编号按产品名称、零件、部件分类编号的方法进行编号,分类编号其代号的基本部分由图纸识别号、分类号(产品分类码)、大特征号(图纸分类代码)、小特征号(零部件图代码)、识别号(零部件图顺序号)四部分组成。
图纸编号区位及含义
图纸分类含产品合同记录编号和图纸年份,大特征号为图纸分类代码,用短横线隔开,用于同一项目中相同产品的不同图纸中图号的区分,采用数字、字母或数字加字母的形式进行编号;小特征号代码为零件图代码LT、部件图代码BT,需用短横线隔开。
产品类别代码见表2。
表2产品类别代码
零部件图序号部分需用短横线隔开,零件图编号从01开始,部件图编号从00开始,依次顺延。
图纸的初始版本号为A,第一次改动,其版本号为B,第二次改动版本号为C,依次顺延。
(图纸版本号体现在标题栏内)
非标准结构图纸编号示例:
ZH15001GY–01-LT01
LT:零件/BT:部件+序号
图纸分类代码
产品类别代码
合同记录号
图纸年份
企业代号
2.2标准结构图纸编号按产品名称、零件、部件分类编号的方法进行编号,分类编号其代号的基本部分由图纸识别号、分类号(产品分类码)、特征号(零部件图代码)、识别号(零部件图顺序号)四部分组成。
图纸编号区位及含义
图纸分类含产品合同记录编号和图纸年份,特征号代码为零件图代码LT、部件图代码BT,需用短横线隔开。
产品类别代码见表3。
表3产品类别代码
零部件图序号部分需用短横线隔开,零件图编号从01开始,部件图编号从00开始,依次顺延。
图纸的初始版本号为A,第一次改动,其版本号为B,第二次改动版本号为C,依次顺延。
(图纸版本号体现在标题栏内)
结构图纸编号示例:
ZH15GY-LT01
LT:零件/BT:部件+序号
产品类别代码
图纸年份
企业代号
3、安装布置图纸编号规则
布置图纸编号按项目分类编号的方法进行编号,分类编号其代号的基本部分由图纸识别码、特征号(布置图代码)、识别号(布置图顺序号)三部分组成。
图纸编号区位及含义
图纸分类含产品合同记录编号和图纸年份,特征号代码为:BZ,识别号需用短横线隔开,编号从01开始,依次顺延。
图纸的初始版本号为A,第一次改动,其版本号为B,第二次改动版本号为C,依次顺延。
(图纸版本号体现在标题栏内)
布置图纸编号示例:
ZH15001BZ-01-A
版本号
图纸顺序号
布置图代码
合同记录号
图纸年份
企业代号
4、外来图纸编号规则
非本公司出的所有图纸统称为外来图纸,外来图纸按照接收时间及外来单位代码组合方式进行编制,图号基本部分由外来图纸代码、外来单位代码、顺序号、接收日期组成。
a、外来图纸编号构成:
WL-□□□□□□-□□□□□□
接收日期
接收月份
接收年份
顺序号
外来单位代码
外来图纸代号
b、外来图纸编号示例:
WL-FQ01-150413
外来图纸-福清地产01号图纸,接收日期15年4月13日
5、任务单编号规则
任务单包括电气和结构任务下发单,按照合同号和不同专业组合编号方式进行编制,图号基本部分由任务单代码、合同代码、专业代码、顺序号组成。
编号的基本部分由任务单识别码、特征号(任务单分类代码)、分类号(产品分类码)三部分组成。
图纸编号区位及含义
任务单分类含产品合同记录编号(《技术部工作流程记录表》编号)和任务单年份。
分类代码用短横线隔开,产品类别代码见表4。
表4产品类别代码
分类代码用短横线隔开,用于同一项目中相同产品的不同任务单的区分,采用数字、字母或数字加字母的形式进行编号。
任务单的初始版本号为A,第一次改动,其版本号为B,第二次改动版本号为C,依次顺延。
任务单编号示例:
RWD15001D-GY-01
分类代码
产品类别代码
专业分类(D:电气;J:结构)
合同记录号
年份
任务单代号
六、标题栏编制规则
1、每张图纸右下角必须设有标题栏,标题栏由名称及代号区、签字区组成。
各
区的内容与尺寸见下图标准格式。
2、标题栏的填写
2.1名称及代号区
a)单位名称:填绘制图纸的单位名称及代号;
b)图纸名称;填所绘制对象的名称,如原理图、布置图等;
c)图号:填所绘制对象的代号,由数字和字母组成。
代号按照上述图号规则进
行编写。
2.2签字区
按设计、校对、批准、版本、比例、日期等,按照公司的审批程序手续签字确
认。