地下室墙体计算
- 格式:doc
- 大小:294.00 KB
- 文档页数:10
地下室墙体配筋计算书(一)引言概述:地下室墙体配筋计算书是在地下室工程设计中非常重要的一项计算工作,主要用于确定墙体配筋材料和数量,以确保地下室墙体的结构安全性和稳定性。
本文将从五个大点出发,分别为墙体荷载计算、配筋设计、配筋布置、配筋间距计算和配筋钢筋计算,对地下室墙体配筋计算进行详细阐述。
正文:1. 墙体荷载计算1.1 确定地下室墙体所受荷载类型及大小1.2 根据设计标准计算荷载作用于墙体的力和力矩1.3 考虑地下室墙体的水平荷载(如地震力)对配筋的影响2. 配筋设计2.1 根据墙体的截面几何形状和计算荷载,确定墙体的受拉区和受压区2.2 采用受拉与受压设计法计算配筋数量和尺寸2.3 考虑抗震要求,确定墙体抗震性能级别,进行相应的配筋设计3. 配筋布置3.1 根据墙体结构图和配筋设计要求,在墙体纵向和横向布置配筋3.2 确定配筋的弯曲半径和弯曲位置,保证配筋的完整性和符合设计要求3.3 考虑墙体连接节点和开口处的配筋布置,增强墙体的整体强度和稳定性4. 配筋间距计算4.1 依据墙体的构造和设计要求,计算配筋的间距和跨距4.2 考虑墙体的构造节段,分析墙体不同部位的配筋需求和间距调整4.3 在计算配筋间距时,考虑施工和安装配筋的可行性和经济性5. 配筋钢筋计算5.1 根据地下室墙体的尺寸和设计要求,计算墙体所需的钢筋总量5.2 按照配筋设计要求,计算钢筋的截面积、直径和排布方式5.3 根据配筋布置和间距计算结果,确定每个配筋段的钢筋长度总结:地下室墙体配筋计算是地下室工程设计的重要环节。
通过墙体荷载计算、配筋设计、配筋布置、配筋间距计算和配筋钢筋计算五个大点的详细阐述,可以准确确定地下室墙体所需的配筋材料和数量,保证墙体的结构安全性和稳定性。
同时,建议在计算过程中综合考虑施工和经济性因素,以选择最合适的配筋方案。
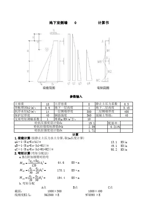
1880.50.94 5.4514300400403604011019.1配筋率:2.390.214%1.7113.1KN/m 49.1KN/m 98.2KN/m A点B点C点截面:562500×E 978593×E保护层厚度a0(mm):钢筋强度fy(N/mm^2)混凝土等级:KN·m qA=1∙(K ∙q+K ∙r ∙h1)=qB=1∙(K ∙q+K ∙r ∙(h1+H1))=支座弯矩调幅系数a:堆载q(KN/m^2):170.1线刚度EI/L:qC=1∙(K ∙q+K ∙r ∙(h1+H1+H2))=2.弯矩计算(弯矩分配法) a.B点附加刚臂时的弯矩:64.61000×400二层侧墙厚度t2(mm)1000×3001.荷载计算(按静止土压力水土分算,取1m长度计算)KN·m194.4KN·mb.弯矩分配砼抗拉强度标准值ftk 砼抗拉强度设计值ft 抗浮水位h 2(m):一层侧墙厚度t1(mm):砼抗压强度设计值fc 计算书地下室侧墙 0顶板埋深h1(m):地下一层高度H1(m):参数输入土容重r(KN/m^3):土浮容重r1(KN/m^3):静止土压力系数K:地下二层高度H2(m):2278120A B BA q q M h +==23()3020C B BC q qM h =+=23()2030C B CB q qM h =+=0.370.63-64.6170.1-194-38.51-66.99→-33.50-103.1103.1-228103.1KN·m227.9KN·m4.50 4.5013.1049.10-24.4-155.51.292.5618.26114.25139.19307.6324.65154.240.517647252mm 352mm30.80≤130.455.17≤49.19≤182.2123.74≤16342743.配筋计算分配系数μ:固端端弯矩:分配与传递:弯矩设计值:BC段截面有效高度:BC段混凝土受压区高度:AB段受拉区钢筋面积:最后弯矩:弯矩标准值:跨中弯矩最大点弯矩标准值(利用静力计算手册中的公式推导根据叠加原则求解):混凝土界限受压区高度:AB段混凝土受压区高度:AB段截面有效高度:0B M =0C M=012b x a-==A b q ==231001010123b aM cx x x =---=B b q ==02x ==232002020223B b aM M cx x x =----=1M 2M 11/b y s cuf E βξε==+0108B h t a =--=0208C h t a =--=0B B x h ==10B x h =0C C x h ==20C x h =0b B h ξ⨯=mm mm mm mm 0b Bh ξ⨯0b Ch ξ⨯mm0b C h ξ⨯=mm10c BsB yf bx A f α==2mm 1110c s yf bx A f α==2mm 22B A q q a h -==32C B q q a h -==01.35B B M a M ==11001.35[0.5(1)]B M M a M =+-=01.35C C M a M ==220001.35[0.5(1)()]B C M M a M M =+-+=02226B A BM q q c h h +=-=003326C B B CM M q q c h h -+=-=261012601500002000000.0209取值0.02090.0089取值0.01000.0245取值0.02450.0105取值0.0105149.762.1151.6178.20.6050.2000.682有效砼受拉截面积:受拉钢筋配筋率:纵向受拉钢筋等效应力:钢筋应变不均匀系数:BC段受拉区钢筋面积:10c CsC yf bx A f α==1220c s yf bx A f α==2mm 2mm cr 2mm 10.5ABte A bt ==20.5BCte A bt ==2mm /Bte sB ABte A A ρ==11/te s ABte A A ρ==/Cte sC BCte A A ρ==22/te s BCte A A ρ==0000.87B sB B sBM h A σ==2/N mm 1010010.87s B s M h A σ==2/N mm 0000.87C sC C sCM h A σ==2/N mm 2020020.87s C s M h A σ==2/N mm 01.10.65tkB Bte sB f ψρσ=-=11101.10.65tk te s fψρσ=-=1.10.65tkC Cte sC f ψρσ=-=0.2670.131mm 0.024mm0.155mm 0.103mm满足0.3要求满足0.2要求满足0.3要求最大裂缝宽度:满足0.2要求01.10.65tkC Cte sC f ψρσ=-=22201.10.65tk te s fψρσ=-=max (1.90.08)eq sB B cr Bs Bted c E σωαψρ-=+=0max(1.90.08)eq sC C cr C s Cted c E σωαψρ-=+=202max22(1.90.08)eq s cr s ted c E σωαψρ-=+=101max 11(1.90.08)eq s cr s ted c E σωαψρ-=+=。
0.5外墙顶端支承条件有水平支座(有楼板支撑)10.00侧壁顶标高BG 1(m)0.0020.00侧壁底标高BG 2(m)-6.55 5.00室外地坪BG 3(m)0.000.00地下水位BG 4(m)-1.8089.25外墙总高H(m) 6.550水土面起点标高(m)0.001每米控制截面弯矩计算外墙根部负弯矩-M b (KN﹒m/m)外墙跨中正弯矩+M max (KN﹒m/m)外墙顶端负弯矩-M t (KN﹒m/m)水土压力引起的弯矩(恒载)-255.27114.160.00地面引起的弯矩(活载)-26.8115.080.00弯矩标准值-282.08129.240.00设计弯矩组合工况 1.35恒+1.4×0.7活1.35恒+1.4×0.7活1.35恒+1.4×0.7活弯矩设计值-370.89168.900.00混凝土强度等级C35HRB400混凝土抗压强度设计值f c (N/mm 2)16.7360混凝土抗拉强度设计值f t (N/mm 2) 1.57400混凝土抗压强度标准值f ck (N/mm 2)23.4200000混凝土抗拉强度标准值f tk (N/mm 2) 2.20混凝土弹性模量E c (N/mm 2)31500外墙厚h(mm)400计算宽度b(mm)1000外侧保护层厚度c(mm)25内侧保护层厚度c(mm)25截面配筋(每米)最小配筋率ρmin =0.200%最小配筋面积A smin =800mm 2备注:外墙顶端支座嵌固系数K为外墙顶部的支座刚度系数。
当K=0时,相当于外墙顶端完全铰接;K=1时外墙顶端为完全固接;其余情况相当与外墙顶端支座为转动弹性支座,K的数值相当于外墙顶端弯矩为完全固接时弯矩的比例,如:K=0.8时相当于顶端弯矩为完全固接时的80%,即释放掉完全固接弯矩的20%;K=0.2时相当于顶端弯矩为完全固接时的20%,即释放掉完全固接弯矩的80%。
地下室外墙计算书(纯手算)地下室外墙计算书(纯手算)一:设计要求1.1 墙体高度:5米1.2 墙体长度:20米1.3 墙体厚度:0.5米1.4 墙体材料:砖混结构二:风载荷计算2.1 风压标准值:0.8kN/m²2.2 风压高度变化系数:0.852.3 风荷载计算公式:F = 0.5 × C × P × A其中,F为风荷载,C为风压高度变化系数,P为风压标准值,A为墙体面积三:水压力计算3.1 地下水位高度:2.5米3.2 地下水压力计算公式:P = γ × H × A其中,P为水压力,γ为水的密度,H为水位高度,A为墙体面积四:自重计算4.1 砖的单位体积重量:20kN/m³4.2 混凝土的单位体积重量:25kN/m³4.3 墙体自重计算公式:G = A × [(t1 × γ1) + (t2 × γ2)]其中,G为墙体自重,A为墙体面积,t1、t2分别为砖和混凝土的厚度,γ1、γ2分别为砖和混凝土的单位体积重量附录:计算表格、技术图纸法律名词及注释:1. 风载荷:指风力作用在建筑物表面的力量2. 风压标准值:根据地区气象条件和建筑物高度确定的一定值3. 风压高度变化系数:考虑建筑物风压分布随高度变化的系数4. 水压力:指地下水对建筑物墙体施加的力量5. 砖混结构:指由砖和混凝土组成的建筑结构体系6. 自重:指建筑物结构本身所产生的重力地下室外墙计算书(纯手算)一:设计要求1.1 墙体高度:4米1.2 墙体长度:15米1.3 墙体厚度:0.4米1.4 墙体材料:钢筋混凝土结构二:风载荷计算2.1 风压标准值:1.2kN/m²2.2 风压高度变化系数:0.92.3 风荷载计算公式:F = 0.5 × C × P × A其中,F为风荷载,C为风压高度变化系数,P为风压标准值,A为墙体面积三:水压力计算3.1 地下水位高度:3.5米3.2 地下水压力计算公式:P = γ × H × A其中,P为水压力,γ为水的密度,H为水位高度,A为墙体面积四:自重计算4.1 钢筋混凝土的单位体积重量:24kN/m³4.2 墙体自重计算公式:G = A × t × γ其中,G为墙体自重,A为墙体面积,t为墙体厚度,γ为钢筋混凝土的单位体积重量附录:计算表格、技术图纸法律名词及注释:1. 风载荷:指风力作用在建筑物表面的力量2. 风压标准值:根据地区气象条件和建筑物高度确定的一定值3. 风压高度变化系数:考虑建筑物风压分布随高度变化的系数4. 水压力:指地下水对建筑物墙体施加的力量5. 钢筋混凝土结构:指由钢筋和混凝土组成的建筑结构体系6. 自重:指建筑物结构本身所产生的重力。
挡土墙WQ1挡土墙计算一、墙身配筋计算(一)已知条件:墙身混凝土等级30钢筋设计强度N/mm2360混凝土容重γc=25KN/mm3墙背填土容重γ土=20KN/mm3裂缝限值0.2mm覆土厚H1=5.9m水位距离墙底H3=9.2m墙高H=3.6m地面堆积荷载q0=10KN/m2墙厚h(mm)=350mm保护层(mm)=35mm横载分项系数1.2(二)土压力按主动土压力计算:Ka=0.50q=γ土H1Ka=59.00KN/m2q1=q0Ka+q土1=64.00KN/m2q土2=(γ土×H-γ水×H3)×Ka=18.00KN/m2q水2=γ水H3=92KN/m2q2=q1+q土2+q水2=174.00KN/m2q11=1.2×q1=76.8KN/m2q22=1.2×q2=208.8KN/m2(三)内力计算(基本组合下):M支座=-H2×(8q22+7q11)/120=-238.46KN·MQ墙顶=H×(11q11+4q22)/40=126.00μ=q11/q22=0.37ν=[(9μ2+7μ+4)/20]0.5=0.624191907X=(ν-μ)H/(1-μ)=1.459943734m Xo=H-X= 2.1400563m Mmax=Q墙顶X-q11X2/2+(q22-q11)X3/6H=83.08937KN·M(四)配筋计算混凝土抗压强度fcd=14.3N/mm2ho=305mm钢筋设计强度fy=360N/mm2计算宽度b=1000mmM支座 =f cd bx(h0-x/2)238464000.00 =14300x(305-x/2)x =60.719 m≤ξb h0 =0.53×305.00 =161.7mm 解得A s = M支座/(ho-x/2)/f y =2480mm2Mmax =f cd bx(h0-x/2)83000000.00 =14300x(305-x/2)x =19.664 mm≤ξb h0 =0.53×305.00 =161.7mm 解得跨中A s = Mmax/(ho-x/2)/f y =803mm2(五)裂缝计算钢筋直径d=18mm钢筋间距75mm每延米实配钢筋A s=3392.92mm2标准组合下Mk支座=-H2×(8q2+7q1)/120=-198.72KN·Mσsk=Mk支座/(0.87hoAs)=220.7236N/mm2αcr=2.1ρte=0.019388115ftk=2.01ψ=0.794701285< 1 且>0.2所以ψ取0.794701285Es=200000c=35deq=18裂缝宽度W fk=0.259274198mm裂缝不满足要求。
钢筋混凝土地下室挡土墙计算一、土体参数的确定在进行地下室挡土墙的计算之前,首先需要确定土体参数。
常用的土体参数有土壤的重度γ,摩擦角ψ,内摩擦角φ,黏聚力c等。
通过室内室外的土样试验,可以得到土体参数的取值。
二、土压力的计算计算挡土墙所承受的土压力是计算地下室挡土墙的重要步骤。
1.被动土压力的计算被动土压力是指土体对挡土墙表面施加的垂直力。
根据库埃特方程,可以计算出被动土压力。
具体公式为:P=0.5×K×γ×H²其中,P为被动土压力,K为土压力系数,γ为土体的重度,H为土体的高度。
2.主动土压力的计算主动土压力是指土体对挡土墙的背面施加的水平力。
根据瑞吉曼公式,可以计算出主动土压力。
具体公式为:Pa=0.5×Ka×γ×H²其中,Pa为主动土压力,Ka为土压力系数,γ为土体的重度,H为土体的高度。
三、结构参数的确定1.墙体厚度的确定挡土墙的墙体厚度应按照抗弯强度设计。
通常情况下,墙体厚度约为1/15到1/25倍的挡土墙高度。
2.钢筋设计为了增加挡土墙的强度和刚度,通常在挡土墙中设置钢筋。
钢筋的布置应符合相关的规范要求。
四、荷载条件的确定1.挡土墙的自重自重是指挡土墙本身的重量,在计算中需要考虑自重的影响。
2.土压力荷载土压力是指土体对挡土墙施加的荷载,在计算中需要考虑土压力的影响。
3.地震荷载考虑到地震会对挡土墙产生影响,需要根据相关的规范对地震荷载进行计算和考虑。
五、计算方法根据以上所述的参数,可以利用力学原理对挡土墙进行计算。
常用的计算方法有等效水平力法、弹性地基法、极限平衡法等。
六、施工要求1.墙体的质量和强度应满足设计要求。
2.挡土墙的基础应符合规范要求,以保证整个结构的稳定性。
3.施工中要注意墙体与地基之间的连接,以增加整体的稳定性。
4.在挡土墙的施工过程中要注意防水的要求,以确保地下室的使用功能。
总结:钢筋混凝土地下室挡土墙的计算涉及到土体参数的确定、土压力的计算、结构参数的确定、荷载条件的确定以及施工要求等方面。
地下室建筑面积计算公式表
地下室建筑面积是指地下室平面布置面积所占用的总建筑面积,通常用于规划
和设计建筑项目。
地下室建筑面积的计算对于确定建筑物的总面积以及对土地的利用具有重要意义。
下面为您介绍地下室建筑面积的计算公式表。
1. 室内地下室建筑面积计算公式
地下室室内建筑面积可通过以下公式计算:
室内建筑面积 = (地下室层高 * 地下室面积)- (墙体厚度 * 周长)
其中,地下室层高为地下室层的高度,地下室面积为地下室平面布置面积,墙
体厚度为地下室墙壁的厚度,周长为地下室房间的周长。
2. 地下室总建筑面积计算公式
地下室总建筑面积包括室内建筑面积、周边基础面积和外墙面积,可通过以下
公式计算:
总建筑面积 = 室内建筑面积 + (2 * 周边基础面积) + (外墙面积 * 地下室层数)
其中,周边基础面积为地下室周围基础的面积,外墙面积为地下室外侧墙面积,地下室层数为地下室的层数。
3. 应用范例
假设地下室的层高为3米,地下室面积为100平方米,墙体厚度为0.3米,周
长为40米,周边基础面积为50平方米,外墙面积为120平方米,地下室为单层,则可以按照上述公式计算地下室的总建筑面积。
室内建筑面积 = (3 * 100) - (0.3 * 40) = 290平方米
总建筑面积 = 290 + (2 * 50) + (120 * 1) = 550平方米
结语
通过以上地下室建筑面积的计算公式表,可以更加准确地确定地下室建筑面积,为规划和设计建筑项目提供参考。
希望这些公式能对您有所帮助。
地下室外墙计算首先,确定受力形式是地下室外墙计算的基本前提。
一般来说,地下室外墙承受的主要受力形式有以下几种:土压力、地下水压力、均布荷载、垂直拉力和剪切力等。
在计算中,需要确定这些受力形式的大小和方向。
其次,计算受力大小是地下室外墙计算的核心内容。
计算受力大小的方法有很多种,常用的方法包括静力计算和有限元分析。
静力计算是一种基于受力平衡的简化计算方法,可以通过假定土体的力学性质进行计算。
有限元分析是一种基于数值计算的较为精确的方法,可以考虑土体的非线性和非均质性等因素。
最后,确定合适的加固措施是地下室外墙计算的关键环节。
根据计算结果,可以确定需要采取的加固措施,如设置加固带、使用加固材料、加固土体等。
加固措施的选择应该根据实际情况和经济性进行综合考虑。
下面以一个实例进行地下室外墙计算的详细介绍。
假设一个地下室外墙的尺寸为10m×5m×3m,墙体材料为混凝土,地下室外墙所在的土层为黏土层,土体的强度参数如下:黏土的内摩擦角为30°,粘聚力为20kPa,土体的重度为20kN/m³。
首先,确定受力形式。
根据地下室外墙的位置和土体性质,可以确定地下室外墙承受的主要受力形式为土压力和地下水压力。
其次,计算受力大小。
根据土压力的计算公式,可以计算出地下室外墙所承受的土压力大小。
假设土的重度为20kN/m³,墙体高度为3m,则地下室外墙所承受的土压力为20kN/m³×3m=60kN/m。
根据地下水压力的计算公式,可以计算出地下室外墙所承受的地下水压力大小。
假设地下水压力为10kPa,则地下室外墙所承受的地下水压力为10kPa×10m×5m=500kN。
最后,确定合适的加固措施。
根据计算结果,确定需要采取的加固措施。
可以采取的加固措施包括设置加固带、使用加固材料、加固土体等。
具体的加固措施应该根据实际情况和经济性进行综合考虑。
地下室外墙的计算在建筑工程中,地下室外墙的设计和计算是一个至关重要的环节。
它不仅要承受来自土壤、地下水等外部环境的压力,还要保证建筑物的整体稳定性和安全性。
下面,我们就来详细探讨一下地下室外墙的计算方法和相关要点。
首先,我们需要明确地下室外墙所承受的荷载。
一般来说,主要包括土压力、水压力、地面超载以及地下室内部的使用荷载等。
土压力是其中最为重要的荷载之一,它的大小和分布受到土壤类型、地下水位、墙的位移模式等多种因素的影响。
在计算土压力时,常用的理论有朗肯土压力理论和库仑土压力理论。
朗肯土压力理论基于土的极限平衡条件,计算较为简单,但对于墙背倾斜、粗糙等情况适用性有限;库仑土压力理论则考虑了墙背与填土之间的摩擦作用,适用范围更广,但计算相对复杂。
实际工程中,需要根据具体情况选择合适的土压力计算理论。
水压力的计算也不容忽视。
如果地下水位较高,水压力会对地下室外墙产生较大的作用。
通常情况下,水压力可以按照静水压力进行计算,即与地下水位的高度成正比。
但在一些特殊情况下,如存在渗流等,还需要考虑动水压力的影响。
地面超载是指地面上的车辆、人群等对地下室顶板产生的荷载,通过顶板传递到地下室外墙上。
这部分荷载的大小和分布需要根据实际情况进行合理的估计。
除了上述外部荷载,地下室内的使用荷载,如货架、设备等,也会对地下室外墙产生一定的作用。
在计算时,需要将这些荷载与外部荷载进行组合,以确定最不利的受力情况。
在确定了荷载之后,接下来就是对地下室外墙进行内力分析。
常见的计算模型有单向板和双向板两种。
对于长度较大的地下室外墙,可以简化为单向板进行计算,只考虑垂直于墙长方向的弯矩和剪力;而对于长宽比较小的情况,则需要按照双向板进行计算,同时考虑两个方向的内力。
在计算弯矩时,需要根据墙的支承条件和荷载分布情况选择合适的计算方法。
如果墙的上下端均为固定支承,可以采用连续梁的计算方法;如果一端固定、一端简支,则需要采用相应的简支梁或悬臂梁的计算方法。
地下室外墙计算原理及方法地下室外墙的力学计算原理主要包括受力分析和变形分析两个方面。
受力分析是指通过分析外墙受到的各种力,包括水压力、土压力、荷载力等,判断外墙的受力情况和受力强度。
变形分析是指通过分析外墙的变形情况,包括水平变形和竖向变形等,判断外墙的稳定性和变形控制。
地下室外墙的力学计算方法主要包括静力计算和动力计算两种方法。
静力计算是指通过受力分析和变形分析,采用弹性力学和塑性力学的理论和方法,计算地下室外墙的受力和变形。
动力计算是指通过频率分析和地震响应分析,采用结构地震学的理论和方法,计算地下室外墙在地震作用下的响应和稳定性。
地下室外墙的抗震计算方法主要包括静力方法和动力方法两种方法。
静力方法是指通过受力分析和变形分析,采用地震工程力学的理论和方法,计算地下室外墙在静力地震作用下的强度和稳定性。
动力方法是指通过模态分析和时程分析,采用结构动力学的理论和方法,计算地下室外墙在动力地震作用下的响应和稳定性。
在地下室外墙的计算过程中,需要考虑以下几个方面。
首先是地下室外墙的材料和结构,包括墙体的厚度、强度等。
其次是地下室外墙的受力情况,包括各种力的大小和方向,以及受力点的位置。
然后是地下室外墙的变形情况,包括水平变形和竖向变形。
最后是地下室外墙的抗震性能,包括地震作用下的响应和稳定性。
在计算地下室外墙时,需要使用一些工程软件和工具,包括CAD绘图软件、结构分析软件、地震响应分析软件等。
同时,还需要参考相关的国家标准和规范,比如《建筑抗震设计规范》、《地下工程设计规范》等。
总之,地下室外墙的计算原理和方法是力学计算原理、力学计算方法和抗震计算方法。
在计算过程中需要考虑材料和结构、受力情况、变形情况和抗震性能等方面。
同时还需要使用工程软件和工具,并参考相关的标准和规范。
地下室外墙的计算是确保地下室稳定和安全的重要工作,需要严谨和专业的处理。
地下室外墙计算(绝对经典)地下室外墙计算1.引言地下室外墙计算是在建造设计与施工中至关重要的一部份,它涉及到地下室的结构稳定性和保温性能。
本文将通过细致的章节分解和详细的内容描述,为您提供一份最新最全的地下室外墙计算模板。
2.设计要求在地下室外墙的计算中,需要考虑以下设计要求:2.1 承载力要求:地下室外墙需要能够承受地下水压力和地下室内外的差异温度引起的应力。
2.2 抗渗透性要求:地下室外墙需要具备良好的抗渗透性能,以防止地下水渗入地下室内部。
2.3 保温隔热要求:地下室外墙需要提供良好的保温隔热效果,以减少能量损失和提高室内舒适度。
3.设计步骤在进行地下室外墙计算时,需要按照以下步骤进行:3.1 地下水压力计算:根据地下水位和土壤力学参数,计算出地下室外墙所承受的地下水压力。
3.2 墙体受力分析:根据地下水压力和墙体结构进行受力分析,确定墙体的受力状态。
3.3 墙体尺寸设计:根据墙体受力分析结果,设计出合适的墙体尺寸,包括墙体厚度、高度等。
3.4 材料选型:根据设计要求和墙体受力分析结果,选择适合的材料,包括墙体材料和保温材料。
3.5 施工方案设计:根据地下室外墙的具体情况,设计出合理的施工方案,包括施工顺序、施工工艺等。
4.附件本涉及的附件如下:附件一:地下室外墙施工图纸附件二:地下室外墙结构计算表格附件三:地下室外墙施工工艺说明书5.法律名词及注释本涉及的法律名词及其注释如下:5.1 土建工程设计规范:国家出版的建造设计规范,包括土建工程的设计要求和技术规范。
5.2 地下室设计规范:国家出版的地下室设计规范,包括地下室结构设计和施工要求等。
5.3 施工工艺规范:国家发布的建造施工工艺规范,包括施工流程、安全要求等。
6.结语通过本,我们详细介绍了地下室外墙计算的设计要求、步骤和附件内容。
相信这份将对您在地下室外墙计算中提供。
如果还有任何问题或者需要进一步解释,请随时连系我们。
1.室外地面活荷载:一般可取10kN/m2,荷载较小时也可取5.0kN/m22.土侧压力系数:(1)一般可取静止土压力系数0.5;(2)地下室施工采用护坡桩时可取0.33.3.覆土重度:一般取184.砼强度:宜取C30,有利于控制裂缝。
5.外侧保护层:《全国民用建筑人防技术措施》3.6.2 注4上规定保护层厚度:“地下室外墙迎水面有外防水层取30”;《防水规范》规定取50是直接取用前苏联的规定,不适用于一般的地下室结构。
6.裂缝限值:有外防水时取0.3mm,无外防水时取0.2mm7.调幅系数:不宜调幅太大,最多0.9,建议0.95。
8.考虑室内填土的有利作用:当基础埋深低于室内地坪较深时(>2m时),可考虑室内填土的有利作用,此时,应要求回填时先回填室内后回填室外(此项作用不大)。
9.配筋:地下室外墙为控制收缩及温度裂缝,水平筋间距不应大于150,配筋率宜取0.4%~0.5%(内外两侧均计入),有扶壁柱处应另增设直径8mm短钢筋,长度为柱宽加两侧各 800mm,间距150mm(在原有水平分布筋之间加此短筋)10.其他:(1)无上部结构柱相连的地下室外墙,支撑顶板梁处不宜设扶壁柱,扶壁柱使得此处墙为变截面,易产生收缩裂缝,不设扶壁柱顶板梁在墙上按铰接考虑,此处墙无需设暗柱。
(2)地下室内外墙除了上部为框剪结构或外框架-内核心筒结构的剪力墙延伸者外,在楼层不需要设置暗梁,所有剪力墙在基础底板处均不需要设置暗梁。
(3)单层或多层地下室外墙,均可按单向板或连续单向板计算,最上层地下室楼层板处按铰支座,基础底板处按固端(4)窗井外侧墙顶部敞开无顶板相连,其计算简图可根据窗井深度按三边连续一边自由,或水平多跨连续板计算,如按多跨连续板计算时,因为荷载上下差别大,可上下分段计算弯矩确定配筋。
(5)实际工程的地下室外墙截面设计中,竖向荷载及风荷载或地震作用产生的内力一般不起控制作用,通常不考虑竖向荷载组合的压弯作用,仅按墙板弯曲计算墙的配筋。
关于地下室外墙应如何计算1计算方法1.1计算简图(1)根据墙板长边与短边支承长度的比例关系,地下室外墙(挡土墙)、窗井外墙按双向板或单向板计算.(2)对单层或多层地下室外墙,当基础底板厚度不小于墙厚时,可按底边固结于基础、顶边铰接于地下室顶板的单跨或连续板计算;当基础底板厚度小于墙厚时,底边可按铰接计算或按弯矩平衡计算.不论采用何种计算简图,均应采用适宜的构造做法.窗井外墙顶边按自由计算.墙板两侧根据实际情况按固结或铰接考虑.(3)墙板的支承条件应符合实际受力状态,作为墙板支座的基础和内墙(或扶壁柱),其内力和变形应满足设计要求.1.2计算荷载地下室外墙承受竖向荷载和水平荷载.竖向荷载包括地下室外墙自重、上部建筑(结构构件和围护构件)竖向荷载、地下室各层楼板传递的竖向荷载.水平荷载包括土压力(地下水位以下为土水混合压力)、地下水压力、室外地面活荷载引起的侧压力、人防外墙等效静荷载.2计算中需注意的问题(1)《全国民用建筑工程设计技术措施/结构/地基与基础》(2009年版)第5.8.11条和《北京市建筑设计技术细则-结构专业》(2005版)第2.1.6条对室外地面活荷载,均建议取5kN/m2(包括可能停放消防车的室外地面).该规定对于有上部结构的地下室外墙是适用的,且当考虑消防车时消防车重不超过30吨.其出发点是行车道距离建筑物外墙是有一定距离的,即一般情况下汽车不可能紧贴上部建筑外墙行驶(《城市居住区规划设计规范》、《建筑设计防火规范》等对室外行车道距离建筑物外墙的距离有明确规定),消防车更不可能紧贴上部建筑外墙进行消防扑救(因消防云梯车在工作时受云梯高度和仰角的制约必须与建筑物外墙保持一定距离).对于没有上部结构的地下车库外墙,或处于上部结构范围之外的地下室外墙,以及消防车重超过30吨的,若笼统地按5kN/m2计算就可能因地面荷载取值偏小而引起结构安全问题.这时候应当根据车道与地下室外墙的位置关系、地下室顶板覆盖层厚度及其应力扩散角、车辆轮压分布按实际情况计算.(2)《全国民用建筑工程设计技术措施/结构/地基与基础》(2009年版)第5.8.5条计算水压力时,当勘察报告提供了地下室外墙水压力分布时,按勘察报告计算;当勘察报告未提供时,可取历史最高水位和近3~5年的最高水位的平均值(水位高度包括上层滞水),水压力按静止压力直线分布计算.《北京市建筑设计技术细则-结构专业》(2005版)第3.1.8条则相对更为简化,要求验算地下室外墙承载力时,水位高度可按最近3~5年的最高水位(水位高度包括上层滞水).当勘察报告缺少对地下水变化规律的描述,或勘察报告依据的场地标高与设计目标的差别可能影响设计结果时,应请勘察单位补充说明.如果勘察报告提供了抗浮设计水位,在计算地下室外墙承载力时应按抗浮设计水位计算.(3)计算地下室外墙土压力时,对采用大开挖方式施工的地下室,当没有护坡桩或连续墙支护时,地下室外墙土压力取静止土压力.《建筑地基基础设计规范GB50007-2011》第9.3.2条的条文说明指出,静止土压力系数宜通过试验测定,当无试验条件时,对正常固结土,静止土压力系数可按表24估算.静止土压力系数K=1-sinφ(φ为土的内摩擦角).当基坑支护采用护坡桩或连续墙时,除考虑支护结构和地下室外墙共同作用的情况外,地下室外墙土压力按静止土压力系数K乘以折减系数0.66计算(《全国民用建筑工程设计技术措施/结构/地基与基础》(2009年版)第5.8.11条,《北京市建筑设计技术细则-结构专业》(2005版)第2.1.16条).例如,北京地区静止土压力系数K一般取0.5,乘以折减系数0.66后即为0.33.(4)计算地下水位以下土对地下室外墙的侧压力时,土的重度应取有效重度:有效重度=饱和重度-水重度(水的重度取10kN/m3).注意,不能用天然重度减去水重度来计算有效重度,这是错误的概念.当勘查报告只提供了土的天然重度而没有提供饱和重度时,可根据报告提供的土粒比重(土粒相对密度)和孔隙比求出饱和重度,即:饱和重度=[(土粒比重-1)/(1+孔隙比)]×水重度,或根据勘察报告提供的其他参数计算有效重度,必要时应请勘察单位补充.有效重度一般在8~13kN/m3,北京地区一般第四纪土的有效重度可取11kN/m3.(5)《全国民用建筑工程设计技术措施/结构/地基与基础》(2009年版)第5.8.11条提出,配筋计算时,地下室外墙的侧向压力分项系数取1.3.这是指在完成荷载组合之后,对其荷载效应乘以该分项系数,适用于仅考虑水平荷载的情况.从受力状态上讲,地下室外墙属于压弯构件,同时存在水平荷载和竖向荷载.一般情况下,地下室外墙计算时可以忽略竖向荷载作用,是因为竖向荷载引起的效应在荷载效应组合中所占比例很低,对配筋结果的影响很小.但是对于地下室外墙上部有较大荷载的情况,例如地下室外墙与上部结构剪力墙相连的情况,当竖向荷载较大已经不可忽略时,仍应按恒、活荷载效应的比例确定具体分项系数,按压弯构件计算,并与按纯弯计算的结果比较,选较大值作为配筋设计的依据.(6)计算地下室外墙配筋时,如果考虑地下室外墙扶壁柱的支承作用,就必须考虑按外墙传递的荷载计算扶壁柱的内力和变形.当扶壁柱与上部结构框架柱相连时,扶壁柱的内力要考虑上部结构的整体作用.当上部结构的柱距较大时,可在地下室外墙加设扶壁柱,用以减小墙板的跨度,进而减小扶壁柱承担的水平荷载.当扶壁柱承担较大的上部结构传递的竖向荷载时,应按压弯构件计算.当扶壁柱承担的竖向荷载较小时,例如仅地下室设置的扶壁柱,可按底端固结、顶端连续的竖向单跨梁(或连续梁)计算.(7)对剪力墙结构的地下室挡土墙,应尽可能利用垂直于外墙方向的剪力墙作为外墙板的支座,按双向板计算配筋.对框架结构的地下室挡土墙,按竖向单向板计算配筋较为稳妥.挡土墙配筋可以采用通长钢筋+附加短筋(竖向、水平或两者兼有)的方式,而不必一律通长,可以节约钢材.对平面长度较大的窗井墙,可在其中部设置内隔墙作为窗井墙的支座,根据窗间墙长度确定工字形截面,按底部嵌固于基础、顶部铰接于地下室顶板的竖向梁计算其承载力和变形.图2设有内隔墙的窗井墙(8)根据一般民用建筑工程混凝土结构所处的环境类别,外墙外侧钢筋的混凝土保护层厚度取30mm已经足够,如无特殊需要,不必加厚.对《地下工程防水技术规范》(GB50108-2008)第4.1.7条的规定应慎重对待.设有防水层的人防外墙,混凝土保护层厚度取30mm.(2009年版全国民用建筑工程设计技术措施-防空地下室)(9)地下室外墙的厚度,当有防水要求时不小于250mm,具体厚度应根据计算确定.当为多层地下室时,其外墙可根据侧向压力、层高的大小,自下而上逐层减小墙厚,以节约混凝土和钢材.如果层高较大且室内有回填土及刚性地坪时,可以利用刚性地坪减小外墙的计算高度.此时,应要求施工时先回填室内,后回填室外,回填土的压实系数不应小于0.94.当有条件时,可在外墙根部设置加腋或地梁,用以减小外墙的计算高度.加腋或地梁的刚度应能约束外墙使之符合计算简图.当地下室外墙计算时确定底部为固结支座(即外墙固结于基础),侧壁底部与相连的基础底板应满足弯矩平衡条件,底板的抗弯能力不应小于侧壁.尤其对窗井外墙、地下车道外墙敞口段,车道侧壁等悬臂构件,要特别注意底板的抗弯能力不应小于侧壁底部.同时,对于地下室顶板开洞部位(如楼梯间、地下车道),地下室外墙顶部没有楼板支撑,应注意计算模型的支座条件和配筋构造要与实际情况相符.(10)由于一般地下室外墙所受弯矩是底部最大,因此一般竖向钢筋置于外层,水平钢筋置于内层,使挡土墙在承受水平荷载时有效高度最大,抗弯能力最高.《混凝土结构施工图平面整体表示方法制图规则和构造详图(现浇钢筋混凝土框架、剪力墙、梁、板)16G101-1》规定地下室外墙的水平筋在内层,但当设计有不同要求时,应按设计要求施工.需要注意的是,当大多数墙板的两侧弯矩相较于底端为大时,就应改变竖向钢筋和水平钢筋的内外位置,保障最大的有效高度.(11)地下室外墙的混凝土强度等级应尽量采用较低等级,以不超过C30为宜.因为混凝土强度等级越高,水泥用量越大,就越容易产生收缩裂缝.当地下室外墙(或扶壁柱)与上部结构剪力墙(或框架柱)相连时,若上部结构剪力墙(或框架柱)的混凝土强度等级高于地下室外墙的混凝土强度等级,应通过计算确定地下室外墙的混凝土强度等级,此时,不应简单地将地下室外墙的混凝土强度等级取与上部结构相同.混凝土强度等级的确定,尚应符合规范规定的环境类别.当地下室有防水要求时,根据相关规范,地下室外墙的抗渗等级应由最大水头与墙厚之比确定,且不应低于P6.3结论地下室外墙(挡土墙)既承担竖向荷载,亦承担水平荷载,经济、合理地设计地下室外墙,对结构安全、投资优化都会产生积极的影响.本文简单地讨论了地下室外墙(挡土墙)计算的相关问题,期待各位同行批评指正.。
地下室设计说明一、设计依据1.1现行国家有关设计规范1.2设计合同。
二、工程概况2.1功能布局:平时作为地下汽车库,战时作为人员掩蔽部。
2.2主体结构合理使用年限:50年三、地下室:(一)荷载(标准值):1、顶板恒载按实际板厚和覆土厚度取值2、顶板活载按规范相关规定取值3、人防荷载部分:(以下取值未特别说明均根据GB50038-2005《人民防空地下室设计规范》,6级人防)由表4.8.2,顶板等效静荷载标准值顶板覆土h≤0.5m时qe1=60kN/m2,顶板覆土0.5<h≤1.0m时qe1=70kN/m2,顶板覆土1.0<h≤1.5m时qe1=75kN/m2,由4.8.15条,有桩基钢筋混凝土底板等效静荷载标准值qe3=25kN/m2由4.8.3条,钢筋混凝土外墙等效静荷载标准值qe2=55kN/m2六级人防单元与六级人防单元之间隔墙、门框墙的水平等效静荷载标准值,由表4.8.9-1,qe=50kN/m2。
(5)人防出入口临空墙(直通、单向)的水平等效静荷载标准值,由表4.8.8,qe=160kN/m2。
人防出入口临空墙(楼梯、电梯、竖井)的水平等效静荷载标准值,由表4.8.8,qe=130kN/m2。
(6)人防口部门框墙的水平等效静荷载标准值qe=240kN/m2,计算:1、地下室顶板梁柱计算:平面输入:采用SATWE计算程序电算,地下室顶板为第一标准层,不计地震及风荷载作用力。
用satwe人防计算,这样可以同时计算顶板常规配筋和人防配筋,自动取大值。
计算结果:梁柱配筋简图2、地下室顶板板筋计算:平面输入:采用PMCAD计算程序电算,地下室顶板为第一标准层。
混凝土强度等级:柱、墙C35,梁、板C35人防计算有关事项:(根据GB50038-2005《人民防空地下室设计规范》)(2)采用SATWE计算程序电算,地下室顶板为第一标准层,不计地震及风荷载作用力。
用satwe人防计算,这样可以同时计算顶板梁常规配筋和人防配筋,自动取大值。
(3)计算结果:板配筋简图3、地下室底板计算:(反向计算、构件计算)平面输入:用SATWE计算,仅输地下一层底板平面,以地下一层所有的钢筋混凝土墙及柱为竖向构件,以梁为水平构件。
荷载输入:恒载:自重对结构有利,分项系数应取1.0,水压力分项系数1.35活载:0(3)计算结果:板配筋简图(根据底板弯矩进行底板抗裂验算)4、地下室整体抗浮托验算:(漂浮验算)上部为高层的区域,结构自重大于水浮力。
对于裙楼和单层地下室部分结构自重小于水浮力的部分,详见抗浮验算计算书。
5、地下室外墙计算抗渗等级:抗渗等级S8。
墙Q1室外地坪0.26,地下水位为-3.500m。
地下室顶板面标高-1.400,底板面标高-6。
墙厚300mm。
1、平时工况外地面活载:10KN/m2q 0=0.5x10=5.0KN/m2水土压力q1=0.5×18×1.66=14.9KN/m2q2=0.5×18×3.76=33.8KN/m2q3=0.5×18×3.76+0.5×(18-10) ×2.5+10×2.5=78.8KN/m2砼:C35,f c=16.7N/mm2f y=360 N/mm2荷载组合:1.35水土压力+0.7×1.4室外活载MA=-165.4KN.m As=1994mm2选用 20@90(As=3491mm2)MAk=-125.9KN.m ωmax=0.184mmM0=76.5KN.m As=903mm2选用 14@90(As=1710mm2)M0k=58.6KN.m ωmax=0.080mm墙Q2室外地坪0.26,地下水位为-3.500m。
地下室顶板面标高-0.150,底板面标高-6。
墙厚300mm。
1、平时工况外地面活载:10KN/m2q 0=0.5x10=5.0KN/m2水土压力q1=0.5×18×0.41=3.69KN/m2q2=0.5×18×3.76=33.8KN/m2q3=0.5×18×3.76+0.5×(18-10) ×2.5+10×2.5=78.8KN/m2砼:C35,f c=16.7N/mm2f y=360 N/mm2荷载组合:1.35水土压力+0.7×1.4室外活载MA=-227.0KN.m As=2804mm2选用 22@80(As=4751mm2)MAk=-173.7KN.m ωmax=0.186mmM0=99.7KN.m As=1150mm2选用 14@80(As=1923mm2)M0k=76.9KN.m ωmax=0.129mm墙Q3室外地坪0.000,地下水位为-3.500m。
地下室顶板面标高-1.800,底板面标高-6。
墙厚300mm。
1、平时工况外地面活载:10KN/m2q 0=0.5x10=5.0KN/m2水土压力q1=0.5×18×1.8=16.2KN/m2q2=0.5×18×3.50=31.5KN/m2q3=0.5×18×3.50+0.5×(18-10) ×2.5+10×2.5=66.5KN/m2砼:C35,f c=16.7N/mm2f y=360 N/mm2荷载组合:1.35水土压力+0.7×1.4室外活载MA=-129.9KN.m As=1555mm2选用 18@100(As=2545mm2)MAk=-99.0KN.m ωmax=0.196mmM0=62.4KN.m As=754mm2选用 12@100(As=1131mm2)M0k=47.8KN.m ωmax=0.114mm墙Q4 ,Q5室外地坪0.000,地下水位为-3.500m。
地下室顶板面标高-0.700,底板面标高-6。
墙厚300mm。
1、平时工况外地面活载:10KN/m2q 0=0.5x10=5.0KN/m2水土压力q1=0.5×18×0.7=6.3KN/m2q2=0.5×18×3.50=31.5KN/m2q3=0.5×18×3.50+0.5×(18-10) ×2.5+10×2.5=66.5KN/m2砼:C35,f c=16.7N/mm2f y=360 N/mm2荷载组合:1.35水土压力+0.7×1.4室外活载MA=-179.9KN.m As=2179mm2选用 22@100(As=3801mm2)MAk=-137.8KN.m ωmax=0.185mmM0=82.3KN.m As=963mm2选用 14@100(As=1539mm2)M0k=63.4KN.m ωmax=0.109mm墙Q6室外地坪-0.300,地下水位为-3.500m。
地下室顶板面标高-0.800,底板面标高-6。
墙厚300mm。
1、平时工况外地面活载:10KN/m2q 0=0.5x10=5.0KN/m2水土压力q1=0.5×18×0.5=4.5KN/m2q2=0.5×18×3.20=28.8KN/m2q3=0.5×18×3.20+0.5×(18-10) ×2.5+10×2.5=63.8KN/m2砼:C35,f c=16.7N/mm2f y=360 N/mm2荷载组合:1.35水土压力+0.7×1.4室外活载MA=-163.1KN.m As=1965mm2选用 20@90(As=3491mm2)MAk=-125.2KN.m ωmax=0.181mmM0=73.8KN.m As=874mm2选用 12@90(As=1256mm2)M0k=57.1KN.m ωmax=0.145mm墙Q7(车道侧墙)室外地坪0.450,地下水位为-3.500m。
车道顶板面标高-3.250,底板面标高-6。
墙厚300mm。
1、平时工况外地面活载:10KN/m2q 0=0.5x10=5.0KN/m2水土压力q1=0.5×18×3.7=33.3KN/m2q2=0.5×18×3.95+0.5×(18-10) ×2.5+10×2.5=70.5KN/m2砼:C35,f c=16.7N/mm2f y=360 N/mm2荷载组合:1.35水土压力+0.7×1.4室外活载MA=37.1KN.m As=600mm2选用 12@100(As=1131mm2)MAk=24.8KN.m ωmax=0.039mmM0=-136.7KN.m As=1638mm2选用 20@100(As=3142mm2)M0k=-110.2KN.m ωmax=0.175mm墙Q8(车道侧墙)地下水位为-3.500m。
车道顶板面标高-3.250,底板面标高-6。
墙厚300mm。
1、平时工况水土压力q1=0.5×18×0.25=2.25KN/m2q2=0.5×18×0.25+0.5×(18-10) ×2.5+10×2.5=37.3KN/m2砼:C35,f c=16.7N/mm2f y=360 N/mm2荷载组合:1.35水土压力+0.7×1.4室外活载MA=-21.1KN.m As=600mm2选用 12@150(As=754mm2)MAk=-15KN.m ωmax=0.045mmM1=8.9KN.m As=600mm2选用 12@150(As=754mm2)M1k=6.6KN.m ωmax=0.02mm墙Q9(水池壁)按最不利情况计算,墙体高度5.40m。
最高水位4.2米。
墙厚250mm。
水压力q1=10×4.2=42KN/m2砼:C35,f c=16.7N/mm2f y=360 N/mm2荷载组合:1.4水压力MA=-87.7KN.m As=1330mm2选用 16@100(As=2011mm2)MAk=-62.6KN.m ωmax=0.198mmM0=34.7KN.m As=552mm2选用 12@100(As=1131mm2)M0k=24.7KN.m ωmax=0.058m墙Q10(汽车坡道A-A段)室外地坪-0.450,地下水位于车道底板下。
墙厚300mm。
1、平时工况外地面活载:10KN/m2q 0=0.5x10=5.0KN/m2水土压力q1=0.5×18×3.1=27.9KN/m2荷载组合:1.35水土压力+0.7×1.4室外活载MA=-84.3KN.m As=1017mm2选用 14@100(As=1539mm2)MAk=-68.7KN.m ωmax=0.187mm战时工况(六级防护)人防等效静载qe=55KN/m2水土压力q1=0.5×18×3.1=27.9KN/m2砼:C30,f cd=25.05N/mm2f yd=432N/mm2荷载组合:1.2水土压力+1.0等效静载MA=-317.8KN.m As=3124mm2选用 20@100(As=3142mm2)墙RFQ1室外地坪50.3,地下水位为49.8m。