冰箱维修手册
- 格式:docx
- 大小:37.60 KB
- 文档页数:3
1、箱体总成;2、压缩机罩板;3、ST4.2X12自攻螺钉;4、左调平脚;5、接水盘;6、压缩机装配件;7、压缩机固定压板;8、压机减震垫;9、M4X8螺钉;10、电源线;11、压缩机底板;12、脚轮;13、脚轮销;14、底蒸发器压板15、M5x16自攻锁紧螺钉;16、ST3.5X16自攻螺钉;17、冷冻蒸发器;18、电容;19、电动切换阀;20、右调平脚;21、下铰链;22、蒸发器左固定架;23、蒸发器右固定架;24、制冰盒塑料滑道;25;感温头罩;26;ST4.2X16自攻螺钉;27、变温轨道滚轮;28、变温左轨道;29、变温右轨道;30、中铰链31、变温室风道;32、果菜盒;33、变温室风扇34、排水口插杆;35、果菜盒盖组件;36、折叠玻璃搁架座组件;37、玻璃搁架及酒架组件;38、LED灯罩;39、LED灯控制板;40、顶盖装饰板;41、门灯开关;42、冷冻上抽屉(左备用);43、上铰链;44、主控板;45、ST3.5X12自攻螺钉;46、铰链盖;47、主控板盒盖;48、冷藏门端盖盖板;49、ST2.9X10自攻螺钉;50、ST2.9X6自攻螺钉;51、显控板;52、显控板安装架;53、上门上搁架翻盖;54、上门上搁架;55、冷藏发泡门体;56、冷藏门封条组件;57、上门小搁架;58、蛋架;59、上门下搁架;60、门自锁;61、变温发泡门体;62、变温抽屉;63、变温门封条组件;64、冷冻发泡门体;65、冷冻门封条组件;66、制冰格竖搁架;67、冷冻上抽屉(右);68、旋转制冰格组件;69、内门封挡板;70、储冰盒;71、蒸发器下装饰条;72、冷冻中抽屉;73、冷冻下抽屉;74、冷冻竖内门封;75、冷冻横内门封;76、接地线垫圈;二、制冷系统:1.制冷系统原理如下图:图1制冷系统原理图BCD-260TGE冰箱为三门三系统冰箱。
制冷系统部件按制冷剂流向依次为压缩机、左冷凝器、防凝露管、右冷凝器、干燥过滤器、电动切换阀、毛细管、蒸发器、储液器和回气换热器。
目录前言1.电冰箱的原理和结构1.1 制冷系统1.2 电气系统1.3 箱体结构2. 电冰箱主要技术性能及其测定2.1 安全性能2.2 制冷性能2.3 其它性能3. 电冰箱故障检修3.1 电冰箱故障检修方法3.2 电冰箱故障检修程序3.3 电冰箱常见故障检修3.4 R134a系统检修关键注意事项前言本系列冰箱共三种型号:BCD-210,BCD-231和BCD-261,为下冷冻室双温单控双门直冷式冰箱,主要特点和技术参数分列如下:1.主要特点:a.双绿色无氟✧制冷剂: R134α✧发泡剂 :环戊烷b.超节能✧每百升24小时耗电仅0.35度(kW∙h)左右✧节能约50%c.超静音✧静达37分贝,大大低于国家标准✧超静音压缩机✧特设消音器✧高科技防振设计d.超长寿命✧15年品质不变✧高标准零部件,经久耐用✧整体式箱体结构,简洁强劲✧门体整体发泡,结实耐用不变形✧平板喷涂工艺e.超长断电保鲜✧断电后48小时不解冻✧超过国家标准4倍以上f.独特造型✧门体仿生设计,集阴柔阳刚之美,不翘曲,不变形✧整体式箱体折弯工艺✧双向互换门,方便居家放置✧VCM彩板门,外观豪华✧平背式设计,美观平整,防止碰损g.宽电压带✧在电压160~255V~范围正常使用✧方便农村或边远地区2.四个止挡:✧开门止挡✧果菜盒止挡✧冷冻室抽 屉止挡✧高瓶止挡3.八项专利:✧双波浪园弧门专利✧嵌装式蓄冷器专利✧新式温控盒专利✧冷冻室抽屉止挡专利✧新式门封专利✧果菜盒止挡专利✧冰盒托盘专利✧新式冷冻室门胆专利4.主要技术参数:型 号 BCD-210 BCD-231 BCD-261制冷方式 直冷 直冷 直冷气候类型 ST ST ST星级标志 4星(冷冻室) 4星(冷冻室) 4星(冷冻室)总有效容积 210L 231L 261L冷藏室有效容积 131L 131L 161L冷冻室有效容积 79L 100L 100L冷冻能力 6.0kg/24h 6.5kg/24h 6.5kg/24h电源 220V/50Hz 220V/50Hz 220V/50Hz耗电量 0.81kW·h/24h 0.86kW·h/24h 0.89kW·h/24h 噪音 37dB 38dB 38dB输入功率 118W 118W 118W净重 64kg 68kg 72kg宽⋅深⋅高 (mm) 572⋅636⋅1431 572⋅636⋅ 1549 572⋅636⋅ 16851. 电冰箱的原理和结构电冰箱主要由制冷系统、电气系统和箱体等三部分组成。
冰箱维修手册一、保养和清洁1. 定期清理冰箱外壳冰箱外壳可以用湿布擦拭,确保清洁而不会带来太多水分。
特别是在开启或移动冰箱之前,务必先将冰箱外壳彻底干燥。
2. 清理冰箱内部每三个月左右,应将冰箱内部进行清洁。
首先,将所有食物取出,并使用温和的清洁剂和湿布清洁冰箱内壁和抽屉。
注意不要使用酸性或碱性清洁剂,以免损坏冰箱内部表面。
3. 清洁冰箱密封条冰箱密封条的清洁十分重要,因为密封条的损坏会导致冷气流失和能源浪费。
使用温和的清洁剂和湿布,将密封条表面的污垢擦拭干净。
如果密封条已经破损,应及时更换。
4. 定期清理冰箱背面冰箱背面容易积聚灰尘和脏污,影响散热效果。
每隔六个月,使用吸尘器或刷子清理冰箱背面,确保充分通风散热。
二、故障排除1. 冰箱无法开启如果冰箱无法开启,首先检查电源插座是否正常连接。
如果电源连接良好,但冰箱仍然无法开启,则可能是电源线故障或电器损坏。
请及时联系冰箱售后服务中心进行维修。
2. 冰箱无法制冷如果冰箱无法制冷,首先检查冰箱门是否关闭紧密。
如果问题仍未解决,可能是由于制冷系统故障引起的。
请联系冰箱售后服务中心安排专业技术人员进行维修。
3. 冰箱噪音过大如果冰箱发出异常的噪音,可能是由于散热风扇或压缩机故障引起的。
该情况需要尽快联系冰箱售后服务中心,以免导致更严重的问题。
4. 冰箱漏水冰箱漏水可能是由于冰箱内部排水管道堵塞或密封条损坏引起的。
首先检查排水管道是否不畅通,如果是,清理管道即可解决问题。
如果排水管道正常,可能是密封条损坏,需要更换。
5. 冰箱开门困难如果冰箱门难以打开或关闭,可能是由于冰箱门密封条没有正确安装或损坏引起的。
仔细检查密封条是否完好,并确保正确安装。
三、安全注意事项1. 不要将热食物直接放入冰箱热食物会导致冰箱内温度升高,对冰箱和食物的安全有潜在风险。
请将热食物待凉至室温后再放入冰箱。
2. 不要长时间打开冰箱门频繁和长时间地打开冰箱门会导致冷气流失,增加能源消耗。
电冰箱维修手册注意在检查或维修此冰箱前,请仔细读阅该本书的安全防范。
型号:GR-S31NCKE.CMWPLGE警告与安全措施为了安全和正确地使用冰箱和在维修过程中防止食故和危险,请遵守以下安全措施。
1. 小心触电。
在更换PWB零件前,从墙上插座上拔下电源线,并等待三分钟以上。
每次更换和维修电气元件时,请关闭电源。
2. 当连接电源线时,请在电源线从墙上插座上拔下后等待五分钟以上。
3. 请检查冰箱的电源插头是否插入插座内。
如果电源插头损坏,可能会造成火灾或触电。
4. 如果墙上的插座过载,可能会造成火灾。
请使用冰箱专用的电源插座。
5. 请确定插座正确接地,特别是在有水气或潮湿的地方。
6. 更换时使用标准的电气元件。
7. 使用正确的固定方式。
从外壳和连接部位上去除灰尘和杂质。
8. 请勿磨损、损坏、机械加工、严重弯曲、拔出或扭曲电源线。
9. 请检查电气元件内是否有湿气侵入的迹象。
如果确定有湿气侵入,请更换零件或用绝缘胶带掩盖。
10. 请勿用手或工具接触制冰机,以确定齿轮电机运行。
11. 请勿使用户自己维修、拆卸和改造冰箱。
这可能会造成食故、触电或火灾。
12. 请勿在冰箱内存储易燃材料,如乙醚、苯、酒精、化学品、汽油或药品等。
13. 请勿在冰箱的顶部放置花瓶、杯子、化妆品、化学品等,或盛满水的容器。
14. 请勿将盛满水的玻璃瓶放入冷冻室。
瓶中的水会结冰,使玻璃瓶破裂。
15. 当您弃置冰箱时,请先拆下门的衬垫,然后再弃置在儿童无法接触到的地方。
2规格项目规格项目规格尺寸(mm )抽屉冷冻室变温室3只2只搁架冷藏室2只净重(kg)小抽屉1只1只1只1只1只1套1本1张制冷系统直冷旋转制冰盒1只储冰盒温度控制微电脑控制除霜系统复式斜拉保鲜盒保温层环戊烷压缩机P.T.C.启动型蛋格蒸发器丝管型化霜刮板冷凝器线型冷凝器资料袋制冷剂润滑油FREOL @10G (310 cc) 毛细管¢ 0.83 干燥剂分子筛XH-77编号:GR-S31NCKE.CMWPLGE1)使用说明书2)产品合格证20W (1 EA )冷藏室灯冷冻室冷藏室人工除霜自动除霜630(W)X640(D)X1860(H)89R600a (62g)1. 显示器面板2.功能说明2.1.Po 2.2.电子操作2.2.12.2.2wer ON 時以下狀態Reset 可以-冷藏设定温度: 4 ℃-冷冻设定温度: -21 ℃-变温设定温度:4℃-锁定解锁设定:解锁注意:变温室停止工作。
BCD-219D服务手册型号:BCD-219D手册编号(专用号)第一章 产品规格一. 产品特点介绍1.人工智慧,自动调温在人工智慧状态下,该冰箱能够随温度变化自动调节温度参数,无需人为调节,便能达到最佳制冷效果,使您更加省心、省力。
2.温度显示功能能够显示所设定的温度及冰箱内部的温度,使您随时可以了解冰箱的工作状态,及时判断故障现象,用起来更放心。
3.速冻功能运用细胞保活技术,以超强制冷能力,使食品迅速通过最大冰晶生成带,不破坏细胞结构,保持细胞活力,营养成份不散失,保险效果好。
4.透明抽屉透明抽屉结构,国际流行时尚,不用打开抽屉,就知道所储物品,保冷节能。
5.抗菌保健康采用抗菌2号技术,集抗菌、防霉、透明于一体,新鲜又健康。
6.内藏式双系统制冷,整洁美观,大冷冻力7.自动关门特制的开关门止档,让你关门更轻松。
8.飞天外观全新宇航器外观,时尚尊贵。
二.产品的衍生关系和通用性本产品该系列冰箱是从YH系列 冰箱扩展而来,采用电脑温控,外观时尚,冷冻能力大。
三.产品主要技术参数:第二章 安全预防措施一、该冰箱使用交流220V/50Hz电源若电压波动范围较大(超过176~242V的范围),有可能造成冰箱不启动,控制板和压缩机烧坏,或压缩机工作声音异常等故障,此时必须加装750W以上的自动稳压器配合使用。
二、必须使用独立专用插座并进行可靠接地本冰箱的电源线配有三线(接地)插头,与标准三线(接地)插座匹配。
在任何情况下,切勿切除或拆除电源线的第三插脚(接地)。
冰箱安装到位后,插头应可接触,以方便插拔。
警示!电源线插头应保持与插座牢固接触,否则可能导致火灾。
三、不要损坏电源线1、切忌以拉扯电源线的方式拔出冰箱插头,一定要紧紧握住插头,从插座中直接拔出。
2、不要让箱体压住电源线或人为踩踏电源线。
3、将冰箱移离墙壁时,请小心谨慎,切勿滚压或损坏电源线。
四、当电源线损坏时当电源线出现破损或插头出现磨损时,切勿使用。
容声BCD-648WP,616WPMBT冰箱售后维修⼿册⽬录第⼀部分:电⽓接线图第⼆部分:控制功能说明第三部分:制冷系统原理说明及整机性能指标第四部分:爆炸图及明细第五部分:特殊故障维修⽅法第六部分:维修备件明细第⼀部分:电⽓接线图1. 电⽓接线图2. 主控板介绍3、冰箱内部接线图第⼆部分:控制功能说明650系列冰箱显⽰板显⽰图案以及符号定义:1.按键定义三个按键采⽤感应开关。
1.1冷藏调温键: 设置冰箱冷藏室温度,且退出智能、速冷、节能、速冻、假⽇功能。
1.2 冷冻调温键: 设置冰箱冷冻室温度,且退出智能、速冷、节能、速冻、假⽇功能。
1.3 模式键:选择⼯作模式、显⽰实际温度,解锁。
1.4 实测温度显⽰键:解锁状态下,按下模式键5s,可以查看各个间室的实测温度,显⽰持续1min,1min后恢复显⽰设定温度;2、商场模式键:2.1 售场模式进⼊上电10min内,按住按键“冷藏调温”和“冷冻调温”超过45s,后进⼊演⽰模式。
所有加热器以及压缩机、风机等停⽌运⾏,屏幕常亮,⽤户⾯板操作正常,门开关和照明灯控制正常,锁定符号闪烁显⽰。
2.2 售场模式退出2.2.1 、按住按键“冷藏调温”和“模式选择”超过 45s,后退出演⽰模式。
2.2.2 、商场模式掉电退出,进⼊商场模式后12h,⾃动退出,如进⼊商场模式后8h未开冷藏或冷冻或吧台门,⾃动退出。
3. 温度设置3.1.冷藏室温度设置解锁状态下,按下“冷藏调温”键,冷藏温度显⽰区显⽰原设定温度并以1Hz频率闪烁,再每按⼀次“冷藏调温”键,冷藏设定按2→3→4→5→6→7→8→关闭→2循环,5s内⽆按键设置⽣效。
10s内⽆按键,停⽌闪烁。
冷藏室关闭时冷藏温度显⽰区显⽰“OF”,模式设定时跳过速冷模式。
3.2.冷冻室温度设置解锁状态下,按下“冷冻调温”键,冷冻温度显⽰区显⽰原设定温度并以1Hz频率闪烁,再每按⼀次按下“冷冻调温”键,冷冻设定温度加1,从-25℃到-15℃循环,5s内⽆按键设置⽣效, 10s内⽆按键,停⽌闪烁,设置⽣效。
电冰箱故障维修手册第一章:故障检查与排除1.1 电冰箱无法启动电冰箱无法启动可能是由于以下原因造成的:1)电源问题:检查电冰箱是否连接到电源插座,确保电源插座正常工作。
2)电源线损坏:检查电源线是否破损、插头是否松动,若发现问题,请更换电源线。
3)电冰箱控制面板故障:尝试按下控制面板上的启动按钮,若无反应,则可能是控制面板故障,需联系售后服务中心维修。
1.2 电冰箱无法制冷电冰箱无法制冷可能是由于以下原因造成的:1)温度调节问题:确认温度调节按钮是否设置正确的制冷温度,若设置过高或过低可能会导致制冷效果不佳。
2)冷冻室门未关闭好:确保冷冻室门关闭好,否则热空气会进入冷冻室,影响制冷效果。
3)冷冻室过载:如果冷冻室内物品过多,空气流通将受阻,影响制冷效果,建议合理摆放物品,留出空气流通空间。
第二章:常见故障及处理方法2.1 电冰箱漏水如果发现电冰箱漏水,可以按照以下步骤进行排除:1)清理排水阀:定期清理电冰箱的排水阀,防止阻塞造成漏水。
2)检查水箱:水箱是否松动或者因为堵塞导致漏水,将水箱重新固定好或者清理堵塞物。
3)外部环境湿度:如果环境湿度大,电冰箱可能会有一些结露现象,这是正常的,请适当调整湿度。
2.2 电冰箱噪音过大如果电冰箱工作时产生异常噪音,可按照以下方法来排除:1)检查平衡:确认电冰箱是否放置在平稳的地面上,调整冰箱四脚的高度,使之平衡稳定。
2)清洁冷凝器:定期清洁冷凝器和风扇,避免灰尘和污垢积累,导致噪音过大。
3)检查部件:如有必要,检查冷凝器、冷冻室等部件,确保它们安装牢固,不会产生异响。
第三章:预防与维护3.1 定期清洁定期对电冰箱进行清洁,包括内部和外部的清洁。
1)内部清洁:关闭电源,取出冰箱内的食品,用洗碗精和温水擦拭内部表面,然后用清水彻底冲洗干净。
2)外部清洁:用湿布擦拭冰箱外部,注意不要使用酸性或腐蚀性清洁剂,以免损坏表面。
3.2 注意使用环境1)放置位置:电冰箱应放置在通风良好、温度适宜的地方,远离热源和阳光直射,避免过热或过冷环境对冰箱的影响。
超低温冰箱(-86℃)维修手册work Information Technology Company.2020YEAR超低温冰箱(-86℃)维修手册超低温冰箱虽然制冷系统和控制电路都比较复杂,但常见故障主要是循环系统和电路部分故障,下面就几种常见故障进行说明解决。
1.接通电源后,总电源的空气开关自动断开排除方法:检查第一级制冷系统的压缩机是否损坏,若损坏则会造成短路,引起电源保护。
可以更换配件,若没有原厂配件,可经测算更换相当功率的冰箱压缩机,将管道焊接好,经过加压检查完管道气密性后抽真空并加入R-12氟利昂23.00z,再开机检测是否正常。
该故障一般是因为电源不稳定造成的,因为第一级先启动,故损坏通常都在第一级,这种情况下,一般只要加装延时稳压电源,就不会再出现该故障。
2.箱内温度未达到设定温度就已经停止工作排除方法:虽然箱内未达到设定温度,但是面板显示温度却已经达到设定温度。
这是由于检测温度的热敏电阻损坏,需要更换配件。
若没有原厂配件,可重新安装一套温度控制系统,即可消除故障。
3.冰箱制冷效果降低,人触摸箱体金属部分有电击感觉排除方法:用万用表测量冰箱漏电情况,采用分段法检查。
在给高温级压缩机单独通电运行时,检查是否是由于该压缩机漏电引起整个箱体带电。
静态检测压缩机接线柱,注意观察电动机绕组内引线插头部分,若与机壳有打火痕迹,表明该处漏电。
采用把接线柱部分连同周围一部分壳体一起更换的方法,装上机体后通电使其运转,检查有无漏电现象,等压缩机各项指标正常后,装回低温冰箱底座上,连接管道,检漏、抽空、充注适量制冷剂使冰箱恢复正常运行。
超低温冰箱的维护和保养对于延长其寿命和正常使用尤为重要,如果温度控制不准确常常导致所保存对象受损,对实验结果造成很大影响,从而影响研究工作的正常进行。
4.每月清洁一次,以保证其清洁度用干布清除冰箱内外部和配件上的少量尘埃,如果冰箱太脏则使用中性洗涤剂,清洗后再用纯净水彻底冲洗。
冰箱机械维修手册(正文部分)介绍:冰箱作为家庭中经常使用的电器之一,难免会遇到一些机械故障。
为了帮助用户更好地处理常见的冰箱故障,本手册将为您提供一些修理和维护的基本知识和技巧。
请在进行任何维修操作之前确保断开电源。
注意事项:在开始维修冰箱之前,请务必保证您已经断开了电源,以免触电或造成其他安全风险。
如果您对维修过程中的任何步骤不确定,请寻求专业人士的帮助或者联系售后服务。
1. 制冷系统故障排查和处理1.1. 冷凝器清洁:当冷凝器表面积满灰尘或污物时,会导致冰箱散热不良,从而影响制冷效果。
因此,定期清洁冷凝器是保持冰箱正常运行的重要步骤。
1.2. 制冷剂泄漏:如果您发现冰箱制冷效果变差或者完全没有制冷效果,可能是由于制冷剂泄漏导致的。
这种情况下,您需要联系专业人士进行维修和制冷剂的添加。
1.3. 压缩机故障:压缩机是冰箱的核心部件,如果出现故障,会导致冰箱无法正常制冷。
如果您发现冰箱工作时有异常的噪音或者频繁启停现象,可能是压缩机故障导致的,此时请联系售后服务。
2. 电气部件故障排查和处理2.1. 电源线故障:如果您发现冰箱显示屏不亮或无法启动,首先请检查电源线是否连接紧固。
如果电源线正常,可以考虑更换电源插座或联系售后服务进行维修。
2.2. 控制面板故障:当冰箱控制面板显示错误信息或按钮失灵时,可能是由于控制面板故障导致的。
此类问题通常需要联系售后服务进行维修或更换控制面板。
3. 内部部件故障排查和处理3.1. 门密封条更换:门密封条的破损会导致冰箱制冷效果下降,并增加能耗。
如果您发现门密封条受损或老化,请及时更换新的密封条。
3.2. 照明灯更换:当冰箱内部照明灯亮度变暗或不亮时,可能是照明灯损坏导致的。
您可以联系售后服务获取正确的照明灯型号,并按照说明书更换新的照明灯。
结语:在修理冰箱之前,了解一些基本的维修知识和技巧是非常重要的。
然而,对于复杂的故障或需要更换部件的情况,建议您联系专业的冰箱售后服务进行维修。
BCD-356WPT/WPC冰箱维修手册 (变频一体化产品)目 录第一节、 产品简介 (2)第二节、 外观造型及结构特点 (2)第三节、 主要技术参数 (3)第四节、 产品的使用操作说明 (3)第五节、 显示规则 (7)第六节、制冷系统 (7)第七节、控制系统 (10)第八节、冷冻化霜规则 (13)第九节、 主要零部件明细 (14)第十节、 维修指南 (17)第十一节、主要部件拆卸 (19)第一节、 产品简介BCD-356WPT/WPC 是一款多门多温区无霜变频一体化冷藏冷冻箱。
冰箱上部为对开门式冷藏室;下部两间室为抽屉式冷冻室。
造型时尚、外观豪华、功能强大。
该产品采用了双变频精确控温技术、多风道风门控制技术、节能技术、具有LED显示和设置冷藏室、冷冻室温度,触摸式操作等多种功能。
下面着重介绍几个关键技术。
1.无氟冰箱:此款冰箱使用了不含氟利昂的制冷剂和发泡隔热材料,不会破坏臭氧层,对地球温室化产生的影响非常小,是一款环保型冰箱。
2.时尚造型;冰箱多门设计,豪华大方,开启方便、外观优雅、新颖,最优化人机工程设计。
3.独立控制:冷藏室可单独关闭,为您节约能源。
4.两截式组合搁架:创新两截式组合搁架,既可分开单独使用,也可伸缩、组合使用,满足多变空间需求。
5.更多人性化设计:该系列冰箱采用宽电压带设计,具有自动稳定控温、断电记忆、开机延时、速冻、自动化霜等功能。
6、该产品是双精确变频,集精确变频、降噪、节能、精确控温等技术于一身,性能更加优越;且冰箱能根据环境温度及设定温度的需求,自动调节变频压缩机的工作效率,使冰箱运行一直处于最优状态。
7、冰箱可根据实际使用频次、结霜的快慢进行智能化霜。
化霜前自动判断冰箱内的温度,并进行预制冷,使化霜前后箱内温度没有较大幅度的改变,利于食品的保鲜。
第二节、 外观造型及结构特点一、外观图【BCD-356WPC】【BCD-356WPT】【内部结构图】第三节、 主要技术参数第四节、 产品的使用操作说明 一、显示操作面板示意图【BCD-356WPT】【BCD-356WPC(有LECO功能】【显示操作界面布局】二、按键操作说明“温区”键1)该键为各温区温度设定选择键,按键每响应一次,显示温区变化一次,数码区显示相应温的设定温度。
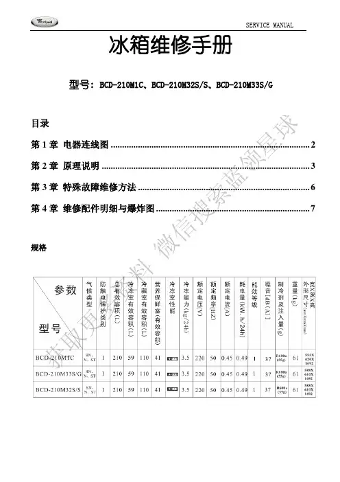
冰箱维修手册型号: BCD-210M1C、BCD-210M32S/S、BCD-210M33S/G目录第1章 电器连线图........................................................................................ 2第2章 原理说明 ............................................................................................ 3第3章 特殊故障维修方法............................................................................ 6第4章 维修配件明细与爆炸图 (7)规格获取更多资料微信搜索蓝领星球第1章电器连线图球星领蓝索搜信微料资多更取获第2章 原理说明1、制冷系统原理说明该系列冰箱制冷系统都是先冻后藏,为单循环直冷系统:压缩机排出的高温高压气态R600a 制冷剂先后进入左冷凝器、右冷凝器,冷凝后变为中温高压的R600a 气液混合制冷剂,由干燥过滤器滤去水分和杂质后进入毛细管,经过毛细管节流降温,变为低温低压汽液混合态制冷剂进入冷冻蒸发器,而后再进入冷藏蒸发器,吸收冷冻室和冷藏室内的热量后变为低温低压气态制冷剂,通过回气管回到压缩机,经过压缩后再排出高温高压的气态制冷剂,如此反复循环。
制冷循环示意图如下:2、控制原理图说明2.1灯开关灯开关为常闭开关,当冰箱开门时,灯开关闭合,冷藏室照明灯点亮;当冰箱关门时,灯开关断开,冷藏室照明灯熄灭。
2.2温控器工作原理该类冰箱采用带有0档停机的单刀单掷温控器,温控器的感温管一般紧贴冷藏蒸发器,当冰箱温度较高时,温控器接通压缩机回路,随着冰箱的不停运转,冷藏蒸发器逐渐变冷,冰箱温度逐渐降低,当蒸发器的温度达到温控器的关机点时候,温控器断开压缩机回路。
冰箱维修手册第一章:常见问题及解决方法1. 冰箱不能正常开启a) 确保电源线插头已正确插入电源插座。
b) 检查电源插座是否正常工作,可试插其他电器设备进行确认。
c) 检查冰箱的保险丝是否烧断,如有需要更换保险丝。
2. 冰箱无法制冷或制冷效果不佳a) 检查温度调节器是否设置正确,通常应设置在适宜的冷藏温度范围内。
b) 清理冰箱背后的散热器,确保良好的散热效果。
c) 检查冰箱门是否密封良好,如发现密封条松动、破损,则需要更换密封条。
d) 检查冰箱背后的压缩机是否正常运转,如发现异常,建议联系专业维修人员进行处理。
3. 冰箱有噪音或震动a) 检查冰箱的平衡性,确保冰箱放置在平稳的地面上。
b) 检查冰箱底部的调脚螺丝是否松动,如有需要,调整螺丝使冰箱保持水平稳定。
c) 检查冰箱内部的物品是否摆放整齐,避免碰撞和共振产生噪音。
4. 冰箱出现漏水a) 检查冰箱内部的排水孔是否堵塞,如发现堵塞,使用软管进行清理。
b) 检查冰箱的水箱是否装满水或冰块,及时排空或清除。
第二章:常用维修工具和材料1. 扳手:用于拆卸冰箱部件和紧固螺丝。
2. 螺丝刀:用于拆卸和安装螺丝。
3. 漏氟检测仪:用于检测冰箱是否有制冷剂泄漏。
4. 温度计:用于测量冰箱的温度。
第三章:维修步骤1. 切断冰箱的电源,确保安全。
2. 根据问题的性质,选择相应的维修工具和材料。
3. 根据冰箱的使用说明书,确定拆卸和安装部件的步骤。
4. 逐步检查冰箱的电路连接、制冷系统、散热器等部件,并进行相应的维修或更换。
5. 维修完成后,将冰箱的各部件安装好,并确保连接紧固。
6. 接通冰箱的电源,并进行功能测试。
第四章:安全注意事项1. 在维修冰箱时,务必切断电源,以避免触电事故。
2. 若对维修步骤不了解或遇到复杂故障,建议寻求专业维修人员的帮助。
3. 维修过程中,要注意观察和记录问题现象和维修步骤,以便更好地解决类似问题。
结语:本手册提供了一些常见问题的维修方法和步骤,但并不能包括所有可能的故障情况。
冰箱维修手册型号: BCD-230E3S1B BCD-210E3S1B BCD-230E3WB BCD-210E3WB目 录第一部分:电器接线图 (2)第二部分:原理说明 (3)第三部分:特殊故障维修方法 (7)第四部分:维修备件明细与爆炸图 (9)规格:惠而浦(中国)投资有限公司2008.10.24获取更多资料微信搜索蓝领星球第一部分:电器接线图获取更多资第二部分:原理说明1、制冷系统原理说明系统原理图及说明:本系统由压缩机排出高温高压制冷剂气体,经左右冷凝器冷却成中温高压液体后,经过干燥过滤器、毛细管截流后在蒸发器里蒸发成气体,从而进行制冷,制冷剂气体再回到压缩机从而循环。
但是本系统三条制冷回路,分别受冷藏室温控器、营养保鲜室温控器、冷冻室温控器的控制。
初开机时,制冷剂从压缩机排出,经由左冷凝器、右冷凝器、干燥过滤器、双联电磁阀、冷藏毛细管、冷藏室蒸发器、冷冻室蒸发器回到压缩机;冷藏室温度达到设定要求后,双联电磁阀动作换向,制冷剂从压缩机排出后改经左冷凝器、右冷凝器、干燥过滤器、双联电磁阀、营养保鲜室毛细管、营养保鲜室室蒸发器、冷冻室蒸发器回到压缩机;在冷藏室温度、营养保鲜室温度均达到设定要求后,双联电磁阀动作换向,制冷剂从压缩机排出后再改经左冷凝器、右冷凝器、干燥过滤器、双联电磁阀、冷冻毛细管、冷冻室蒸发器回到压缩机。
在冷藏室温度、营养保鲜室温度、冷冻室温度均达到设定要求后,压缩机停止运转。
获取更2、控制说明1基本参数 1.1 电源电压:165~242V 频率:50±1Hz 1.2 额定功率:4W 1.3 控制部件a 变频压缩机b 2只双稳态电磁阀c 冷藏室照明灯1.4 温控方式:电脑控制,三循环 1.5 显示方式:LCD 显示1.6冰箱采用4只传感器:冷藏室、冷冻室、变温室、环境 2 外观和结构2.1 主控制板、电源板应符合相应图纸要求,标记、印刷字样应完整、清晰。
2.2 按键定义(如下图)。
家用电器维修手册【家用电器维修手册】(正文开始)一、引言家用电器是我们日常生活中必不可少的设备,但是在长期使用过程中,难免会出现一些小故障。
为了提供更好的用户体验,本手册将为大家介绍家用电器的常见故障及其简单维修方法。
二、空调维修1. 电源无法启动- 检查电源插头是否插牢;- 确认电源是否正常供电;- 检查空调控制面板是否正常工作。
2. 制冷效果差- 清洁过滤网,确保空气流通畅;- 如果仍然无法解决,可能是压缩机漏氟,需要联系专业维修人员。
三、冰箱维修1. 冰箱不制冷- 检查电源线是否插牢;- 清洁冰箱后方的散热片;- 检查温度调节器是否正确设置。
2. 冰箱漏水- 检查下水口是否堵塞;- 检查密封胶条是否完好无损;- 如问题仍未解决,可能是冷凝水管道破裂,需请专业人员维修。
四、洗衣机维修1. 洗衣机无法启动- 检查电源是否通电;- 检查开关状态。
2. 洗衣机漏水- 检查洗衣机底部的排水管是否堵塞;- 检查洗衣机密封胶圈是否破损。
五、电饭煲维修1. 电饭煲加热不均匀- 保持内胆清洁;- 检查发热管是否损坏。
2. 电饭煲无法启动- 检查电源是否接通;- 检查电线是否破损。
六、电视维修1. 显示屏无法显示画面- 检查电视是否正常通电;- 检查是否选择正确的输入信号源。
2. 声音问题- 检查音量设置是否正确;- 检查外接音响设备是否接触良好。
七、总结本手册仅提供了家用电器常见故障的简单维修方法,并不能解决所有问题。
在遇到更严重的故障时,请务必联系专业维修人员进行检修和维护。
通过正确的维修方法和日常保养,可以延长家用电器的使用寿命,提高生活品质。
(正文结束)注:本手册仅提供一些常见的家用电器维修方法,实际维修操作需要根据具体情况和设备品牌进行操作。
在进行任何维修操作之前,请先确保电器已经断电,以避免电击和其他意外伤害。
SERVICE MANUALREFRIGERATION ©Electrolux Home Products S.p.A.Spares Operations ItalyCorso lino Zanussi, 30I - 33080 Porcia (PN)Fax +39 0434 394096S.O.I.Edition: 11.2006Publication no.599 38 43-56ENREFRIGERATORSwithelectric valveandelectronicERF2000DIGITSFACTORY: ZSCONTENT1INTRODUCTION (3)2REFRIGERATION CIRCUIT (5)3ELECTRIC WIRING (6)4COMPONENTS (8)4.1Control panel (8)4.2Electronic boards (9)4.2.1 ERF2000 Power board (10)4.2.2 ERF2000 DIGITS Display board (12)4.3Cooler and freezer compartments (13)4.3.1 Temperature sensors (14)4.3.2 Door switch (14)4.4Compressor compartment (14)4.4.1 Electric valve (15)5MAIN FUNCTIONS (16)5.1Normal (16)5.2FROSTMATIC Function (rapid freezing) (17)5.3COOLMATIC Function (rapid cooling) (17)5.4HOLIDAY Function (valid only for the cooler) (17)5.5Malfunctioning of cooler air temperature sensor (18)5.6Malfunctioning of freezer temperature sensor (19)6ALARMS (20)6.1Freezer compartment temperature alarm (20)7SPECIAL FUNCTIONS (21)7.1Service Mode (21)7.1.1 Starting Service Mode (21)7.1.2 Exiting Service Mode (21)7.1.3 Functions of the Service Mode (21)7.2DEMO MODE (23)7.2.1 Start DEMO MODE (23)7.2.2 Exit DEMO MODE (23)7.2.3 Functions of the DEMO MODE (23)8ACCESSIBILITY (24)8.1Control panel (24)9DISPLAY SYMBOLS (25)9.1Cooler compartment (25)9.2Freezer compartment (26)1INTRODUCTIONThis manual describes the refrigerators with electric valve and ERF2000 DIGITS electronic produced in the Susegana factory called ZS.These models feature:-static (static freezer, static cooler)-total built-in-DOOR ON DOOR door system-single-compressor-electronic control (electronic board ERF2000)-electric valve-digit displayThey are appliances (KBI290DVIT) with the following PNCs:PNC MODEL BRAND925701653JKG9499Juno-Electrolux925701654SC91840-5I AEG-Electrolux925701655SC81840-5I AEG-Electrolux925701656SC81840-5I AEG-Electrolux925701659ERO2923Electrolux925701660ERO2924Electrolux925701661JKG9499Juno-Electrolux925701662SC91840-5I AEG-Electrolux925701663SC91843-5I AEG-Electrolux925701664463.688-2Privileg925701665ERO2923Electrolux925701666ERO2923Electrolux925701667DRC629JE De Dietrich925701668IKE318-5-2Küppersbusch925701669DRC629JE De Dietrich925701670IKE318-5-2Küppersbusch925701671JCG94180Juno-ElectroluxThe controls of the appliance are inserted inside the upper crosspiece.The power control board is ERF2000.The user interface board is ERF2000 (DIGIT display).The appliance has a single-compressor and an electric valve is installed to simulate the operation of a two-compressor.It is possible to switch off only the cooler compartment and let the freezer operate, but not vice versa.The temperatures regulation is the following:•from +8 to +2 °C for the cooler;•from -15 to -24 °C for the freezer.The DIGIT display enables to show the temperatures of the two compartments. The appliance has the following functions:•rapid freezing;•rapid cooling;•freezer temperature alarm,•cooler compartment holiday.The appliance consists of the following compartments:•freezer;•cooler.The evaporating circuit consists of:•roll bond plate evaporator (freezer);•tube evaporator (cooler compartment).Key:A = control panelB = cooler compartmentC = freezer compartment2REFRIGERATION CIRCUITKey:pressor;2.condenser;3.anti-condensation coil;4.dehydrator filter;5.electric valve;6.tube evaporator (cooler compartment);7.plate evaporator (freezer compartment);8.exchanger.The electric valve has 2 outlet capillaries to power:•cooler + freezeror•only the freezer.3ELECTRIC WIRING(Check the specific diagram for each model!)Key:pressormp31.electric valve28.running capacitor (if featured) 41.ERF2000 power boarda.yellow-greenb.brownc.blued.whitee.black4COMPONENTS4.1Control panelKey:Cooler compartmentA.cooler ON/OFF indicator LEDB.cooler ON/OFF buttonC.cooler temperature increase button (+)D.cooler temperature displayingE.cooler temperature decrease button (-)F.COOLMATIC Function LED (rapid cooling)G.COOLMATIC function button (rapid cooling)Freezer compartmentH.ON/OFF indicator LED refrigeratore+freezerI.ON/OFF button cooler+freezerJ.freezer temperature increase button (+)K.freezer temperature displayingL.freezer temperature decrease button (-)M.FROSTMATIC Function LED (rapid freezing) N.FROSTMATIC function button (rapid freezing) O.alarm pilot lamp LEDP.alarm deactivation button4.2Electronic boardsThe electronic board of the appliance consists of:1.ERF2000 power board2.ERF2000 DIGITS display boardThe two electronic boards are connected by means of a flat cable with a connector; therefore, the two boards are available singularly as spare part.4.2.1ERF2000 Power board- View of the electronic board (side of components):1.earth contact2.free3.linepressor5.neutralmp neutralmp8.neutral electric valve9.electric valve1.free2.free1.cooler air temperature sensor2.cooler air temperature sensor3.cooler evaporator temperature sensor4.cooler evaporator temperature sensor5.freezer air temperature sensor6.freezer air temperature sensor1.free2.free1.free2.free3.free4.free1.free2.free4.2.2ERF2000 DIGITS Display boardKey:SW1= reed elementSW2= ON/OFF button cooler+freezerSW3= FROSTMATIC function button (rapid freezing) SW4= freezer temperature increase button (+)SW5= freezer temperature decrease button (-)SW6= cooler ON/OFF buttonSW7= COOLMATIC function button (rapid cooling) SW8= cooler temperature increase button (+)SW9= cooler temperature decrease button (-)SW10= alarm deactivation buttonDGT1= cooler displayDGT2= freezer displayDL1= COOLMATIC function LED (rapid cooling)DL2= FROSTMATIC function LED (rapid freezing) DL3= alarm pilot lamp LEDDL4= LED sign + coolerDL5= ON/OFF indicator LED coolerDL6= LED sign - freezerDL7= ON/OFF indicator LED cooler+freezer4.3Cooler and freezer compartmentsKey:A.freezer air temperature sensor;B.cooler air temperature sensor;C.cooler evaporator temperature sensor.1.cooler door magnet;2.display board reed element.4.3.1Temperature sensors3 NTC sensors are used to detect the temperatures of the two compartments:•freezer air temperature sensor A (located on the freezer cell);•cooler air temperature sensor B (located on the cooler cell);•cooler evaporator temperature sensor C (located on the cooler cell).The sensors A, B and C feature the foamed cable inside the cabinet, therefore they are not replaceable (for further information, please see Service Bulletin 599374122).4.3.2Door switchThe control of the cooler door opening is carried out by using the magnetic switch located on the display board. The magnetic switch is activated by a magnet located inside the cooler door.The control does not imply the activation of the open door alarm, but it is used to light up the lamp of the cooler compartment.4.4Compressor compartmentKey:pressorB.electric valve4.4.1Electric valveThe electric valve is of the 3-way bistable type.It is supplied together with the dehydrator filter.The connections of the electric valve are the following:-central hose with dehydrator filter to connect the condenser;-side hose (GS) to connect the capillary of the freezer circuit;-side hose (KS) to connect the capillary of the cooler+freezer circuit.The electric valve has the following values:-voltage 220 V - 50 Hz-response time <1 secNote:Comply with the electric connections and do not invert the polarity (the 2 terminals FAST-ON have different dimensions).5MAIN FUNCTIONS5.1NormalIn case of first switching on with a freezer compartment temperature higher than 10 °C, the appliance operates with a test cycle (for the factory) for a maximum time of about 1,5 hours.In this period do not perform tests for the correct operation of the appliance, since the loads of the appliance are activated only for internal check (compressor and electric valve).When the appliance is off then:•the compressor is off;•the displays are off.Pushing the ON/OFF button, the displays switch on with the following displaying:•+ symbol on cooler display;•flashing digits of the freezer;•freezer temperature alarm LED (buzzer active).Push the alarm deactivation button to deactivate the buzzer.Regulate the temperatures of the compartments so as to set the following values:•about +5 °C in the cooler;•about -18 °C in the freezer.Warning: Unplug the appliance before operating.5.2FROSTMATIC Function (rapid freezing)The FROSTMATIC function (rapid freezing) is activated by pushing the relative button, therefore:•The pilot lamp relative to the FROSTMATIC function lights up;•The compressor operates in thermostatic conditions and not continuously (like the temperature knob was on max. position) for a duration of about 52 hours, and then it deactivates automatically.To deactivate the FROSTMATIC function push the relative button.5.3COOLMATIC Function (rapid cooling)The COOLMATIC function (rapid cooling) is activated by pushing the relative button, therefore:•The pilot lamp relative to the COOLMATIC function lights up;•The compressor operates in thermostatic conditions and not continuously (like the temperature knob was on max. position) for a duration of about 6 hours, and then it deactivates automatically.To deactivate the COOLMATIC function push the relative button.5.4HOLIDAY Function (valid only for the cooler)The HOLIDAY function is activated when the customer does not want to use temporary the cooler.In this case it is not necessary to leave the cooler door open, because a 15 °C temperature is automatically set to avoid the formation of bad odours inside.To activate the HOLIDAY function push button + (temperature increase) till letter H is shown in the cooler dis-play.Obviously the cooler must be empty because the 15 °C temperature does not allow the preservation of the most common food.the sensor is out of range), then:When the sensor operates again normally, the above described conditions terminate.Characteristics of the NTC sensor:•The display shows cooler temperature sensor faulty.•The appliance operates with preset cycle when the compressor is powered for 40 minutes andremains off for 40 minutes alternatively.the sensor is out of range), then:When the sensor operates again normally, the above described conditions terminate.Characteristics of the NTC sensor:•The display shows freezer temperature sensor faulty.•The appliance operates with preset cycle when the compressor is powered for 40 minutes andremains off for 40 minutes alternatively.6ALARMS6.1Freezer compartment temperature alarmWhen the freezer compartment reaches -11 °C, the temperature alarm activates:•The display digits flash.•The temperature alarm pilot lamp light up.•The buzzer sounds.Push the alarm deactivation button to deactivate the buzzer.When normal conditions are reset (after a power failure):•The acoustic signal deactivates.•The temperature alarm pilot lamp remains on.•The display digits still flash.Pushing the alarm deactivation button:•The highest temperature reached in the freezer compartment is displayed for 5 minutes.•The alarm pilot lamp switches off.•The display digits do not flash anymore.7SPECIAL FUNCTIONS7.1Service Mode7.1.1Starting Service ModeTo start the procedure, perform the following operations:1.Connect the plug to the socket.2.Switch on the appliance with the ON/OFF button.3.Open the doors of the appliance.4.Switch the appliance off with the ON/OFF button.5.Within the first 10 seconds hold down simultaneously the two buttons “FROSTMATIC function (rapid freez-ing)” and “alarm deactivation”.The confirmation of the procedure start occurs with the acoustic signalling of the buzzer which emits a long beep and with the lighting up of all segments of the display.7.1.2Exiting Service ModeThe procedure terminates when one of the following operations is carried out:a.The plug is detached from the socket and reconnected.b.40 minutes have elapsed and no button has been pushed.c.The last phase of the procedure has been reached.7.1.3Functions of the Service ModePress the button “FROSTMATIC function (rapid freezing)” or “alarm deactivation” to skip to the following phase of the procedure.Prsss the “ON/OFF” button to activate/deactivate the loads (compressor, defrosting heater, lamp, fan and air flow regulator damper).List of the phases of the SERVICE MODE:1.All segments of the display are on.2.All segments of the displays are off.3.The number 0 is shown on the display and the load controlled by ACS TH1 [compressor] is checked.To activate/deactivate the load press the button “ON/OFF” (the load is activated when the rapid freezing FROSTMATIC function pilot lamp and the alarm pilot lamp light up).4.The number 1 is shown on the display and the load controlled by ACS TH2 [electric valve] is checked.To activate/deactivate the load press the button “ON/OFF” (the electric valve switches from one side to the other and it is possible to hear a click).5.The number 2 is shown on the display and the laod controlled by ACS TH3 [lamp] is checked.To activate/deactivate the load press the button “ON/OFF” (the load is activated when the rapid freezing FROSTMATIC function pilot lamp and the alarm pilot lamp light up).6.The number 3 is shown on the display and the load controlled by ACS TH4 [not used in this appliance] ischecked.To activate/deactivate the load press the button “ON/OFF” (the load is activated when the rapid freezing FROSTMATIC function pilot lamp and the alarm pilot lamp light up).Note:When the procedure skips to the following phase pressing the button “FROSTMATIC function (rapid freez-ing)” or “alarm deactivation”, the laod keeps its status (for example, if the compressor had been activated, it will remain on also in the subsequent phases); in this way it is possible to check the loads simultaneously.7.Check of the doors.The display digits correspond to the doors: the unit digits correspond to the cooler door, while the ten digits correspond to the freezer door.If the relative door is closed, the displayed digit is 0 otherwise is 1.8.Check of the counter.The display shows an increasing number at intervals of 1 second.This is a counter used by the board for its internal management.9.Check of the temperature sensors.The display shows one of the following codes:Code DESCRIPTIONE0No errorE1Evaporator sensor damagedE2Room temperature sensor damaged (installed on the display board)E4Room temperature sensor damaged (installed on the power board)E50 degree compartment sensor damagedNote:The errors regarding the cooler and freezer air sensors are already displayed during the normal operation. At this point all the phases necessary to chcek the loads have been displayed, therefore it is advisable to in-terrupt the procedure of the SERVICE MODE unplugging and replugging the appliance.Note:If you do not want to interrupt the SERVICE MODE, the procedure continues with some phases dedicated ex-clusively to the factory, therefore they must not to be considered.Also in this case the exit from the SERVICE MODE is carried out unplugging and replugging the appliance.7.2DEMO MODEThe DEMO MODE function is intended only for the commercial activity and not for the user.The internal temperature of the appliance, measured by the air sensors, must be higher than +10 °C so as the function can be activated.7.2.1Start DEMO MODETo start the procedure, hold down the ON/OFF button cooler+freezer and the freezer temperature decrease button for more than 5 seconds.The display digits flash every about 4 seconds.7.2.2Exit DEMO MODETo exit the procedure, hold down the ON/OFF button cooler+freezer and the freezer temperature decrease but-ton for more than 5 seconds or unplug the appliance.7.2.3Functions of the DEMO MODEThe procedure is used only for show in the selling points and allows selecting the temperatures without acti-vating the loads (compressor and electric valve).The displays show:•+ 5 °C for the cooler compartment (flashing display);•-18 °C for the freezer compartment (flashing display).By pushing the temperature regulation buttons, the displays show the temperatures that can be set (flashing display).The internal light switches on when the cooler door is opened.By pushing the cooler ON/OFF button it is possible to simulate the switching off of the cooler compartment (the lamp is off).8ACCESSIBILITY8.1Control panelTo access the control panel and its components (power and display boards) perform the following operations in sequence:a.Open the cooler door.Warning: Disconnect the appliance from the electric power before operating with theappliance.b) View of the control panel of the upper cross-piece.c) Remove the programme plate removing the 2 screw covers and the 2 fixing screws.d) Remove the transparent foil and extract the con-trol support.e) View of the power board.9DISPLAY SYMBOLS9.1Cooler compartmentDISPLAY DIGITS DESCRIPTIONNOT FLASHING It indicates the cooler temperature with normal function [from +2 to +8].FLASHING It indicates the cooler temperature with DEMO MODE func-tion [from +2 to +8].NOT FLASHING It indicates the HOLIDAY function of the cooler compart-ment [15 °C].NOT FLASHING It indicates the malfunctioning of cooler air temperature sensor.NOT FLASHING It indicates incompatibility between the electronic boards. Remedy: check the spare part nos. of the electronic boards.NOT FLASHING It indicates Eeprom parameter writing/reading error. Remedy: replace both electronic boards (power and dis-play).9.2Freezer compartmentDISPLAY DIGITS DESCRIPTIONNOT FLASHING It indicates the freezer temperature with normal function [from -15 to -24].FLASHING It indicates the freezer temperature with DEMO MODE function [from -15 to -24].NOT FLASHING It indicates the malfunctioning of freezer air temperature sensor.NOT FLASHING It indicates incompatibility between the electronic boards. Remedy: check the spare part nos. of the electronic boards.NOT FLASHING It indicates Eeprom parameter writing/reading error. Remedy: replace both electronic boards (power and dis-play).。
冰箱维修手册型号: BCD-310WE6SI BCD-350WE6SI目录第1章 电器连线图 .............................................................................................................................................. 2 第2章 电器原理图 .............................................................................................................................................. 3 第3章 制冷系统原理说明 .................................................................................................................................. 4 第4章 关键零部件的交换和组装方法 .. (6)第5章 控制功能及相关说明 (20)第6章 特殊故障维修方法 (25)第7章 爆炸图与配件列表 (35)规格获取更多资料微信搜索蓝领星球球星领蓝索搜信微料资多更取获BCD-310WE6SI/350WE6SI电器接线图BCD-310WE6SI 电器原理图BCD-350WE6SI 电器原理图获取更多资料 微信搜索蓝领星球第3章 制冷系统原理说明制冷原理图制冷循环图获取更多资料微信搜索蓝领星球本系统由压缩机排出高温高压制冷剂气体,经过消声器降噪和蒸发管的降温,依次进入到后背冷凝器,底冷凝器和除露管冷却成中温高压液体后,经过干燥过滤器、电磁阀、毛细管节流后变成低温低压的气液混合物,在R 蒸发器和F 蒸发器里蒸发成气体,从而进行制冷,制冷剂气体再回到压缩机再次循环。
冰箱维修手册
如果你的冰箱遇到了故障,不要惊慌。
本手册将为你提供一些简单
且有效的解决方案,以帮助你快速修复冰箱故障。
在进行任何维修之前,请确保你已经采取了安全措施,比如断开电源并确保冰箱内没有
食物。
一、冰箱无法启动
如果你的冰箱无法启动,首先检查电源线是否插紧。
确保电源插座
正常工作,并检查冰箱的电源开关是否打开。
如果电源线和开关都没
有问题,那么可能是冰箱的电路出现故障。
这时候建议你联系专业维
修人员进行进一步检查和修复。
二、冰箱不制冷
如果冰箱无法制冷,你可以采取以下步骤进行排查:
1. 清洁冰箱背后的冷凝器:长时间未清洁的冷凝器可能导致制冷效
果不佳。
使用吸尘器或刷子将冷凝器上的灰尘和污垢清除干净。
2. 检查冷冻室门密封:打开冷冻室门并检查门密封。
如果密封条有
损坏或老化,应及时更换以确保冷气不会泄漏。
3. 调整温度控制器:确保温度控制器设置在适当的制冷温度范围内。
根据冰箱型号,一般来说,0摄氏度是最佳冷藏温度,-18摄氏度是最
佳冷冻温度。
4. 检查冰箱内食物摆放:过度放置食物会限制空气流通,影响制冷
效果。
重新整理冰箱内的食物,确保各层间有足够的空间供冷气流动。
如果你尝试了以上方法仍然不能解决问题,建议你咨询专业的冰箱
维修人员进行维修。
三、冰箱频繁停电
如果你的冰箱频繁停电,可以考虑以下可能原因和解决方案:
1. 检查电源线和插座:确保电源线没有损坏或松动,并检查插座是
否正常工作。
2. 降低负荷:冰箱过载可能导致频繁停电。
减少冰箱内食物的数量,确保冷空气充分循环。
3. 检查电路问题:冰箱所在的电路可能存在问题,比如电路容量不
足或线路老化等。
请联系电工进行检查和维修。
四、冰箱噪音大
如果你的冰箱噪音异常大,可以尝试以下方法减少噪音:
1. 清洁冰箱周围的杂物:移除冰箱周围的杂物,确保冰箱四周空间
充足,并且没有与冰箱共振的物品。
2. 调整冰箱的水平:使用水平仪调整冰箱的水平,确保冰箱稳定地
站在地面上。
3. 检查冰箱的部件:某些部件的松动或磨损可能导致噪音。
仔细检
查冰箱的顶部、侧面和底部,确保没有松动的部件。
如果噪音仍无法消除,建议你联系专业维修人员进行检查和修复。
五、其他常见故障
除了以上主要问题,还有一些其他常见的冰箱故障,比如冰箱漏水、冰箱内结冰过多等等。
对于这些故障,你可以根据具体情况使用以下
解决方案:
1. 检查排水孔:确保冰箱的排水孔没有阻塞,可以使用吸尘器或棉
签进行清洁。
2. 调整冰箱温度:如果冰箱内结冰过多,可以尝试调整温度控制器,减少制冷强度。
总结:冰箱故障不一定需要专业维修人员解决,我们可以尝试一些
简单的方法来排除故障。
然而,如果问题无法解决,或者你对维修操
作不够熟悉,请及时联系专业维修人员进行修复。
请记住,在进行任
何维修之前,要确保冰箱已经断电,并采取适当的安全措施。
希望本
手册对你解决冰箱故障问题有所帮助!。