标养室验收要求
- 格式:pdf
- 大小:63.50 KB
- 文档页数:2
现场标养室的检查验收:
2.6.1按“上海市建设工程施工现场标准养护室规定”的通知 [沪建建(98)第0144号]及《普通砼力学性能试验方法标准》(GB/T50081—2002)执行。
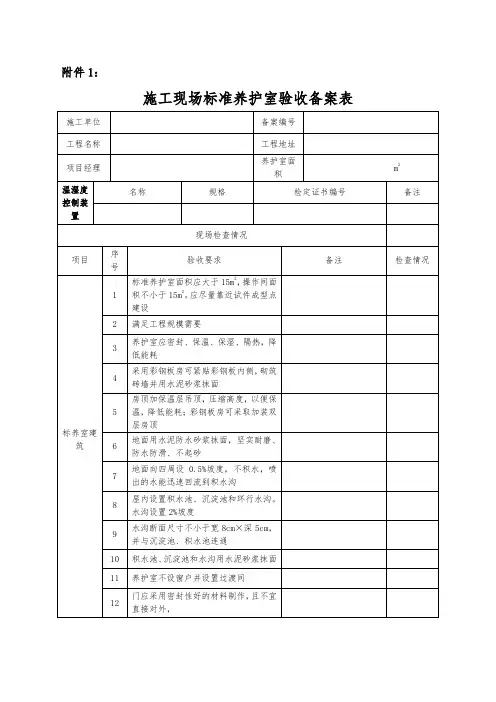
标养室的房屋要求保温隔热,其面积最小不小于5平方米。
配置冷暖空调、电热棒等恒温装置,温度控制在20±2℃范围;
2.6.2有条件的应配置喷淋装置,使室内湿度大于95%;如采用砌水池养护,须将混凝土试块置于氢氧化钙饱和溶液内养护,水温须到达20±2℃;
2.6.3标养室内应设置水泥混合砂浆试块的立柜,立柜内宜衬海保湿材料以控制湿度为60~80%;
2.6.4 标养室中须配置温度计、湿度计,温、湿度应由专人每天记录2次(上、下午各1次),如采用养护箱养护,其养护箱需编号,并每天记录每只养护箱的温、湿度2次(上、下午各1次);施工方必须建立标养室的管理制度并严格执行;
2.6.5标养室内的照明采用防潮、防爆灯具,插座采用带防潮功能即有盖板的插座;各种拖线箱(板)等不得设置在标养室内;
2.6.6砂浆、砼试块,在终凝前用铁钉刻上制作日期、工程部位、设计强度等,不允许试块终凝后用毛笔、特殊笔等书写;
2.6.7工现场设置标养室作为市文明工地及标准化工地评选的必备条件;
2.6.8检查记录采用:《工地标养室监理检查表》,每周一次。
于建立施工现场标养室的通知来源:本网站作者:办公室时间:2011-8-30建质安总[2011]51号签发人:翟家常关于建立施工现场标养室的通知各建设、施工、监理单位和预拌混凝土生产企业:为进一步加强我市混凝土质量管理,保证施工现场见证留置的混凝土试块能够真实反映工程实体质量状态,确保工程结构质量安全,依据《建筑工程检测试验技术管理规范》等有关规定,结合我市具体情况,现对施工现场建立标养室有关规定通知如下:一、标准养护室设置的范围凡在本市行政区域内新建、扩建和改建的混凝土结构工程,建筑面积(单位工程或成片小区累计)1万平方米以上或工程造价1千万元人民币以上项目的施工现场,必须建立标准养护室;建筑面积小于1万平方米或造价低于1千万元人民币项目的施工现场,如不具备建立标准养护室条件时,可采用养护箱或养护池。
二、标准养护室设置的标准及条件现场标养室(箱、池)应满足《建筑工程检测试验技术管理规范JGJ190-2010》5.2.4条的要求,详见下表。
项目基本条件现场试验人员根据工程规模和试验工作的需要配备,宜为1至3人。
仪器设备温、湿度计、混凝土振动台、试模、塌落度筒、插捣棒钢直(卷)尺等。
工作间(操作间)面积不宜小于15平方米,温、湿度应满足有关规定。
标养室面设施积不小于15平方米。
标养箱的数量或标养池的面积应满足实际工程量的需要。
三、标准养护室设置的时间要求凡新开工项目必须在施工前设置标养室;在建工程项目由监理单位根据工程进度情况确定。
四、标准养护室设置的工作要求(一)现场设置的标养室,应经施工单位技术负责人和项目总监理工程师检查验收,确认全部项目符合相关标准规范规定,填写《天津市建设工程施工现场混凝土试件标养室验收备案表》(见附件一)后方可使用。
此表由施工单位留存,作为工程质量控制和竣工验收的必备资料。
(二)应建立健全标养室管理制度并严格执行。
施工单位必须做好温度、湿度控制工作,每天至少进行两次温度、湿度检查记录。
标准养护室校验规程1、适用范围本方法适用于水泥混凝土试件及无机结合料稳定材料试件养生用标准养护室的校准。
2、技术要求2.1标准养护室应洁净,试件放置架应整齐有序,标养室应安装有漏电保护装置和防水照明灯具,加湿装置必须采用雾化方式。
2.2标养室的温度为(20±2)℃,相对湿度应大于95%,室内各点温湿度应均匀分布。
3、校准项目3.1外观检查。
3.2标准养护室温湿度显示器。
3.3标准养护室温湿度。
4、校准环境及校准器具4.1校准环境:应在标准养护室正常运行状态下校准。
4.2校准器具:4.2.1标准温度计:测量范围为0-50℃,分度值为0.1℃。
4.2.2标准湿度计。
5、校验规程5.1外观检查:按照本方法2.1条要求进行检查。
5.2标准养护室温湿度显示器校准:5.2.1控制器灵敏度检查:温湿度控制器能够有效运行,温度升到22℃应能控制降温,到20℃时能停止;温度降到18℃时应能控制升温,到20℃时能停止。
湿度低于95%时能控制加湿,达到设定值时能停止。
5.2.2控制器传感器校准:将标准温度计、标准湿度计置于测控传感器附近,每1h记录1次标准温度计、标准湿度计读数,同时记录温湿度控制器上的数值,连续监测2d,做出标准温湿度计读数与控制器显示值的对比曲线或建立二者的数据对照表,依此设定控制器数值。
5.3标准养护室温湿度校准:预先在养护室内大致设定东、南、西、北、中5个方位测点,养护室温湿度稳定后开始校准。
校准时把标准温度计、标准湿度计置于同一测点上,放置高度离地面约1米,放置时间不少于1h ,读取标准温度计、标准湿度计的温度、湿度并记录。
然后换1个测点,如此反复至5个测点全部校准完毕为1轮,每个测量值均为养护室的温度及湿度测定值。
6、校准周期校准周期一般为12个月。
7、参考文件JJF 1071国家计量校准规范编写规则JJF 1001 通用计量术语及定义GBT/T 8170 数值修约规则与极限数值的表示和判定8、记录表格《校验记录表》标准养护室校准记录表。
标准养护室校验规程1、适用范围本方法适用于水泥混凝土试件及无机结合料稳定材料试件养生用标准养护室的校准。
2、技术要求2.1标准养护室应洁净,试件放置架应整齐有序,标养室应安装有漏电保护装置和防水照明灯具,加湿装置必须采用雾化方式。
2.2标养室的温度为(20±2)℃,相对湿度应大于95%,室内各点温湿度应均匀分布。
3、校准项目3.1外观检查。
3.2标准养护室温湿度显示器。
3.3标准养护室温湿度。
4、校准环境及校准器具4.1校准环境:应在标准养护室正常运行状态下校准。
4.2校准器具:4.2.1标准温度计:测量范围为0-50℃,分度值为0.1℃。
4.2.2标准湿度计。
5、校验规程5.1外观检查:按照本方法2.1条要求进行检查。
5.2标准养护室温湿度显示器校准:5.2.1控制器灵敏度检查:温湿度控制器能够有效运行,温度升到22℃应能控制降温,到20℃时能停止;温度降到18℃时应能控制升温,到20℃时能停止。
湿度低于95%时能控制加湿,达到设定值时能停止。
5.2.2控制器传感器校准:将标准温度计、标准湿度计置于测控传感器附近,每1h记录1次标准温度计、标准湿度计读数,同时记录温湿度控制器上的数值,连续监测2d,做出标准温湿度计读数与控制器显示值的对比曲线或建立二者的数据对照表,依此设定控制器数值。
5.3标准养护室温湿度校准:预先在养护室内大致设定东、南、西、北、中5个方位测点,养护室温湿度稳定后开始校准。
校准时把标准温度计、标准湿度计置于同一测点上,放置高度离地面约1米,放置时间不少于1h ,读取标准温度计、标准湿度计的温度、湿度并记录。
然后换1个测点,如此反复至5个测点全部校准完毕为1轮,每个测量值均为养护室的温度及湿度测定值。
6、校准周期校准周期一般为12个月。
7、参考文件JJF 1071国家计量校准规范编写规则JJF 1001 通用计量术语及定义GBT/T 8170 数值修约规则与极限数值的表示和判定8、记录表格《校验记录表》标准养护室校准记录表。
标准养护室(箱)定期测试检查制度1、标养室养护环境应为自动控制,并由专人按时检查,确保工作正常.2、进入养护室前必须先切断温控电源,确保安全。
养护室要有漏电保护装置。
3、未经许可,无关人员不得随意出入.4、养护室温度应控制在(20±2)℃,相对湿度为95%以上。
5、水泥养护箱温度在(20±1)℃,湿度为90%以上。
6、混凝土试件在养护室中应放在养护架上,彼此间隔10~20mm,不得随意摆放。
试件摆放整齐有序,表面应随时保持潮湿,并不得被水冲淋。
7、养护架可以使单层或多层,但要保证养护室进出放置试块方便,并设置标识牌能一边快速查找试块。
8、养护室温湿度记录由专人负责,每日至少测两侧,节假日轮班检测,并形成记录。
9、出入养护室必须关好保温门。
养护室(箱)要求封闭性好,以保证室内温湿度恒定。
10、养护室(箱)中的试块按龄期进行试压,不得有超龄期试压现象发生,不得存在过龄期试块。
11、随时注意制冷机组的运行情况,在养护室中间部位放置温度计或干湿温度计,以便校对。
每天至少两次记录标样室(箱)内空气温度及相对湿度并填写记录表(每天二次),归档存查。
12、标养室内水槽内的水每月更换一次,每季度清扫一次,不允许在养护期间全部换水,制冷机每年检查一次。
13、标准养护箱内每个水泥养护水槽只养护同类型试件。
14、试块摆放整齐有序,能根据编号快速查找.15、标养室管理不到位,将给予责任人50元/次罚款。
试件标准养护制度1.混凝土试件混凝土试件成型后应立即用不透水的薄膜覆盖表面,发现制作不标准的试块按假试块论处。
发现漏做试块、做假试块的,罚款20元/组。
1)采用标准养护的试件,应在温度为(20±5)℃的环境中静置一昼夜至二昼夜后编号、拆模.拆模后应立即放入温度为(20±2)℃,相对湿度为95%以上的标准养护室中养护,或在温度为(20±2)℃的不流动的Ca(OH)2饱和溶液中养护。
标养室管理制度
1、标准养护室温度20±2℃、湿度≥95%;每日应测定标养室温湿度,上午下午各测一次共两次,并记录测定时间、测定值;检测人签字。
2、试块成型拆模后应及时放入标养室内养护。
间距为10-20mm,试块上应标明时间、部位、编号、强度等级,标养室内不得有空白或编号不齐全的试块。
3、进入标养室前应切断电源,以免发生触电事故。
养护室禁止无关人员进入,工作人员进入需随手关门,确保室内温湿度的稳定。
4、养护室内通过恒温恒湿全自动设备调节室内温湿度,使用中要经常检查各状态运行状况,如发现温湿度不满足要求,应及时报项目总工以便及时解决,确保标准养护室养护条件。
5、保持标准养护室的环境整洁,每天当班人员必须清扫室内卫生保持地面整洁,试件摆放整齐有序,养护室不得作为它用。
有限公司
项目部
2016年9月13日。
标准养护室校验规程
本方法适用于新购和使用中以及检修后的标准养护室的校验。
(一)概述
标准养护室是用于养护水泥混凝土试块、砂浆试块、无侧限抗压强度试块等的必备仪器。
(二)技术要求
1、应有铭牌,其中包括仪器名称、型号、生产厂、出厂编号与日期。
2、温度能控制在20±2℃。
3、湿度能控制在95%以上。
(三)校验用计量器具
温湿度仪:分辨率为0.5℃;
(四)校验方法
将养护箱温度显示器上的温度上限值定为22℃,下限值定为18℃,湿度定为95%,放入干湿温度计,测试温度和湿度显示器上的数值是否与温度计显示一致。
(五)校验结果的处理
全部校验项目均符合技术要求为合格。
(六)校验周期
一年.
(七)附录
校验记录表格式。
标准养护室校验记录
仪器管理编号:校验编号:
出厂编号、型号:校验日期:年月日
仪器制造厂:_______________________ 环境条件:温度℃;相对湿度 %
批准:核验:校验:。
养护室验收方案1、验收依据标准要求,技术指标本工程执行的技术文件及标准:GB/T50081—2002《普通混凝土力学性能试验方法标准》《通风与空气调节设计规范》(BJ19-87)《安装工程施工及验收规范》(JCL67-89)《建筑给水排水及采暖工程施工质量验收规范》(GB50242-2002)《建筑安装工程质量检验评定标准》GBJ300—88建筑装饰装修工程质量验收规范GB50210-20011.1 温度1。
1。
1 标准养护室的温度控制范围为 23℃±2℃1.1。
2 标准养护室温度应采用自动控制,其误差不大于0.5℃.1。
2 相对湿度1。
2。
1 标准养护室的相对湿度应控制在50±5%。
1。
2。
2 标准养护室应为雾室,试件表面呈潮湿状态,不得被水直接淋刷。
1。
2。
3 标准养护室的相对湿度宜采用自动控制。
1。
3 保温性能1。
3.1 标准养护室的保温性能应满足以下要求,即在断电情况下,5h内养护室内温度变化不超过5℃.1。
3.2 断电时间超过5h,应采取措施保证标准养护室内温度满足要求。
1。
4 照明和安全标识1。
4.1 标准养护室的门上应有明显的用电安全警示标识。
1.4.2 标准养护室应有满足运送、放置、辨认试件的安全照明条件.1。
4.3 标准养护室内照明应采用安全电压,灯具应有防水装置.2 检验条件2.1 标准养护室应在实际运行状态下进行检验.2.2 温度传感器的检测误差应不大于0。
5℃,相对湿度传感器的检测误差应不大于3%。
2。
3 温度、相对湿度传感器检测数据的采集应采用配套的仪器.2。
4 所用检验器具应检定或校准合格。
3 检验方法3。
1 照明和安全标识检查3。
1。
1 按照附录 A表 A。
1填写标准养护室基本情况.3。
1。
2 检查标准养护室的门上是否有明显的用电安全警示标识.3。
1.3 检查标准养护室是否具有满足运送、放置、辨认试件的安全照明条件. 3。
1。
4 检查照明是否采用安全电压,灯具是否有防水装置。
标样室验收要求
1.按“上海市建设工程施工现场标准养护室规定”的通知及《普通砼力学性能试验方法标准》执行。
标养室的房屋要求保温隔热,其面积最小不小于5平方米。
配置冷暖空调、电热棒等恒温装置,温度控制在20±2℃范围;
2.有条件的应配置喷淋装置,使室内湿度大于95%;如采用砌水池养护,须将混凝土试块置于氢氧化钙饱和溶液内养护,水温须到达20±2℃;
3.标养室内应设置水泥混合砂浆试块的立柜,立柜内宜衬海保湿材料以控制湿度为60~80%;
4.标养室中须配置温度计、湿度计,温、湿度应由专人每天记录2次(上、下午各1次),如采用养护箱养护,其养护箱需编号,并每天记录每只养护箱的温、湿度2次(上、下午各1次);施工方必须建立标养室的管理制度并严格执行;
5.标养室内的照明采用防潮、防爆灯具,插座采用带防潮功能即有盖板的插座;各种拖线箱(板)等不得设置在标养室内;
6.砂浆、砼试块,在终凝前用铁钉刻上制作日期、工程部位、设计强度等,不允许试块终凝后用毛笔、特殊笔等书写;
7.工现场设置标养室作为市文明工地及标准化工地评选的必备条件;
8.检查记录采用:《工地标养室监理检查表》,每周一次。
标养室规范篇一:标养室规范第一条(目的和依据)为进一步加强对建设工程施工质量的全面管理,强化结构工程质量控制,根据GB50204,92《混凝土结构工程施工验收规范》和国家工程施工验收规范的有关规定,结合本市施工现场的实际情况,特制定本规定。
第二条 (实施范围)本市行政区域内所有处于桩基及结构施工阶段的在建工程,在施工现场均必须按规定设置砼、砂浆试块的标准养护室。
第三条(管理部门)建筑业管理办公室负责管理本市建设工程施工现场标准养护室工作,市与区县建设工程质量监督站负责监督检查。
第四条(实施单位)标准养护室由桩基和结构施工单位负责建立和管理,建设、监理单位负责督促检查,质量监督站负责监督抽查。
第五条(标准养护室的技术要求)标准养护室的(转载于: 小龙文档1网:标养室规范)设置必须符合下列技术要求:(一)房屋要求保温隔热,根据工程规模的大小确定标准养护室的面积,最小少于5平方米;(二)配置冷暖空调、电热棒等恒温装置,使室内温度控制在20?3?范围;(三)条件的大型工程应配置喷淋装置,使室内湿度大于百分之九十。
一般中小型工程可砌水池养护,但须设立体积相仿的另一预养水泥(或水桶)作为置换水用。
为节约面积,预养水池(或水桶)可设置在养护水池的上方,水温须与室温相同;(四)标准养护室室内应设立水泥混合砂浆块立柜,立柜内宜衬海绵等保湿材料,以控制温度为百分之六十至百分之八十;(五)标准养护室中须配置温度计、湿度计,温、湿度应由专人每天记录二次(上、下午各一次),同时必须建立标准养护室的管理制度并严格执行。
第六条 (试块制作要求)砂浆、砼试块应按规范标准制作,试块制作后应在终凝前用铁钉刻上制作日期、工程部位、设计强度等,不允许试块在终凝后用毛笔等书写。
第七条(评选条件)工程施工现场设置标准养护室作为本市文明工地及标准2化工地评选的必备条件。
第八条(审批规定)个别特殊工程不宜在施工现场设立标准养护室的,由施工企业向工程质量监督站提出书面申请,应经质量监督站批准。
项目标养室管理办法
第一条标养室温度为20±2*5C,相对湿度95%以上,由专人负责检查每日的温度、湿度,每日记录两次并填写“标养室养护记录二保证室内符合规定的温度和湿度。
第二条室内仪器由专人操作使用,其他人员不得擅自开启温、湿度控制装置或改变已有的设置。
第三条试件摆放在支架上要有规律,试件间距至少保持10〜20mm,试件表面保持潮湿,并不得被水直接冲淋。
第四条每个试件都必须标有样品编号标签,编号要采用钢印形式。
取样前必须认真核对编号,避免出错。
第五条如发现温、湿度出现异常,应立即采取措施,上报负责人并作好记录。
第六条试验人员在本室的停留时间不宜过长,特别是与外界温差较大时,易引起人体不适(尤其夏季)。
第七条要持室内清洁,不得堆放与养护无关的物件。
第八条谢绝无关人员进入标养室。