片式固体电解质钽电容器
- 格式:pdf
- 大小:706.74 KB
- 文档页数:10
固态钽电容液态钽电容固态钽电容和液态钽电容是电容器的两种主要类型,它们在电子领域中具有重要的应用价值。
固态钽电容以其稳定性和高容量密度而闻名,广泛应用于各类电子产品中。
而液态钽电容则因其低ESR值和高频特性而在某些特定领域有着独特的优势。
本文将就固态钽电容和液态钽电容的特点、性能差异以及应用领域等方面展开探讨。
首先,我们来分析固态钽电容和液态钽电容的工作原理。
固态钽电容是一种基于固体电解质的电容器,其主要材料为氧化铌或氧化钽。
其结构简单,内部有一层氧化膜作为电解质,电极则是以钽作为主体材料。
当电压施加到电容器两端时,氧化膜上会形成一层明显的电位降,并随着电流的流动而发生极化现象,从而储存电荷。
液态钽电容则是利用液体钽铝合金作为电介质,具有更高的导电性和电传导速度。
两者在工作原理上存在明显的差异,导致了它们在性能和应用上的不同。
其次,我们来比较固态钽电容和液态钽电容的性能差异。
固态钽电容具有很高的电容密度和容量,同时具有较小的体积和重量,适合在体积受限的电子产品中使用。
同时,固态钽电容还具有较高的工作温度范围和长寿命特性,能够在极端环境下稳定运行。
而液态钽电容则具有更低的ESR值和更高的频率响应,适用于需要高频响应的领域,如通信设备和高性能计算机等。
两者的性能优劣势使得它们在不同的应用场景中发挥着各自的优势。
接着,我们来讨论固态钽电容和液态钽电容在不同领域的应用情况。
固态钽电容主要应用于航空航天、军事、汽车电子和通信设备等领域,其稳定性和高容量密度能够满足这些领域对电容器的高要求。
而液态钽电容则主要应用于高性能计算机、光纤通信和无线通信等领域,其低ESR值和高频特性能够带来更好的性能表现。
两者在不同领域的应用显示了它们在特定环境下的独特价值,为电子产品的性能提升提供了有力支持。
最后,我们来展望固态钽电容和液态钽电容在未来的发展方向。
随着电子产品对容量密度、频率响应和稳定性等方面要求的不断提高,固态钽电容和液态钽电容将不断进行技术革新和性能优化。
TANCAP TECHNOLOGY CO., LTD. Add: No.8,Tengfeng 3rd Rd., Fenghuang 3rd Industrial Park, Fuyong, Bao’an Dist, Shenzhen, China P.C:518103 Tel:+86-755-27863400 Fax:+86-755-27862551 E-mail: info@ 承认书编号:Q/TANCAP.CA45.10-01-18品名:CA45型片状固体电解质钽电容器客户名称:型号规格:系列规格型客户料号:客户确认:深圳市容电科技有限公司TANCAP TECHNOLOGY CO., LTD.地址:深圳市宝安区福永街道凤凰第三工业区腾丰三路8号电话:+86-755-27863861 27863400传真:+86-755-27862551网址:电子邮件:sales@编带包装载带单位(mm )附件:片式钽电容器的正确使用1. 波纹电流和波纹电压如果在电容器上施加波纹电流,在电容器内会产生焦耳热(功率损耗),因此会影响电容器的可靠性。
(1) 功率损耗电容器中实际的功率损耗可以利用下面的公式计算: P=I 2 × ESR……………….公式 1 这里:P: 功率损耗 (瓦特) I: 波纹电流 (安倍)载带尺寸卷盘规格ESR: 等效串联电阻 (Ω)表 1 额定损耗(2) 波纹电流利用表1中的最大功率损耗,可以利用下面的公式计算最大波纹电流(Arms): I=√P/ESR×K×F ………………….公式 2 这里:K : 温度降额因子……表 2 F : 频率降额因子…….表 3ESR : 参考每个具体产品的额定值波纹电压E 利用公式3计算:.E=Z×I………………………….. 公式 3这里:E : 波纹电压Z : 具体频率下的阻抗(3) 波纹电压施加到电容器上的波纹电压受三个标准的限制:(a) 电容器中ESR 的功率损耗不超过表1中适当的值。
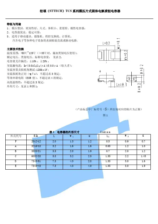
片式固体电解质钽电容器规格书新云型号:CA45A-P-10V-10μF-K1. 产品特点该产品为模压封装、片式引出,具有密封性好、重量轻、电性能优良、稳定可靠等特点。
适用于移动通讯、摄像机、程控交换机、计算机、汽车电子等各种电子设备的直流或脉动电路。
2. 产品型号及编码说明CA45A- P - 10v - 10μF - K型号壳号额定电压标称电容量容量偏差K:±10%3. 产品外形及尺寸:见图1及表1图1 电容器外形尺寸图表1 电容器的外形尺寸单位:mm4.电性能参数4.1 工作温度范围:-55℃~125℃;85℃以上施加降额电压。
4.2 标称电容量允许偏差(25℃,120Hz):K:±10%;4.3 主要电性能参数:见表2表2 电性能参数表Array 5.标志5.1标志内容5.2 标志说明(举例):见图2。
6. 产品外观质量6.1 产品本体应无针眼、缺角、缺块、发黑、漏封、裂纹、引出片断裂等现象。
6.2 产品标志:应清晰、完整、正确;无重影、漏打等现象。
7.包装7.1 产品编带的尺寸及卷绕方向:见图3、图4、表3。
注:用户未要求时,编带卷绕方向通常按左旋卷绕方向。
7.2包装数量:(1)商标及正极标识(2)标称电容量(3)额定工作电压106A 容量标识正极及电压标识图4 编带卷绕方向表 3 编带尺寸单位:mm8 应用指南8.1室温电性能的测量8.1.1 电容量(C)和损耗角正切(tg δ)的测量●施加电压: 直流偏压:U-=2.20 -1.0V ;交流偏压(有效值)的范围:U ~=1.00-0.5V●测量时,确保电容器正、负极的接法正确,否则读数会产生较大的偏差。
8.1.2漏电流(I )的测量●施加电压:额定电压测量时,应串联1000Ω的保护电阻。
施加额定电压后3至5分钟,漏电流指针稳定后读数。
●测量漏电流时,严禁将产品的正、负极接反,如不慎接反,该只电容器应报废,即使电性能仍合格,也不能再使用。
片式固体钽电容-概述说明以及解释1.引言1.1 概述片式固体钽电容是一种新型的电子元件,具有优异的性能和广泛的应用前景。
它采用固态钽作为正极材料,相比传统的电解式铝电容,片式固体钽电容具有更高的电容密度、更低的ESR值、更好的抗漏电流能力和更长的使用寿命。
本文将通过对片式固体钽电容的原理、优点和应用领域进行详细介绍,探讨其在电子领域中的重要性和发展前景。
1.2 文章结构本文主要分为引言、正文和结论三部分。
1. 引言部分将介绍固体钽电容的概念和重要性,以及本文的研究目的和意义。
2. 正文部分将详细阐述片式固体钽电容的原理、优点和应用领域,为读者提供全面的了解。
3. 结论部分将对本文内容进行总结,并展望片式固体钽电容未来的发展前景和应用价值。
1.2 文章结构部分的内容1.3 目的:本文旨在深入探讨片式固体钽电容的原理、优点和应用领域,希望通过对这一电子元件的全面介绍,让读者对片式固体钽电容有更加深刻的理解和认识。
同时,我们也将讨论片式固体钽电容的发展前景,展望其在未来的应用和发展方向,为读者提供对这一领域的深入洞察和未来发展的展望。
通过本文的阐述,希望能够为相关领域的研究者和工程师提供启发和参考,推动片式固体钽电容技术的进步和发展。
2.正文2.1 片式固体钽电容的原理片式固体钽电容的原理部分:片式固体钽电容是一种电子元件,它的工作原理是基于固体电容器的电荷存储和释放。
在片式固体钽电容中,其基本结构包括钽质阳极、氧化层作为介质和导电性良好的负极。
当电压施加在钽电容上时,电荷会在钽电容的阳极和氧化层之间存储,并在需要时释放出来。
钽电容的阳极通常由纯钽制成,由于钽金属的高化学稳定性和良好的导电性,使得钽电容具有较高的容量、频率响应和稳定性。
氧化层在片式固体钽电容中起到重要的电介质作用,它能够阻止阳极和阴极之间的电荷直接接触,从而确保电容器的正常工作。
总的来说,片式固体钽电容的原理是通过在钽质阳极和氧化层之间存储和释放电荷来实现电容效应,从而实现电子元件在电路中的功能。
片式固体电解质钽固定电容器常见的失效方式1、过压失效钽电容器使用在电路中时,在正常的工作电压以外,还要受到浪涌电压和电流的冲击。
因此,工作时时实际加在产品上的电压=浪涌电压+工作电压+交流纹波电压。
由于使用电路中的阻抗不一样,因此,当电路阻抗较低时,实际的浪涌电压在瞬间可以达到1.5-2.5倍的稳态工作电压。
因此,使用在低阻抗电路中时,考虑到开关瞬间的浪涌冲击电压会远超过产品容许承受的电压冲击,因此稳态的工作电压不能超过额定值的1/3。
否则,产品就非常容易出现瞬间的过压而击穿。
因此,在电路设计时必须为不断产生的浪涌留出电压余量。
在具体使用时,由于电路产生的热量积聚,产品工作时环境温度有可能达到50度以上,因此实际使用电压必须考虑到温度升高会导致产品的漏电流增加的问题。
因此实际使用电压应该更低。
在不同温度下产品应该使用的工作电压和失效率关系如下;由于钽电容器漏电流随温度的增加而增加。
工作在温度较高时,最大工作电压Vmax必须降额,合适的降额幅度可以从下面的公式中求得:式1:Vmax=( 1-(T-85)/125)×VR这里:T 是要求的工作温度值得注意的是上述公式只适用于高阻抗电路。
同时上述公式并没有考虑交流分量和浪涌的影响,因此当使用温度较高时,必须使用更大的降额电压才电阻能稳定可靠地工作如果只强调温度和电压,固体钽电容器的现场故障率可以从下面的表达式中计算出来:λ=λ0(V/V0)3×2(T-T0)/10这里:λ:实际工作条件下的故障率。
T:温度V:实际使用电压λ0:额定负载下的故障率。
(1% /1000h)T0:温度V0:额定电压测试条件:温度:85 ℃电压:额定电压Rs:3Ω[要求的线路保护电阻]不同的使用电压和不同的工作温度与产品的额定电压会导致出现不同的寿命,其计算方法如下;相同规格产品高温时使用电压不同时产生的漏电流不同,其产品失效率MTBF[式中的F]的计算见下式3:式中:F U:工作电压和额定电压的修正系数=U1/U R(U1为实际工作电压)F T:工作温度的修正系数=T1/T2(T1实际工作温度,T2为容许的最大工作温度85℃)F R:电路总电阻F B:基本的失效率(钽电容器的基本失效率是1%/1000小时)F的单位小时从上式中可看出,如果一个产品的工作温度较低,使用的电压也较低,那么它的失效率就非常低。
钽电解电容器的型号介绍表示。
本文主要介绍的是关于钽电容的型号介绍,以及关于钽电容的耐压值观测方法,希望本文能让你对钽电容有更全面的认识。
钽电容是电容器中体积小而又能达到较大电容量的产品,是1956年由美国贝尔实验室首先研制成功的,它的性能优异。
钽电容器外形多种多样,并制成适于表面贴装的小型和片型元件。
钽电容器不仅在军事通讯,航天等领域应用,而且钽电容的应用范围还在向工业控制,影视设备、通讯仪表等产品中大量使用。
钽电解电容器的型号介绍固体钽电容器是由Bayor实验室1956首次开发的。
它具有优良的性能。
这是一个小和大电容产品在所有电容器。
钽电容器具有多种形状,易于制成适合于表面安装的小型和片式元件。
它满足了电子技术自动化和小型化发展的需要。
钽原材料稀少,钽电容器成本昂贵,但钽电解电容器由于其高比电容钽粉(30KuF,G-100Kuf.V/g)和电容量的提高,得到了迅速的发展和广泛的应用。
R制造技术。
钽电容器不仅广泛应用于军事通信、航空航天等领域,而且广泛应用于工业控制、影视设备、通信仪器等产品中。
这样钽电解电容器有三种主要类型:烧结固体、箔缠绕固体和烧结液体。
其中,烧结固体占总产量的95%以上,而非金属密封树。
固体钽电容器电性能优良,工作温度范围宽,而且形式多样,体积效率优异,具有其独特的特征:钽电解电容器的工作介质是在钽金属表面生成的一层极薄的五氧化二钽膜。
此层氧化膜介质完全与组成电容器的一端极结合成一个整体,不能单独存在。
因此单位体积内所具有的电容量特别大。
即比容量非常高,因此特别适宜于小型化。
在钽电解电容器工作过程中,具有自动修补或隔绝氧化膜中的疵点所在的性能,使氧化膜介质随时得到加固和恢复其应有的绝缘能力,而不致遭到连续的累积性破坏。
这种独特自愈性能,保证了其长寿命和可靠性的优势。
钽电解电容器具有非常高的工作电场强度,并较任何类型电容器都大,以此保证它的小型化。
钽电解电容器可以非常方便地获得较大的电容量,在电源滤波、交流旁路等用途上少有竞争对手。
大容量片式钽电容器的测试及安装使用要求1.0说明本文件涉及的内容均为南京14所使用的大容量片式钽电容器的测试、安装和使用所制定。
本文件涉及的产品测试和安装及使用方法要求均符合GJB-2283-95的相关规定。
2.0测试和筛选2.1需要进行的测试参数和仪表如下:2.1.1容量和损耗:测试频率:100Hz 交流测试电压1V ,直流偏置电压2.2V。
合格范围:见双方达成的具体技术协议及合同规定。
2.1.2等效串联电阻ESR:测试频率:100Hz 交流测试电压1V ,直流偏置电压2.2V 。
合格范围;:见双方达成的具体技术协议及合同规定。
2.1.3室温直流漏电流;:测试电压:额定电压,充电时间:容量大于100uF 的产品为15秒。
合格范围:K≤0.002C R U R高温直流漏电流:测试电压:额定电压,充电时间:20秒合格范围:K≤0.01 C R U R2.1.4.容量变化率:测试温度:−55−5+0℃,+125−0+3℃需要的测试仪器:容量和损耗及ESR:同惠TA2819A或者安捷伦4263B漏电流:同惠TH2685C3.0.安装为了保证本产品焊接性能良好并具有较好的抗氧化性,本产品焊接端子镀层使用锡铅合金镀层,因此,本产品必须使用适合含铅元件的焊接方法和焊接工艺。
3.1. 如果使用红外回流焊,推荐的焊接温度条件见下曲线:温度曲线参考如下:升温部Ⅰ常温预热部30-60S预热部140-160℃ 60-120S升温部Ⅱ预热200℃ 20-40S正式加热220-240℃峰值5秒钟(见下图)冷却部200-100℃之间1-4℃/S3.2. 如果使用手工焊,请务必遵守以下建议或规定:(1)防止烙铁头温度过高手工焊接片式元件,最高的焊接温度不能超过300度,由于烙铁头温度与其功率成正比,因此,如果使用大于30W的烙铁头,例如使用50W的烙铁头,其表面温度就会达到500度左右,这样高的温度,当烙铁头与元件机体紧密接触时,会在瞬间就导致元件经受超过容许值的猛烈热冲击。
■ 模压封装、密封性好、片式、体积小、重量轻、极性电容器;■ 电性能优良、稳定可靠、低ESR(等效串联电阻),等效于KEMET公司T491型;■ 适用于移动通讯、摄像机、程控交换机、计算机、汽车电子等各种电子设备的表面贴装直流或脉动电路。
□ Molded, good sealability, chip, small profile, light weight,polarized capacitor.□ Good electrical performance, stable and reliable, low ESR,equivalent to T491 of KEMET.□ The product is suitable to surface mounted direct current orpulsating circuit in various electronic equipments for mobile communication, vidicon, program controlled exchanger, computer, and auto electronics.■ 温度范围:-55℃~125℃(>85℃时,施加降额电压使用);■ 额定电压、降额电压、标称电容量:见表2;■ 电容量允许偏差:±10%、±20%;■ 高低温特性:见表2;■ 外形尺寸及外壳代号:见图1和表1。
□ Temperature range: -55℃~125℃(when above 85℃, derated voltage is applied)□ Rated voltage, derated voltage and rated capacitance see Table 2. □ Capacitance tolerance: ±10%;±20%;□ Characteristic at low and high temperature: see table 2; □ Physical dimension and case code: see Figure 1 and table 1.Type CA45A Chip Solid Electrolytic Tantalum Capacitor执行标准Executive Standard:Q/MM124A-2009标志 MARKING:外壳代号Case code 外形尺寸 mm Physical dimension新云XinYunEIA L W HL 1W 1M A 3216-18 3.2±0.2 1.6±0.2 1.6±0.20.65±0.2 1.2±0.2 1.0±0.2B3528-21 3.4±0.2 2.6±0.2 1.9±0.20.70±0.22.0±0.21.2±0.2C 6032-28 5.8±0.3 3.2±0.3 2.5±0.3 1.35±0.2 2.2±0.2 1.45±0.2E (D)* 7343-317.3±0.3 4.3±0.3 2.8±0.3 1.35±0.2 3.0±0.2 1.6±0.2H(E、X)**7343-437.3±0.34.3±0.34.1±0.3 1.35±0.2 3.0±0.21.6±0.2表1 电容器的外形尺寸 Table 1 Physical dimensionB、C、E、H壳Case B、C、E、H公司标志和阳极Company Mark and Positive标称电容量 (μF)Rated capacitance额定电压 (V)Rated voltageA壳Case A10010V1.020LWW 1MHL 1(产品标志中厂标符号 所在端对应的贴片为正极)(The end with is the positive end)图 1注Note:*E壳等同于KEMET、VISHAY和AVX公司的D壳产品尺寸;The dimension of case E is equal to case D of KEMET, VISHAY and AVX . **H壳等同于KEMET公司的x壳、VISHAY和AVX公司的E壳产品尺寸。
破坏性物理分析与检测实验学生姓名:学号:同组成员:2016年6月实验一多层瓷介(独石)电容器的DPA 实验一、实验目的熟悉多层瓷介(独石)电容器的DPA 试验项目,了解典型的多层瓷介(独石)电容器基本结构特征,识别多层瓷介(独石)电容器外部及内部可能存在的各种缺陷。
二、实验内容本实验采用的无引线无包封层多层瓷介片式电容器其结构如图1所示。
图1 无引线无包封层多层瓷介片式电容器(纵向剖面)本试验的实验项目为外部目检和制样镜检两部分,外部目检的检查内容为外部结构和标志,制样镜检的检查内容为内部结构,两项目均要求分组操作。
三、实验设备外部目检所采用的设备:立体显微镜制样镜检所采用的设备:金相试样镶嵌机,金相试样预磨机,立体显微镜,金相显微镜四、实验步骤1 外部目检实验步骤1)外观检查采用立体显微镜对元件外观进行检查,检查要点:(1)外形结构是否有变形(2)标志是否清晰,是否缺损或缺项;(3)端电极金属化是否缺损或剥落、棱边处是否不连续。
(4)包封层或外表面是否有裂纹、缺口、孔洞或砂眼、掉屑、沾污、粘附杂质或焊料颗粒等。
2)记录外貌照片对于存在的缺陷应记录足够清晰的、能反映出缺陷的照片。
2 制样镜检实验步骤1)固定首先将试样固定于样品环中,需要对样品进行横向和纵向两个方向进行剖面制备,将样品分为两组分别按纵向和横向两个方向进行固定,如图2所示两种剖面均应与叠层平面垂直。
图2 浇铸之前样品的固定2)灌封、浇铸为减少制样的时间,本试验采用的是热镶嵌料,需要采用镶嵌机对其加热加压。
3)研磨和抛光首先进行研磨,逐步更换砂纸,由粗到细,研磨的方向应与样品方向平行或垂直,注意在每次更换砂纸时,研磨的方向需转换90 度角。
在研磨过程中应随时注意观察,发现有缺陷时,应及时记录照相。
如无异常,剖面研磨到元件一半的位置即可。
剖面分为纵向剖面和横向剖面两种,如图3、图4所示。
图3样品的纵向剖面图4 样品的横向剖面4)剖面检查采用显微镜,对剖面进行检查,放大50 倍对剖面进行检查,但阻挡层检查应放大500 倍。
钽电解电容器使用技术指南一.钽电解电容器性能简要说明钽电容器目前仍然是一种体积容量比最高的电荷能量储存元件,它能够储存的电能量高低取决于介质层的厚度和面积,而它的介质层的介电能力可以达到120KV/mm,它相对的介电常数为27×10-12法拉/米,因此钽电容器可以在很薄的介质层内承受极高的场强,这是它体积容量比较高的根本原因。
它可以储存的电容量C与介质层的厚度d及介质层的面积A之间的关系如下:C=(ε0εr A)/d这里:ε0是真空中的介质常数(8.855×10-12法拉/米)εr是五氧化二钽的相对介质常数=27d 是金属中电介质的厚度(单位是米)C 是电容量,单位法拉A 是表面积,单位是m2钽电容器能够储能是因为其介质层五氧化二钽具有容许交流电通过阻止直流电通过的单向导电性,因此它属于极性电容器,使用和测试时必须特别注意它与叠层陶瓷电容器的区别。
其介质层的形成是基于钽是一种阀金属,在电化学状态下形成的无定型五氧化物具有的单向导电性是它能够成为制造电容器的优良材料的根本原因,它的介质层形成的电化学原理见下化学式。
介质的厚度通过形成(赋能)过程中施加的电压进行控制,最初在酸性溶液中保持直流电流不变,直到达到正确的介质厚度,(即电压达到“赋能”电压),然后转换到电压不变,直到电流衰减接近为零。
下面的化学方程式介绍了该过程。
钽阳极:2Ta→2Ta5+ + 10e-2Ta5+ + 10 OH-→Ta2O5 + 5H2O阴极:10H2O – 10e-→ 5H2 + 10 OH-形成的阳极再通过化学方法,在介质层上沉积一层电子电导型的二氧化锰作为电容器的阴极,这样,电容器的电容量就可以在固态下被引出成为一个可以储藏电能量的元件,制造电容器使用的材料如下:阳极:钽粉和钽丝(Ta)引线保护:垫圈(聚四氟乙烯)介质:五氧化二钽(Ta2O5)阴极:二氧化锰(MnO2)对应电极:碳(C)装配:银胶(Ag) 银浆(Ag)防潮物:硅基材料包封材料:热固环氧树脂包装:塑料载带(聚碳酸酯)、塑料上带(聚酯)、塑料卷盘(聚苯乙烯)无铅引线框架无铅引线框架是铁(Fe)基镍合金,有薄的镍隔离层(Ni) 外镀100% 锡(Sn) 。
耐压等级最高的片式钽电容器片式钽电容器的阴极采用电子电导型的二氧化锰作为产品阴极,二氧化锰生产的电解电容器具有非常强的自我修补能力,因此,自60年代问世以来,目前为止,它仍然是中高压固体钽电容器最合适的阴极材料。
尽管近些年已经出现了高频阻抗更低的3,4乙烯二氧噻吩[聚噻吩]作阴极的高分子片式钽电容器,但由于高分子阴极的电阻率太低,因此,它不能使用在16V以上的钽电容器上。
在生产二氧化锰作阴极的片式钽电容器时,二氧化锰阴极使用化学分解的方法来制造,由于产品反复经过多次的高温化学分解,因此,在生产结束时,产品的耐压将有大幅度下降。
为了弥补化学分解制造阴极时导致的耐压下降问题,一般在决定产品耐压高低的介质层形成时,必须使用远远高于额定电压的形成电压来形成介质层。
一般使用的介质层形成电压和额定电压的比例为4:1。
也就是说额定电压为50V的产品的介质层形成电压必须达到200V 以上产品的耐压才可以保证。
而由于体积限制,片式钽不同壳号的尺寸采用IEC标准,因此装粉量受到严格限制。
同时,受制于生产钽电容器使用的钽粉生产技术水平的限制,在有限的壳号内,片式钽电容器的最高耐压一般最高只能达到50V的水平。
片式钽最大的使用电路基本上都是高浪涌高纹波的开关电源电路,使用在此类低阻抗电路,使用电压只能达到额定电压的1/3,为存在的浪涌留出足够的余量才可以保证安全和可靠性能够达到整机的可靠性要求。
因此,50V的片式钽在此类电路的上限使用电压不能超过16V,如果电路中的供电电流较小[例如使用电池供电的电路],使用电压才可以达到额定电压的1/2。
当此类电路的使用电压较高时,特别是高可靠的军用电路,必须使用耐压更高的片式钽电容器才可以达到高可靠要求。
为了达到特殊的军用电路要求,北京718电子有限责任公司专门开发了一种新型的片式钽电容器,此产品使用了最新的高可靠材料和最新的介质层形成技术,产品的耐压可以达到63V以上。
产品的温度特性极为优良,在-55-+125度内,容量变化率在-3-+3%以内。
片式固体电解质钽电容器
规格承认书
型号规格:CA45-B-10V-47μF-K 立创编码:C136658
1. 产品特点
该产品为模压封装、片式引出,具有密封性好、重量轻、电性能优良、稳定可靠等特点。
适用于移动通讯、摄像机、程控交换机、计算机、汽车电子等各种电子设备的表面贴装直流或脉动电路。
2. 产品型号及编码说明
CA45 - B - 10V - 47μF - K
型号 壳号 额定电压 标称电容量 容量偏差
3. 产品外形及尺寸:见图1及表1
表1 电容器的外形尺寸
单位:mm
4.电性能参数
4.1 工作温度范围:-55℃~125℃;85℃以上施加降额电压。
4.2 标称电容量允许偏差(25℃,100Hz):K:±10%;
4.3 主要电性能参数:见表2
表2 电性能参数表
5.标志
5.1标志内容
(1)商标及正极标识
(2)标称电容量
(3)额定工作电压
5.2 标志说明:见图2(举例)。
6. 产品外观质量
6.1 产品本体应无针眼、缺角、缺块、发黑、漏封、裂纹、引出片断裂等现象。
6.2 产品标志:应清晰、完整、正确;无重影、漏打等现象。
7.包装
7.1 产品编带的尺寸及卷绕方向:见图3、图4、表4、表5。
注:用户未要求时,编带卷绕方向通常按左旋卷绕方向。
7.2包装数量:见表3
表3 包装数量
7.3产品内外包装盒应无破损,料盘、小盒及外包装箱上应有相应物料标识单,标识应清楚、准确。
7.4每批产品应附产品合格证,内容包括产品型号、规格、壳号、容量级别、数量、生产批号及执
图4
表 4 编带尺寸
单位:mm
表 5 卷盘尺寸和数量
8.典型试验要求:见表6
表6 典型试验要求
9 应用指南
9.1室温电性能的测量
9.1.1 电容量(C)和损耗角正切(tg δ)的测量
●施加电压: 直流偏压:U-=2.20 -1.0V ;交流偏压(有效值)的范围:U ~=1.00
-0.5V
●测量时,确保电容器正、负极的接法正确,否则读数会产生较大的偏差。
9.1.2漏电流(I )的测量
●施加电压:额定电压测量时,应串联1000Ω的保护电阻。
施加额定电压后3至5分钟,漏电流指针稳定后读数。
●测量漏电流时,严禁将产品的正、负极接反,如不慎接反,该只电容器应报废,即使电性能仍合格,也不能再使用。
●产品测量完毕后,应对电容器进行完全放电,放电可采用下列方法进行:通过1K Ω电阻放电5秒后再通过导线短路放电30秒。
9.1.3等效串联电阻(ESR )的测量
●测量频率: 100KHz 直流偏压U-=2.20 -1.0V ,交流偏压(有效值)U ~=1.00 -0.5V.
●等效串联电阻值的测量受导线的影响较大,为了测量的正确性,一方面应采用专用的夹具进行测量,另一方面在测量前应对仪表进行校正。
9.2电路设计应考虑的问题 9.2.1关于反向电压
●片式钽电解质电容器为极性电容器,不允许施加反向电压,并且不可在纯交流电路中使用。
9.2.2工作电压/降额电压
●大约90%以上片式钽电容器失效表现为短路或漏电流增大模式,为了提高可靠性,在设计电路中充分考虑降额是必要的。
特别是在低阻抗电路中,建议降额至1/3额定电压或更低使用,一般电路建议降额至2/3额定电压或更低使用。
(注:低阻抗电路是指瞬间充电电流大于300mA 或电压瞬时上升时间小于1ms 的电路。
)
●在有开关或瞬时充放电的电路中,建议使用串联电阻,其值为3Ω/V ,以限制电流在300mA 以下,太低的阻抗会导致失效率的增加,如电路不允许插入电阻,应降额至1/3的额定电压或更低使用,低于0.1Ω/V 的电路阻抗,应考虑电路保护问题。
9.3电容器的焊接安装 9.3.1产品的焊接和清洗
●采用烙铁焊接时,使用烙铁应在30W 以下,烙铁的尖端温度小于260℃,使用时间小于4 秒。
●采用再流焊或波峰焊时,最高预热温度150℃,时间5分钟。
推荐的焊接条件为235℃,10秒。
●片式钽电容推荐的焊接曲线图见图5。
图5 再流焊焊接曲线
●无论是手工焊还是再流焊,都应避免采用活性高,酸性强的助焊剂,以免清洗不干净后渗透、腐蚀和扩散,进而影响其可靠性。
建议用免清洗助焊剂,需要时建议使用异丙醇清洗,时间超过5分钟;建议不采用超声波清洗。
●在安装时不要施加过大的外力,以免电容器本体或引出焊片的电镀层脱落或受伤;已安装过一次的电容请勿再使用。
9.3.2 可选用的焊接方法
(1)气相再流焊;(2)远红外再流焊;(3)波峰焊;(4)热板再流焊;(5)手工焊。
9.4使用中的注意事项
●钽电容器在使用过程中,原则上禁止使用三用表电阻档对有钽电容的电路或电容器本身进行不分极性的测试。
●通电后,如出现臭味或冒烟,立即切断电源,产品燃烧时,请勿将脸和手等接近。
在整个使用过程中,如不慎对电容器施加不恰当的电压(如超压或反向),或外力(机械应力或热应力)该产品,应被剔除,即使性能合格也不能再使用。
9.5电容器的储存
该款电容器的潮湿敏感等级为1级,应在不拆除包装的状态下储存,勿暴露在直射阳光或尘埃中,一般应在常温(5~35℃)、(相对湿度75%以下)的环境下保存。
如长期置于高温、高湿的环境中,不仅将使引出焊片的可焊性变差,而且将使电容器的性能变差。
在原则上,保存期限为2年,对超过保存期限的产品请重新检验,确认无异常后再使用。
9.6推荐的焊接尺寸:见图6和表7、表8
图6
表7 小焊盘焊接单位:mm
表8 大焊盘焊接单位:mm。