电液转换器使用说明书
- 格式:doc
- 大小:16.11 MB
- 文档页数:18
电液转换器原理与调试电液转换器(Electro-Hydraulic Converter)是一种将电能转换为液压能的装置,广泛应用于工业控制系统中。
它的工作原理是通过电信号控制阀门的开关,从而改变液压系统中液压元件的工作状态,实现对液压系统的控制和调节。
液压系统中的元件包括液压缸、液压马达、液压阀等。
通过控制电动机的启动和停止,可以实现对液压泵的启动和停止。
而通过控制液压泵的工作状态和输出压力,可以实现对液压缸等液压元件的运行速度、位置和力度的调节。
为了能够更好地控制液压系统,通常还需要使用电子控制器。
电子控制器通过接收电信号,并进行处理、转换和放大等操作,将电信号转换为适合液压系统的控制信号。
控制信号通过控制液压阀的开关,从而实现对液压系统的精确控制。
调试电液转换器需要根据具体的应用需求和设计要求进行。
首先,需要检查液压系统中液压油的质量和量,确保系统正常工作。
同时,还需要检查液压泵的工作状态和压力参数,确保其输出符合要求。
在调试过程中,还需要对液压系统中的液压元件进行校准。
校准包括对液压阀的开关状态进行调节,以及对液压泵的输出压力和流量进行调节。
调节液压元件的工作参数可以通过改变电子控制器的工作状态和参数实现。
在进行调试时,还需要密切关注液压系统中的压力和流量参数。
通过检测压力和流量的变化情况,可以判断液压系统的工作状态是否正常,以及控制效果是否达到预期。
此外,在调试过程中还需要注意安全问题。
液压系统中会产生高压和高温的工作环境,需要采取相应的安全措施,防止事故发生。
总结起来,电液转换器通过电能转换为液压能,实现对液压系统的控制和调节。
在调试过程中,需要检查液压系统的各项参数,校准液压元件的工作状态,并关注压力和流量的变化情况。
同时,还需要注意安全问题,确保调试过程的顺利进行。
数字电液转换器DEH运行操作2.1 前言根据系统设计、组态结果及WoodWard505数字控制器操作程序,结合我厂提供的配置本产品的汽轮机启动要求,特编写运行规程仅供运行人员作为操作指导。
本章主要在以下几个方面,阐述控制器在机组控制中的基本操作:2.1.1启动前的准备检查;2.1.2升速控制;2.1.3并网、升负荷及负荷控制;2.1.4甩负荷;2.1.5超速试验;2.1.6停机。
2.2 启动前的准备、检查在控制器投入运行前以下的准备及检查工作必须进行且没有遗漏2.2.1确认控制电源为AC220V且已正确接入相应端子:L、N、G。
2.2.2确认与控制器相连的所有信号均正确无误,电缆符合要求,屏蔽线控制器内连接接地。
2.2.3控制器上电后,确认专业工程师已将最终的组态软件已存入控制器中。
2.2.4控制器上电后,确认无故障报警,机组已具备冲转条件,油动机符合静态试验要求:2.2.4.1油动机及油系统已具备试验条件;2.2.4.2汽机505复位,保护复归,磁力断路油门复位;2.2.4.3按伺服阀控制器说明书进行阀门校验;2.2.4.4校验完后,通过在伺服阀控制器端子上接入4-20mA信号校验,验入4mA 油动机是否刚开20mA时,验入20mA 油动机是否全开,若满足要求则油动机静态试验完成。
2.3 升速控制运行人员在控制器操作盘上按“RUN”前,先要就地将机组挂闸,自动主汽门开启操作,接下来确认控制器显示屏上无影响启机及运行安全的故障报警。
2.3.1按“RESET”清除跳机信号和故障报警信号。
2.3.2 在Controlling ParameterPush Run/Rrogram显示时按“RUN”后汽机冲转。
2.3.3显示屏将显示实际转速(Speed)及状态信息“Status Mvg Low Idle”即Speed xxxxRPM 实际转速Status messagel 信息(屏1)messagel “Mvg Low Idle”(正向第一暖机点升速。
VOITH电液转换器使用说明书型号:DSG-BXX113目录1.技术数据 (1)2.安全指示 (3)2.1 提示和标志的定义2.2 正确使用2.3 重要提示2.4 担保3.功能描述 (6)3.1 设计3.2 操作特点4.包装、储存、运输…………………………………………75.安装…………………………………………………………85.1 组装5.2 液压连接5.3 电器连接6. 试运行 (10)6.1 运行检测6.2 参数设定7.操作 (11)7.1 用手动旋钮操作7.2 用设定信号操作7.3 故障检修和排除8. 维护和检修…………………………………………………9. 停机…………………………………………………………1、技术数据:周围环境:储存温度-40 (90)工作环境温度-20 (85)保护IP65 to EN 60529适合于在工业空间内部安装电气数据:电压:24 VCD ±15%电流:大约0.7A(对DSG-B05…DSG-B10型)大约1A(对DSG-B30型)最大3A 时间t ‹1 Sec输入设置:0/4…20mA输入阻抗大约25欧姆,具有抑制电路。
液压参数:最小进口油压P in min: 1.5bar+最大输出P A max(对B05…B10型)5bar+最大输出油压P A max(对B30型)最大进口油压P in max :见表压力流体:不易燃烧的原油或压力油油粘度:根据DIN51519,ISO VG32…ISO VG48油温:+10℃ (70)油纯度:根据NAS1638为7级根据ISO4406为-/16/13级泄漏量:当进口油压P in=10bar 时≤3 l/min (对DSG-B05…DSG-B10 ) 当进口油压P in=40bar 时≤5 l/min(对DSG-B30)P A最小值调整范围处决于P A最大值的设定值.。
上面表中所示P A最小值的调整范围参考P A max的最小调整值机械参数:安装尺寸:见第十章液压连接:见第十章安装位置:见第十章密封材料:FPM重量:大约12kg2.安全指示:2.1提示和标记的定义:危险:这标志标示对人的生命和健康带会带来危险,如不遵照此提示,将会对健康发生危害,甚至发生更加严重的损害。
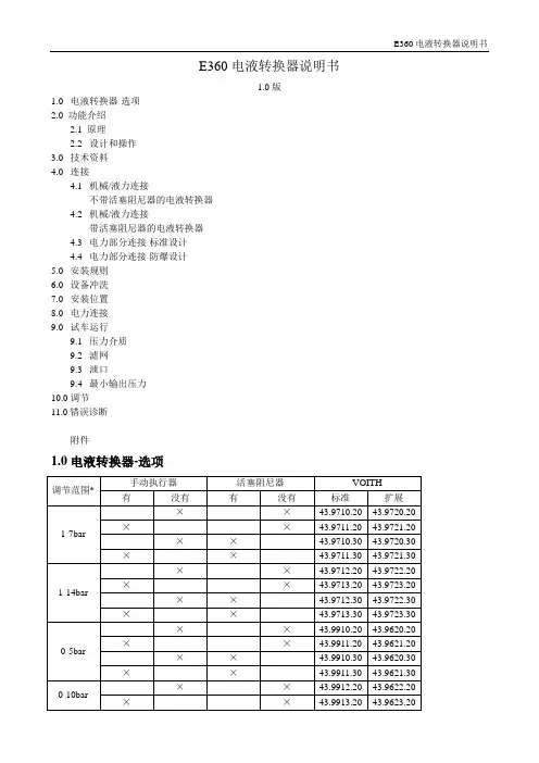
E360电液转换器说明书1.0版1.0 电液转换器-选项2.0 功能介绍2.1 原理2.2 设计和操作3.0 技术资料4.0 连接4.1 机械/液力连接不带活塞阻尼器的电液转换器4.2 机械/液力连接带活塞阻尼器的电液转换器4.3 电力部分连接-标准设计4.4 电力部分连接-防爆设计5.0 安装规则6.0设备冲洗7.0安装位置8.0电力连接9.0试车运行9.1压力介质9.2滤网9.3泄口9.4最小输出压力10.0 调节11.0错误诊断附件1.0 电液转换器-选项*)超出调查范围图概要(看附件):43.9862.21 不带活塞阻尼器标准设计43.9862.30 带活塞阻尼器标准设计43.9631.11 不带活塞阻尼器防爆设计43.9631.30 带活塞阻尼器防爆设计2.0 功能介绍2.1 原理电液转换器充当压力限制电磁阀。
依据一定的准则,电子输入信号被转换成相应的压力信号。
2.2 设计和操作通过两个位置控制器的配合,计算和控制电磁力到预设值。
输出压力作用在一控制动作方向是和电磁力相反的活塞上。
因为选择的控制因素,电磁力是以大约60Hz的频率围绕平均值波动的。
活塞增大或减小控制输入压力管和排管之间相交部分,达到稳定位置。
输出压力正确总是对应当前的信号数据。
手动执行器:电液转换器带手动执行旋钮,即使没有外部辅助电源,操作数据能被设置。
3.0 技术数据3.1 机械/液压数据:装置尺寸:标准设计:参看图no.43.9862.××防爆设计:参看图no.43.9631.××液压连接:参看图:“电液转换器-液压连接”最大输出压力。
(也是设计的可能的最高压力):P=40barI E=0或4mA时最小输出压力:P A0=0barI E=20mA时最大输出压力:P A1=20bar在△P=1bar,T=50℃,粘度=30mm²/s最大排油流速(A→T1)大约45l/min油洁净等级:最大容许污秽等级为NAS1638等级7 或ISO4406 Class 16/13(我们建议滤网最小维持率β6≥200)因为液力振动,我们建议设计使用阻尼活塞。
与505/505E配套使用的电液转换器为两种:VOITH和CPC 1、VOITH1 - 控制磁性调节阀体P in -进口油压2 –动力传输杆P A -输出信号油压3 - ×0和×1电位计4 - 手动操作旋钮T1-回油5 - 电气接线T2 -回油6 - 控制壳体F Mag -磁力7 - 带阻尼活塞的控制活塞F Hyd-液压力8 –端盖F Fed-弹簧力9 –控制弹簧手动操作旋钮的功能:通过手动操作旋钮来控制电液转换器的磁铁,依靠这个旋钮,能设定一个可调的弹簧力以替代磁力F Mag。
弹簧力通过电枢和传输杆控制活塞,液压力F Hyd与输出信号压力P A成正比,但作用力方向与弹簧力相反,这样输出压力的调节不需要电气就可实现。
用手动旋钮操作时,由电液转换器控制的液压元件的行程位移不受控制,其输出发生变化是由于输出信号压力的增加。
只有把弹性挡圈从手动操作旋钮上移开时才能手动操作。
完成手动操作以后,顺时针转动计数器,使手动操作旋钮回到原来位置,再把弹性档圈推到原来位置。
作用方向:顺时针旋转输出压力增加。
电位计的作用:×0-在电位计×0 的帮助下,可以调节最小的输出压力P A min ,当设定值为4mA时。
电位计顺时针旋转,压力增加。
×1-在电位计×1 的帮助下,可以调节最大的输出压力P A max ,当设定值为20mA时。
电位计顺时针旋转,压力增加。
电位计×1先于×0 调整。
电位计×1的调节将影响×0的调整。
4~20mA对应油压为0.15MPa~0.45MPaVOITH接线CPC压力输出大小(LEVEL) 此调整量改变压力的输出大小,调整它对各个点都起作用,顺时针调整将增大压力输出。
压力范围(RANGE) 此调整量改变压力输出的范围,即压力曲线的斜率,顺时针调整将增大压力输出曲线的斜率。
标定一、输入电流和输出压力1. 将输入电流置于12mA 测量输出压力2. 调整压力Level电位器将输出压力调整到所需值3. 将输入电流置于20mA 测量输出压力4. 调整压力范围Range 电位器将输出压力调整到所需值5. 再次将输入电流置于12mA 调整压力Level电位器6. 将输入电流置于4mA 调整压力 Range 电位器注意顺时针调整Range 电位器将减小输出压力7. 重复1-6 步操作直至输出压力在极限值的公差范围内注意压力Level电位器和压力 Range 电位器为多圈电位器, 25转二、动态调整1. 将输入电流置于12mA2. 顺时针慢慢将增益Gain 电位器至中间位置如果输出压力不稳定则逆时针调整电位器通常50%的增益将适用于各种类型的负载3. 对于小型或闭锁的伺服机构稳定电位器Stability 通常设定为10%-20% 对于大型的伺服机构通常设定为50%-60% 如果油温比较低或油的粘质比较大请适当增加稳定值的调整如果发现输出压力有高频抖动现象, 则应减小稳定值同时可适当增大增益4. 从4 mA 到20mA 逐步增大电流检查输出压力是否稳定4~20mA对应油压为0.25MPa~0.6MpaCPC与VOITH相比的优缺点:优点:反应灵敏,有超限报警缺点:调节麻烦,对油质要求高(5um滤网),无法脱机试验针对这一问题,woodward公司新研发了CPCII产品CPCII改进:1、去掉滤网2、提高功率,提高动作的灵敏性和可靠性。
电液转换器工作原理:(见图)
当信号电流为零时, 芯棒与滑阀处于左端极限位置, 压力油腔与控制油压之间节流口关闭.腔经阀芯中地内孔与回油腔相通,所以腔处于卸压状态.资料个人收集整理,勿做商业用途
当信号电流()增加时,芯棒在磁场作用力下,或比例地产生一个向右作用力,推动滑阀向右移动,使控制油腔与回油腔地流通面积减小,与压力油腔地流通面积增大,根据流量平衡原理,控制油压升高,随着油压地升高,与油腔相通地腔压力也升高.当产生地油压力与相抵消时,滑阀达到平衡,控制油压稳定.腔油压值即是成比例地对应输入信号地相应值. 资料个人收集整理,勿做商业用途
当信号电流减小时,芯棒在磁场作用力下,产生一个向左作用力.这时,由于与油腔相通地腔油压力大于芯棒作用力,滑阀向左移动,使得控制油腔与回油腔地流通面积增大,与压力油腔地流通面积减小,控制油压降低.同时,腔油压亦降低,芯棒上地磁场力与油压力相等,滑阀达到平衡,控制油压稳定.资料个人收集整理,勿做商业用途
在手动工作状态,旋动手轮,经传动杆推动芯棒移动,即能调到所要求地控制油压.
一般对应-控制电流输出地二次脉冲油压为,在这一段范围内控制特性地线形度较高. 资料个人收集整理,勿做商业用途
电液转换器调试过程:。
有任何关于1/H型转换器的问题,根据转换器上的物品号和序列号,请联系V oith Turbo Gmbh & Co.KG公司电驱动系统的服务部。
V oith Turbo Gmbh & Co. KG邮政信箱15 55D-74555 Crailsheim总机:++49-7951/32-0传真:++49-7951/32-500电驱动系统产品服务部电话:++49-7951/32-470传真:++49-7951/32-605电子邮箱:****************V oith Turbo Gmbh & Co. KG供货地址Dept.ceV othstr.1D-74564 Crailsheim这个安装手册说明了从2003年9月以来交货的1/H转换器的技术条件。
在这之后交付产品所作的任何修改不写入本操作手册之内。
本安装手册版权所有未经许可,不得复制或翻译用作其他用途。
中国唯一代理:杭州怡林机电技术开发有限公司杭州市朝晖路182号国都发展大厦1幢19层H座邮编:310014电话:+86-571-85808865传真:+86-571-85808807内容1.技术数据2.安全信息2.1 标识符号说明2.2 使用范围2.3 重要说明2.4 授权3.功能描述3.1 构造设计3.2 操作特性4.包装、存储和运输5.安装5.1 装配5.2 液压连接5.3 电路连接6.试车6.1 测试运行6.2 参数设置7.操作7.1 用手动旋钮操作7.2 用设置信号操作7.3 问题解答和矫正措施8.维护和修理9.关闭10.接线略图11.附件1.技术数据环境条件:存储的环境温度-400C (900)环境温度-200C (850)保护IP 65 到EN 60529适合工业空气中的内部安装电路数据:电压24VDC±15%电源消耗接近0.7A 最大3A,对t<1秒给定值输入w=0/4…20mA 抑制电路输入电阻25欧姆液压数据:最小输入压力 1.5bar大于P A最大值最大输入压力见表压力流体矿物油或液压油(不易燃烧的要求)压力流体粘性ISO VG 32…ISO VG 48 到DIN 51519压力流体温度+100C (700)油纯度推荐纯度等级:NAS1638等级7 ISO4406等级-/16/13A AP A最小值的调节范围显示了第一条线涉及的最小的可调整的P A最大值。
使用说明书(电池供电型)ABG仪表集团服务热线:400-666-5262目录1概述 (2)2性能指标 (2)3传感器配套要求 (3)4安装尺寸图 (4)4.1圆型一体立式 (4)4.2方型分体式 (5)5转换器图片 (5)6转换器信号线定义 (5)6.1圆表一体型端子接线与标示 (5)6.2方表分体端子接线与标示 (6)7流量检定 (7)7.1脉冲输出信号线 (7)7.2脉冲输出同标定系统的连线 (9)7.3脉冲输出参数设置 (10)7.4进入仪表检定模式 (10)8仪表参数设置 (11)8.1参数菜单 (11)8.2仪表详细参数说明 (13)9仪表报警显示 (15)10励磁方式选择 (16)11间隔测量模式 (16)12间隔测量时间 (16)13流量频测阈值 (16)附录1非线性修正功能说明 (17)附录2更换电池说明 (18)附录3各口径下脉冲宽度为1MS时设置参考表 (21)附录4W801转换器调节励磁电流的方法 (22)1概述Lmag_W801系我公司研发的电池供电型电磁水表转换器系列,该系列转换器能与普通电磁流量计传感器配套,并达到0.5级和0.2级流量测量精度。
也就是说,简单地将原普通电磁流量计,换上Lmag_W801转换器,用户就开发出了全新产品-电磁水表系列产品。
Lmag_W801电磁水表转换器标配一个常规锂电池组,可持续工作3--6年。
若配用高容量锂电池组,持续工作时间会更长。
Lmag_W801电磁水表转换器可采用基站式无线通讯网络系统,在区域中心建立通讯基站,覆盖半径为1000米。
各台电磁水表同基站进行近距通讯(SRD模式),使用928MHZ开放频段(美国标准)。
基站通过GPRS 或CDMA手机通讯网络完成同管理计算机的数据通讯。
此外,Lmag_W801电磁水表转换器也可直接通过GPRS或CDMA手机通讯网络完成同管理计算机的数据通讯(GPRS通讯详见通讯说明书)。
Lmag_W801电磁水表转换器采用压铸铝表壳,IP68密封防护设计,可使用在井下等潮湿场合。
-N型电液转换器型号:SVA9--N 价格:18000.00使用说明书SVA9-N 型电液转换器是专为汽轮机电液调速器开发的关键电-位移转换元件,它能把微弱的电气信号通过液压放大转换为具有相当大作用力的位移输出。
SVA9-N型电液转换器主要由动圈式力马达、控制滑阀及随动活塞三大部分组成,控制滑阀与随动活塞之间采用直接位置反馈,安装方式采用板式连接。
SVA9-N型电液转换器是SV9型电液转换器的改进型,是我公司应用户要求改制的抗污染型电液转换器,它针对电站行业对电液转换器工作须绝对可靠的要求,在SV9型基础上改进零部件材质、提高加工精度,加大动圈出力,并在进油口处增设可反吹冲洗、反复使用的高效过滤器。
与SV9相比,抗污染能力更强,工作更可靠,是更适合于电站行业应用的新一代电液转换器。
除电气参数不同外,在连接尺寸上它与SV9完全一致,可以方便地替代SV9而不需对调速器作任何改动。
SVA9-N型电液转换器结构精密,工作可靠,灵敏度高,动特性好,对油液洁净度要求较低,在NAS8级的油液中能长期稳定地工作,除此之外,还具有液压应急控制功能,只要通过一个二位四通阀把进出油口(P、T)换向或在进出油口(P、T)同时通入压力油,随动活塞就能立即下推到底。
一、工作原理SVA9-N型电液转换器的电气――位移转换部分采用了动圈力马达结构,液压放大部分采用了具有直接位置反馈的三通控制滑阀控制差动缸(随动活塞)的典型结构。
其工作原理如下:磁钢在气隙中造成固定磁场,当动圈绕组中有控制电流通过时,动圈在气隙磁场中受电磁力的作用,此电磁力克服弹簧力使动圈及控制滑阀产生与控制电流成正比例的位移。
压力油从P口进入,流经控制滑阀与随动活塞的上下可变节流口,由T口回油。
油源压力直接作用在随动活塞下腔,使之始终有一个向上的恒力,而上下节流口间的控制油压则作用在随动活塞上腔(被控腔),使之产生一个向下的推力。
随动活塞上腔面积设计成是下腔面积的两倍,因此当控制滑阀静止时,随动活塞自动地稳定在一个平衡位置,在这个位置上,上、下节流口的过流面积相等上腔控制油压刚好等于下腔油源压力的一半,使作用在随动活塞两端的液压推力相等。
使用说明书 OPERATIONAL MANUAL版本:AVersion:A电液转换器Elec-hydr. ConverterVOITH TURBO GMBH & CO.KGI/H ConverterType DSG-B03212Type DSG-B07212 Instruction ManualVersion 1.005 / 03cet - Ochs Voith Turbo GmbH & Co, KG Page: 1 / 20Should you have any questions concerning the I/H converter, please contactthe Service Department of the product group Electronic Drive Systems,Voith Turbo GmbH & Co. KG, Crailsheim, indicatingarticle number and serial number of the I/H converter.Voith Turbo GmbH & Co. KGP.O. Box 15 55D-74555 CrailsheimSwitchboard:++49 – 7951 / 32 - 0Fax:++49 – 7951 / 32 – 500Service department of the product groupElectronic Drive SystemsDirect dial:++49 – 7951 / 32 - 470Direct fax: ++49 – 7951 / 32 - 605E-mail: turcon@Address for goods supplied:Voith Turbo GmbH & Co. KGDept. ceVoithstr. 1D-74564 CrailsheimThis instruction manual describes the technical condition of theI/H converter on delivery from May 2003.Any modifications following the delivery are not considered in this operating manual.Ó Voith Turbo GmbH & Co. KG 2003This instruction manual is protected by copyright.It may not be reproduced or translated in any form or by anymeans (mechanical or electronic) or submitted tothird parties, without the publisher’s written approval.Issued:03-05Order No.: 3.626- 018861 enVersion: 1.00Printed in Germany05 / 03cet - Ochs Voith Turbo GmbH & Co, KG Page: 2 / 20Contents1.Technical data2.Safety Information2.1Definition of notes and symbols2.2Proper use2.3Important notes2.4Warranty3.Functional Description3.1Mechanical design3.2Operating characteristics4.Packing, Storage and Transport5.Installation5.1Mounting5.2Hydraulic connection5.3Electric connection6. Commissioning6.1Test run6.2Parameter setting7. Operation7.1 Operation with manual operation knob7.2 Operation wit set signal7.3 Trouble shooting and remedial action8.Maintenance and Repair9.Shutdown10.Outline drawing with Wiring Diagram11.Annex05 / 03cet - Ochs Voith Turbo GmbH & Co, KG Page: 3 / 201.Technical DataAmbient conditions:Ambient temperature for storage-40 °C ... +90 °CAmbient temperature:- Normal operation-20 °C ... +85 °C- Potentially explosive atmos.-20 °C ... +60 °CExplosion protection EEx d IICTemperature class T4, at Ta = -20 °C ... +60 °CDevice group IICategory2GProtection IP 65 to EN 60529suitable for internal installation in industrial airElectric data:Supply voltage24 VDC ± 10%Power consumption approx. 0.7 Amax. 3 A, for t < 1 secSetpoint input w = 0/4...20 mAinput resistor 25 Ohmwith suppressor circuit05 / 03cet - Ochs Voith Turbo GmbH & Co, KG Page: 4 / 20Hydraulic data:Input pressure P in min 1.5 bar more than P A max Input pressure P in max see tablePressure fluid mineral oil or hydraulic oil(hardly combustible fluids onrequest)Viscosity pressure fluid ISO VG 32... ISO VG 48 toDIN 51519Temperature pressure fluid:+10 °C...+60 °COil purity recommended purity class:To NAS1638 class 7To ISO4406 class -/16/13 Leakage£ 5 l/minDSG-BXX212TypeB03...B07... Output pressure regulating rangeP A[bar]0..30..7 Input pressureP(max) [bar]4040Flow rate line P ® AQ1[l/min]at D P = 1 bar1717Flow rate line A ® TQ2[l/min]at D P = 1 bar1818Regulating range approx.P A max [bar]at setpoint w = 20 mA1..3 5..7Regulating range approx.P A min [bar] at setpoint w = 4 mA 0..0.80..21..31.5..5The regulating range of P A min depends on the set pressure P A max.The regulating range of P A min indicated in the first line refers to the minimumadjustable pressure P A max .Mechanical data:Dimensions, fitting see chapter 10Hydraulic connection see chapter 10Mounting position see chapter 10Sealing material FPMWeight approx. 12 kg05 / 03cet - Ochs Voith Turbo GmbH & Co, KG Page: 5 / 202.Safety Information2.1Definition of notes and symbolsDanger !This symbol signals an imminent danger to the life and health of individuals.If this note is not observed, injury to health and even mostserious injuries may be the consequence.Warning !This symbol signals a harmful situation.If this note is not observed, the product may be damaged.Note !This symbol refers to proper handling of the product. It does not refer toor indicate a dangerous situation.2.2Proper useThe I/H converter serves to transform an electric set signalinto a related hydraulic output pressure reduced to feed-in pressure. Thisallows, for example, adjusting control pistons at hydraulic cylinders whichare used to position the valves of steam turbines.The I/H converter is suitable for usage in potentially explosiveatmospheres according to the explosion protection mentioned inchapter 1.2.3Important notesThe following notes refer to the entire instruction manual and have to beobserved in addition to the individual notes.Accident prevention·In any case observe the relevant standards and regulations when connecting an I/H converter in ex-design.·Improper use may cause operating agent under pressure to leak at the sealing surfaces. There is a risk of fire around hot components.·Isolate the hydraulic supply prior to working on the I/H converter.05 / 03cet - Ochs Voith Turbo GmbH & Co, KG Page: 6 / 20·Failure of electric power or disturbance of the control electronics integrated in the I/H converter may cause strong variations of theoutput pressure when operating the I/H converter. Thus e.g. thepiston rod of a hydraulic cylinder may move uncontrolled, causing danger to individuals or equipment.·During operation, the outer surfaces of the I/H converter may heat up due to the pressure fluid. Contact may cause skin burns. Make sureto cool down the I/H converter prior to working on it.·Electrical components are installed in the I/H converter. These components can be destroyed by e.g. welding in its surrounding.Therefore make sure to disconnect all electric connections prior toelectrical weldings in the surrounding of the I/H converter.Environment protection·During mounting, dismounting or improper use of the I/H converter pressure fluid may leak out. Operating agent reaching the sewagesystem or the open soil, causes severe environmental damages.Leaking pressure fluid has to be collected and deposited inaccordance with the national legal regulations.Instruction manual·The instruction manual contains important information for proper handling of the I/H converter. Prior to installation and commissioningof the I/H converter, read the manual carefully and make sure it iscompletely understood.·Keep this manual in a location convenient to the operating staff.·In addition to this operating manual: Have the relevant regulations for prevention of accidents and environmental protection available andobserve these.05 / 03cet - Ochs Voith Turbo GmbH & Co, KG Page: 7 / 2005 / 03cet - Ochs Voith Turbo GmbH & Co, KGPage: 8 / 20Staff qualification· Only trained and instructed staff is allowed to perform any work on theI/H converter. This personnel has to be trained and authorized to mount I/H converters professionally.· Installation, commissioning and operation have to be performed by anelectronic expert with experiences and knowledge in explosion protection.Constructional modifications· Mounting and constructional modifications are not permitted.· The screwing of the cable inlet is secured against distortion. Do notdistort or loosen the screwing.2.4WarrantyThe terms and conditions mentioned in the General Conditions of Sale of Voith Turbo GmbH & Co. KG, Crailsheim, are applicable.Warranty claims are excluded, if these are due to one or several of the following causes:· Improper transportation, storage, mounting, set-up, commissioningand operation of the I/H converter.· Not observing the safety instructions and guidelines included in thisinstruction manual.· Use of spare parts not approved byVoith Turbo GmbH & Co. KG, Crailsheim.Repair works on the I/H converter are to be performed or approved by Voith Turbo GmbH & Co. KG, Crailsheim.05 / 03cet - Ochs Voith Turbo GmbH & Co, KGPage: 9 / 203.Function3.1DesignFig. 3.1.11 – Control magnet VRMP - Input pressure2 – Tappet for power transmission P A - Output signal pressure3 - Potentiometer X0 und X14 – Manual operation knob T 1- Tank return line5 – Electric connection T 2- Tank return line int. leakage6 – Control housing F Mag - Magnetic force7 – Control piston F Hyd - Hydraulic force8 - CoverF Fed- Spring force9 - Control spring3.2 Operatingcharacteristics(see fig. 3.1.1)A set signal w = 0/4...20 mA generates a magnetic force F Mag in theVRM, the limits of which can be adjusted by means of the X0 and X1potentiometers and which is then transmitted onto the control piston viatappet.The hydraulic force F Hyd being proportional to the output signal pressureP A acts against this force.In the case of the two forces being equal, the control piston is positionedin the “hydraulic center” as shown in fig. 3.1.1 and the output signalpressure P A corresponds to the set signal. In the “hydraulic center“position the control piston performs minimum oscillating movements inthe area of the guiding edges P®P A and P A®T , in order to keep theoutput pressure P A on the value set by F Mag.When increasing the set signal and thus F Mag from this condition, thecontrol piston position changes and thus connects the output pressure P Ato the feed pressure P in and blocks P A towards the tank return line T1.Now the pressure P A will increase until the control piston returns to the”hydraulic center“ and P A corresponds to the new set signal.The spring force F Fed of the control spring generates a force-offset inorder to guarantee the I/H converter function for output pressures ofapprox. 0 bar, too.The internal leakage is fed back via tank return line T2.Function of manual operation knobThe control magnet of the I/H converter is provided with a manualoperation knob, by means of which an adjustable spring force can be setinstead of the magnetic force F Mag . This spring force affects the controlpiston via magnet armature and tappet. The hydraulic force F Hyd , beingproportional to the output signal pressure P A also acts against this springforce here. Thus adjustment of output pressure is possible withoutelectric connection.4.Packing, Storage and TransportPackingThe I/H converter is delivered in a special packing.The openings for the hydraulic connections are sealed with plugs toprevent penetration of impurities and humidity.Storage and preservingThe outer surfaces of the I/H converter are protected by means of apreserving surface coat.The internal parts are preserved by oil.Within Europe the anticorrosion protection is sufficient for approx. 8months in industrial air, presuming storage of the I/H converter in a drylocation.In case the I/H converter is supposed to be stored for a longer period oftime, special precautions will have to be taken.In each specific case, these precautions have to be agreed withVoith Turbo GmbH & Co, KG, Crailsheim.The storage ambient conditions have to be within the limits as indicatedin chapter 1.TransportImproper transport may cause personal injuries and damages toproperty.Pack the I/H converter in a way that prevents housing damages duringtransport. In particular make sure that no compulsive forces affect theelectric cable fitting and the electric feed in cable are not kinked ordamaged. Do not hold the I/H converter at the electric feed in cable fortransport.5.Installation·Improper installation of the I/H converter may cause malfunctions and premature failure of the operation of the I/H converter.·Cleanliness is imperative during installation an connection. Prevent that any impurities ( dust, metal chips etc.) can get into the I/Hconverter or pipe system which may cause damage to the I/Hconverter.Cover and protect the I/H converter and in particular the electric linesduring construction time.5.1MountingPerform any work on the I/H converter only when it is in deenergizedcondition and with switched off oil supply system.Protect oil and power supply against unintentional switching-on duringmounting.Install the I/H converter in accordance with the permissible installationposition as shown in chapter 10.Recommended fastening bolts:2 pieces hexagonal screws M10, strength category 8.8.tightening torque MA=35 Nm, thread slightly oiled.Select screw length according to mounting situation.connection5.2 HydraulicThe hydraulic connection on the I/H converter is made by means ofconnection bores at its bottom. The connection flange is sealed witho-rings. Please refer to chapter 10 for position and dimensions of theconnections.Surface roughness of connecting flange:Ra = 1.6 m m, Rmax = 6.3 m mOnly pressure-less return of the operating medium through the return lineT2 to the tank, ensures proper work of the I/H converter.In practise the tank lines for the connections T1 and T2 are joinedtogether and laid downgrade towards the tank in one common pipe line.Requirements to this pipe line:Nominal size 20 mm or bigger for I/H converters with an output pressureup to 10 bar.Nominal size 30 mm or bigger for I/H converters with an output pressureof more than 10 bar.Observe the correct pressure range when selecting pipes, hoses,screwings and flanges.Immediately replace damaged pipes and hose lines.When assembling the pipe lines, ensure that it is fastened to fixedstructures, free from vibration and not to moving equipment. Temperaturevariations of the piping (thus alterations in length) must not applyconstraining forces to the I/H converter.Clean pipe lines from dirt, cinder, sand, chips etc. prior to installation.Pickle or flush welded pipes.Clean and flush carefully all pipe and hose lines prior to attaching theI/H converter.=> For flushing, a flushing plate (Art. No. 43.8565.10) is available.See chapter 11.=> To connect the I/H converter to the piping system an adapter (Art. no.43.9300.11) is available. See chapter 11.·Residual oil may leak when removing the plug (max. 0,1 l). Collect the oil in a suitable container and deposit it properly.·Do not use fibrous or hardening sealing compounds, such as e.g.hemp or mastic to seal the connections and screwings.5.3Electric connectionThe electric system has to be connected in accordance with electricalengineering standards and legal regulations of the manufacturingcountry. The works have to be performed by an electric specialist withexperience and knowledge in explosion protection.When connecting the I/H converter within the explosion hazardous area ,the electric feed in line have to be connected in housings according toprotection type EN 50014, section 1.2.When connecting customer´s lines, avoid parallel run of the I/H converterlines with the lines of current converter assemblies.The customer`s signals and supply lines running to the I/H convertermust be screened.Please refer to chapter 10 for the wiring diagram.missioningThe I/H converter was adjusted and tested at Voith Turbo’s works bymeans of the potentiometers X0 and X1. The test result is documented inan attached test certificate.The potentiometers are provided with a protective cap to avoidunintentional maladjustment and impurities.6.1Test runMake sure that pipe lines and hydraulic system are cleaned prior toperforming a test run. The operating fluid has to be in accordance withthe purity class as indicated in chapter 1. Do not flush or clean thepressure fluid with the I/H converter being hydraulically connected.Operation of the I/H converter with contaminated pressure fluid is notpermitted, the I/H converter may be damaged.·Check the line mounting, connection and flow direction to and on the I/H converter.·Check the electric connection.·Switch on the 24 VDC power supply.·Switch on the oil supply and check input pressure.The minimum input pressure has to be 1.5 bar more than the maximumoutput pressure required at 20 mA.·Set the signal w = 0/4.. 20mA and check output pressure.During the test run, check all hydraulic connections for leakages. Incase of leakage, immediately switch off the hydraulic supply andeliminate leakages.6.2Parameter settingDue to unintentional maladjustment of the parameters or changedoperating conditions, new setting of one or both parameters may becomenecessary.We recommend to document adjustment of the parameters as well as theset values.The parameters are adjusted by means of potentiometers X0 and X1.Please refer to chapter 10 for the position of the potentiometers.Potentiometer effects:X0-With help of potentiometer X0 the minimum output pressureP A min is adjusted at a setpoint of 0 mA or 4 mA.Pressure increase by turning the potentiometer clockwise.X1-With help of potentiometer X1 the maximum output pressureP A max is adjusted at a setpoint of 20 mA.Pressure increase by turning the potentiometer clockwiseX1 should be adjusted before X0.The X1- adjustment influences the adjustment of X0.Manufacturer-provided adjustments:At the works, the I/H converter has been adjusted as indicated in theorder.7.Operation7.1 Operation with manual knobOperation with manually controlled rotary knob is possible without electricenergy.On operation with manually actuated rotary knob, uncontrolled strokemovements of the hydraulic components controlled by the I/H converteroutput might occur due to the increase in the output signal pressure.Manual operation is only possible when the circlip is removed from themanual operation knob.On completion of operation with manual operation knob, move themanual operation knob in its final position by turning it counter clockwiseand pushing in the circlip to its final position.·Remove the circlip.·Slowly turn the manual operation knob clockwise and observe the output pressure.Effective direction: Output pressure increase by clockwise rotation.7.2Operation with set signalWhen the supply voltage is switched on, the output signal pressure canbe adjusted continuously by the set signal 0/4...20 mA within the limitsset by the potentiometers X0 und X1.7.3Trouble shooting and remedial actionPrior to all works, make sure that the I/H converter was commissionedaccording to chapters 5 and 6.Malfunction: Pressure variationsThe output signal pressure P A may vary now and then orperiodically with low or high frequency and amplitude.Cause: 1. air inclusions in the hydraulic component2. low or considerably varying input pressure.3. dirt particles in the hydraulic component4. pressure on return lineRemedy: 1.On first commissioning air inclusions in the VRM may causepressure variations. Due to periodic setpoint changes(approx. 0.5 Hz) of approx. +/- 6 mA, the air will escape outof the VRM after some minutes causing the hydraulicdamping to become effective.2. Under load and in particular in case of higher outputsignal pressure, a lower input pressure may lead topressure variations.Increase and / or stabilize the input pressure by takingappropriate measures (e.g. accumulator). See also chapter1.3. Contaminated pressure fluid results in increased friction atthe control piston, thus causing hysteresis and pressurevariations.Open hydraulic component and clean the inner elements. Incase of damaged surfaces and guiding edges replace theI/H converter.4. The dimensions of the return line have to be sufficient.In case of additional consumers of the output pressureconnected to this line, make sure they do not create anypressure in the return line. See also chapter 5.2.Malfunction:Output pressure PA ® 0 bar or ® P (input pressure)Due to a defective control valve VRM or blockage of thecontrol piston the output pressure may fall to 0 bar orincrease to the input pressure.Remedy:The function of the hydraulic component can be checked using the manually controlled knob with the supply voltage beingswitched off. See chapter 7.1.If the output pressure cannot be adjusted manually, the controlpiston, e.g., may be blocked by particles.Open hydraulic component and clean inner parts.If the surfaces and guiding lines are damaged, exchangethe I/H converter.Should output pressure adjustment be possible with manualoperation knob, but not with the control magnet, the controlmagnet VRM is defective.Repairs on the control magnet VRM are not allowed, otherwiseexplosion protection is no longer guaranteed.Replace any defective I/H converter completely.8.Maintenance and RepairFor a trouble-free and reliable operation of the I/H converter, it isnecessary to perform inspection, maintenance and repair work incertain intervals.Routine inspectionCheck the pipes, screw connections and connections on theI/H converter for leakage, impurities and damage.Eliminate any leakage, impurity and damage noticed, if required, duringappropriate operating modes.Monitor the control behavior of the I/H converter for any changes.Analyse and eliminate the causes, if required, during appropriateoperating modes.Inspection after approx. 740 operating hours / max. 1 monthTake an oil sample from the oil tank and analyse it for solid andsuspended matters, water content, shadings and air bubbles.Analyse oil purity of the oil sample. Clean or exchange the oil, ifrequired, in an appropriate operating mode.Inspection after approx. 8000 operating hours / max. 1 yearTake an oil sample from the oil tank and analyse it chemically.If required, clean or change the oil during an appropriate operating mode.Check and retighten, if necessary, the electric connections of the I/Hconverter.9.ShutdownIf the I/H converter is switched off for reasons of repair, inspection orunit shutdown, switch off the oil supply system and relieve all pressurereservoirs, if effective. Switch off the 24 VDC supply voltage andremove the lines as well as piping and hose connections. Doing so, anconsiderable oil quantity may leak out. Collect the oil in a suitablecontainer and deposit it properly. Close all holes. Now clean and packthe I/H converter.DisposalIn the event of disposal of the I/H converter, observe the local applicableregulations regarding the environmental protection. The I/H converteressentially contains steel, copper, synthetic materials, electroniccomponents and residual oil.Instruction Manual I/H Converter DSG-B03212I/H Converter DSG-B0721205 / 03cet - OchsVoith Turbo GmbH & Co, KG Page: 19 / 203.626 - 018861 en D – 74564 Crailsheim 10.Outline and Wiring DiagramInstruction ManualI/H Converter DSG-B03212I/H Converter DSG-B07212 11.AnnexFlushing plate43.8565.10Adapter plate43.9300.1105 / 03cet - Ochs Voith Turbo GmbH & Co, KG Page: 20 / 20 3.626 - 018861 en D – 74564 Crailsheim。
电液转换器使用说明
一、基本原理
二、使用前的准备
1.检查电源供电是否正常,确保电压和频率符合电液转换器设备的要求。
2.检查液压泵和液压执行器的连接是否牢固,并确保密封件完好。
3.检查液压油的油位和质量,必要时进行添加或更换。
三、操作步骤
1.打开电液转换器的电源开关。
2.按下启动按钮,电动机开始驱动液压泵运转,液压油开始流动。
3.观察液压设备的工作情况,如果需要调整液压设备的工作状态,可
以通过液压阀门实现调节。
4.当不需要使用电液转换器时,按下停止按钮,电动机停止运转。
四、注意事项
1.在正常使用电液转换器时,应保持设备清洁,定期检查和清洗液压
泵和液压执行器。
2.在长时间不使用电液转换器时,应关闭电源,并保持设备在干燥通
风的环境中。
3.运行中出现异常情况(如异响、温度过高等)时,应立即停止使用,并查明原因后再进行维修或更换部件。
4.在检查和维修电液转换器时,务必断开电源,以免发生电击或安全事故。
五、维护保养
1.定期检查液压油的油位和质量,根据使用情况及时添加或更换液压油。
2.定期检查液压泵和液压执行器的密封件、阀门等部件的磨损情况,并进行必要的维修或更换。
3.定期清洗液压管路,防止堵塞和泄漏。
六、常见故障排除
1.电动机无法启动:检查电源供电是否正常,电动机是否存在故障。
2.液压泵不工作:检查电动机和液压泵之间的连接是否牢固,以及电动机是否正常运行。
3.液压设备工作不正常:检查液压阀门的调节是否正确,液压油是否正常流动。
5科技资讯科技资讯S I N &T NOLOGY I NFORM TI ON 2008N O .24SC I ENC E &TEC HN OLO GY I NFO RM ATI O N 工业技术电液转换器是汽轮机调节系统的一部分,也是实现热工指令的重要环节,该装置既是电液转换元件,又是功率放大元件,它能把微小的热工信号转换成大功率的液压能输出,其性能的优劣对电液调节系统有很大影响。
1系统简介我厂七号135M W 中间再热、凝汽式汽轮机,采用电液调节系统,共有四只高压调门两只中压调门,作为D EH 控制器的执行机构,设置六个可控制调门的油动机,六只调门及油动机,结构动作原理完全相同。
每一个油动机配置一个电液转换器,将电调装置输出的电信号转换成控制油压的装置,其主要部件由力矩马达、杠杆组、碟阀、弹簧和阻尼器等组成。
2存在的问题在2006年大修以后,反复多次出现左侧中联门和高压调门开不足甚至开不出来的现象,几乎每次机组停役后即会出现此种情况,从运行方面讲其危害很大。
在开机过程中会导致机组左右侧进汽不均衡,左右侧汽缸法兰受汽量不平衡,引起左右温差增大、膨胀不均。
尤其是在机组热态快速启动中,危害更大,严重时可使滑销系统发生卡煞现象,加剧机组振动。
在带负荷的过程中,由于主调门单侧不能正常开启,会使负荷不能带满,或在高负荷下,圆周状态进汽不均衡,调节阀产生一种节流损失,较大程度的降低了机组的效率。
从检修角度来看,调门长时间节流,使得调门阀芯线因气流冲刷磨损,导致不能关闭严密,不但损坏了设备,而且增加新的安全隐患。
在没有根本处理此缺陷以前,采取了松反馈弹簧的临时处理方案,虽然能使调门正常开足,但安全系数在一定程度上降低了,因为由于调门开启受油动机控制,油动机的动作受继动器活塞动作控制,继动器的活塞又受作用在活塞上部控制油压向下的作用力与活塞顶部弹簧向上的作用力是否平衡所决定,由于顶部弹簧已放松了部份拉力,这对调门向上开启方向上是有利的,能保证调门能顺利开启,但在调门关闭方向上存在着一定的迟缓,当机组运行中突然甩负荷或发电机油开关突然跳闸,OPC 电磁阀动作后,通往继动器顶部控制油压下降时,该两只调门肯定存在着延时关闭。
目录目录 (1)总体介绍 (2)范围 (2)特征 (2)TR 10 的部件 (3)技术特性 (4)总体特性 (4)配置 (4)尺寸和重量 (6)相关设备 (7)液压管路 (7)停机时 (9)运行时 (9)介绍总体介绍TR10 电液转换是一种伺服配压阀,它可将输入电信号连续转换为比例输出液压信号。
在液压图上,电液转换器以下列方式表示:图 A : CETOP 表示法图 B :原 NEYRPIC 表示法TR10 电液转换器是由法国NEYRPIC 专门为水轮机调速而特殊设计的。
特征设计所遵循的准则如下:∙全天24小时运行∙所设计的设备寿命长,免维修,使用寿命大于30年∙响应迅速以获得良好的速度调节∙对油质要求低,70μm既可正常运行TR10 的部件线圈 (1) 置于电磁铁 (2) 产生的永磁场中线圈驱动配压阀阀芯 (3)运动部套 (线圈和配压阀阀芯) 用一弹簧 (4) 支撑阀套 (5) 用螺钉固定在 TR 10 阀体上,其高度可用螺钉(6)调节为减小静摩擦和磁滞影响,配压阀阀芯下部安装有一个环喷轮 (7) 。
TR 10 电液转换器的主要部件技术特性总体特性工作压力10 - 160 bar油过滤精度40μ当 P>70bar70μ当 P<70bar配压阀阀芯的直径10mm线圈内最大电流0.54 A线圈电阻26Ω环喷轮恒定泄漏( 当 t=20℃, P=150bar时 ) 1.6 l/mn当△ P>30bar 时最大调节流量为 0.48dm3/s活动部件固有频率 72Hz配置→油流量阀套中油流截面的大小取决于所控制的主配压阀的尺寸和所要求的操作响应,∙具有一个孔的阀套∙或具有三个孔的阀套→油压根据工作压力,环喷轮装有一个可变尺寸的喷嘴以获得:∙良好的阀芯转速,∙合格的泄漏速度→装配如果安装 TR10 的板不够大, TR 10 可用一个支撑底板固定。
→节流片在特殊情况下,即 TR10 以直接控制方式运行 (无主配压阀的放大 )时,可在操作机构接力器的 A 口 ( 操作油 ) 和 T 口处 ( 排油 ) 安装节流片。
S V A9-N型电液转换器
型号:SVA9--N
价格:18000.00
使用说明书
SVA9-N型电液转换器是专为汽轮机电液调速器开发的关键电-位移转换元件,它能把微弱的电气信号通过液压放大转换为具有相当大作用力的位移输出。
SVA9-N型电液转换器主要由动圈式力马达、控制滑阀及随动活塞三大部分组成,控制滑阀与随动活塞之间采用直接位置反馈,安装方式采用板式连接。
SVA9-N型电液转换器是SV9型电液转换器的改进型,是我公司应用户要求改制的抗污染型电液转换器,它针对电站行业对电液转换器工作须绝对可靠的要求,在SV9型基础上改进零部件材质、提高加工精度,加大动圈出力,并在进油口处增设可反吹冲洗、反复使用的高效过滤器。
与SV9相比,抗污染能力更强,工作更可靠,是更适合于电站行业应用的新一代电液转换器。
除电气参数不同外,在连接尺寸上它与SV9完全一致,可以方便地替代SV9而不需对调速器作任何改动。
SVA9-N型电液转换器结构精密,工作可靠,灵敏度高,动特性好,对油液洁净度要求较低,在NAS8级的油液中能长期稳定地工作,除此之外,还具有液压应急控制功能,只要通过一个二位四通阀把进出油口(P、T)换向或在进出油口(P、T)同时通入压力油,随动活塞就能立即下推到底。
一、工作原理
SVA9-N型电液转换器的电气――位移转换部分采用了动圈力马达结构,液压放大部分采用了具有直接位置反馈的三通控制滑阀控制差动缸(随动活塞)的典型结构。
其工作原理如下:
磁钢在气隙中造成固定磁场,当动圈绕组中有控制电流通过时,动圈在气隙磁场中受电磁力的作用,此电磁力克服弹簧力。
一、如何将电子调节器输出的“电”信号,转换成能被液压执行器接受的“液”信号,让液压执行器按照电子调节器的要求调节进汽调节阀开度,改变汽轮机进汽流量?答案就是电液转换器,它是将“电”信号转换成“液”信号的中间媒介,是整个电液系统中的关键部件。
二、电液转换器的工作原理及分类按照电液转换器的工作原理,它由力矩马达和液压放大两部分组成。
力矩马达的作用是将“电”信号转换成机械力或机械位移信号,而液压放大部分则将机械信号进一步放大并以“油压”或“流量”的“液”信号形式输出。
力矩马达利用电动机原理,将磁场中通电线圈的电流转换成机械力,并以通电线圈或磁铁产生的机械位移输出。
从线圈位移输出还是磁铁位移输出来分,力矩马达有动圈式和动铁式两种基本类型。
电液转换器的液压放大部分,从“液”信号输出的形式来分又有“油压”输出和“流量”输出两种形式。
从电液转换器供油压力等级来分,又有高压电液转换器和低压电液转换器两种。
目前,高压电液转换器的供油压力为13~14Mpa;低压电液转换器的供油压力为1Mpa左右。
三、电液转换器目前有多种结构形式动圈式力矩马达用十字片弹簧平衡的电液转换器;动铁式力矩马达带二级液压放大的电液伺服阀;动铁式力矩马达直接动作的直动式电液伺服阀;动铁式力矩马达采用碟阀控制的电液转换器。
这里介绍的是上海汽轮机厂采用比较多的动铁式力矩马达带二级液压放大的电液伺服阀和动铁式力矩马达采用碟阀控制的电液转换器。
习惯上,我们把“油压”输出的称为电液转换器;把“流量”输出的称为电液伺服阀。
1、动铁式力矩马达带二级液压放大的电液伺服阀:电液伺服阀是二战期间由于飞行器等军事装备对控制系统提出快速响应以及更高的动态精度要求而发展起来的,并在战后逐渐用于民用和工业设备。
它是一种能接受模拟量的“电”信号输入,并随电控信号大小和极性的变化,以“流量”或“压力”作为输出的液压控制阀。
常用的电液伺服阀带有两级液压放大器。
第一级液压前置放大器有滑阀、喷嘴挡板阀和射流管阀三种形式,喷嘴挡板型是常用的选择,而第二级液压功率放大器则无一例外地都采用断流式四通滑阀。
目录1.技术数据2.安全信息2.1 符号的意义2.2使用方法2.3重要标识2.4保修3.功能描述3.1机械构造3.2运行特性4.包装、储存和运输5.安装5.1安装5.2液压通讯5.3电通讯6.试运行6.1运行测试6.2参数设定7.操作7.1手动按钮操作7.2信号设置操作8.维护和修理9关闭10.主要线路图11.附录1.技术数据环境条件:保存温度-40℃ (90)环境温度:-正常操作-20℃ (85)-气体爆炸危险-20℃ (60)防爆等级EEx d IIC温度等级T4,在Ta=-20℃ (60)设备组别II类别2G防护等级IP 65 to EN 60529适合在工业内部环境中安装电气数据供电电压24VDC±10%能耗0.7A左右最大一秒内3A输入设置W=0/4…20mA带抑流器时输入电阻25 Ohm液压数据:最小输入压力比输出压力信号上限值大1.5bar最大输入压力见表格液压矿物油或液体油(要求不可燃液体)压力流体粘度ISO VG 32…ISO VG 48 to DIN 51519压力流体温度+10℃ (60)油品纯度纯度等级要求NAS1638 7级ISO4406 class-/16/13漏量≤5l/min ——————————————————————————————————类型DSG-BXX212B03…B07…——————————————————————————————————输出压力信号范围P[bar] 0..3 0..7A —————————————————————————————————— [bar] 40 40 输入压力P(max)——————————————————————————————————流量速率线 P→A 17 17 (l/min) Q1 [l/min]△P=1 bar时——————————————————————————————————流量速率线 A→T 18 18 (l/min) Q1 [l/min]△P=1 bar时——————————————————————————————————大致调节范围 1..3 5..7Pmax [bar]A设定为w=20mA时——————————————————————————————————大致调节范围0..0.8 1..3Pmin [bar]A设定为w=4mA时0..2 1.5..5压力下限值取决于压力上限值的设置压力下限值在最小值的第一条线里显示出来机械数据:尺寸,配置见第10章液压通讯见第10章装置位置见第10章密封材料 FPM重量大约12kg2.安全信息2.1符号意义危险!这个符号表明对人的生命安全有重大威胁。
VOITH电液转换器使用说明书型号:DSG-BXX113目录1.技术数据 (1)2.安全指示 (3)2.1 提示和标志的定义2.2 正确使用2.3 重要提示2.4 担保3.功能描述 (6)3.1 设计3.2 操作特点4.包装、储存、运输 (7)5.安装 (8)5.1 组装5.2 液压连接5.3 电器连接6. 试运行 (10)6.1 运行检测6.2 参数设定7.操作 (11)7.1 用手动旋钮操作7.2 用设定信号操作7.3 故障检修和排除8. 维护和检修 (13)9. 停机 (13)10. 具有接线图的外部管线图 (14)11. 附件 (15)1.技术数据:周围环境:储存温度-40 (90)工作环境温度-20 (85)保护IP65 to EN 60529适合于在工业空间内部安装电气数据:电压:24 VCD ±15%电流:大约0.7A(对DSG-B05…DSG-B10型)大约1A(对DSG-B30型)最大3A 时间t ‹ 1 Sec输入设置:0/4…20mA输入阻抗大约25欧姆,具有抑制电路。
液压参数:最小进口油压P in min: 1.5bar+最大输出P A max(对B05…B10型)5bar+最大输出油压P A max(对B30型)最大进口油压P in max :见表压力流体:不易燃烧的原油或压力油油粘度:根据DIN51519,ISO VG32…ISO VG48油温:+10℃ (70)油纯度:根据NAS1638为7级根据ISO4406为-/16/13级泄漏量:当进口油压P in=10bar 时≤3 l/min (对DSG-B05…DSG-B10 ) 当进口油压P in=40bar 时≤5 l/min(对DSG-B30)型号参数对照表:型号DSG-BXX113B05 B07 B10 B30 输出油压p A调整范围(bar)0...5 1...7 0...10 10 (30)最大进口油压P in (bar)40 40 40 40流量P→AQ1[l/min]当∆P═1bar24 24 23 24流量A→TQ2[l/min]当∆P═1bar30 30 28 30P A最大调整范围(bar)当设点为20mA时3...5 4...7 5...10 10 (13)P A最小调整范围(bar)当设点为4mA时0…1.50 (3)0.5 (3)1 (5)0 (2)0 (5)0 (5)0 (18)P A最小值调整范围处决于P A最大值的设定值.。
上面表中所示P A最小值的调整范围参考P A max的最小调整值机械参数:安装尺寸:见第十章液压连接:见第十章安装位置:见第十章密封材料:FPM重量:大约12kg2.安全指示:2.1提示和标记的定义:危险:这标志标示对人的生命和健康带会带来危险,如不遵照此提示,将会对健康发生危害,甚至发生更加严重的损害。
警告:这个标志标示有害的信号。
如不遵照此提示,设备将发生损害。
注意:这个标志表示应适当使用该产品,但此标志不代表危险情况。
2.2正确使用:I/H电液转换器是把设定的电信号转换成比输入压力小的输出液压信号,举例说,它调节油动机的控制活塞,而这个油动机用来控制汽轮机调节汽阀的位置。
2.3 重要提示:应注意以下提供的说明手册及单独的附加说明。
事故预防:·由于使用不当,压力油会从密封面泄漏出来,由于周围受热的另部件而有起火的危险。
·在电液转换器投入工作前,应切断压力油。
·当电液转换器工作时,如发生电源故障或对转换器内置控制电路进行干扰,将会引起输出油压的激烈波动,油缸活塞杆的移动将会失控,造成对人身和设备的危险。
·由于压力油的关系,在运行期间,电液转换器的外表面将会升温,容易烫伤皮肤,所以在投运前应确认电液转换器已冷却。
·电器元件安装在电液转换器内部,如在其周围进行电焊,会造成这些元件的损坏。
所以,在其周进行电焊之前,必须切断电路连接。
环境保护:·在安装、拆卸、或不适当使用电液转换器时,压力油将会外漏,运行介质将会进入污水系统和外界,引起严重污染环境的危险,所以泄漏的压力油必须按有关法规进行收集和存放,妥然处理。
使用说明书:·使用说明书包含了正确操作电液转换器的重要资料,在安装和使用电液转换器之前,应仔细阅读本手册直至完全弄懂。
·该说明书存放在对操作人员方便的地方。
·除此说明书外,还应关注事故防止和环境保护方面的相关规定。
员工资格:·只允许经过专业培训的员工去完成电液转换器的工作。
这个员工必须经过培训和授权才能内行地安装电液转换器。
·安装、试车、操作必须由电气专家来进行。
结构更改:·安装和结构不允许更改。
2.4 担保:·V oith Turbo公司销售协议中的一般条款都可适用,除非由于下面所述一条或几条原因所造成的损失,不予担保。
·不适当的运输、储存、安装、设定、试车和操作。
·没有遵照使用说明书规定的安全说明和指导执行。
·使用了没有得到V oith Turbo公司批准的配件。
·电液转换器必许由VOITH Turbo公司进行检修,或得到公司允许才能进行检修。
3.功能:3.1设计图3.1.11 - 控制磁性调节阀体P in -进口油压2 –动力传输杆P A -输出信号油压3 - ×0和×1电位计4 - 手动操作旋钮T1-回油5 - 电气接线T2 -回油6 - 控制壳体F Mag -磁力7 - 带阻尼活塞的控制活塞F Hyd-液压力8 –端盖F Fed-弹簧力9 –控制弹簧3.2 运行特性(见图3.1.1):设定一个W=4…20mA的信号,在控制壳体内就产生一个磁力,它的大小可由电位计×0和×1来调节,电位计及其产生的磁力通过动力传输杆把力传送给控制活塞。
油压力F Hyd与输出信号油压P A相平衡,作用力与P A相反。
在两个力相等的情况下,控制活塞定位在液压中心上,如图3.1.1所示,输出信号压力P A与设定值相符。
为了保持输出油压P A处在设定值上,这个值取决于磁力F Mag,在P→P A和P A→T这个运行的边缘区越,在液压中心的位置,控制活塞达到最小振荡位移。
当从一个工况以磁力F Mag来增加设定信号,控制活塞位移,从而接通了输出油路P A和进口油路P,阻止了输出油P A通向回油管路T1和T2。
现在,输出油压将增加,直到控制活塞回到油缸中间位置,输出油压与新的设定信号相匹配。
控制弹簧的弹簧力F Fed产生一个抵消力,为了保证电液转换器能使输出油压也能达到大约0 bar的功能。
阻尼活塞提供的液压阻尼不取决于安装位置。
内部泄漏通过回油管路T2回到油箱。
手动操作旋钮的功能:通过手动操作旋钮来控制电液转换器的磁铁,依靠这个旋钮,能设定一个可调的弹簧力以替代磁力F Mag。
弹簧力通过电枢和传输杆控制活塞,液压力F Hyd与输出信号压力P A成正比,但作用力方向与弹簧力相反,这样输出压力的调节不需要电气就可实现。
4.包装、储存、运输:·包装:电液转换器是装在专用包装箱内交付的。
液压连接的开口都用塞子堵住,以防杂质及水气进入。
·储存:电液转换器的外表面用外罩保护。
内部另部件由油保护。
在欧洲,在干燥的工业环境中,防腐期大约为八个月。
假如电液转换器已存放很长时间,必须注意,对每一个特殊情况,必须征得V oith Turbo公司的同意。
储存的环境要求参见第一章。
·运输:不适当的运输易造成人身伤害和财产损失。
包装时不要损坏外壳,运输中不要损坏电气连接。
5.安装:·不适当的安装将会引起电液转换器的故障,在操作的开始阶段就会失败。
·在安装和连接过程中,清洁是很重要的,防止任何杂质进入电液转换器。
这些杂质将削弱电液转换器的功能并引起危险。
在安装期间应盖好以保护电液转换器和精密电线。
5.1 组装:对电液转换器进行任何工作时应断电并切断油供应。
防止在安装过程中无意中供电供油。
按照第十章所示允许的安装位置来安装电液转换器推荐的紧固螺栓:两个M10六角头螺栓,强度8.8,扭紧力距M A═35Nm,螺纹稍带油,螺栓长度按安装需要定。
5.2液压连接:电液转换器的液压连接是按照底部的孔来连接的,连接法兰由“O”型密封圈密封。
请参看第十章连接尺寸和位置。
连接法兰表面粗糙度:R a═1.6μm, R max=6.3μm仅仅是低压油通过回油管T2回到油箱,确保电液转换器能正常工作。
实际上,回油箱的管路T1和T2是连接在一起的,然后通向一根向下倾斜通往油箱的管路。
对管路的要求:·电液转换器输出压力到10 bar的油管名义尺寸为20mm或更大一点。
·电液转换器输出压力大于10 bar的油管名义尺寸为30mm或更大一点。
选择管路、软管、法兰时注意正确的压力范围。
立即更换破损的管子和软管。
安装管路时确保与固定件连接牢固,消除振动不能引起设备移动。
不能由于温度的升高(由于管子长度增加)而对电液转换器造成作用力。
安装前清洗管路,清除污垢、杂质、沙子、残渣等。
酸洗或清洗焊接管路。
在电液转换器连接前仔细的清洗所有的管路和软管。
=>清洗,可用一个冲洗板(编号43.8565.10)见第11章=>电液转换器与管路连接可用一个连接板(编号43.9300.11)见第11章.·当拔掉堵头时,残剩的油会漏出来(最多0.1 l),收集在一个适当的容器里保存好。
·不要使用纤维或硬质混合物,比如用大麻、树脂胶等材料来密封连接件和螺纹。
5.3 电气连接:电气系统的连接必须由电气专家按照制造国有关电气工程的标准和法规执行。
当连接用户终短的线路时,避免与电液转换器的线路互相平行。
用户的信号和线路必须与电液转换器的线路屏蔽。
=>A连接电缆与提供的编号为91876100××的电缆进行电气连接。
请参看第十章线路图。
6.试运行:电液转换器已在V oith Turbo 公司对电位计×0和×1调试完毕,检验数据记录在所附的检验证明书中。
电位计加了防护罩以免无意识地误调和进入灰尘。
6.1运行检查:试运行前检查管路及液压系统是否清洁,运行流体的清洁度等级是否达到第一章的要求。
电液转换器一旦与压力油系统连接,就不要再冲洗和清洁了。
电液转换器如果用污染的压力油来运行是危险的。
·检查电液转换器的安装、连接和流体的流动方向。
·检查电气连接。
·接通24VDC电源。
·接通供油并检查进口油压。
最小进口油压比设定电流为20mA时的最大输出油压大1.5bar。