萩芦溪水电站设备评级统计表
- 格式:doc
- 大小:302.54 KB
- 文档页数:9
萩芦溪水电站设备评级统计表引言萩芦溪水电站是一座重要的水电站,担负着大量的电力供应任务。
为了确保水电站的正常运转,对设备的评级是非常重要的一个环节。
本文将以萩芦溪水电站为例,介绍其设备评级的统计表。
设备评级分类设备评级分类是根据设备操作的重要程度进行的。
在萩芦溪水电站中,设备分为以下三种评级:•一级设备:主要指涉及水的输送和发电量的控制的设备,如水轮机、调速器等。
•二级设备:指与一级设备密切相关的设备,如水泵、调压器等。
•三级设备:指一些辅助性的设备,如管道、电缆等。
设备评级统计表设备评级统计表的目的是对水电站的设备进行分类和评级,以便更好地了解和维护设备。
下面是萩芦溪水电站设备评级统计表的示例:设备名称设备种类评级等级水轮机一级设备 A调速器一级设备 B涡轮发电机一级设备 A普及器二级设备 C润滑油泵二级设备 B冷却器二级设备 C进口阀门三级设备 D出口阀门三级设备 D水管道三级设备 E电缆三级设备 E评级等级说明•A级:指设备的操作极为安全可靠,故障率极低;•B级:指设备的操作安全可靠,故障率较低;•C级:指设备的操作基本可靠,故障率较高;•D级:指设备的操作不太可靠,故障率很高;•E级:指设备的操作不可靠,故障率很高且难以维护。
统计结果分析从统计结果可以看出,萩芦溪水电站的主要设备评级等级都比较高,其中一级设备的评级等级普遍为A和B级,说明水电站的核心设备操作安全可靠,故障率较低。
而三级设备的评级等级较低,说明水电站的设备难以维护,需要更加细致的管理。
因此,对设备的评级等级进行定期的检查和维护对于保障水电站的正常运转非常重要。
设备评级统计表是保障水电站正常运作的重要工具。
通过对设备进行评级和分类,可以更好地了解设备的情况和维护需要。
萩芦溪水电站设备评级统计表中的统计结果表明,水电站的核心设备操作安全可靠,故障率较低,但一些辅助性设备需要更加细致的管理。
对设备评级等级进行定期的检查和维护是确保水电站正常运转的重要步骤。
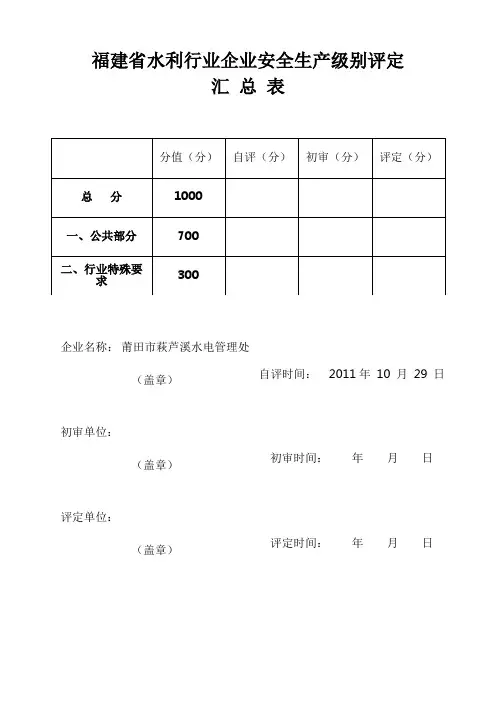
福建省水利行业企业安全生产级别评定汇总表企业名称:莆田市萩芦溪水电管理处(盖章)自评时间:2011年10 月29 日初审单位:(盖章)初审时间:年月日评定单位:(盖章)评定时间:年月日福建省水利行业企业安全生产级别评定标准一、公共部分(700分)包括:主体合法、组织保障、宣传教育、安全权益、规章制度、评分说明:1.各评定项目通过查阅资料或现场核查等方法确定评定分值。
2.各评定项目扣分至零分为止,不计负分。
3.没有涉及的评定项目,按缺项处理,在评分栏中注明“缺项”。
公共部分评定得分=实际得分/(700-缺项分)×700。
行业特殊要求评定得分=实际得分/(300-缺项分)×300。
4.涉及多行业的企业,行业特殊要求评定得分=各行业实际得分总和/行业数。
5.总分值 = 公共部分得分值 + 行业特殊要求得分值。
6.级别确定:总分≥900分的为A级;700≤总分<900分的为B级;总分<700分且不存在重大安全隐患的为C级;存在重大安全隐患的为D级。
二、行业特殊要求(300分)(一)确定了18个行业为特殊要求,分别是:非煤矿山、危险化学品、燃气、烟花爆竹、民爆物品、冶金、建筑施工、电力、交通、水利、渔业、学校、通信、林业、旅游、医疗、景区公园、商场超市等行业(各300分,细项附后)。
(二)确定煤矿、船舶、个体工商户专项标准(各1000分,细项附后)。
(三)其他行业特殊要求由各地或行业主管部门根据实际需要自行确定。
说明:1.各评定项目通过查阅资料或现场核查等方法确定评定分值。
2.各评定项目扣分至零分为止,不计负分。
3.没有涉及的评定项目,按缺项处理,在评分栏中注明“缺项”。
4.行业特殊要求评定得分=实际得分/(300-缺项分)×300。
5. 专项标准评定得分=实际得分/(1000-缺项分)×1000。
注:水电站大坝还应符合水利行业的标准要求。
即:水电站的得分值 = (电力行业得分+水利行业得分)÷2。
工程名称:莆田市萩芦溪水电管理处综合楼工程(第六组) 建筑工程第1页 共14页
工程名称:莆田市萩芦溪水电管理处综合楼工程(第六组) 建筑工程第2页 共14页
工程名称:莆田市萩芦溪水电管理处综合楼工程(第六组) 建筑工程第3页 共14页
工程名称:莆田市萩芦溪水电管理处综合楼工程(第六组) 建筑工程第4页 共14页
工程名称:莆田市萩芦溪水电管理处综合楼工程(第六组) 建筑工程第5页 共14页
工程名称:莆田市萩芦溪水电管理处综合楼工程(第六组) 建筑工程第6页 共14页
工程名称:莆田市萩芦溪水电管理处综合楼工程(第六组) 建筑工程第7页 共14页
工程名称:莆田市萩芦溪水电管理处综合楼工程(第六组) 建筑工程第8页 共14页
工程名称:莆田市萩芦溪水电管理处综合楼工程(第六组) 建筑工程第9页 共14页
工程名称:莆田市萩芦溪水电管理处综合楼工程(第六组) 建筑工程第10页 共14页
工程名称:莆田市萩芦溪水电管理处综合楼工程(第六组) 建筑工程第11页 共14页
工程名称:莆田市萩芦溪水电管理处综合楼工程(第六组) 建筑工程第12页 共14页
工程名称:莆田市萩芦溪水电管理处综合楼工程(第六组) 建筑工程第13页 共14页
(2)塑钢推拉窗
(3)80系列白色硬聚氯乙
烯(PVC-U)
(4)6mm厚热反射镀膜玻璃
分部分项工程量清单综合单价分析计算表
工程名称:莆田市萩芦溪水电管理处综合楼工程(第六组) 建筑工程第14页 共14页。
萩芦溪流域水资源调度系统信息化林志健【摘要】以萩芦溪流域为例,分析当前在流域水资源调度管理上存在的问题,介绍了水资源调度系统的设计内容,包括建立自动监控系统、计算机网络以及应用决策支持系统,该系统的应用能够极大地提高水资源调度的管理水平,流域在社会经济的发展中发挥积极的作用.【期刊名称】《黑龙江水利科技》【年(卷),期】2012(040)007【总页数】3页(P52-54)【关键词】萩芦溪;水资源调度;信息化;应用决策;系统组成;自动化监测;流程【作者】林志健【作者单位】莆田市萩芦溪水电管理处,福建莆田351131【正文语种】中文【中图分类】P3310 引言萩芦溪是福建省莆田市第二大河流,主河道长60 km,流域面积达628 km2,发源于仙游县游洋镇,经涵江区庄边镇、白沙镇、萩芦镇和江口镇注入兴化湾,担负着向涵江区及荔城区西天尾镇提供原水的重任。
近年来,流域水资源管理已成为水利工作的一大着力点,而中小流域覆盖地域广阔、工程建筑设施点多且面广、管理对象繁多、管理业务十分复杂,必须结合水资源调度和信息化手段,对流域进行科学管理和有效调度,实现充分利用水资源,又切实保护生态环境。
水资源调度系统的建设与信息化紧密相关,涉及到流域水雨情、水量分析、水质监测及调度规则等方面,既要有水系径流和社会各行业用水的定量预测分析,又有不同时段、不同缺水条件下的水量调度规则的定性分析,受到许多人为及边界因素的影响,来、用水量分析成果的可靠性很大程度上决定了模型输出的合理性。
水资源调度系统的信息化就是以计算机系统为运行工具,把优化、实时调度模型与各种非数字化的信息处理结合起来,定性与定量分析相结合,为决策者提供大量、全方位的辅助信息,最终实现科学的调度决策。
1 当前流域水资源调度管理面临的问题1.1 供需问题由于萩芦溪水资源的天然时空分布差异较大,地区间和各用水部门间也存在着很大的用水竞争性,因此如何利用好水资源,包括对水资源的开发、利用、保护与管理,解决水资源供需矛盾和用水竞争,发挥水资源的最大应用效益,实现水资源的可持续性利用,是摆在萩芦溪水电管理处乃至整个社会面前的重要课题。
福建省水利行业企业安全生产级别评定汇总表企业名称:莆田市萩芦溪水电管理处(盖章)自评时间:2019年10 月29 日初审单位:初审时间:年月日(盖章)评定单位:评定时间:年月日(盖章)福建省水利行业企业安全生产级别评定标准一、公共部分(700分)包括:主体合法、组织保障、宣传教育、安全权益、规章制度、1.各评定项目通过查阅资料或现场核查等方法确定评定分值。
2.各评定项目扣分至零分为止,不计负分。
3.没有涉及的评定项目,按缺项处理,在评分栏中注明“缺项”。
公共部分评定得分=实际得分/(700-缺项分)×700。
行业特殊要求评定得分=实际得分/(300-缺项分)×300。
4.涉及多行业的企业,行业特殊要求评定得分=各行业实际得分总和/行业数。
5.总分值 = 公共部分得分值 + 行业特殊要求得分值。
6.级别确定:总分≥900分的为A级;700≤总分<900分的为B级;总分<700分且不存在重大安全隐患的为C级;存在重大安全隐患的为D级。
二、行业特殊要求(300分)(一)确定了18个行业为特殊要求,分别是:非煤矿山、危险化学品、燃气、烟花爆竹、民爆物品、冶金、建筑施工、电力、交通、水利、渔业、学校、通信、林业、旅游、医疗、景区公园、商场超市等行业(各300分,细项附后)。
(二)确定煤矿、船舶、个体工商户专项标准(各1000分,细项附后)。
(三)其他行业特殊要求由各地或行业主管部门根据实际需要自行确定。
说明:1.各评定项目通过查阅资料或现场核查等方法确定评定分值。
2.各评定项目扣分至零分为止,不计负分。
3.没有涉及的评定项目,按缺项处理,在评分栏中注明“缺项”。
4.行业特殊要求评定得分=实际得分/(300-缺项分)×300。
5. 专项标准评定得分=实际得分/(1000-缺项分)×1000。
注:水电站大坝还应符合水利行业的标准要求。
即:水电站的得分值 = (电力行业得分+水利行业得分)÷2。
大塔电站水轮机状态评定表日期:2014年5月13日大塔电站水轮机状态评定表日期:2014年5月13日大塔电站发电机状态评定表日期:2014年5月13日大塔电站发电机状态评定表日期:2014年5月13日大塔电站主变压器状态评定表日期:2014年5月13日大塔电站电站主变压器状态评定表日期:2014年5月13日大塔电站调速器状态评定表日期:2014年5月13日大塔电站调速器状态评定表日期:2014年5月13日电站机组蝶阀状态评定表日期:年月日大塔电站机组制动系统状态评定表日期: 2014年5月13日大塔电站机组制动系统状态评定表日期: 2014年5月13日大塔电站油系统状态评定表日期: 2014年5月13日大塔电站气系统状态评定表日期:2014年5月13日大塔电站供、排水系统技术状态评定表日期: 2014年5月13日5大塔电站供、排水系统技术状态评定表日期: 2014年5月13日5、消防供水可靠,满足灭火要大塔电站消防系统状态评定表日期: 2014年5月13日大塔电站断路器状态评定表日期:2014年5月13日大塔电站断路器状态评定表日期:2014年5月13日大塔电站隔离开关、接地刀闸状态评定表日期:2014年5月13日大塔电站隔离开关、接地刀闸状态评定表日期:2014年5月13日大塔电站防雷保护及接地装置状态评定表日期:2014年5月13日大塔电站电力电缆状态评定表日期:2014年5月13日大塔电站互感器状态评定表日期:2014 年5月13日大塔电站机组出口断路器状态评定表日期:2014年5月13日大塔电站机组出口断路器状态评定表日期:2014年5月13日大塔电站机组保护屏状态评定表日期:2014 年5月13日大塔电站励磁系统状态评定表日期:2014年5月13日大塔电站励磁系统状态评定表日期:2014年5月13日大塔电站 10(35)kV线路保护屏状态评定表日期:年月日大塔电站主变保护屏状态评定表日期:2014年5月13日大塔电站厂用变系统状态评定表日期:2014年5月13日。
莆田市萩芦溪水电管理处后溪水电站及外度水电站二级安全生产标准化达标技术咨询服务项目合同委托方: (以下简称:甲方)受托方: (以下简称:乙方)根据《中华人民共和国合同法》有关技术合同的规定及其他相关法律法规的规定,双方经友好协商,同意就以下条款订立本合同,共同信守执行。
第一条项目名称:莆田市萩芦溪水电管理处后溪水电站及外度水电站二级安全生产标准化达标技术咨询服务项目。
第二条项目概况:后溪水电站设置两台水轮发电机组,型号HL275-WJ-46配SFW400-6/850;外度水电站设置三台水轮发电机组,型号HLA551-WJ-71配SFW1600-8/1430,HLA551-WJ-52配SFWK800-6/1180,HL220-WJ-60配SFW1000-K-8/1430。
第三条履行期限、地点和方式3.1 本合同的履行期限:年月日至年月日自成交通知书发出之日起2日内需到现场进行勘察测量,并在年月日前通过上级评审机构的审查,达到主管部门的水电站安全生产标准化达标企业二级及以上标准,取得证书和牌匾。
在创建过程中的各项报告及其它成果,应提交份数均为一式8份及word电子版本。
第四条双方的协作注意事项4.1为使乙方顺利开展创建工作,甲方应向乙方提供必要的工作条件、技术背景资料等。
4.2乙方人员在现场勘察测量必须确保安全,安全责任由乙方自行承担。
4.3在甲方已建立安全管理体系的基础上,提出萩芦溪水电管理处后溪水电站及外度水电站二级安全生产标准化达标咨询服务方案。
4.4以甲方安全生产标准化所开展工作为内容,对安全生产标准化工作人员进行培训。
4.5协助甲方建立安全生产标准化体系,并指导有效运行,内容包括但不限于协助建立工作网络,制定符合实际工作目标、计划和任务,将工作目标、计划和任务逐级分解落实到各部门、各岗位,根据水利部《关于印发农村水电站安全生产标准化达标评级实施办法(暂行)的通知》(水电[2013]379号)精神要求,修订完善各项安全生产管理制度、应急预案等。