标准执行情况检查表(标准化办公室)
- 格式:doc
- 大小:381.50 KB
- 文档页数:16
公司级安全检查表
车间级安全检查表
工段(班组)级安全检查表检查人:检查时间:
管理人员巡回安全检查表
安全设施设备安全检查表
防火防爆及消防安全检查表
季节性安全检查表
夏季四防安全检查表
冬季四防安全检查表
日常综合安全检查表
日常巡查安全检查表
压力容器、锅炉安全检查表
危险化学品安全检查记录表
厂房、建构筑物安全检查表
防尘防毒安全检查表
节假日安全检查表
电气设备(专业)安全检查表
压力容器、压力管道安全检查表
危险化学品安全检查表
危险化学品储罐区防火安全检查表
机械设备安全检查表
监测仪表安全检查表
厂房、建筑物安全检查表
11.1.3安全检查台账填写部门:年度:
序号受检部门检查内容检查日期检查结果要求整改完
成日期
检查人
实际完成
日期
复查验
收人
备注。
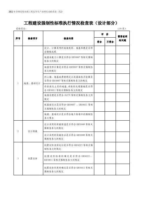
工程建设强制性标准执行情况检查表(设计部分)受检项目:(59项)序号检查项目检查内容评价需要说明的问题符合不符合1地基、基础设计设计、计算采用的场地类别、地基参数是否符合勘察成果地基承载力计算是否符合GB50007等相关强制性条文的规定地基变形计算是否符合GB50007等相关强制性条文的规定挡土墙、地基或滑坡稳定以及基础抗浮验算是否符合GB50007等相关强制性条文的规定存在液化土层的地基,采取的处理措施是否符合GB50011等相关强制性条文的规定地基处理是否符合JGJ79等相关强制性条文的规定桩基础设计是否符合GB50007、GB50011等相关强制性条文的规定地基、基础设计是否符合地方标准中的强制性条文要求2设计荷载设计采用的荷载取值是否符合GB50009等相关强制性条文的规定设计采用的荷载组合是否符合GB50009等相关强制性条文的规定3抗震设防抗震设防类别划分是否符合GB50223等相关强制性条文的规定抗震设防标准的确定是否符合GB50223、GB50011等相关强制性条文的规定抗震设防烈度的确定是否符合GB50011等相关强制性条文的规定4建筑形体及其构件布置的规则性建筑形体的规则性判定是否符合GB50011等相关强制性条文的规定结构体系布置是否符合GB50011等相关强制性条文的规定非结构构件的抗震设计是否符合GB50011等相关强制性条文的规定框架结构填充墙不利影响的处理是否符合GB50011等相关强制性条文的规定5结构材料抗震结构对材料的特殊要求是否符合GB50011等相关强制性条文的规定结构材料性能指标是否符合GB50003、GB50010、GB50017、GB50011等相关强制性条文的规定施工过程中的钢筋代换是否符合GB50011等相关强制性条文的规定6地震作用和抗震验算地震作用的计算是否符合GB50011、JGJ3等相关强制性条文的规定重力荷载与设计地震动参数取值是否符合GB50011等相关强制性条文的规定考虑不利地段影响对地震动参数的增大处理是否符合GB50011等相关强制性条文的规定结构的楼层剪力系数是否符合GB50011、JGJ3等相关强制性条文的规定结构构件的抗震验算是否符合GB50011、JGJ3等相关强制性条文的规定7混凝土结构构件中纵向钢筋的配筋率是否符合GB50010等相关强制性条文的规定结构的抗震等级是否符合GB50011、JGJ3等相关强制性条文的规定框架梁的钢筋配置是否符合GB50011、JGJ3等相关强制性条文的规定7混凝土结构相关强制性条文的规定框支梁、框支柱的钢筋配置是否符合GB50011、JGJ3等相关强制性条文的规定剪力墙分布钢筋的最小配筋率是否符合GB50011、JGJ3等相关强制性条文的规定8砌体结构墙与柱的高厚比是否符合GB50003等相关强制性条文的规定圈梁、过梁、墙梁、挑梁的构造是否符合GB50003等相关强制性条文的规定房屋的高度和层数是否符合GB50011等相关强制性条文的规定房屋抗震横墙的间距是否符合GB50011等相关强制性条文的规定构造柱(芯柱)的设置是否符合GB50011等相关强制性条文的规定圈梁的设置是否符合GB50011等相关强制性条文的规定楼(屋)盖构造是否符合GB50011等相关强制性条文的规定楼梯间构造是否符合GB50011等相关强制性条文的规定9底部框架-抗震墙砌体房屋结构布置是否符合GB50011等相关强制性条文的规定地震作用计算是否符合GB50011等相关强制性条文的规定楼盖构造是否符合GB50011等相关强制性条文的规定托墙梁的构造是否符合GB50011等相关强制性条文的规定10多、高层钢结构制性条文的规定房屋的抗震等级是否符合GB50011等相关强制性条文的规定框架柱的长细比是否符合GB50011等相关强制性条文的规定梁柱刚接焊缝是否符合GB50011等相关强制性条文的规定支撑的长细比、板件的宽厚比是否符合GB50011等相关强制性条文的规定11超限高层建筑结构属于超限高层建筑工程的项目,是否按规定在初步设计阶段进行了超限高层建筑工程抗震设防专项审查施工图设计文件是否依据超限高层建筑工程抗震设防专项审查意见进行设计如项目所在地有地方标准,是否符合强制性条文要求12计算书完整性和准确性,包括结构整体计算和特殊构件验算是否进行了必要的计算分析计算输入是否正确合理计算分析是否正确合理计算结果是否正确应用复杂结构是否采用多个模型计算13特殊构件的分析、设计与构造特殊构件的分析、设计与构造,如电梯吊钩、悬臂构件、短柱、梁或楼板上立柱等是否符合要求如有一点不合格,即为不符合14设计文件签章注册结构工程师在结构设计文件上签章情况是否符合有关法规规定15签署授权书、承诺书设计单位法定代表人是否签署授权书,设计项目负责人是否签署承诺书结果统计符合项/不符合项注:当工程不涉及检查内容项时请在该项内画斜线。
2016 工程建设强制性标准执行情况检查表3检表4-1工程建设强制性标准执行情况检查表(安全部分)评价符合基本符合不符合备注检查内容检查项目监理单位行为员监员监安、格安、行安、执总人总人全,全,全安求安求安部要部要部应制监则制监则理应理应位理相编工细编监相位监相到监合定施施定施施规明实目合到目合没目符规明实规明实真按文理项符备项符备项不按文理行按文理认未全监定施施批划未审规又、理,制监则严未组格组织审组织审查织查,认真审查部到项全位总配目情监监备况理及安到位情况明理理则审的查织的术者工否程织工计全施项案合制组施设安措专方符强检表4-2严格落实消防安全制 度和措施 施工区(包括加工 区)、办公区、生活区 合理配备消防器材 彩板房达到标准规 定高层建筑设置满足消 防要求的水源 执行动火审批手续, 落实动火监护措施。
按安全标志布置总平 面图设置安全标志检表 4-3现场防火 9 制定冬季防火措施, 成品养护和彩板房内 严禁明火取暖。
检表4-4检表4-5齐前有全针进,作业起重钢丝案。
进行验位具锚置符使用符合合规合理定、设要缆计,规钢定丝,绳索吊索安全系数起重吊装递看人到合员地听扣耐到,说1力指确明分挥保、书信铺司施工机具施梯带人,员人按员吊写查,用动填检录。
专。
电并实记棚置护、收落写护设监具验,填防备量,闸手装电。
防的不换动用业志限钢滑成事有无全、应用(木的、齐具长类穿刨使能)锯持绝 拉、显扬导向 冷杆明卷式方筋箱,保护电源焊机符合护,接头合要5m ,气全。
放不应有工对行安全靠,力方性检装装。
行工 木置置平严禁多打眼电料棘动防施专载装关完线穿良工Ⅰ定钢护应记封钢止有措用空电开罩次做缘械防业标经拉防业的使次触动线一且绝使按 机置作示应被,作员机二防自二机,线超使气火圈瓶放措机容性取收超全打地。
筋设拉指绳与角。
焊人焊有和用、焊求把得瓶,明震炔平晒桩内导,验有筋栏有,闭筋断,具电压,电。
度保, 符于m 齐存用施针进,。
sop标准化作业检查表Standard Operating Procedures (SOPs) are crucial for ensuring smooth and efficient operations in any organization. These standardized procedures help employees understand their roles and tasks, ensuring consistency in performance and quality. Therefore, having a standardized SOP checklist is essential for conducting regular audits and inspections to identify any deviations and areas for improvement.规范操作程序(SOP)对于确保任何组织的运营顺利高效至关重要。
这些标准化程序帮助员工理解自己的角色和任务,确保绩效和质量一致。
因此,拥有标准化的SOP检查表对于定期进行审计和检查以识别任何偏差和改进空间至关重要。
A well-designed SOP checklist should cover all essential tasks and procedures that need to be followed in a particular process or operation. It should be comprehensive enough to ensure that no crucial steps are missed, yet not so overwhelming that employees feel burdened by its complexity. The checklist should be easy tounderstand, with clear instructions and requirements for each task, making it user-friendly for all employees involved.一个设计良好的SOP检查表应涵盖在特定过程或操作中需要遵循的所有重要任务和程序。
标准办公室卫生检查表办公室卫生检查表。
办公室卫生是一个组织或企业的形象和员工健康的重要保障,因此定期进行办公室卫生检查是非常必要的。
下面是一份标准办公室卫生检查表,供大家参考和使用。
一、办公室整体环境。
1. 办公室内是否有异味?2. 办公室内是否有明显的垃圾堆积?3. 办公室内地面是否清洁干净?4. 办公桌、椅子、文件柜等办公家具是否整洁无尘?二、办公室卫生设施。
1. 卫生间内是否有清洁剂、手纸、洗手液等卫生用品?2. 卫生间内地面、马桶、洗手台等是否干净整洁?3. 卫生间内是否有异味?4. 饮水机、咖啡机等设备是否定期进行清洁和消毒?三、办公室垃圾处理。
1. 垃圾桶是否定期清理?2. 垃圾分类是否得当?3. 是否有定期清运垃圾的服务?四、办公室空气质量。
1. 是否定期开窗通风?2. 是否有空气净化设备?3. 是否有植物或空气清新剂?五、员工个人卫生。
1. 员工是否定期进行个人卫生保健知识培训?2. 员工是否有定期身体检查?3. 员工是否有按时更换工作服或者定期清洗工作服的习惯?六、办公室杀菌消毒。
1. 是否有定期对办公室进行杀菌消毒?2. 是否有定期对办公用品、办公设备进行清洁消毒?七、办公室卫生管理。
1. 是否有专门负责办公室卫生管理的人员?2. 是否有定期进行办公室卫生检查和评估?3. 是否有建立健全的办公室卫生管理制度和标准操作流程?以上是一份标准办公室卫生检查表,希望各位单位和组织能够认真对待办公室卫生问题,定期进行检查和整改,共同营造一个清洁、整洁、舒适的办公环境,为员工的健康和工作效率提供保障。
同时也希望各位员工能够自觉遵守卫生规定,保持个人卫生,共同维护良好的办公环境。
.....检表 4-1工程建设强迫性标准执行状况检查表〔安全局部〕评价检查工程检查内容根本不备注切合切合切合监理单位行为工程监理部安全总监切合相应要求,人员配工程监理部装备安全备到位1工程监理部安全总监切合相应要求,人员配√总监及到位状况备没到位工程监理部安全总监不切合相应要求按规定编制、审批安全文明施工监理规划、安全文明施工监理规监理实行细那么,并严格执行2划、监理实行细那么的按规定编制、审批安全文明施工监理规划、√编制审批内容的执行监理实行细那么,但执行不仔细状况未按规定编制、审批安全文明施工监理规划、监理实行细那么,又未执行组织审察施工组织设计中的安全技术举措严格组织,仔细审察3或许专项施工方案是组织审察√否切合工程强迫性标未组织审察准状况严格对分包单位的安全生产允许证及资质对分包单位的安全生进行核查对分包单位的安全生产允许证及资质核查4产允许证及资质核查√粗心状况对分包单位的安全生产允许证及资质没核查严格按规定对要点部位、要点工序实行安全对要点部位、要点工旁站监理对要点部位、要点工序实行安全旁站监理不5序实行安全旁站监理√到位状况对要点部位、要点工序没有实行安全旁站监理安全文明施工问题通知单签发手续齐备,问安全文明施工问题通题整顿结果的复查实时,资料齐备6知单签发及安全文明安全文明施工问题通知单签发手续不全,问施工问题整顿结果的题整顿结果的复查资料不全√复查状况不按规定签发安全文明施工问题通知单,问题整顿结果不复查.....检查工程管理制度7机构设置分担保理施工组织设计8专项施工方案安全技术交底检查内容综合状况安全生产规章制度和安全操作规程。
安全生产责任制及查核。
安全目标。
安全文明施工质量标准化达标。
安全生产文明施工管理机构设置和专职安全生产管理人员装备。
建设工程推行施工总承包的,分包合同中明确各自的安全生产方面的权益、义务。
施工组织设计中安全技术举措拟订、审批、会签,内容拥有针对性、指导性。
×××××××专项安全检查台帐检查类别:压力容器单位:负责人:压力容器专项安全检查表日期:检查人员:××××××××综合安全检查台帐检查类别:综合检查单位:负责人:日期:检查人员:日期:检查人员:日期:检查人员:××××××××季节安全检查台帐检查类别:单位:负责人:防暑降温、防冻保暖安全检查表日期:检查人员:×××××××专项安全检查台帐检查类别:危险化学品单位:负责人:危险化学品安全检查表日期:检查人员:×××××××专项安全检查台帐检查类别:安全装置单位:负责人:日期:检查人员:日期:检查人员:××××××××专项安全检查台帐检查类别:厂房建筑单位:负责人:厂房建筑安全检查表日期:检查人员:××××××××专项安全检查台帐检查类别:防尘防毒单位:负责人:防尘、防毒安全检查表日期:。
班组标准化检查表 Final approval draft on November 22, 2020班组标准化检查表JL-SG-042年月日夜班当班班长:;检查人:。
总扣分:。
是否交班班组整改:是□否□。
白班当班班长:;检查人:。
总扣分:。
是否交班班组整改:是□否□。
中班当班班长:;检查人:。
总扣分:。
是否交班班组整改:是□否□。
填表说明:1、接班人员检查交班人员卫生执行情况,检查后在检查人栏签上检查人名字,并记录扣分。
2、检查人签完字后,交班班长在当班班长栏内签名,并让班员整改存在的问题。
3、交班组员未整改时,接班组员要整改,并在“是□否□”后注明“接班人员整改”字样。
4、对检查出存在的问题,交班组员不整改的,按实际考核分数的3倍处罚。
生产管理部调度室卫生检查确认单JL-SG-056 年月日显示器是否有手印、污渍、灰尘。
夜班:是□否□;白班:是□否□;中班:是□否□电脑显示器四周及背面是否有灰尘。
夜班:是□否□;白班:是□否□;中班:是□否□显示器是否放置端正。
夜班:是□否□;白班:是□否□;中班:是□否□主机箱是否有灰尘。
夜班:是□否□;白班:是□否□;中班:是□否□键盘是否有污渍、灰尘等。
夜班:是□否□;白班:是□否□;中班:是□否□鼠标是否有污渍、灰尘。
夜班:是□否□;白班:是□否□;中班:是□否□鼠标垫是否有污渍、灰尘。
夜班:是□否□;白班:是□否□;中班:是□否□音响表面是否有污渍、灰尘。
夜班:是□否□;白班:是□否□;中班:是□否□音响放置是否端正。
夜班:是□否□;白班:是□否□;中班:是□否□共五台电脑,以上检查项目每一处不合格扣2分。
电话本体是否有污渍、灰尘等。
夜班:是□否□;白班:是□否□;中班:是□否□电话听说筒是否有污渍、灰尘等。
夜班:是□否□;白班:是□否□;中班:是□否□电话线是否有打结。
夜班:是□否□;白班:是□否□;中班:是□否□电话线是否有污渍、灰尘。
夜班:是□否□;白班:是□否□;中班:是□否□调度电话台面是否有污渍、灰尘等。
安全标准化检查表综合部分二、现场生产安全检查(必检)1、生产运行系统(必检)1.1工艺流程图及工艺参数安全检查表1.2生产操作运行治理安全检查表(必检)二、现场生产安全检查(必检)检查单位:检查时刻:年月日检查负责人:2、炼油企业设备安全检查(必检)2.1通用塔类设备安全检查表(必检)受检单位:表-22012.2 通用炉类安全检查表(必检)2.3 通用换热器安全检查表(必检)2.4液氨贮罐安全检查表2.5催化裂化反应器、再生器安全检查表(必检)受检单位:表-22052.6通用反应器安全检查表2.7压力容器安全检查表(必检)2.8离心式压缩机安全检查表2.9往复式压缩机安全检查表(必检)2.10汽轮机安全检查表(必检)2.11通用压缩机组安全检查表(必检)2.12螺杆式压缩机安全2.13风机安全检查表2.14离心泵安全检查表(必检)2.15蒸汽往复泵安全检查表2.16电动往复泵安全检查表2.17通用机泵安全检查表2.18空冷器安全检查表2.19烟气轮机安全检查表(必检)2.20套管结晶器安全检查表2.21真空回转过滤机安全检查表(必检)2.22板框式过滤机安全检查表2.23管道及安全附件安全检查表2.24除焦系统安全检查表2.25石蜡成型机安全检查表2.26防雷安全检查表(必检)3、储运系统安全检查(必检)3.1油品罐区安全检查表(必检)3.2液化石油气球罐区安全检查表(必检)3.3铁路装卸栈台安全检查表(必检)3.4油品码头安全检查表3.5液化石油气站安全检查表(必检)。