冷轧机组出口卷取操作顺序
- 格式:doc
- 大小:41.50 KB
- 文档页数:4
Q/DZR 大自然钢业集团有限公司企业标准轧机工艺技术操作规程2010-3-1发布2010-3-10 实施大自然钢业集团有限公司发布大自然钢业集团有限公司管理体系程序文件Q / DZR G 5·76-2010轧机工艺技术操作规程1.开卷岗位操作规程1.1上卷前的准备(手动状态)上卷小车降至下限上卷小车退到受料台正下方开卷机卷筒缩径对中泵站运转正常卷筒位于对中中位开头压辊抬到上限开头机引料辊在上限开头机导板刮板缩回开头刮板摆下至下限带卷位于鞍座1.2上卷升起小车,慢速托起带卷离开鞍座小车拖动带卷前进至卷筒前停小车下降,目测使带卷中轴线与卷筒中轴线对正开进小车,将带材套在卷筒上,目测带宽中心线与卷筒中心对正开卷压辊压在带卷上,拆除捆带,小车下降至下限卷筒胀径,撑紧带材,1.3开头1.3.1开头机状态矫直辊抬起,夹送辊抬起切头剪处于最大开口度1.3.2开头点动开卷机将带头转到带卷上方抬起并伸出刮板,对准带头前点开卷机,将带头向前沿导板送到夹送辊处,停压下送料辊将带头压住,抬起开卷机压辊缩回刮板,摆下,自动对中投入并点动夹送辊,将带头送至矫直辊处,可根据需要切除带头压下矫直辊,矫直带头,使带头上翘,以便于穿带抬起矫直辊,将带头送到引导板处停,切断所有动作等待穿带1.4穿带和第一道次轧制启动自对中,点动开卷机和夹送辊联合送料,将带头送到入口导向辊配合入口工、出口工继续送料,直到将带头送入左卷钳口打活套约1.5米,待左卷缠绕1~2圈带钢为止,穿带完毕向主控发出信号,准备进行第一道次轧制,通知入口工打联动,轧机启动后视来料情况通知主控工升降速在接近尾部时,通知主控降速,剩余2~3圈时降到穿带速度,切断自对中升起伸缩刮板带尾脱离卷筒,到矫直辊处,压下矫直辊矫平带尾甩尾完毕停车,恢复穿带前状态,准备下一卷轧制注意事项送料时抬起开卷压辊,以免料拱起,顶坏对中光头。
所有液压马达不用时打中位,以免损坏2.入口岗位操作规程2.1穿带前的准备(手动状态)(1)右卷压辊在抬起状态(2)右入口导板在下限(3)摆动压辊位于中间位(4)卷推板在缩回状态(5)对中侧导板打开状态(6)机前压板在下降位(7)测厚仪离线,关闭(8)真空除油装置在线,压辊抬起(9)右卷活动支撑打开,卷筒缩径,钳口位于左上方(10)小车位于下限,并退至鞍座下方2.2穿带放下右卷压辊至水平抬起入口导板至上限当开卷工将带头送到偏导辊时,引料辊前摆,压住带钢点动引料辊与开卷工联合送料用对中侧导板夹正带钢当料头送到左钳口时,停止送料抬起引料辊,用对中侧导板将带钢夹正通知主控工具备压下条件,可以压下,降下入口导板至右卷钳口位轧辊压住带钢后,压力超过200吨,打开侧导板,按下开卷联动按钮,准备第一道次轧制2.3第一道次轧制及甩尾当主控压下带钢后,压下真空抽吸装置压辊打开机前乳化液轧机启动后,调整偏摆,控制带钢跑偏待稳定轧制升速后,抬起入口真空抽吸压辊,注意随时调整双摆当轧制接近尾部,降速时,压下真空抽吸压辊等带材离开卷卷筒后,调整双摆,进行甩尾轧制带尾至偏导辊时,停车,关闭乳化液,通知主控将轧辊抬起关闭测厚仪,准备第二道次的穿带,取消开卷联动2.4第二道次的穿带及入口轧制操作a.穿带前状态(手动状态)真空除油压辊抬起左卷压辊抬起至上限测厚仪离线,关闭b.第二道次的穿带第一道停车,降下压上后,取消开卷联动,用对中侧导板夹正带钢,等待出口工回送带头向卷筒方向压摆动引料导辊,引导带头将带头送入钳口,卷筒涨径,扣合活动支撑摆下入口导板通知出口打活套0.7米,左点卷筒将带钢在卷筒上缠绕至少半圈通知出口停止送料,拉缠1圈半通知主控压下,之后打开侧对中导板,并按下左卷联动按钮打开机后测厚仪准备轧制c.偶道次轧制主控工启动轧机后,调整双摆,压正带钢,使带钢顺利走出机架压下真空除油压辊,启动抽吸装置通知主控工缓慢升速,并随时调整双摆、工作辊和中间辊弯辊,使板型调整至最佳,向主控工发出升速信号随时注意板型的调整,直到本道次轧制结束关闭机后乳化液、机前抽吸装置打开机前乳化液,准备下一道次轧制,待轧机升速后,抬起机前抽吸装置压辊,启动机后抽吸装置2.5卸卷停车后,取消左卷联动,关闭乳化液测厚仪,及真空抽吸装置,抬起真空除油压辊压下开卷机压辊压住带钢入口导板抬至合适位,护住小车行走前限位等出口工剪断带钢后,左点卷取机,拉出带头并置于卷筒左下方,如有可能尽力使钳口向上打开活动支撑,开进卸卷小车,至前限位卷筒缩径,升起卸卷小车托起带卷抬起开头机压辊,降下入口导板至下限推动左卷推板,同时小车慢速后退,将带卷退出卷筒,并缩回推板,小车行走停小车上升,将带卷托至上限小车继续下降至下限,同时小车开进至第一个鞍座下方停,卸卷完毕小车后退至鞍座位置,小车下降,将带卷放于鞍座2.6换辊操作2.6.1 工作辊中间辊换辊2.6.1.1轧机停车关闭乳液,2.6.1.2打到停止状态换辊状态(主控)2.6.1.3压上油缸降到最低位(主控)2.6.1.4提升压下螺杆及上支撑辊平衡装置到最高位2.6.1.5提升工作辊轨道及上中间辊轨道到最高位2.6.1.6置上下中间辊横移缸到中间位置(各移动125mm)2.6.1.7上下接轴扁孔处于垂直位置(主控)2.6.1.8接轴抱紧装置夹紧(更换工作辊)2.6.1.9卸掉所要更换辊的油雾快速接头2.6.1.10打开所要换下辊的锁板或夹钳2.6.1.11降下活动盖板2.6.1.12换辊车大车锁紧缸退回2.6.1.13空换辊箱对准轧机并开进,在接轨位置锁定大车2.6.1.14牵引车向前开到抽辊位置,各夹钳夹紧相应的辊头2.6.1.15开动牵引车抽出旧辊2.6.1.16牵引车夹钳脱开,后退到极限2.6.1.17横移车横移,新辊对准轧机窗口2.6.1.18牵引车前行新辊推入机内2.6.1.19所上新辊的锁板或定位夹钳2.6.1.20打开接轴夹紧装置2.6.1.121牵引车后退到极限2.6.1.22大车锁紧缸退回,换辊大车退到后极限位置锁定2.6.1.23根据轧制规格进行中间辊横移2.6.1.24降下上工作辊中间辊轨道2.6.1.25升起活动盖板2.6.1.26插上油雾润滑快速接头2.6.1.27轧制线标高调整(主控)2.6.1.27.1输入上工作辊、中间辊、支撑辊直径2.6.1.27.2压到设定位置自动停,完成标高调整2.6.1.28升起压上油缸,辊系压靠零位,准备轧制2.6.2支撑辊换辊2.6.2.1换辊前的准备2.6.2.1.1工作辊中间辊全部抽出。
冷轧工艺流程→→→→→→→→→→→→→→→→→→→→→→→→→1#入口侧钢卷步进梁输送机技术参数:承载能力:最大35吨移动(固定)梁上钢卷数量:11(10)垂直提升距离:160mm钢卷运送周期:15秒横移速度:最大0.30m/s提升/下降速度:最大0.08m/s转动速度:18°/s升降液压缸行程:656mm移动液压缸行程:3000mm3.3.1.2 1#钢卷小车功能:从1#步进梁输送机11号卷位接收带卷,将其运送到开卷机。
技术参数:承载能力:最大35吨横移距离:5000mm最大横移速度:300mm/s定位精度:±5mm提升速度:120mm/s定位精度(提升):+0到-5mm液压缸行程:1100mm3.3.1.3 外径、宽度测量装置功能:检测钢卷内径的上边缘,以保证钢卷车将钢卷放在卷筒中心线上并计算钢卷外径。
钢卷直径采用激光装置测量,当钢卷在运输到开卷机的过程中测量。
测量钢带宽度以使钢卷与轧制中心线对中。
技术参数:钢卷直径的测量精度约为+/-5mm.3.3.1.4 开卷机功能:打开带卷并提供后张力。
技术参数:卷筒膨胀直径:630mm卷筒公称直径:610mm卷筒收缩直径:560mm开卷机窜动±100mm活塞:约Φ320mm活塞杆约Φ180/260mm行程约68mm对中的液压缸数量:1个活塞约Φ200mm活塞杆约Φ125mm行程约300mm3.3.1.5 开卷机压紧辊功能:穿带时协助开卷机将带头送入准备站。
技术参数:钢辊尺寸:φ275×800mm钢辊表面聚氨脂层厚度:12.5mm液压摆动缸行程:350mm一个液压马达:14MP,56 l/min3.3.1.6 开卷机外支撑功能:在轧制过程中对卷筒自由端提供支承。
技术参数:活塞直径约Φ100mm活塞杆直径约Φ70mm行程约420mm3.3.1.7 带钢对中装置(CPC)功能:由传感器监测带钢边部位置,为开卷机伺服缸提供反馈信号,对进入轧机的带钢进行边部对中。
钢厂冷轧设备工作流程钢铁产业在现代工业中具有重要的地位,而冷轧工序则是钢材加工过程中的关键环节之一。
本文将着重介绍钢厂冷轧设备的工作流程,包括设备布置、材料准备、冷轧工艺、终轧处理和质检等环节。
一、设备布置冷轧设备一般由多个工作区域组成,包括送料区、矫直区、冷轧区、回收区和终轧区等。
在这些区域内,设备依次进行不同的工序,并通过输送设备将钢卷顺利地交接给下一个工序。
二、材料准备在冷轧工艺开始前,需要将待加工的钢材进行准备工作。
首先,需要通过起重设备将钢卷从仓库中取出并送至送料区。
接下来,对钢卷进行初步检查,包括检查卷面质量、宽度和厚度等参数,并进行必要的纠正。
三、冷轧工艺3.1 开卷冷轧工艺的第一步是将钢卷进行开卷处理。
操作人员使用卷板起重机将钢卷提升至开卷机台上,然后通过开卷机将钢卷纵向展开,使其成为一个平整的钢带。
3.2 清洗和除锈为确保钢带表面的清洁度和质量,需要将钢带送至清洗工序。
清洗工序主要包括喷水清洗、酸洗和除锈等,以去除钢带表面的氧化物和杂质。
3.3 矫直在清洗和除锈后,钢带经过输送设备进入矫直区。
矫直机通过多组辊轧制作用,调整钢带的宽度和平整度,使其符合要求的尺寸和形状。
3.4 冷轧经过矫直后的钢带进入冷轧机,由多组辊轧制进行冷轧加工。
在此过程中,钢带逐渐减小厚度,同时增加长度。
通过冷轧工艺,钢带表面得到更加光滑的处理,同时达到所需的厚度和宽度。
四、终轧处理经过冷轧工艺后,钢带需要进行终轧处理。
该工序主要包括切割和卷取等操作。
首先,通过切割机将冷轧板材切割成所需的尺寸和长度,并通过输送设备送至卷取机。
随后,将切割好的钢带进行卷取,形成卷盘,以便后续的包装和运输。
五、质检在冷轧设备工作流程的最后环节,对冷轧钢带进行质量检测非常重要。
对于卷材的表面质量、尺寸和物理性能等进行全面检测,并根据相关标准进行评估。
只有通过质检合格的钢材才能被正式出库,进入市场。
综上所述,钢厂冷轧设备的工作流程包括设备布置、材料准备、冷轧工艺、终轧处理和质检等环节。
1、范围本标准适用于冷轧厂重卷机组岗位操作。
2、引用标准和术语3、重卷机组工艺操作3.1工艺流程上料→开卷→切头/切尾→剪边→去毛刺→表面检查→涂油→分卷→卷取→卸卷↓↓废边卷取包装←称重3.2工艺操作要点3.2.1各岗位操作工掌握本岗关键设备、参数、特殊操作等重要信息。
充分掌握上班生产状况。
查看交接班记录,检查是否挂牌。
3.2.2 T2操作台检查电气设备是否通电。
3.2.3 T2操作台在HMI上将液压站(处于远程控制)打开。
3.2.4 T2操作台在HMI上将开卷机、卷取机稀油润滑站(处于远程控制)打开。
3.2.5 T2操作台将来料钢卷外径,带钢厚度、宽度等参数输入HMI。
3.2.6 T2操作台根据生产计划选择是否切头、切边。
3.2.7 T2操作台根据带钢厚度调整好切头剪、分切剪剪切长度;圆盘剪各参数。
3.2.8 T1操作台可控制1#立导辊前的设备。
T2操作台可控制圆盘剪稳定辊后的设备。
T1操作台选择“区域自动/手动”到自动模式,钢带到2#光电开关处,T2可进行联合点动。
3.2.9入口操作工负责1#立导辊前的引带工作。
T1操作台负责1#立导辊宽度的调整。
调整工负责分切剪前的引带工作。
出口操作工负责卷取机前的引带工作,2#立导辊宽度的调整。
4、操作步骤4.1领料操作4.1.1入口操作工根据生产计划单,并按物流工指定顺序领料。
4.1.2根据物流给的上料顺序单与钢卷实物进行核对。
检查钢卷来料质量,确认无误后,将钢卷吊到重卷机组上料鞍座上。
4.2上料操作4.2.1按指吊规定指挥行车,把测量符合规定卷径的钢卷吊放到2#鞍座上,当2#鞍座有钢卷时,应将钢卷放到1#鞍座上。
4.2.2入口钢卷鞍座接受钢卷时,必须使钢卷宽度方向的中心线与鞍座宽度方向的中心线偏差在40mm以内,以上开卷方式放置钢卷。
4.2.3 当钢卷外圈出现溢出边大于30mm时,用方木或木锤将钢卷敲齐。
钢卷卷芯出现松卷时,卷芯必须固定。
卷芯窝边或堵塞时,处理好后,方可上卷。
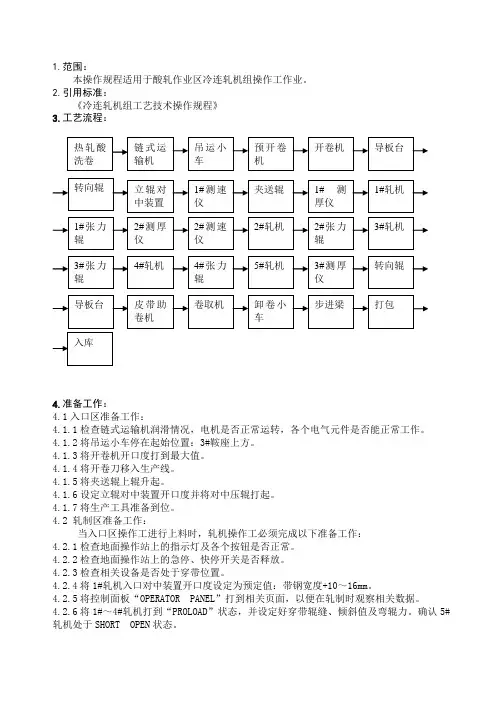
1.范围:本操作规程适用于酸轧作业区冷连轧机组操作工作业。
2.引用标准:《冷连轧机组工艺技术操作规程》3.工艺流程:4.准备工作:4.1入口区准备工作:4.1.1检查链式运输机润滑情况,电机是否正常运转,各个电气元件是否能正常工作。
4.1.2将吊运小车停在起始位置:3#鞍座上方。
4.1.3将开卷机开口度打到最大值。
4.1.4将开卷刀移入生产线。
4.1.5将夹送辊上辊升起。
4.1.6设定立辊对中装置开口度并将对中压辊打起。
4.1.7将生产工具准备到位。
4.2 轧制区准备工作:当入口区操作工进行上料时,轧机操作工必须完成以下准备工作:4.2.1检查地面操作站上的指示灯及各个按钮是否正常。
4.2.2检查地面操作站上的急停、快停开关是否释放。
4.2.3检查相关设备是否处于穿带位置。
4.2.4将1#轧机入口对中装置开口度设定为预定值:带钢宽度+10~16mm。
4.2.5将控制面板“OPERATOR PANEL”打到相关页面,以便在轧制时观察相关数据。
4.2.6将1#~4#轧机打到“PROLOAD”状态,并设定好穿带辊缝、倾斜值及弯辊力。
确认5#轧机处于SHORT OPEN状态。
4.3出口区准备工作:当入口区操作工进行上料操作时,出口区操作工应完成以下准备工作:4.3.1准备好当班所要使用的工具。
4.3.2检查地面操作站按钮、信号灯是否正常。
4.3.3操作MANDREL/EXPAND按钮,将卷取机卷轴涨开。
4.3.4操作BELT WRAPPER/WRAPPER IN按钮,将皮带助卷机开到助卷位置。
4.3.5操作PRESS ROLL/INSERT按钮,将5#轧机出口转向辊引板台移入生产线。
4.3.6确认上套小车在下位。
4.3.7确认卸卷小车在卸卷初始位置。
4.3.8确认步进梁在初始位置。
4.3.9确认步进梁4#鞍座上没有钢卷。
5.上料:(在LCD01操作站完成)5.1上卷:5.1.1行车将钢卷吊放在1#座上,要求钢卷带头朝下放置并将带头压在鞍座上,方向指向酸洗机组,将钢卷对中放好,误差不得超过100mm;测量钢卷外径并反馈给主操工;测量带钢宽度,并根据带钢宽度设定立辊对中装置开口度:在主页面上点击“ENTRY STATUS”键,进入入口区页面2,观察“CURRENT OPENNS”下的数值,然后在操作面板上操作“SIDE ROLLERS”下的“OPEN”与“CLOSE”按钮,设定立辊对中装置开口度。
卷取岗位操作规程一、目的和适用范围:为确保产品质量稳定,满足工艺要求,实现对生产过程进行连续的控制和监督特制订本规程。
二、岗位操作程序图:1、开机前准备:(1)确认设备无报警,如有报警需及时按消除键消除。
(2)打开压缩空气,保证气压6-7公斤。
(3)将两个纵切刀的距离调至设定幅宽位置,并确认正常切割。
(4)确认卷取机两侧防护门关闭。
(5)确认纸管、瓦楞纸、拉伸膜、透明胶带、包装袋准备就绪。
(6)开启冷压辊在出口清洁冷压辊,冷压辊两小时清理一次。
(7)根据工艺要求设定卷曲机的张力。
2、引毡和卷曲操作步骤:(1)确认毡进入固化炉后,卷曲引毡人员各自就位。
(2)当毡从固化炉出来后,确认纤维放在30cm*30cm纸板中间部位并送入第一道冷压辊中(操作时手必须远离冷压辊30cm外)。
(3)经过第一道冷压辊后,引毡送入第二道冷压辊(操作时手必须远离冷压辊30cm外)。
(4)毡从第二道冷压辊出来后确定毡面正常,将毡从西向东剪开并引入卷曲机进行卷曲工作。
(5)当毡卷到设定的长度时,卷曲机自动换向,将卷好的毡抬下,放到指定位置称量。
(6)放掉轴内的空气,抽出轴,套上新纸筒并充足气,待下次卷毡。
3、停机后工作:(1)停止卷曲设备运转,清理设备上卫生。
(2)升起1号2号冷压辊清洁冷压辊,完成后关闭气源与电源。
(3)卷曲工具收起,物品定点放置,清理现场卫生。
三、注意事项:(1)不得随意打开安全门进入护栏内,如须进入,必须由监护人在场。
(2)引毡时不得将手放入横切刀处,避免发生意外。
(3)注意纵切刀的切边情况,若不能正常切边,需及时向当班班长汇报。
(4)清理冷压辊上的废丝时,先将冷压辊抬起且停止转动,再进行清理。
(5)卷曲机工作时,注意观察毡面是否有瑕疵,若发现有瑕疵,将此卷毡列为带检品处理,并做好详细的记录。
四、相关记录:《连续毡看毡记录》。
国外冷轧板生产过程,你要的是这个吗?
法律顾问:赵建英律师
前段时间一直有粉丝咨询冷轧钢板的生产
过程,今天分享一个澳洲冷轧钢板的生产过程!
友情提示,建议在wifi下欣赏,留着流量学知识!
冷轧板,众所周知是采用热轧卷为原料,在金属再结晶温度一下轧制而成的产品,大部分工厂都分两步进行生产:
第一步,热轧卷通过连续酸洗机组,工艺步骤如下:
开卷-焊接-矫平-酸洗-切边-串联冷轧机-卷取(冷硬卷)
第二步,冷硬卷再通过连续退火炉,工艺步骤如下:
开卷-焊接-电解清洗-连续退火炉-矫平-切边-涂油-剪切-卷取(冷轧卷)
其中酸洗、冷轧、电解清洗、退火、调制压延、矫直是最主要的工序,在生产中也是重点监控工序。
酸洗工艺
是指将热轧卷通过氧化皮清理机及盐酸槽,把可能引起最终产品产生缺陷的氧化皮去除。
冷轧工艺
是保证生产出用户使用的厚度与材质的工序,通常在40%-90%的压缩比下进行,利用自动厚度控制系统和自动形状控制系统来保证产品合格率。
电解清洗
作为退火工艺的前过程,将冷轧卷板通过碱性溶液,通过机械、化学反应,清除轧制油或污染物的工艺。
退火
通过急速加热及急速冷却,高效率生产深加工用钢、高张力钢的制造方法,有连续退火与箱式退火方法。
调制压延
对拉伸变形等缺陷材料施加1%左右的压力,以去除其缺陷,并给与适当的粗糙度,从而生产出表面美观的产品。
校正
属于生产的最后工序。
将尺寸按照客户要求调整,并检查产品的缺陷及判断是否符合用途。
End
来源:检验在线(ID:jianyanzaixian)供稿,感谢。
酸洗工艺流程原料→开卷→入口剪切→焊接→破鳞→夹送机→活套→酸洗→回酸槽→清洗槽→吹扫→漂洗槽→中和槽→吹扫→烘干→出口夹送→出口剪切→卷取。
酸洗工艺参数酸液浓度:黑退火钢带5-20%、光亮退火钢带7-20%、冷硬钢带7-20%,在酸液浓度下限附近时合理温度上限调整酸液温度,保证酸洗质量。
酸液温应:60℃~80℃,二氯化铁含量:≤150ɡ/1。
酸洗速度:≤90m/min。
中和工艺碱液温度:60-80℃碱液PH值:8-12[用PH值试纸检测]蒸汽压力:≤0.4MPa1、酸洗工艺过程中酸液温度对保证酸洗质量和酸牦在合理水平至关重要,因此应避免蒸汽的长时间中断,同时蒸汽压力的大幅波动会造成酸液加热管束的非正常损坏,增加成本。
2、因退火是必需连续的工艺过程,因此退火中需避免煤气、电等突然中断,重新退火对带钢组织和性能有较大影响。
3、热轧带钢表面覆盖着一层氧化铁皮,其重量可达33-55ɡ/㎡,厚度为7.5~15um,甚至可达20um,现代化热连轧机生产的带钢,其表面氧化铁皮厚度也约为10um。
4、为孓保证成口带钢的表面质量,降低力能消牦,减少轧辊磨损和有利带钢深加工,因此钢带冷轧前必须将氧化铁皮处除掉。
5、我们利用氧化铁皮与酸发生化学反应的基本原理,将钢带浸泡在一定浓度和温度的酸液中,并使钢带与酸液相对运动,加速化学反应速度,从而达到清除氧化铁皮的目的。
酸再生工艺流程:废酸收集→废酸过滤→废酸预浓缩→培烧再生→再生酸收集酸再生是将废酸液定量的送往酸再生装置再生成游离酸返回酸洗机组,同时得到氧化铁粉的一个体系。
酸再生过程是一个化学过程,浓缩废酸通过啧抢以雾状喷入焙烧炉内,焙烧炉通过两个喷嘴进行操作,操作期间煤气和空气流量自动控制,流量由孔板和差压传感器测量并在显示屏上显示。
煤气流量:200~300m /h,煤气压力:0.01mpa轧制工艺流程酸洗卷上卷→开卷→矫头→切头→焊接→活套入口夹送→充套→活套出口夹送→连轧(三机架或五机架)→测厚→卷取→分卷剪切→打包→卸卷→吊运技术参数工作辊直径:168mm~175mm(175-550-1388mm)中间辊直径:185mm~190mm(190-520-1244mm)外部支承辊直径:550mm(550-520-1576mm)轧辊辊面宽度:520mm轧制压力:550t~700t设计速度每秒:6米轧制:带钢不经加热而在室温下进行的轧制变形,我们称之为冷轧。
( 操作规程 )单位:_________________________姓名:_________________________日期:_________________________精品文档 / Word文档 / 文字可改卷取工安全操作规程(标准版)Safety operating procedures refer to documents describing all aspects of work steps and operating procedures that comply with production safety laws and regulations.卷取工安全操作规程(标准版)1、取机及出口剪工作现场应无障碍物,剪切废物要放在废料斗中。
2、卷取钢带运行中,人员不得站在皮带助卷器前面,以防助卷器误动作而受伤。
3、分卷时,卷去机周围不准站人,以免带头落下伤人。
剪切焊缝取样时,6#s辊夹送辊卸卷和卷取时,要严格按卷取操作规程操作。
分卷、切焊缝、取样时,要上下联系好由专人指挥。
4、生产时,严禁清扫边缘对中装置,以防撕裂钢带造成设备事故。
5、卷要压下。
6、分卷剪不得作线外其他用途,在换剪刃或修复保养时,必须执行挂牌制度。
将安全销插上,并垫上木头,以免发生重大伤亡事故。
7、向卷中插带头时,要戴手套操作,以免钢板划伤人,禁止将手插入钳口。
8、钢板小车的地坑盖板要保证使用正常,若一时未处理好,必须做好警示标记并禁止通行,以防行人掉入地坑。
9、要经常清理地坑盖板上的积油,以防行人滑倒伤人。
10、工作中严禁地坑盖板和小车上站人。
作业时注意脚下,防止踏空而摔跤。
11、钢卷要放置在鞍座的正中位置,防止倾倒、伤人、损坏设备。
12、卸卷时钢卷的卷尾必须压在钢卷小车上,防止带头反弹伤人。
13、分卷剪切和取样剪切完毕后,手工将带头重新穿过单剪机,卷前夹送辊进入卷取夹钳中的操作时,要戴上手套并注意手不要伸进剪缝和夹送辊中间,以免剪刀和压辊落下伤人。
卷取工的工作流程和注意事项嘿,朋友!今天咱们就来好好聊聊卷取工的工作流程和注意事项。
首先呢,咱们得明白卷取工的工作那可是相当重要的呀!他们就像是生产线上的“巧手匠人”,把控着整个生产环节中的关键一步。
说起卷取工的工作流程,第一步就是要做好准备工作。
哎呀呀,这可不能马虎!要仔细检查设备是否正常运行,各个部件有没有松动或者损坏的情况呢。
比如说卷取机的卷筒、传动装置、张力控制系统等等。
只有确保这些设备都完好无损,才能为后面的顺利工作打下坚实的基础呀!然后,当原材料准备就绪,卷取工作就正式开始啦!在卷取的过程中,卷取工需要时刻关注卷材的张力情况。
哇,这可太关键了!张力过大或者过小都会影响产品的质量。
如果张力过大,可能会导致卷材拉伸变形;张力过小呢,则可能会使卷材卷取不紧密,影响后续的加工和使用。
所以呀,卷取工得凭借着丰富的经验和敏锐的观察力,及时调整张力,确保卷材卷取的质量。
在卷取的同时,还要注意卷材的边缘对齐情况。
这就像是在给一幅画卷收边,得整整齐齐的才行呀!如果边缘不齐,不仅影响美观,还可能会在后续的使用中出现问题。
当卷材达到规定的长度或者重量时,卷取工就得迅速而准确地停止卷取机。
这一步要求动作精准,不能有丝毫的差错。
接下来就是卸料和包装环节啦!将卷好的卷材小心地卸下,然后进行包装,以保护卷材不受损伤。
说完了工作流程,咱们再来说说卷取工工作中的注意事项。
安全始终是第一位的呀!卷取工在操作设备时,一定要严格遵守安全操作规程,佩戴好必要的防护用品,防止发生意外事故。
对于设备的维护和保养也不能忽视呢。
定期检查设备的润滑情况、清洁设备上的杂物和灰尘,这样可以延长设备的使用寿命,减少故障的发生。
还有呀,卷取工要密切关注生产过程中的各种参数变化,一旦发现异常,要及时采取措施进行处理。
另外,团队协作也非常重要。
卷取工要与其他岗位的工作人员保持良好的沟通和配合,共同确保生产的顺利进行。
总之,卷取工的工作虽然看似简单,实则需要高度的责任心和精湛的技艺。
嘉善申华金属包装材料有限公司冷轧机作业指导书核准:修订:草拟:目的:冷轧机处于铸轧流水线的收尾阶段,为了帮助大家正确使用及维护此设备,特制订本操作说明书,以供参考。
使用范围:本作业指导书仅适合本公司冷轧工序使用。
冷轧机常识及工作原理:1:本公司冷轧机分三个部分操作,一共有三个操作台,即收卷机操作台,1#主机操作台,2#主机操作台。
2、用途 公司冷轧机用于批量铝板冷轧,生产量大、成品率高、单位能耗小等特点,适用于铝板带材的中、精轧及制成品,具有轧制精度高、速度快、张力稳定等多项优点。
3:设备组成:该机型由主机架、前后导位装置、传动底座、液压系统、电控系统、冲剪系统、收卷系统等部分组成。
4:生产原理:冷轧机,是在“再结晶”温度(包括常温)下将一定厚度的板材轧成目标厚度的设备。
传统的冷轧机都是用力矩电机和直流电机来控制的。
冷轧机的设备一般由3部分组成,即主机、剪切机、收卷机。
“冷轧机”顾名思义,是一种以冷作业方式对金属材料进行轧制的冶金加工设备。
所谓“冷轧”,是指在金属的“再结晶”温度(包括常温)之下对板材进行压力加工,或称“压延”。
轧件通过两相对旋转的轧辊以压力进行加工,使其产生塑性变形,称为轧制工艺过程。
轧机通过工作辊来完成这一过程。
工作辊包含有旋转和移动两种运动。
前者靠摩擦力进行轧制运动,由轧机主传动实现;后者用来调节压下量,控制轧件的变形程度,由轧机压下装置实现。
主传动由主电机通过联轴器带动减速机高速轴,减速后由低速轴通过齿轮联轴器与变速箱输入端相联,输出端通过万向节轴分别带动上下工作辊使其产生线速度相等、旋转方向相反的轧制运动。
压下装置共两组,分别安装在机架上面,经内外各一台压下电机及两级蜗轮、蜗杆副减速后传递给压下螺杆,压下螺杆由压下螺母固定在每片机架的窗口中间,通过安全臼及液压平衡装置使轧辊上下运动。
压下电机出轴上安装有制动器,使压下螺杆获得准确的位置精度。
压下装置必须反应灵敏,具有单独点动和内外联动的功能。
酸洗工艺流程原料→开卷→入口剪切→焊接→破鳞→夹送机→活套→酸洗→回酸槽→清洗槽→吹扫→漂洗槽→中和槽→吹扫→烘干→出口夹送→出口剪切→卷取。
酸洗工艺参数酸液浓度:黑退火钢带5-20%、光亮退火钢带7-20%、冷硬钢带7-20%,在酸液浓度下限附近时合理温度上限调整酸液温度,保证酸洗质量。
酸液温应:60℃~80℃,二氯化铁含量:≤150ɡ/1。
酸洗速度:≤90m/min。
中和工艺碱液温度:60-80℃碱液PH值:8-12[用PH值试纸检测]蒸汽压力:≤0.4MPa1、酸洗工艺过程中酸液温度对保证酸洗质量和酸牦在合理水平至关重要,因此应避免蒸汽的长时间中断,同时蒸汽压力的大幅波动会造成酸液加热管束的非正常损坏,增加成本。
2、因退火是必需连续的工艺过程,因此退火中需避免煤气、电等突然中断,重新退火对带钢组织和性能有较大影响。
3、热轧带钢表面覆盖着一层氧化铁皮,其重量可达33-55ɡ/㎡,厚度为7.5~15um,甚至可达20um,现代化热连轧机生产的带钢,其表面氧化铁皮厚度也约为10um。
4、为孓保证成口带钢的表面质量,降低力能消牦,减少轧辊磨损和有利带钢深加工,因此钢带冷轧前必须将氧化铁皮处除掉。
5、我们利用氧化铁皮与酸发生化学反应的基本原理,将钢带浸泡在一定浓度和温度的酸液中,并使钢带与酸液相对运动,加速化学反应速度,从而达到清除氧化铁皮的目的。
酸再生工艺流程:废酸收集→废酸过滤→废酸预浓缩→培烧再生→再生酸收集酸再生是将废酸液定量的送往酸再生装置再生成游离酸返回酸洗机组,同时得到氧化铁粉的一个体系。
酸再生过程是一个化学过程,浓缩废酸通过啧抢以雾状喷入焙烧炉内,焙烧炉通过两个喷嘴进行操作,操作期间煤气和空气流量自动控制,流量由孔板和差压传感器测量并在显示屏上显示。
煤气流量:200~300m/h,煤气压力:0.01mpa轧制工艺流程酸洗卷上卷→开卷→矫头→切头→焊接→活套入口夹送→充套→活套出口夹送→连轧(三机架或五机架)→测厚→卷取→分卷剪切→打包→卸卷→吊运技术参数工作辊直径:168mm~175mm(175-550-1388mm)中间辊直径:185mm~190mm(190-520-1244mm)外部支承辊直径:550mm(550-520-1576mm)轧辊辊面宽度:520mm轧制压力:550t~700t设计速度每秒:6米轧制:带钢不经加热而在室温下进行的轧制变形,我们称之为冷轧。
出口卷取操作:
3.3.1.1 自动降速.[自动功能控制机组的速度降至恒定的速度(等于或小于100 m/min),以便于带钢剪切
3.3.1.2 剪切.
3.3.1.3 带钢尾部在卷取机上卷取.
3.3.1.4 带头穿带至卷取机.
3.3.1.5 正常运行.(当顺序Strip head threading on tension reel 完成后, 加速超过出口段速度,当出口活套空套, 速度下降至工艺段速度)
3.3.1 出口段卷取操作
3.3.1.1 自动降速
出口段HMI 操作画面自动程序跟踪
这个步骤控制机组降速和操作人员选择带钢的剪切方式(根据焊缝检测进行带钢剪切, 根据卷取长
度或卷径进行带钢剪切).
备注:
操作人员可以选择取消出口飞剪的剪切,并且可以连续的进行卷取形成一个新的钢卷。
. 起动条件
- 7#张力辊夹送辊打开(911),
- 飞剪前夹送辊打开 (916),
- 飞剪准备好 (917),
- 出口夹送辊打开 (921 & 951)
- 压辊在打开位 (927&957)
- 操作人员可以选择剪切程序
运行条件
出口运行
- 穿带台板在初始位,
- 卷取机卷筒胀开
- 皮带助卷机在返回位置
- 外支撑臂在线,
- 钢卷小车支架在低位或者钢卷小车在卷筒区域外.
出口等待
- 穿带台板在线
- 卷取机卷筒胀开
- 皮带助卷机在向前位置
- 机械臂关闭& 皮带张紧
- 钢卷小车支架在低位或者钢卷小车在卷筒区域外.
- 外支撑臂在线,
顺序
- 这个自动功能控制机组的速度降至恒定的速度(等于或小于100 m/min),以便带钢剪切:
出口钢卷小车移动到机组中心线上
- 当机组速度降至恒速:
.旋转& 关闭 7#张力辊夹送辊(911),
.旋转& 关闭飞剪前夹送辊 (916),
.旋转& 关闭转向夹送辊 (921 & 951),
.旋转& 关闭相应的压辊 (927 or 957),
.磁性皮带机进行摆动(918), 然后
接通电磁(上电)(918)
入口和出口的磁性皮带输送机放下(918)
. 通道切换皮带机摆动 (942),
. 等待卷取机旋转 (穿带速度+10%).
- 剪切是自动控制的
程序结束.
3.3.1.2 剪切
出口段HMI 操作画面自动程序跟踪
根据剪切的程序,这个步骤控制着带钢向前和剪切样板/废板
起动条件
- D11 步骤已结束.
- 由D11 步骤给出的机械动作已完成.
- 操作人员选择剪切程序:
. 钢卷的尾部不带焊缝检测(剪切长度的控制由7#张力辊和卷取机的编码器或钢卷的直径). 钢卷的尾部带焊缝检测
. 废料的数量.
步骤
- 剪切带钢
- 在剪切完成之后,每一个样板/废料的跟踪是由电磁带来决定投入到相应的箱子
- 当样板/废料达到后,并且带头在转向夹送辊后300mm 在出口段处于等待状态(由编码器 & 921 或
951 光电开关)
. 下磁性皮带输送机放下
. 电磁关闭
Note : 样板长度:800mm.
3.3.1.3 带钢尾部在卷取机上卷取
出口段HMI 操作画面自动程序跟踪
在带钢尾部剪切之后, 这个步骤才能够起动.
起动条件
- 剪切步骤已运行,
- 由D11 步骤给出的机械动作已完成
运行条件
出口段运行
穿带导板在初始位
- 卷取机卷筒胀开
- 助卷机皮带在返回位置
- 外支撑臂在线
- 钢卷小车支架在低位置或钢卷小车在卷筒区域外
顺序
关闭飞剪前夹送辊
关闭转向夹送辊
支架提升到钢卷上
压辊靠上钢卷
剪切带钢
- EPC 手动模式(调整框架位置),
- 如果1#卷取机工作而2#卷取机处于等待状态:
. 在剪切机中心线200mm 后转向夹送辊打开 (921)
- 转向夹送辊和卷取机在穿带速度下对带尾进行卷取(长度由卷取机的编码器进行控制), - 当带钢尾部通过转向夹送辊前的光电开关, 记数器检查,
- 卷取机减速及停止,
- 打开转向夹送辊
- 卷取机旋转以便于带尾停于 5 点钟位置
- 小车支架上升到直到接触带钢的位置,由编码器进行控制
3.3.1.4 带头穿带至卷取机
出口段HMI 操作画面自动程序跟踪
起动条件
-步骤 "Preparation of the tension reel" 已完成
-卷取机在中间位置
外伸轴承在线
皮带助卷在线,支撑臂关闭,张力皮带张力打开
穿带导板上升,执行穿带模式
飞剪前夹送辊关闭
根据穿带模式卷筒涨开
运行条件
出口段等待
穿带导板在线
- 依照模式(带/不带套筒),卷取机卷筒胀开
- 皮带助卷机在前位
- 机械臂关闭& 皮带张紧
- 钢卷小车支架在低位或者钢卷小车在卷筒区域外.
- 外支撑臂在线.
顺序
在带钢剪切之后
- 如果1#卷取机工作& 2#等待 :
导板台移入2#卷取机位置 (941).
- 带钢向前移动,直到带钢头在转向夹送辊后300mm 等待(通过编码器& 921 or 或光电管951 BC 301
进行控制):
. 上升导板台处于等待位置.
. 起动带钢边部控制.
- 带钢头部继续向前进入卷取机(带钢穿带进入卷筒和皮带助卷机之间),
- 当张力达到设定张力的1/2 :
. 打开皮带助卷机, 第一步是打开臂然后是框架,
. 带钢边部控制进入自动状态.
在套筒旋转3 圈之内,张力升至设定张力.
当张力作用于卷取机上时(依照设定张力),
同步的:
. 打开皮带助卷机, 第一步是打开臂然后是框架,
. 打开转向夹送辊,
. 打开飞剪后的夹送辊,
. 穿带导板台返回初始位,
. 打开7#张力辊的夹送辊,
. 输送机停止.
- 当皮带助卷机在打开位时 :
. 设定皮带压力为14 bars.
. 关闭支撑臂至中间位置.
- 当皮带助卷机抽出和夹送辊打开, 出口段速度升至工艺段速度.
备注 : 当皮带助卷机未打开, 支撑臂臂在中间位置经过一个等待周期以后,步骤停止程序结束
3.3.1.5 正常运行
出口段HMI 操作画面自动程序跟踪
起动条件
飞剪前夹送辊打开
6#张力夹送辊打开
运行条件
- 液压站正常运行,
- 卷筒胀开,
- 外支撑臂在线,
- 穿带导板台在低位,
- 皮带助卷机打开支撑臂在返回位
- 压辊打开,
- 转向夹送辊打开,
- 飞剪前夹送辊打开,
- 飞剪打开,
- 7#张力辊打开,
- 出口段小车在卷筒区域外或在低位置,
- 低磁性皮带输送机在低位置(918).
顺序
- 当顺序« Strip head threading on tension reel »完成后, 加速超过出口段速度- 当出口活套空套, 速度下降至工艺段速度.。