微机原理课后答案——吴宁
- 格式:pdf
- 大小:1.31 MB
- 文档页数:28
第1章计算机基础知识3. 填空:(1) (1234)10=( )2=( )16(2) (34.6875)10=( )2=( )16(3) (271.33)10=( )2=( )16(4) (101011001001)2=( )10=( )16(5) (1AB.E)16=( )10=( )2(6) (10101010.0111)2=( )10=( )16【解】(1) (1234)10=( 10011010010 )2=( 4D2 )16(2) (34.6875)10=( 100010.1011 )2=( 22.B )16(3) (271.33)10=( 100001111.010101 )2=( 10F.54 )16(4) (101011001001)2=( 2761 )10=( AC9 )16(5) (1AB.E)16=( 427.875 )10=(110101011.111 )2(6) (10101010.0111)2=( 170.4375 )10=( AA.7 )164. 已知X=36,Y=-136,Z=-1250,请写出X、Y、Z的16位原码、反码和补码。
【解】[X]原=0000 0000 0010 0100[Y]原=1000 0000 1000 1000[Z]原=1000 0100 1110 0010[X]反=0000 0000 0010 0100[Y]反=1111 1111 0111 0111[Z]反=1111 1011 0001 1101[X]补=0000 0000 0010 0100[Y]补=1111 1111 0111 1000[Z]补=1111 1011 0001 11105. 已知[X]补=01010101B,[Y]补=10101010B,[Z]补=1000111111111111B,求X、Y、Z及X+Y、Y-Z 的十进制值为多少?【解】Y-Z运算时Y需要扩展符号位X=85Y=-86Z=-28673X+Y=01010101B+10101010B=11111111B=-1Y-Z=11111111 10101010B-10001111 11111111B=11111111 10101010B+01110000 00000001B=0110 1111 1010 1011B=285877. 将下列十进制数表示为8421BCD码:(1) 8609 (2) 5254 (3) 2730 (4) 2998【解】 (1)1000 0110 0000 1001(2)0101 0010 0101 0100(3)0010 0111 0011 0000(4)0010 1001 1001 10008. 将下列8421BCD码表示为十进制数和二进制数:(1) 01111001 (2) 001010000101 (3) 011000000111 (4) 010*********【解】(1)79,1001111B(2)285,100011101B(3)607,1001011111B(4)590,1001001110B9. 将下列数值或字符串表示为相应的ASCII码:(1) 51 (2) 7FH (3) C6H (4) Computer (5) how are you?【解】(1)0110101 0110001(2)0110111 1100110 1101000(3)1100011 0110110 1101000(4)1100011 1101111 1101101 1110000 1110101 1110100 1100101 1110010(5)1101000 1101111 1110111 0100000 1100001 1110010 1100101 0100000 1111001 1101111 1110101 011111112. 微型计算机由哪几部分组成,各部分的功能是什么?【解】微型计算机由运算器、控制器、存储器、输入设备、输出设备五大部分组成。
微机原理课后习题参考答案第1部分微型计算机基础知识1.1 微处理器、微型计算机和微型计算机系统三者之间有什么不同?【解】微处理器:指计算机内部对数据进行处理并对处理过程进行控制的部件,伴随着大规模集成电路技术的迅速发展,芯片集成密度越来越高,CPU可以集成在一个半导体芯片上,这种具有中央处理器功能的大规模集成电路器件,被统称为“微处理器”。
微型计算机:简称“微型机”、“微机”,也称“微电脑”。
由大规模集成电路组成的、体积较小的电子计算机。
由微处理机(核心)、存储片、输入和输出片、系统总线等组成。
特点是体积小、灵活性大、价格便宜、使用方便。
微型计算机系统:简称“微机系统”。
由微型计算机、显示器、输入输出设备、电源及控制面板等组成的计算机系统。
配有操作系统、高级语言和多种工具性软件等。
1.2 CPU在内部结构上由哪几部分组成?CPU应该具备哪些主要功能?【解】CPU在内部结构上由运算器、控制器、寄存器阵列和内部总线等各部分构成,其主要功能是完成各种算数及逻辑运算,并实现对整个微型计算机控制,为此,其内部又必须具备传递和暂存数据的功能。
1.3 微型计算机采用总线结构有什么优点?【解】①简化了系统结构,便于系统设计制造;②大大减少了连线数目,便于布线,减小体积,提高系统的可靠性;③便于接口设计,所有与总线连接的设备均采用类似的接口;④便于系统的扩充、更新与灵活配置,易于实现系统的模块化;⑤便于设备的软件设计,所有接口的软件就是对不同的口地址进行操作;⑥便于故障诊断和维修,同时也降低了成本。
总线的逻辑电路有些是三态的,即输出电平有三种状态:逻辑“0”,逻辑“1”和“高阻”态。
1.4计算机总线有哪些,分别是什么?【解】总线按其信号线上传输的信息性质可分为三组:①数据总线,一般情况下是双向总线;②地址总线,单向总线,是微处理器或其他主设备发出的地址信号线;③ 控制总线,微处理器与存储器或接口等之间1.5 数据总线和地址总线在结构上有什么不同之处?如果一个系统的数据和地址合用一套总线或者合用部分总线,那么要靠什么来区分地址和数据?【解】数据总线(DB)为双向结构,数据在CPU与存储器或I/O 接口之间的传送是双向的,(数据既可以读也可以写),其宽度通常与微处理器的字长相同。
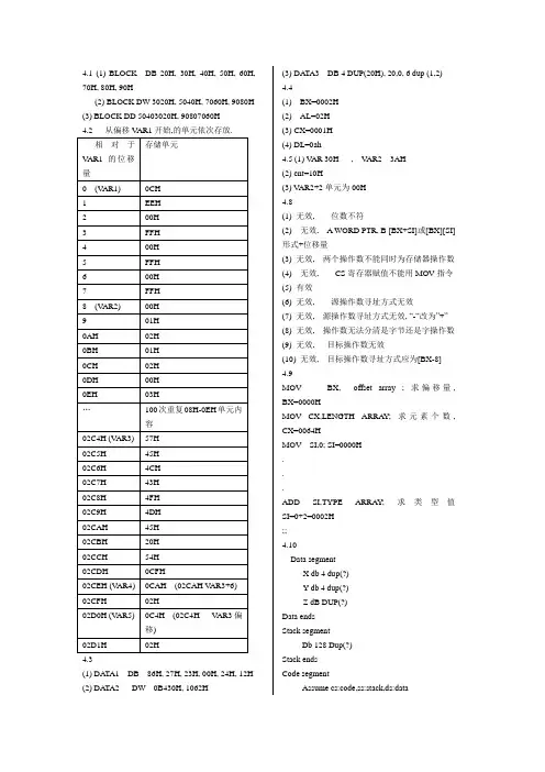
1. 假定〔BX〕=637DH,〔SI〕=2A9BH,位移量D=3237H,试确定在以下各种寻址方式下的有效地址是什么?〔1〕立即寻址〔2〕直接寻址〔3〕使用BX的寄存器寻址〔4〕使用BX的间接寻址〔5〕使用BX的寄存器相对寻址〔6〕基址变址寻址〔7〕相对基址变址寻址答:〔1〕立即数寻址的有效地址是当前IP的内容;〔2〕直接寻址,假设使用位移量D=3237H进行,则有效地址为3237H;〔3〕使用BX的寄存器寻址时,操作数在BX寄存器中,因此无有效地址;〔4〕使用BX的间接寻址时,有效地址在BX寄存器中,即有效地址=637DH;〔5〕使用BX的寄存器相对寻址的有效地址=〔BX〕+D=637DH+3237H=95B4H;〔6〕基址变址寻址的有效地址=〔BX〕+〔SI〕=637DH+2A9BH=8E18H;〔7〕相对基址变址寻址的有效地址=〔BX〕+〔SI〕+D=C050H;2. 写出把首地址为BLOCK的字数组的第6个字送到DX寄存器的指令。
要求使用以下几种寻址方式:〔1〕寄存器间接寻址〔2〕寄存器相对寻址〔3〕基址变址寻址答:〔1〕使用寄存器间接寻址,把首地址为BLOCK的字数组的第6个字送到DX寄存器的指令为:MOV BX,BLOCKADD BX,12MOV DX,[BX]〔2〕使用寄存器相对寻址,把首地址为BLOCK的字数组的第6个字送到DX寄存器的指令为:MOV BX,BLOCKMOV DX,[BX+12]〔3〕使用基址变址寻址,把首地址为BLOCK的字数组的第6个字送到DX寄存器的指令为:MOV BX,BLOCKMOV SI,12MOV DX,[BX+SI]3. 现有(DS)=2000H,(BX)=0100H,(SI)=0002H,(20100H)=12H,(20101H)=34H,(20102H)=56H,(20103H)=78H,(21200H)=2AH,(21201H)=4CH,(21202H)=B7H,(21203H)=65H,试说明以下各条指令执行完后AX寄存器的内容。
微机原理课后习题参考答案第一章2、完成下列数制之间的转换。
01011100B=92D135D=10000111B 10110010B=262Q=B2H 3、组合型BCD码和非组合型BCD码有什么区别?写出十进制数254的组合型BCD数和非组合型数。
答:组合型BCD码用高四位和低四位分别对应十进制数的个位和十位,其表示范围是0~99;非组合型BCD码用一个字节的低四位表示十进制数,高四位则任意取值,表示范围为0~9。
组合型:254=BCD 非组合型:254=BCD 7、计算机为什么采用补码形式存储数据?当计算机的字长n=16,补码的数据表示范围是多少?答:在补码运算过程中,符号位参加运算,简化了加减法规则,且能使减法运算转化为加法运算,可以简化机器的运算器电路。
+32767~ -32768。
9、设计算机字长n=8,求下列各式的[X+Y]补和[X-Y]补,并验证计算结果是否正确。
X=18,Y=89 [X+Y]补=00010010+01011001=01101011B=107D 正确[X-Y]补=10111001B=00010010+10100111=补正确X=-23,Y=-11 [X+Y]补=11101001+11110101=11011110B=补正确[X-Y]补=11101001+00001011=11110100B=补正确X=18,Y=-15 [X+Y]补=00010010+11110001=00000011B=补正确[X-Y]补=00010010+00001111=00100001B=补正确X=-18,Y=120 [X+Y]补=11101110+01111000=01100110B=补正确[X-Y]补=11101110+10001000=01110110B=补于X-Y=-138 超出了机器数范围,因此出错了。
13、微型计算机的主要性能指标有哪些?答:CPU字长、存储器容量、运算速度、CPU内核和IO工作电压、制造工艺、扩展能力、软件配置。
完整版微机原理课后习题参考答案.doc2篇微机原理课后习题参考答案(一)微机原理课后习题是帮助学生巩固所学知识,提高学习效果的一种重要方式。
通过解答习题,学生可以检验自己的理解程度和掌握技能,同时也能发现知识的不足之处,以便及时调整学习方法和加强练习。
以下是微机原理课后习题的参考答案,供学生参考:1. 请简述微机的基本组成部分。
答:微机的基本组成部分包括中央处理器(CPU)、内存、输入输出设备和总线。
其中,中央处理器是微机的控制中心,负责数据的处理和指令的执行;内存是用于存储数据和程序的地方,包括随机访问存储器(RAM)和只读存储器(ROM);输入输出设备用于与外部设备进行信息交换,包括键盘、显示器、打印机等;总线是连接中央处理器、内存和输入输出设备的通道,用于数据传输和控制信号传递。
2. 什么是存储器的地址空间?答:存储器的地址空间是计算机可寻址的存储单元的集合。
每个存储单元都有一个唯一的地址,用于在存储器中定位该存储单元。
地址空间的大小决定了计算机可以寻址的最大存储容量。
常见的存储器地址空间包括物理地址空间和逻辑地址空间。
物理地址空间是实际存在的存储单元的集合,由硬件决定;逻辑地址空间是程序员或操作系统所见到的地址空间,它可以比物理地址空间大或小,具体取决于使用的地址转换机制。
3. 简述中央处理器的主要功能。
答:中央处理器的主要功能包括指令的执行和数据的处理。
指令的执行是指根据程序中的指令,按照特定的指令集进行操作,包括数据传输、算术运算、逻辑运算等。
数据的处理是指对输入的数据进行处理,可以进行各种运算和逻辑操作,生成相应的结果。
除了执行指令和处理数据外,中央处理器还负责控制系统的运行,包括控制信号的发出和时序的控制,以确保各个组成部分协调工作。
4. 什么是总线?答:总线是微机中各个组成部分之间进行数据传输和控制信号传递的通道。
它可以看作是计算机内部各个部分之间进行信息交换的公共通道。
总线通常分为数据总线、地址总线和控制总线三种类型。
《微型计算机原理与接口技术》清华大学出版社冯博琴吴宁主编课后答案第1章基础知识1。
1 计算机中常用的计数制有哪些?解:二进制、八进制、十进制(BCD)、十六进制。
1。
2 什么是机器码?什么是真值?解:把符号数值化的数码称为机器数或机器码,原来的数值叫做机器数的真值。
1.3 完成下列数制的转换。
微型计算机的基本工作原理汇编语言程序设计微型计算机接口技术建立微型计算机系统的整体概念,形成微机系统软硬件开发的初步能力。
解:(1)166,A6H (2)0。
75(3)11111101.01B, FD。
4H(4 )5B.AH, (10010001.011000100101)BCD1.4 8位和16位二进制数的原码、补码和反码可表示的数的范围分别是多少?解:原码(—127~+127)、(-32767~+32767)补码(—128~+127)、(-32768~+32767)反码(—127~+127)、(—32767~+32767)1。
5 写出下列真值对应的原码和补码的形式。
(1)X= -1110011B (2)X= -71D(3)X= +1001001B 解:(1)原码:11110011 补码:10001101 (2)原码:11000111 补码:10111001 (3)原码:01001001 补码:01001001 1。
6 写出符号数10110101B的反码和补码。
解:11001010,110010111.7 已知X和Y的真值,求[X+Y]的补码。
(1)X=—1110111B Y=+1011010B (2)X=56D Y= —21D 解:(1)11100011 (2)001000111。
8 已知X= —1101001B,Y= -1010110B,用补码求X-Y的值。
解:111011011.9 请写出下列字符的ASCII码。
4A3- !解:34H,41H,33H,3DH,21H1.10 若给字符4和9的ASCII码加奇校验,应是多少?解:34H,B9H1。
1. 假定〔BX〕=637DH,〔SI〕=2A9BH,位移量D=3237H,试确定在以下各种寻址方式下的有效地址是什么?〔1〕立即寻址〔2〕直接寻址〔3〕使用BX的寄存器寻址〔4〕使用BX的间接寻址〔5〕使用BX的寄存器相对寻址〔6〕基址变址寻址〔7〕相对基址变址寻址答:〔1〕立即数寻址的有效地址是当前IP的内容;〔2〕直接寻址,假设使用位移量D=3237H进行,则有效地址为3237H;〔3〕使用BX的寄存器寻址时,操作数在BX寄存器中,因此无有效地址;〔4〕使用BX的间接寻址时,有效地址在BX寄存器中,即有效地址=637DH;〔5〕使用BX的寄存器相对寻址的有效地址=〔BX〕+D=637DH+3237H=95B4H;〔6〕基址变址寻址的有效地址=〔BX〕+〔SI〕=637DH+2A9BH=8E18H;〔7〕相对基址变址寻址的有效地址=〔BX〕+〔SI〕+D=C050H;2. 写出把首地址为BLOCK的字数组的第6个字送到DX寄存器的指令。
要求使用以下几种寻址方式:〔1〕寄存器间接寻址〔2〕寄存器相对寻址〔3〕基址变址寻址答:〔1〕使用寄存器间接寻址,把首地址为BLOCK的字数组的第6个字送到DX寄存器的指令为:MOV BX,BLOCKADD BX,12MOV DX,[BX]〔2〕使用寄存器相对寻址,把首地址为BLOCK的字数组的第6个字送到DX寄存器的指令为:MOV BX,BLOCKMOV DX,[BX+12]〔3〕使用基址变址寻址,把首地址为BLOCK的字数组的第6个字送到DX寄存器的指令为:MOV BX,BLOCKMOV SI,12MOV DX,[BX+SI]3. 现有(DS)=2000H,(BX)=0100H,(SI)=0002H,(20100H)=12H,(20101H)=34H,(20102H)=56H,(20103H)=78H,(21200H)=2AH,(21201H)=4CH,(21202H)=B7H,(21203H)=65H,试说明以下各条指令执行完后AX寄存器的内容。
《微型计算机原理及应用》(吴宁著)课后习题答案下载《微型计算机原理及应用》(吴宁著)内容提要目录第1章计算机基础1.1 数据、信息、媒体和多媒体1.2 计算机中数值数据信息的表示1.2.1 机器数和真值1.2.2 数的表示方法——原码、反码和补码1.2.3 补码的运算1.2.4 定点数与浮点数1.2.5 BCD码及其十进制调整1.3 计算机中非数值数据的信息表示1.3.1 西文信息的表示1.3.2 中文信息的表示1.3.3 计算机中图、声、像信息的表示1.4 微型计算机基本工作原理1.4.1 微型计算机硬件系统组成1.4.2 微型计算机软件系统1.4.3 微型计算机中指令执行的基本过程 1.5 评估计算机性能的主要技术指标1.5.1 CPU字长1.5.2 内存储器与高速缓存1.5.3 CPU指令执行时间1.5.4 系统总线的传输速率1.5.5 iP指数1.5.6 优化的内部结构1.5.7 I/O设备配备情况1.5.8 软件配备情况习题1第2章 80x86/Pentium微处理器2.1 80x86/Pentium微处理器的内部结构 2.1.1 8086/8088微处理器的基本结构2.1.2 80386CPU内部结构2.1.3 80x87数学协处理器2.1.4 Pentium CPU内部结构2.2 微处理器的主要引脚及功能2.2.1 8086/8088 CPU引脚功能2.2.2 80386 CPU引脚功能2.2.3 Pentium CPU引脚功能2.3 系统总线与典型时序2.3.1 CPU系统总线及其操作2.3.2 基本总线操作时序2.3.3 特殊总线操作时序2.4 典型CPU应用系统2.4.1 8086/8088支持芯片2.4.2 8086/8088单CPU(最小模式)系统 2.4.3 8086/8088多CPU(最大模式)系统 2.5 CPU的工作模式2.5.1 实地址模式2.5.2 保护模式2.5.3 虚拟8086模式2.5.4 系统管理模式2.6 指令流水线与高速缓存2.6.1 指令流水线和动态分支预测2.6.2 片内高速缓存2.7 64位CPU与多核微处理器习题2第3章 80x86/Pentium指令系统3.1 80x86/Pentium指令格式3.2 80x86/Pentium寻址方式3.2.1 寻址方式与有效地址EA的概念 3.2.2 各种寻址方式3.2.3 存储器寻址时的段约定3.3 8086/8088 CPU指令系统3.3.1 数据传送类指令3.3.2 算术运算类指令3.3.3 逻辑运算与移位指令3.3.4 串操作指令3.3.5 控制转移类指令3.3.6 处理器控制类指令3.4 80x86/Pentium CPU指令系统3.4.1 80286 CPU的增强与增加指令 3.4.2 80386 CPU的增强与增加指令 3.4.3 80486 CPU增加的指令3.4.4 Pentium系列CPU增加的指令 3.5 80x87浮点运算指令3.5.1 80x87的数据类型与格式3.5.2 浮点寄存器3.5.3 80x87指令简介习题3第4章汇编语言程序设计4.1 程序设计语言概述4.2 汇编语言的程序结构与语句格式 4.2.1 汇编语言源程序的框架结构4.2.2 汇编语言的语句4.3 汇编语言的伪指令4.3.1 基本伪指令语句4.3.2 80x86/Pentium CPU扩展伪指令 4.4 汇编语言程序设计方法4.4.1 程序设计的基本过程4.4.2 顺序结构程序设计4.4.3 分支结构程序设计4.4.4 循环结构程序设计4.4.5 子程序设计与调用技术4.5 模块化程序设计技术4.5.1 模块化程序设计的特点与规范4.5.2 程序中模块间的关系4.5.3 模块化程序设计举例4.6 综合应用程序设计举例4.6.1 16位实模式程序设计4.6.2 基于32位指令的实模式程序设计 4.6.3 基于多媒体指令的实模式程序设计 4.6.4 保护模式程序设计4.6.5 浮点指令程序设计4.7 汇编语言与C/C 语言混合编程4.7.1 内嵌模块方法4.7.2 多模块混合编程习题4第5章半导体存储器5.1 概述5.1.1 半导体存储器的分类5.1.2 存储原理与地址译码5.1.3 主要性能指标5.2 随机存取存储器(RAM)5.2.1 静态RAM(SRAM)5.2.2 动态RAM(DRAM)5.2.3 随机存取存储器RAM的应用5.3 只读存储器(ROM)5.3.1 掩膜ROM和PROM5.3.2 EPROM(可擦除的PROM)5.4 存储器连接与扩充应用5.4.1 存储器芯片选择5.4.2 存储器容量扩充5.4.3 RAM存储模块5.5 CPU与存储器的典型连接5.5.1 8086/8088 CPU的'典型存储器连接5.5.2 80386/Pentium CPU的典型存储器连接 5.6 微机系统的内存结构5.6.1 分级存储结构5.6.2 高速缓存Cache5.6.3 虚拟存储器与段页结构习题5第6章输入/输出和中断6.1 输入/输出及接口6.1.1 I/O信息的组成6.1.2 I/O接口概述6.1.3 I/O端口的编址6.1.4 简单的I/O接口6.2 输入/输出的传送方式6.2.1 程序控制的输入/输出6.2.2 中断控制的输入/输出6.2.3 直接数据通道传送6.3 中断技术6.3.1 中断的基本概念6.3.2 中断优先权6.4 80x86/Pentium中断系统6.4.1 中断结构6.4.2 中断向量表6.4.2 中断响应过程6.4.3 80386/80486/Pentium CPU中断系统6.5 8259A可编程中断控制器6.5.1 8259A芯片的内部结构与引脚6.5.2 8259A芯片的工作过程及工作方式 6.5.3 8259A命令字6.5.4 8259A芯片应用举例6.6 82380可编程中断控制器6.6.1 控制器功能概述6.6.2 控制器主要接口信号6.7 中断程序设计6.7.1 设计方法6.7.2 中断程序设计举例习题6第7章微型机接口技术7.1 概述7.2 可编程定时/计数器7.2.1 概述7.2.2 可编程定时/计数器82537.2.3 可编程定时/计数器82547.3 可编程并行接口7.3.1 可编程并行接口芯片8255A7.3.2 并行打印机接口应用7.3.3 键盘和显示器接口7.4 串行接口与串行通信7.4.1 串行通信的基本概念7.4.3 可编程串行通信接口8251A7.4.3 可编程异步通信接口INS82507.4.4 通用串行总线USB7.4.5 I2C与SPI串行总线7.5 DMA控制器接口7.5.1 8237A芯片的基本功能和引脚特性 7.5.2 8237A芯片内部寄存器与编程7.5.3 8237A应用与编程7.6 模拟量输入/输出接口7.6.1 概述7.6.2 并行和串行D/A转换器7.6.3 并行和串行A/D转换器习题7第8章微型计算机系统的发展8.1.1 IBM PC/AT微机系统8.1.2 80386、80486微机系统8.1.3 Pentium及以上微机系统8.2 系统外部总线8.2.1 ISA总线8.2.2 PCI局部总线8.2.3 AGP总线8.2.4 PCI Express总线8.3 网络接口与网络协议8.3.1 网络基本知识8.3.2 计算机网络层次结构8.3.3 网络适配器8.3.4 802.3协议8.4 80x86的多任务保护8.4.1 保护机制与保护检查8.4.2 任务管理的概念8.4.3 控制转移8.4.4 虚拟8086模式与保护模式之间的切换 8.4.5 多任务切换程序设计举例习题8参考文献《微型计算机原理及应用》(吴宁著)目录本书是普通高等教育“十一五”国家级规划教材和国家精品课程建设成果,以教育部高等学校非计算机专业计算机基础课程“基本要求V4.0”精神为指导,力求做到“基础性、系统性、实用性和先进性”的统一。
第1部分微型计算机基础知识1.1 微处理器、微型计算机和微型计算机系统三者之间有什么不同?【解】微处理器:指计算机内部对数据进行处理并对处理过程进行控制的部件,伴随着大规模集成电路技术的迅速发展,芯片集成密度越来越高,CPU可以集成在一个半导体芯片上,这种具有中央处理器功能的大规模集成电路器件,被统称为“微处理器”。
微型计算机:简称“微型机”、“微机”,也称“微电脑”。
由大规模集成电路组成的、体积较小的电子计算机。
由微处理机(核心)、存储片、输入和输出片、系统总线等组成。
特点是体积小、灵活性大、价格便宜、使用方便。
微型计算机系统:简称“微机系统”。
由微型计算机、显示器、输入输出设备、电源及控制面板等组成的计算机系统。
配有操作系统、高级语言和多种工具性软件等。
1.2 CPU在内部结构上由哪几部分组成?CPU应该具备哪些主要功能?【解】CPU在内部结构上由运算器、控制器、寄存器阵列和内部总线等各部分构成,其主要功能是完成各种算数及逻辑运算,并实现对整个微型计算机控制,为此,其内部又必须具备传递和暂存数据的功能。
1.3 微型计算机采用总线结构有什么优点?【解】①简化了系统结构,便于系统设计制造;②大大减少了连线数目,便于布线,减小体积,提高系统的可靠性;③便于接口设计,所有与总线连接的设备均采用类似的接口;④便于系统的扩充、更新与灵活配置,易于实现系统的模块化;⑤便于设备的软件设计,所有接口的软件就是对不同的口地址进行操作;⑥便于故障诊断和维修,同时也降低了成本。
总线的逻辑电路有些是三态的,即输出电平有三种状态:逻辑“0”,逻辑“1”和“高阻”态。
1.4计算机总线有哪些,分别是什么?【解】总线按其信号线上传输的信息性质可分为三组:①数据总线,一般情况下是双向总线;②地址总线,单向总线,是微处理器或其他主设备发出的地址信号线;③ 控制总线,微处理器与存储器或接口等之间1.5 数据总线和地址总线在结构上有什么不同之处?如果一个系统的数据和地址合用一套总线或者合用部分总线,那么要靠什么来区分地址和数据?【解】数据总线(DB)为双向结构,数据在CPU与存储器或I/O接口之间的传送是双向的,(数据既可以读也可以写),其宽度通常与微处理器的字长相同。