模板工程施工方案55759
- 格式:doc
- 大小:1.86 MB
- 文档页数:40
模板工程施工方案
《模板工程施工方案》
一、施工概况
模板工程是建筑施工中的重要环节,负责提供施工期间的支撑与模型。
本施工方案旨在确保模板工程施工的顺利进行,保证施工质量和安全。
二、施工前准备
1. 检查施工图纸和设计要求,确保施工方案符合要求。
2. 检查施工现场,清理杂物和障碍物,确保施工场地整洁。
3. 安排施工人员,提前进行安全培训和技术培训。
三、施工流程
1. 搭建模板支架,根据施工图纸确定模板支撑的位置和高度。
2. 安装模板板件,按照设计要求进行布置和搭接,确保板件之间的连接紧密。
3. 进行模板检查,确保模板结构牢固、平整、无裂缝,并及时修补不良部位。
4. 进行混凝土浇筑,保护模板结构,防止混凝土漏浆和振捣时移位。
四、施工注意事项
1. 严格按照设计要求进行施工,保证模板结构的稳定和安全。
2. 定期对模板进行检查和维护,发现问题及时处理,确保施工质量。
3. 施工期间加强对施工人员的安全教育和培训,提高施工安全
意识。
4. 确保施工现场的秩序和安全,严格执行施工安全制度。
五、施工结束
1. 完成施工后,对模板进行拆除并清理施工现场。
2. 对施工过程中的问题进行总结分析,并及时提出改进方案,为后续工程提供经验。
总之,《模板工程施工方案》是整个施工过程中的重要指导文件,施工单位应严格执行,确保施工质量和安全。
希望通过本方案的执行,能够为模板工程的顺利完成提供有力保障。
第1篇一、工程概况本工程为某住宅小区建设项目,总建筑面积约10万平方米,包括多层住宅、商业配套等。
本次施工方案针对建筑模板工程进行详细规划,确保施工质量和安全。
二、施工准备1. 施工人员:组织具备丰富经验和技能的施工队伍,包括模板工、钢筋工、混凝土工等。
2. 施工材料:根据设计要求,采购符合国家标准的模板材料,如钢模板、木模板、竹模板等。
3. 施工机械:配置足够的施工机械,如切割机、卷扬机、泵车等。
4. 施工现场:对施工现场进行平整、清理,确保施工环境整洁、安全。
三、施工工艺流程1. 模板设计:根据建筑设计图纸,进行模板设计,确保模板尺寸、形状、强度满足施工要求。
2. 模板制作:按照设计图纸和施工要求,制作模板,并进行质量检查。
3. 模板安装:按照施工顺序,依次进行模板安装,确保模板位置准确、牢固。
4. 模板加固:对模板进行加固,防止因混凝土浇筑过程中产生的振动、冲击等原因导致模板变形、移位。
5. 钢筋绑扎:在模板安装完成后,进行钢筋绑扎,确保钢筋位置、间距、保护层厚度符合设计要求。
6. 混凝土浇筑:在模板加固、钢筋绑扎完成后,进行混凝土浇筑,确保混凝土质量。
7. 模板拆除:混凝土强度达到设计要求后,按照拆除顺序,依次拆除模板,确保拆除过程中模板、钢筋等不受损坏。
四、施工质量控制1. 模板材料:选用符合国家标准的模板材料,确保模板强度、刚度、稳定性。
2. 模板制作:严格按照设计图纸和施工要求制作模板,确保模板尺寸、形状、强度满足施工要求。
3. 模板安装:按照施工顺序,依次进行模板安装,确保模板位置准确、牢固。
4. 模板加固:对模板进行加固,防止因混凝土浇筑过程中产生的振动、冲击等原因导致模板变形、移位。
5. 钢筋绑扎:确保钢筋位置、间距、保护层厚度符合设计要求。
6. 混凝土浇筑:确保混凝土质量,严格按照施工规范进行浇筑。
五、施工安全措施1. 施工人员:对施工人员进行安全教育培训,提高安全意识。
2. 施工现场:设置安全警示标志,确保施工环境安全。
模板工程施工方案一、实施方案:(一)模板的作用要求和材料模板的作用是保证浇灌混凝土的位置和几何形状、尺寸的准确性。
在施工中模板要能承受模板的自重,钢筋和混凝土等材料的重量,运输工具、施工人员的活荷重,以及新灌筑混凝土对模板的侧压力和机械的振动力等。
为此,要求模板及其支撑必须:D 保证结构和构件各部分形状尺寸和相互间位置的正确性;2 )具有足够的强度、刚度的稳定性;3 )构造简单,便于钢筋绑扎、混凝土灌筑;4 )模板接舞要严密,不得漏浆;5 )要选材合理,用料经济。
(二)模板材料、形式1.本工程选用木模,用20厚胶合板加4×6cm木档组合而成,支模材料采用6×8cm木方档,φ48钢管,钢管扣件,8—14#铁丝,1—3寸圆钉等组成。
2、采用拼合式模板按照混凝土构件的形状和尺寸,用20厚胶合板做底模、侧模,小木方做木档。
6×8cm 木档和钢管架支撑,制成各种类型的混凝土构件。
如基础、柱、梁、板等。
组成这种模板的基本元件是20厚胶合板和小木档。
小木档尺寸一般为40×60mm o木档的间距取决于混凝土对模板的侧压力的大小。
拼制时,根据工程的要求。
拼好的模板不宜过大、过重,多以两人能抬动为宜。
本工程模板需要木材制作、装配及拆除过程中损耗较大,因此应尽量节约木材,提高模板周转率。
拆模时要认真细心,及时回收并清理、保管好,以备再用。
(三)模板的制作与安装1.模板配制的方法(1)按图纸尺寸直接配制模板,结构形体简单的构件,如基础、梁、柱、板、墙等构件模板的配制,可根据结构施工图直接按尺寸列出模板规格和数量进行配制。
模板,横档及楞木的断面和间距,以及支撑系统的配置,都可按一般规定或查表选用。
(2)按计算方法配制模板形体复杂的结构构件,用放大样的方法配制模板虽然准确,但比较麻烦,还需要一定的地场地。
(3)结构表面展开法配制模板2、模板配制的要求(1)木模板应1锄缝处刨平刨直,模板的木档也要刨直。
第1篇一、工程概况1. 工程名称:XX项目模板工程2. 工程地点:XX市XX区XX街道3. 工程规模:建筑面积约XX万平方米4. 工程类型:住宅、商业综合体5. 施工单位:XX建筑有限公司6. 设计单位:XX建筑设计研究院二、施工依据1. 《建筑工程施工质量验收统一标准》(GB 50300-2013)2. 《混凝土结构工程施工质量验收规范》(GB 50204-2015)3. 《建筑模板安全技术规范》(JGJ162-2008)4. 设计图纸及施工图纸5. 相关法律法规及地方标准三、施工组织1. 施工单位应成立模板工程施工组织机构,明确施工项目负责人、技术负责人、质量负责人等。
2. 施工单位应编制模板工程施工方案,经审批后方可实施。
3. 施工单位应建立健全施工现场管理制度,确保施工安全、质量、进度、文明施工。
四、施工准备1. 材料准备(1)模板材料:应符合设计要求,质量合格,表面平整,尺寸准确,无变形、裂缝、蜂窝、麻面等缺陷。
(2)支撑材料:应符合设计要求,质量合格,强度、刚度、稳定性满足施工要求。
(3)连接件:应符合设计要求,质量合格,连接牢固、可靠。
2. 工具准备(1)模板安装、拆除工具:如撬棍、扳手、锤子等。
(2)测量工具:如水准仪、经纬仪、全站仪等。
(3)其他工具:如切割机、电焊机、喷浆机等。
3. 人员准备(1)模板工程施工人员应具备相应的施工技能和安全生产知识。
(2)施工人员应经过岗前培训,熟悉施工方案、技术规范、操作规程等。
(3)施工人员应持证上岗,确保施工质量。
五、施工工艺1. 模板安装(1)根据设计图纸和施工图纸,进行模板放样,确定模板位置、尺寸、间距等。
(2)按照放样结果,进行模板拼装,确保拼装后的模板尺寸准确、平整。
(3)模板拼装完成后,进行支撑系统安装,确保支撑系统稳定、可靠。
(4)检查模板及支撑系统,确保无变形、裂缝、蜂窝、麻面等缺陷。
2. 模板拆除(1)根据设计图纸和施工图纸,确定模板拆除顺序、时间、方法等。
模板工程施工方案一、模板工程施工前准备工作(1)、进行中心线和位置线的放线:首先用经纬仪引测建筑物的边柱和墙轴线,并以该轴线为起点,测出每条轴线。
模板放线时,应先清理好现场,然后根据施工图用墨线弹出模板的内边线和中心线,墙模板要弹出模板的内、外边线,以便于模板安装和校正。
(2)、做好标高量测工作:用水准仪把建筑物水平标高引测到模板安装位置。
(3)、进行找平工作:模板承垫底部应预先找平,以保证模板位置正确,防止模板底部漏浆。
找平方法是沿模板内边线用1:3水泥砂浆抹平层。
(4)、设置模板定位基准:采用钢筋定位,即根据构件断面尺寸切割一定长度的钢筋,点焊在主筋上(以勿烧伤主筋断面为准),以保证钢筋与模板位置的准确。
二、楼板模板施工楼板模板组拼安装顺序如下:搭设支架及拉杆一安装纵、横钢楞一调平柱顶标高一铺设模板块一检查模板平整度并调平。
安装注意事项:(1)单块就位组拼时,宜以每个节间从四周先用阴角模板与墙、梁模板连接,然后向中央铺设。
相邻模板边肋应按设计要求用U形卡连接,也可用钩头螺栓与钢楞连接。
亦可采用U形卡预拼几块再铺设。
(2)楼板模板铺设到最后结束处,对不符合钢模板模数的窄条,要采用木板条嵌补,切不可采取两块钢模板对挤的做法,以免造成梁模板上口偏小。
(3)楼板模板每块搁置以三点为宜。
三、墙模板顺序如下:安装前检查预组拼模板及编号一一侧模板吊装就位f设支撑一绑扎钢筋f安装穿墙螺栓一另一侧模板吊装就位一紧固穿墙螺栓f支撑固定一全面检查一与相邻墙、柱、楼板模板连接。
注意事项:(1)就位组拼时,应从墙角模开始,向互相垂直的两个方向组拼,这样可以减少临时支撑设置。
否则,要随时注意拆换支撑或增加支撑,以保证墙模处于稳定状态。
(2)当组拼模板后,应安装内钢楞,内钢楞与模板肋用钩头螺栓紧固,其间距不大于60Onlmo(3)在组装模板时,要使两侧穿孔对称放置,以使穿墙螺栓与墙模保持垂直。
在穿孔处采用加木块的方法,以避免钢模板穿孔。
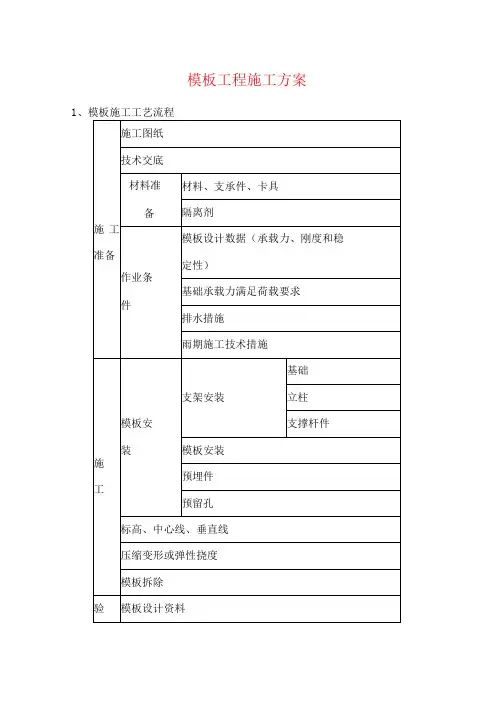
模板工程施工方案
根据本工程的质量目标以及结构的特点,对本工程的模板体系进行设计:
1.模板体系选择
水平模板:水平结构(板)选用15厚多层板、木方背楞、碗扣支撑体系。
2.模板施工
板模板施工
①模板配制
梁模板采用15厚多层板做面板,用50×100、100×100木方做背楞,木方背楞用钢管支撑。
板模板采用15厚多层板做面板,用50×100木方做次龙骨,用100×100木方做主龙骨。
模板支撑采
②板模板安装技术要点
a.板使用前要刷油性脱模剂,拼缝处要严密,背面加木背楞,以防浇筑混凝土时造成漏浆。
平板模
b.对跨度大于4m的现浇钢筋混凝土板应起拱,起拱高度为跨度的2/1000。
起拱线要顺直,不得有折
c.为满足施工进度及保证工程质量的需要,我们将应用短跨支撑原理,在梁及板底设养护支撑,在
3.模板拆除
(1)井壁混凝土达到设计强度30%后方可拆除,混凝土内部温度与表面温度、表面温度与外部温(2)常温下,墙、柱、梁拆除侧模时以不破坏阳角部位的混凝土为准;拆除时要注意成品保护,(3)拆除模板安全保障措施,对于井深超过2米的,井口四周必须搭设稳定的防护栏杆便于防护和(4)拆除之前用气体检测仪检测井底是否有有害气体记录在受限空间作业票中,安全之后方可进4.模板保护
预组拼的模板其存放场地要平整。
模板平放并用木枋支垫,保证模板不扭曲不变形,不可乱堆乱放执行拆模申请制度,严禁强行拆模。
第1篇一、工程概况本工程为某住宅小区建设项目,总建筑面积约15万平方米,共分为A、B、C三个标段。
本次施工方案针对A标段进行编制,主要包括地下室、一层至三层主体结构及屋面等部位的模板工程。
二、施工组织设计1.施工队伍本工程模板施工队伍由具有丰富施工经验的施工人员组成,施工人员需经过专业培训,具备相应的施工技能。
2.施工设备模板施工所需设备包括:钢管、扣件、模板、脚手架、吊车、卷扬机、切割机、电焊机等。
3.施工进度计划根据工程进度要求,模板施工计划分为以下几个阶段:(1)前期准备阶段:完成施工图纸的审核、施工方案编制、材料采购、人员培训等。
(2)施工准备阶段:完成施工场地平整、施工道路、水电接入等基础设施的建设。
(3)模板安装阶段:按照施工图纸和施工方案进行模板安装。
(4)模板拆除阶段:按照拆除顺序和注意事项进行模板拆除。
(5)施工收尾阶段:完成模板拆除后的清理、检查、验收等工作。
三、施工工艺及技术要求1.模板材料模板材料应选用符合国家标准的优质材料,如:竹胶板、钢板、木模板等。
2.模板设计模板设计应满足施工要求,包括模板尺寸、支撑系统、加固措施等。
3.模板安装(1)模板安装前,应检查模板的尺寸、质量、平整度等是否符合要求。
(2)模板安装时,应确保模板与墙体、柱子等结构物的连接牢固。
(3)模板安装过程中,应保持模板的垂直度和水平度。
(4)模板安装完成后,应进行验收,确保模板安装质量。
4.模板加固(1)模板加固应选用符合国家标准的材料,如:钢管、扣件、钢筋等。
(2)模板加固应根据模板设计要求进行,确保模板在施工过程中的稳定性和安全性。
(3)模板加固应牢固可靠,不得出现松动、变形等现象。
5.模板拆除(1)模板拆除前,应检查模板的连接件、支撑系统等是否完好。
(2)模板拆除应按照拆除顺序进行,先拆除支撑系统,再拆除模板。
(3)模板拆除过程中,应注意安全,防止模板掉落伤人。
6.施工注意事项(1)施工过程中,应加强施工现场的管理,确保施工安全。
模板工程施工方案12、模板工程施工要点2.1柱模安装时先在基础面上弹出纵横轴线和四周边线,固定小方盘,在小方盘面调整标高,立柱头板。
小方盘一侧要留清扫口,柱高大于3m时应于柱侧留设浇筑口,每隔2m留一道。
2.2对于通排柱模板,应先安装两端柱模板,校正固定,拉通线校正中间各柱模板。
2.3柱模板宜加柱箍,每隔50cm加设一道钢管环箍。
2.4为了便于拆模,柱模板与梁模板连接时,梁模板宜缩短2~3cm并锯成小斜面。
2.5梁跨度大于4m时,梁底板中部应起拱。
起拱高度为全跨长度的1/400;悬挑梁板端部起拱高度为全跨长度的1∕200o2.6楼板模板铺设时,要在两端及接头处钉牢,中间尽量少钉以利拆模。
2.7挑模板必须撑牢拉紧,防止向外倾覆,确保安全。
2.8上下层模板的钢管立柱,一般应安装在一条竖向中心线上。
2.9楼梯模板施工前应先根据实际层高放样,先安装平台梁及基础模板再装楼梯斜梁或梯底模板,然后安装楼梯外帮侧板,外帮侧板应先在其内侧弹出楼梯底板层厚度线,用套板划出踏步侧板位置线,钉好固定踏步侧板的挡木,在现场装钉侧板。
2.10如果楼梯较宽时,沿踏步中间的上面加一至二道的反扶梯基。
反扶梯基上端与平台梁外侧板固定,下端与基础外侧板固定撑牢。
2.11梯步高度要匀匀一致,特别要注意最下一步及最上一步的高度,必须考虑到楼地面层粉刷厚度,防止由于粉刷面层厚度不同而形成梯步高度不协调。
3、模板的拆除现浇结构的模板及其支架拆除时的混凝土强度,应符合设计要求,当设计无具体要求时,应符合下列规定:3.1侧模在混凝土强度能保证其表面及棱角不因拆除模板而受到损坏后,方可拆模。
3.2底模在混凝土强度符合下规定时,方可拆除。
底模拆除时混凝土强度要求3.3己拆除模板及其支架的结构,在混凝土强度符合设计混凝土强度等级的要求后,方可承受全部使用荷载:当施工荷载所产生的效应比使用荷载的效应更为不利时,必须经过核算,并加设临时支撑。
拆模时不要用力过猛过急,拆下来的木料要及时运走,整理。
第1篇一、工程概况1. 工程名称:XX建筑工程2. 工程地点:XX市XX区XX路3. 工程规模:本工程总建筑面积为XX万平方米,建筑高度为XX米,结构类型为框架-剪力墙结构。
4. 工程特点:本工程为高层建筑,结构复杂,施工难度较大,模板工程在施工过程中起着至关重要的作用。
二、施工方案1. 施工组织(1)施工队伍:由具备丰富施工经验的专业队伍组成,包括模板工、钢筋工、混凝土工等。
(2)施工设备:根据工程需要,配置相应的施工设备,如塔吊、混凝土泵、振捣器、切割机等。
(3)施工进度:按照工程进度计划,合理安排施工顺序,确保工程顺利进行。
2. 施工工艺(1)模板材料:选用符合国家标准的模板材料,如木模板、钢模板、铝合金模板等。
(2)模板设计:根据结构设计图纸,进行模板设计,确保模板的强度、刚度和稳定性。
(3)模板制作:根据模板设计图纸,进行模板制作,确保模板的尺寸、形状和精度。
(4)模板安装:1)基层处理:对施工面进行清理、平整,确保基层质量。
2)定位放线:根据结构设计图纸,进行定位放线,确保模板安装的准确性。
3)模板安装:按照定位放线结果,进行模板安装,确保模板的垂直度和水平度。
4)支撑体系:根据模板设计,设置支撑体系,确保模板的稳定性和安全性。
(5)模板拆除:1)拆除顺序:先拆除非承重模板,再拆除承重模板。
2)拆除方法:采用人工拆除或机械拆除,确保拆除过程中的安全。
3. 施工质量控制(1)材料质量:选用符合国家标准的模板材料,确保材料质量。
(2)施工质量:严格按照施工工艺进行施工,确保施工质量。
(3)检验与验收:对施工过程进行检验与验收,确保工程质量。
4. 施工安全(1)安全措施:制定安全措施,确保施工过程中的安全。
(2)安全培训:对施工人员进行安全培训,提高安全意识。
(3)现场管理:加强现场管理,确保施工安全。
三、施工进度安排1. 施工准备阶段:完成施工队伍、施工设备、材料等准备工作,预计时间为1个月。
模板工程施工方案第一小节、施工准备施工前由主管工长根据图纸做好模板拼装图。
主管工长根据整个工程的施工进度认真做好用量计划。
模板拼装前做好预留预埋,并保证其位置的准确。
第二小节、模板支设形式第一条、承台基础模板为保证施工质量,加快施工进度。
基础承台及筏板基础均采用木模板。
第二条、矩形柱模板柱模采用15mm厚木模板组拼。
柱模纵向加固采用Ф48钢管夹杠,并用Ф16螺栓对拉将其连成一个整体,自根部起第一道螺栓为300mm。
以上螺栓间距为600mm 一道。
架体工程施工本工程施工外部架体根据建筑物的高度和结构不同,外架体采用落地式双排外脚手架。
架体采用钢管与扣件进行搭设,架体沿结构外廊形状布设,距离边柱外侧结构300mm,架体尺寸为:架体宽1.0m,立杆纵距1.5m,步高1.5m。
架体与建筑间设置两步三跨硬性拉结点,外挂双层密眼网。
架体基础选用砼浇筑,砼强度等级为C25,内埋设立脚。
内架体以模板支撑系统为主,采用碗扣式脚手架并加设早拆头。
第一小节、架体搭设方法基础部分:将地面回填夯实、平整,并做好排水沟,里外排架体基础为300mm ×200mm通长地梁,内配3Φ10钢筋,并设置埋件。
架体搭设:脚手架体搭设按规范规定搭设,立杆大横杆接头错开一步架,大横杆接头不能在一个垂直线上,立杆接头不能在一个水平线上。
小横杆节点处里外排使用扣件拧紧与建筑物拉结。
剪刀撑:设置角度在45°~60°之间,以保证总体架子的稳定性。
脚手架外部用一层大眼网,一层密眼网封严,操作层放置一道护身栏杆,且每10米设一道安全平网。
脚手板:施工层脚手板满铺,在架体拐弯处脚手板交叉搭接,严禁铺设探头板。
第二小节、架体安全措施在搭设脚手架时,每完成一步都及时校正立柱的垂直度和大、小横杆的标高和水平度,使脚手架的步距、横距、纵距上下始终保持一致。
在脚手架的外侧沿高度和长度连续设置剪刀撑。
剪刀撑宽度不小于4跨,且不小于6m。
模板工程施工方案(一)模板安装1.底板挡头模板采用组合钢模板,边墙和拱部模板采用钢模板、型钢背衬及型钢支撑的组合体系。
其中钢模板拱部采用P3012、直边墙采用P6012,在零节处用P1512作为调节模板。
2、模板一次安装长度6~8m,可根据施工时现场具体情况适当调整,模板安装时作好施工旌处防水板及止水带的保护。
3、立模时边墙和拱部控制线位置必须准确无误,水平、断面尺寸和净空大小符合设计要求。
4、立模排板时,边墙和拱部的零节均设在墙脚和拱脚处,不足整块模板处采用木模板取代(外贴PVC板),做到板缝顺直、通畅。
5、为保证模板间的接缝密贴,防止混凝土的浆液向外渗漏,钢模板之间采用L形插销及U形卡进行连接,在装拆和搬运时要防止模板变形和配件丢失。
6、施工缝挡头板镶在钢模板内侧,在背衬工字钢肋上焊一箍环,中间可插入φ48的短钢管加固挡头板。
7、模板涂刷脱模剂。
结构表面需作处理的工程,严禁在模板上涂刷机油。
8、安装墙、拱模板时,随时固定支撑,防止倾覆。
9、各种连接件、支撑件及加固配件必须安装牢固,无松动现象。
模板拼缝要严密。
各种预埋件、预留孔洞位置要准确,固定要牢固。
(二)模板的拆除1、墙、梁侧模板拆除:拆模强度不小于设计值的50%,先拆除对拉螺栓等附件,再拆除斜撑,用撬棍轻轻撬动模板,撬动时严禁刮伤已浇注的混凝土面,模板离开墙体即可把模板吊走。
2、顶板模板及梁底模板拆除:顶板下部支撑体系拆除强度不小于设计值的75%,支撑体系拆除由上到下进行,先松动顶托,取下模板和木防,然后拆除支撑钢管。
(三)模板安装、预埋件、预留孔安装要求模板、预埋件、预留孔允许偏差见下表。
注:表中为构件长度、为构筑物的高度。
(四)模板施工注意事项及质量通病防治措施1、模板施工注意事项(1)模板必须支撑牢靠、稳定,不得有松动、跑模,超标准的变形下沉等现象。
(2)模板拼缝平整严密,不得漏浆,模内必须干净。
(3)模板安装前,必须经过检查无误后才能立模安装。
模板工程施工方案主体工程要达到清水混凝土的目标,主要依靠模板设计合理,安装精度高,拆模时混凝土强度达到要求,方法正确。
该工程全部采用新模板。
1、模板体系(1)墙体模板:1)墙体模板:采用专业厂家生产的大钢模。
该体系模板分内模、外模和角模,内模高度=层高-板厚+50 mm〈墙上口浮浆厚度〉,外模高度=层高+50 mm,面板采用6 mm厚的冷轧钢板,主肋采用10#槽钢,次肋采用8#槽钢。
2)穿墙螺栓采用Ф32变径螺栓,免用穿墙套管,水平最大间距为1200 mm。
3)为了保证模板接缝处的平整度,使砼表面无明显模板拼缝,解决模板接缝处漏浆的问题,取消大模板与大模板和大模板与角模之间的接缝安装间隙,让其在保护层中调整,所有模板横向接缝均采用企口连接,接头处加海绵条。
(2)楼板模板:楼板采用15 mm厚的防水胶合板,次龙骨用50×70 mm白松木方,间距400 mm,主龙骨用70×100 mm白松木方,间距950 mm。
为满足板面平整度的要求,全部木方用压刨将接触板面的正、反面刨平。
阴角单独配制阴角模,阴角模与墙面相接处夹5 mm厚海绵条。
模板缝隙用胶带封严。
竖向支撑采用碗扣式脚手架,立杆间距900 mm,上面设可调顶托,设三道水平杆。
(3)梁模板:(4)梁模板采用防水胶合板,次龙骨用50×70 mm白松木方,间距400 mm,主龙骨用70×100 mm白松木方,侧模及底模用Ф48×3.5 mm钢管配可调支撑。
当梁高大于700 mm时,在距梁底2/3高度处加一排Ф12的对拉螺栓。
梁柱节点采用定型节点模板。
(5)柱模板:模板体系:柱模板采用竹胶合板,配模时优先选用通用、大规格模板,梁柱接头处在柱模上按梁底标高留好槽口。
柱箍为双排8#槽钢,双向各设两道拉杆与槽钢拉接,每600 mm设置一道。
柱模外侧用钢管加顶托与四周脚手架支撑,柱模根部内侧预插短钢筋头,然后垂直柱模焊接与柱同宽的钢筋,从内部将模板固定。
模板工程施工方案
根据该工程的结构特点,为确保工程质量优良的情况下方便快捷的施工,模板全部采用优质覆膜木胶合板,1#、2#厂房钢结构柱下独立基础采用木模;其它单位工程框架、梁板、楼梯采用木模按设计拼制。
1、模板支设
厂房框架结构梁、板模板的支撑体系采用满堂脚手架;模板次背楞为50×100木方,间距300mm;主背楞为100×100木方,间距1000mm。
采取如下图所示措施来保证其质量。
2、模板拆除
模板拆除时,竖向结构的混凝土强度在常温时应大于 1.2MPa,以保证墙体拆模时,墙体不粘模、不掉角、不裂缝。
梁、板结构拆模时,必须保证其混凝土强度达到75%。
3、质量保证措施
(1)每次入模前均涂刷脱模剂,以便保证混凝土构件顺利脱模(采用水性脱模剂),且不损坏构件。
(2)模板组装完毕后,其侧模和底模工作面之间的局部最大裂缝不得大于1mm,且0.8~1mm裂缝的累计长度不得大于每边总长度的25%。
板面拼装应平整,板面高差均不得大于0.5mm。
(3)模板松开穿墙螺栓时,必须保证砼强度≥1.2Mpa。
(4)浇筑柱、墙砼时,必须遵照规定的要求认真进行浇灌和振捣,为防止模板内漏振,必须有专人采用敲击法检查模板。
必须有专人看模以防止跑模。
模板工程施工专项方案一、底板模板施工:砖模采用120mm厚的砖墙从垫层开始至底板上表面标高300mm处。
为了保证砖模在底板混凝土浇筑时不移位,提高砖模的抗侧压力,浇筑底板混凝土之前,将砖模高度的回填土提前回填完成。
回填土按要求打夯保证回填的密实。
为了保证底板侧帮钢筋保护层的厚度,砌筑砖模前,在底板垫层上弹出砖模的位置线,位置线预留出砖模的抹灰层和防水卷材的厚度。
二、墙模板支设施工:墙模板采用木模板组拼,为加强模板整体的刚度采用纵横向双钢管进行加固。
为了保证模板在混凝土浇筑及振捣过程中不发生变形,螺栓纵向间距为500mm(自根部起第一道螺栓为200mm),横向间距为600mm。
外墙与底板交接支模示意图三、矩形柱模板支设施工:柱模采用15mm厚木模板组拼。
柱模纵向加固采用Ф48钢管夹杠,并用Ф16螺栓对拉将其连成一个整体,自根部起第一道螺栓为300mm。
以上螺栓间距为500mm一道。
三、圆柱模板支设施工:本工程部分框架柱为圆柱,为了提高模板支设效率,提高工程质量,圆柱模板采用定型钢模板体系,该定型模板的面板采用5mm厚的钢板加工制作。
模板根据设计要求配置,标准节长度1200mm,标准节模板由两片组成,上部的一节为梁柱接头模板,根据框架柱高度和截面尺寸确定。
主箍为钢桁架式柱箍,所有节点必须焊牢,柱箍连接和模板连接采用螺栓。
定型钢模板加劲肋与钢板点焊,模板制作及螺孔尺寸精确。
四、梁模板支设施工:该工程现浇板采用碗扣式脚手架、早拆头作为梁板支撑系统。
模板采用15mm 厚木胶合板模板进行组拼,立杆用1.8m和1.2m长的碗扣架体进行组装,立杆间距以0.9m为主,同时遇截面宽度大于600mm的梁加设钢管快拆进行支顶。
支模顺序:搭设碗扣架体、固定早拆头→早拆头上铺设通长钢管,与钢管垂直方向,间距300mm铺设通长50×80×4000mm木方子→满铺15mm厚木胶合板模板。
1、梁侧模底模均采用15mm厚双面覆膜多层板,次龙骨采用50×80mm木方,主龙骨采用采用Φ48双钢管;梁高小于等于700时采用钢管加斜支撑,梁高700mm以上时当加设Φ16对拉螺杆,间距小于700,侧模背次龙骨木方沿梁纵向布置。
模板工程施工方案本工程模板工程施工方案包括建筑施工方案、施工技术交底和施工组织设计三部分。
本工程施工图纸已经具备施工条件,本方案重点进行施工流程的规划和组织安排,以确保施工过程高效、顺利进行。
一、建筑施工方案1.工程概况本工程位于XX市XX区,总建筑面积XX平方米,地上XX 层,地下XX层。
主要包括地基基础施工、主体结构施工、建筑装饰施工等内容。
2.施工任务本工程的施工任务是按照设计图纸、技术规范和施工合同要求完成施工工程,并负责工程的质量、安全、进度与环保管理。
3.施工组织根据工程特点和施工进度,制定施工组织设计,明确施工的任务分工、施工顺序和施工方法等。
施工组织按照安全、质量、进度的要求进行设计,并根据实际情况进行调整。
二、施工技术交底1.施工流程根据施工图纸和设计要求,制定施工流程。
施工流程包括地基基础施工、主体结构施工、建筑装饰施工等具体步骤。
每个施工步骤都要明确施工顺序、施工方法和施工要求等。
2.施工工艺根据工程特点和施工条件,制定施工工艺。
施工工艺要针对每个施工步骤进行设计,明确施工工艺流程图、施工设备和施工工具的使用等。
3.技术要求根据工程的技术规范和质量要求,制定技术要求。
技术要求包括施工质量标准、施工材料要求和施工设备要求等。
技术要求要与施工图纸和设计要求一致,并按照相关技术规范执行。
三、施工组织设计1.施工任务分工根据施工流程和工程任务,明确施工任务分工。
施工任务分工要根据施工步骤、施工工艺和施工要求等进行合理分配,并明确各个分工单位的职责和工作内容。
2.施工进度计划根据施工任务分工和工程进度要求,制定施工进度计划。
施工进度计划要根据施工流程和施工工艺等进行安排,并反映出施工工期和施工节点。
3.施工人员与设备安排根据施工任务和施工进度计划,安排施工人员和施工设备。
施工人员和施工设备要根据施工要求和施工进度进行合理调配,并按照相关安全规定进行安全操作和管理。
综上,本工程施工方案中的建筑施工方案、施工技术交底和施工组织设计详细规划了本工程的施工流程、施工工艺和施工任务分工等内容,以确保施工工程按照设计要求进行,并按照安全、质量、进度和环保的要求进行施工。
模板工程专项施工方案模板施工流程:1、地下部位流程本工程地下整体布局承台,基础梁、基础墙柱施工整体流水为:基础垫层→基础承台梁→基础剪力墙柱梁2、地上部位流程剪力墙柱钢筋绑扎→剪力墙、柱、梁板模板→梁板钢筋→剪力墙、柱、梁板混凝土浇筑1、柱模板为加快施工进度,保证混凝土外观质量,根据设计按柱子的截面大小尺寸,采用12木质多层板清水模,外侧采用60mm ×90mm木方竖向背楞,间距@250mm。
加固体系柱采用钢管间距按每450mm一道设置,第一道距柱根200㎜,并与满堂脚手架连成一体,模板阴阳角方正,保证拼缝严密,不漏浆。
柱模施工时,先准确放出柱网轴线,同时放出柱的外轮廓线,在柱的主筋与最底下一个箍筋的交接处,四角用Φ12钢筋焊成限位钢筋。
中部和上部利用对拉螺栓的PVC套管进行限位柱模四周靠上后,挂垂直线验收校正再加以固定;柱合模之前,把柱根部清理干净后再封闭。
2、现浇顶板和梁模矩形截面梁、顶板采用木质多层板清水模,梁板搁栅(龙骨)采用60mm ×90mm 木方,搁栅(龙骨)间距,板控制在@250mm 以内,梁控制在@250mm 以内。
支承系统搭设完,剪力墙、柱合模后,开始梁模的支设。
模板支架采用碗扣钢管体系,立杆纵横间距0.9m ,步距1.8m 。
高支撑部位矩形截面梁多为300×600mm ,梁的截面尺寸不大,承重立杆跨度方向900mm 间距,与满堂脚手架连接成一个整体。
梁模支设时,先铺梁的底模和一侧模板,梁模深入柱模里口平,梁跨度大于4m,按1/1000-3/1000起拱,梁模利用钢管做卡箍,间距@900mm 。
支设梁模板时,应留一边模暂不支,待梁钢筋成型、校正、验收后再封闭、加固。
梁板支撑模板示意图60*90木方@25060*90木方@250现浇楼板3、剪力墙、电梯井模板1、支模顺序:支模前投线检查→支一侧模板→钢筋绑扎→支另一侧模板→校正模板位置→支撑加固模板→全面检查校正(包括截面尺寸、平整度、垂直度、整体稳定性)。
实用文档模板工程施工方案完整模板工程(一)、概述本工程构件由独立基础、框架柱、框架梁及楼面板组成;其中框架柱为矩形。
(二)、模板选型总体思路1、模板选型原则本工程结构形式相对简单,为统一施工,并达到清水混凝土效果,选用15mm厚覆膜木胶合板作为模板。
2、模板选型根据模板选型原则兼顾设计要求、构件特点等因素。
(三)、脱模剂的选用和使用注意事项1、脱模剂的选用木胶合板面板采用水质脱模剂。
2、使用注意事项水质脱模剂在涂刷前要将模板表面先用水清洗干净,去除灰浆、灰尘、冰雪等杂物后再涂刷。
水质脱模剂涂刷前,应搅拌均匀。
涂刷时应均匀、一致,严禁漏刷和多刷。
实用文档脱模剂选用时,应使用同一厂家、同一配比、同一生产批次的脱模剂,严禁混装、混用。
(四)、模板设计1、基础底板外侧砖模板基础底板模板施工前,测量人员根据控制线放出底板的外边线,模板安装人员根据边线搭建底板的外围模板。
基础底板内侧采用卷材防水,表面覆盖水泥砂浆保护层,外侧采用填土加固。
2、基础梁模板安装基础底板混凝土浇筑完毕后,在基础底板上放出基础梁轴线和边线,模板施工人员按梁边线进行基础梁模板支设。
施工前根据基础梁结构尺寸基础梁模板采用竹胶板和50×100木方制作、基础梁模板,50×100木方做横向背楞,间距不大于200。
根据已铺设的梁边安装模板,并用穿墙螺丝加固。
螺杆的水平间距不大于600,垂直间距不大于300。
净高超过1000的基础梁根部加密。
对拉螺栓的垂直间距不大于200。
螺丝的设置方式要不对,要用双蝶形件拧紧加固。
根据具体情况,在角落和中间设置2-3个管架加固系统。
实用文档与基础底板相连的基础梁,为了避免整条梁水平位移,要用架管及扣件将各条梁进行连接,并利用在底板上预埋的地锚对梁进行加固,确保水平稳定。
3、框架柱模板设计基础底板或顶板混凝土浇筑完毕后,在基础梁或顶板上放出框架柱的轴线和边线,模板施工人员根据柱边线支撑框架柱模板。
XXXXXXXXXXX53#住宅楼模板工程施工方案编制人:审核人:审批人:XXXXXXXXXX公司目录1.编制依据 (1)2.工程概况 (1)3.施工部署 (2)4.施工准备 (3)5.主要施工方法及措施 (4)6.模板安装的质量标准及施工要求 (33)7.模板工程注意事项 (35)1.编制依据1.1《XXXXXXXXXXX53#住宅楼工程施工组织设计》1.2 XXXXXXXXXXX53#住宅楼工程施工图纸1.3主要规范、规程、标准1.4法律、法规2.工程概况2.1 设计概况本工程为XXXXXXXXXXX53#住宅楼,位于X公园外环路以南,干城路以东,昌二路以西,东干城路以北。
该工程设计为剪力墙结构,总建筑面积13245.91㎡,其中地下建筑面积537.63㎡,地上建筑面积12708.28㎡,其中商业网点部分建筑面积为1429.24㎡住宅部分建筑面积11279.04㎡(主体结构外阳台按半面积计算,主体结构内阳台按全面积计算,具体计算方式见单元放大图;按此原则计算出的阳台总面积为337.18㎡),建筑基底面积为820.50㎡;建筑层数、高度:本项目地下一层,地上二十五层,其中,地下一层层高为4.0m、一层商业网点层高3.9m、二层商业网点层高3.6m三层~二十四层高均为2.97m,25层层高为2.87m,室内外高差为0.30m,建筑高度76.163m。
主楼基础采用CFG桩+筏板基础2.2现场情况:根据现场实际,考虑施工方便,模板的加工及存放区设在现场指定位置,根据文明施工要求,现场搭设木工加工棚及模板存放架。
现场道路、材料堆放场地进行硬化处理,找好排水坡度及排水设施。
2.3工程难点2.3.1管理方面模板用量大、规格型号多,施工中必须绘制详细的模板配板图,制定详细的管理制度及措施,防止用错。
2.3.2技术方面2.3.2.1质量目标要求高,模板的选型、设计、加工质量,直接影响到工程的施工质量。
必须精心设计、严格控制。
2.3.2.2结构形式复杂,电梯间、楼梯间、汽车坡道多,造成模板的种类、形式多样。
2.3.2.3墙体高厚、框架梁、柱截面尺寸高大、主次梁数量多、地下标高复杂、地下层高高、顶板错层地方多。
这些必须在模板设计中全过程、全方位考虑。
2.3.2.4本工程各种专业预留、预埋较多,施工过程中需各专业密切配合,及时解决施工中的各种问题,以免影响工程的进度、质量。
3.施工部署3.1质量目标:3.1.1质量方针:信守合同承诺,保持过程受控,追求质量卓越,交付满意工程。
3.1.2质量目标:确保工程质量“合格”。
3.3劳动力需用量3.3.1工人数量(每施工队):4.施工准备4.1技术准备4.1.1施工图纸下发后,应及时组织技术、生产、质量、翻样、放线以及外施队有关人员进行联合审图。
并会同水、电、设备等专业,认真进行图纸会审,确保留洞及预埋件的位置正确,发现问题及早解决。
4.1.2需外加工的模板、配件(如穿墙螺栓、铁垫等)提前做好加工订货工作;做好模板的翻样工作,并对模板零件、螺栓等材料预先提出加工计划。
4.1.3按照使用部位分别绘制配板图并编号。
4.1.4模板工程施工前,由工长依据施工图纸、施工组织设计、模板专项方案、规范、规程、图集、施工工艺及安全生产责任制等为依据,做好技术和安全交底工作,并组织专门会议对操作工人进行详细交底。
4.1.5对施工队采取按工种定人、定岗、定质量的三定措施,并针对工程的实际情况进行工前培训。
4.2机具准备(每施工队)其它:手提式电锯12台、手提电闸箱、强力吹风机5台、吸尘器、斧子、扳手、手锯、羊角锤、线坠、靠尺板、方尺、铁水平、铲刀、角磨机等。
4.3 材料准备4.3.1所有材料应根据施工进度提前编制需用计划,提交相关部门,以保证材料准时到场,以免延误工期。
4.3.2筏板基础外模及独立基础、条形基础等根据图纸及设计变更使用砖模,各施工区根据施工面积准备灰砂砖、水泥、砂等砌筑材料。
4.3.3后浇带使用快易收口网,各施工区需提前计算面积,向厂家预定。
4.3.4模板面板使用多层竹胶板,规格915×1830mm、1220×2440mm。
4.3.5模板配套材料:50×75、50×100木方子(木方使用前,应刨平,并应尽量保证截面尺寸,截面刨去的厚度不应大于3mm。
),φ48.3×3.0mm钢管、可调U托、可调底座、钢管。
4.3.6其他辅助材料:脱模剂、海棉条、木楔子、钉子、M16mm对拉螺栓、M16mm对拉螺栓(带止水环)、花篮螺栓、铅丝等。
5.主要施工方法及措施5.1流水段划分本工程选择了两支具有较强实力的劳务分包,组建两个综合施工队负责本工程的结构施工任务。
5.2模板及支撑体系配置5.2.1模板配制时,应尽量采用标准型模板,减少异型模板的使用,标准模板与异型模板进行组合使用,力求增加模板周转次数,降低成本。
5.2.2模板配置应在满足设计要求和质量目标要求的情况下,充分考虑所有结构的几何尺寸,综合考虑模板的施工调配,增加模板的周转次数,提高模板利用率。
5.2.3模板及支撑体系应稳固、安全可靠、合理适用。
本工程模板支撑体系选用扣件式钢管脚手架。
5.2.4本工程模板及加固、支撑体系选型如下表所示。
5.3隔离剂的选用及使用注意事项为使模板便于脱模,且脱模后墙面平整光洁,应对模板表面涂刷隔离剂,以尽量减少模板与砼的粘结。
本工程脱模剂选用3:7机柴油(体积比),机油不能用废机油。
5.4模板设计 5.4.1 基础垫层模板垫层厚度为100mm ,垫层模板采用50mm*100mm 木方,沿垫层边线设置,在木方的外侧砸50×50的木橛加固,木橛长度为400mm ,间距为800mm 或采用三级钢14钢筋450mm 长,间距500mm 设置,根据垫层边线,在木方与木橛之间背碰头楔子将木方找直、找平。
然后在木橛头上抄或钢筋上平测出垫层的标高控制线,在木橛上挂线调整好木方的标高。
垫层模板加固示意图垫层地基100*100木方50*50木橛@8005.4.2基础底板模板5.4.2.1按设计图纸要求,地下一层外墙根部水平施工缝留置在基础底板顶面上返300mm处。
5.4.2.2基础模板都采用灰砂砖、M7.5水泥砂浆砌筑的240mm防水保护墙作为砖胎模,砖胎模的施工在垫层施工完毕后进行,砌筑砖胎模应做好砖胎模的定位放线工作,预留出防水找平层抹灰及防水保护层的做法厚度,以保证基础的截面尺寸。
基础底板浇筑以先砌的防水保护墙作为外侧模板。
防水保护墙厚240mm,采用灰砂砖、M7.5水泥砂浆砌筑外墙每隔2米设一个370mm砖垛,防止底板混凝土浇注时“砖模”胀模。
5.4.2.3防水保护砖墙砌筑完毕,内侧用水泥砂浆抹平,墙根部等阴阳角处抹成圆弧形,圆弧半径为20mm。
5.4.2.4外墙肥槽部分进行回填以防止底板混凝土浇注时“砖模”胀模。
5.4.3电梯坑、集水坑模板电梯坑、集水坑模板采用15厚多层板和50×100mm、100×100mm木方按坑大小尺寸配制成定型的封底筒模。
筒模底开1至2个200×200mm振捣孔兼出气孔,振捣孔位置在井筒中部均匀布置,以防止坑底混凝土浇筑不满。
电梯坑、集水坑模板支设剖面图防止上浮10号槽钢电梯基坑模板支设平面图100*100mm木方5.4.4墙体模板设计:5.4.4.1墙体模板设计和制作1)墙体模板的设计:(1)墙体模板面板采用15mm 厚多层板,面板的标准尺寸为915×1830mm 、1220mm ×2440mm 。
(2)竖肋为50×100mm 木方,间距200mm 布置。
模板上下口均配置100×100封口木方子,使其拼装牢固。
若竖楞为50×75mm 木方,需两根合并使用,间距225mm 。
(3)横楞为双钢管,第一道横楞距地面200mm ,往上横楞间距500mm ,横楞最上一道距上口300mm ,(4)在横楞处设置φ12对拉穿墙螺栓,水平间距450mm 。
(5)支撑采用φ48.3×3.6mm 钢管及可调U 型托等。
(6)墙体模板高度:外墙模板配制高度=层高-板厚+50mm +150mm (模板下返高度)内墙模板配制高度=层高-板厚+50mm(7)墙体模板构造如下图:墙体模板构造图混凝土墙体15厚多层板50×100mm木方子Ф16穿墙螺栓横向龙骨2)模板节点设计(1)墙体转角处模板设计:墙体相交的阴角处,阴角模用定型木模板。
为便于拆除,阴角模板长宽尺寸不小于320mm。
做法详见下图。
阴角模板加工示意图(2)模板接缝的处理模板面板采用硬拼拼缝,模板边用刨子刨直刨光,两块大模间缝隙不得大于1mm。
拼缝处的背面用木方加强固定,木方与模板接触面用刨子刨直刨光。
模板拼接详见下图。
墙体模板拼缝详图100*100MM木方15厚多层板墙体模板拼缝详图(3)对拉螺栓地下外墙、消防水池墙的对拉螺栓采用φ14工具式穿墙螺栓,带止水片和锥形盾头。
(如下图)模板工具式穿墙止水螺栓门框墙采用φ14工具式穿墙螺栓,螺栓不加套管及止水片,两头带尼龙锥形盾头:普通内墙使用M14的穿墙螺栓,在螺栓两片模板间部分套φ20mm的塑料管。
(5)墙体模板支撑墙体模板支撑采用φ48.3×3.6mm钢管、钢丝绳及可调U型托等,支撑方法见下图:斜向钢管支撑@1200地锚地下内墙及地上墙体模板支模布置图100*100木方50*100木方双钢管预埋钢筋头双钢管50×100mm木方,间距200mm M16穿墙螺栓地下外墙模板支撑示意图钢管斜撑15mm厚多层板50×100mm木方垫片边坡墙外侧斜支撑5.4.5柱子模板设计:5.4.5.1本工程框架柱采用木模板。
5.4.5.2木模板面板采用15mm 厚多层板,竖楞为50×100mm 木方,间距200mm(若采用35×75mm 木方,间距100mm ),贴多层板的木方面要刨直刨光。
柱箍采用双钢管,第一道柱箍距地200mm ,往上柱箍间距450 mm 。
最上一道距上口300mm 。
如下图示:双钢管50X100的木方15厚的木模板柱模板剖面图柱子AA 2F 16对拉螺栓2F 16对拉螺栓柱模板剖面图25钢筋与槽钢焊接柱模板角部详图柱模板构造图(mm )5.4.5.3框架柱模板配模高度=层高-梁高+50mm5.4.5.4框架柱长边尺寸≥900mm 时,沿长边方向中部设置一道“穿柱”对拉螺栓,螺栓竖向间距同主龙骨。
如下图:50×100mm木方对拉螺栓15厚多层板双钢管ф48.3柱模板平面图5.4.5.5在基础底板及楼板上预留钢筋头,用φ48.3×3.6mm 钢管加U 型托做斜撑来支撑柱模板。