红花水电站泄水闸平面工作闸门设计
- 格式:doc
- 大小:31.50 KB
- 文档页数:8
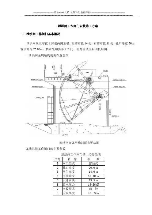
泄洪闸工作闸门安装施工方案一.泄洪闸工作闸门基本概况泄洪闸坝段布置于河道两侧主槽,左槽布置14孔,右槽布置11孔,孔口净宽20m,堰顶高程26.00m。
挡水采用弧形工作门,由两台液压启闭机启闭。
1.泄洪闸金属结构剖面布置总图泄洪闸金属结构剖面布置总图2.泄洪闸工作闸门的主要参数泄洪闸工作闸门的主要参数表3.主要闸门部件的重量第一节(底节)门叶重量37.1t;第二节门叶重量22.3t;第三节门叶重量34.9t;第四节(顶节)门叶重量17.7t;支臂下支臂重20.6t;支臂上支臂重11.1t(包括前连接板及筋板,每个臂柱的前连接板及筋板重约1.8t)。
二.主要施工依据1.安装工程遵循的技术规范、标准安装所用的材料、设备、安装工艺和工程质量的检验和验收应符合下列国家和行业颁布的技术标准和规程规范规定的技术要求。
当本技术文件的内容与所引用的标准和规程规范的规定有矛盾时,应以有关技术文件的规定或监理人指示为准。
GB3323 钢熔化焊对接接头射线照相和质量分级GB50205 钢结构工程施工验收规范GB50221 钢结构工程质量检验评定标准GB11345 钢焊缝手工焊超声波探伤方法和探伤结果分析GB50221 钢结构工程质量检验评定标准GB8923 涂装前钢材表面锈蚀等级和除锈等级GB985 气焊、手工电弧焊及气体保护焊焊缝坡口的基本型式与尺寸GB986 埋弧焊焊缝坡口的基本型式和尺寸GBJ17 钢结构设计规范DL/T5039 水利水电工程钢闸门设计规范SL36 水工金属结构焊接通用技术条件SL105 水工金属结构防腐蚀规范DL/T5018 水电水利工程钢闸门制造安装及验收规范SDJ2492 金属结构及启闭设备安装工程(试行)SDZ014 涂漆通用技术条件JB3092 火焰节割质量技术要求JB/ZQ4000.3 焊接件通用技术要求DL/T5358 水电水利工程金属结构设备防腐蚀技术规程2. 制造承包商提供的施工图、技术资料、技术要求等。
船闸充泄水工作门、检修门制作方案一、概况充泄水廊道工作门/检修门总共8扇。
工作闸门形式为平面定轮式。
每扇闸门单重为5553kg,共4扇,总重22212kg,门叶结构最大外形尺寸为600×3840×3480;检修闸门形式为平面滑动式。
每扇闸门单重为5003kg,总重20012kg。
门叶结构最大外形尺寸为883×4570×3700。
闸门工程量共计42224kg。
船闸上闸首工作闸门拉杆共2套,单重为1042.2kg,总重2084.4kg;下闸首充泄水廊道工作门拉杆共2套,单重为1361.4kg,总重2722.8kg;拉杆共计4807.2kg。
船闸充泄水廊道工作门/检修门及拉杆工程量总计47031.2kg。
二.施工总进度计划船闸充泄水廊道工作门/检修门及拉杆共计47031.2kg,计划2010年7月30日完成。
三.制造施工方案1、材料采购(1)金属材料金属材料采购按工期要求分批进行,选择合格的厂家择优录用,验收时检查钢材的机械性能和化学成分是否符合国家标准或部颁标准,是否具有出厂合格证,对表面缺陷超过GB3274的钢板,不能用在闸门的承重构件。
(2)焊接材料工作门、检修门、栏污栅及埋件所用的钢板、型材均为Q235B,故手工焊选用J422(E4303)焊条,埋弧焊选用H08焊丝,CO2气体保护焊选用H08Mn2Si(ER50-6)焊丝,(3)外协件外协件主要有闸门主轮、侧轮、连接轴,根据工期要求需要外协的构件,其外协制造时间相应提前。
(4)其它材料其它所有材料满足设计及规范要求。
2、下料(1)所有下料好的构件均编号,标明下料尺寸,以便拼装。
(2)吊耳加强板需精加工的构件,留2~4mm的加工余量,下料后送去精加工。
(3)划线和切割质量要达到DL/T5018-2004规范要求。
(4)面板四周均留50mm余量进行最后闸门外形的切割余量,工作闸门面板为“凹”形,下好“凹”后进行闸门总拼装。
红花水电站金属结构优化设计黎子球(中水珠江规划勘测设计公司广东广州510610)摘要:根据红花水电站工程的特点,对金属结构的选型、结构型式、材料等进行比选优化,从而确定较佳方案,使设计的产品安全、可靠、方便、实用。
关键词:红花水电站;金属结构;优化设计一、电站金属结构总体设置红花水电站位于广西柳江县,工程总库容30亿立方米,装机220MW,是一座以发电、航运为主,兼顾灌溉、旅游、养殖等的综合性大型Ⅰ等水利工程。
红花水电站金属结构包括泄水闸、厂房和船闸三部分。
泄水闸共18孔,孔口宽度16米,设上游检修闸门2扇,启闭设备为坝顶门机;工作闸门18扇,启闭设备为固定式卷扬机;下游检修闸门1扇,启闭设备为手拉葫芦。
厂房部分设进水口前沿浮式拦污排;进水口拦污栅,启闭设备为耙斗式清污机;进口检修闸门,启闭设备为坝顶门机;尾水事故检修闸门,启闭设备为台车。
船闸为单线一级1000吨级船闸,船闸净宽18米,设有上闸首工作闸门和下闸首工作闸门,启闭设备为液压启闭机;上闸首挡洪检修闸门,启闭设备为坝顶门机;下闸首检修闸门,启闭设备为电动葫芦;输水廊道工作闸门,启闭设备为液压启闭机;输水廊道检修闸门,启闭设备为电动葫芦等。
整个电站共计有各种闸门49扇,倾斜式滑动拦污栅12扇,浮式拦污排1条,各种启闭设备共有26台。
总工程量为12320吨。
二、金属结构优化设计红花水电站总体规模虽然不是很大,但其金属结构却有它独特的地方,如:2×1600kN坝顶双向门机,容量虽然不算很大,但其功能多;轨上扬程大,而轨距却小。
船闸输水廊道工作闸门,孔口尺寸和设计水头虽然不大,但工作水头处于空化临界状态。
此外,红花水电站有不少金属结构是超大型的,如泄水闸工作闸门,孔口尺寸(宽×高)为16×18米;厂房进口检修闸门,孔口尺寸(宽×高)为12.15×14.21米,设计水头43.855米。
厂房尾水事故闸门,孔口尺寸(宽×高)为12.15×10.34米,设计水头41米。
红花水电站船闸人字门设计特点
陆伟
【期刊名称】《人民珠江》
【年(卷),期】2006(000)002
【摘要】针对红花水电站船闸下闸首人字门一些了切实可靠、简单经济的设计方案和成果.
【总页数】3页(P30-32)
【作者】陆伟
【作者单位】中水珠江规划勘测设计有限公司,广东,广州,510610
【正文语种】中文
【中图分类】U641
【相关文献】
1.彭水水电站船闸人字门安装工艺研究 [J], 陈永伟
2.柳江红花水电站船闸下闸首人字门的制造 [J], 巫云杰
3.万安水电站船闸人字门的安装焊接 [J], 王长春
4.京南水电站船闸人字门底枢检修 [J], 黎文明;陈健辉
5.五强溪水电站船闸人字门安装 [J], 唐宏尼
因版权原因,仅展示原文概要,查看原文内容请购买。
水电站闸门设计与施工在现代工业化社会中,水电站是一种重要的能源供应设施。
作为水电站的关键部分,闸门的设计与施工非常关键。
本文将介绍水电站闸门的设计原则、施工过程以及可能面临的挑战。
1. 设计原则水电站闸门的设计需要考虑多个因素,包括水流量、闸门尺寸、材料选择等。
首先,设计人员需要确定水流量,以确保闸门能够满足负荷需求。
其次,闸门的尺寸和材料选择应该考虑到所处环境的特点,如水压、水位变化等。
此外,设计人员还需要考虑闸门的操作方式,以便工作人员能够方便地控制和维护。
2. 施工过程水电站闸门的施工是一个复杂的过程,需要高水平的技术和专业知识。
首先,施工人员需要准备施工区域,确保周围环境安全和无障碍。
然后,根据设计图纸,施工人员开始安装基础结构,如钢筋和混凝土。
接下来,闸门本体的制造和安装将进行。
闸门的制造通常需要将大块金属材料切割和焊接,这要求施工人员具备高超的技术。
最后,施工人员将进行系统测试,确保闸门正常工作并符合设计要求。
3. 面临的挑战水电站闸门的设计与施工过程中可能会面临一些挑战。
首先,设计人员需要充分了解周围环境特点,以便制定合适的设计方案。
水电站往往处于各种气候条件下,如高寒、高温和潮湿环境,这对闸门的材料选择、防腐处理等提出了更高的要求。
其次,施工人员需要高级的技术来应对复杂的制造和安装工作。
同时,施工过程中可能会受到天气等不可控因素的干扰,如雨水和强风,这可能会延长施工时间并增加施工难度。
总结水电站闸门的设计与施工是水电站建设中不可或缺的环节。
设计人员需要根据水流量、材料特性和操作要求等多种因素综合考虑,以确保闸门的安全性和使用寿命。
施工人员需要具备高级的技术和专业知识,以确保闸门能够按照设计要求安装和调试。
尽管面临一些挑战,但通过合理的设计和精心的施工,水电站闸门将为能源供应做出重要贡献。
7.4金属结构安装7.4.1工作范围及内容xxx水电站工程泄洪工程部分为13孔泄水闸,每孔前端设一道14.2×13.5-13m平面滑动检修闸门,13孔共设检修闸门2扇。
检修闸门利用QM-2×1000kN单向门机配液压自动抓梁操作,门机轨道安装在214.6m高程坝面上,检修与维护也在此坝面上进行,检修闸门平时分别置于2个门库内。
在检修闸门的下游侧设一道14.2×13.5-13m平面定轮工作闸门,共13孔13扇。
工作闸门采用QP-2×1250 kN固定卷扬启闭机操作。
启闭机布置在233.00m高程的平台上,其检修与维护也在此平台上进行。
泄洪系统启闭设备设置柴油发电机作为备用电源,以保证动力电源的可靠性,启闭机的启升机构设有高度指示装置及过负荷装置,走行机构设有行程限位开关、夹轨器等安全保护装置,以保证启闭设备的安全运行。
本标段为一期围堰内的右岸六孔泄水闸部分的金属结构安装工程。
包括闸门门叶、门槽埋件、启闭机机械和电气设备,以及与本合同项目有关锁锭装置、基础埋件、门机轨道、如意式自动抓梁、电缆等附属设施。
安装工作还包括合同规定的各项设备调试和试运行,以及试运行所必需的各种临时设施的制备和安装。
7.4.2引用的主要标准和规程规范(1)《起重设备安装工程施工及验收规范》GB/T50278-98;(2)《水电水利金属结构与机电设备安装安全技术规程》DL/T5372-2007;(3)《电气装置安装工程起重机电气装置施工及验收规范》GB/T50256-96;(4)《钢焊缝手工超声波探伤方法和探伤结果分析》GB/T11345-89;(5)《涂装前钢材表面锈蚀等级和除锈等级》GB/T8923-88;(6)《钢熔化焊接接头射线照相和质量分级》GB/T3323-2005;(7)《水工金属结构防腐蚀规范》SL105-95;(8)《水电水利工程钢闸门制造安装及验收规范》DL/T5018-2004;(9)《水利水电工程启闭机制造、安装及验收规范》DL/T5019-94;(10)《水工金属结构焊接通用技术条件》SL36-92;(11)《起重机试验规范和程序》GB5905-86。
泄洪闸施工方案泄洪闸施工方案一、工程概况泄洪闸是一种水利工程设施,用于控制水位并排泄大量的洪水。
本施工方案旨在设计和建造一座高效且稳定的泄洪闸,以确保洪水能够有效排泄,保护周边地区的安全。
二、施工设计1. 选择合适的位置:泄洪闸应建在河流或湖泊的出口处,以确保洪水能够顺利排出。
同时,应考虑附近地质条件和地形,选择安全、稳定的基址。
2. 施工材料:为了保证泄洪闸的强度和耐用性,我们将选择高质量的水泥、钢筋等材料进行建造。
3. 结构设计:泄洪闸应根据实际情况设计大小和形状。
一般而言,正常情况下闸门处于关闭状态,只有在洪水来袭时才会打开,快速排放洪水。
4. 排洪能力:根据当地的洪水历史和预测数据,我们会评估泄洪闸的排洪能力,确保其能够承受预期的洪水流量。
5. 安全设计:为了确保施工和运营过程的安全,我们会设置合适的护栏和警示标志,以防止人员误入危险区域。
三、施工步骤1. 土方开挖:根据设计要求,在泄洪闸的基址上进行土方开挖,并保持挖掘区域的稳定。
2. 基础建设:为了确保泄洪闸的稳定性,我们将进行基础建设工作,包括混凝土浇筑和钢筋加固等。
3. 闸门制造与安装:制作和安装泄洪闸的闸门,应保证其坚固、耐用且密封性好,确保在排洪时不会发生泄漏。
4. 系统设施安装:根据设计要求,安装相应的控制系统和监测设备,以确保泄洪闸的正常运行和安全性能。
5. 完善施工细节:在施工过程中,我们将严格按照相关规范和标准进行作业,并随时监测和调整施工方案。
四、施工安全措施1. 施工人员必须参加相关培训,并严格遵守安全操作规程。
2. 工地进出口设置合适的安全标志和警示牌,以确保人员和车辆的安全通行。
3. 施工现场应配置必要的消防设备和急救箱,并有足够数量的逃生通道。
4. 进行高空作业时,需要使用合适的安全设备,如安全带、防护网等。
5. 定期检查和维护所使用的机械设备和工具,确保其正常运行。
六、项目竣工验收标准1. 泄洪闸的闸门能够灵活开启和关闭,并且具有良好的密封性能。
红花水电站220KV断路器控制设计殷丽(中水珠江规划勘测设计有限公司广东省广州市510610)【摘要】主要介绍了红花水电站220KV开关站断路器控制回路中电气防跳回路的选择设计及断路器手动操作的非同期闭锁接线。
【关键词】红花水电站工程220KV断路器断路器操作箱电气防跳回路非同期闭锁1. 工程概况红花水电站工程位于广西壮族自治区柳江县境内,是以发电、航运为主,兼顾灌溉、旅游、养殖等综合功能的水利水电工程。
水库正常蓄水位77.5m,为日调节水库。
电站厂房为河床式、升压站采用GIS布置在户内、最高出线电压等级为220kV。
厂房内装设六台单机容量38MW的灯泡贯流式机组,电站总装机容量为228MW。
发电机额定电压10.5KV,额定功率因数0.85(滞后)。
三台220KV 主变压器,两回220KV出线,220KV双母线带母联。
红花水电站220KV配电装置为上海西安高压电器研究所有限责任公司的产品,采用了六氟化硫(SF6)气体绝缘金属封闭开关设备(GIS),布置在电站安装间段下游副厂房内。
断路器为ABB公司的SF6气体断路器,断路器采用了弹簧操动机构。
红花水电站工程220KV开关站电气主接线形式为:220kV配电装置采用双母线带母联断路器接线,共分8个220kV间隔,六个220KV断路器。
电气一次主接线图见附图1。
2.控制方式选择为了适应水电站的统一调度和经济运行的发展方向,方便电站频繁操作的要求,提高水电站安全运行维护管理水平,为电站无人值班及少人值守创造条件,红花水电站二次控制系统全部采用了计算机监控系统,对电站各主要电气设备进行监视、控制,实现成组调节和机组间负荷合理分配,提高发电效益等。
电站的监控模式按无人值班(少人值守)的原则进行设计。
不另设常规自动控制系统,只设现地手动操作作为调试和检修所需的控制设备。
红花水电站220KV断路器控制、信号及测量回路的操作电源为220V直流强电控制。
红花水电站220KV断路器按远方(自动)、现地(手动)分为两种控制方式,远方自动控制是在中控室计算机监控系统的开关站LCU屏上给出跳、合闸命令,对断路器跳、合闸线圈进行控制,从而驱动断路器操动机构。
4.2.3 泄水闸的布置泄水闸布置在水电站和船闸之间。
泄水闸主要有三部分组成:上游连接段、闸室段和下游连接段。
4.3 主要建筑物(泄水闸)4.3.1闸孔设计水闸闸孔设计主要是确定闸孔型式、尺寸河设置高程,以保证水闸在设计水位组合情况下有足够的过流能力。
一、堰型和堰顶高程确定根据设计任务书提供的资料显示,函江流域水面平缓,含砂量少,本水闸的主要功能为挡水灌溉和泄水,故本次设计采用堰流式闸室,堰型采用无槛宽顶堰。
这种型式闸室对于泄洪较为有利,它能使闸前漂浮物随着水流下泄,而不会阻塞闸孔而影响泄洪。
根据资料提供的地形图,考虑水闸的运行、河道冲刷淤积以及闸孔允许单宽流量和工程造价等因素,本次设计取堰顶高程与河床底高程齐平为13.0m 。
二、闸孔净宽计算、泄流能力校核 1、水位Q 2%=9540m 3/s ,H 上=23.65m ,H 下=23.40m ; Q 0.33%=12350m 3/s ,H 上=待算,H 下=23.80m ; 2、闸孔净宽计算闸孔总净宽的确定,主要涉及两个问题:一个是过闸单宽流量的大小;另一个是闸室总宽度与河道总宽度的关系。
如果采用的闸孔总净宽过小,使过闸单宽流量过大,将增加闸下游消能布置的困难,甚至影响水闸工程的安全;反之,如果采用的闸孔总净宽过大,使过闸单宽流量过小,工程量加大,造成浪费。
根据设计任务要求,闸孔允许单宽流量不大于30m 3/s ,初步拟定闸孔总净宽为0.7倍主河槽宽为350m ,闸孔分成35孔,每孔宽10m ,中墩厚1.6m ,缝墩厚0.8m 。
水闸底板为无槛宽顶堰,闸孔泄流能力计算公式如下:23002H g m B Q σε= (《水闸设计规范》以下简称《规范》附A ) 式中:Q ——过闸流量(m 3/s );σ——淹没系数,根据上下游的堰上水深查得;ε——侧收缩系数; m ——流量系数;B 0——闸孔总净宽(m ); H 0——堰顶以上上游总水头(m )。
泄洪闸施工组织设计一、项目背景泄洪闸是一种可以用来调节水库水位的水闸,可以通过控制泄洪闸门的开启程度来控制水库的出流量,以保证水库的安全运行。
泄洪闸施工是水利工程中非常重要的一环,涉及到工程的质量和安全,因此需要进行细致的组织设计。
二、施工目标1.完成泄洪闸的建设任务,安全、质量符合相关标准和规范要求;2.保证施工过程中的安全,最大限度地减少施工人员和机械设备的伤害;3.合理安排施工进度,确保施工任务按时完成。
三、施工组织及管理机构1.项目经理:负责施工组织的整体规划和管理;3.施工队长:负责具体施工工序的安排和指导;4.安全员:负责工地安全的监督和管理;5.质量员:负责工程质量的检查和记录。
四、施工步骤及安全措施1.施工准备阶段:(1)确定施工时间表和人员配置计划;(2)组织开展必要的技术培训,确保施工人员掌握相关工艺和安全操作要求;(3)采购所需的施工材料和设备,确保施工过程顺利进行;(4)进行现场勘测和测量,制定详细的施工方案。
2.基础施工阶段:(1)清理施工场地,确保施工场地干净整洁;(2)开展地基处理工作,保证基础的稳固性;(3)安装施工设备和搭建施工支架,确保工程的安全进行。
3.闸门施工阶段:(1)根据施工方案,进行闸门的制作和加工;(2)进行闸门的安装和调试,确保闸门的灵活性和工作效果;(3)进行闸门的防腐处理和涂装,保证闸门的耐用性。
4.施工结束阶段:(1)进行工程的验收和质量检查,确保工程质量符合要求;(2)进行工程的清理和整理,保持工地的整洁和安全;(3)编制施工总结报告,总结经验和问题,并提出改进措施。
五、质量控制要点1.施工材料的选用要符合相关标准和规范要求,保证质量;2.施工现场要进行周密的安全检查和整改,确保人员和设备的安全;3.工作人员要按照工艺要求进行施工,确保工程质量;4.完成施工任务后,要进行质量检查和验收,确保工程符合要求。
六、注意事项1.施工过程中要严格按照相关规定和要求进行,做到合理规划和科学施工;2.施工前要对施工材料和设备进行检查和验收,确保安全可靠;3.施工现场要设置明显的安全警示标识,确保人员和设备的安全;4.做好施工记录和资料整理工作,方便日后的查阅和总结。
水电站泄水建筑物的布置与设计-水工建筑物论文-水利工程论文-水利论文——文章均为WORD文档,下载后可直接编辑使用亦可打印——古瓦水电站泄水建筑物设计摘要:古瓦水电站坝址区为高山峡谷区, 泄水建筑物分两岸布置。
设计中采用了表层、中表层、中组合的左、右两岸泄洪的布置型式, 并充分利用左岸放空(导流) 洞, 采用了三洞合一布置方案。
通过合理的流量分配, 实现了溢洪洞、泄洪洞规模及结构的经济合理。
关键词:泄水建筑物; 溢洪洞; 泄洪洞; 三洞合一;作者简介:詹国强(19 -) , 男, 四川成都人, 教授级高级工程师, 从事水利水电工程设计和咨询工作;; 杨斌(1968-) , 男, 四川成都人, 高级工程师, 从事水利水电工程项目管理工作;; 贺开云(1981-) , 男, 重庆璧山人, 高级工程师, 从事水利水电工程设计和咨询工作;; 谢桃(1988-) , 女, 四川遂宁人, 工程师, 从事水利水电工程设计和咨询工作.;收稿日期:2019-05-06Design of Discharge Structure of Guwa Hydropower StationZHAN Guoqiang YANG Bin HE Kaiyun XIE TaoQingYuan Engineering Consultants Co., LTD Xiangcheng Hydropower Development Co., LTD, China DatangAbstract:The dam site of Guwa Hydropower Station is located in alpine and gorge area where the discharge structures are arranged on both sides of the bank. In the design, the layout of flood discharge structures are on both side of banks, which surface layer, middle surface layer and middle layer combination are adopted, and the left bank releasing (diversion) tunnel is fully utilized, and the layout scheme ofthree tunnels in one is adopted. Through reasonable flow distribution, economic rationality of the scale and structure of spillway tunnel and releasing tunnel is achieved.Keyword:discharge structure; spillway tunnel; releasing tunnel; three tunnels in one;Received:2019-05-061 电站概况古瓦水电站发电厂房位于四川省甘孜州乡城县境内, 电站涉及乡城、理塘、稻城三县, 是硕曲河干流乡城、得荣段一库六级梯级开发方案的龙头水库电站, 混合式开发, 水库总库容2.458亿m3, 装机容量201MW+4.4 (2.6) MW (主体电站+生态机组) 。
红花水电站泄水闸平面工作闸门设计简介:红花泄水闸工作门属于超大型平板闸门,控泄调度频繁,本文针对闸门及门槽设计方案的选定、闸门结构设计和模型试验等进行了介绍,并对其中所运用的新技术、新材料和新思路进行了论述,为类似工程设计提供参考。
关键字:平面闸门,门槽型式,荷载分配,模型试验1 概述红花水电站位于广西壮族自治区柳江县境内,是珠江流域西江水系柳江综合利用规划确定的柳江干流最下游一个梯级。
电站总体布置由右岸厂房、左岸船闸、中间泄水闸及两岸门库段、土坝等组成。
泄水闸共18孔,主要起挡、泄水作用,最大泄洪流量达44800m3/s。
泄水闸工作闸门采用平面定轮钢闸门,孔口尺寸(宽×高-设计水头)为16m×18m-17.598m,18孔18扇,采用固定卷扬式启闭机操作,一门一机布置。
为了检修闸室、闸门及其埋件,工作闸门上、下游分别设置检修门。
2 泄水闸工作闸门及门槽型式选择红花水电站泄水闸经水工模型试验确定采用开敞式改进机翼堰形式,泄水闸上游校核洪水位(P=0.1%)为91.52m,校核洪水流量为42000m3/s,上游设计洪水位(P=1%)为86.43m,设计洪水流量为32700m3/s,正常蓄水位为77.5m,下游校核洪水位为90.95m,下游设计洪水位为86.05m,下游最低水位为59.79m,堰顶高程60.0m,坝顶高程94.65m。
泄水闸工作闸门设计水头乘孔口尺寸达5068m3,属于超大型闸门,在国内已建同类型工程中,规模位列前茅。
泄水闸运行方式包括18孔全开,18孔均匀开启,8孔均匀开启,5孔均匀开启和4孔均匀开启等方式。
水库流量调度比较复杂,泄水闸工作闸门局部开启控泄频繁,按常规首选门型为弧门,以改善泄流时的水流流态。
根据《水利水电工程钢闸门设计规范》(SL 74-95)5.1.7款规定:露顶式弧形闸门面板曲率半径与闸门高度的比值可取为1.0~1.5;弧门支铰宜布置在过流时支铰不受水流及漂浮物冲击的高程上;水闸的露顶式弧形闸门,支铰位置可布置在闸门底槛以上2/3H~H处。
红花水电站泄水闸平面工作闸门设计- 工程设计简介:红花泄水闸工作门属于超大型平板闸门,控泄调度频繁,本文针对闸门及门槽设计方案的选定、闸门结构设计和模型试验等进行了介绍,并对其中所运用的新技术、新材料和新思路进行了论述,为类似工程设计提供参考。
关键字:平面闸门,门槽型式,荷载分配,模型试验1 概述红花水电站位于广西壮族自治区柳江县境内,是珠江流域西江水系柳江综合利用规划确定的柳江干流最下游一个梯级。
电站总体布置由右岸厂房、左岸船闸、中间泄水闸及两岸门库段、土坝等组成。
泄水闸共18孔,主要起挡、泄水作用,最大泄洪流量达44800m3/s。
泄水闸工作闸门采用平面定轮钢闸门,孔口尺寸(宽×高-设计水头)为16m×18m-17.598m,18孔18扇,采用固定卷扬式启闭机操作,一门一机布置。
为了检修闸室、闸门及其埋件,工作闸门上、下游分别设置检修门。
2 泄水闸工作闸门及门槽型式选择红花水电站泄水闸经水工模型试验确定采用开敞式改进机翼堰形式,泄水闸上游校核洪水位(P=0.1%)为91.52m,校核洪水流量为42000m3/s,上游设计洪水位(P=1%)为86.43m,设计洪水流量为32700m3/s,正常蓄水位为77.5m,下游校核洪水位为90.95m,下游设计洪水位为86.05m,下游最低水位为59.79m,堰顶高程60.0m,坝顶高程94.65m。
泄水闸工作闸门设计水头乘孔口尺寸达5068m3,属于超大型闸门,在国内已建同类型工程中,规模位列前茅。
泄水闸运行方式包括18孔全开,18孔均匀开启,8孔均匀开启,5孔均匀开启和4孔均匀开启等方式。
水库流量调度比较复杂,泄水闸工作闸门局部开启控泄频繁,按常规首选门型为弧门,以改善泄流时的水流流态。
根据《水利水电工程钢闸门设计规范》(SL 74-95)5.1.7款规定:露顶式弧形闸门面板曲率半径与闸门高度的比值可取为 1.0~1.5;弧门支铰宜布置在过流时支铰不受水流及漂浮物冲击的高程上;水闸的露顶式弧形闸门,支铰位置可布置在闸门底槛以上2/3H~H处。
由于本工程上、下游泄洪水位高出正常蓄水位较多,无法完全满足规范推荐方式布置,考虑尽量减少水流及漂浮物对支铰的冲击和减少弧门全开时支臂对水流的阻挡,支铰布置在略高于下游设计洪水位的高程。
考虑弧门支铰不宜上翘太高以减小竖直向上的水压力,必须增大弧门面板曲率半径,闸室顺水流方向长度将大大增加。
因此,弧门方案不管是金属结构还是土建工程量都将较高,大大增加工程投资。
参考国内已建同类工程项目四川省乐山县龚嘴电站溢洪道工作门12×18-23.5m、贵州省清镇县东风电站溢洪道工作门15×21-21m、四川省武胜县东西关电站泄洪闸工作门14×19-18.5m均采用平面定轮钢闸门。
湖南凌津滩水电站泄洪闸系统共布置9孔高坎泄洪闸及5孔低坎泄洪闸,高坎泄洪闸工作门18×15-15m;低坎泄洪闸工作门18×16-16m。
设计时考虑由于上游水位变幅大及下游洪水位高的特点,工作闸门门型选定为平面定轮钢闸门。
鉴于目前国内大型平面定轮钢闸门应用于泄洪工作门已有一些尝试,随着技术不断发展,而本工程水位又特殊,故泄水闸工作闸门门型选定为平面定轮钢闸门。
国内外大量的工程运行经验表明:平面闸门门槽空化空蚀问题十分严重,甚至造成严重事故,选择适当的门槽形式以改善门槽附近的水力学条件,尽量避免不利工况,缓解空化空蚀问题非常重要。
因此,对本门槽设计进行优化,采用特殊体型,最终确定下游埋件用圆弧形的错距门槽。
本工作门门槽具体结构尺寸见表1。
形状参数规范推荐设计尺寸合宜宽深比W/D=1.5~2.0W/D=2.00较优错距比△/W=0.05~0.08△/W=0.055较优斜坡△/X=1/10~1/12△/X=1/10较优圆角半径R=30~50mmR=40mmW=2.20D=1.10△=0.11X=1.10R=40mm表1 门槽几何形状参数比较表根据已有科研成果及工程实例,此型门槽初生空穴数Ki=0.4~0.6,当实际工程中门槽附近的水流空穴数K>Ki时,门槽一般不至于发生空蚀。
水流空穴数可利用下式计算:K=,式中H1为紧靠门槽上游附近的断面平均压力,Ha为大气压力,Hv为水的汽化压力,V1为紧靠门槽上游附近的断面平均流速,g为重力加速度。
根据本工程试验结果可以看出:设计所采用的门槽体型是可行的。
在敞开泄洪中门槽水流空穴数非常高,不会出现空化空蚀问题;而当闸门作局部开启运行时,工作门门槽在大部分工况下具有一定的抗空化空蚀能力,但少部分小开度闸下自由出流工况下的门槽空化数安全裕度不大。
因此,尽量避免在1.5m以下的闸门小开度状态下运行,可基本保证门槽的运行安全。
3 闸门结构设计泄水闸工作闸门共18孔,孔口净宽16m,底槛高程59.902m,挡正常蓄水位77.5m,考虑超高后闸门设计高度18.0m。
闸门设计水头为17.598m,封水宽度为16.16m,支承跨度取为17.0m,闸门动力系数取1.2,总水压力为30028kN。
闸门结构主要材料为Q345,梁系采用多主横梁同层结构布置,闸门总体结构布置见图1。
图1 闸门总体结构图3.1 闸门梁系设计闸门主梁布置除底主梁外,上部主梁尽量等荷载布置,采用相同主梁截面,方便制造。
底主梁采用双腹板箱型梁,由于闸门底槛下游侧有向下5°的偏角,为减少门底底主梁以下悬伸长度以减小底主梁荷载,同时又能满足底主梁到底止水的距离符合底缘布置的要求,下游倾角设计为26.2°,底主梁与底槛的夹角则为31.2°>30°。
为改善水流流态,底主梁后翼缘与底次梁间采用钢板进行密封。
水平次梁采用槽钢,近似按等跨连续梁设计,槽钢肢尖向下,以防积水和积尘。
纵梁(隔板)与主梁等高设计。
为减小闸门运行过程中的振动,结构设计时考虑了适当提高闸门的整体刚度。
本设计中主梁荷载分配采用了少用的连续梁法。
目前主梁荷载计算方法有相邻间距和之半法、力矩法和连续梁法,一般资料都推荐采用前两种方法,但这两种方法均只考虑了水压力作用,没有考虑纵梁对主梁的约束作用。
而现在一般闸门的纵梁因构造要求均与主梁等高,纵梁经主梁分隔后跨度又都很小,纵梁对主梁的相对刚度较大,多主梁闸门的荷载计算,实际上是一个超静定问题。
但在以前的工程设计中,受制于求解多次超静定连续梁内力的繁琐计算,一般都采用了前两种计算方法,或将闸门设计成多节以适应假定体系。
计算结果有时会有较大误差;分节设计制造繁杂,大大降低了闸门整体刚度,不利于避振。
随着计算机技术的快速发展和计算机应用的广泛普及,许多工程软件日趋成熟,简单、快速求解多次超静定连续梁内力已成为可能。
采用连续梁法,将纵向单位宽度面板当作支承在主梁上的连续梁,根据闸门的传力特点,这样更接近于结构的实际受力情况。
利用相关软件可求得各主梁处的支反力即主梁所分得的单宽荷载,累加后即得主梁荷载,见图2。
再按受均布荷载的简支梁进行主梁结构设计。
连续梁法计算结果误差较小,且闸门不分节设计,设计效率较高,闸门结构简单,整体刚度较大,相对节省工程量,提高了闸门的避振效果。
图 2 闸门主梁布置及其荷载3. 2 闸门主支承设计此类大孔口闸门主支承以前多采用台车式结构,但台车式支承结构非常复杂,制作不便,而且需要较大的门槽深度,要求更宽的闸墩宽度,增加工程布置的难度。
随着新材料和新技术的不断发展,水工专用关节轴承已应运而生,为方便布置,本闸门主轮采用后置式带轮架线接触简支轮,主轮轴套采用自润滑关节轴承,以适应因闸门变形而在梁端形成的偏角,确保滚轮的线接触特性,解决了大跨度、高轮压主支承轮的设置难题。
主轮支座处采用偏心轴套,既方便了主轮调平,又克服了传统偏心轴带来的密封偏心问题。
为充分利用材料,主轮尽量近似按等荷载布置。
边柱看作支承在主轮上的连续梁,受主梁传递来的集中荷载作用,于是利用相关软件可求得各主轮处的支反力即主轮所承受的荷载,见图3。
主轮轮径为Φ900mm,材料采用ZG35CrMo,主轨采用铸钢轨道,材料为ZG50Mn2,均调质处理。
图3 闸门主轮布置及其荷载4 模型试验为了进一步确保本闸门及门槽在工程运行中的安全性,设计过程中特委托南京水利科学研究院进行了模型试验研究。
4.1 模型试验研究的内容根据红花泄水闸的运行工况及闸门水力结构特征,通过对以下内容的试验研究,论证设计方案的合理性,揭示其存在问题,从而确保工程的运行安全。
a)门槽空化空蚀问题研究。
门槽空化空蚀问题重点考察闸门在局部开启状态下门槽及其下游相邻区域的压力分布特性、流态,特别是下泄水流对门槽产生局部水流分离,可能导致空化空蚀的水流脉动压力引起的间隙性空化。
取得闸门不同运行工况下的门槽水流空化数,研究门槽的空化性能。
b)闸门水动力荷载研究。
闸门运行过程中出现强烈振动的根本原因在于水流荷载与闸门结构动力特性二者的不利组合作用,危害性最大的是发生共振。
重点研究作为闸门结构振动的外部诱因的水动力荷载对闸门的作用情况。
c)闸门结构振动特性研究。
闸门结构的振动特性包括固有频率、振型、质量、刚度、阻尼等参数。
一旦结构体型确定,闸门结构的固有特性亦随之确定,这些特性构成了闸门结构是否会发生强烈振动的内因。
d)闸门水弹性振动研究。
泄水闸运行时,闸门结构在水动力作用下产生振动,为了真实地测取闸门振动的加速度、动位移及动应力等参数,利用全水弹性相似模型,研究闸门在不同运行水位、不同开度条件下的振动特征。
明确闸门振动的性质和危害程度,寻求振动产生的原因并提出减振措施。
e)闸门结构动态研究。
根据对闸门水动力学荷载试验、结构弹性模量试验和闸门水弹性振动研究成果的综合分析,找出造成闸门有害振动的原因,在此基础上对闸门结构进行针对性动态修改。
f)闸门运行操作规程的制定。
通过系统试验研究,为泄水闸制定兼顾门槽良好水力条件又保证闸门平稳运行的操作规程,以确保泄水建筑物的安全运行。
4.2 模型试验研究的结论和建议通过模型试验研究,最终得出以下结论并提出相应建议,确保泄水闸门槽及闸门的运行安全。
a)红花水电站泄水闸工作门在不同运行水位及开度下的水动力试验成果表明,在选定的骆峰堰条件下,采用的Ⅱ型门槽体型总体上是可行的。
门槽的水流空化数的分析计算结果表明:在工作门全开泄洪闸畅泄条件下,门槽段边界不会受到空化空蚀威胁;当工作门作局部开启运行时,大部分运行工况门槽水流空化数较高,但部分小开度工况,尤其当闸门开度小于1.5m时,水流空化数较低,安全裕度小,为安全起见,尽量避免闸门在小开度下运行。
b)水流流态观测表明:工作闸门局部开启运行条件下,闸门下游的水跃情况主要发生在临界水位以上。
当下游水位较高时呈现淹没出流状态,闸后淹没水跃及涌浪对门体的振动将产生影响;水位较低时呈现自由出流状态,闸下流态对门体不构成威胁。