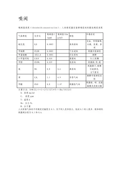
气味阈值
- 格式:doc
- 大小:361.00 KB
- 文档页数:12
物质名称阈值/10-6臭气种类乙醛醋酸丙酮丙烯醛丙烯腈丙烷氯化物苄基氯化物苄基亚硫酸盐溴正丁酸二硫化碳四氯化碳(由二氯化碳氯化)四氯化碳(由甲烷氯化〉氯醛氯二甲基乙酰胺二甲基亚硫酸盐二苯亚硫酸盐乙基硫醇乙醇〈合成产品〉丙烯酸乙酯甲醛氯化铵气体硫化氢(由硫化物制备)硫化氢气体甲醇一甲胺二甲胺三甲胺氨苯胺苯甲基氯化物亚甲基氯化物甲乙基酮甲基异丁基酮甲基硫醇三烯酸甲酯单氯基苯硝基苯对甲酚0.211.0100.00.2121.40.470.0470.00210.0470.0010.2121.4100.00.470.31446.80.0010.00470.00110.00.000471.010.00.00470.00047100.00.0210.0470.0002146.81.04.68>10214.010.00.470.00210.210.210.00470.0010.47木腥臭酸臭(酸味)化学甘臭、有刺激性焦臭、有刺激性洋葱臭、大蒜臭洋葱臭、大蒜木腥臭溶剂硫磺臭似膘自粉的刺激性臭酸臭蔬莱硫磺臭刺激性甘臭甘臭似漂自粉的刺激性臭胺臭、焦臭油臭蔬莱硫磺臭橡胶的烧臭泥土臭、硫磺臭香甜气昧塑料燃烧臭、泥土臭麦秸样干臭、有刺激性刺激性臭腐蛋臭腐蛋臭香甜气味刺激性鱼臭鱼臭刺激性鱼臭刺激性臭刺激性臭溶剂香甜气味香甜气味刺激性硫磺臭刺激性硫磺臭氯气臭、卫生球臭鞋油臭、有剌激性焦油臭、有刺激性香甜气味氛化物溶剂臭医药品臭干草臭仅供个人学习参考对二甲苯对氯乙烯酚光气磷化氨吡啶苯乙烯(抗反应性)苯乙烯〈非抗反应性〉二氯化硫亚硫酸气体甲苯〈由焦炭制备)甲苯(由石油制备〉异氰酸盐三氯乙烯4.680.0471.00.0210.0210.10.0470.0010.474.682.142.1421.4洋葱臭、芥末臭焦油臭、有刺激性橡胶臭塑料臭、橡胶臭硫磺臭似花的刺激性气味卫生球臭、椽胶臭医药用绷带臭、刺激溶剂仅供个人学习参考。
味的阈值名词解释味觉是人类感知食物味道的一种感官,而味的阈值则是味觉的一个重要概念。
本文将解释味的阈值的含义、相关影响因素以及其在食品科学与生活中的重要性。
一、味的阈值的含义味的阈值是指人们感知味道所需的最低浓度或浓度范围,也可以理解为在某种条件下能够分辨出特定味道的最低浓度。
每种味道都有自己的阈值,包括甜、咸、酸、苦以及最近被发现的第五种基本味道——鲜味。
二、影响味的阈值的因素1. 物质的化学性质:不同化学物质的分子结构和性质不同,其呈现给人们的味道也各不相同。
例如,糖类物质具有甜味,但葡萄糖和果糖的味道阈值不同,前者更低。
同时,酸味、苦味和咸味的阈值也受到物质的化学性质影响。
2. 个体差异:每个人对味道的敏感程度各不相同,这与个体的遗传差异、饮食习惯、年龄和性别等因素都有关系。
例如,儿童对甜味的感知更为敏感,而老年人则相对较不敏感。
3. 环境条件:环境条件也会影响味的阈值。
例如,温度和pH值都能够影响某些物质味觉的敏感度。
冷却食物会降低甜味的感知,而酸味却变得更突出。
此外,空气中的气味和嗅觉也可能干扰味觉,影响味的阈值。
4. 饮食习惯和健康状态:食物的风味喜好和饮食习惯可以改变人们对味的阈值的感知。
例如,吃过咸味食物的人对盐的阈值可能会上升,需要更多的盐才能感知到咸味。
三、味的阈值的重要性与应用价值味的阈值在食品科学研究和食品工业生产中具有重要的价值。
它不仅可以帮助食品科学家理解人类味觉的特性,还能够指导食品工程师设计出更好的食品产品。
1. 食品调味和加工:了解不同成分味的阈值可以帮助食品工程师在食品加工中更好地调整食品配方,达到理想的口感和风味。
例如,合理添加甜味剂可以使产品更加甜美,而控制盐的使用量则是为了减少食品中的钠摄入。
2. 食品评估和品质控制:味的阈值也是检测和评估食品品质的重要指标之一。
通过分析和比较食品中不同成分的味阈值,可以确定食品是否符合正常的食用标准和味道要求。
3. 新食品研发:对味的阈值的研究还可以促进新食品的开发。
恶臭物质及其嗅阈值恶臭物质及其嗅阈值嗅阈值单位:10-6,V/V物质恶臭阈值物质类别物质恶臭阈值醛类甲醛0.50硫化物硫化氢*0.00041乙醛0.0015 二甲基硫*0.0030 丙醛0.0010 甲基烯丙基硫0.00014 正丁醛0.00067 二乙基硫0.000033 异丁醛0.00035 烯丙基硫0.00022 正戊醛0.00041 二硫化碳*0.21异戊醛0.00010 二甲基二硫醚0.0022 正己醛0.00028 二乙基二硫醚0.0020 正庚醛0.00018 二硫化二烯丙基0.00022 正辛醛0.000010 甲基硫醇*0.000070 正壬醛0.00034 乙基硫醇0.0000087 正癸醛0.00040 正丙基硫醇0.000013 丙烯醛0.0036 异丙基硫醇0.0000060 异丁烯醛0.0085 正丁基硫醇0.0000028 丁烯醛0.023 异丁基硫醇0.0000068醇类甲醇33 仲丁基硫醇0.000030 乙醇0.52 叔丁基硫醇0.000029 正丙醇0.094 正戊基硫醇0.00000078 异丙醇26 异戊基硫醇0.00000077 正丁醇0.038 正己基硫醇0.000015 异丁醇0.011 二氧化硫0.87仲丁醇0.22 硫化羰0.055叔丁醇 4.5胺类甲胺0.035正戊醇0.10 乙胺0.046异戊醇0.0017 正丙胺0.061仲戊醇0.29 异丙胺0.025叔戊醇0.088 正丁胺0.17正己醇0.0060 异丁胺0.0015 正庚醇0.0048 仲丁胺0.17正辛醇0.0027 叔丁胺0.17异辛醇0.0093 二甲胺0.033正壬醇0.00090 二乙胺0.048正癸醇0.00077 三甲胺*0.000032 1-丁氧基-2-丙醇0.16 三乙胺0.0054酚类苯酚0.0056 环己胺 2.5 邻甲酚0.00028 邻甲基甲苯胺0.026 间甲酚0.00010烯烃丙烯13 对甲酚0.000054 1-丁烯0.36酸类乙酸0.0060 异丁烯10 丙酸0.0057 1-戊烯0.10 正丁酸0.00019 1-己烯0.14 异丁酸0.0015 1-庚烯0.37正戊酸0.000037 1-辛烯0.0010 异戊酸0.000078 1-壬烯0.00054 正己酸0.00060 1,3-丁二烯0.23 异己酸0.00040 异戊二烯0.048烷烃类丙烷1500 2-甲基戊烯7.0正丁烷1200 3-甲基戊烯8.9正戊烷1.4 α-蒎烯0.018 异戊烷1.3 β-蒎烯0.033 正己烷 1.5 柠檬烯0.038 2,3-二甲基丁烷0.42酯类醋酸乙酯*0.87 庚烷0.67 醋酸丙酯0.24 2-甲基己烷0.42 醋酸异丙酯0.16 3-甲基己烷0.84 醋酸丁酯0.016 3-乙基戊烷0.37 醋酸异丁酯0.0080 2,2-二甲基戊烷38 sec.醋酸丁酯0.0024 2,3-二甲基戊烷4.5 tert. 醋酸丁酯0.071 2,4-二甲基戊烷0.94 乙酸己酯0.0018 正辛烷 1.7 丙酸甲酯0.098 2-甲基庚烷0.11 丙酸乙酯0.0070 3-甲基庚烷 1.5 丙酸丙酯0.058 4-甲基庚烷 1.7 丙酸异丙酯0.0041 2,2,4-三甲基戊烷0.67 丙酸丁酯0.036 正壬烷 2.2 丙酸异丁酯0.020 2,2,5-三甲基己烷0.90 丁酸甲酯0.0071 正十一烷0.87 异丁酸甲酯0.0019 正癸烷0.62 丁酸乙酯0.000040 正十二烷0.11 异丁酸乙酯0.000022 2,2-二甲基丁烷20 丁酸丙酯0.011 甲基环戊烷1.7 丁酸异丙酯0.0062 甲基环己烷0.15 异丁酸丙酯0.0020苯系物苯 2.7 异丁酸异丙酯0.035 甲苯0.33 丁酸丁酯0.0048 苯乙烯*0.035 丁酸异丁酯0.0016 乙苯0.17 异丁酸丁酯0.022 邻二甲苯0.38 异丁酸异丁酯0.075 间二甲苯0.041 戊酸甲酯0.0022 对二甲苯0.058 异戊酸甲酯0.0022 正丙基苯0.0038 戊酸乙酯0.00011 异丙基苯0.0084 异戊酸乙酯0.000013 1,2,4-三甲基苯0.12 异戊酸异丁酯0.0052 1,3,5-三甲基苯0.17 2-醋酸乙氧基乙酯0.049 邻乙基甲苯0.074 甲酸甲酯130 间乙基甲苯0.018 甲酸乙酯 2.7对乙基甲苯0.0083 正甲酸丙酯0.96邻二乙苯0.0094 甲酸异丙酯0.29 间二乙苯0.070 甲酸丁酯0.087 对二乙苯0.00039 甲酸异丁酯0.49 正丁苯0.0085 乙酸甲酯 1.7 1,2,3,4-四甲基苯0.011卤代烃二氯甲烷1601,2,3,4-四氢化萘0.0093三氯甲烷3.8酮类丙酮42 三氯乙烯 3.9甲基乙基甲酮(丁酮)0.44四氯化碳4.6甲基正丙基甲酮0.028 四氯乙烯0.77甲基异丙基甲酮0.50其他乙腈13甲基正丁基甲酮0.024 丙烯腈8.8甲基异丁基甲酮0.17 甲基丙烯腈 3.0甲基正戊基甲酮0.0068 嘧啶0.063 甲基正戊基甲酮0.0021 吲哚0.00030粪臭素0.0000056氨* 1.5噻吩0.00056四氢噻吩0.00062二氧化氮0.12双乙酰0.000050臭氧0.0032呋喃9092,5-二氢呋喃0.093氯0.049注:红色字体为日本恶臭受控物质;*为我国恶臭受控物质(8种:氨、三甲胺、甲硫醚、甲硫醇、二甲二硫、苯乙烯、硫化氢、二硫化碳)。
物质名称阈值/10-6臭气种类乙醛醋酸丙酮丙烯醛丙烯腈丙烷氯化物苄基氯化物苄基亚硫酸盐溴正丁酸二硫化碳四氯化碳(由二氯化碳氯化)四氯化碳(由甲烷氯化〉氯醛氯二甲基乙酰胺二甲基亚硫酸盐二苯亚硫酸盐乙基硫醇乙醇〈合成产品〉丙烯酸乙酯甲醛氯化铵气体硫化氢(由硫化物制备)硫化氢气体甲醇一甲胺二甲胺三甲胺氨苯胺苯甲基氯化物亚甲基氯化物甲乙基酮甲基异丁基酮甲基硫醇三烯酸甲酯单氯基苯硝基苯对甲酚对二甲苯对氯乙烯0.211.0100.00.2121.40.470.0470.00210.0470.0010.2121.4100.00.470.31446.80.0010.00470.00110.00.000471.010.00.00470.00047100.00.0210.0470.0002146.81.04.68>10214.010.00.470.00210.210.210.00470.0010.474.68木腥臭酸臭(酸味)化学甘臭、有刺激性焦臭、有刺激性洋葱臭、大蒜臭洋葱臭、大蒜木腥臭溶剂硫磺臭似膘自粉的刺激性臭酸臭蔬莱硫磺臭刺激性甘臭甘臭似漂自粉的刺激性臭胺臭、焦臭油臭蔬莱硫磺臭橡胶的烧臭泥土臭、硫磺臭香甜气昧塑料燃烧臭、泥土臭麦秸样干臭、有刺激性刺激性臭腐蛋臭腐蛋臭香甜气味刺激性鱼臭鱼臭刺激性鱼臭刺激性臭刺激性臭溶剂香甜气味香甜气味刺激性硫磺臭刺激性硫磺臭氯气臭、卫生球臭鞋油臭、有剌激性焦油臭、有刺激性香甜气味氛化物溶剂臭医药品臭干草臭洋葱臭、芥末臭酚光气磷化氨吡啶苯乙烯(抗反应性)苯乙烯〈非抗反应性〉二氯化硫亚硫酸气体甲苯〈由焦炭制备)甲苯(由石油制备〉异氰酸盐三氯乙烯0.0471.00.0210.0210.10.0470.0010.474.682.142.1421.4焦油臭、有刺激性橡胶臭塑料臭、橡胶臭硫磺臭似花的刺激性气味卫生球臭、椽胶臭医药用绷带臭、刺激溶剂欢迎您的下载,资料仅供参考!致力为企业和个人提供合同协议,策划案计划书,学习资料等等打造全网一站式需求。
物质名称阈值/10-6臭气种类乙醛醋酸丙酮丙烯醛丙烯腈丙烷氯化物苄基氯化物苄基亚硫酸盐溴正丁酸二硫化碳四氯化碳(由二氯化碳氯化)四氯化碳(由甲烷氯化〉氯醛氯二甲基乙酰胺二甲基亚硫酸盐二苯亚硫酸盐乙基硫醇乙醇〈合成产品〉丙烯酸乙酯甲醛氯化铵气体硫化氢(由硫化物制备)硫化氢气体甲醇一甲胺二甲胺三甲胺氨苯胺苯甲基氯化物亚甲基氯化物甲乙基酮甲基异丁基酮甲基硫醇三烯酸甲酯单氯基苯硝基苯对甲酚对二甲苯对氯乙烯0.211.0100.00.2121.40.470.0470.00210.0470.0010.2121.4100.00.470.31446.80.0010.00470.00110.00.000471.010.00.00470.00047100.00.0210.0470.0002146.81.04.68>10214.010.00.470.00210.210.210.00470.0010.474.68木腥臭酸臭(酸味)化学甘臭、有刺激性焦臭、有刺激性洋葱臭、大蒜臭洋葱臭、大蒜木腥臭溶剂硫磺臭似膘自粉的刺激性臭酸臭蔬莱硫磺臭刺激性甘臭甘臭似漂自粉的刺激性臭胺臭、焦臭油臭蔬莱硫磺臭橡胶的烧臭泥土臭、硫磺臭香甜气昧塑料燃烧臭、泥土臭麦秸样干臭、有刺激性刺激性臭腐蛋臭腐蛋臭香甜气味刺激性鱼臭鱼臭刺激性鱼臭刺激性臭刺激性臭溶剂香甜气味香甜气味刺激性硫磺臭刺激性硫磺臭氯气臭、卫生球臭鞋油臭、有剌激性焦油臭、有刺激性香甜气味氛化物溶剂臭医药品臭干草臭洋葱臭、芥末臭酚光气磷化氨吡啶苯乙烯(抗反应性)苯乙烯〈非抗反应性〉二氯化硫亚硫酸气体甲苯〈由焦炭制备)甲苯(由石油制备〉异氰酸盐三氯乙烯0.0471.00.0210.0210.10.0470.0010.474.682.142.1421.4焦油臭、有刺激性橡胶臭塑料臭、橡胶臭硫磺臭似花的刺激性气味卫生球臭、椽胶臭医药用绷带臭、刺激溶剂如有侵权请联系告知删除,感谢你们的配合!。
序号化合物名称气味阈值(μg/kg)青蟹♂青蟹♀梭子蟹♂梭子蟹♀河蟹♂河蟹♀风味描述1 苯乙烯730 - 0.01 - <0.01 - - 树脂、花香香气2 1-丁醇5000 <0.01 <0.01 <0.01 - - - 温和的杂醇油气息,并带有酒香3 戊醇4000 0.05 0.01 0.01 0.02 <0.01 0.01 面包香、酒香、果香4 己醇2500 <0.01 - <0.01 <0.01 - <0.01 青香、果香、醇香、甜香、醚香5 1-辛烯-3-醇 1 8.64 4.47 - 4.42 - 3.37 蘑菇香、青香、蔬菜香6 庚醇 3 0.76 - - - - - 新鲜、轻淡的油脂气息,并带有酒香7 2-乙基-1-己醇270000 <0.01 <0.01 <0.01 <0.01 <0.01 <0.01 蘑菇香气8 辛醇120 0.05 0.01 - 0.03 - 0.03 强烈的油脂气味,并带有柑橘、玫瑰气味9 3-甲基丁醛 1 2.81 8.67 - 4.92 - - 稀释后具有愉快的水果香气10 戊醛20 9.79 2.23 2.33 7.17 0.38 1.17 稀释后具有果香、面包香11 己醛4500 0.01 <0.01 <0.01 <0.01 <0.01 0.01 青香、叶香、果香、木香12 庚醛 3 - 5.58 - - - 0.30 稀释后具有类似甜杏、坚果香气13 辛醛0.7 - 17.62 - - 1.45 - 高度稀释下具有类似甜橙、蜂蜜样香气14 壬醛 1 17.17 15.00 14.27 16.50 4.82 16.45 蜡香、柑橘香、脂肪香、花香15 癸醛 1 - 12.85 - - - - 蜡香、柑橘香、花香16 3-己酮50000 <0.01 - - <0.01 - - 甜香、果香、蜡香气味17 3-羟基-2-丁酮800 0.01 - - - <0.01 0.02 甜香、奶制品香,并带有脂肪的油腻气息18 6-甲基-5-庚烯-2-酮50 0.36 0.28 0.26 0.29 0.02 0.11 果香,霉香,酮香19 乙酸丁酯66 - 0.07 - - - - 强烈的水果香气,近似于生梨、香蕉香气20 愈创木酚10 0.49 - 1.02 0.38 0.17 0.33 辛香、药香、木香以及烟熏味21 苯酚5900 <0.01 <0.01 <0.01 - <0.01 <0.01 酚样、药香气22 4-甲基苯酚55 0.03 0.01 - 0.05 - - 强烈的类似苯酚香气以及烟草酚香23 糠醛3000 <0.01 <0.01 - <0.01 <0.01 <0.01 面包香、焦糖香,带有焙烤食品气味24 2-甲基呋喃酮1000 0.01 - 0.01 0.01 <0.01 0.01 甜的、杏仁、烤香、烟熏香25 2,5-二甲基吡嗪1800 0.01 - - - - - 坚果香、花生、脂肪香26 2,3,5-三甲基吡嗪9000 <0.01 - - - - - 坚果香、土豆、可可、蔬菜样气味27 吡啶2000 0.05 - 0.03 0.03 0.01 0.02 强烈的、鱼样香气,胺味道28 吲哚140 0.03 - - - - - 稀释到一定浓度后,具有花香29 2-乙酰基噻唑10 0.59 0.43 0.84 0.22 0.24 0.51 爆玉米、烤麦片香、烤肉、坚果香30 三甲胺0.5 100.00 100.00 100.00 85.67 100.00 100.0031 二甲基三硫化物0.01 - - - 100.00 - - 槟榔香、硫香序号保留指数(RI)化合物相对含量(%)感觉阈值(μg/kg)相对气味活度值(ROAV)含氧杂环化合物 6.873 868 2-甲基呋喃0.278 953 2-乙基呋喃 1.2913 1115 2-丁基呋喃0.318 1233 2-戊基呋喃 2.87 6[6] 2.6624 1310 2-己基呋喃0.11 42 1525 2-辛基呋喃0.3 59 1826 3-苯基呋喃0.82 62 1901 5-丁基-二氢-2(3H)-呋喃酮0.52 65 2013 二氢-5-戊基-2(3H)-呋喃酮0.2769 2239 2,3-二氢-3,5-二羟基-6-甲基-4(H)-吡喃-4-酮0.0470 2243 3,5-二氢-2-甲基-4(H)-吡喃-4-酮0.0472 >2400 2(H)-4-羟基-2(3H)-呋喃酮0.04吡嗪化合物 4.2517 1198 吡嗪0.09 60[6]0.01 23 1300 2,5-二甲基吡嗪 2.14 1.8[6] 6.60 25 1314 2,6-二甲基吡嗪 1.18 200[6]0.03 31 1385 2-乙基-5-甲基吡嗪0.04 100[6]<0.01序号保留指数(RI)化合物相对含量(%)感觉阈值(μg/kg)相对气味活度值(ROAV)41 1514 顺-2-甲基-6-(1-丙烯基)-吡嗪0.1845 1554 正戊基吡嗪0.09 1000[6]<0.01 47 1591 2-异戊基-6-甲基吡嗪0.1349 1629 2,5-二甲基-3-异戊基吡嗪0.4醇类化合物97 943 乙醇0.21 100000[6]<0.01 20 1263 戊醇 1.93 4000[6]<0.01 28 1356 己醇0.21 250[6]<0.0135 1429 庚醇 1.71 3[6] 3.1736 1437 1-辛烯-3-醇0.56 1[6] 3.11 38 1450 壬醇0.33 50[6]0.04 44 1547 1-辛醇 4.05 110[6]0.20醛类化合物49.155 912 3-甲基丁醛0.69 0.2[6]19.176 916 2-甲基丁醛0.13 1[6]0.72 9 979 戊醛 1.03 20[6]0.29 12 1078 己醛12.06 4.5[6]14.8915 1164 2-甲基-2-戊烯醛0.0516 1180 庚醛0.82 3[6] 1.52 21 1270 辛醛 4.94 0.7[6]39.21 26 1323 反-2-庚烯醛0.15 13[6]0.06 32 1391 壬醛16.16 1[6]89.78 34 1419 反-2-辛烯醛 1.04 3[6] 1.93 40 1508 苯甲醛 2.46 350[6]0.04 43 1529 反-2-壬烯醛0.79 0.08[6]54.86 46 1568 5-甲基糠醛0.16 20[6]0.04 50 1633 反-2-癸烯醛 2.7 0.3[6]50.0052 1660 2-正丁基-2-辛烯醛0.1953 1691 反,反-2,4-壬二烯醛0.28 0.09[6]17.2855 1743 2-十一烯醛 3.1656 1759 反,顺-2,4-癸二烯醛0.2958 1802 反,反-2,4-癸二烯醛0.91 0.07[6]72.22 64 1946 肉豆蔻醛0.23 14[6]0.09 67 2124 十六醛0.91酯类化合物 1.3651 1646 正己酸乙酯 1 1[6] 5.56 60 1867 2-氧代壬酸甲酯0.371 >2400 邻苯二甲酸二异丁酯0.06酸类化合物 2.1337 1441 乙酸 1.37 22000[6]<0.01 66 2022 辛酸0.08 3000[6]<0.01 68 2127 壬酸0.26 3000[6]<0.01序号保留指数(RI)化合物相对含量(%)感觉阈值(μg/kg)相对气味活度值(ROAV)73 >2400 十四酸0.1 10000[6]<0.0174 >2400 十六烷酸0.32 10000[6]<0.01酮类化合物 6.4614 1132 5-甲基-2-己酮 1.7522 1284 1-羟基-2-丙酮 1.2927 1336 6-甲基-5-庚烯-2-酮0.08 50[6]0.01 29 1369 反-3-辛烯-2-酮0.2233 1402 反,反-3,5-辛二烯-2-酮0.8839 1491 2-癸酮 1.4348 1612 2-十一烷酮0.31 7[6]0.25 54 1735 2-戊基-2-环戊烯-1-酮0.2461 1875 反,反-3,5-壬二烯-2-酮0.26含硫化合物 111 1062 二甲基二硫醚0.48 0.06[7]44.44 30 1380 二甲基三硫醚0.09 0.005[6]100.00 63 1906 2-己基噻吩0.43碳氢化合物7.441 701 庚烷 2.602 801 辛烷 4.504 901 壬烷0.1710 1002 癸烷0.0619 1238 苯乙烯0.06 730[6]0.02 57 1800 十八烷0.05编号化合物名称气味阈值(μg/kg)相对气味活度值(ROAV)气味特征黄鱼鳗鱼鳕鱼鲳鱼马鲛鱼1 乙醇100000 - <0.01 - <0.01 0.112 1-戊烯-3-醇400 0.19 0.045 <0.01 <0.01 <0.01 果香、蔬菜香3 异戊醇250 - 0.58 <0.01 - - 面包、谷物、果香香味4 戊醇4000 <0.01 - - - - 面包香、酒香、果香5 2-戊烯-1-醇40 0.54 0.09 0.02 - -6 己醇2500 - <0.01 - - - 青香、果香、醇香、甜香7 庚醇 3 11.27 1.83 - 0.47 6.13 新鲜、清淡油脂气息、酒香8 1-辛烯-3-醇 1 27.03 84.53 1.13 18.38 57.67 蘑菇香、青香、蔬菜香以及油腻的气息9 2-乙基-1-己醇270000 <0.01 <0.01 <0.01 <0.01 <0.01 蘑菇香气、甜香味10 1-辛醇110 - 0.04 - 0.02 - 强烈的油脂气味,并带有柑橘、玫瑰气味11 2-辛烯-1-醇40 - 0.27 0.01 - -12 1-壬醇50 - - - 0.01 - 强烈的玫瑰、橙子香气,并伴有油脂气息13 苯乙醇800 - 0.87 <0.01 - 0.03 风信子、栀子香气14 丙醛37 0.05 0.08 - 0.05 0.45 青香、可可、咖啡味15 异戊醛0.4 - 21.23 1.00 3.93 4.60 高度稀释时有似苹果香气、巧克力香16 2-甲基丁醛 1 - - 0.21 0.61 - 果香、巧克力香、坚果香、青香17 戊醛20 2.55 0.46 <0.01 0.15 1.69 稀释后具有果香、面包香18 2-戊烯醛1500 - - <0.01 - - 蜡香、青香、果香19 己醛4500 0.05 0.02 <0.01 <0.01 0.05 强烈的青香、草香、蔬菜、水果香气20 2-己烯醛17 - - 0.01 - - 青香、苹果、脂肪、醛香香气21 庚醛 3 29.91 7.99 0.24 5.37 35.38 稀释后具有类似甜杏、坚果香气22 4-庚烯醛10 1.24 0.87 0.03 0.13 1.84 青香、脂肪香气,低浓度奶油味道23 辛醛0.7 69.11 14.83 0.33 20.45 100 高度稀释下具有似甜橙、油脂、蜂蜜香气24 苯甲醛 3 5.41 3.52 1.36 0.9 10.63 油腻的甜味、杏仁香气、果香、粉香香韵25 2,4-庚二烯醛10 - - 0.07 - - 青香、醛香、水果、鸡肉、脂肪香气26 2-辛烯醛 3 - - 0.05 - - 肉香、脂肪、青香气27 壬醛 1 49.46 31.32 0.53 40.61 71.78 蜡香、甜桔香、脂肪香、花香28 苯乙醛 4 - 12.17 0.04 - - 青香、玫瑰、花香、巧克力香气29 癸醛0.1 100 100 2.18 100 - 醛香、蜡香、脂肪、柑桔香气30 十一醛 5 - - <0.010 0.44 - 脂肪、花香、柑桔香气31 2,3-丁二酮 2.3 - - 0.02 - - 甜的奶油、黄油香气32 2-丁酮50000 - - <0.01 - - 醚香、果香、樟脑香韵33 2-庚酮140 - 0.05 <0.01 - - 香蕉、奶酪香气及轻微的药香34 3-辛酮28 0.51 <0.01 0.04 0.11 酮香、青香、蜡香、蔬菜香35 1-辛烯-3-酮0.005 - - 22.56 - - 强烈的壤香、蘑菇香36 2,3-辛二酮 2.52 12.12 8.38 0.05 4.01 7.9837 2-辛酮50 - 0.15 - 0.03 - 酮香、青香、蜡香、牛奶香韵38 6-甲基-5-庚烯-2-酮50 - 0.55 - - - 果香、霉香、酮香39 2-壬酮 5 - 0.94 0.02 0.44 0.11 果香、甜香、蜡香、青香40 2-十一酮7 - 0.54 0.01 - - 蜡香、果香、脂肪香41 苯乙酮65 - 0.10 <0.01 - - 强烈金合欢似甜香气、杏仁香、甜香42 乙酸乙酯 5 0.76 1.09 0.04 - 1.47 醚香、菠萝、葡萄、樱桃的果香43 戊酸乙酯 1.5 - - - - 0.81 甜的果香、酯香44 乙苯29 0.75 - 0.02 - -45 苯酚5900 - - <0.01 - - 酚样、药香气46 2-乙基呋喃8000 - <0.01 <0.01 <0.01 <0.01 豆香、面包香、麦芽香47 三甲胺0.5 - 3.02 1.43 - 0.1848 二甲基二硫醚0.06 - - 100 - - 强烈的洋葱、甘蓝、蔬菜香气49 吲哚140 - - <0.01 - - 稀释到一定浓度后,具有花香。
序号化合物名称气味阈值(μg/kg)青蟹♂青蟹♀梭子蟹♂梭子蟹♀河蟹♂河蟹♀风味描述1 苯乙烯730 - 0.01 - <0.01 - - 树脂、花香香气2 1-丁醇5000 <0.01 <0.01 <0.01 - - - 温和的杂醇油气息,并带有酒香3 戊醇4000 0.05 0.01 0.01 0.02 <0.01 0.01 面包香、酒香、果香4 己醇2500 <0.01 - <0.01 <0.01 - <0.01 青香、果香、醇香、甜香、醚香5 1-辛烯-3-醇 1 8.64 4.47 - 4.42 - 3.37 蘑菇香、青香、蔬菜香6 庚醇 3 0.76 - - - - - 新鲜、轻淡的油脂气息,并带有酒香7 2-乙基-1-己醇270000 <0.01 <0.01 <0.01 <0.01 <0.01 <0.01 蘑菇香气8 辛醇120 0.05 0.01 - 0.03 - 0.03 强烈的油脂气味,并带有柑橘、玫瑰气味9 3-甲基丁醛 1 2.81 8.67 - 4.92 - - 稀释后具有愉快的水果香气10 戊醛20 9.79 2.23 2.33 7.17 0.38 1.17 稀释后具有果香、面包香11 己醛4500 0.01 <0.01 <0.01 <0.01 <0.01 0.01 青香、叶香、果香、木香12 庚醛 3 - 5.58 - - - 0.30 稀释后具有类似甜杏、坚果香气13 辛醛0.7 - 17.62 - - 1.45 - 高度稀释下具有类似甜橙、蜂蜜样香气14 壬醛 1 17.17 15.00 14.27 16.50 4.82 16.45 蜡香、柑橘香、脂肪香、花香15 癸醛 1 - 12.85 - - - - 蜡香、柑橘香、花香16 3-己酮50000 <0.01 - - <0.01 - - 甜香、果香、蜡香气味17 3-羟基-2-丁酮800 0.01 - - - <0.01 0.02 甜香、奶制品香,并带有脂肪的油腻气息18 6-甲基-5-庚烯-2-酮50 0.36 0.28 0.26 0.29 0.02 0.11 果香,霉香,酮香19 乙酸丁酯66 - 0.07 - - - - 强烈的水果香气,近似于生梨、香蕉香气20 愈创木酚10 0.49 - 1.02 0.38 0.17 0.33 辛香、药香、木香以及烟熏味21 苯酚5900 <0.01 <0.01 <0.01 - <0.01 <0.01 酚样、药香气22 4-甲基苯酚55 0.03 0.01 - 0.05 - - 强烈的类似苯酚香气以及烟草酚香23 糠醛3000 <0.01 <0.01 - <0.01 <0.01 <0.01 面包香、焦糖香,带有焙烤食品气味24 2-甲基呋喃酮1000 0.01 - 0.01 0.01 <0.01 0.01 甜的、杏仁、烤香、烟熏香25 2,5-二甲基吡嗪1800 0.01 - - - - - 坚果香、花生、脂肪香26 2,3,5-三甲基吡嗪9000 <0.01 - - - - - 坚果香、土豆、可可、蔬菜样气味27 吡啶2000 0.05 - 0.03 0.03 0.01 0.02 强烈的、鱼样香气,胺味道28 吲哚140 0.03 - - - - - 稀释到一定浓度后,具有花香29 2-乙酰基噻唑10 0.59 0.43 0.84 0.22 0.24 0.51 爆玉米、烤麦片香、烤肉、坚果香30 三甲胺0.5 100.00 100.00 100.00 85.67 100.00 100.0031 二甲基三硫化物0.01 - - - 100.00 - - 槟榔香、硫香序号保留指数(RI)化合物相对含量(%)感觉阈值(μg/kg)相对气味活度值(ROA V)含氧杂环化合物 6.873 868 2-甲基呋喃0.278 953 2-乙基呋喃 1.2913 1115 2-丁基呋喃0.318 1233 2-戊基呋喃 2.87 6[6] 2.66 24 1310 2-己基呋喃0.1142 1525 2-辛基呋喃0.359 1826 3-苯基呋喃0.8262 1901 5-丁基-二氢-2(3H)-呋喃酮0.5265 2013 二氢-5-戊基-2(3H)-呋喃酮0.2769 2239 2,3-二氢-3,5-二羟基-6-甲基-4(H)-吡喃-4-酮0.0470 2243 3,5-二氢-2-甲基-4(H)-吡喃-4-酮0.0472 >2400 2(H)-4-羟基-2(3H)-呋喃酮0.04吡嗪化合物 4.2517 1198 吡嗪0.09 60[6]0.01 23 1300 2,5-二甲基吡嗪 2.14 1.8[6] 6.60 25 1314 2,6-二甲基吡嗪 1.18 200[6]0.03 31 1385 2-乙基-5-甲基吡嗪0.04 100[6]<0.01序号保留指数(RI)化合物相对含量(%)感觉阈值(μg/kg)相对气味活度值(ROA V)41 1514 顺-2-甲基-6-(1-丙烯基)-吡嗪0.1845 1554 正戊基吡嗪0.09 1000[6]<0.01 47 1591 2-异戊基-6-甲基吡嗪0.1349 1629 2,5-二甲基-3-异戊基吡嗪0.4醇类化合物97 943 乙醇0.21 100000[6]<0.01 20 1263 戊醇 1.93 4000[6]<0.01 28 1356 己醇0.21 250[6]<0.0135 1429 庚醇 1.71 3[6] 3.1736 1437 1-辛烯-3-醇0.56 1[6] 3.1138 1450 壬醇0.33 50[6]0.04 44 1547 1-辛醇 4.05 110[6]0.20醛类化合物49.155 912 3-甲基丁醛0.69 0.2[6]19.176 916 2-甲基丁醛0.13 1[6]0.72 9 979 戊醛 1.03 20[6]0.29 12 1078 己醛12.06 4.5[6]14.8915 1164 2-甲基-2-戊烯醛0.0516 1180 庚醛0.82 3[6] 1.52 21 1270 辛醛 4.94 0.7[6]39.21 26 1323 反-2-庚烯醛0.15 13[6]0.06 32 1391 壬醛16.16 1[6]89.78 34 1419 反-2-辛烯醛 1.04 3[6] 1.93 40 1508 苯甲醛 2.46 350[6]0.04 43 1529 反-2-壬烯醛0.79 0.08[6]54.86 46 1568 5-甲基糠醛0.16 20[6]0.04 50 1633 反-2-癸烯醛 2.7 0.3[6]50.0052 1660 2-正丁基-2-辛烯醛0.1953 1691 反,反-2,4-壬二烯醛0.28 0.09[6]17.2855 1743 2-十一烯醛 3.1656 1759 反,顺-2,4-癸二烯醛0.2958 1802 反,反-2,4-癸二烯醛0.91 0.07[6]72.22 64 1946 肉豆蔻醛0.23 14[6]0.09 67 2124 十六醛0.91酯类化合物 1.3651 1646 正己酸乙酯 1 1[6] 5.5660 1867 2-氧代壬酸甲酯0.371 >2400 邻苯二甲酸二异丁酯0.06酸类化合物 2.1337 1441 乙酸 1.37 22000[6]<0.01 66 2022 辛酸0.08 3000[6]<0.01 68 2127 壬酸0.26 3000[6]<0.01序号保留指数(RI)化合物相对含量(%)感觉阈值(μg/kg)相对气味活度值(ROA V)73 >2400 十四酸0.1 10000[6]<0.0174 >2400 十六烷酸0.32 10000[6]<0.01酮类化合物 6.4614 1132 5-甲基-2-己酮 1.7522 1284 1-羟基-2-丙酮 1.2927 1336 6-甲基-5-庚烯-2-酮0.08 50[6]0.01 29 1369 反-3-辛烯-2-酮0.2233 1402 反,反-3,5-辛二烯-2-酮0.8839 1491 2-癸酮 1.4348 1612 2-十一烷酮0.31 7[6]0.25 54 1735 2-戊基-2-环戊烯-1-酮0.2461 1875 反,反-3,5-壬二烯-2-酮0.26含硫化合物 111 1062 二甲基二硫醚0.48 0.06[7]44.44 30 1380 二甲基三硫醚0.09 0.005[6]100.0063 1906 2-己基噻吩0.43碳氢化合物7.441 701 庚烷 2.602 801 辛烷 4.504 901 壬烷0.1710 1002 癸烷0.0619 1238 苯乙烯0.06 730[6]0.02 57 1800 十八烷0.05编号化合物名称(μg/kg)相对气味活度值(ROA V)气味特征黄鱼鳗鱼鳕鱼鲳鱼马鲛鱼1 乙醇100000 - <0.01 - <0.01 0.112 1-戊烯-3-醇400 0.19 0.045 <0.01 <0.01 <0.01 果香、蔬菜香3 异戊醇250 - 0.58 <0.01 - - 面包、谷物、果香香味4 戊醇4000 <0.01 - - - - 面包香、酒香、果香5 2-戊烯-1-醇40 0.54 0.09 0.02 - -6 己醇2500 - <0.01 - - - 青香、果香、醇香、甜香7 庚醇 3 11.27 1.83 - 0.47 6.13 新鲜、清淡油脂气息、酒香8 1-辛烯-3-醇 1 27.03 84.53 1.13 18.38 57.67 蘑菇香、青香、蔬菜香以及油腻的气息9 2-乙基-1-己醇270000 <0.01 <0.01 <0.01 <0.01 <0.01 蘑菇香气、甜香味10 1-辛醇110 - 0.04 - 0.02 - 强烈的油脂气味,并带有柑橘、玫瑰气味11 2-辛烯-1-醇40 - 0.27 0.01 - -12 1-壬醇50 - - - 0.01 - 强烈的玫瑰、橙子香气,并伴有油脂气息13 苯乙醇800 - 0.87 <0.01 - 0.03 风信子、栀子香气14 丙醛37 0.05 0.08 - 0.05 0.45 青香、可可、咖啡味15 异戊醛0.4 - 21.23 1.00 3.93 4.60 高度稀释时有似苹果香气、巧克力香16 2-甲基丁醛 1 - - 0.21 0.61 - 果香、巧克力香、坚果香、青香17 戊醛20 2.55 0.46 <0.01 0.15 1.69 稀释后具有果香、面包香18 2-戊烯醛1500 - - <0.01 - - 蜡香、青香、果香19 己醛4500 0.05 0.02 <0.01 <0.01 0.05 强烈的青香、草香、蔬菜、水果香气20 2-己烯醛17 - - 0.01 - - 青香、苹果、脂肪、醛香香气21 庚醛 3 29.91 7.99 0.24 5.37 35.38 稀释后具有类似甜杏、坚果香气22 4-庚烯醛10 1.24 0.87 0.03 0.13 1.84 青香、脂肪香气,低浓度奶油味道23 辛醛0.7 69.11 14.83 0.33 20.45 100 高度稀释下具有似甜橙、油脂、蜂蜜香气24 苯甲醛 3 5.41 3.52 1.36 0.9 10.63 油腻的甜味、杏仁香气、果香、粉香香韵25 2,4-庚二烯醛10 - - 0.07 - - 青香、醛香、水果、鸡肉、脂肪香气26 2-辛烯醛 3 - - 0.05 - - 肉香、脂肪、青香气27 壬醛 1 49.46 31.32 0.53 40.61 71.78 蜡香、甜桔香、脂肪香、花香28 苯乙醛 4 - 12.17 0.04 - - 青香、玫瑰、花香、巧克力香气29 癸醛0.1 100 100 2.18 100 - 醛香、蜡香、脂肪、柑桔香气30 十一醛 5 - - <0.010 0.44 - 脂肪、花香、柑桔香气31 2,3-丁二酮 2.3 - - 0.02 - - 甜的奶油、黄油香气32 2-丁酮50000 - - <0.01 - - 醚香、果香、樟脑香韵33 2-庚酮140 - 0.05 <0.01 - - 香蕉、奶酪香气及轻微的药香34 3-辛酮28 0.51 <0.01 0.04 0.11 酮香、青香、蜡香、蔬菜香35 1-辛烯-3-酮0.005 - - 22.56 - - 强烈的壤香、蘑菇香36 2,3-辛二酮 2.52 12.12 8.38 0.05 4.01 7.9837 2-辛酮50 - 0.15 - 0.03 - 酮香、青香、蜡香、牛奶香韵38 6-甲基-5-庚烯-2-酮50 - 0.55 - - - 果香、霉香、酮香39 2-壬酮 5 - 0.94 0.02 0.44 0.11 果香、甜香、蜡香、青香40 2-十一酮7 - 0.54 0.01 - - 蜡香、果香、脂肪香41 苯乙酮65 - 0.10 <0.01 - - 强烈金合欢似甜香气、杏仁香、甜香42 乙酸乙酯 5 0.76 1.09 0.04 - 1.47 醚香、菠萝、葡萄、樱桃的果香43 戊酸乙酯 1.5 - - - - 0.81 甜的果香、酯香44 乙苯29 0.75 - 0.02 - -45 苯酚5900 - - <0.01 - - 酚样、药香气46 2-乙基呋喃8000 - <0.01 <0.01 <0.01 <0.01 豆香、面包香、麦芽香47 三甲胺0.5 - 3.02 1.43 - 0.1848 二甲基二硫醚0.06 - - 100 - - 强烈的洋葱、甘蓝、蔬菜香气49 吲哚140 - - <0.01 - - 稀释到一定浓度后,具有花香。
40种常见的、典型的异味物质的嗅阈值库表1 典型恶臭物质嗅阈值测定结果(体积分数)ιo^6T*able 1 l>ete r mi nation results of olfactory threshold of typicalmalodorous substance物质嗅日本气味随低参考值品所硫化氯O.∞l 2O.OCK) 41 臭洌蛋味用硫醇O.O∞ 0670.000 070 有烂菜心气味中硫醍0.002 0.003 海鱼羊腥味二甲二硫醴0.01 1 O oo 2 2 洋效味纯二硫化碳右.类似氯仿的芳杳甜味二砥化碳O. 17 0.21族法硫0.46 0.055 有臭鸡蛋气味氮0.3 1.5 有弓虽烈的刺激性气味三甲胺O.O∞ 90.000 032 鱼脾味笨乙娜0.034 0.035 缎*4味甲笨0.098 0.33 芳香气味乙笨0.018 O. 17 芳香气味邻二甲维0.28 0.38 为香气味,甜味间二甲举0.091 0.044 芳柠气味对二甲来O. 12 0.058 芳香气味,水果香型1 ,2,4 -三甲荤0.30 0.12 身香气味丙酸O.∞8 70.005 7 刺激性气味正丁假0.001 3 0.000 19 汗臭,倏臭味异丁酸O.∞3 10.001 5 假M味正戊酸0.002 5 0.000 037 汗臭,酸臭味异戊酸O.O∞ 160.000 087 许臭气味乙醛0.018 0.001 5 剌激性气味丙醛0.016 0.001 水果香正丁醛0.000 85 0.000 67 花香,水果并异丁酹O.O∞ 45O .O∞ 35愈糊味正戊醉O.∞l 60.000 41 月耳昉臭,油吟喇臭,油腻感异戊晒O.O∞ 30.000 IO 油炸食品味异戍二蜥0.025 0.048 孽香味柠檬烯0.016 0.038 类似柠檄的香味α -旅烯O.∞l0.018有松木、针叶及树脂样的气息具有特有的松节油香气、β ■烯0.500.033干燥木材和松月旨气味乙呼O. IO 0.52 洒柏味异丙醉 3.9 26 酒精味正丁*0.066 0.038 酒精味异丁臂0.014 0.011 泗梢味丙酮7.2 42 辛建甜味2 -丁例O. 17 0.44 类似西酉同气味甲拈异丁处函0.11 O. 17 令人愉快的喇样香味乙酸乙酯0.84 0.87 水果香味,风率味乙酸正丁仃旨O.∞7 90.016 水果香味乙酸异丁的0.29 0.008 O 指甲油味。
几种物质的嗅阈值公司标准化编码 [QQX96QT-XQQB89Q8-NQQJ6Q8-MQM9N]物质名称阈值/10-6臭气种类乙醛醋酸丙酮丙烯醛丙烯腈丙烷氯化物苄基氯化物苄基亚硫酸盐溴正丁酸二硫化碳四氯化碳(由二氯化碳氯化)四氯化碳(由甲烷氯化〉氯醛氯二甲基乙酰胺二甲基亚硫酸盐二苯亚硫酸盐乙基硫醇乙醇〈合成产品〉丙烯酸乙酯甲醛氯化铵气体硫化氢(由硫化物制备)硫化氢气体甲醇一甲胺二甲胺三甲胺氨苯胺苯甲基氯化物亚甲基氯化物甲乙基酮甲基异丁基酮甲基硫醇三烯酸甲酯单氯基苯硝基苯对甲酚对二甲苯0.211.0100.00.2121.40.470.0470.00210.0470.0010.2121.4100.00.470.31446.80.0010.00470.00110.00.000471.010.00.00470.00047100.00.0210.0470.0002146.81.04.68>10214.010.00.470.00210.210.210.00470.0010.474.68木腥臭酸臭(酸味)化学甘臭、有刺激性焦臭、有刺激性洋葱臭、大蒜臭洋葱臭、大蒜木腥臭溶剂硫磺臭似膘自粉的刺激性臭酸臭蔬莱硫磺臭刺激性甘臭甘臭似漂自粉的刺激性臭胺臭、焦臭油臭蔬莱硫磺臭橡胶的烧臭泥土臭、硫磺臭香甜气昧塑料燃烧臭、泥土臭麦秸样干臭、有刺激性刺激性臭腐蛋臭腐蛋臭香甜气味刺激性鱼臭鱼臭刺激性鱼臭刺激性臭刺激性臭溶剂香甜气味香甜气味刺激性硫磺臭刺激性硫磺臭氯气臭、卫生球臭鞋油臭、有剌激性焦油臭、有刺激性香甜气味氛化物溶剂臭医药品臭干草臭洋葱臭、芥末臭对氯乙烯酚光气磷化氨吡啶苯乙烯(抗反应性)苯乙烯〈非抗反应性〉二氯化硫亚硫酸气体甲苯〈由焦炭制备)甲苯(由石油制备〉异氰酸盐三氯乙烯0.0471.00.0210.0210.10.0470.0010.474.682.142.1421.4焦油臭、有刺激性橡胶臭塑料臭、橡胶臭硫磺臭似花的刺激性气味卫生球臭、椽胶臭医药用绷带臭、刺激溶剂。
物质名称阈值/10-6臭气种类乙醛醋酸丙酮丙烯醛丙烯腈丙烷氯化物苄基氯化物苄基亚硫酸盐溴正丁酸二硫化碳四氯化碳(由二氯化碳氯化)四氯化碳(由甲烷氯化〉氯醛氯二甲基乙酰胺二甲基亚硫酸盐二苯亚硫酸盐乙基硫醇乙醇〈合成产品〉木腥臭酸臭(酸味)化学甘臭、有刺激性焦臭、有刺激性洋葱臭、大蒜臭洋葱臭、大蒜木腥臭溶剂硫磺臭似膘自粉的刺激性臭酸臭蔬莱硫磺臭刺激性甘臭甘臭似漂自粉的刺激性臭胺臭、焦臭油臭蔬莱硫磺臭橡胶的烧臭泥土臭、硫磺臭香甜气昧塑料燃烧臭、泥土臭麦秸样干臭、有刺激丙烯酸乙酯甲醛氯化铵气体硫化氢(由硫化物制备)硫化氢气体甲醇一甲胺二甲胺三甲胺氨苯胺苯甲基氯化物亚甲基氯化物甲乙基酮甲基异丁基酮甲基硫醇三烯酸甲酯单氯基苯硝基苯对甲酚>10性刺激性臭腐蛋臭腐蛋臭香甜气味刺激性鱼臭鱼臭刺激性鱼臭刺激性臭刺激性臭溶剂香甜气味香甜气味刺激性硫磺臭刺激性硫磺臭氯气臭、卫生球臭鞋油臭、有剌激性焦油臭、有刺激性香甜气味氛化物溶剂臭医药品臭干草臭对二甲苯对氯乙烯酚光气磷化氨吡啶苯乙烯(抗反应性)苯乙烯〈非抗反应性〉二氯化硫亚硫酸气体甲苯〈由焦炭制备)甲苯(由石油制备〉异氰酸盐三氯乙烯洋葱臭、芥末臭焦油臭、有刺激性橡胶臭塑料臭、橡胶臭硫磺臭似花的刺激性气味卫生球臭、椽胶臭医药用绷带臭、刺激溶剂。
气味阈值名词解释什么是气味阈值气味阈值是指感知某种气味的最低浓度。
在感官科学领域,气味阈值被广泛用于评估气味物质对人类和动物的感知能力。
通过确定气味阈值,我们可以了解人们对不同气味的敏感程度,并为环境监测、香味设计等领域提供参考依据。
气味阈值的测量方法测量气味阈值的方法有多种,其中最常用的方法是三次振荡法。
这种方法通过在一系列浓度下,要求被试者根据气味的强度分辨是否存在。
通过逐渐减小浓度,最终确定气味的阈值浓度。
另外,还有一些其他方法,如有序对比法、序列比较法等。
气味阈值的影响因素气味阈值受到多种因素的影响,包括个体差异、年龄、性别、健康状况、环境条件等。
不同的人对同一种气味物质可能存在差异的感知能力。
年龄和性别也可能对气味阈值产生影响,例如儿童对某些气味的感知能力可能较低。
气味阈值的应用领域气味阈值在许多领域中都有重要的应用价值。
以下是几个主要领域的案例:1. 环境监测气味阈值可以用于环境监测,特别是在化工厂、垃圾处理和废水处理等领域。
通过测量气味阈值,可以确定某种气味物质的浓度是否达到了对人们和环境造成危害的水平。
2. 香味设计在香水和化妆品工业中,气味阈值是一项重要的指标。
通过确保产品中化学成分的浓度低于气味阈值,可以避免产品产生刺激性气味,从而提供更好的用户体验。
3. 食品和饮料工业气味阈值对于食品和饮料工业也非常重要。
通过了解不同成分的气味阈值,可以帮助调整配方,确保产品具有良好的气味和口感。
4. 制药工业在制药工业中,气味阈值可以用于评估药物的气味特性。
这对于开发口服药物或涂抹剂等需要与皮肤或口腔接触的药物非常重要。
气味阈值的重要性和挑战气味阈值的研究对于保护环境和人类健康具有重要意义。
了解气味阈值可以帮助我们评估潜在的危险物质,并制定相应的防护措施。
然而,测量气味阈值是一项复杂的任务,需要考虑到个体差异、环境条件等多种因素。
此外,对于一些复杂的气味物质,其气味阈值的测量可能更具挑战性。
序号化合物名称气味阈值(μg/kg)青蟹♂青蟹♀梭子蟹♂梭子蟹♀河蟹♂河蟹♀风味描述1 苯乙烯730 - 0.01 - <0.01 - - 树脂、花香香气2 1-丁醇5000 <0.01 <0.01 <0.01 - - - 温和的杂醇油气息,并带有酒香3 戊醇4000 0.05 0.01 0.01 0.02 <0.01 0.01 面包香、酒香、果香4 己醇2500 <0.01 - <0.01 <0.01 - <0.01 青香、果香、醇香、甜香、醚香5 1-辛烯-3-醇 1 8.64 4.47 - 4.42 - 3.37 蘑菇香、青香、蔬菜香6 庚醇 3 0.76 - - - - - 新鲜、轻淡的油脂气息,并带有酒香7 2-乙基-1-己醇270000 <0.01 <0.01 <0.01 <0.01 <0.01 <0.01 蘑菇香气8 辛醇120 0.05 0.01 - 0.03 - 0.03 强烈的油脂气味,并带有柑橘、玫瑰气味9 3-甲基丁醛 1 2.81 8.67 - 4.92 - - 稀释后具有愉快的水果香气10 戊醛20 9.79 2.23 2.33 7.17 0.38 1.17 稀释后具有果香、面包香11 己醛4500 0.01 <0.01 <0.01 <0.01 <0.01 0.01 青香、叶香、果香、木香12 庚醛 3 - 5.58 - - - 0.30 稀释后具有类似甜杏、坚果香气13 辛醛0.7 - 17.62 - - 1.45 - 高度稀释下具有类似甜橙、蜂蜜样香气14 壬醛 1 17.17 15.00 14.27 16.50 4.82 16.45 蜡香、柑橘香、脂肪香、花香15 癸醛 1 - 12.85 - - - - 蜡香、柑橘香、花香16 3-己酮50000 <0.01 - - <0.01 - - 甜香、果香、蜡香气味17 3-羟基-2-丁酮800 0.01 - - - <0.01 0.02 甜香、奶制品香,并带有脂肪的油腻气息18 6-甲基-5-庚烯-2-酮50 0.36 0.28 0.26 0.29 0.02 0.11 果香,霉香,酮香19 乙酸丁酯66 - 0.07 - - - - 强烈的水果香气,近似于生梨、香蕉香气20 愈创木酚10 0.49 - 1.02 0.38 0.17 0.33 辛香、药香、木香以及烟熏味21 苯酚5900 <0.01 <0.01 <0.01 - <0.01 <0.01 酚样、药香气22 4-甲基苯酚55 0.03 0.01 - 0.05 - - 强烈的类似苯酚香气以及烟草酚香23 糠醛3000 <0.01 <0.01 - <0.01 <0.01 <0.01 面包香、焦糖香,带有焙烤食品气味24 2-甲基呋喃酮1000 0.01 - 0.01 0.01 <0.01 0.01 甜的、杏仁、烤香、烟熏香25 2,5-二甲基吡嗪1800 0.01 - - - - - 坚果香、花生、脂肪香26 2,3,5-三甲基吡嗪9000 <0.01 - - - - - 坚果香、土豆、可可、蔬菜样气味27 吡啶2000 0.05 - 0.03 0.03 0.01 0.02 强烈的、鱼样香气,胺味道28 吲哚140 0.03 - - - - - 稀释到一定浓度后,具有花香29 2-乙酰基噻唑10 0.59 0.43 0.84 0.22 0.24 0.51 爆玉米、烤麦片香、烤肉、坚果香30 三甲胺0.5 100.00 100.00 100.00 85.67 100.00 100.0031 二甲基三硫化物0.01 - - - 100.00 - - 槟榔香、硫香序号保留指数(RI)化合物相对含量(%)感觉阈值(μg/kg)相对气味活度值(ROA V)含氧杂环化合物 6.873 868 2-甲基呋喃0.278 953 2-乙基呋喃 1.2913 1115 2-丁基呋喃0.318 1233 2-戊基呋喃 2.87 6[6] 2.66 24 1310 2-己基呋喃0.1142 1525 2-辛基呋喃0.359 1826 3-苯基呋喃0.8262 1901 5-丁基-二氢-2(3H)-呋喃酮0.5265 2013 二氢-5-戊基-2(3H)-呋喃酮0.2769 2239 2,3-二氢-3,5-二羟基-6-甲基-4(H)-吡喃-4-酮0.0470 2243 3,5-二氢-2-甲基-4(H)-吡喃-4-酮0.0472 >2400 2(H)-4-羟基-2(3H)-呋喃酮0.04吡嗪化合物 4.2517 1198 吡嗪0.09 60[6]0.01 23 1300 2,5-二甲基吡嗪 2.14 1.8[6] 6.60 25 1314 2,6-二甲基吡嗪 1.18 200[6]0.03 31 1385 2-乙基-5-甲基吡嗪0.04 100[6]<0.01序号保留指数(RI)化合物相对含量(%)感觉阈值(μg/kg)相对气味活度值(ROA V)41 1514 顺-2-甲基-6-(1-丙烯基)-吡嗪0.1845 1554 正戊基吡嗪0.09 1000[6]<0.01 47 1591 2-异戊基-6-甲基吡嗪0.1349 1629 2,5-二甲基-3-异戊基吡嗪0.4醇类化合物97 943 乙醇0.21 100000[6]<0.01 20 1263 戊醇 1.93 4000[6]<0.01 28 1356 己醇0.21 250[6]<0.0135 1429 庚醇 1.71 3[6] 3.1736 1437 1-辛烯-3-醇0.56 1[6] 3.1138 1450 壬醇0.33 50[6]0.04 44 1547 1-辛醇 4.05 110[6]0.20醛类化合物49.155 912 3-甲基丁醛0.69 0.2[6]19.176 916 2-甲基丁醛0.13 1[6]0.72 9 979 戊醛 1.03 20[6]0.29 12 1078 己醛12.06 4.5[6]14.8915 1164 2-甲基-2-戊烯醛0.0516 1180 庚醛0.82 3[6] 1.52 21 1270 辛醛 4.94 0.7[6]39.21 26 1323 反-2-庚烯醛0.15 13[6]0.06 32 1391 壬醛16.16 1[6]89.78 34 1419 反-2-辛烯醛 1.04 3[6] 1.93 40 1508 苯甲醛 2.46 350[6]0.04 43 1529 反-2-壬烯醛0.79 0.08[6]54.86 46 1568 5-甲基糠醛0.16 20[6]0.04 50 1633 反-2-癸烯醛 2.7 0.3[6]50.0052 1660 2-正丁基-2-辛烯醛0.1953 1691 反,反-2,4-壬二烯醛0.28 0.09[6]17.2855 1743 2-十一烯醛 3.1656 1759 反,顺-2,4-癸二烯醛0.2958 1802 反,反-2,4-癸二烯醛0.91 0.07[6]72.22 64 1946 肉豆蔻醛0.23 14[6]0.09 67 2124 十六醛0.91酯类化合物 1.3651 1646 正己酸乙酯 1 1[6] 5.5660 1867 2-氧代壬酸甲酯0.371 >2400 邻苯二甲酸二异丁酯0.06酸类化合物 2.1337 1441 乙酸 1.37 22000[6]<0.01 66 2022 辛酸0.08 3000[6]<0.01 68 2127 壬酸0.26 3000[6]<0.01序号保留指数(RI)化合物相对含量(%)感觉阈值(μg/kg)相对气味活度值(ROA V)73 >2400 十四酸0.1 10000[6]<0.0174 >2400 十六烷酸0.32 10000[6]<0.01酮类化合物 6.4614 1132 5-甲基-2-己酮 1.7522 1284 1-羟基-2-丙酮 1.2927 1336 6-甲基-5-庚烯-2-酮0.08 50[6]0.01 29 1369 反-3-辛烯-2-酮0.2233 1402 反,反-3,5-辛二烯-2-酮0.8839 1491 2-癸酮 1.4348 1612 2-十一烷酮0.31 7[6]0.25 54 1735 2-戊基-2-环戊烯-1-酮0.2461 1875 反,反-3,5-壬二烯-2-酮0.26含硫化合物 111 1062 二甲基二硫醚0.48 0.06[7]44.44 30 1380 二甲基三硫醚0.09 0.005[6]100.0063 1906 2-己基噻吩0.43碳氢化合物7.441 701 庚烷 2.602 801 辛烷 4.504 901 壬烷0.1710 1002 癸烷0.0619 1238 苯乙烯0.06 730[6]0.02 57 1800 十八烷0.05编号化合物名称(μg/kg)相对气味活度值(ROA V)气味特征黄鱼鳗鱼鳕鱼鲳鱼马鲛鱼1 乙醇100000 - <0.01 - <0.01 0.112 1-戊烯-3-醇400 0.19 0.045 <0.01 <0.01 <0.01 果香、蔬菜香3 异戊醇250 - 0.58 <0.01 - - 面包、谷物、果香香味4 戊醇4000 <0.01 - - - - 面包香、酒香、果香5 2-戊烯-1-醇40 0.54 0.09 0.02 - -6 己醇2500 - <0.01 - - - 青香、果香、醇香、甜香7 庚醇 3 11.27 1.83 - 0.47 6.13 新鲜、清淡油脂气息、酒香8 1-辛烯-3-醇 1 27.03 84.53 1.13 18.38 57.67 蘑菇香、青香、蔬菜香以及油腻的气息9 2-乙基-1-己醇270000 <0.01 <0.01 <0.01 <0.01 <0.01 蘑菇香气、甜香味10 1-辛醇110 - 0.04 - 0.02 - 强烈的油脂气味,并带有柑橘、玫瑰气味11 2-辛烯-1-醇40 - 0.27 0.01 - -12 1-壬醇50 - - - 0.01 - 强烈的玫瑰、橙子香气,并伴有油脂气息13 苯乙醇800 - 0.87 <0.01 - 0.03 风信子、栀子香气14 丙醛37 0.05 0.08 - 0.05 0.45 青香、可可、咖啡味15 异戊醛0.4 - 21.23 1.00 3.93 4.60 高度稀释时有似苹果香气、巧克力香16 2-甲基丁醛 1 - - 0.21 0.61 - 果香、巧克力香、坚果香、青香17 戊醛20 2.55 0.46 <0.01 0.15 1.69 稀释后具有果香、面包香18 2-戊烯醛1500 - - <0.01 - - 蜡香、青香、果香19 己醛4500 0.05 0.02 <0.01 <0.01 0.05 强烈的青香、草香、蔬菜、水果香气20 2-己烯醛17 - - 0.01 - - 青香、苹果、脂肪、醛香香气21 庚醛 3 29.91 7.99 0.24 5.37 35.38 稀释后具有类似甜杏、坚果香气22 4-庚烯醛10 1.24 0.87 0.03 0.13 1.84 青香、脂肪香气,低浓度奶油味道23 辛醛0.7 69.11 14.83 0.33 20.45 100 高度稀释下具有似甜橙、油脂、蜂蜜香气24 苯甲醛 3 5.41 3.52 1.36 0.9 10.63 油腻的甜味、杏仁香气、果香、粉香香韵25 2,4-庚二烯醛10 - - 0.07 - - 青香、醛香、水果、鸡肉、脂肪香气26 2-辛烯醛 3 - - 0.05 - - 肉香、脂肪、青香气27 壬醛 1 49.46 31.32 0.53 40.61 71.78 蜡香、甜桔香、脂肪香、花香28 苯乙醛 4 - 12.17 0.04 - - 青香、玫瑰、花香、巧克力香气29 癸醛0.1 100 100 2.18 100 - 醛香、蜡香、脂肪、柑桔香气30 十一醛 5 - - <0.010 0.44 - 脂肪、花香、柑桔香气31 2,3-丁二酮 2.3 - - 0.02 - - 甜的奶油、黄油香气32 2-丁酮50000 - - <0.01 - - 醚香、果香、樟脑香韵33 2-庚酮140 - 0.05 <0.01 - - 香蕉、奶酪香气及轻微的药香34 3-辛酮28 0.51 <0.01 0.04 0.11 酮香、青香、蜡香、蔬菜香35 1-辛烯-3-酮0.005 - - 22.56 - - 强烈的壤香、蘑菇香36 2,3-辛二酮 2.52 12.12 8.38 0.05 4.01 7.9837 2-辛酮50 - 0.15 - 0.03 - 酮香、青香、蜡香、牛奶香韵38 6-甲基-5-庚烯-2-酮50 - 0.55 - - - 果香、霉香、酮香39 2-壬酮 5 - 0.94 0.02 0.44 0.11 果香、甜香、蜡香、青香40 2-十一酮7 - 0.54 0.01 - - 蜡香、果香、脂肪香41 苯乙酮65 - 0.10 <0.01 - - 强烈金合欢似甜香气、杏仁香、甜香42 乙酸乙酯 5 0.76 1.09 0.04 - 1.47 醚香、菠萝、葡萄、樱桃的果香43 戊酸乙酯 1.5 - - - - 0.81 甜的果香、酯香44 乙苯29 0.75 - 0.02 - -45 苯酚5900 - - <0.01 - - 酚样、药香气46 2-乙基呋喃8000 - <0.01 <0.01 <0.01 <0.01 豆香、面包香、麦芽香47 三甲胺0.5 - 3.02 1.43 - 0.1848 二甲基二硫醚0.06 - - 100 - - 强烈的洋葱、甘蓝、蔬菜香气49 吲哚140 - - <0.01 - - 稀释到一定浓度后,具有花香。
城镇燃气加臭标准
城镇燃气加臭标准是指在城镇燃气系统中,为确保安全使用燃气,需要向燃气加入一定的臭味物质,以便发现任何燃气泄露或漏气情况。
加臭物质一般为硫化氢(H2S)或甲硫醇
(CH3SH)。
根据国家标准《燃气》(GB 7644-2005),城镇燃气加臭标准如下:
1. 加臭气味的阈值:城镇燃气必须加臭到使其呈现出阈值浓度时能够察觉出来。
阈值浓度是指在空气中与燃气的体积比例,使得超过该比例就能够察觉到臭味。
根据标准,城镇燃气加臭的阈值浓度不得高于20%LEL(低爆炸限)。
2. 加臭物质的浓度:城镇燃气中加臭物质的浓度应满足相应的要求。
加臭物质硫化氢(H2S)的浓度要求为5±1.5mg/m3,甲硫醇(CH3SH)的浓度要求为10±3mg/m3。
燃气公司需要定期检测和监测加臭物质的浓度,确保其符合标准要求。
3. 加臭物质的稳定性:加臭物质在城镇燃气中应具有较长的稳定性,即在供气管道中不易分解或挥发,以保证燃气使用期间能持续散发臭味。
加臭物质的稳定性应符合相应的要求。
根据以上标准,城镇燃气加臭物质的阈值浓度、浓度要求和稳定性等参数应符合国家标准,以确保燃气的安全使用和泄漏的及时察觉。
几种物质的嗅阈值文稿归稿存档编号:[KKUY-KKIO69-OTM243-OLUI129-G00I-FDQS58-物质名称阈值/10-6臭气种类乙醛醋酸丙酮丙烯醛丙烯腈丙烷氯化物苄基氯化物苄基亚硫酸盐溴正丁酸二硫化碳四氯化碳(由二氯化碳氯化)四氯化碳(由甲烷氯化〉氯醛氯二甲基乙酰胺二甲基亚硫酸盐二苯亚硫酸盐乙基硫醇乙醇〈合成产品〉丙烯酸乙酯甲醛氯化铵气体硫化氢(由硫化物制备)硫化氢气体甲醇一甲胺二甲胺三甲胺氨苯胺苯甲基氯化物亚甲基氯化物甲乙基酮甲基异丁基酮甲基硫醇三烯酸甲酯0.211.0100.00.2121.40.470.0470.00210.0470.0010.2121.4100.00.470.31446.80.0010.00470.00110.00.000471.010.00.00470.00047100.00.0210.0470.0002146.81.04.68>10214.010.00.470.00210.210.210.0047木腥臭酸臭(酸味)化学甘臭、有刺激性焦臭、有刺激性洋葱臭、大蒜臭洋葱臭、大蒜木腥臭溶剂硫磺臭似膘自粉的刺激性臭酸臭蔬莱硫磺臭刺激性甘臭甘臭似漂自粉的刺激性臭胺臭、焦臭油臭蔬莱硫磺臭橡胶的烧臭泥土臭、硫磺臭香甜气昧塑料燃烧臭、泥土臭麦秸样干臭、有刺激性刺激性臭腐蛋臭腐蛋臭香甜气味刺激性鱼臭鱼臭刺激性鱼臭刺激性臭刺激性臭溶剂香甜气味香甜气味刺激性硫磺臭刺激性硫磺臭氯气臭、卫生球臭鞋油臭、有剌激性焦油臭、有刺激性香甜气味氛化物溶剂臭单氯基苯硝基苯对甲酚对二甲苯对氯乙烯酚光气磷化氨吡啶苯乙烯(抗反应性)苯乙烯〈非抗反应性〉二氯化硫亚硫酸气体甲苯〈由焦炭制备)甲苯(由石油制备〉异氰酸盐三氯乙烯0.0010.474.680.0471.00.0210.0210.10.0470.0010.474.682.142.1421.4医药品臭干草臭洋葱臭、芥末臭焦油臭、有刺激性橡胶臭塑料臭、橡胶臭硫磺臭似花的刺激性气味卫生球臭、椽胶臭医药用绷带臭、刺激溶剂。
嗅觉鉴定方法嗅觉是人类最原始的感官之一,通过嗅觉我们可以辨别出各种气味,从而感知出环境的变化以及食物的新鲜程度等信息。
嗅觉鉴定方法是指通过一系列的测试和观察,来确定一个人的嗅觉能力是否正常以及其对不同气味的辨别能力如何。
嗅觉鉴定方法主要包括以下几个方面:一、嗅觉阈值测定:这是确定一个人嗅觉灵敏度的基本方法。
通过使用一系列浓度递减的气味溶液,要求测试者分辨出其中的气味。
一般来说,浓度递减至一定程度时,人的嗅觉会出现分辨不出的情况,此时的浓度就是嗅觉阈值。
嗅觉阈值测定主要有三种方法:阈值浓度测定法、辨别阈值测定法和最小可辨别浓度测定法。
其中,阈值浓度测定法是通过先设定一个浓度,然后逐渐增加或减少来确定测试者的阈值。
辨别阈值测定法则是设定两种气味的浓度,要求测试者辨别出两者的差异。
最小可辨别浓度测定法是让测试者辨别出两种气味浓度的最小差异。
二、气味识别测试:这是测试一个人对不同气味的辨别能力。
一般情况下,会准备一系列常见气味的溶液,并要求测试者辨别出其中的气味。
测试者需要分辨出的气味种类越多,说明其嗅觉辨别能力越强。
三、气味记忆测试:这是测试一个人对气味记忆能力的方法。
在这个测试中,会为测试者展示某种气味一段时间,然后要求测试者在一系列气味中辨别出之前展示的气味。
测试者的记忆能力越好,能够正确辨别出的气味越多。
四、嗅觉定位测试:这是测试一个人对嗅觉定位能力的方法。
一般会提供一个味道浓度递减的溶液,测试者需要判断出这个味道是从哪个方向传来的。
这个测试能够测试测试者对味道的源头方向判断能力。
五、气味辨别强度测试:这是测试一个人对不同气味辨别强度的方法。
一般会提供一系列浓度递增或递减的气味溶液,测试者需要判断其中的强度是否有差异。
除了以上几种基本的嗅觉鉴定方法,还有一些其他的方法可以用于嗅觉鉴定。
例如,通过使用电子嗅觉仪器来测定气味的浓度和成分,可以更精确地评估测试者的嗅觉能力。
此外,还可以进行嗅觉刺激反应测试,通过观察测试者对某种气味刺激产生的生理反应来评估其嗅觉功能。
人体嗅阈值
嗅阈值是指人的感觉器官能够嗅觉到的最低嗅觉浓度,也指引起人嗅觉最小刺激的物质浓度(或稀释倍数)。
嗅阈值的测定是通过研究人员对多种物质的复合气味进行多次嗅觉检验后得到的平均值,所测得的数据是由多个测试人员通过嗅觉检验得到的。
嗅阈值主要分为两种,一种是能够勉强感觉到有气味而很难辨别到底是什么气味时,称为检知阈值;另一种是能够准确辨别出什么气味时,称为确认阈值。
通常所说的阈值是前者。
需要注意的是,不同的物质的嗅阈值也会有所不同,测定条件不同,阈值也会随之变化。
在一般情况下,某物质的嗅阈值具有一定的可比性和参照性。
气味阈值————————————————————————————————作者: ————————————————————————————————日期:ﻩ序号化合物名称气味阈值(μg/kg)青蟹♂青蟹♀梭子蟹♂梭子蟹♀河蟹♂河蟹♀风味描述1苯乙烯730- 0.01 -<0.01 - - 树脂、花香香气2 1-丁醇5000<0.01 <0.01 <0.01 - - - 温和的杂醇油气息,并带有酒香3 戊醇4000 0.05 0.01 0.01 0.02<0.01 0.01面包香、酒香、果香4 己醇2500 <0.01 -<0.01<0.01- <0.01 青香、果香、醇香、甜香、醚香5 1-辛烯-3-醇 1 8.64 4.47 - 4.42- 3.37 蘑菇香、青香、蔬菜香6 庚醇 3 0.76--- - - 新鲜、轻淡的油脂气息,并带有酒香72-乙基-1-己醇270000 <0.01 <0.01 <0.01 <0.01 <0.01 <0.01 蘑菇香气8 辛醇1200.050.01 -0.03- 0.03 强烈的油脂气味,并带有柑橘、玫瑰气味9 3-甲基丁醛 1 2.81 8.67 - 4.92 - - 稀释后具有愉快的水果香气10戊醛20 9.792.23 2.33 7.17 0.38 1.17 稀释后具有果香、面包香11己醛4500 0.01 <0.01 <0.01 <0.01<0.01 0.01 青香、叶香、果香、木香12 庚醛 3 - 5.58 - - - 0.30稀释后具有类似甜杏、坚果香气13辛醛0.7- 17.62 - - 1.45 - 高度稀释下具有类似甜橙、蜂蜜样香气14 壬醛 1 17.17 15.00 14.2716.50 4.82 16.45蜡香、柑橘香、脂肪香、花香15 癸醛1- 12.85 - - - - 蜡香、柑橘香、花香16 3-己酮50000<0.01 -- <0.01 -- 甜香、果香、蜡香气味17 3-羟基-2-丁酮8000.01 -- - <0.010.02 甜香、奶制品香,并带有脂肪的油腻气息18 6-甲基-5-庚烯-2-酮50 0.36 0.28 0.26 0.29 0.02 0.11果香,霉香,酮香19 乙酸丁酯66 - 0.07 - --- 强烈的水果香气,近似于生梨、香蕉香气20 愈创木酚10 0.49 - 1.020.380.17 0.33 辛香、药香、木香以及烟熏味21 苯酚5900<0.01 <0.01 <0.01- <0.01 <0.01 酚样、药香气22 4-甲基苯酚550.03 0.01 - 0.05- - 强烈的类似苯酚香气以及烟草酚香23 糠醛3000 <0.01 <0.01 - <0.01 <0.01 <0.01 面包香、焦糖香,带有焙烤食品气味24 2-甲基呋喃酮10000.01 - 0.01 0.01 <0.01 0.01甜的、杏仁、烤香、烟熏香25 2,5-二甲基吡嗪1800 0.01- - - - - 坚果香、花生、脂肪香26 2,3,5-三甲基吡嗪9000 <0.01 - - - - -坚果香、土豆、可可、蔬菜样气味27 吡啶20000.05 -0.03 0.03 0.010.02 强烈的、鱼样香气,胺味道28吲哚140 0.03- - -- - 稀释到一定浓度后,具有花香29 2-乙酰基噻唑10 0.590.430.840.220.24 0.51 爆玉米、烤麦片香、烤肉、坚果香30三甲胺0.5 100.00 100.00100.00 85.67 100.00 100.0031二甲基三硫化物0.01 - --100.00- - 槟榔香、硫香序号保留指数(RI)化合物相对含量(%)感觉阈值(μg/kg)相对气味活度值(ROAV)含氧杂环化合物 6.873 868 2-甲基呋喃0.278 9532-乙基呋喃 1.29131115 2-丁基呋喃0.318 1233 2-戊基呋喃 2.87 6[6]2.66 24 1310 2-己基呋喃0.1142 1525 2-辛基呋喃0.359 1826 3-苯基呋喃0.8262 1901 5-丁基-二氢-2(3H)-呋喃酮0.5265 2013 二氢-5-戊基-2(3H)-呋喃酮0.2769 2239 2,3-二氢-3,5-二羟基-6-甲基-4(H)-吡喃-4-酮0.0470 2243 3,5-二氢-2-甲基-4(H)-吡喃-4-酮0.0472 >2400 2(H)-4-羟基-2(3H)-呋喃酮0.04吡嗪化合物 4.25171198 吡嗪0.09 60[6]0.01 231300 2,5-二甲基吡嗪2.14 1.8[6] 6.6025 1314 2,6-二甲基吡嗪 1.18200[6]0.03 31 13852-乙基-5-甲基吡嗪0.04 100[6]<0.01序号保留指数(RI)化合物相对含量(%)感觉阈值(μg/kg)相对气味活度值(ROA V)41 1514 顺-2-甲基-6-(1-丙烯基)-吡嗪0.1845 1554 正戊基吡嗪0.09 1000[6]<0.01471591 2-异戊基-6-甲基吡嗪0.1349 16292,5-二甲基-3-异戊基吡嗪0.4醇类化合物97 943 乙醇0.21 100000[6]<0.0120 1263戊醇 1.934000[6]<0.01281356己醇0.21 250[6]<0.01 35 1429庚醇1.71 3[6]3.17 36 1437 1-辛烯-3-醇0.56 1[6] 3.1138 1450壬醇0.33 50[6]0.04 44 1547 1-辛醇 4.05110[6]0.20醛类化合物49.155 912 3-甲基丁醛0.69 0.2[6]19.176 916 2-甲基丁醛0.13 1[6]0.72 9 979 戊醛 1.03 20[6]0.29 12 1078 己醛12.06 4.5[6]14.8915 1164 2-甲基-2-戊烯醛0.0516 1180 庚醛0.82 3[6] 1.5221 1270 辛醛 4.94 0.7[6]39.2126 1323 反-2-庚烯醛0.15 13[6]0.06 32 1391 壬醛16.16 1[6]89.78 34 1419 反-2-辛烯醛 1.04 3[6] 1.93 40 1508 苯甲醛 2.46 350[6]0.04 43 1529反-2-壬烯醛0.79 0.08[6]54.8646 15685-甲基糠醛0.1620[6]0.0450 1633 反-2-癸烯醛 2.7 0.3[6]50.0052 1660 2-正丁基-2-辛烯醛0.1953 1691 反,反-2,4-壬二烯醛0.28 0.09[6]17.28551743 2-十一烯醛 3.1656 1759 反,顺-2,4-癸二烯醛0.29581802 反,反-2,4-癸二烯醛0.91 0.07[6]72.22 641946 肉豆蔻醛0.23 14[6]0.09 67 2124 十六醛0.91酯类化合物 1.3651 1646 正己酸乙酯 1 1[6] 5.56 60 1867 2-氧代壬酸甲酯0.371>2400 邻苯二甲酸二异丁酯0.06酸类化合物 2.1337 1441 乙酸1.37 22000[6]<0.0166 2022辛酸0.08 3000[6]<0.01 682127壬酸0.263000[6]<0.01序号保留指数(RI)化合物相对含量(%)感觉阈值(μg/kg)相对气味活度值(ROAV)73>2400 十四酸0.1 10000[6]<0.0174 >2400 十六烷酸0.32 10000[6]<0.01酮类化合物 6.46141132 5-甲基-2-己酮 1.75221284 1-羟基-2-丙酮 1.2927 13366-甲基-5-庚烯-2-酮0.08 50[6]0.01 29 1369 反-3-辛烯-2-酮0.2233 1402反,反-3,5-辛二烯-2-酮0.8839 1491 2-癸酮 1.4348 1612 2-十一烷酮0.31 7[6]0.25 54 17352-戊基-2-环戊烯-1-酮0.2461 1875 反,反-3,5-壬二烯-2-酮0.26含硫化合物 1111062 二甲基二硫醚0.48 0.06[7]44.44 30 1380二甲基三硫醚0.09 0.005[6]100.0063 1906 2-己基噻吩0.43碳氢化合物7.441701 庚烷 2.602 801 辛烷 4.504901 壬烷0.1710 1002 癸烷0.06191238 苯乙烯0.06 730[6]0.02 57 1800十八烷0.05编号化合物名称气味阈值(μg/kg)相对气味活度值(ROA V)气味特征黄鱼鳗鱼鳕鱼鲳鱼马鲛鱼1 乙醇100000- <0.01 - <0.01 0.112 1-戊烯-3-醇4000.19 0.045 <0.01 <0.01 <0.01果香、蔬菜香3 异戊醇250 - 0.58 <0.01- - 面包、谷物、果香香味4戊醇4000<0.01- - - -面包香、酒香、果香52-戊烯-1-醇40 0.54 0.09 0.02- -6 己醇2500 - <0.01 -- - 青香、果香、醇香、甜香7 庚醇 3 11.27 1.83- 0.47 6.13 新鲜、清淡油脂气息、酒香8 1-辛烯-3-醇 1 27.03 84.53 1.13 18.38 57.67 蘑菇香、青香、蔬菜香以及油腻的气息92-乙基-1-己醇270000<0.01 <0.01 <0.01 <0.01 <0.01蘑菇香气、甜香味10 1-辛醇110 - 0.04- 0.02 - 强烈的油脂气味,并带有柑橘、玫瑰气味11 2-辛烯-1-醇40 - 0.270.01 --12 1-壬醇50 -- - 0.01 - 强烈的玫瑰、橙子香气,并伴有油脂气息13 苯乙醇800 - 0.87 <0.01- 0.03 风信子、栀子香气14 丙醛37 0.05 0.08 - 0.050.45 青香、可可、咖啡味15 异戊醛0.4 - 21.23 1.00 3.93 4.60 高度稀释时有似苹果香气、巧克力香16 2-甲基丁醛 1 - -0.21 0.61 - 果香、巧克力香、坚果香、青香17 戊醛20 2.55 0.46 <0.010.15 1.69 稀释后具有果香、面包香182-戊烯醛1500- - <0.01- - 蜡香、青香、果香19己醛4500 0.05 0.02 <0.01 <0.010.05 强烈的青香、草香、蔬菜、水果香气202-己烯醛17- - 0.01 -- 青香、苹果、脂肪、醛香香气21 庚醛 3 29.91 7.99 0.24 5.37 35.38 稀释后具有类似甜杏、坚果香气22 4-庚烯醛10 1.240.87 0.03 0.131.84 青香、脂肪香气,低浓度奶油味道23辛醛0.7 69.11 14.830.33 20.45 100高度稀释下具有似甜橙、油脂、蜂蜜香气24 苯甲醛 3 5.41 3.52 1.36 0.9 10.63 油腻的甜味、杏仁香气、果香、粉香香韵25 2,4-庚二烯醛10- -0.07- - 青香、醛香、水果、鸡肉、脂肪香气262-辛烯醛 3 - -0.05- -肉香、脂肪、青香气27 壬醛 1 49.46 31.32 0.53 40.6171.78 蜡香、甜桔香、脂肪香、花香28 苯乙醛 4 -12.170.04- - 青香、玫瑰、花香、巧克力香气29 癸醛0.1 100 100 2.18 100 -醛香、蜡香、脂肪、柑桔香气30十一醛 5 -- <0.010 0.44 -脂肪、花香、柑桔香气312,3-丁二酮 2.3 - -0.02 - -甜的奶油、黄油香气32 2-丁酮50000-- <0.01 - -醚香、果香、樟脑香韵33 2-庚酮140- 0.05 <0.01--香蕉、奶酪香气及轻微的药香34 3-辛酮28 0.51 <0.010.04 0.11酮香、青香、蜡香、蔬菜香351-辛烯-3-酮0.005 - - 22.56 - -强烈的壤香、蘑菇香36 2,3-辛二酮 2.52 12.12 8.38 0.054.01 7.9837 2-辛酮50 - 0.15 - 0.03 - 酮香、青香、蜡香、牛奶香韵38 6-甲基-5-庚烯-2-酮50- 0.55 - - - 果香、霉香、酮香39 2-壬酮 5 - 0.94 0.02 0.44 0.11 果香、甜香、蜡香、青香40 2-十一酮7 - 0.540.01 - -蜡香、果香、脂肪香41 苯乙酮65- 0.10 <0.01- - 强烈金合欢似甜香气、杏仁香、甜香42 乙酸乙酯 5 0.76 1.090.04-1.47 醚香、菠萝、葡萄、樱桃的果香43戊酸乙酯 1.5 - - --0.81甜的果香、酯香44 乙苯29 0.75- 0.02 - -45 苯酚5900 - -<0.01 - -酚样、药香气46 2-乙基呋喃8000 - <0.01 <0.01 <0.01 <0.01 豆香、面包香、麦芽香47 三甲胺0.5 - 3.02 1.43- 0.1848 二甲基二硫醚0.06- -100 - -强烈的洋葱、甘蓝、蔬菜香气49吲哚140- -<0.01-- 稀释到一定浓度后,具有花香。