微型计算机原理期末考试试题A.doc
- 格式:doc
- 大小:123.58 KB
- 文档页数:4
第一章一、填空1、在现代工业中,计算机控制系统的工作原理包括、、三个基本步骤。
答案:实时数据采集、实时控制决策、实时控制输出知识点:计算机控制系统的工作原理参考页:P2学习目标:1(熟悉计算机控制系统的结构、组成及工作原理)难度系数:2题型:填空2、微型计算机控制系统的硬件由、、和组成。
答案:主机、输入输出通道、外部设备、测量变送与执行机构知识点:计算机控制系统组成参考页:P3学习目标:1(熟悉计算机控制系统的结构、组成及工作原理)难度系数:3题型:填空3、一般的计算机控制系统由、、、等部分组成。
答案:计算机、I/O 接口电路、通用外部设备、工业生产对象知识点:计算机控制系统组成参考页:P3学习目标:1(熟悉计算机控制系统的结构、组成及工作原理)难度系数:3题型:填空4、计算机控制系统中常用的控制器有、、、、等。
答案:可编程序控制器、工控机、单片机、DSP、智能调节器答案:按生产过程控制的特点和要求知识点:计算机控制系统的主机参考页:P3-P5学习目标:2(熟悉常用的计算机控制系统主机)难度系数:1题型:填空5、计算机控制系统主要有六类,分别是直接数字控制系统、操作指导控制系统、、、、。
答案:计算机监督控制系统、分布式控制系统、计算机集成制造系统、综合自动化系统知识点:计算机控制系统的典型形式参考页:P5学习目标:3(熟悉计算机控制系统的典型形式及其特点)难度系数:2题型:填空6、DDC 系统的最大优点是。
答案:用一台计算机控制多个回路知识点:计算机控制系统的典型形式参考页:P6学习目标:3(熟悉计算机控制系统的典型形式及其特点)难度系数:2题型:填空7、软件是工业控制机的程序系统,它可分为、、 3 个部分。
答案:系统软件、支持软件、应用软件知识点:工业控制计算机的软件组成参考页:P10学习目标:4(熟悉工业控制计算机的组成、总线结构和特点)难度系数:2题型:填空8、计算机控制系统的发展趋势为、、、。
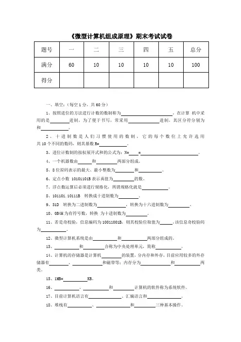
《微型计算机组成原理》期末考试试卷一、填空:(每空1分,共60分)1、按照进位的方法进行计数的数制称为,在计算机中采用的是进制,为了便于书写,常采用进制,其区分符分别为和。
2、十进制数是人们习惯使用的数制,它的每个数位上允许选用共10个不同的数码,则其基数R= 。
3、进位计数制的按权展开式和的公式为:N= = 。
4、一个机器数由和两部分组成。
5、8位原码表示的最大、最小整数为和。
6、定点小数 10101101B表示真值为的数。
7、浮点数运算后必须进行规格化,所谓规格化就是。
8、101101.10111B 转换成十进制数为。
9、31D 转换为二进制数为,转换为十六进制数为。
10、0B4H为有符号数,转换为十进制数为。
11、若是奇校验,信息编码为10011001B,则其校验位取值为,该信息奇校验码为。
12、微型计算机系统是由和两部分组成的。
13、和合称为中央处理单元,简称。
14、计算机的存储器是计算机的装置,分内存和外存,目前应用较多的外存储器有、和磁带等;内存分为和两类。
15、1MB= KB。
16、、和计算机的软件称为系统软件。
17、目前计算机语言有、汇编语言和。
18、堆栈有、和三种基本操作。
19、微处理器的基本寄存器是指在编程中可由指定的寄存器,不包含在编程中不被的寄存器。
20、设(DS)=3000H,(SI)=2000H,(35000H)=34H,(35001H)=12H,则指令MOV AX,3000H[SI]执行时,PA= 。
21、设(SS)=3200H,(BP)=1100H,则指令MOV AX,[BP]有效地址EA(Disp)= ,物理地址PA= 。
22、压栈指令助记符为,出栈指令语法格式为。
23、算术运算指令所处理的数据类型有4种:、、和。
24、异或运算是两个逻辑位,则运算结果为1,两个逻辑位,则运算结果为0。
异或指令其功能描述用公式表示为。
25、执行XOR AL,AL指令,寄存器,其结果是将。
微型计算机原理与接口技术综合测试题一一、单项选择题(下面题只有一个答案是正确的,选择正确答案填入空白处)1.8086CPU 通过( 1 )控制线来区分是存储器访问,还是I/O 访问,当CPU 执行IN AL,DX 指令时,该信号线为(2 )电平。
(1)A. M/ B. C. ALE D. N/(2) A. 高 B. 低 C. ECL D. CMOS2.n+1 位有符号数x 的补码表示范围为()。
A. -2n < x < 2nB. -2n ≤ x ≤ 2n -1C. -2n -1 ≤ x ≤ 2n-1D. -2n < x ≤ 2n3.若要使寄存器AL 中的高4 位不变,低4 位为0,所用指令为()。
A. AND AL, 0FHB. AND AL, 0FOHC. OR AL, 0FHD. OR AL 0FOH4.下列MOV 指令中,不正确的指令是()。
A. MOV AX, BXB. MOV AX, [BX]C. MOV AX, CXD. MOV AX, [CX]5.中断指令INT 17H 的中断服务程序的入口地址放在中断向量表地址()开始的4 个存贮单元内。
A. 00017HB. 00068HC. 0005CHD. 0005EH6.条件转移指令JNE 的条件是()。
A.CF=0B. CF=1C. ZF=0D. ZF=17.在8086/8088 CPU 中,一个最基本的总线读写周期由(1 )时钟周期(T 状态)组成,在T1 状态,CPU 往总线上发(2 )信息。
⑴ A. 1 个 B. 2 个 C. 4 个 D. 6 个⑵A. 数据 B . 地址 C. 状态 D. 其它8.8086 有两种工作模式, 最小模式的特点是(1 ),最大模式的特点是(2 )。
⑴A. CPU 提供全部控制信号 B. 由编程进行模式设定C. 不需要8286 收发器D. 需要总线控制器8288⑵A. M/ 引脚可直接引用 B. 由编程进行模式设定C. 需要总线控制器8288D. 适用于单一处理机系统9.在8086 微机系统的RAM 存储单元器0000H:002CH 开始依次存放23H,0FFH,00H,和0F0H 四个字节,该向量对应的中断号是( )。
《微型计算机原理》试题库及答案一、填空1.数制转换A)125D=( 11111101 )B =( 375 )O=( 0FD )H=(0001 0010 0101 )BCDB)10110110B=( 182 )D =( 266 )O=( 0B6 )H=(0001 1000 0010 )BCD2.下述机器数形式可表达的数值范围是(请用十进制形式写出):单字节无符号整数0~255;单字节有符号整数-128~+127。
注:微型计算机的有符号整数机器码采用补码表达,单字节有符号整数的范围为-128~+127。
3.完毕下列各式补码式的运算,并根据计算结果设立标志位SF、ZF、CF、OF。
指出运算结果有效否。
A)00101101+10011100=B)11011101+10110011=4.十六进制数2B.4H转换为二进制数是__00101011.0100,转换为十进制数是__43.25____。
5.在浮点加法运算中,在尾数求和之前,一般需要(对阶)操作,求和之后还需要进行(规格化)和舍入等环节。
6.三态门有三种输出状态:高电平、低电平、(高阻)状态。
7.字符“A”的ASCII码为41H,因而字符“E”的ASCII码为(45H),前面加上偶校验位后代码为(C5)H。
8.数在计算机中的二进制表达形式称为(机器数)。
9.在计算机中,无符号书最常用于表达(地址)。
10.正数的反码与原码(相等)。
11.在计算机中浮点数的表达形式有(阶码)和(尾码)两部分组成。
12.微解决器中对每个字所包含的二进制位数叫(字长)。
13.MISP是微解决的重要指标之一,它表达微解决器在1秒钟内可执行多少(百万条指令)14.PC机主存储器状基本存储单元的长度是(字节).15.一台计算机所用的二进制代码的位数称为___字长_________,8位二进制数称为__ 字节____。
16.微型计算机由(微解决器)、(存储器)和(I/O接口电路)组成。
微型计算机原理考试试卷(带答案解析)一、选择题(每题2分,共20分)1. 微型计算机系统中,CPU与外设进行数据交换的基本方式是()A. 并行通信B. 串行通信C. 总线通信D. 以上都对答案:D解析:微型计算机系统中,CPU与外设进行数据交换的基本方式包括并行通信和串行通信,同时也可以通过总线通信实现。
2. 微型计算机系统中,下列哪个设备不属于输入设备()A. 键盘B. 鼠标C. 显示器D. 扫描仪答案:C解析:显示器属于输出设备,用于将计算机处理的结果展示给用户。
3. 下列哪种存储器属于只读存储器()A. RAMB. ROMC. CacheD. 硬盘答案:B解析:ROM(Read-Only Memory)是只读存储器,其中的内容在制造时已经固定,无法修改。
4. 下列哪种总线不属于微型计算机系统总线()A. 数据总线B. 地址总线C. 控制总线D. 串行总线答案:D解析:微型计算机系统总线包括数据总线、地址总线和控制总线,串行总线不属于系统总线。
5. 下列哪种寄存器不属于CPU内部的寄存器()A. 程序计数器B. 指令寄存器C. 累加器D. 状态寄存器答案:D解析:状态寄存器属于外部寄存器,不属于CPU内部寄存器。
6. 下列哪种寻址方式不属于微型计算机指令的寻址方式()A. 直接寻址B. 间接寻址C. 相对寻址D. 随机寻址答案:D解析:微型计算机指令的寻址方式包括直接寻址、间接寻址和相对寻址,随机寻址不属于指令的寻址方式。
7. 在下列哪种操作中,CPU不会产生中断()A. 计算机病毒攻击B. 外部设备请求C. 软件中断D. 系统调用答案:A解析:计算机病毒攻击不会导致CPU产生中断,其他选项都会使CPU产生中断。
8. 下列哪种存储器不属于计算机的主存储器()A. RAMB. ROMC. CacheD. 硬盘答案:D解析:硬盘属于外部存储器,不属于计算机的主存储器。
9. 微型计算机中,下列哪个部件负责内存的分配和管理()A. CPUB. 运行器C. 操作系统D. 硬盘控制器答案:C解析:操作系统负责内存的分配和管理。
命题人或命题小组负责人签名: 教研室负责人签名: 系(部)领导签名:第 1 页 (共 6页)嘉兴学院试卷2018—2019学年第一学期期末考试试卷NOA 卷 课程名称:微型计算机原理 使用班级:计科、网络 考试形式:闭卷班级: 姓名: 学号:座位号:一、选择题(在每小题的备选答案中,选出一个正确答案,并将正确答案的序号填在下表内。
每小题2分,共20分)1、寄存器间接寻址方式中,操作数在_______中. A 、通用寄存器B 、堆栈C、存储器D 、段寄存器2、当写入计数初值相同,GATE=1,8253的方式0和方式1最主要的不同之处为_______ 。
A 、输出波形不同B 、门控信号方式0为低电平而方式1为高电平C 、方式0为写入后即触发而方式1为GATE 的上升沿触发D 、输出信号周期相同但一个为高电平一个为低电平.3、8253的控制信号为 CS =0、 RD =1、 WR =0、A1=0、A0=0表示CPU 正在__________ 。
A 、读计数器1B 、读计数器0C 、写入计数器1D 、写入计数器04、某系统采用8255A 作并行I/O 接口,初始化时CPU 所访问的端口地址为0CBH ,1输出,则A 口的口地址应为 。
A 、 0C8H B 、0CAH C 、 0CH D 、 0EH8253的6种工作方式中,能够自动重复工作的两种方式是 。
A 、方式1,方式2B 、方式2,方式3C 、方式2,方式4D 、方式3,方式56、由2732(4K ×8)芯片组成64KB 的存储器,则需要_____块芯片。
A 、12B 、24C 、 16D 、147、异步串行通信的主要特点是 。
命题人或命题小组负责人签名: 教研室负责人签名: 系(部)领导签名:第 2 页 (共 6页)(A) 通信双方不需要同步 (B ) 传送的每个字符是独立发送的 (C ) 字符之间的间隔时间应相同 (D) 传送的数据中不含有控制信息 8、能将数字信号转换为模拟信号的接口芯片是 。
齐齐哈尔市2006-2007学年度下学期结业考试《微型计算机原理》科试卷一、填空题(每空1分,共40分)1、1011018= ____________ D , 0.101118= _____________ D2、205= ____________ B= _________ H3、-168D= _____________ B= ____________ H= ____________ O4、9F.8H= _____________ B= _________ D5、显示器的显示方式有两种,即_______________ 和 ______________ o6、十进制数有____________________________ 10个数码,其基数为 ____ ,二进制基数为—o7、二进制数加法:1+1 + 1 = ___________ , 0+1= _________ o8、10010111B-11011001B= ______________ Do9、10110110B㊉11110000B= ______ H= _________________ B。
10、设计算机的字长为8位,则数+15、-15的原码、补码可表示为:_____________ 、____________和______________ 、________________ O11、在计算机中,有一个数存储格式如图:则此数用定点小数表示为_____________ B,用定点整数表示为_____________ B。
12、(0AFD)16= ( ____________ )BCD(组合式)。
13、冯•诺依曼型计算机由 _____________ 、____________ 、____________ 和____________ 4部分组成。
14、1MB= __________________ Bo15、CPU的功能有_______________________ 、______________________ 、和____________ 。
微型计算机组成原理》期末考试试卷一、填空:(每空 1 分,共60 分)1、按照进位的方法进行计数的数制称为,在计算机中采用的是进制,为了便于书写,常采用进制,其区分符分别为和。
2、十进制数是人们习惯使用的数制,它的每个数位上允许选用共10 个不同的数码,则其基数R= 。
3、进位计数制的按权展开式和的公式为:N= = 。
4、一个机器数由和两部分组成。
5、8 位原码表示的最大、最小整数为和。
6、定点小数10101101B 表示真值为的数。
7、浮点数运算后必须进行规格化,所谓规格化就是。
8、101101.10111B 转换成十进制数为。
9、31D 转换为二进制数为,转换为十六进制数为。
10、0B4H为有符号数,转换为十进制数为。
11、若是奇校验,信息编码为10011001B,则其校验位取值为,该信息奇校验码为。
12、微型计算机系统是由和两部分组成的。
13、和合称为中央处理单元,简称。
14、计算机的存储器是计算机的装置,分内存和外存,目前应用较多的外存储器有、和磁带等;内存分为和两类。
15、1MB= KB。
16、、和计算机的软件称为系统软件。
17、目前计算机语言有、汇编语言和。
18、堆栈有、和三种基本操作。
指定的寄存器,不包含在19、微处理器的基本寄存器是指在编程中可由编程中不被的寄存器。
20、设(DS)=3000H,(SI )=2000H,(35000H)=34H,(35001H)=12H ,则指令MOVAX ,3000H[SI] 执行时,PA= 。
21、设(SS)=3200H,(BP)=1100H,则指令MOV AX,[BP] 有效地址EA(Disp )=,物理地址PA= 。
22、压栈指令助记符为,出栈指令语法格式为。
23、算术运算指令所处理的数据类型有 4 种:、、和。
24、异或运算是两个逻辑位,则运算结果为1,两个逻辑位,则运算结果为0。
异或指令其功能描述用公式表示为。
25、执行XOR AL ,AL 指令,寄存器,其结果是将。
卷2012()()()()()。
()A.时钟周期B.总线周期C.总线读周期D.总线写周期7. 完成与指令XCHG AX, BX相同功能的指令或指令序列是。
()A.MOV AX, BX B、MOV BX, AXC.PUSH AX D、MOV CX, AXPOP BX MOV AX, BXMOV BX, CX8.当M/IO=1, W/R=0时, 8086CPU完成的操作为。
( )A.存储器读B.I/O读C.存储器写D.I/O写9.如果访问存储器时使用BX寻址, 则默认的段寄存器是。
()A.CSB.ESC.DSD.SS10.设[X]补码=11100001B, [Y]补码=11111000B, 则[X-Y]补码= 。
()A.11011001BB.10100111BC.11101001BD.10010111B11.若AL=3BH,AH=7DH,则AL和AH中的内容相加后,标志CF、SF和OF的状态分别是。
()A.0、1.1B.1.1.1C.0、0、0D.1.1.012.设(20010H)=3FH, (20011H)=B2H, 执行下列指令段后, BX= 。
() MOV AX, 2000HMOV DS, AXMOV BX, [0010H]A.B23FH B、B2B2H C、3F3FH D、3FB2H13.下列指令中不影响堆栈内容的是。
()A.PUSHB.RETC.JMPD.CALL14. 下列指令中格式错误的是______。
()A.MOV CS, DSB.MOV AX, 1000HC.MOV DS, AXD.MOV WORD PTR[BX], 1215. 设AL=7FH, 要使AL=80H, 应使用下列哪一条指令。
( )A.AND AL, 80H B、OR AL, 80HC、XOR AL, 80HD、NOT AL二、填空题(每空1分, 共30分)1.8086和8088的地址总线有根, 能寻址 MB的存储器空间。
微型计算机原理考卷A答案一、选择题(每题2分,共20分)1. 微型计算机的核心部件是()A. 主板B. 中央处理器(CPU)C. 内存D. 硬盘2. 下列哪项不属于计算机硬件系统()A. 主机B. 显示器C. 键盘D. 操作系统3. 计算机中用来存储程序和数据的部件是()A. CPUB. 内存C. 硬盘D. 显示器4. 下列哪个不是计算机的主要性能指标()A. 字长B. 主频C. 存储容量D. 传输速度5. 下列哪种存储器具有断电后信息不丢失的特点()A. RAMB. ROMC. CacheD. 寄存器6. 下列哪个不是计算机网络的拓扑结构()A. 星型B. 环型C. 树型D. 线型7. 下列哪个不是计算机病毒的传播途径()A. 网络传播B. 移动存储设备C. 软件安装D. 硬盘损坏8. 下列哪个不是计算机操作系统的功能()A. 资源管理B. 用户界面C. 网络通信D. 编译程序9. 下列哪个不是计算机网络的分类()A. 局域网B. 广域网C. 城域网D. 互联网10. 下列哪个不是计算机编程语言()A. C语言B. PythonC. JavaD. Word二、填空题(每空2分,共20分)1. 微型计算机的硬件系统包括______、______、______和______。
2. 计算机病毒是一种具有破坏性的______,它通过自我复制来传播。
3. 计算机网络的三大功能是______、______和______。
4. 操作系统的主要任务是______、______和______。
5. 计算机网络的七层模型分别是______、______、______、______、______、______和______。
三、简答题(每题5分,共15分)1. 简述微型计算机的基本工作原理。
2. 简述计算机网络的分类及其特点。
3. 简述计算机病毒的危害及防范措施。
答案:一、选择题1. B2. D3. B4. D5. B6. D7. D8. D9. D 10. D二、填空题1. 主机、显示器、键盘、鼠标2. 程序3. 数据通信、资源共享、分布式处理4. 资源管理、用户界面、网络通信5. 物理层、数据链路层、网络层、传输层、会话层、表示层、应用层三、简答题1. 微型计算机的基本工作原理是通过中央处理器(CPU)执行指令,从存储器中读取数据和程序,经过运算处理后将结果输出到显示器等设备。
微机原理期末考试题(总6页)一、单选题(共30分,共 30题,每题1 分)1.计算机内机器数通常采用( C )形式来表示。
A、原码B、反码C、补码D、ASCII码2.组合BCD码“87H”代表的十进制真值是( B )。
A、78B、87C、-120D、+1203.若下列字符码中有奇偶校验位,但没有数据错误,那么采用偶校验的字符码是( D )。
A、B、C、D、4.冯·诺依曼基本思想主要是提出了( A )。
A、二进制和程序存储B、CPU和存储器C、二进制和存储器D、存储器和输入输出设备5.以下叙述中,不符合RISC指令系统特点的是( B )。
A、指令长度固定,指令种类少B、寻址方式种类丰富,指令功能尽量增强C、选取使用频率较高的一些简单指令D、设置大量通用寄存器,访问存储器指令简单6.以下所列提高微机系统性能的技术,说法不正确的是( A )。
A、采用流水线结构后每条指令的执行时间明显缩短。
B、增加Cache存储器后CPU与内存交换数据的速度得到提高。
C、引入虚拟存储技术后扩大了用户可用内存空间。
D、提高主机时钟频率后加快了指令执行速度。
7.微程序控制器中,机器指令与微指令的关系是(B)。
A、每一条机器指令由一条微指令来执行B、每一条机器指令由一段微指令编写的微程序来解释执行C、每一条机器指令组成的程序可由一条微指令来执行D、一条微指令由若干条机器指令组成8.微处理器中运算器的主要功能是进行( D )。
A、逻辑运算B、算术运算C、更新标志位D、以上所有9.在分页管理的存储系统中,( D )通过地址映射表来完成虚拟地址到物理地址的转换。
A、ALUB、寄存器C、接口D、.MMU10.下列因素中,与Cache的命中率无关的是( A )。
A、主存存取时间B、块的大小C、Cache组织方式D、Cache容量11.指令系统中采用不同寻址方式的目的主要是( B )。
A、实现存储程序和程序控制B、缩短指令长度,扩大寻址空间,提高编程灵活性C、可以直接访问外存D、提供扩展操作码的可能并降低指令译码难度12.程序控制类指令的主要功能是( D )。
旗开得胜1,考试作弊将带来严重后果!华南理工大学期末考试《微型计算机原理》试卷A1. 考前请将密封线内各项信息填写清楚;2. 所有答案请直接答在答题纸上; 3.考试形式:闭卷;4. 本试卷共三大题,满分100分, 考试时间120分钟。
2分,共20分)的内部由两大独立的功能部件组成,分别为 和 。
的外部复用引脚分为 复用和 复用。
在微机系统中通常有三级时序,分别为 、总线周期、 。
假设SS=2000H ,SP=1000H ,AX=5678H ,执行指令PUSH AX后,存放数据78H的堆栈区的物理地址是。
5. 假设DS=3000H,SI=1000H,[31000H]=55H,[31001H]=AAH,那么执行指令MOV AX,[SI]后,AX= 。
6. 8086的CPU有20根地址线,它可以直接寻址的存储器单元数为,地址范围为(16进制表示)。
7. 用4K×8的存储芯片,构成64K×8的存储器,需要使用______片存储芯片。
8. 主机与外设之间的数据传送控制方式有3种,分别是程序控制传送方式、____和______。
9. 单片8259可管理8级可屏蔽中断,4片级联最多可管理____级,最大可扩展____级。
10. 串行通行的方式有三种,分别为、和全双工。
二、简答题(共40分)1. 8086CPU的最小工作模式的系统特点是什么?(4分)22. 设(AX)=687BH,(DX)=0ABCDH,执行ADD AX,BX后,求各个标志位ZF,PF,SF,CF,OF,AF的状态和AX的内容。
(6分)3. 下面各小题中若有错误,请指出并说明错误原因(4分)1)MOV BX,AL 2)MOV 100,CL 3)MOV SS,2400H 4)MOV [BX],[SI]34. 阅读下面程序,说明该程序段完成什么功能?(6分)MOV CL, 04SHL DX,CLMOV BL,AHSHL AX,CLSHR BL,CLOR DL,BL5. 8086CPU内部按功能可分为哪两大部分,它们各自己的主要功能是什么?(4分)46. 设有一个具有13位地址和8位字长的存储器,试问:1)存储器能存储多少字节信息?2)如果存储器由2K×4位的RAM芯片组成,共计需要多少片?(6分)7. CPU与外设之间进行数据传送时,有哪几种方式?简单说明其意义和用途。
微型计算机原理考卷A一、选择题(每题2分,共30分)1. 微型计算机中,CPU的主要功能是()。
A. 控制计算机的运行B. 执行算术和逻辑运算C. 存储数据和程序D. 输出信息A. RAMB. ROMC. 硬盘D. U盘A. 算术逻辑单元、累加器、寄存器B. 控制器、累加器、寄存器C. 算术逻辑单元、控制器、寄存器D. 算术逻辑单元、累加器、控制器4. 下列哪个单位表示计算机的存储容量?()A. MbpsB. GHzC. GBD. MBps5. 微型计算机中,下列哪个设备属于输入设备?()A. 显示器B. 键盘C. 打印机D. 扬声器A. MOVB. ADDC. SUBD. MUL7. 在微型计算机中,下列哪个寄存器用于存储指令地址?()A. 程序计数器B. 堆栈指针C. 基址寄存器D. 指令寄存器8. 微型计算机的时钟频率越高,其运算速度()。
A. 越慢B. 越快C. 不变D. 无法确定A. 地址总线B. 控制总线C. 数据总线D. 电源总线A. 数据传送指令、算术运算指令、逻辑运算指令B. 数据传送指令、算术运算指令、控制指令C. 数据传送指令、逻辑运算指令、控制指令D. 算术运算指令、逻辑运算指令、控制指令二、填空题(每题2分,共20分)1. 微型计算机的CPU由________和________两部分组成。
2. 在微型计算机中,________是用于存储程序和数据的存储器。
3. 微型计算机的指令系统包括________、________和________三种类型的指令。
4. 计算机硬件系统主要包括________、________、________、________和________五个部分。
5. 微型计算机的存储器按功能可分为________和________两大类。
6. 在微型计算机中,________是用于存储当前正在执行的指令的寄存器。
7. 微型计算机的________是指令的集合,它规定了计算机所能执行的全部操作。
微机原理期末试题及答案一、选择题(每题2分,共20分)1. 在计算机系统中,CPU指的是:A. 中央处理器B. 存储器C. 输入设备D. 输出设备答案:A2. 下列哪个不是微机的组成部分?A. 总线B. 内存C. 硬盘D. 打印机答案:D3. 在计算机中,1KB的存储空间等于:A. 1024字节B. 1000字节C. 1024位D. 1000位答案:A4. 8086微处理器的地址总线宽度是:A. 16位B. 32位C. 24位D. 8位答案:A5. 下列哪个指令是用于数据传输的?A. MOVB. ADDC. SUBD. JMP答案:A二、简答题(每题10分,共30分)1. 简述冯·诺依曼计算机体系结构的主要特点。
答案:冯·诺依曼计算机体系结构的主要特点包括:程序存储、程序控制、指令和数据以同等地位存储在同一存储器中、顺序执行指令。
这种结构简化了计算机的设计,使得计算机能够自动、连续地执行程序。
2. 解释什么是指令周期,并简述其主要步骤。
答案:指令周期是CPU执行一条指令所需的全部时间,包括取指令、分析指令、执行指令等步骤。
在每个指令周期中,CPU首先从存储器中取出指令,然后对指令进行译码,最后执行指令所指定的操作。
3. 描述微机总线的基本功能。
答案:微机总线是连接CPU、内存、输入输出设备等组件的通信线路,其基本功能包括数据传输、地址传输和控制信号传输。
数据总线用于在CPU和存储器或输入输出设备之间传输数据;地址总线用于指定数据传输的目标地址;控制总线则用于传输控制信号,如读写信号、中断请求等。
三、计算题(每题15分,共30分)1. 假设一个计算机系统使用16位地址总线,计算该系统的最大内存容量。
答案:使用16位地址总线,意味着可以寻址2^16个不同的内存单元。
如果每个内存单元存储1字节,则最大内存容量为2^16字节,即65536字节,或64KB。
2. 给定一个二进制数10110110,请计算其二进制补码。
微机期末考试试题及答案# 微机期末考试试题及答案## 一、选择题(每题2分,共20分)1. 微机系统中,CPU的中文全称是:A. 中央处理器B. 中央控制单元C. 中央存储器D. 中央运算器答案:A2. 下列哪个不是微机的输入设备?A. 鼠标B. 键盘C. 打印机D. 扫描仪答案:C3. 微机的存储器中,RAM的中文含义是:A. 随机存取存储器B. 只读存储器C. 可编程只读存储器D. 硬盘存储器答案:A4. 在微机系统中,硬盘属于:A. 主存储器B. 辅助存储器C. 输入设备D. 输出设备答案:B5. 微机的操作系统主要功能不包括:A. 管理内存B. 管理文件系统C. 管理输入输出设备D. 直接执行程序代码答案:D## 二、填空题(每空2分,共20分)1. 微机系统中,CPU的主要功能是执行______和控制。
答案:指令2. 微机的内存分为______和辅助存储器。
答案:主存储器3. 微机的总线可以分为______、数据总线和控制总线。
答案:地址总线4. 在微机系统中,______是用于存储程序和数据的设备。
答案:存储器5. 微机的I/O设备包括输入设备和______。
答案:输出设备## 三、简答题(每题15分,共30分)1. 简述微机系统的组成及其主要功能。
答案:微机系统主要由CPU、存储器、输入输出设备和总线组成。
CPU负责执行指令和控制其他设备;存储器用于存储程序和数据;输入输出设备用于与用户交互和数据交换;总线是连接各个部件的通道,负责数据和控制信号的传输。
2. 解释什么是微机的操作系统,并简述其主要功能。
答案:微机的操作系统是管理计算机硬件资源,提供用户接口和程序运行环境的系统软件。
其主要功能包括管理内存、文件系统、输入输出设备,以及提供程序运行的调度和控制。
## 四、计算题(每题15分,共30分)1. 已知某微机的CPU主频为3.5GHz,计算其每秒可以执行多少条指令。
答案:主频为3.5GHz意味着CPU每秒可以进行35亿次周期性操作。
1.试题可采用粘贴方式,请用B5纸打印,粘贴时不要超过边框。
2.本科课程的试题一般不留答题空间,答案写在专用答题纸上,专科课程试题一般要留答题空间,答案直接做在试卷上。
年级 专业班级姓名 学号 考试时间 年 月 日 午订装线2009 ——2010 学年 第 1 学期课程名称: 微机原理及应用 考试形式:( 闭 )考核方式:(考试)题号 一 二三四五总分得分评阅人签 名一、单项选择题(每题 1分,共 15 分)1.若用户数据位于存储区10000H ~1FFFFH ,则该数据的段地址为__C____。
(A) 0100H (B) 1FFFH (C) 1000H (D) 0FFFH 2.8086 CPU 在响应中断时顺序将_____C_____内容压入堆栈。
(A) CS.IP.PSW (B) IP.CS.PSW(C) PSW.CS.IP (D) PSW.IP.CS3.设(10FF0H)=10H ,(10FFlH)=20H ,(10FF2H)=30H ,则从物理地址10FF1H 中取出一个字的内容是 B 。
(A) 1020H (B) 3020H (C) 2030H (D) 2010H4.连续启动两次独立的存储器操作之间的最小间隔叫____D______。
(A) 存取时间 (B) 读周期 (C) 写周期 (D) 存取周期考场座号试卷类型 A 卷得 分命题教师签名: 汤定德 系主任签名: 徐根耀 日 期 2009.12.183.试编写由8位某型号数模转换器产生锯齿波模拟信号的一段程序,设地址51CH 为计算机中译码器的输出,且该输出信号使数模转换器的CS 为低电平。
(10分)CODE SEGMENTASSUME CS:CODE (2分) START:MOV CX,256 MOV AL,0MOV DX,51CH (2分)LOOP1:OUT DX,AL CALL DELAY INC AL LOOP LOOP1 JMP STARTCODE ENDS (5分) END START (1分)五、计算题(第1题5分、第2题10分,共15分)1.10010110 11010101(5分)解:根据“相异则或”的原则(2分),可得结果为01000011.(3分)2.00011001-00100000(要求有较详细的运算步骤)(10分)解:(5分) 而11111001即为-7的补码(2分),故差应为10000111(3分).得 分 订装线。
微型计算机原理期末考试试题
一、单项选择题(本大题共25小题,每小题1分,共25分)在每小题列出的四个备选项中只有一个是符合题目要求的,请将其代码填写在题后的括号内。
错选、多选或未选均无分。
1.笫一台电了数字计算机问世于()
A、193()年
B、1946 年
C
、1957 年D、197()年
2.计算机硬件是指()
A、CPU B
、主机
C、打印机D
、构成计算机的所苗物理部件的集合
3.以下叙述错谋的是()
A、汉字的内码用于计算机中信息的存储和运算
B、定点数的小数点是隐含的
C、浮点数小,尾数的位数越长,能表达的精度越高
D、浮点数屮,尾数的值反映了小数点的位置
4.下列逻辑部件中,不包括在运算器内的是()
A、累加器
B、状态条件寄存器
C、指令寄存器
D、通用寄存器
5.在下列组成运算器的逻辑部件屮,程序不可以访问的是()
A、累加器
B、状态条件寄存器
C、通用寄存器
D、源寄存器和暂存寄存器
6.在单总线结构运算器中,总线传输数据应是()
A、单向
B、双向
C、有时单向,有时双向
D、串行
7.如果指令中的地址码是操作数地址的地址,那么这种寻址方式称为()
A、立即寻址
B、直接寻址
C、间接寻址
D、变址寻址
8.求补码的指令属于()
A、算术运算指令
B、逻辑运算指令
C、字符串处理指令
D、特权批令
9. CPUlj内存、外部设备Z间传送信息的中转站是()
A、数据缓冲寄存器
B、程序计数器
C、通用寄存器
D、累加器
1()・若按存储介质来分类,则町以把存储器分为()
A、半导体存储器、磁存储器和光存储器三类
B、半导体存储器、MOS存储器和磁盘三类
C、磁盘、磁带和光盘三类
D、硬盘、软盘和光盘三类
11.需耍有刷新周期的存储器称为()
A、半导体存储器B
、随机存収存储器
C、静态存储器D
、动态存储器
12. EPROM的意义是()
A、只读存储器B
、町擦町编程的随机存取存储器
C、可擦可编程的只读存储器D
、电了可编程的只读存储器
13.虚拟存储器与主存之间的地址对应表(变换表)是()
A 、 由编程人员来安排和分配的
B 、 由操作系统的辅助软件和硬件来白动形成的
C 、 由编程人员和操作系统联合完成的
D 、 由硬件独立完成的
14. 主机和I/O 设备之间需要通过I/O 接口进行协调,其原因之一是两者的工作一般处于()
A 、同步状态
B 、异步状态
C 、忙状态
D 、串行方式 15. 根据中断源在系统中的位置分类,运算器除法出错的中断是属于()
18. 以下尾数为补码的浮点数表示中,符合规格化要求的是()
A 、0.0000110BX 2°
B 、0.0100011BX22 19. 单总线结构的运算器执行一个加法运算的过程是()
A 、 两个操作数一步分别送入ALU 输入端的A 、
B 缓冲寄存器,第二步把“和”选通到 目
的寄存器
B 、 两个操作数据分二步分别送入ALU 输入端的A 、B 缓冲寄存器,第三步把“和”选 通
到目的寄存器
C 、 两个操作数一步分别送入ALU 输入端的A 、B 缓冲寄存器,第二步作加法,第三步 把
“和”选通到目的寄存器
D 、 两个操作数据分二步分别送入ALU 输入端的A 、B 缓冲寄存器,笫三步作加法,笫 四步把“和”选通到目的寄存器
20. 计算机指令系统的一肓接使用者一般是()
A 、数据录入员
B 、操作员
C 、应用程序员
D 、系统程序员
21. 在一地址指令格式中,指令给出了一个操作数的地址,另一个操作数常隐含在()
A 、通用寄存器
B 、 累加器 C.数据缓冲寄存器
D 、地址寄存器
22.在指令寻址方式中, 采川地址变换表的H 的是 ()
A 、扩大寻址空间
B 、 缩短指令长度
C 、 加快处理速度
D 、 便于间接寻址 23.按位加法运算指令属于( )
A 、算术运算指令
B 、 逻辑运算指令
C 、 移位操作指令
D 、 特权指令 24.应用程序中不能使用 ( )
A 、堆栈操作指令
B 、 I/O 指令
C 、 移位操作指令
D 、 特权指令 25.非访问内指令CLA (清理累加器内容)的指令周期包含的CPU 周期有()
A 、一个
B 、二个
C 、三个
D 、四个
二、填空题(本大题共15空,每空2分,共30分)请在每小题的空格中填上正确答案。
错填、不填均无分。
27. 把数据集中起来,统一管理,这个管理程序就是 ________________________ 28. 三态门的输出状态有三种,即()态、1态和 ________ 状态。
A 、内部中断
B 、外部中断
C 、简单中断
D 、不可屏蔽中断
16.对计算机中主机、 外设以及系统程序、 数据等进行有效合理地管理功能称为( A 、作业管理 17. 在二进制数据中,
B 、调度管理 小数点向右移一位,
C 、资源管理 则数据
C 、扩大一借
D 、数据管理 D 、扩大二借
C 、1.0100011BX24
D 、1.1100110BX21
26・信息从存储器读入运算器,进行运算, 并把结果返存入存储器,该过程的信息流称为
29.原码编码[X^=1OIO1OOB的有符号整数的真值为__________________ o
30.表示一个带符号数的方法有原码表示法、补码表示法和_________________ 。
31.常用的数据校验有交叉校验码、海明校验码、循环冗余校验码和________________ 。
32.指令系统是计算机侦件的语言系统,因此也称为_____________ 语言。
33.CPU将算术指令和逻辑指令执行后出现的一些标,忐(如进位标志、溢出标志等)保存在_____________ 寄存器中。
34.______________________________________________________________________ 评价存储器的主耍性能指标有存储容量、可靠性、性能价格比和____________________ 。
35.主存储器的寻址系统包括地址寄存器、电路驱动器与___________________ o
36.在计算机中,操作的数据都是_____________ 形式。
37.在Pentium的机问世前的PC机中,其浮点运算功能人多是使用被称为______________ __________ 的选购件来完成的。
38.在三地址指令格式屮,OP表示操作码,D1和D2表示两个源操作数地址,D3表示运
算结果地址,则该指令的可描述为________________________________ o
39.待执行指令从内存被取到数据缓冲寄存器后,CPU将其传到____________________ , 其小的操作码经指令译码器进行分析译码。
40.操作控制器的功能,就是根据指令的__________________ 和吋序信号,产生各种操作
控制信号,以便正确地建立数据通路,从而完成执行指令的控制。
三、计算题(本大题共3小题,共21分)
41.(6分)设机器字长为8位,最高位为符号位,试对下列各式进行二进制补码运算:
I、8+18 II、8-18
42.(7分)逻辑地址和物理地址的关系是什么?若已知逻辑地址为B100H: A300H,请求出它的物理地址。
43.(8分)什么是相对寻址方式?现指定内存单元3000H中存冇一条相对寻址的转移指令, 并设其偏移最是6位带符号的补码,值为2DH,试问,执行完该转移指令后,下一条指令的地址代码是什么?它存放在控制器的哪一个寄存器中。
四、简答题(本大题共4小题,每小题6分,共24分)
44.输入输出接口的基本作用是什么?
45.CPU耍响应屮断的话,必须同时满足哪三个条件?中断优先权控制电路的功能是什么?
46.试写出CPU的四个基本功能。
47.简述零地址、一地址、二地址指令格式打三地址指令格式两者各自的优点和适用情况。