幕墙注胶检查记录
- 格式:docx
- 大小:559.77 KB
- 文档页数:5
001
温度
(℃)75日期序号
均匀性饱满度1均匀饱满2
均匀
饱满
监理工程师
(建设单位项目技术负责人):
×××
监理(建设)单位
施工单位专业工长
专业质检员施工班组长×××
×××
×××
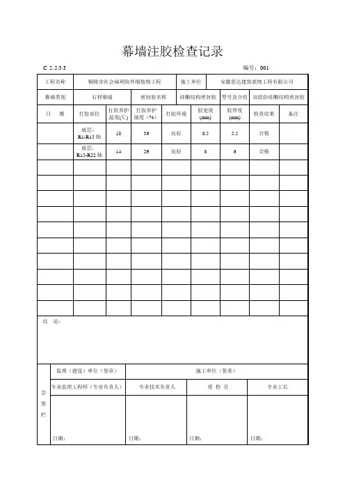
二层
12.5mm
18.5mm
连续
平整
合格
检查结果一层12mm 18mm 连续平整合格注胶环境清洁、无尘、通风良好20相对湿度(%)201×年××月
××日注胶部位胶缝宽注胶厚度(mm)连续性平整度幕墙类别玻璃幕墙注胶胶名称硅酮结构密封胶型号及组份WH-810 总承包施工单位广东电白建设集团有限公司检查日期201×年××月
××日分部/子分部/分项装饰装修/幕墙/玻璃幕墙安装
检验批编号GD-C5-711195幕墙注胶检查记录
GD-C4-6362 单位(子单位)工程名称商住楼(和平碧桂园二标段)。
0309020100103090201001注:本表内容的填写需依据《现场验收检验批检查原始记录》。
本检验批质量验收的规范依据见本页背面。
填写说明一、填写依据1 《建筑装饰装修工程质量验收规范》GB50210-2001。
2 《建筑工程施工质量验收统一标准》GB50300-2013。
二、检验批划分各分项工程的检验批应按下列规定划分:1 相同设计、材料、工艺和施工条件的幕墙工程每500~1000应划分为一个检验批,不足500也应划分为一个检验批。
2 同一单位工程的不连续的幕墙工程应单独划分检验批。
3 对于异型或有特殊要求的幕墙,检验批的划分应根据幕墙的结构、工艺特点及幕墙工程规模,由监理单位(或建设单位)和施工单位协商确定。
三、GB50210-2001规范摘要主控项目9.3.2 金属幕墙工程所使用的各种材料和配件,应符合设计要求及国家现行产品标准和工程技术规范的规定。
检验方法:检查产品合格证书、性能检测报告、材料进场验收记录和复验报告。
9.3.3 金属幕墙的造型和立面分格应符合设计要求。
检验方法:观察;尺量检查。
9.3.4 金属面板的品种、规格、颜色、光泽及安装方向应符合设计要求。
检验方法:观察;检查进场验收记录。
9.3.5 金属幕墙主体结构上的预埋件、后置埋件的数量、位置及后置埋件的拉拔力必须符合设计要求。
检验方法:检查拉拔力检测报告和隐蔽工程验收记录。
9.3.6 金属幕墙的金属框架立柱与主体结构预埋件的连接、立柱与横梁的连接、金属面板的安装必须符合设计要求,安装必须牢固。
检验方法:手扳检查;检查隐蔽工程验收记录。
9.3.7 金属幕墙的防火、保温、防潮材料的设置应符合设计要求,并应密实、均匀、厚度一致。
检验方法:检查隐蔽工程验收记录。
9.3.8 金属框架及连接件的防腐处理应符合设计要求。
检验方法检查隐蔽工程验收记录和施工记录。
9.3.9 金属幕墙的防雷装置必须与主体结构的防雷装置可靠连接。
检验方法:检查隐蔽工程验收记录。
玻璃幕墙工程检验批质量验收记录项目名称:玻璃幕墙工程施工单位:XXX建筑工程有限公司验收时间:XXXX年XX月XX日验收人员:XXX、XXX、XXX一、前言二、验收依据2.《建筑幕墙工程质量验收规范》(JGJ102-2024)3.玻璃幕墙工程设计图纸和技术文件三、验收内容1.玻璃质量验收在施工过程中,对玻璃的质量进行检验。
按照设计要求,采用光学仪器对玻璃进行测量,检验玻璃的平整度、尺寸、厚度等指标。
经检验,玻璃的质量符合设计要求。
2.玻璃幕墙结构检验对玻璃幕墙的结构进行检验。
先对安装的玻璃进行测量,检验尺寸是否符合设计要求。
然后对幕墙结构的安装质量进行检验,检查焊接、固定、支撑等构件的连接是否牢固,是否有裂缝、变形等缺陷。
经检验,玻璃幕墙结构的安装质量良好。
3.密封胶验收对玻璃幕墙的密封胶进行检验。
检查密封胶的使用是否符合设计要求,然后对密封缝的宽度、深度、平整度以及胶条密实性进行检验。
经检验,密封胶的质量符合要求,密封缝的处理良好。
4.玻璃幕墙水密性和气密性试验对玻璃幕墙的水密性和气密性进行试验。
采用喷水或水柱冲击法对幕墙进行水密性试验,观察是否有渗漏现象。
采用烟雾或压差法对幕墙进行气密性试验,观察是否有气体渗透现象。
经试验,玻璃幕墙的水密性和气密性达到设计要求。
四、结论经过检验,玻璃幕墙工程的质量达到了设计要求和相关规范的要求。
施工单位在施工过程中严格按照施工规范进行施工,每个环节都经过认真检验,保证了施工质量。
因此,玻璃幕墙工程经验收合格。
五、存在的问题及处理意见在验收过程中,发现玻璃幕墙工程存在以下问题:1.部分玻璃表面有污渍,需要进行清洗处理。
2.密封胶有少量起泡现象,需要重新涂覆密封胶进行处理。
3.部分玻璃连接处有细微的裂缝,需要进行修补处理。
针对上述问题,建议施工单位对污渍进行清洗,重新涂覆密封胶,以及对裂缝进行修补,确保玻璃幕墙的质量符合要求。
六、附件1.玻璃幕墙工程设计图纸和技术文件2.玻璃质量检验报告3.玻璃幕墙结构检验报告4.密封胶验收报告5.玻璃幕墙水密性和气密性试验报告以上为玻璃幕墙工程的检验批质量验收记录,经过检验,该工程的质量符合设计要求和相关规范的要求。
幕墙注胶检查记录
C 2.5.3.3 编号:001
工程名称:铜陵市社会福利院(市社会养老服务中心)*外墙装饰工程
工程名称:铜陵市社会福利院(市社会养老服务中心)*外墙装饰工程
幕墙注胶检查记录
C 2.5.3.3 编号:001
工程名称:铜陵市社会福利院(市社会养老服务中心)*外墙装饰工程
工程名称:铜陵市社会福利院(市社会养老服务中心)*外墙装饰工程
幕墙注胶检查记录
C 2.5.3.3 编号:001
工程名称:铜陵市社会福利院(市社会养老服务中心)*外墙装饰工程
工程名称:铜陵市社会福利院(市社会养老服务中心)*外墙装饰工程。
干挂石材幕墙隐蔽工程检查验收记录石材幕墙工程检验批质量验收的主控项目1、石材幕墙工程所用材料的品种、规格、性能和等级,应符合设计要求及国家现行产品标准和工程技术规范的规定。
石材的弯曲强度不应小于8MP;吸水率应小于8%。
石材幕墙的铝合金挂件厚度不应小于4,不锈钢挂件厚度不应小于3。
观察和尺量检查;检查产品合格证书、性能检测报告、材料进场验收记录和复验报告。
、石材幕墙的造型、立面分格、颜色、光泽、花纹和图案应符合设计要求。
观察检查。
3、石材孔、槽的数量、深度、位置、尺寸应符合设计要求。
检查进场验收记录或施工记录。
4、石材幕墙主体结构上的预埋件和后置埋件的位置、数量及后置埋件的拉拔力必须符合设计要求。
检查拉拔力检测报告和隐蔽工程验收记录。
5、石材幕墙的金属框架立柱与主体结构预埋件的连接、立柱与横梁的连接、连接件与金属框架的连接、连接件与石材面板的连接必须符合设计要求,安装必须牢固。
手扳检查;检查隐蔽工程验收记录。
6、金属框架和连接件的防腐处理应符合设计要求。
检验方法:检查隐蔽工程验收记录。
、石材幕墙的防雷装置必须与主体结构防雷装置可靠连接。
观察和检查隐蔽工程验收记录和施工记录。
8、石材幕墙的防火、保温、防潮材料的设置应符合设计要求,填充应密实、均匀、厚度一致。
检查隐蔽工程验收记录。
9、各种结构变形缝、墙角的连接节点应符合设计要求和技术标准的规定。
检查隐蔽工程验收记录和施工记录。
1、石材表面和板缝的处理应符合设计要求。
观察检查。
11、石材幕墙的板缝注胶应饱满、密实、连续、均匀、无气泡,板缝宽度和厚度应符合设计要求和技术标准的规定。
观察和尺量检查;检查施工记录。
1、石材幕墙应无渗漏。
在易渗漏部位进行淋水检查。
精品文档word文档可以编辑!谢谢下载!。